变频器原理及接线图
- 格式:ppt
- 大小:3.23 MB
- 文档页数:37
变频器的工作原理图1、变频器的主回路电压型变频器主电路包括:整流电路、中间直流电路、逆变电路三部分组,交-直-交型变频器结构见附图11)整流电路:VD1~VD6组成三相不可控整流桥,220V系列采用单相全波整流桥电路;380V系列采用桥式全波整流电路。
2)中间滤波电路:整流后的电压为脉动电压,必须加以滤波;滤波电容CF除滤波作用外,还在整流与逆变之间起去耦作用、消除干扰、提高功率因素,由于该大电容储存能量,在断电的短时间内电容两端存在高压电,因而要在电容充分放电后才可进行操作。
3)限流电路:由于储能电容较大,接入电源时电容两端电压为零,因而在上电瞬间滤波电容CF的充电电流很大,过大的电流会损坏整流桥二极管,为保护整流桥上电瞬间将充电电阻RL串入直流母线中以限制充电电流,当CF充电到一定程度时由开关SL将RL短路。
4)逆变电路:逆变管V1~V6组成逆变桥将直流电逆变成频率、幅值都可调的交流电,是变频器的核心部分。
常用逆变模块有:GTR、BJT、GTO、IGBT、IGCT等,一般都采用模块化结构有2单元、4单元、6单元5)续流二极管D1~D6:其主要作用为:(1)电机绕组为感性具有无功分量,VD1~VD7为无功电流返回到直流电源提供通道(2)当电机处于制动状态时,再生电流通过VD1~VD7返回直流电路。
(3)V1~V6进行逆变过程是同一桥臂两个逆变管不停地交替导通和截止,在换相过程中也需要D1~D6提供通路。
6)缓冲电路由于逆变管V1~V6每次由导通切换到截止状态的瞬间,C极和E极间的电压将由近乎0V上升到直流电压值UD,这过高的电压增长率可能会损坏逆变管,吸收电容的作用便是降低V1~V6关断时的电压增长率。
7)制动单元电机在减速时转子的转速将可能超过此时的同步转速(n=60f/P)而处于再生制动(发电)状态,拖动系统的动能将反馈到直流电路中使直流母线(滤波电容两端)电压UD不断上升(即所说的泵升电压),这样变频器将会产生过压保护,甚至可能损坏变频器,因而需将反馈能量消耗掉,制动电阻就是用来消耗这部分能量的。
变频器工作原理直流->振荡电路->变压器(隔离、变压)->交流输出方波信号发生器使直流以50Hz的频率突变,用正弦和准正弦的振荡器,波形类似于长城的垛口,一上一下的方波,突变量约为5V;再经过信号放大器使突变量扩大至12V左右;经变压器升压至220V输出怎样将直流电转换成交流电?有三种方法:1、用直流电源带动直流电动机----机械传动到交流发电机发出交流电;这是一种最古老的方法,但现在仍有人在用,特点是成本低,易维护。
目前在大功率转换中还在使用。
2、用振荡器(就是目前市场上的逆变器);这是比较先进的方法,成本高,多用于小功率变换;3、机械振子变换器,其原理就是让直流电流断断续续,通过变压器后就能在变压器的次级输出交流电,这是一种比较老的方法,目前基本上已被淘汰。
现在日本发现一种有机物可以转换2交流电是指电压或电流的幅值在0值附近震荡,也就是有正有负,方向会发生变化,而并不一定是正弦的。
直流电也并不是恒定不变的,它的幅值也是可以变化的,但不会改变方向。
也就是说恒为正或恒为负。
在逆变器中不能单独应用可控硅,它仅仅是起一个开关作用,必须要由振荡电路来控制可控硅的开/关状态,得到方波形的交流电,再经变压、滤波,得到较纯的正弦波交流电。
UPS 电源(Uninterruptible Power System 不间断电源系统)利用逆变电路,即用直流电驱动一个振荡器,产生交流振荡,一般得到的是方波。
如果经过滤波电路去除50Hz的谐波,就能得到比较纯的50Hz交流电。
变频器1 1.1变频技术的概念1.常用的调速方法变极调速、定子调压调速、转差离合器调速2.变频技术的概念把直流电逆变成不同频率的交流电,或是把交流电变成直流电再逆变成不同频率的交流电,或是把直流电变成交流电再把交流电变成直流电等技术的总称。
特点:电能不变,只有频率变。
3.变频技术的发展应交流电机无级调速的需要而诞生的。
自20世纪60年代以来,电力电子技术、计算机技术、自动控制技术的迅速发展,电气传动技术面临着一场革命,即交流调速取代直流调速、计算机数字控制技术取代模拟控制技术已经成为发展趋势。
变频器原理图 变频器主要由模块,CPU控制板,电源驱动板组成,见上图. L1为进线电抗器,一般需外接,L2为直流电抗器,大部份变频器需要外接,象施耐德,丹佛斯变频器都内置了直流电抗器。
PM1为整流模块,PM2为逆变模块,一般小功率变频器是将整流和逆变整合在一起,大功率变频器整流和逆变都是分开的,功率越大电流越大,因为单一的整流和逆变的电流1有限,所以整流和逆变可以并联使用。
PM3是制动晶体,15KW以下的变频器都内置制动晶体,外接一个制动电阻就能做能耗制动。
C1,C2是滤波电容,变频器功率越大,电容的容量就越大,滤波电容的耐压一般是450V,因为380V级的变频器整流滤流后的电压是600V,所以可以将两个耐压为450V的滤波电容串联使用,总的耐压就可以达到900V。
R1是启动电阻,它的作用是在上电的时候限制滤波电容的充电电流,当电容充电完成后接触器K1动作,R1被旁路。
R2和R3的作用有两个:一是作放电电阻,关机后将电容上的电尽放放掉,另一个是均压,保持滤波电容上的电压相等。
CT是霍尔电流互感器,比如台安变频器的互感器型号是HY-15P,它的含义是通过互感器初级电流为0-15A时互感器的输出电压是0-4V。
互感器也有输出电流型的。
大部份变频器都是用的霍尔电流互感器,象西门子,华为等变频器用的是另一种检测方法,在输出U,V,W分别串联一个小电阻,通过检测电阻上的压降来检测电流。
SA1-SA3是进线压敏电阻,可以抑制瞬态过电压,起到保护变频器的作用。
T1是380V/220V电源变压器,小功率变频器的风扇都是12V或24V供电的,电源取自开关电源部份,大功率变频器的风扇是220V的,所以加了个变压器转换一下。
电源驱动板的作用:一是提供变频器所有的供电电源,二是将控制板的IGBT驱动信号进行隔离放大。
控制板相当于变频器的大脑,通过操作面板做人机对话,实现各种控制功能。
以上电路下面会分别详细介绍。
变频器电路原理图一、变频器开关电源电路变频器开关电源主要包括输入电网滤波器、输入整流滤波器、变换器、输出整流滤波器、控制电路、保护电路。
我们公司产品开关电源电路如下图,是由UC3844组成的开关电路:开关电源主要有以下特点:1,体积小,重量轻:由于没有工频变频器,所以体积和重量吸有线性电源的20~30%2,功耗小,效率高:功率晶体管工作在开关状态,所以晶体管的上功耗小,转化效率高,一般为60~70%,而线性电源只有30~40%二、二极管限幅电路限幅器是一个具有非线性电压传输特性的运放电路。
其特点是:当输入信号电压在某一范围时,电路处于线性放大状态,具有恒定的放大倍数,而超出此范围,进入非线性区,放大倍数接近于零或很低。
在变频器电路设计中要求也是很高的,要做一个好的变频器维修技术员,了解它也相当重要。
1、二极管并联限幅器电路图如下所示:2、二极管串联限幅电路如下图所示:三、变频器控制电路组成如图1所示,控制电路由以下电路组成:频率、电压的运算电路、主电路的电压、电流检测电路、电动机的速度检测电路、将运算电路的控制信号进行放大的驱动电路,以及逆变器和电动机的保护电路。
在图1点划线内,无速度检测电路为开环控制。
在控制电路增加了速度检测电路,即增加速度指令,可以对异步电动机的速度进行控制更精确的闭环控制。
1)运算电路将外部的速度、转矩等指令同检测电路的电流、电压信号进行比较运算,决定逆变器的输出电压、频率。
2)电压、电流检测电路与主回路电位隔离检测电压、电流等。
3)驱动电路为驱动主电路器件的电路,它与控制电路隔离使主电路器件导通、关断。
4)I/0输入输出电路为了变频器更好人机交互,变频器具有多种输入信号的输入(比如运行、多段速度运行等)信号,还有各种内部参数的输出“比如电流、频率、保护动作驱动等)信号。
5)速度检测电路以装在异步电动轴机上的速度检测器(TG、PLG等)的信号为速度信号,送入运算回路,根据指令和运算可使电动机按指令速度运转。
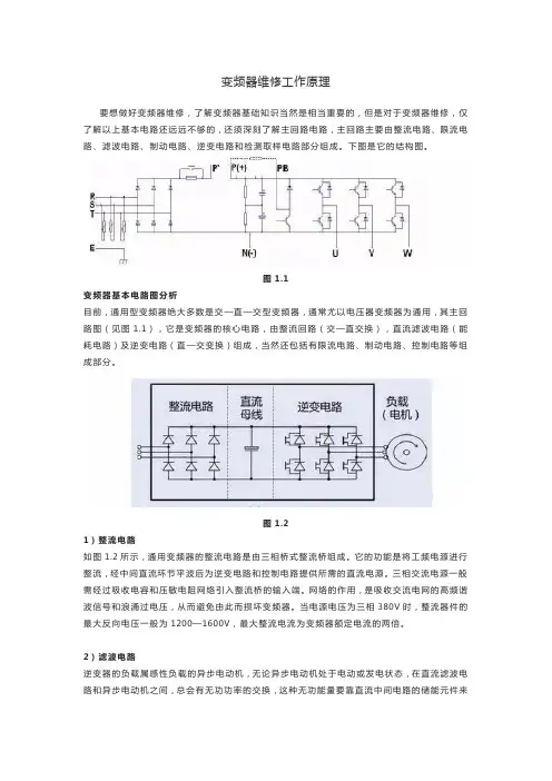
变频器维修工作原理要想做好变频器维修,了解变频器基础知识当然是相当重要的,但是对于变频器维修,仅了解以上基本电路还远远不够的,还须深刻了解主回路电路,主回路主要由整流电路、限流电路、滤波电路、制动电路、逆变电路和检测取样电路部分组成。
下图是它的结构图。
图1.1变频器基本电路图分析目前,通用型变频器绝大多数是交—直—交型变频器,通常尤以电压器变频器为通用,其主回路图(见图1.1),它是变频器的核心电路,由整流回路(交—直交换),直流滤波电路(能耗电路)及逆变电路(直—交变换)组成,当然还包括有限流电路、制动电路、控制电路等组成部分。
图1.21)整流电路如图1.2所示,通用变频器的整流电路是由三相桥式整流桥组成。
它的功能是将工频电源进行整流,经中间直流环节平波后为逆变电路和控制电路提供所需的直流电源。
三相交流电源一般需经过吸收电容和压敏电阻网络引入整流桥的输入端。
网络的作用,是吸收交流电网的高频谐波信号和浪涌过电压,从而避免由此而损坏变频器。
当电源电压为三相380V时,整流器件的最大反向电压一般为1200—1600V,最大整流电流为变频器额定电流的两倍。
2)滤波电路逆变器的负载属感性负载的异步电动机,无论异步电动机处于电动或发电状态,在直流滤波电路和异步电动机之间,总会有无功功率的交换,这种无功能量要靠直流中间电路的储能元件来缓冲。
同时,三相整流桥输出的电压和电流属直流脉冲电压和电流。
为了减小直流电压和电流的波动,直流滤波电路起到对整流电路的输出进行滤波的作用。
通用变频器直流滤波电路的大容量铝电解电容,通常是由若干个电容器串联和并联构成电容器组,以得到所需的耐压值和容量。
另外,因为电解电容器容量有较大的离散性,这将使它们随的电压不相等。
因此,电容器要各并联一个阻值等相的匀压电阻,消除离散性的影响,因而电容的寿命则会严重制约变频器的寿命。
3)逆变电路逆变电路的作用是在控制电路的作用下,将直流电路输出的直流电源转换成频率和电压都可以任意调节的交流电源。
变频器原理图变频器原理图invert.jpgJPG 图像文件[284.3 KB]文件下载变频器主要由模块,CPU控制板,电源驱动板组成,见上图.L1为进线电抗器,一般需外接,L2为直流电抗器,大部份变频器需要外接,象施耐德,丹佛斯变频器都内置了直流电抗器。
PM1为整流模块,PM2为逆变模块,一般小功率变频器是将整流和逆变整合在一起,大功率变频器整流和逆变都是分开的,功率越大电流越大,因为单一的整流和逆变的电流有限,所以整流和逆变可以并联使用。
PM3是制动晶体,15KW以下的变频器都内置制动晶体,外接一个制动电阻就能做能耗制动。
C1,C2是滤波电容,变频器功率越大,电容的容量就越大,滤波电容的耐压一般是450V,因为380V级的变频器整流滤流后的电压是600V,所以可以将两个耐压为450V 的滤波电容串联使用,总的耐压就可以达到900V。
R1是启动电阻,它的作用是在上电的时候限制滤波电容的充电电流,当电容充电完成后接触器K1动作,R1被旁路。
R2和R3的作用有两个:一是作放电电阻,关机后将电容上的电尽放放掉,另一个是均压,保持滤波电容上的电压相等。
CT是霍尔电流互感器,比如台安变频器的互感器型号是HY-15P,它的含义是通过互感器初级电流为0-15A时互感器的输出电压是0-4V。
互感器也有输出电流型的。
大部份变频器都是用的霍尔电流互感器,象西门子,华为等变频器用的是另一种检测方法,在输出U,V,W分别串联一个小电阻,通过检测电阻上的压降来检测电流。
SA1-SA3是进线压敏电阻,可以抑制瞬态过电压,起到保护变频器的作用。
T1是380V/220V电源变压器,小功率变频器的风扇都是12V或24V供电的,电源取自开关电源部份,大功率变频器的风扇是220V的,所以加了个变压器转换一下。
电源驱动板的作用:一是提供变频器所有的供电电源,二是将控制板的IGBT驱动信号进行隔离放大。
控制板相当于变频器的大脑,通过操作面板做人机对话,实现各种控制功能。
变频器原理变频器的主回路电压型变频器主电路包括:整流电路、中间直流电路、逆变电路三部分组,交-直-交型变频器结构见附图1)整流电路: VD1~VD6组成三相不可控整流桥,220V系列采用单相全波整流桥电路;380V系列采用桥式全波整流电路。
2)中间滤波电路:整流后的电压为脉动电压,必须加以滤波;滤波电容CF除滤波作用外,还在整流与逆变之间起去耦作用、消除干扰、提高功率因素,由于该大电容储存能量,在断电的短时间内电容两端存在高压电,因而要在电容充分放电后才可进行操作。
3)限流电路:由于储能电容较大,接入电源时电容两端电压为零,因而在上电瞬间滤波电容CF的充电电流很大,过大的电流会损坏整流桥二极管,为保护整流桥上电瞬间将充电电阻RL串入直流母线中以限制充电电流,当CF充电到一定程度时由开关SL将RL短路。
4)逆变电路:逆变管V1~V6组成逆变桥将直流电逆变成频率、幅值都可调的交流电,是变频器的核心部分。
常用逆变模块有:GTR、BJT、GTO、IGBT、IGCT等,一般都采用模块化结构有2单元、4单元、6单元5)续流二极管D1~D6:其主要作用为:(1)电机绕组为感性具有无功分量,VD1~VD7为无功电流返回到直流电源提供通道(2)当电机处于制动状态时,再生电流通过VD1~VD7返回直流电路。
(3)V1~V6进行逆变过程是同一桥臂两个逆变管不停地交替导通和截止,在换相过程中也需要D1~D6提供通路。
6)缓冲电路由于逆变管V1~V6每次由导通切换到截止状态的瞬间,C极和E极间的电压将由近乎0V上升到直流电压值UD,这过高的电压增长率可能会损坏逆变管,吸收电容的作用便是降低V1~V6关断时的电压增长率。
7)制动单元电机在减速时转子的转速将可能超过此时的同步转速(n=60f/P)而处于再生制动(发电)状态,拖动系统的动能将反馈到直流电路中使直流母线(滤波电容两端)电压UD不断上升,这样变频器将会产生过压保护,甚至可能损坏变频器,因而需将反馈能量消耗掉,制动电阻就是用来消耗这部分能量的。
旋转开关控制变频调速电动机正反转电路型号:YP2-100L1-4额定电压:380V接法:Y额定电流:5.1A绝缘等级:F空载电流:2.5A功率:2.2KW功率因数:0.81使用频率范围:额定频率:50Hz恒功率频率范围:额定转矩:14.9N.m前后轴承:防护等级:IP54旋转开关控制变频调速电动机正反转电路FR型号:额定电压:接法:Y额定电流:绝缘等级:F空载电流:功率:2.2KW功率因数:额定频率:额定转矩:前后轴承:防护等级:变频调速电动机正反转电路FR型号:额定电压:380V接法:Y额定电流:5.1A绝缘等级:F极空载电流:2.5A功率:2.2KW功率因数:0.81使用频率范围:额定频率:50Hz额定转矩:前后轴承:防护等级:IP54FR型号:额定电压:380V 接法:Y额定电流:5.1A 绝缘等级:F空载电流:2.5A 功率:2.2KW功率因数:0.81使用频率范围:额定频率:50Hz额定转矩:前后轴承:防护等级:IP54旋转开关控制变频调速电动机正反转电路型号:额定电压:380V接法:Y额定电流:5.1A绝缘等级:F空载电流:2.5A功率:2.2KW功率因数:0.81使用频率范围:额定频率:50Hz恒功率频率范围:额定转矩:前后轴承:防护等级:IP54旋转开关控制变频调速电动机正转电路型号:YP2-100L1-4额定电压:380V接法:Y额定电流:5.1A绝缘等级:F空载电流:2.5A功率:2.2KW功率因数:0.81使用频率范围:额定频率:50Hz恒功率频率范围:额定转矩:14.9N.m前后轴承:防护等级:IP54旋转开关控制变频调速电动机正反转多段频率电路型号:YP2-100L1-4额定电压:380V接法:Y额定电流:5.1A绝缘等级:F空载电流:2.5A功率:2.2KW功率因数:0.81使用频率范围:30-60Hz额定频率:50Hz恒功率频率范围:额定转矩:14.9N.m前后轴承:防护等级:IP54旋转开关控制变频调速电动机正反转电路FR型号:额定电压:接法:Y额定电流:绝缘等级:F空载电流:功率:2.2KW功率因数:额定频率:额定转矩:前后轴承:防护等级:旋转开关控制变频调速电动机正反转电路制图:大庆油田电力培训中心---于宝水型号:YP2-100L1-4额定电压:380V接法:Y额定电流:5.1A绝缘等级:F空载电流:2.5A功率:2.2KW功率因数:0.81使用频率范围:30-60Hz额定频率:50Hz恒功率频率范围:额定转矩:14.9N.m前后轴承:6206/C3 6206/C3防护等级:IP5412LW39B-16转换开关原理图点动、连续运行变频调速电动机控制电路4FMUL1L2L3N风机变频多步频率控制调速电路制图:大庆油田电力培训中心---于宝水型号:额定电压:接法:Y额定电流:绝缘等级:F 空载电流:功率:2.2KW 功率因数:额定频率:额定转矩:14.9N.m前后轴承:6206/C3 6206/C3防护等级:IP54UU变频输出变频输入工频变频器专用仪表L N富士FRN2.2G11S-4CX 制图:大庆油田电力培训中心---于宝水PE制图:大庆油田电力培训中心---于宝水额定频率:50Hz恒功率频率范围:50-60Hz 额定转矩:14.9N.m前后轴承:6206/C3 6206/C3防护等级:IP54FR型号:额定电压:380V 接法:Y额定电流:5.1A 绝缘等级:F空载电流:2.5A 功率:2.2KW功率因数:0.81使用频率范围:额定频率:50Hz 额定转矩:前后轴承:防护等级:IP54。
变频器工作原理图解1 变频器的工作原理变频器分为 1 交---交型 输入是交流,输出也是交流将工频交流电直接转换成频率、电压均可控制的交流,又称 直接式变频器2 交—直---交型 输入是交流,变成直流 再变成交流输出将工频交流电通过整流变成直流电,然后再把直流电变成频率、电压、均可控的交流电又称为间接变频器。
多数情况都是交直交型的变频器。
2 变频器的组成由主电路和控制电路组成主电路 由整流器 中间直流环节 逆变器 组成先看主电路原理图三相工频交流电 经过VD1 ~ VD6 整流后, 正极送入到缓冲电阻RL中,RL的作用是防止电流忽然变大。
经过一段时间电流趋于稳定后,晶闸管或继电器的触点会导通短路掉缓冲电阻RL ,这时的直流电压加在了滤波电容CF1、CF2 上,这两个电容可以把脉动的直流电波形变得平滑一些。
由于一个电容的耐压有限,所以把两个电容串起来用。
耐压就提高了一倍。
又因为两个电容的容量不一样的话,分压会不同,所以给两个电容分别并联了一个均压电阻R1、R2 ,这样,CF1 和CF2 上的电压就一样了。
继续往下看,HL 是主电路的电源指示灯,串联了一个限流电阻接在了正负电压之间,这样三相电源一加进来,HL就会发光,指示电源送入。
接着,直流电压加在了大功率晶体管VB的集电极与发射极之间,VB的导通由控制电路控制,VB上还串联了变频器的制动电阻RB,组成了变频器制动回路。
我们知道,由于电极的绕组是感性负载,在启动和停止的瞬间都会产生一个较大的反向电动势,这个反向电压的能量会通过续流二极管VD7~VD12使直流母线上的电压升高,这个电压高到一定程度会击穿逆变管V1~V6 和整流管VD1~VD6。
当有反向电压产生时,控制回路控制VB导通,电压就会通过VB在电阻RB释放掉。
当电机较大时,还可并联外接电阻。
一般情况下“+”端和P1端是由一个短路片短接上的,如果断开,这里可以接外加的支流电抗器,直流电抗器的作用是改善电路的功率因数。