试验优化设计》课程作业2014年 (2)
- 格式:pdf
- 大小:487.04 KB
- 文档页数:21
第一题考察温度对烧碱产品得率的影响,选了四种不同温度进行试验,在同一温度下进行了5次试验(三数据见下表)。
希望在显着性水平为0.05。
1.SSE的公式2.SSA的公式3.将表格粘贴进Excel,然后进行数据分析,勾选标于第一行,显示在下面P=0.001799,远小于0.05,所以是显着的4.打开Minitab,复制表格,“统计”“方差分析”“选单因素未重叠”“响应C1C2C3C4”点击“比较”勾选第一个,确定结果: 工作表 3单因子方差分析: 60度, 65度, 70度, 75度来源自由度 SS MS F P因子 3 84.15 28.05 7.96 0.002误差 16 56.40 3.52合计 19 140.55S = 1.877 R-Sq = 59.87% R-Sq(调整) = 52.35%平均值(基于合并标准差)的单组 95% 置信区间水平 N 平均值标准差 ------+---------+---------+---------+---60度 5 90.200 1.789 (------*------)65度 5 93.200 1.789 (------*------)70度 5 95.000 2.000 (------*------)75度 5 90.200 1.924 (------*------)------+---------+---------+---------+---90.0 92.5 95.0 97.5合并标准差 = 1.877Tukey 95% 同时置信区间所有配对比较单组置信水平 = 98.87%60度减自:下限中心上限 ------+---------+---------+---------+---65度 -0.401 3.000 6.401 (------*------)70度 1.399 4.800 8.201 (------*-----)75度 -3.401 0.000 3.401 (------*------)------+---------+---------+---------+----5.0 0.0 5.0 10.065度减自:下限中心上限 ------+---------+---------+---------+---70度 -1.601 1.800 5.201 (------*-----)75度 -6.401 -3.000 0.401 (------*------)------+---------+---------+---------+----5.0 0.0 5.0 10.070度减自:下限中心上限 ------+---------+---------+---------+---75度 -8.201 -4.800 -1.399 (-----*------)------+---------+---------+---------+----5.0 0.0 5.0 10.0获得结果,区间相交包含0.0的不明显,反之明显第二题为研究线路板焊点拉拔力与烘烤温度、烘烤时间和焊剂量之间关系。
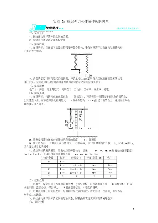
实验2:探究弹力和弹簧伸长的关系一、实验目的1.探究弹力和弹簧伸长之间的关系。
2.学会利用图象法处理实验数据。
二、实验原理1.如图所示,在弹簧下端悬挂钩码时弹簧会伸长,平衡时弹簧产生的弹力与所挂钩码的重力大小相等。
2.弹簧的长度可用刻度尺直接测出,伸长量可以由拉长后的长度减去弹簧原来的长度进行计算。
这样就可以研究弹簧的弹力和弹簧伸长量之间的定量关系了。
三、实验器材铁架台、弹簧、毫米刻度尺、钩码若干、三角板、坐标纸、重垂线、铅笔。
四、实验步骤1.如图所示,将铁架台放在桌面上(固定好),将弹簧的一端固定于铁架台的横梁上,让其自然下垂,在靠近弹簧处将刻度尺(最小分度为 1 mm)固定于铁架台上,并用重垂线检查刻度尺是否竖直。
2.用刻度尺测出弹簧自然伸长状态时的长度l0,即原长。
3.如上图所示,在弹簧下端挂质量为m1的钩码,量出此时弹簧的长度l1,记录m1和l1,填入自己设计的表格中。
4.改变所挂钩码的质量,量出对应的弹簧长度,记录m2、m3、m4、m5和相应的弹簧长度l2、l3、l4、l5,并得出每次弹簧的伸长量x1、x2、x3、x4、x5。
钩码个数长度伸长量x 钩码质量m 弹力F0l0=1l1=x1=l1-l0m1=F1=2l2=x2=l2-l0m2=F2=3l3=x3=l3-l0m3=F3=?????五、数据处理1.以弹力F(大小等于所挂钩码的重力)为纵坐标,以弹簧的伸长量x为横坐标,用描点法作图。
连接各点,得出弹力F随弹簧伸长量x变化的图线。
2.以弹簧的伸长量为自变量,写出曲线所代表的函数。
首先尝试一次函数,如果不行则考虑二次函数。
3.得出弹力和弹簧伸长之间的定量关系,解释函数表达式中常数的物理意义。
六、误差分析1.本实验的误差来源之一是因弹簧拉力大小的不稳定造成的,因此,使弹簧的悬挂端固定,另一端通过悬挂钩码来充当对弹簧的拉力,可以提高实验的精确度。
2.弹簧长度的测量是本实验的主要误差来源,所以,测量时尽量精确地测量弹簧的长度。
2014届高考化学二轮专题复习优化训练:化学实验的设计与评价(解析版)21.2014届陕西省高三下学期第一次联考理综化学试卷下列有关实验现象和解释或结论都正确的是【答案】D【解析】试题分析:A.把SO2通入到紫色石蕊试液中,由于SO2与水反应产生了H2SO3,溶液显酸性,所以溶液变为红色。
这是酸性氧化物的性质。
错误。
B. 把少量的溴水滴入到FeCl2溶液中发生反应:2Fe2++Br2=Fe3++2Br-.,把少量的溴水滴入到NaI溶液中发生反应2I-+Br2=I2+2Br-。
当再分别滴加CCl4时,由于卤素单质I2在CCl4中的溶解度比在水中的大,而水与四氯化碳又互不相溶。
所以振荡并静止后,原来NaI溶液的下层为红色,而原来FeCl2的下层认为无色。
这只能证明还原性Fe2+>Br-,I->Br-。
至于Fe2+和I-的还原性那个更强,则不能说明。
错误。
C.某盐溶于盐酸,产生无色、无味的气体,该气体通入到澄清的石灰水中产生白色沉淀,就证明该气体为CO2,但能产生CO2气体的可能是碳酸盐也可能是碳酸氢盐。
因此判断错误。
D.根据平衡移动原理:升高温度,化学平衡向吸热反应方向移动。
由于该反应的正反应为放热反应,所以升高温度平衡向逆反应方向移动,产生了更多的红棕色的NO2气体,所以红棕色加深。
正确。
考点:考查实验操作、现象与结论之间的关系的知识。
2.下列有关实验方法和结论都正确的是()。
A.酸碱中和滴定时,锥形瓶需用待测液润洗2次,再加入待测液B.联合制碱法是将二氧化碳和氨气通入饱和氯化钠溶液中生成碳酸钠C.检验蔗糖水解产物具有还原性:在蔗糖水解后的溶液中先加入适量稀NaOH溶液中和,再加入新制的银氨溶液并水浴加热D.在浓度均为0.01 mol·L-1的NaCl和Na2CrO4溶液中滴加0.01 mol·L-1AgNO3溶液,先析出AgCl,则K sp(AgCl)<K sp(Ag2CrO4)【答案】C【解析】锥形瓶用蒸馏水洗涤即可,用待测液洗涤后会导致消耗更多的标准液,A错误;B 项是生成溶解度更小的NaHCO3,B错误;D项两种K sp表示的公式不一致,无法比较K sp的相对大小,D错误。
实验报告专业:机械设计制造及其自动化班级:072145科目:优化设计姓名:小土逗学号:***********指导老师:***目录第一题 (3)第二题 (4)第三题 (6)附录 (8)1、求解如下最优化问题subject 221≤+x x22-21≤+x x 021≥x x ,解:由题意分析可得:该题所求函数 )(x f 的最小值,对函数 )(x f 进行分析可得该函数属于二次规划问题,因此可以直接编程求解。
程序如下:>>H=[2 -2;-2 4];f=[-2;-6];>>A=[1 1;-1 2];b=[2;2];>>lb=zeros(2,1);>>[x,fval]=quadprog(H,f,A,b,[],[],lb)运行结果:2、某农场拟修建一批半球壳顶的圆筒形谷仓,计划每座谷仓容积为222121212262)(m in x x x x x x x f +-+--=300立方米,圆筒半径不得超过3米,高度不得超过10米。
半球壳顶的建筑造价为每平方米150元,圆筒仓壁的造价为每平方米120元,地坪造价为每平方米50元,求造价最小的谷仓尺寸为多少?解:由题意可设圆筒半径为 1x ,圆筒高度为 2x ,圆筒形谷仓造价为 )(x f 。
则圆筒形谷仓造价 )(x f 与圆筒半径 1x 和圆筒高度 2x 的关系为:5015021202)(***212121x x x x x f πππ++= 由题意可得圆筒半径与圆筒高度的限制为:31≤x102≤x3003231221=+x x x ππ可得该问题的数学模型为:5015021202)(m in ***212121x x x x x f πππ++= ..t s 31≤x102≤x3003231221=+x x x ππ则可对该数学模型进行编程求解,由于该题中含有多变量二次等式约束条件,则应使用fmincon ,程序如下:调用函数文件:function f = zaojia( x )%UNTITLED3 Summary of this function goes here% Detailed explanation goes heref=2*pi*x(1)*x(2)*120+2*pi*x(1)^2*150+pi*x(1)^2*50;endfunction [ c,ceq ] = one( x)%UNTITLED4 Summary of this function goes here% Detailed explanation goes herec=[];ceq=pi*x(1)^2*x(2)+(2/3)*pi*x(1)^3-300;end主程序:>>A=[1 0;0 1];>>b=[3;10];>>[x,fval]=fmincon(@(x) zaojia(x),[2;2],A,b,[],[],[],[],@(x)one(x))运行结果:3、已知轴一端作用载荷F=1000N,扭矩T=100Nm,轴长不小于8cm,材料的许用弯曲应力为120MPa,许用扭剪应力为80MPa,许用挠度为0.01cm,密度为7.8t/m3,弹性模量为2×10^5MPa,设计该轴,使得满足上述条件,且重量最轻。
Private Sub HJfgf(XO() As Double, S() As Double, A As Double, B As Double, Epslf As Double, Epslx As Double, n As Integer, aBest As Double, Fmin As Double, X() As Double)'( 黄金分割法子程序)Con st Q = 0.618Dim j As In teger, i As In tegerDim A1 As Double, A2 As DoubleDim f1 As Double, f2 As Double'Dim x() As Double'ReDim x(n)j = 0Doj = j + 1A1 = B - Q * (B - A)For i = 1 To nX(i) = X0(i) + A1 * S(i)Next ifl = F(X())A2 = A + Q * (B - A)For i = 1 To nX(i) = X0(i) + A2 * S(i)Next if2 = F(X())DoIf f1 > f2 ThenA = A1A1 = A2f1 = f2A2 = A + Q * (B - A)For i = 1 To nX(i) = X0(i) + A2 * S(i)Next if2 = F(X())ElseB = A2A2 = A1f2 = f1A1 = B - Q * (B - A)For i = 1 To nX(i) = X0(i) + A1 * S(i)Next if1 = F(X())End Ifj = j + 1If j > 50 Then Exit DoLoop Un til Abs((f2 - f1) / f2) <= Epslf If Abs((A2 - A1) / A1) > Epslx The nA = A1B = A2End IfLoop Un til Abs((A2 - A1) / A1) <= Epslx If f1 < f2 Then aBest = A1Fmin = f1Else aBest = A2Fmin = f2End IfFor i = 1 To nX(i) = X0(i) + aBest * S(i)Next iEnd SubPublic Sub MPowell(XO() As Double, TO As Double, n As In teger, Epslf As Double, Epslx As Double, X() As Double, Fmin As Double)'(鲍威尔法子程序)Dim i As In teger, j As In tegerDim k As In teger, ks As In tegerDim X00() As Double, X000() As Double, X3() As Double, X() As DoubleDim aBest As Double, Fmin As Double, Fxi() As Double, Fx0 As DoubleDim SS() As Double, S() As DoubleDim f1 As Double, f2 As Double, f3 As DoubleDim m As In tegerDim Dm As Double, D As DoubleDim Dx As Double, Df As DoubleDim A As Double, B As DoubleReDim X000( n)ReDim X00( n)ReDim X3( n)ReDim X(n)ReDim S(n)ReDim SS( n, n)ReDim Fxi( n)k = 0: ks = 0For i = 1 To nForj = 1 To nSS(i, j) = 0Next jNext iFor i = 1 To nSS(i, i) = 1Next iDoFor i = 1 To nX00(i) = X000(i)Next ik = k + 1For i = 1 To nForj = 1 To nS(j) = SS(i, j)Next j'形成单位矩阵'主结构直到型循环开始'记数循环内进行n次的一维优化Call JinTui(X000(), S(), n, T0, A, B)Call HJfgf(X000(), S(), A, B, Epslf, Epslx, n, aBest, Fmin, X())Forj = 1 To nX000(j) = X(j)Next jFxi(i) = Fmi n '保存每次一维优化的最优值Next ifl = F(XOO())?Fx0 = flDm = Abs(FxO - Fxi(1))m = 0For i = 2 To nD = Abs(Fxi(i - 1) - Fxi(i))If D > Dm The nDm = Dm = iEnd IfNext iIf ((f1 + f3 - 2 * f2) * (f1 - f2 - Dm) A 2 < 0.5 * Dm * (f1 - f3) A 2) And f3 < fl The n '鲍威尔法判据'满足鲍威尔法判据时的程序段For i = m To n - 1Forj = 1 To nSS(i,j)=SS(i+1,j)Next jNext iForj = 1 To nSS (n, j) = S(j)Next jks = ks + 1ElseEnd IfLoop Un til (Dx <= Epslx) Or (Df <= Epslf)输出语句End SubPrivate Sub mn uDVW_Powell_Click()'主程序Dim n As In tegerDim X0() As DoubleDim T As DoubleDim Epslf As Double, Epslx As DoubleDim X() As Double, Fmin As Doublen = 2ReDim X0( n) As DoubleReDim OptX (n) As DoubleX0(0) = 0X0(1) = 0T = 0.001Epslf = 0.00001: Epslx = 0.00001Call MPowell(X0(), T, n, Epslf, Epslx, X(), Fmin) MsgBox "aBest=" & aBest & "fmin=" & Fmin For i = 1 To nMsgBox "x(" & i & ")=" & X(i)Next iEnd Sub。
人教版九年级上册化学第四单元课题2作业优化设计(附答案)一、单选题1.水是生命的摇篮,下列有关水的说法错误的是A. 可用蒸发、测导电性等多种方法鉴别蒸馏水和食盐水B. 河水的净化操作中,加明矾、过滤、活性炭吸附、消毒后可以使硬水变成软水C. 以水为原料廉价地制备氢气可以有效地缓解温室效应D. 按体积计,水电解时正极产生气体约是负极产生气体的1/22.下列实验操作正确的是()A. 蒸发结晶B. 称量氢氧化钠固体C. 点燃酒精灯D. 测定溶液pH3.化学实验既要求操作规范,又要保证安全,下列实验操作符合这一要求的是()A. 用玻璃棒搅拌漏斗内的液体可以加快过滤速度B. 滴管伸入试管中可以准确地把液体滴入试管C. 选用量程为50mL的量筒量取8mL液体D. 给试管中的液体加热时,试管口不能对着自己或他人4.以下实验基本操作错误的是()A. 称量氢氧化钠B. 检验装置的气密性C. 区分软水和硬水D. 稀释浓硫酸5.下列实验操作中,不正确的是()A. 过滤B. 取固体粉末C. 熄灭酒精灯D. 检查气密性二、填空题6.水是生命之源。
(1)电解水时,接通直流电,可以观察到甲图b试管中的电极上现象是________,该反应的符号表达式是________。
通过该实验得出结论是________,除此之外,还能通过________实验得出相同结论。
(2)图乙是某同学自制所示简易净水器,活性炭放在________处(填“A”或“B”);常用净化水的方法有:①过滤、②加明矾吸附沉降、③蒸馏、④消毒杀菌。
要将混有泥沙的天然水净化为生活用的自来水。
应选用的方法和顺序为________(填下面的选项)A.①②③④B.②④①③C.①③④D.②①④(3)用简易装置丙制取蒸馏水,通常要加入几粒沸石或碎瓷片,作用是________,实验结束时,应先________(填“a.取出导管”或“ B.熄灭酒精灯”)。
7.5.1假期,小明和父母到华蓥山革命老区参观游览,感受大自然的美,接受革命传统教育,请你用学过的化学知识解决他们在游览中遇到的问题.(1)他们进入景区大门,场地上各种鲜花盛开,香气扑鼻,用分子观点解释闻到花香的原因________ ,他们看到员工正在给花草施用化肥硝酸钾,小明给父母解释施用的化肥中含有营养元素是________ (填元素符号).(2)他们在山顶进行了简单的午餐,下面的食品主要补充维生素的是________ .A.面包B.香肠C.苹果D.高钙牛奶(3)返回下山途中,小明拾取了一些不文明游客乱扔的物品,其中属于金属材料的是________ .A.矿泉水瓶B.易拉罐C.塑料袋D.门票及导游图(4)小明用空瓶装了一瓶山泉水带回实验室,与同学们分享.检验山泉水是硬水还是软水,可选择的物质是________ .A.氧化钠B.盐酸C.肥皂水D.明矾对该山泉水进行净化提纯,其净化程度最高的方法是________ .A.过滤B.蒸馏C.沉淀D.吸附.8.粗盐提纯实验中,给滤液进行蒸发时,所需要用到的玻璃仪器除酒精灯外,还有________ ,其作用是________ ,蒸发到________ 时停止加热.9.下列关于物质的检验、鉴别、提纯的方法正确的是(________)A.用水鉴别氧化钙和碳酸钙 B.用点燃的方法除去CO2中混有的少量COC.用高温加热的方法除去C粉中的CuOD.用________检验硬水与软水10.水与人类的生产生活密切相关。
人教版九年级上册化学实验活动2作业优化设计(附答案)一、单选题1.下列关于现象的描述,正确的是()A. 硫在氧气中燃烧产生大量的二氧化硫气体B. 红磷在空气中燃烧发出蓝紫色火焰C. 石灰石遇稀盐酸产生大量气泡D. 将氢氧化钠溶液与硫酸铜溶液混合后加热,现象是有红色物质生成。
2.下列反应制取气体,可用右图装置制取、干燥和收集的是A. Zn+H2SO4=ZnSO4+H2↑B. 2H2O22H2O+O2↑C. CaCO3+2HCl=CaCl2+H2O+CO2↑D. 2NH4Cl+Ca(OH)2CaCl2+2NH3↑+2H2O3.下列有关的图示和图标中正确的是()A. 浓硫酸的稀释B. 实验室制取CO2C. 当心火灾D. 禁止吸烟4.下列四个图像分别表示四个化学兴趣小组活动中的数据及处理情况,其中正确的是()A. 高温煅烧一定质量的石灰石B. 加热一定质量的高锰酸钾固体C. 向一定质量的大理石(杂质不参加反应)中滴加稀盐酸D. 向一定质量的过氧化氢溶液加入二氧化锰固体5.下图为初中化学常见气体的发生与收集装置。
有关这些装置用途的说法正确的是()A. 装置Ⅰ可作为固液加热制取气体的发生装置B. 通常采用热胀冷缩的原理检验装置Ⅱ的气密性C. 装置Ⅰ和Ⅴ组合可用于制取O2D. 装置Ⅱ和Ⅲ组合可用于制取H2二、填空题6.请根据如图所示装置图,回答有关问题:(1)写出装置图中标号仪器的名称:a________ ;b________ .(2)你认为实验室制取气体时选择适当的反应装置依据是________ 和________ .(3)实验室用大理石和稀盐酸制取二氧化碳的化学方程式为________ ;可选用的反应发生装置是________ (填字母),检验二氧化碳是否收集满的方法是________ .(4)实验室用A装置加热混有二氧化锰的氯酸钾固体制取氧气往试管中装入固体粉末时,可先使试管倾斜,用________ 把药品小心地送到试管底部.组装该装置时,下列仪器用品的组装顺序是(填序号)②④________ .①试管②铁架台③酒精灯④木块.7.实验室用H2O2溶液和MnO2固体混合物制取O2时,用注射器代替长颈漏斗的优点是 ________;若要从反应后的混合物中分离出MnO2固体,其主要操作是 ________.8.下图是化学中“有名”的装置,有如下用途:(1)可以用做向上排空气法收集氧气,从________ 端进氧气。
初中化学课堂练习作业的优化设计第一篇:初中化学课堂练习作业的优化设计初中化学课堂练习作业的优化设计摘要:优化课堂作业设计,提高课堂教学的有效性,减轻学生的课业负担,首先要做到精心选题,要理解教材,要尊重学生的个体差异,要选择生活化的练习;其次要做到精心设计;最后还要选择合适的练习方式。
让学生觉得学习化学是有用的,提高学生对化学学习的兴趣。
关键词:初中化学;课堂练习作业;优化设计新课改如火如荼,创新的化学教育思想,前瞻性的化学教学理念,新的教学策略在引领我们不断探索和研究课堂教学,作业是课堂教学的重要组成部分,如何优化初中化学课堂练习作业设计,提高教学的有效性,减轻学生的课业负担,成了我们初中化学教师急需解决的问题。
初中化学课堂作业的设计要开放而有活力,既要注重基础知识和技能的训练,又要优化学生学习的过程与方法;既要重视学生化学实践能力的提高,又要突出学生化学素养的形成过程。
在初中化学教学中,我们首先应根据新课程标准,根据教学内容的特点和学生的实际,有创造性地精心设计练习题即精心选题。
所谓精心选题,就是在大量的教学资料中选择适合课堂教学的例题、练习题、反馈题等。
教师要选择具有时代特色、思维训练有效、方法灵活、典型且有代表性的题目,而不是不分题目的特点、时代性,一股脑地搬到课堂上来。
因此精心选题,科学地选编作业题,要注意三点。
一、精心选题1.要理解教材只有理解了教材,掌握教材的系统性及其重点和难点,做到彻底掌握,融会贯通,我们才能分清哪些题目是基础题,哪些题目是拓展题,哪些题是探究题。
还有教师必须深入实际,了解自己所教学生的基础知识、接受能力、思维习惯,以及学习中的困难和问题等。
有针对性地设计课堂练习,恰当地把握练习的难易度,使得练习更加有效。
只有做到这样,才能更大限度地提高教学质量。
例如,在讲到化学变化与物理变化的区别时,我选择了这样一组练习:(1)宏观上怎样认识化学变化与物理变化以及它们的区别(有没有新物质生成)?(2)微观上怎样解说化学变化与物理变化以及它们的区别(分子有没有变化)?(3)结合宏观与微观认识,如何通过质量守恒定律,定量认识化学反应?围绕这些问题,把化学变化、物理变化、分子、原子、元素、物质的组成与构成、质量守恒定律等知识点综合起来考虑。
班级:车辆工程三班姓名:学号:
第二次作业
【作业】在粒粒橙果汁饮料生产中,脱囊衣处理是关键工艺。
为寻找酸碱二步
处理法的最优工艺条件,安排四因素四水平正交试验。
试验因素水平表如表1。
为了提高试验的可靠性,每个处理的试验重复3次。
试验指标是脱囊衣质量,
根据囊衣是否脱彻底,破坏率高低,汁胞饱满度等感官指标综合评分,满分为
10分。
试验方案及试验结果见表2。
要求:
(1)对试验结果进行方差分析;
(2)设定显著性水平为0.05,对各因素进行显著性检验;
(3)确定试验因素的主次顺序以及最优组合;
(4)计算各试验因素和误差的贡献率,并分析试验水平。
表2试验方案及试验结果
(1)方差分析如上表所示; (2)A,B,C,D 四个因素都显著。
(3)主次顺序:A ,B,C,D,最优组合A 3 B 2 C 4 D 3 (4)试验因素和交互作用的贡献率计算公式: 误差贡献率:
试验水平: 所以实验水平不良。
%100⨯-
=
S
f f S S j e
e
j j β∑-
=非误差项
j
1β
βe %10%98.433125
.135
66.11/ˆ>=÷==
=y f S y C e e e v σ。
1现有四种型号A1 A2 A3 A4的汽车轮胎,欲比较各型号轮胎在运行20km 后轮胎支撑瓦的磨损情况,为此,从每型号轮胎中任取四只,并随机地安装在四辆汽车上,汽车运行20km 后,对各支撑瓦进行检测得到表,由表所示磨损数据(单位:mm )。
试问四种型号的轮胎是否具有明显的差别?轮胎支撑瓦磨损数据 1234A1 14 13 17 13 A2 14 14 8 13 A3 12 11 12 9 A410913112表给出了某种化工产品在3种浓度,4种温度水平下得率的数据,试检验各因素及交互作用对产品得率的影响是否显著 浓度/% 10℃ 24℃ 38℃ 52℃ 2 14,10 11,11 13,9 10,12 4 9,7 10,8 7,11 6,10 65,1113,1412,1314,103某厂拟采用化学吸收法,用填料塔吸收废气中的SO2,为了使废气中的SO2的浓度达到排放标准,通过正交实验对吸收工艺条件进行摸索,实验的因素与水平如表所示,需要考虑交互作用A ×B ,B ×C 。
如果A B C 放在正交表的1,2,4列,试验结果(SO2摩尔分数(%)依次为:0.15, 0.25, 0.03, 0.02, 0.09, 0.16, 0.19, 0.08。
试进行方差分析(ā=0.05) A碱浓度(%)B操作温度(℃)C填料种类1 5 40 甲2 1020乙型 号数据试 验号 因素水平4某厂对所生产的高速铣刀进行淬火工艺试验,选择三种不同的等温温度:A1=280℃,A2=300℃,A3=320℃;以及三种不同的淬火温度:B1=1210℃,B2=1235℃,B3=1250℃,测得淬火后的铣刀硬度如表所示铣刀硬度试验结果淬火温度 B1 B2 B3 等温温度A1 64 66 68 A2 66 68 67 A3656768问:(1)等温温度对铣刀硬度是否有显著的影响(显著水平ɑ=0.05)? (2)淬火温度对铣刀硬度是否有显著的影响(显著水平ɑ=0.05)?5试确定三种不同的材料(因素A )和三种不同的使用环境温度(因素B )对蓄电池输出电压的影响,为此,对每种水平组合重复测输出电压4次,测得数据列入表中,试分析各因素与因素之间的交互作用的显著性 B1 (10)B2 (18)B3 (27)A1(1) 130 155 74 18034 40 80 5020 70 82 58A2(2) 150 188 159 126 136 122 106 115 22 70 58 45 A3(3)138 110 168 160 174 120 150 139 96 104 82 606为了考察PH 值和硫酸铜溶液对化验血清中白蛋白和球蛋白的影响,对蒸馏水中的PH (A )取了4个水平,对硫酸铜溶液(B )取了3个水平,在不同水平组合下各测一次白蛋白与球蛋白之比其结果如图所示。
优化设计(5篇)第一篇:优化设计1、优化教学过程,提高教学质量和效益:信息技术与课堂教学整合的本质是在先进的教育思想、教育理论的指导下,把以计算机及网络为核心的信息技术,作为教学环境的创设工具和促进学生学习的认知工具,应用到各学科教学过程中。
将各种教学资源、各个教学要素和教学环节,经过组合、重构,相互融合,提高教学质量,促进传统教学方法的变革。
2、培养学生的信息素养:培养学生获取、分析、加工和利用信息的知识与能力,为学生打好全面、扎实的信息文化基础,同时具备对信息内容的批判与理解能力,并能在虚拟的环境中具有良好的伦理道德和法律意识。
3、培养学生掌握信息时代的学习方式:大量的网络信息,改变了人类的学习方式,学习方式从接受式学习转变为自主学习、探究学习、研究性学习和协作学习。
新的学习方式要求学习者必须能够利用资源进行学习,学会在数字化情境中进行自主发现,学会利用网络通信工具进行协商交流、合作讨论式的学习,学会利用信息加工工具和创作平台,进行实践创造的学习。
4、培养学生终身学习的态度和能力:在信息时代,知识的更新率加快,各学科间相互渗透,出现了更多的新兴学科和交叉学科。
在这种科学技术、社会结构发生剧变的大背景下,要求学习者能够具有主动汲取知识的愿望并能付诸于日常生活实践,要能够独立自主的学习,能够自我组织,并能控制整个学习过程,对学习进行自我评估。
5、要运用创造性思维理论培养学生的创新精神与创新能力;6、要培养学生的适应能力、应变能力与解决实际问题的能力。
二、信息技术与课堂教学整合的特征信息技术与课堂教学整合是否有效,并不在于运用了多么先进的技术,或者一节课中使用了多长时间的技术,而在于是否在恰当的教学环节使用,使学生完成某些用其他方法难以做到的事,在高水平完成课堂教学目标的同时,获取信息技术技能以及解决实际问题的技能。
信息技术与课堂教学的有效整合有以下几个基本特点。
1.以“教”为中心的教学结构转变为“主导—主体”的教学结构;2.学生在课堂上有积极的情感体验:兴趣是学生最好的老师,只有在乐趣中学习才能使学生爱上学习,不再视学习为负担。
课后优化训练基础强化1.想一想:H2O(液态)、Ba(OH)2(固态)、Cu(固态)。
这些物质为什么归为一类,下列哪种物质还可以和它们归为一类()A. 75%的酒精溶液B. 硝酸钠C. 空气D. 食盐水解析认真分析题给三种物质:H2O—氧化物,Ba(OH)2—碱,Cu—单质,可知分类标准为纯净物,再观察选项中,A、C、D均为混合物,只有NaNO3为纯净物。
答案 B2.下列物质的分类采用树状分类法的是()A. 铁是单质,又是导体B. 氧化物可分为金属氧化物和非金属氧化物C. 氯化钠是钠的化合物,又是氯化物D. 氢氧化钙是纯净物、化合物,又是碱解析树状分类法不同类别之间有并列关系和从属关系,在B中金属氧化物和非金属氧化物之间是并列关系,非金属氧化物、金属氧化物与氧化物之间是从属关系;交叉分类法是采用不同的标准,对同类物质再进行分类,交叉分类法所涉及的不同类别之间是并列与交叉关系,A、C、D采用的是交叉分类法。
答案 B3.只由两种元素组成的化合物,其中一种元素是氢元素,这类化合物称氢化物。
下列物质不属于氢化物的是()A. H2OB. H2SO4C. NaHD. NH3解析根据题意氢化物含有两种元素,而H2SO4含有三种元素,故H2SO4不属于氢化物。
答案 B4.符合下图中阴影部分的物质是()A. K2CO3B. Na2CO3C. KClD. KHCO3解析只有K2CO3同时符合钾盐、碳酸盐、正盐。
答案 A5.经测定,一瓶气体中只含有C、O两种元素,通常情况下这瓶气体不可能是()A. 一种化合物B. 一种单质和一种化合物的混合物C. 两种化合物D. 两种单质解析C、O两种元素分别能形成炭单质、金刚石等,O2、O3单质,化合物可以是CO、CO2,A、B、C均有可能;因为通常情况下炭、金刚石为固体,O2、O3为气体,故D不可能。
答案 D6.盐是一类常见的物质,下列物质通过一定反应可直接生成盐的是()①金属单质②碱性氧化物③碱④非金属单质⑤酸性氧化物⑥酸A. ①②③B. ①④⑥C. ②⑤⑥D. 全部解析本题考查了物质之间的转化关系,只要能举出实例即可,如Mg与盐酸反应生成MgCl2和H2;CuO和盐酸反应生成CuCl2和H2O;NaOH和盐酸反应生成NaCl和水;Na和Cl2反应生成NaCl;CO2和澄清石灰水反应生成CaCO3和H2O;H2SO4和NaOH反应生成Na2SO4和水。
大学实验优化设计考试题及答案一、选择题(每题2分,共10分)1. 实验设计中的正交试验设计法主要用于解决什么问题?A. 实验成本B. 实验时间C. 实验变量的优化D. 实验数据的统计分析答案:C2. 在实验设计中,若要研究的因素有n个水平,每个因素有k个可能的状态,则该实验设计需要进行多少次实验?A. n * kB. n + kC. k^nD. n^k答案:C3. 下列哪项不是实验设计中的基本原则?A. 随机化B. 局部控制C. 重复性D. 单一变量答案:B4. 实验优化设计的目的是什么?A. 减少实验次数B. 提高实验精度C. 确定最优实验条件D. 所有上述选项答案:D5. 在实验设计中,若某一因素的水平增加会导致其他因素的水平必须相应增加,这样的因素称为:A. 主要因素B. 次要因素C. 约束因素D. 独立因素答案:C二、填空题(每题2分,共10分)6. 实验设计中的________是用来评估实验结果可靠性的一种方法。
答案:重复试验7. 在进行实验设计时,若实验结果受到非研究因素的随机干扰,可以通过________来减少这种干扰。
答案:随机化8. 拉丁方设计是一种特殊类型的________,它可以平衡实验中的某些非研究因素的影响。
答案:因子设计9. 实验设计中的响应面法是一种用于________的实验设计方法。
答案:多变量优化10. 在实验设计中,通过________可以确定实验中各因素的最佳组合。
答案:方差分析三、简答题(每题10分,共20分)11. 简述实验设计中的Box-Behnken设计方法及其应用场景。
答案:Box-Behnken设计是一种旋转中心组合设计,它允许实验者在多维空间中进行实验,同时保持实验次数相对较少。
该方法特别适用于当实验的因素数量较多,而每个因素的水平数不是很多时。
它广泛应用于制药、化学工艺优化等领域。
12. 解释什么是田口方法(Taguchi方法),并说明其在实验优化设计中的作用。
实验优化设计 练习题误差理论2-5 在容量分析中,计算组分含量的公式为W =V ⋅c ,其中V 是滴定时消耗滴定液的体积,c 是滴定液的浓度。
今用浓度为 (1.000±0.001) mg/mL 的标准溶液滴定某试液,滴定时消耗滴定液的体积为 (20.00±0.02) mL ,试求滴定结果的绝对误差和相对误差。
2-6 测定一种铬硅钢试样中的铬含量(%),6次测定结果为20.48,20.55,20.58,20.60,20.53, 20.50。
① 计算这组数据的平均值,平均偏差,相对平均偏差,标准偏差;② 如果此试样为标准试样,铬含量为20.46%,求测定的绝对误差和相对误差。
2-7 通过查表及计算求下列概率。
① P[-2.50,2.50];② P [-2.00,2.50];③ P[-∞,-2.00];④ P [-∞,2.00]。
2-8 如果平行测量3次,求3次测量值都出现在P[μ-1.96σ,μ+1.96σ]内的概率。
2-10 一般常用碘量法测定铜合金中铜的含量(%),已知某年级的110个分析结果基本符合正态N (60.78,0.362)。
试求分析结果出现在区间[60.06,61.59]内的概率及出现在此区间以外可能的个数。
2-13 在测定某溶液的密度ρ的实验中,需要测量液体的体积和质量,已知质量测量的相对误差≤0.02%,欲使测定结果的相对误差≤0.1%,测量液体体积所允许的最大相对误差为多大?参数估计和一般检验3-7 用碘量法测定铜合金中铜,7次测定结果为60.52, 60.61, 60.50, 60.58, 60.35, 60.64, 60.53(%)。
分别用4 法、Q 法、Grubbs 法检验该测定结果中有无应舍弃的离群值(P =95%)?3-8 某铁矿石试样中铁含量(%)的4次测定结果为70.14,70.20,70.04,70.25。
如果第5次测定结果不为Q 检验法舍弃,它应该在什么范围内(P =95%)?3-9 用分光光度法测定某种水样中的铁含量,5次测定结果为0.48,0.37,0.47,0.40,0.43(⨯10-6),估计该水样中铁的含量范围(P =95%)。