实验优化设计考试答案精选文档
- 格式:docx
- 大小:3.11 MB
- 文档页数:22
Private Sub HJfgf(XO() As Double, S() As Double, A As Double, B As Double, Epslf As Double, Epslx As Double, n As Integer, aBest As Double, Fmin As Double, X() As Double)'( 黄金分割法子程序)Con st Q = 0.618Dim j As In teger, i As In tegerDim A1 As Double, A2 As DoubleDim f1 As Double, f2 As Double'Dim x() As Double'ReDim x(n)j = 0Doj = j + 1A1 = B - Q * (B - A)For i = 1 To nX(i) = X0(i) + A1 * S(i)Next ifl = F(X())A2 = A + Q * (B - A)For i = 1 To nX(i) = X0(i) + A2 * S(i)Next if2 = F(X())DoIf f1 > f2 ThenA = A1A1 = A2f1 = f2A2 = A + Q * (B - A)For i = 1 To nX(i) = X0(i) + A2 * S(i)Next if2 = F(X())ElseB = A2A2 = A1f2 = f1A1 = B - Q * (B - A)For i = 1 To nX(i) = X0(i) + A1 * S(i)Next if1 = F(X())End Ifj = j + 1If j > 50 Then Exit DoLoop Un til Abs((f2 - f1) / f2) <= Epslf If Abs((A2 - A1) / A1) > Epslx The nA = A1B = A2End IfLoop Un til Abs((A2 - A1) / A1) <= Epslx If f1 < f2 Then aBest = A1Fmin = f1Else aBest = A2Fmin = f2End IfFor i = 1 To nX(i) = X0(i) + aBest * S(i)Next iEnd SubPublic Sub MPowell(XO() As Double, TO As Double, n As In teger, Epslf As Double, Epslx As Double, X() As Double, Fmin As Double)'(鲍威尔法子程序)Dim i As In teger, j As In tegerDim k As In teger, ks As In tegerDim X00() As Double, X000() As Double, X3() As Double, X() As DoubleDim aBest As Double, Fmin As Double, Fxi() As Double, Fx0 As DoubleDim SS() As Double, S() As DoubleDim f1 As Double, f2 As Double, f3 As DoubleDim m As In tegerDim Dm As Double, D As DoubleDim Dx As Double, Df As DoubleDim A As Double, B As DoubleReDim X000( n)ReDim X00( n)ReDim X3( n)ReDim X(n)ReDim S(n)ReDim SS( n, n)ReDim Fxi( n)k = 0: ks = 0For i = 1 To nForj = 1 To nSS(i, j) = 0Next jNext iFor i = 1 To nSS(i, i) = 1Next iDoFor i = 1 To nX00(i) = X000(i)Next ik = k + 1For i = 1 To nForj = 1 To nS(j) = SS(i, j)Next j'形成单位矩阵'主结构直到型循环开始'记数循环内进行n次的一维优化Call JinTui(X000(), S(), n, T0, A, B)Call HJfgf(X000(), S(), A, B, Epslf, Epslx, n, aBest, Fmin, X())Forj = 1 To nX000(j) = X(j)Next jFxi(i) = Fmi n '保存每次一维优化的最优值Next ifl = F(XOO())?Fx0 = flDm = Abs(FxO - Fxi(1))m = 0For i = 2 To nD = Abs(Fxi(i - 1) - Fxi(i))If D > Dm The nDm = Dm = iEnd IfNext iIf ((f1 + f3 - 2 * f2) * (f1 - f2 - Dm) A 2 < 0.5 * Dm * (f1 - f3) A 2) And f3 < fl The n '鲍威尔法判据'满足鲍威尔法判据时的程序段For i = m To n - 1Forj = 1 To nSS(i,j)=SS(i+1,j)Next jNext iForj = 1 To nSS (n, j) = S(j)Next jks = ks + 1ElseEnd IfLoop Un til (Dx <= Epslx) Or (Df <= Epslf)输出语句End SubPrivate Sub mn uDVW_Powell_Click()'主程序Dim n As In tegerDim X0() As DoubleDim T As DoubleDim Epslf As Double, Epslx As DoubleDim X() As Double, Fmin As Doublen = 2ReDim X0( n) As DoubleReDim OptX (n) As DoubleX0(0) = 0X0(1) = 0T = 0.001Epslf = 0.00001: Epslx = 0.00001Call MPowell(X0(), T, n, Epslf, Epslx, X(), Fmin) MsgBox "aBest=" & aBest & "fmin=" & Fmin For i = 1 To nMsgBox "x(" & i & ")=" & X(i)Next iEnd Sub。
第一单元化学计量在实验中的应用第1节物质的量气体摩尔体积核心考点·分层突破考点一物质的量及阿伏加德罗常数落实基础1.6.02×1023相对原子(分子)质量易错辨析答案:(1)×(2)×(3)×(4)×(5)√考点突破【例1】答案:× × × ×√√ ×解析:A、B、C选项中,盐酸、CCl4、己烷在标准状况下均不是气体,错误;D选项,不是标准状况下,错误;E、F选项,由质量求气体的物质的量,与物质的状态无关,正确;G选项,标准状况下5.6 L NO和5.6 L O2组成的混合气体中所含原子总数为N A,错误。
【例2】答案:√√√√ ×解析:1 mol的NO2和1 mol的CO2中均含2 mol氧原子,A正确;乙烯与环丁烷的最简式均为CH2,含有n(CH2)=28g14g·mol-1=2 mol,B正确;与B选项类似,C选项中n(NO2)=92g46g·mol-1=2 mol,正确;D选项,N2与CO的摩尔质量均为28 g·mol-1,均为双原子分子,正确;E选项,均为氧单质,所含氧原子均为3 mol,错误。
【例3】答案:× ×√ × × × × × ×解析:A选项不是标准状况下,错误;Na在空气中完全反应生成Na2O、Na2O2,Na在上述两个反应过程中化合价均升高1,所以1 mol Na参加反应转移1 mol电子,B选项错误、C选项正确;D项,标准状况下,6.72 L NO2物质的量为0.3 mol,与水反应转移电子数应为0.2N A;E、F选项,Fe2+、Cl2少,应该用Fe2+、Cl2计算,分别转移1 mol、2 mol电子,错误;G选项,由氯气与水或碱反应可知错误;H选项,I-的还原性强于Fe2+,所以转移电子的物质的量大于1 mol,错误;I选项,转移的电子数为5N A,错误。
人教版九年级上册化学实验活动2作业优化设计(附答案)一、单选题1.下列关于现象的描述,正确的是()A. 硫在氧气中燃烧产生大量的二氧化硫气体B. 红磷在空气中燃烧发出蓝紫色火焰C. 石灰石遇稀盐酸产生大量气泡D. 将氢氧化钠溶液与硫酸铜溶液混合后加热,现象是有红色物质生成。
2.下列反应制取气体,可用右图装置制取、干燥和收集的是A. Zn+H2SO4=ZnSO4+H2↑B. 2H2O22H2O+O2↑C. CaCO3+2HCl=CaCl2+H2O+CO2↑D. 2NH4Cl+Ca(OH)2CaCl2+2NH3↑+2H2O3.下列有关的图示和图标中正确的是()A. 浓硫酸的稀释B. 实验室制取CO2C. 当心火灾D. 禁止吸烟4.下列四个图像分别表示四个化学兴趣小组活动中的数据及处理情况,其中正确的是()A. 高温煅烧一定质量的石灰石B. 加热一定质量的高锰酸钾固体C. 向一定质量的大理石(杂质不参加反应)中滴加稀盐酸D. 向一定质量的过氧化氢溶液加入二氧化锰固体5.下图为初中化学常见气体的发生与收集装置。
有关这些装置用途的说法正确的是()A. 装置Ⅰ可作为固液加热制取气体的发生装置B. 通常采用热胀冷缩的原理检验装置Ⅱ的气密性C. 装置Ⅰ和Ⅴ组合可用于制取O2D. 装置Ⅱ和Ⅲ组合可用于制取H2二、填空题6.请根据如图所示装置图,回答有关问题:(1)写出装置图中标号仪器的名称:a________ ;b________ .(2)你认为实验室制取气体时选择适当的反应装置依据是________ 和________ .(3)实验室用大理石和稀盐酸制取二氧化碳的化学方程式为________ ;可选用的反应发生装置是________ (填字母),检验二氧化碳是否收集满的方法是________ .(4)实验室用A装置加热混有二氧化锰的氯酸钾固体制取氧气往试管中装入固体粉末时,可先使试管倾斜,用________ 把药品小心地送到试管底部.组装该装置时,下列仪器用品的组装顺序是(填序号)②④________ .①试管②铁架台③酒精灯④木块.7.实验室用H2O2溶液和MnO2固体混合物制取O2时,用注射器代替长颈漏斗的优点是 ________;若要从反应后的混合物中分离出MnO2固体,其主要操作是 ________.8.下图是化学中“有名”的装置,有如下用途:(1)可以用做向上排空气法收集氧气,从________ 端进氧气。
第1题 解:拖拉机噪声实验表头设计因素 A B A×B C A×C D 列号1234567拖拉机噪声实验方案表第2题 解:(1)由上表得:⎺x =145 ⎺y =67.3 由公式得:()()8250=145×10218500=∑=∑=21=21=-x n -x x -x S2ni 2in i ixx()()3985=3.67×145×10101570=•∑=∑=1=1=-y x n -y x y -y x -x S ini iini ixy()()1.1932=3.67×1047225=∑=∑=21=21=-y n -y y -y S 2ni 2ini iyy()47.7=8250×483.01.1932=ˆ=22-S b-SQ xxyye934.0=847.7==ˆ22-n Q σe 735.2=483.0×1453.67=ˆ=ˆ483.0=82503985==ˆ--b x -y aSS bxxxy所以Y 关于x 的一元线性回归方程为:Y=-2.735+0.483x(2)检验假设H 0:b =0,H 1:b ≠0 由(1)中已知的结果及公式xxS σb T ˆˆ=求得:394.45=8250934.0483.0=T又025.0=2α,n -2=8,查出t 0.025(8)=2.306<|T |= 45.394从而|T|在H 0的拒绝域内,故拒绝H 0。
说明回归效果是很显著。
(3)在x 0=145处的预报值为:0y ˆ=Y= 67.2956 t 0.025(8) = 2. 306,⎺x = 145,x 0 -⎺x =0,σˆ=0.9664 又由xx2αS)x -(x n σ-n t x δ02+1+1ˆ)2(=)(,())(+ˆ)(ˆx δyx δ-y 0,得: δ(x 0)=δ(145)=2.306×0.9664101+1= 2.3373预报区间为:(67.2956-2.3373, 67.2956+2.3373)=(64.9583, 69.6329)xy /%散点图xy /%回归线图第3题解:选用正交表L 8(27)()()146=∑908∑90=281=281=i ii i-y --y S 8=8×81=8122jA Δ= S18=12×812= S B5.60=22×812= S C5.4=6×812= S B50=20×812×= S BA误差平方和:S E =S -(S 因+S 交)=146-(8+18+60.5+4.5+50)=5 计算自由度:f =8-1=7 f A = f B = f C = f D =2-1=1 f A × f B =1f E = f –(f 因+f 交)=7-5=2计算均方值:由于各因素和交互作用A ×B 的自由度都是1,因此它们的均方值与它们各自的平方和相等。
考点一百零八常用仪器的识别及使用扫描与矫正【正误判断】题号正误解析1√略2×NaOH溶液应保存在带橡胶塞的细口试剂瓶中。
3×量筒不能加热。
4×称量药品时,若将药品和砝码在托盘天平上放颠倒,测得数据是整数时,结果是准确的。
5×长颈漏斗在使用前不需要检查是否漏水。
6×加热蒸发NaCl溶液时,待蒸发皿中剩余少量液体时停止加热,利用余热把水分蒸干。
7√略8×用排水法收集气体后,先撤酒精灯后移出导管,易造成倒吸。
9√略实训与超越【7+1模式】题号答案解析10×使用容量瓶、分液漏斗、滴定管前,先检查是否漏水,不漏水再洗涤干净。
11√略12×氢氧化钠是待测液,那么标准液应该是酸,不应使用碱式滴定管。
13×用pH试纸测得数值只能是整数。
14×用蒸馏水润湿的试纸测溶液的pH,可能偏高、偏低或无影响,要视具体物质而定.15√略16√略17×应该左物右码.18√略19×KMnO4溶液有强氧化性,不能用碱式确定管量取。
20√略⑥(2)砝码放在左盘,烧杯放在右盘(或砝码和物品的位置放反了)27.4(3)滴管伸入试管口中了试管口向上倾斜了混合气体从短导管进入洗气瓶右盘,被称量物质放在左盘,根据托盘天平的称量原理,左盘质量=右盘质量+游码质量,则烧杯质量(右盘)=30 g—2.6 g=27。
4 g。
此时必须注意标尺的每个小格为0.2 g.考点一百零九化学实验基本操作扫描与矫正【正误判断】题号正误解析1×做H2还原CuO实验反应完毕后,先撤酒精灯,实训与超越【7+1模式】题号答案解析1B A选项灼烧茶叶,需要用到的仪器有:坩埚、酒精灯、泥三角,A选项正确;B选项溶解应该在烧杯中进行,并且在溶解的过程中要用玻璃棒不断搅拌,此实验用不到容量瓶,B选项错误;C选项过滤用到的仪器有:漏斗、烧杯和玻璃棒,C16√略17√略18×由于苯的密度小于水的密度,分液时有机层从分液漏斗从上口倒出。
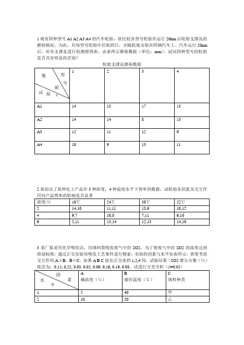
1现有四种型号A1 A2 A3 A4的汽车轮胎,欲比较各型号轮胎在运行20km 后轮胎支撑瓦的磨损情况,为此,从每型号轮胎中任取四只,并随机地安装在四辆汽车上,汽车运行20km 后,对各支撑瓦进行检测得到表,由表所示磨损数据(单位:mm )。
试问四种型号的轮胎是否具有明显的差别?轮胎支撑瓦磨损数据 1234A1 14 13 17 13 A2 14 14 8 13 A3 12 11 12 9 A410913112表给出了某种化工产品在3种浓度,4种温度水平下得率的数据,试检验各因素及交互作用对产品得率的影响是否显著 浓度/% 10℃ 24℃ 38℃ 52℃ 2 14,10 11,11 13,9 10,12 4 9,7 10,8 7,11 6,10 65,1113,1412,1314,103某厂拟采用化学吸收法,用填料塔吸收废气中的SO2,为了使废气中的SO2的浓度达到排放标准,通过正交实验对吸收工艺条件进行摸索,实验的因素与水平如表所示,需要考虑交互作用A ×B ,B ×C 。
如果A B C 放在正交表的1,2,4列,试验结果(SO2摩尔分数(%)依次为:0.15, 0.25, 0.03, 0.02, 0.09, 0.16, 0.19, 0.08。
试进行方差分析(ā=0.05) A碱浓度(%)B操作温度(℃)C填料种类1 5 40 甲2 1020乙型 号数据试 验号 因素水平4某厂对所生产的高速铣刀进行淬火工艺试验,选择三种不同的等温温度:A1=280℃,A2=300℃,A3=320℃;以及三种不同的淬火温度:B1=1210℃,B2=1235℃,B3=1250℃,测得淬火后的铣刀硬度如表所示铣刀硬度试验结果淬火温度 B1 B2 B3 等温温度A1 64 66 68 A2 66 68 67 A3656768问:(1)等温温度对铣刀硬度是否有显著的影响(显著水平ɑ=0.05)? (2)淬火温度对铣刀硬度是否有显著的影响(显著水平ɑ=0.05)?5试确定三种不同的材料(因素A )和三种不同的使用环境温度(因素B )对蓄电池输出电压的影响,为此,对每种水平组合重复测输出电压4次,测得数据列入表中,试分析各因素与因素之间的交互作用的显著性 B1 (10)B2 (18)B3 (27)A1(1) 130 155 74 18034 40 80 5020 70 82 58A2(2) 150 188 159 126 136 122 106 115 22 70 58 45 A3(3)138 110 168 160 174 120 150 139 96 104 82 606为了考察PH 值和硫酸铜溶液对化验血清中白蛋白和球蛋白的影响,对蒸馏水中的PH (A )取了4个水平,对硫酸铜溶液(B )取了3个水平,在不同水平组合下各测一次白蛋白与球蛋白之比其结果如图所示。
专题二实验探究专题专题提升演练1.某同学利用下列测量工具进行测量,其中数据记录不正确的是()答案A解析选项A中,由题图可知,温度计的示数为上边数值小,越往下数值反而越大,说明此温度计的示数为-14 ℃,故数据记录不正确的是选项A。
2.(1)如图1所示,测得木块的长度是cm。
如图2所示,电能表的示数是kW·h。
(2)小明在使用天平测量苹果质量时情况如图3所示,其中错误的操作是。
答案(1)1.47(1.45~1.49) 2 480.5(2)测量质量时调节平衡螺母解析(1)题图1中刻度尺测量起始端没从0开始,把2.00 cm处当作“0”刻度,读出末端刻度值,减去2.00 cm即为物体长度,即物体长度为3.47 cm-2.00 cm=1.47 cm。
题图2中电能表刻度盘上的示数的最后一位是小数点后的数字。
电能表的示数为2 480.5 kW·h。
(2)在测量苹果质量的过程中,不能通过调节平衡螺母来达到横梁平衡的目的。
3.(2019·四川遂宁中考)在测量小灯泡的电功率的实验中,实验器材有:两节新干电池、电流表、电压表、额定电压为2.5 V的小灯泡、滑动变阻器、开关、导线若干。
部分实物电路如图甲所示。
(1)请用笔画线代替导线,将图甲中的实物电路连接完整。
(要求:滑片向右移动时小灯泡变亮)(2)连接好电路,闭合开关,发现小灯泡很亮,电压表示数为3 V。
断开开关,经检查,各元件完好,电路连接正确。
则实验中操作错误之处是:。
(3)改正错误后进行实验,移动滑动变阻器的滑片到某一位置,电压表的示数如图乙所示;若要测量小灯泡的额定功率,滑动变阻器的滑片应向(选填“A”或“B”)端移动。
(4)图丙是由实验数据描出的小灯泡的I-U图像,则小灯泡的额定功率是 W。
(5)根据小灯泡的I-U图像计算出不同电压下灯丝电阻值不同,原因是灯丝电阻随的变化而变化。
(6)若用第(3)小问中所测得数据算出灯泡的电阻R L,再根据P=计算灯泡的额定功率。
实验优化设计 练习题误差理论2-5 在容量分析中,计算组分含量的公式为W =V ⋅c ,其中V 是滴定时消耗滴定液的体积,c 是滴定液的浓度。
今用浓度为 (1.000±0.001) mg/mL 的标准溶液滴定某试液,滴定时消耗滴定液的体积为 (20.00±0.02) mL ,试求滴定结果的绝对误差和相对误差。
2-6 测定一种铬硅钢试样中的铬含量(%),6次测定结果为20.48,20.55,20.58,20.60,20.53, 20.50。
① 计算这组数据的平均值,平均偏差,相对平均偏差,标准偏差;② 如果此试样为标准试样,铬含量为20.46%,求测定的绝对误差和相对误差。
2-7 通过查表及计算求下列概率。
① P[-2.50,2.50];② P [-2.00,2.50];③ P[-∞,-2.00];④ P [-∞,2.00]。
2-8 如果平行测量3次,求3次测量值都出现在P[μ-1.96σ,μ+1.96σ]内的概率。
2-10 一般常用碘量法测定铜合金中铜的含量(%),已知某年级的110个分析结果基本符合正态N (60.78,0.362)。
试求分析结果出现在区间[60.06,61.59]内的概率及出现在此区间以外可能的个数。
2-13 在测定某溶液的密度ρ的实验中,需要测量液体的体积和质量,已知质量测量的相对误差≤0.02%,欲使测定结果的相对误差≤0.1%,测量液体体积所允许的最大相对误差为多大?参数估计和一般检验3-7 用碘量法测定铜合金中铜,7次测定结果为60.52, 60.61, 60.50, 60.58, 60.35, 60.64, 60.53(%)。
分别用4 法、Q 法、Grubbs 法检验该测定结果中有无应舍弃的离群值(P =95%)?3-8 某铁矿石试样中铁含量(%)的4次测定结果为70.14,70.20,70.04,70.25。
如果第5次测定结果不为Q 检验法舍弃,它应该在什么范围内(P =95%)?3-9 用分光光度法测定某种水样中的铁含量,5次测定结果为0.48,0.37,0.47,0.40,0.43(⨯10-6),估计该水样中铁的含量范围(P =95%)。
第九章压强第3节大气压强能力提升1.小华想用空易拉罐来证明大气压强的存在,下列操作能达到目的的是()A.用手捏空易拉罐,易拉罐变瘪B.将空易拉罐密封后置于深水中,易拉罐变瘪C.让空易拉罐从高处下落撞击地面,易拉罐变瘪D.用注射器抽取密封易拉罐中的空气,易拉罐变瘪解析:A证明压力的存在,B证明液体压强的存在,C证明撞击力的存在,只有D证明大气压强的存在。
答案:D2.(2012·广东茂名中考)如图所示是测量大气压强的装置,玻璃管长约1m,槽内装有水银。
下列说法正确的是()A.此装置是一个连通器B.第一次利用此装置测出大气压强的科学家是帕斯卡C.玻璃管竖直放置时测出的大气压强一定为76厘米水银柱高D.将此装置从山脚移到山顶,管内外汞液面高度差减小解析:本题考查大气压强的相关知识。
连通器是底部连通、上端开口的容器,题图中的玻璃管顶部是密闭的,因此这套实验装置不是连通器,故A选项错误;第一次利用此装置测量出大气压的科学家是托里拆利,故B选项错误;当外界大气压为标准大气压的时候,玻璃管内水银柱的高度为76 cm,当外界大气压发生变化时,管内水银柱就会发生变化,故C 选项错误;大气压随着高度的增加而减小,将此装置从山脚移到山顶,高度增加,大气压减小,因此玻璃管内外的水银柱液面高度差减小,故D选项正确。
答案:D3.(2013·四川自贡中考)甲同学做托里拆利实验,测得管内外水银面高度差约76cm,乙同学采取下面哪个措施可以改变这个高度差()A.往水银槽内加少量水银B.用粗一些的玻璃管做实验C.把玻璃管往上提一提,但不出水银面D.把实验移到高山上去做解析:托里拆利实验过程中,管内水银的多少、玻璃管的粗细、玻璃管插入水银中的深度,都不会影响实验的结果,选项A、B、C错误;大气压随高度的增加而减小,故选项D可以改变这个高度差,即大气压的大小。
答案:D4.如图所示,是小强同学自制的气压计,把它放在水平桌面上,当外界大气压减小时,下列说法正确的是()A.细管内液柱高度上升B.细管内液柱高度不变C.细管内液柱高度下降D.瓶子对桌面的压力减小解析:当外界大气压减小时,细管内液柱在瓶内气压的作用下将上升,故A正确,B、C错;瓶子对桌面的压力等于瓶子、水及细管的总重力,当外界大气压减小时,由于总重力不变,故瓶子对桌面的压力不变,D错。
人教版九年级上册化学第一单元课题2作业优化设计(附答案)一、单选题1.李明同学在做蜡烛燃烧的探究实验时,用火柴去点蜡烛刚熄灭时的白烟,他惊奇地发现蜡烛又能重新燃烧起来,此白烟是()A. 氧气B. 二氧化碳C. 棉线D. 石蜡小颗粒2.下列实验方案,不能达到相应实验目的是()A. 比较空气与人体呼出的气体中CO2含量B. 探究MnO2能否加快H2O2分解C. 验证燃烧需要温度达到着火点D. 探究CO2对铜生锈是否有影响3.下列实验现象描述正确的是()A. 铁丝伸入盛有氧气的集气瓶,剧烈燃烧,火星四射B. 硫在空气里燃烧时发出蓝紫色火焰,生成有刺激性气味的气体C. 玻璃仪器洗干净时,内壁附着的水成股流下D. 燃着的木条伸入人呼出的气体中,木条很快熄灭4.人体吸入的空气和呼出气体中,含量有较大差别的三种气体成分是()A. 氢气氧气氮气B. 二氧化碳水蒸气氧气C. 氧气氮气二氧化碳D. 水蒸气氧气氢气5.在“人吸入的空气和呼出的气体有什么不同”的探究中,下列说法错误的是()A. AB. BC. CD. D二、填空题6.蜡烛是由石蜡和棉线组成的。
(1)石蜡放入水中,浮在水面上,说明石蜡的密度比水的密度________(填“大”或“小”)。
(2)点燃蜡烛在其燃烧过程中,属于物理变化的是________;(3)取一火柴梗,平放人火焰中约1秒后取出,可观察到两端变黑,说明火焰的________部分温度最高。
7.化学兴趣小组的三位同学对蜡烛(主要成分是石蜡)及其燃烧进行了如下探究。
⑴贝贝取一支蜡烛,用小刀切下一小块,把它放入水中,蜡烛浮在水面上。
结论:石蜡的密度比水________ 。
⑵芳芳点燃蜡烛,观察到火焰分为外焰、内焰、焰心三层。
把一根火柴梗放在火焰中(如图)约1s后取出可以看到火柴梗的________ (填“a”、“b”或“c”)处最先碳化。
结论:蜡烛火焰的________ 温度最高;⑶婷婷在探究蜡烛燃烧的过程中,发现罩在火焰上方的烧杯内壁被熏黑,你认为她的以下做法中不合适的是(________ )A.反复实验,并观察是否有相同现象B.查找资料,了解石蜡的主要成分,探究生成的黑色固体是什么C.认为与本次实验目的无关,不予理睬D.询问老师或同学,讨论生成黑色物质的原因8.(1)如图1所示是实验室制取气体时常用的装置,回答下列问题:①写出图中有标号的仪器名称.a:________;b:________ .②用A或B装置都可以制取氧气,用高锰酸钾制取氧气的化学反应方程式为________;C、E、F均可用于收集氧气,若用F装置收集氧气,气体应从________端进入(填“m”或“n”).若用C装置收集氧气,验满的方法是________ .(2)为了证明人体新陈代谢过程中有CO2气体产生,某校兴趣小组的学生设计了如图2所示实验装置进行实验(实验室只用嘴吸气和呼气).请回答:①图2中瓶Ⅱ的作用是________ .②实验中若猛吸猛呼,会造成不安全后果.猛吸时会使装置Ⅰ中的溶液进入口腔.猛呼时会________ .9.化学是一门以实验为基础的自然科学。
大学实验优化设计考试题及答案一、选择题(每题2分,共10分)1. 实验设计中的正交试验设计法主要用于解决什么问题?A. 实验成本B. 实验时间C. 实验变量的优化D. 实验数据的统计分析答案:C2. 在实验设计中,若要研究的因素有n个水平,每个因素有k个可能的状态,则该实验设计需要进行多少次实验?A. n * kB. n + kC. k^nD. n^k答案:C3. 下列哪项不是实验设计中的基本原则?A. 随机化B. 局部控制C. 重复性D. 单一变量答案:B4. 实验优化设计的目的是什么?A. 减少实验次数B. 提高实验精度C. 确定最优实验条件D. 所有上述选项答案:D5. 在实验设计中,若某一因素的水平增加会导致其他因素的水平必须相应增加,这样的因素称为:A. 主要因素B. 次要因素C. 约束因素D. 独立因素答案:C二、填空题(每题2分,共10分)6. 实验设计中的________是用来评估实验结果可靠性的一种方法。
答案:重复试验7. 在进行实验设计时,若实验结果受到非研究因素的随机干扰,可以通过________来减少这种干扰。
答案:随机化8. 拉丁方设计是一种特殊类型的________,它可以平衡实验中的某些非研究因素的影响。
答案:因子设计9. 实验设计中的响应面法是一种用于________的实验设计方法。
答案:多变量优化10. 在实验设计中,通过________可以确定实验中各因素的最佳组合。
答案:方差分析三、简答题(每题10分,共20分)11. 简述实验设计中的Box-Behnken设计方法及其应用场景。
答案:Box-Behnken设计是一种旋转中心组合设计,它允许实验者在多维空间中进行实验,同时保持实验次数相对较少。
该方法特别适用于当实验的因素数量较多,而每个因素的水平数不是很多时。
它广泛应用于制药、化学工艺优化等领域。
12. 解释什么是田口方法(Taguchi方法),并说明其在实验优化设计中的作用。
人教版九年级上册化学第二单元课题3作业优化设计(附答案)一、单选题1.下列实验操作正确的是()A. 试验结束后剩余的药品放入原瓶B. 用100mL的量筒量取98.0mL水C. 用排水法收集氧气时,看到水槽内管口有气泡冒出立即收集D. 高锰酸钾制取氧气,实验结束后,先熄灭酒精灯,后从水槽中取出导管2.正确的化学实验操作是实验成功的重要保证.下列实验操作正确的是()A. 倾倒液体B. 过滤C. 检查气密性D. 检验氧气是否收集满3.下面是对四个实验绘制的图形,其中实验结果与图形对应准确的是()A. pH=13的NaOH溶液中加水稀释B. 用适量的KClO3和MnO2混合物加热制O2C. 向一定量的稀盐酸和氯化钙的混合溶液中不断滴入碳酸钠溶液至过量D. 向一定质量的稀盐酸中加入铁粉至过量4.如图表示一定质量的KClO3和MnO2固体混合物受热过程中,某变量y随时间的变化趋势。
纵坐标表示的是(资料:KClO3和KCl均为白色体)()A. 固体中氧元素的质量B. 生成O2的质量C. 固体中MnO2的质量D. 固体中钾元素的质量分数5.将一定质量的a、b、c、d四种物质放入一密闭容器中,在一定条件下反应一段时间后,测得反应后各物质的质量如下:下列说法中错误的是()A. a和b是反应物,d可能是催化剂B. 反应后a物质的质量为4.64gC. c物质中元素的种类,一定等于a、b两种物质中元素的种类D. 若物质a与物质b的相对分子质量之比为2:1,则反应中a与b的化学计量数之比为2:1二、填空题6.能使澄清石灰水变浑浊的气体是________;能使带火星的木条复燃的气体是________;空气中含量最多的气体是________;密度最小的气体是________.7.某兴趣小组同学对实验室制备氧气的条件进行如下探究实验.①为探究催化剂的种类对氯酸钾分解速度的影响,甲设计以下对比实验:Ⅰ.将3.0g KClO3与1.0g MnO2均匀混合加热Ⅱ.将x g KClO3与1.0g氧化铜均匀混合加热Ⅱ中x的值应为________ ;在相同温度下,比较两组实验收集相同体积的氧气所需要的________②乙探究了影响双氧水分解速度的某种因素.实验数据记录如下:本实验中,测量O2体积的装置是________ (填编号).实验结论:在相同条件下,________ ,双氧水分解得越快.8.请根据下列装置图,回答有关问题:A B C D E(1)写出实验室在A装置中用高锰酸钾制取氧气的化学方程式:________(2)实验室收集氧气可用________(填编号)装置;在收集过程中,当氧气充满集气瓶后,将导管从瓶口处移开,________在桌上。
实验优化设计考试答案精选文档TTMS system office room 【TTMS16H-TTMS2A-TTMS8Q8-第一题考察温度对烧碱产品得率的影响,选了四种不同温度进行试验,在同一温度下进行了5次试验(三数据见下表)。
希望在显着性水平为。
1.SSE的公式2.SSA的公式3.将表格粘贴进Excel,然后进行数据分析,勾选标于第一行,显示在下面P=,远小于,所以是显着的4.打开Minitab,复制表格,“统计”“方差分析”“选单因素未重叠”“响应C1C2C3C4”点击“比较”勾选第一个,确定结果: 工作表 3单因子方差分析: 60度, 65度, 70度, 75度来源自由度 SS MS F P因子 3误差 16合计 19S = R-Sq = % R-Sq(调整) = %平均值(基于合并标准差)的单组 95% 置信区间水平 N 平均值标准差 ------+---------+---------+---------+---60度 5 (------*------)65度 5 (------*------)70度 5 (------*------)75度 5 (------*------)------+---------+---------+---------+---合并标准差 =Tukey 95% 同时置信区间所有配对比较单组置信水平 = %60度减自:下限中心上限 ------+---------+---------+---------+--- 65度 (------*------)70度 (------*-----)75度 (------*------)------+---------+---------+---------+---65度减自:下限中心上限 ------+---------+---------+---------+--- 70度 (------*-----)75度 (------*------)------+---------+---------+---------+--- 70度减自:下限中心上限 ------+---------+---------+---------+---75度 (-----*------)------+---------+---------+---------+---获得结果,区间相交包含的不明显,反之明显第二题为研究线路板焊点拉拔力与烘烤温度、烘烤时间和焊剂量之间关系。
从生产过程中收集20批数据,见下表:1.将表格粘贴进Minitab,然后“统计”“回归”“回归”“响应,变量”“图形,四合一”2.P小于,显着4.残差分析第三题钢片在镀锌前需要用酸洗方法除锈,为提高除锈效率,缩短酸洗时间,需要寻找好的工艺参数。
现在试验中考察如下因子与水平:1.在Minitab中建立,“统计”“DOE”“田口”“建立田口”“粘贴Y值”2.“田口”“自定义田口”“因子(A B C)”“田口”“田口分析”“响应值y”“图形分析(取消信嗓比)”“选项(望小)”,之后进行分析,复制答案田口设计田口正交表设计L9(3**4)因子: 4试验次数: 9列 L9(3**4) 阵列1 2 3 4田口分析:y 与 A, B, C均值响应表水平 A B C123Delta排秩 2 3 13.“统计”“方差分析”“一般线性模型”“响应(y)”“模型(A B C)”“确定”均值主效应图一般线性模型: y 与 A, B, C因子类型水平数值A 固定 3 1, 2, 3B 固定 3 1, 2, 3C 固定 3 1, 2, 3y 的方差分析,在检验中使用调整的 SS来源自由度 Seq SS Adj SS Adj MS F PA 2B 2C 2误差 2合计 8S = R-Sq = % R-Sq(调整) = %3.时间单位越小越好,效率越高,因此选择(A3 B1 C3)之后在Excel中进行函数计算(AVERAGE),计算y值,得到如下结果然后在下面分别对应A3B1C3减去的值,如下用函数(SUM)计算平均酸洗时间进行点估计就是第四题玉米淀粉改性试验,需考察两个指标:取代度、酯化率,两指标均为望大特征,试验因素和水平如下:1.将表格粘贴到Excel,然后选择性粘贴后两项,转制成竖起来的,再同第三题建立Minitab数据表格,然后粘贴进取代度,酯化率2.同第三题,进行自定义田口设计,因子为(ABC),再同第三题分析田口,响应(取代度,酯化率)(两个分开,一次只能进行一个),然后分别复制粘贴结果到Excel文件下面再进行分析,因为其中重要程度:酯化率>取代度,所以如图3.(第二问)回到Excel,建立公式(F4相对引用)(F4按两下)第一个是成型的公式最后结果3.按照权重对上面得到的值进行计算,公式如下整体答案在数值设置单元格格式里面,把最后一项数值改为小数点之后两位将合成好的数据设为Y值,粘贴到Minitab里面再一次进行田口分析,同上面一样,但是响应值改为Y值,结果如图然后回到Excel,进行分析如图第五题某钢厂生产一种合金,为降低合金的硬度需要进行退火处理,希望通过实验寻找合理的退火工艺参数,以降低硬度。
现考察如下因子与水平:1.课件,正交试验(5)水平数不等的正交试验设计,2.同第四题找最优水平第六题硅橡胶基本工艺参数试验,指标为老化前的抗拉强度,选取的因素及水平如下表:1.将表复制粘贴进Excel,用devsq计算1——4的平均值,然后在其后面输入3,再分别用sum计算和值,MS=24如图2.用Average计算Ymean,Ymean=average1234如图3.用sumif计算,答案记录在1,2中,如下图4.用DEVSQ计算SS5.计算DF,取16.计算MS,6.查课件6.将表格复制进Minitab,如图然后“DOE”“田口”“定义田口”“因子(A、B、AB、C、BC、D)”“DOE”“田口”“分析田口”“响应Y”,信嗓比取消掉,“选项(望大)”7.方差分析“统计”“方差分析”“一般线性模型”@或者在Excel中分析计算F值,如下图计算FcritF与Fcrit比较大小计算第七题维生素C注射液因长期放置会渐变成微黄色,中国药典规定可以使用焦亚硫酸钠等作为抗氧化剂。
本试验考虑三个因素:EDTA、无水碳酸钠、焦亚硫酸钠,每个因素各取7个水平,试验指标为420纳米处的吸光度,取值越小越(74)安排试验。
试验安排与结果如下:好。
用U71.将表格复制粘贴进Excel,再选择性复制粘贴转换为数值,如下图2.进行回归分析,“数据”“数据分析”“回归”Significance?F>,所以置信度在上回归方程不理想,R?Square=<,回归方程不理想,在项数相同的情况下,RSquare与AdjustedRSquare相差太大,回归方程不理想R?Square决定系数、AdjustedRSquare调整决定系数离差平方和SST\误差项平方和SSE\水平项平方和SSA\均方MS\构造统计量FT-Statt-统计量(=回归系数/系数标准误差)假设检验时用于与临界值相比,越大越好分别作(x1*x1)(x2*x2)(x3*x3)(x1*x2)(x1*x3)(x2*x3)结果如下再和前面的表连在一起如下进行回归分析2.将表格粘贴进Minitab,如下之后进行回归“统计”“逐步回归”如下答案(Alpha取一样)综上可知,第三个方程最好,选取x2,x3越小越好,则x2=26 x3=y=规划求解规划求解结果:第八题某种水泥在凝固时放出的热量y(卡/克)与水泥中化学成分物质x1,x2,x3,x4的含量有关。
现记录了13组数据,列入下表:1.将表格粘贴进minitab2.第一栏,找“统计”,然后“回归”,“回归”的子选项第一个,选“散热量”为响应值,预测变量为:x1,x2,x3,x4。
点击“图形”,图中的残差:“正规”残差图“四合一”残差与变量“x1,x2,x3,x4”,然后确定。
再点击确定。
3.点击会话窗口回归分析: 散热量与 x1, x2, x3, x4回归方程为散热量 = + x1 + x2 + x3 - x4自变量系数系数标准误 T P常量x1x2x3x4S = R-Sq = % R-Sq(调整) = %方差分析来源自由度 SS MS F P回归 4残差误差 8合计 12来源自由度 Seq SSx1 1x2 1x3 1x4 14.点击,回到表格,“统计”——“回归”——“逐步”响应“散热量”预测变量“X1,X2,X3,X4”点击方法,如下选择获得下,下面数据:逐步回归: 散热量与 x1, x2, x3, x4 入选用 Alpha: 删除用 Alpha:响应为 4 个自变量上的散热量,N = 13步骤 1 2 3 4 常量x4T 值P 值x1T 值P 值x2T 值P 值S R-Sq R-Sq(调整) Mallows Cp(2)对(1)中得到的回归方程进行分析,指出该方程的不当之处,再次进行回归,找到比较合适的回归 方程,并优化计算得到的最佳方程,其包含的自变量取何值时y是最大值,最大值为多少。
x1=21 x2=71 ymax=第九题空气过滤器设计。
对于室内的空气不洁(甲醛超标)常安装空气过滤器净化空气。
过滤材 料由活性炭、碳酸钙和碱性液三种成分组成。
为探索三种成分的最佳组合,用混料设计方 法进行试验。
试验结果与方案列入下表: 1.将表格粘贴到 Excel,进行排序 ,排好后粘贴进 minitab 2.点击“统计”“DOE”“混料”“创建混料设计”“显示混料设计”“格子 1 分量 3” “确定”“设计”“确定”“确定” 3.点击 ,回到表格形式,手动按照标准序编号输入相应的吸附率, “统计”“DOE” “混料”“自定义混料设计”“分量”(A B C) 4.“混料”“分析混料设计”“响应”(吸附率),“图形”选取“四合一”勾选“残差 与变量”(A B C),各个结果复制到 WORD 里面 5.残差图(点越接近直线越好) 拟合图(矩形状的图形最好) 残差直方图(服从正态分布分布最好)5. 回到表格,“混料”“响应优化器”“设置”“目标(望大)下限()望目()权重 (1)重要度(1)”6. 获得图7.“统计”“DOE”“混料”“等值曲面图”吸附率 的混合曲面图 (分量数量)9080 吸附率70 1.00 CB 1.00 0.000.000.00 1.00 A。