手机充电器常用的几款电路原理图
- 格式:doc
- 大小:750.50 KB
- 文档页数:3
专门找了几个例子,让大家看看。
自己也一边学习。
分析一个电源,往往从输入开始着手。
220V交流输入,一端经过一个4007半波整流,另一端经过一个10欧的电阻后,由10uF电容滤波。
这个10欧的电阻用来做保护的,如果后面出现故障等导致过流,那么这个电阻将被烧断,从而避免引起更大的故障。
右边的4007、4700pF电容、82KΩ电阻,构成一个高压吸收电路,当开关管13003关断时,负责吸收线圈上的感应电压,从而防止高压加到开关管13003上而导致击穿。
13003为开关管(完整的名应该是MJE13003),耐压400V,集电极最大电流1.5A,最大集电极功耗为14W,用来控制原边绕组与电源之间的通、断。
当原边绕组不停的通断时,就会在开关变压器中形成变化的磁场,从而在次级绕组中产生感应电压。
由于图中没有标明绕组的同名端,所以不能看出是正激式还是反激式。
不过,从这个电路的结构来看,可以推测出来,这个电源应该是反激式的。
左端的510KΩ为启动电阻,给开关管提供启动用的基极电流。
13003下方的10Ω电阻为电流取样电阻,电流经取样后变成电压(其值为10*I),这电压经二极管4148后,加至三极管C945的基极上。
当取样电压大约大于1.4V,即开关管电流大于0.14A时,三极管C945导通,从而将开关管13003的基极电压拉低,从而集电极电流减小,这样就限制了开关的电流,防止电流过大而烧毁(其实这是一个恒流结构,将开关管的最大电流限制在140mA左右)。
变压器左下方的绕组(取样绕组)的感应电压经整流二极管4148整流,22uF电容滤波后形成取样电压。
为了分析方便,我们取三极管C945发射极一端为地。
那么这取样电压就是负的(-4V左右),并且输出电压越高时,采样电压越负。
取样电压经过6.2V稳压二极管后,加至开关管13003的基极。
前面说了,当输出电压越高时,那么取样电压就越负,当负到一定程度后,6.2V稳压二极管被击穿,从而将开关13003的基极电位拉低,这将导致开关管断开或者推迟开关的导通,从而控制了能量输入到变压器中,也就控制了输出电压的升高,实现了稳压输出的功能。
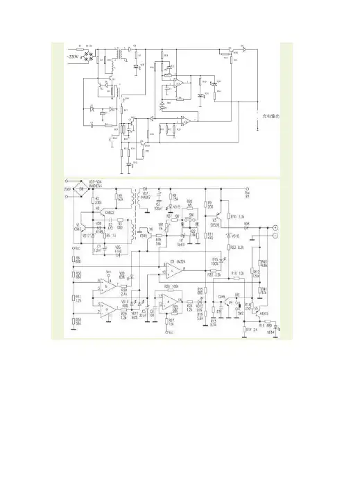
手机万能充电器电路原理解析其进行放电。
SW1是镍镉、镍氢、锂离子电池充电转换开关。
SW1与精密基准电源SL431为运放LM324⑨提供两个不同的精密基准源,由SW1切换。
在给镍镉、镍氢电池充电时,LM324⑨脚的基准电压约0.09V(空载);在给锂离子电池充电时,LM324⑨脚的基准电压约为0.08V(空载),这种设计是由这两种类型电池特有的化学特性决定的。
按下SW2,V5基极瞬间得一低电平而导通,可充电池上的残余电压通过V5的ec极在R17上放电,同时放电指示灯VD14点亮。
在按下SW2后会随即释放,这时可充电池上的残余电压通过R16、R13分压,C9滤波后为V4的b极提供一个高电平,V4导通,这相当于短接SW2。
随着放电时间的延长,可充电池上的残余电压也越来越低,当V4基极上的电压不能维持其继续导通时,V4截止,放电终止,充电器随即转入充电状态。
由于锂电不存在记忆效应,当电池低于3V时便不能开机,其残余电压经电阻R40、R41分压后得到2.53V送入运算放大器的同相端③、⑤、⑩脚,由于LM324⑨脚电压在负载下始终为2.66V,因此⑧脚输出低电平,V3导通,+9V电压通过V3 ec极、VD8向可充电池充电。
IC1 d在电容C6的作用下,{14}脚输出的是脉冲信号,由于IC1⑧脚为低电平,因此VD12处于闪烁状态,以指示电池正在充电,对应容量为20%。
随着充电时间的延长,可充电池上的电压逐渐上升。
当R40、R41的分压值约等于2.58V时,即IC1③脚等于2.58V时,IC1②脚经电阻分压后得2.57V,其①脚输出高电平(由于在充电时,IC1⑨脚电压始终是2.66V,V6导通;反之在空载时,IC1⑨脚为0.08V,V6截止),VD10、VD11点亮,对应指示容量为40%、60%。
当R40、R41的分压值上升到2.63V时,即IC1⑤脚等于2.63V,其⑥脚经电阻分压后得2.63V,⑦脚输出高电平,VD9点亮,对应充电容量为80%。
手机充电器电路图详解充电器电路手机(或其它小电器)充电器多如牛毛,不同厂家的电路结构大不相同,随着科技的进步新技术、新元件的出现又增加了新款的充电器,再加上山寨充电器充斥其中,导致小小充电器电路结构琳琅满目,让人应接不暇。
但有一款比较现代也比较简洁、很容易看懂电路图、容易查找故障的分立元件充电器,可作为经典教材进行研究,笔者使用这款充电器已有三年之久,由于后来大电流的快充的出现,现在已经不用它了,只将其作为一种研究对象进行分析,今天就将此分享给大家。
电路原理图见下图:电路图分析:一、该电路属于自励、反激式、变压器耦合型、PWM开关电源;电源变换过程:交流(AC,输入市电)→直流(DC)→交流(AC,高频)→直流(DC,输出);电路由整流、振荡、稳压、保护四大系统组成。
二、输入整流、滤波电路:由二极管VD1、电解电容器C1组成,属于半波整流电路,输出脉动直流电压,峰值电压311v,经电容滤波达到300v左右的直流电压。
VD1为1N4007这个二极管使用比较普遍,最大整流电流1A,最大反向电压1000v;电解电容器的耐压要大于300v;三、振荡电路:由R2、VT1、L1、L2、C4、R5组成,如果没有L2、C4、R5反馈支路的存在,三极管VT1过着一种平淡的田园生活,它通过偏置电阻R2提供合适的偏压,形成了一般的放大电路,但第三者---反馈电路的插足让它的生活不再平静,而是动荡不安--形成了振荡电流。
L2为反馈线圈,从图上L1、L2同名端的关系看出该反馈属于正反馈,于是形成了振荡电路,由于电容C4的存在导致该振荡电路形成的振荡是间歇振荡,不是正弦波;起振过程:电路接通时,启动电阻R2为电路提供偏置电流,于是VT1的集电极就有电流Ic通过Ic,当集电极线圈L1电流发生变化时(0→增加),就会产生自感电动势,方向上+下-,因L2与L1同绕在一个磁心上,于是L2在互感的作用下,产生下+上-的感应电动势;版权所有。
四、超力通电路原理该充电器具有镍镉、镍氢、锂离子电池充电转换开关,并具有放电功能。
在150~250V、40mA的交流市电输入时,可输出300±50mA的直流电流。
该充电器采用了RCC型开关电源,即振荡抑制型变换器,它与PWM型开关电源有一定的区别。
PW M型开关电源由独立的取样误差放大器和直流放大器组成脉宽调制系统;而RCC型开关电源只是由稳压器组成电平开关,控制过程为振荡状态和抑制状态。
由于PWM型开关电源中的开关管总是周期性的通断,系统控制只是改变每个周期的脉冲宽度,而RCC型开关电源的控制过程并非线性连续变化,它只有两个状态:当开关电源输出电压超过额定值时,脉冲控制器输出低电平,开关管截止;当开关电源输出电压低于额定值时,脉冲控制器输出高电平,开关管导通。
当负载电流减小时,滤波电容放电时间延长,输出电压不会很快降低,开关管处于截止状态,直到输出电压降低到额定值以下,开关管才会再次导通。
开关管的截止时间取决于负载电流的大小。
开关管的导通/截止由电平开关从输出电压取样进行控制。
因此这种电源也称非周期性开关电源。
220V市电经VD1~VD4桥式整流后在V2的集电极上形成一个300V左右的直流电压。
由V2和开关变压器组成间歇振荡器。
开机后,300V直流电压经过变压器初级加到V2的集电极,同时该电压还经启动电阻R2为V2的基极提供一个偏置电压。
由于正反馈作用,V2 Ic 迅速上升而饱和,在V2进入截止期间,开关变压器次级绕组产生的感应电压使VD7导通,向负载输出一个9V左右的直流电压。
开关变压器的反馈绕组产生的感应脉冲经VD5整流、C1滤波后产生一个与振荡脉冲个数呈正比的直流电压。
此电压若超过稳压管VD17的稳压值,VD17便导通,此负极性整流电压便加在V2的基极,使其迅速截止。
V2的截止时间与其输出电压呈反比。
VD17的导通/截止直接受电网电压和负载的影响。
电网电压越低或负载电流越大,VD17的导通时间越短,V2的导通时间越长,反之,电网电压越高或负载电流越小,VD5的整流电压越高,VD17的导通时间越长,V2的导通时间越短。
手机充电器电路图原理解析分析一个电源,往往从输入开始着手。
220V交流输入,一端经过一个4007半波整流,另一端经过一个10欧的电阻后,由10uF电容滤波。
这个10欧的电阻用来做保护的,如果后面出现故障等导致过流,那么这个电阻将被烧断,从而避免引起更大的故障。
右边的4007、4700pF电容、82KΩ电阻,构成一个高压吸收电路,当开关管13003关断时,负责吸收线圈上的感应电压,从而防止高压加到开关管13003上而导致击穿。
13003为开关管(完整的名应该是MJE13003),耐压400V,集电极最大电流1.5A,最大集电极功耗为14W,用来控制原边绕组与电源之间的通、断。
当原边绕组不停的通断时,就会在开关变压器中形成变化的磁场,从而在次级绕组中产生感应电压。
由于图中没有标明绕组的同名端,所以不能看出是正激式还是反激式。
不过,从这个电路的结构来看,可以推测出来,这个电源应该是反激式的。
左端的510K Ω为启动电阻,给开关管提供启动用的基极电流。
13003下方的10Ω电阻为电流取样电阻,电流经取样后变成电压(其值为10*I),这电压经二极管4148后,加至三极管C945的基极上。
当取样电压大约大于1.4V,即开关管电流大于0.14A时,三极管C945导通,从而将开关管13003的基极电压拉低,从而集电极电流减小,这样就限制了开关的电流,防止电流过大而烧毁(其实这是一个恒流结构,将开关管的最大电流限制在140mA左右)。
变压器左下方的绕组(取样绕组)的感应电压经整流二极管4148整流,22uF电容滤波后形成取样电压。
为了分析方便,我们取三极管C945发射极一端为地。
那么这取样电压就是负的(-4V左右),并且输出电压越高时,采样电压越负。
取样电压经过6.2V稳压二极管后,加至开关管13003的基极。
前面说了,当输出电压越高时,那么取样电压就越负,当负到一定程度后,6.2V稳压二极管被击穿,从而将开关13003的基极电位拉低,这将导致开关管断开或者推迟开关的导通,从而控制了能量输入到变压器中,也就控制了输出电压的升高,实现了稳压输出的功能。
手机万能充电器由于各型号手机所附带的充电器插口不同,以造成各手机充电器之间不能通用。
当用户手机充电器损坏或丢失后,无法修复或购不到同型号充电器,使手机无法使用。
万能充电器厂家看到这样的商机,就开发生产出手机万能充电器,该充电器由于其体积小、携带方便,操作简单,价格便宜,适合机型多,深受用户的欢迎。
下面以深圳亚力通实业有限公司生产的四海通S538型万能充电器为例,介绍其工作原理和维修方法。
该充电器在市场上占有率较高,又没有随机附带电路图,给维修带来一定的难度,本文根据实物测绘出其工作原理图,见附图,供维修时参考。
四海通S538型万能充电器在外观设计上比较独特,面板上采用透明塑料制作的半椭圆形夹子,透明塑料面板上固定有两个距离可调节的不锈钢簧片作为充电电极。
面板的尾部并排有1个测试开关(极性转换开关)和4个状态指示灯,用户根据需要可以调节充电器电极距离和输出电压极性,并通过状态指示灯可方便看出电池的充电情况。
一、工作原理该充电器电路主要由振荡电路、充电电路、稳压保护电路等组成,其输入电压AC220V、50/60Hz、40mA,输出电压DC4.2V、输出电流在150mA~180mA。
在充电之前,先接上待充电池,看充电器面板上的测试指示灯TEST是否亮。
若亮,表示极性正确,可以接通电源充电;否则,说明电池的极性和充电器输出电压的极性是相反的,这时需要按一下极性转换开关AN1(测试键)才行。
具体电路原理如下。
1.振荡电路该电路主要由三极管VT2及开关变压器T1等组成。
接通电源后,交流220V经二极管VD2半波整流,形成100V左右的直流电压。
该电压经开关变压器T 1-1初级绕组加到了三极管VT2的c极,同时该电压经启动电阻R4为VT2的b极提供一个正向偏置电压,使VT2导通。
此时,三极管VT2和开关变压器T1组成的间歇振荡电路开始工作,开关变压器T1-1初级绕组中有电流通过。
由于正反馈作用,在变压器T 1-2绕组感应的电压通过反馈电阻R1和电容C1加到VT2的b极,使三极管VT2的b极导通电流加大,迅速进人饱和区。
简单解析手机充电器的工作原理刚好前段时间拆了两个充电器,看下里面的电路就明白了。
鉴于网络上不明真相出来误导人的特别多,很多网站竟然还有文章说手机充电器里没有变压器隔离的。
因此简单说下手机充电器的工作原理。
图1:开关式手机充电器拆机图上面是我手头一个山寨充电器的拆机图,没错,这是个山寨充电器,5V1A,不到10元买的,拆了之后发现做工还是可以的,下文上其他相关图片,不算是太坑爹的山寨。
山寨充电器的电路和正规的多数都差不多,个别坑爹的山寨可能没有反馈和保护,用的元件质量差或者压根就是拆机件,同事还存在参数虚标的问题,下面就结合这个充电器的拆机图简要说下原理。
为啥现在手机充电器可以做的那么小?很多人稍微对电子有了解的人都记得传统大个头的变压器,通过变压器原副边线圈绕组的匝数比来实现交流电压的变换,然后通过桥式整流,稳压滤波,甚至通过稳压芯片来实现恒定的电压输出。
图2 传统的充电器和变压器传统的充电器很大的一个问题是,变压器必须做的很大,电能是转换成磁能进行传递,要想能够传递足够功率的电能就需要更多的匝数来产生足够的磁能,从而完成大功率的电压变换。
所以要求输出的电流越大,对变压器的个头就得越大。
那为什么现在的充电器可以做的那么小呢?苹果的绿点充电器非常迷你,又是什么样的原理呢?这就是开关型电源的优势所在了,请参考图1中的充电器内部图,绝大多数的充电器基本原理都是一致的,因此我就用这个图来做统一说明。
首先,开关型电源也是有变压器的,无论是手机充电器还是电脑的开关电源,这个在图中已经注明,那么为什么和传统的变压器相比这个变压器可以那么小呢?前面说过,变压器室通过电磁转换来传递能量,而在电流一定的情况下电流转换为电磁能量主要有两个因素,意识线圈匝数,而是交流电的频率,传统变压器由于市电50Hz的固定频率,为了传递更大的功率,只能来改变匝数,所以功率越大,变压器个头越大。
而开关电源通过提高变压器上交流电的频率可以使得变压器在满足功率要求的情况下保持较小的体积,这个特点非常符合现代电子设备的需求。
常见5种电源电路图及原理讲解!一、稳压电源1、3~25V电压可调稳压电路图此稳压电源可调范围在3.5V~25V之间任意调节,输出电流大,并采用可调稳压管式电路,从而得到满意平稳的输出电压。
工作原理:经整流滤波后直流电压由R1提供给调整管的基极,使调整管导通,在V1导通时电压经过RP、R2使V2导通,接着V3也导通,这时V1、V2、V3的发射极和集电极电压不再变化(其作用完全与稳压管一样)。
调节RP,可得到平稳的输出电压,R1、RP、R2与R3比值决定本电路输出的电压值。
元器件选择:变压器T选用80W~100W,输入AC220V,输出双绕组AC28V。
FU1选用1A,FU2选用3A~5A。
VD1、VD2选用6A02。
RP选用1W左右普通电位器,阻值为250K~330K,C1选用3300μF/35V 电解电容,C2、C3选用0.1μF独石电容,C4选用470μF/35V电解电容。
R1选用180~220Ω/0.1W~1W,R2、R4、R5选用10KΩ、1/8W。
V1选用2N3055,V2选用3DG180或2SC3953,V3选用3CG12或3CG80。
2、10A3~15V稳压可调电源电路图无论检修电脑还是电子制作都离不开稳压电源,下面介绍一款直流电压从3V到15V连续可调的稳压电源,最大电流可达10A,该电路用了具有温度补偿特性的,高精度的标准电压源集成电路TL431,使稳压精度更高,如果没有特殊要求,基本能满足正常维修使用,电路见下图。
其工作原理分两部分,第一部分是一路固定的5V1.5A稳压电源电路,第二部分是另一路由3至15V连续可调的高精度大电流稳压电路。
第一路的电路非常简单,由变压器次级8V交流电压通过硅桥QL1整流后的直流电压经C1电解电容滤波后,再由5V三端稳压块LM7805不用作任何调整就可在输出端产生固定的5V1A稳压电源,这个电源在检修电脑板时完全可以当作内部电源使用。
第二部分与普通串联型稳压电源基本相同,所不同的是使用了具有温度补偿特性的,高精度的标准电压源集成电路TL431,所以使电路简化,成本降低,而稳压性能却很高。
手机充电器KY-718,由实物画原理图如下:(也许是目前笔者见过的最简单的开关电源了吧)
原理分析:
1、D1、C1及保险:220V交流半波整流、滤波电路,得到300V直流;
2、启动电阻:1.5M电阻提供13001基极电流;
3、Q2开关管
4、变压器副绕组、R1、C3等构成正反馈;
5、R4、R3及Q1等构成过流保护;
6、D2、变压器副绕组、C2取得初级工作电压
7、D4、光耦CNX35、Q1构成负反馈,调整输出电压稳定在5V;
8、变压器次级绕组、D3、C4组成半波整流、滤波
9、R5、LED组成电源指示电路。
故障:每次插上电时LED亮一下,后来就不亮了
维修:
以为是虚焊,到处焊焊,没有修好;
拆下13001、C945测最,也没有发现异常,此时同是修理行业的朋友说没得修了,或是没有修的价值了,不过,本同志好强!;
后来借另一朋友的数字万用表在路测测那1.5M电阻,竟然正反向电阻不同,且某次是无穷大(用是的2M档),于是回家后焊了个3.3M电阻在那1.5M电阻的上(并联),OK,修好了。
从收费的角度来说,此次修理,并无价价值,因花费的时间比较多,但是从技术角度来讲,还是值得的,毕竟,开关电源在电器产器中占的份量还是很大的,因此与大家一起分享一下修理的过程。
手机充电器原理及原理图分析一个电源,往往从输入开始着手。
220V交流输入,一端经过一个4007半波整流,另一端经过一个10欧的电阻后,由10uF电容滤波。
这个10欧的电阻用来做保护的,如果后面出现故障等导致过流,那么这个电阻将被烧断,从而避免引起更大的故障。
右边的4007、4700pF电容、82KΩ电阻,构成一个高压吸收电路,当开关管13003关断时,负责吸收线圈上的感应电压,从而防止高压加到开关管13003上而导致击穿。
13003为开关管(完整的名应该是MJE13003),耐压400V,集电极最大电流1.5A,最大集电极功耗为14W,用来控制原边绕组与电源之间的通、断。
当原边绕组不停的通断时,就会在开关变压器中形成变化的磁场,从而在次级绕组中产生感应电压。
由于图中没有标明绕组的同名端,所以不能看出是正激式还是反激式。
不过,从这个电路的结构来看,可以推测出来,这个电源应该是反激式的。
左端的510KΩ为启动电阻,给开关管提供启动用的基极电流。
13003下方的10Ω电阻为电流取样电阻,电流经取样后变成电压(其值为10*I),这电压经二极管4148后,加至三极管C945的基极上。
当取样电压大约大于1.4V,即开关管电流大于0.14A时,三极管C945导通,从而将开关管13003的基极电压拉低,从而集电极电流减小,这样就限制了开关的电流,防止电流过大而烧毁(其实这是一个恒流结构,将开关管的最大电流限制在140mA左右)。
变压器左下方的绕组(取样绕组)的感应电压经整流二极管4148整流,22uF电容滤波后形成取样电压。
为了分析方便,我们取三极管C945发射极一端为地。
那么这取样电压就是负的(-4V左右),并且输出电压越高时,采样电压越负。
取样电压经过6.2V稳压二极管后,加至开关管13003的基极。
前面说了,当输出电压越高时,那么取样电压就越负,当负到一定程度后,6.2V稳压二极管被击穿,从而将开关13003的基极电位拉低,这将导致开关管断开或者推迟开关的导通,从而控制了能量输入到变压器中,也就控制了输出电压的升高,实现了稳压输出的功能。