手机充电器电路图与分析
- 格式:pdf
- 大小:793.82 KB
- 文档页数:6
三、我修改过的图纸(我认为原图可能有错误)四、超力通电路原理该充电器具有镍镉、镍氢、锂离子电池充电转换开关,并具有放电功能。
在150~250V、40mA的交流市电输入时,可输出300±50mA的直流电流。
该充电器采用了RCC型开关电源,即振荡抑制型变换器,它与PWM型开关电源有一定的区别。
PWM型开关电源由独立的取样误差放大器和直流放大器组成脉宽调制系统;而RCC型开关电源只是由稳压器组成电平开关,控制过程为振荡状态和抑制状态。
由于PWM型开关电源中的开关管总是周期性的通断,系统控制只是改变每个周期的脉冲宽度,而RCC型开关电源的控制过程并非线性连续变化,它只有两个状态:当开关电源输出电压超过额定值时,脉冲控制器输出低电平,开关管截止;当开关电源输出电压低于额定值时,脉冲控制器输出高电平,开关管导通。
当负载电流减小时,滤波电容放电时间延长,输出电压不会很快降低,开关管处于截止状态,直到输出电压降低到额定值以下,开关管才会再次导通。
开关管的截止时间取决于负载电流的大小。
开关管的导通/截止由电平开关从输出电压取样进行控制。
因此这种电源也称非周期性开关电源。
220V市电经VD1~VD4桥式整流后在V2的集电极上形成一个300V左右的直流电压。
由V2和开关变压器组成间歇振荡器。
开机后,300V直流电压经过变压器初级加到V2的集电极,同时该电压还经启动电阻R2为V2的基极提供一个偏置电压。
由于正反馈作用,V2 Ic 迅速上升而饱和,在V2进入截止期间,开关变压器次级绕组产生的感应电压使VD7导通,向负载输出一个9V左右的直流电压。
开关变压器的反馈绕组产生的感应脉冲经VD5整流、C1滤波后产生一个与振荡脉冲个数呈正比的直流电压。
此电压若超过稳压管VD17的稳压值,VD17便导通,此负极性整流电压便加在V2的基极,使其迅速截止。
V2的截止时间与其输出电压呈反比。
VD17的导通/截止直接受电网电压和负载的影响。
手机充电器原理图分析
手机充电器是用来给手机充电的设备,其原理图可以分为输入部分和输出部分。
输入部分主要包括电源插头、电源线和电源适配器。
电源插头将交流电源接入充电器,电源线将电源信号传输到电源适配器。
电源适配器将交流电转换为直流电,并对电压进行调整。
输出部分主要包括输出线和USB插头。
输出线将调整后的直
流电传输到USB插头,供手机充电使用。
在电源适配器中,常见的电力转换器是开关电源。
开关电源包括变压器、整流器、滤波器和稳压器。
变压器将输入的交流电源通过变压比转换为较低或较高的交流电压。
整流器将交流电压转换为脉冲形式的直流电压。
滤波器通过滤除脉冲中的高频噪声,使输出电压变得更加平滑。
稳压器将滤波后的直流电压调整为所需的稳定电压,用于供给手机充电。
通过手机充电器原理图分析,我们可以看到其主要包括输入部分和输出部分。
输入部分包括电源插头、电源线和电源适配器,用于将交流电转换为直流电,并对电压进行调整。
输出部分包括输出线和USB插头,用于将调整后的直流电传输到手机进
行充电。
诺基亚USB 手机充电器AC-8C中山市技师学院 葛中海如图3-13所示为赛尔康技术(深圳)有限公司为诺基亚制造USB 手机充电器AC-8C 。
产品规格:输入AC100~240V ,50Hz-60Hz&150mA ;输出5V@600mA 。
图3-13 诺基亚USB 手机充电器AC-8C 如图3-14所示为诺基亚USB 手机充电器AC-8C 电路原理图。
由于充电器的输出功率较小、体积小,所以没有设置共模干扰抑制电路。
市电经保险1R (也叫熔断电阻,兼具电阻和保险丝的双重功能)输入,D 5~D 8桥式整流、1C 、1L 与2C 组成 型滤波电路;滤波后的电压经变压器M 1初级绕组加到开关管T 2(13003G )的集电极。
2L 是磁阻,抑制差模干扰。
图3-14 诺基亚USB 手机充电器AC-8C 电路原理图 满载时,AC110V 输入整流滤波后的直流平均电压约为160V ,如图3-15所示。
若是AC220V 输入,则整流滤波后的直流平均电压为AC110V 输入的2倍。
图3-15 AC110V 输入整流滤波电压波形 1.工作原理 初始上电时,电阻2R 和3R 给T 2提供启动电流,一旦启动工作,断开2R 和3R 系统仍能自激振荡,但断电后不能重新启动,故2R 和3R 称启动电阻。
T 2导通时,集电极电流C i 由零开始上升,主绕组(1-4)电感励磁储能,感应电压“上正下整流滤波电压 近似于锯齿波 直流电压平均值 基准电平 CH 1档位负”。
根据变压器同名端可知,辅助绕组(2-3)感应正极性电压,经阻容振荡电路(9R 、3C )加到T 2基极、加速其导通饱和;次级侧,二极管D 51截止。
T 2截止时,变压器绕组极性反转,辅助绕组形成使T 2基极电流减小的正反馈、加速其截止,3C 放电以准备进入下一个振荡周期;次级侧,二极管D 51导通,变压器次级释放能量供给负载。
在图3-14中,3C 充电时间设定了T 2导通的最大脉冲宽度。
手机万能充电器电路原理由于各型号手机所附带的充电器插口不同,所以造成各手机充电器之间不能通用。
当用户手机充电器损坏或丢失后,无法修复或购不到同型号充电器,使手机无法使用。
万能充电器厂家看到这样的商机,就开发生产出手机万能充电器,该充电器由于其体积小、携带方便,操作简单,价格便宜,适合机型多,深受用户的欢迎。
下面以深圳亚力通实业有限公司生产的四海通S538型万能充电器为例,介绍其工作原理和维修方法。
该充电器在市场上占有率较高,又没有随机附带电路图,给维修带来一定的难度,本文根据实物测绘出其工作原理图,见附图,供维修时参考。
四海通S538型万能充电器在外观设计上比较独特,面板上采用透明塑料制作的半椭圆形夹子,透明塑料面板上固定有两个距离可调节的不锈钢簧片作为充电电极。
面板的尾部并排有1个测试开关(极性转换开关)和4个状态指示灯,用户根据需要可以调节充电器电极距离和输出电压极性,并通过状态指示灯可方便看出电池的充电情况。
一、工作原理该充电器电路主要由振荡电路、充电电路、稳压保护电路等组成,其输入电压AC220V、50/60Hz、40mA,输出电压DC4.2V、输出电流在150mA~180mA。
在充电之前,先接上待充电池,看充电器面板上的测试指示灯是否亮?若亮,表示极性正确,可以接通电源充电;否则,说明电池的极性和充电器输出电压的极性是相反的,这时需要按一下极性转换开关AN1(测试键)才行。
具体电路原理如下。
1.振荡电路该电路主要由三极管VT2及开关变压器T1等组成。
接通电源后,交流220V 经二极管VD2半波整流,形成100V左右的直流电压。
该电压经开关变压器T的1-1初级绕组加到了三极管VT2的c极,同时该电压经启动电阻R4为VT2的b 极提供一个正向偏置电压,使VT2导通。
此时,三极管VT2和开关变压器T1组成的间歇振荡电路开始工作,开关变压器T的1-1初级绕组中有电流通过。
由于正反馈作用,在变压器T的1-2绕组感应的电压通过反馈电阻R1和电容C1加到VT2的b极,使三极管VT2的b极导通电流加大,迅速进人饱和区。
手机充电器电路图2随风吹去收集整理超力通手机旅行充电器适合给摩托罗拉308、328、338及368等系列手机电池充电。
该充电器具有镍镉、镍氢、锂离子电池充电转换开关,并具有放电功能。
在150~250V、40mA的交流市电输入时,可输出300±50mA电流。
该充电器采用了RCC振荡抑制型变换器,它与PWM型开关电源有一定的区别。
PWM型开关电源由独立的取样误差放大器和直流放大器组成脉宽调制系统;而RCC型开关电源只是由稳压器组成电平开关,控制过程为振荡状态和抑制状态。
由于PWM型开关电源中的开关管总是周期性的通断,系统控制只是改变每个周期的脉冲宽度,而RCC型开关电源的控制过程并非线性连续变化,它只有两个状态:当开关电源输出电压超过额定值时,脉冲控制器输出低电平,开关管截止;当开关电源输出电压低于额定值时,脉冲控制器输出高电平,开关管导通。
当负载电流减小时,滤波电容放电时间延长,输出电压不会很快降低,开关管处于截止状态,直到输出电压降低到额定值以下,开关管才会再次导通。
开关管的截止时间取决于负载电流的大小。
开关管的导通/截止由电平开关从输出电压取样进行控制。
因此这种电源也称非周期性开关电源。
220V市电经VD1~VD4桥式整流后在V2的集电极上形成一个300V左右的直流电压。
由V2和开关变压器组成间歇振荡器。
开机后,300V直流电压经过变压器初级加到V2的集电极,同时该电压还经启动电阻R2为V2的基极提供一个偏置电压。
由于正反馈作用,V2Ic迅速上升而饱和,在V2进入截止期间,开关变压器次级绕组产生的感应电压使VD7导通,向负载输出一个9V左右的直流电压。
开关变压器的反馈绕组产生的感应脉冲经VD5整流、C1滤波后产生一个与振荡脉冲个数呈正比的直流电压。
此电压若超过稳压管VD17的稳压值,VD17便导通,此负极性整流电压便加在V2的基极,使其迅速截止。
V2的截止时间与其输出电压呈反比。
VD17的导通/截止直接受电网电压和负载的影响。
专门找了几个例子,让大家看看。
自己也一边学习。
分析一个电源,往往从输入开始着手。
220V交流输入,一端经过一个4007半波整流,另一端经过一个10欧的电阻后,由10uF电容滤波。
这个10欧的电阻用来做保护的,如果后面出现故障等导致过流,那么这个电阻将被烧断,从而避免引起更大的故障。
右边的4007、4700pF电容、82KΩ电阻,构成一个高压吸收电路,当开关管13003关断时,负责吸收线圈上的感应电压,从而防止高压加到开关管13003上而导致击穿。
13003为开关管(完整的名应该是MJE13003),耐压400V,集电极最大电流1.5A,最大集电极功耗为14W,用来控制原边绕组与电源之间的通、断。
当原边绕组不停的通断时,就会在开关变压器中形成变化的磁场,从而在次级绕组中产生感应电压。
由于图中没有标明绕组的同名端,所以不能看出是正激式还是反激式。
不过,从这个电路的结构来看,可以推测出来,这个电源应该是反激式的。
左端的510KΩ为启动电阻,给开关管提供启动用的基极电流。
13003下方的10Ω电阻为电流取样电阻,电流经取样后变成电压(其值为10*I),这电压经二极管4148后,加至三极管C945的基极上。
当取样电压大约大于1.4V,即开关管电流大于0.14A时,三极管C945导通,从而将开关管13003的基极电压拉低,从而集电极电流减小,这样就限制了开关的电流,防止电流过大而烧毁(其实这是一个恒流结构,将开关管的最大电流限制在140mA左右)。
变压器左下方的绕组(取样绕组)的感应电压经整流二极管4148整流,22uF电容滤波后形成取样电压。
为了分析方便,我们取三极管C945发射极一端为地。
那么这取样电压就是负的(-4V左右),并且输出电压越高时,采样电压越负。
取样电压经过6.2V稳压二极管后,加至开关管13003的基极。
前面说了,当输出电压越高时,那么取样电压就越负,当负到一定程度后,6.2V稳压二极管被击穿,从而将开关13003的基极电位拉低,这将导致开关管断开或者推迟开关的导通,从而控制了能量输入到变压器中,也就控制了输出电压的升高,实现了稳压输出的功能。
手机万能充电器由于各型号手机所附带的充电器插口不同,以造成各手机充电器之间不能通用。
当用户手机充电器损坏或丢失后,无法修复或购不到同型号充电器,使手机无法使用。
万能充电器厂家看到这样的商机,就开发生产出手机万能充电器,该充电器由于其体积小、携带方便,操作简单,价格便宜,适合机型多,深受用户的欢迎。
下面以深圳亚力通实业有限公司生产的四海通S538型万能充电器为例,介绍其工作原理和维修方法。
该充电器在市场上占有率较高,又没有随机附带电路图,给维修带来一定的难度,本文根据实物测绘出其工作原理图,见附图,供维修时参考。
四海通S538型万能充电器在外观设计上比较独特,面板上采用透明塑料制作的半椭圆形夹子,透明塑料面板上固定有两个距离可调节的不锈钢簧片作为充电电极。
面板的尾部并排有1个测试开关(极性转换开关)和4个状态指示灯,用户根据需要可以调节充电器电极距离和输出电压极性,并通过状态指示灯可方便看出电池的充电情况。
一、工作原理该充电器电路主要由振荡电路、充电电路、稳压保护电路等组成,其输入电压AC220V、50/60Hz、40mA,输出电压DC4.2V、输出电流在150mA~180mA。
在充电之前,先接上待充电池,看充电器面板上的测试指示灯TEST是否亮。
若亮,表示极性正确,可以接通电源充电;否则,说明电池的极性和充电器输出电压的极性是相反的,这时需要按一下极性转换开关AN1(测试键)才行。
具体电路原理如下。
1.振荡电路该电路主要由三极管VT2及开关变压器T1等组成。
接通电源后,交流220V经二极管VD2半波整流,形成100V左右的直流电压。
该电压经开关变压器T 1-1初级绕组加到了三极管VT2的c极,同时该电压经启动电阻R4为VT2的b极提供一个正向偏置电压,使VT2导通。
此时,三极管VT2和开关变压器T1组成的间歇振荡电路开始工作,开关变压器T1-1初级绕组中有电流通过。
由于正反馈作用,在变压器T 1-2绕组感应的电压通过反馈电阻R1和电容C1加到VT2的b极,使三极管VT2的b极导通电流加大,迅速进人饱和区。
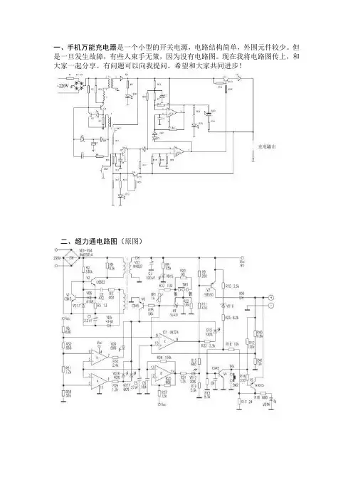
一、手机万能充电器是一个小型的开关电源,电路结构简单,外围元件较少。
但是一旦发生故障,有些人束手无策,因为没有电路图。
现在我将电路图传上,和大家一起分享。
有问题可以向我提问。
希望和大家共同进步!二、超力通电路图(原图)三、我修改过的图纸(我认为原图可能有错误)四、超力通电路原理该充电器具有镍镉、镍氢、锂离子电池充电转换开关,并具有放电功能。
在150~250V、40mA的交流市电输入时,可输出300±50mA的直流电流。
该充电器采用了RCC型开关电源,即振荡抑制型变换器,它与PWM型开关电源有一定的区别。
PWM型开关电源由独立的取样误差放大器和直流放大器组成脉宽调制系统;而RCC型开关电源只是由稳压器组成电平开关,控制过程为振荡状态和抑制状态。
由于PWM型开关电源中的开关管总是周期性的通断,系统控制只是改变每个周期的脉冲宽度,而RCC型开关电源的控制过程并非线性连续变化,它只有两个状态:当开关电源输出电压超过额定值时,脉冲控制器输出低电平,开关管截止;当开关电源输出电压低于额定值时,脉冲控制器输出高电平,开关管导通。
当负载电流减小时,滤波电容放电时间延长,输出电压不会很快降低,开关管处于截止状态,直到输出电压降低到额定值以下,开关管才会再次导通。
开关管的截止时间取决于负载电流的大小。
开关管的导通/截止由电平开关从输出电压取样进行控制。
因此这种电源也称非周期性开关电源。
220V市电经VD1~VD4桥式整流后在V2的集电极上形成一个300V左右的直流电压。
由V2和开关变压器组成间歇振荡器。
开机后,300V直流电压经过变压器初级加到V2的集电极,同时该电压还经启动电阻R2为V2的基极提供一个偏置电压。
由于正反馈作用,V2 Ic 迅速上升而饱和,在V2进入截止期间,开关变压器次级绕组产生的感应电压使VD7导通,向负载输出一个9V左右的直流电压。
开关变压器的反馈绕组产生的感应脉冲经VD5整流、C1滤波后产生一个与振荡脉冲个数呈正比的直流电压。
一、手机万能充电器是一个小型的开关电源,电路结构简单,外围元件较少。
但是一旦发生故障,有些人束手无策,因为没有电路图。
现在我将电路图传上,和大家一起分享。
有问题可以向我提问。
希望和大家共同进步!二、超力通电路图(原图)三、我修改过的图纸(我认为原图可能有错误)四、超力通电路原理该充电器具有镍镉、镍氢、锂离子电池充电转换开关,并具有放电功能。
在150~250V、40mA的交流市电输入时,可输出300±50mA的直流电流。
该充电器采用了RCC型开关电源,即振荡抑制型变换器,它与PWM型开关电源有一定的区别。
PWM型开关电源由独立的取样误差放大器和直流放大器组成脉宽调制系统;而RCC型开关电源只是由稳压器组成电平开关,控制过程为振荡状态和抑制状态。
由于PWM型开关电源中的开关管总是周期性的通断,系统控制只是改变每个周期的脉冲宽度,而RCC型开关电源的控制过程并非线性连续变化,它只有两个状态:当开关电源输出电压超过额定值时,脉冲控制器输出低电平,开关管截止;当开关电源输出电压低于额定值时,脉冲控制器输出高电平,开关管导通。
当负载电流减小时,滤波电容放电时间延长,输出电压不会很快降低,开关管处于截止状态,直到输出电压降低到额定值以下,开关管才会再次导通。
开关管的截止时间取决于负载电流的大小。
开关管的导通/截止由电平开关从输出电压取样进行控制。
因此这种电源也称非周期性开关电源。
220V市电经VD1~VD4桥式整流后在V2的集电极上形成一个300V左右的直流电压。
由V2和开关变压器组成间歇振荡器。
开机后,300V直流电压经过变压器初级加到V2的集电极,同时该电压还经启动电阻R2为V2的基极提供一个偏置电压。
由于正反馈作用,V2 Ic 迅速上升而饱和,在V2进入截止期间,开关变压器次级绕组产生的感应电压使VD7导通,向负载输出一个9V左右的直流电压。
开关变压器的反馈绕组产生的感应脉冲经VD5整流、C1滤波后产生一个与振荡脉冲个数呈正比的直流电压。
手机充电器电子电路原理分析及图解分析一个电源,往往从输入开始着手。
220V交流输入,一端经过一个4007半波整流,另一端经过一个10欧的电阻后,由10uF电容滤波。
这个10欧的电阻用来做保护的,如果后面出现故障等导致过流,那么这个电阻将被烧断,从而避免引起更大的故障。
右边的4007、4700pF电容、82KΩ电阻,构成一个高压吸收电路,当开关管13003关断时,负责吸收线圈上的感应电压,从而防止高压加到开关管13003上而导致击穿。
13003为开关管(完整的名应该是MJE13003),耐压400V,集电极最大电流1.5A,最大集电极功耗为14W,用来控制原边绕组与电源之间的通、断。
当原边绕组不停的通断时,就会在开关变压器中形成变化的磁场,从而在次级绕组中产生感应电压。
由于图中没有标明绕组的同名端,所以不能看出是正激式还是反激式。
不过,从这个电路的结构来看,可以推测出来,这个电源应该是反激式的。
左端的510KΩ为启动电阻,给开关管提供启动用的基极电流。
13003下方的10Ω电阻为电流取样电阻,电流经取样后变成电压(其值为10*I),这电压经二极管4148后,加至三极管C945的基极上。
当取样电压大约大于1.4V,即开关管电流大于0.14A时,三极管C945导通,从而将开关管13003的基极电压拉低,从而集电极电流减小,这样就限制了开关的电流,防止电流过大而烧毁(其实这是一个恒流结构,将开关管的最大电流限制在140mA左右)。
变压器左下方的绕组(取样绕组)的感应电压经整流二极管4148整流,22uF电容滤波后形成取样电压。
为了分析方便,我们取三极管C945发射极一端为地。
那么这取样电压就是负的(-4V左右),并且输出电压越高时,采样电压越负。
取样电压经过6.2V稳压二极管后,加至开关管13003的基极。
前面说了,当输出电压越高时,那么取样电压就越负,当负到一定程度后,6.2V稳压二极管被击穿,从而将开关13003的基极电位拉低,这将导致开关管断开或者推迟开关的导通,从而控制了能量输入到变压器中,也就控制了输出电压的升高,实现了稳压输出的功能。
苹果iphone55s充电器(A1443)及电路原理图苹果iphone5/5s充电器(A1443)及电路原理图笔者花费许多时间,在同事的帮助下把我的iphone5原配充电器拆解开来,经过艰苦卓绝地测试、分析,终于艰难地反绘出其电路原理图。
由于许多元件⾮常⼩,常常是0402封装,故这些元件没法给出参数。
电阻参数部分是根据其3位或4位数码(标识法)推出,部分是测试得到,可能不准确。
(整流后滤波电压155V是市电经2:1隔离变压器降压为AC110V时测出)FAN301H是Fairchild公司出品的另外⼀种型号的原边反馈控制器,功能与FAN104W相似。
本电路负载输出电流在 1A以下时按恒压(CV)调节设计,次级侧采⽤电阻偏置分压(次级元件⽆编号:上偏置电阻为100kΩ,下偏置为两个电阻并联,等效电阻为31.8kΩ)检测输出电压,加到基准稳压源(Y3HU类似TL431,参考电压为1.25V)参考端,控制光耦构成的稳压反馈信号。
稳定输出电压为VO=1.25 *(1+100k/31.8)=5.18V注:实测Y3HU参考电压为1.23V,因此实际输出电压约为5.1V。
THR1是热敏电阻,常温时阻值较⼤,与R19//R21串联为Q2提供基极电流太⼩,可以忽略不计,Q2近乎截⽌。
此时,R17与R10//R11(≈R10)串联,经C4滤波加到IC1的4脚,作为原边反馈电流感测信号。
若因充电使充电器内环境温度升⾼,Q2开始导通, Q2与R17串联,然后与R12并联,再与R10//R11串联,加到IC1的4脚,⽐常温时电压升⾼,输出电流下降,减⼩输出功率,降低充电器温升。
其典型应⽤电路如下图。
拆解图⽚:⾼压板(可见控制器FAN301H,整流桥堆,过温保护三极管Q2等元件)⾼压板内⾯(可见被绝缘薄膜包裹的开关管,初级滤波电感,RCD吸收电路的阻容等元件),由于我操作不慎,温度电阻THR1被搞丢,也因为元件太⼩,我把MOS管源极检测电流的电阻R5(标记为100,即10欧姆)焊接掉,专门测试R4(标记为I7Y)的阻值,完了,再把R5焊上时焊锡过多。