本特利振动探头的动态校验(线性度)
- 格式:doc
- 大小:32.50 KB
- 文档页数:3
甲醇合成器压缩机振动探头校验记录表1、确认探头、前置器编号:探头S/N:前置器S/N:注:探头和前置器是相互匹配的,若与其他的探头和前置器相互更换,需重新拉线性。
校验装置:TK-3e2、万用表接线:(-24)、(Com---万用表笔的负)、(Out ---万用表笔的正)3、参数记录(手操校验台就地做):1)校验装置(TK-3e)通电,固定探头,安装间隙电压在-8VDC至-12VDC之间。
2)万用表打至交流电压档测前置器Com、Out信号电压,测得对应振动的电压变化数值(万用表测得为有效值)。
3)校验装置(TK-3e)按下开关按钮至i位,通电,转盘旋转,通过调节探头固定支架的前后左右位置,使振动示值变化。
探头针对转盘中心振动值最小,向转盘外缘移动,振动值逐渐增大,向中心移动逐渐减小。
甲醇合成器压缩机5103X 振动探头校验记录表 安装间隙电压: -9.71VDC,灵敏度:7.87V/mm DCS 画面示值μm 24 49 76 102 测量电压mv(AC) 60 129 203 272 验证电压mv(AC)67128212284甲醇合成器压缩机5103X振动探头校验记录表50100150200250300244976102画面示值(μm)电压(m V )测量电压验证电压甲醇合成器压缩机5103Y 振动探头校验记录表 安装间隙电压: -10.58VDC, 灵敏度:7.87V/mm DCS 画面示值μm 24 49 74 101 测量电压mv(AC) 59 128 199 271 验证电压mv(AC)67128206281甲醇合成器压缩机5103Y振动探头校验记录表50100150200250300244974101画面示值(μm)电压(m V )测量电压验证电压甲醇合成器压缩机5104X 振动探头校验记录表 安装间隙电压: -9.86VDC, 灵敏度:7.87V/mm DCS 画面示值μm 25 49 75 99 测量电压mv(AC) 56 122 192 258 验证电压mv(AC)70136208275甲醇合成器压缩机5104X振动探头校验记录表5010015020025030025497599画面示值(μm)电压(V )测量电压mv(AC)验证电压mv(AC)甲醇合成器压缩机5103Y 振动探头校验记录表 安装间隙电压: -10.32VDC, 灵敏度:7.87V/mm DCS 画面示值μm 26 50 74 99 测量电压mv(AC) 67 132 197 265 验证电压mv(AC)72139206276甲醇合成器压缩机5103Y振动探头校验记录表5010015020025030026507499画面示值(μm)电压(m V )测量电压验证电压注:DCS 画面显示的振动值为峰-峰值(设为A ),万用表测前置器Com 、Out 信号电压为交流电压有效值(设为U),探头灵敏度设为k;函数关系为:U= KA/22;K=7.87V/mm;例如: 5103X 振动探头校验记录表,DCS 画面示值49μm ,计算对应信号电压有效值。
轴振动和轴位移检测仪检查校验规程1 总则1.1主题内容与适用范围1.1.1本规程规定适用于四川石化的机组的轴振动和轴位移检测仪表的维护检修要求1.1.2本规程适用于本特利公司(BENTLY-NEVEDA)7200、3300系列探头直径为5mm、8mm、11mm、14mm非接触趋近电涡流式轴振动和轴位移检测仪表和3500检测系统。
其他系列非接触趋近电涡流式仪表可参照执行。
1.2 编写修订依据美国石油学会API标准670第二版《振动、轴向位置和轴承温度监测系统》本特利公司产品操作手册和维修手册2压缩机探头安装方法2.1前言压缩机探头(电涡流传感器)仪表安装的一直以来是一项繁琐、难度大、需密切配合的工作。
做好这项工作我们应有一丝不苟、不屈不挠、聚思广益的精神。
同时较高的安装质量是机组安全运行的基本保障安装探头时,2.2探头分类和工作原理2.2.1在不同的使用条件下探头的选型不同,探头型号繁多,但总体探头有三种类型的传感器涡,分别是涡流式趋近式传感器,速度计(Velomitor)速度传感器和加速度传感器.2.2.2趋近式传感器工作原理,当探头顶部的线圈加上高频电流并与一导电表面靠近时,由于线圈磁力的作用,使导电物体表面产生涡流,从而使线圈的电感量减小。
线圈特性的这个变化被转换为直流电压信号输出。
2.2.3速度计速度传感器工作原理,VelomitorVelomitor Velomitor®传感器是一种压电式速度传感器,其感应元件是一个压电陶瓷的剪切模式器件和电子元件;当感受到机器振动时,会在压电陶瓷上施加一个作用力,从而产生一个正比于该作用力的信号。
传感器内部将该信号放大并积分产生一个正比于速度的低噪声输出信号。
2.2.4加速度计速度传感器工作原理,压电式加速度传感器由一个压电陶瓷剪切模态元件和电子器件组4成。
当感受到机器振动时,该质量/弹簧系统会在压电陶瓷上施加一个作用力,从而产生一个正比于该作用力的电信号;传感器的电子器件把这个电信号转换成电压输送到本特利内华达监测系统。
本特利探头检测及安装作业指导说明编号:目录1. 目的 (2)2. 范围 (2)3. 定义 (2)4. 参考文献 (2)5. 说明指导 (3)5.1 探头检查及更换. (3)5.2 探头安装 (6)6. 注意事项 (6)1. 目的此作业指导的目的是提供操作步骤对于本特利探头的检查、安装、更换在旋转设备上。
2. 适用范围此作业指导适用范围包含所有本特利探头应用于旋转设备上状态监视及仪表连锁系统含振动、位移、键相、转速3. 定义本特利探头: 本特利公司制造的电涡流传感器应用于检测振动、位移、键相、速度延长电缆: 一根同轴电缆连接在传感器和前置器之间前置器: 一个转换设备把从探头来的信号传送到3500监测系统TK3: 一种校验本特利探头静态及动态特征曲线的专用工具4. 参考文献本特利说明书:1, 3300XL 8mm 电涡流传感器2, 3300 5mm, 8mm 电涡流传感器3, 3500/25 键相卡4, 3500/40 振动卡5, 3500/42 振动及位移卡6, 3500/50 转速卡5. 说明指导5.1 探头检查及更换.5.1.1 所有探头安装前都需要做检查.5.1.2 Beside linearity verification, dynamic verification should be done for the probesused in vibration.5.1.3 在做检查前确保探头、延长电缆、前置器相互匹配(5M系统、9M系统)5.1.4 被测量探头电阻值应在本特利探头说明书规定范围内,列表如下:8mm 探头11mm 探头65.1.5被测量延长电缆电阻值应在本特利延长电缆说明书规定范围内,列表如下:8mm 延长电缆11mm延长电缆5.1.6 当使用延长电缆时在线芯与外导体测量总电阻其值应小于以下值:8 mm 探头: 8.75+/-0.7Ohms 5m系统9.87+/-0.9 Ohms 9m系统11 mm 探头: 7.2+/-0.9Ohms f5m系统8.5+/-1.2 Ohms 9m系统5.1.7 按照图5.1的方式连接探头、延长电缆、前置器、TK3 ,调整千分尺每间隔0.25mm, 记录间隙电压值在事先准备好的校验表中,绘制校验曲线如图5.25.1.8 检查测量值是否符合本特利系统要求值,如果测量值超过本特利系统要求值,此探头不合格不能被安装使用。
本特利探头及卡件介绍本特利内华达的电涡流传感器。
用于大多数涡流机械的永久监测,它们测量实际的轴运动,这是反映机器受力的可靠指标。
3300 XL 8 mm 电涡流传感器系统:这种电涡流传感器系统提供最大80 mils (2 mm)线性范围和200 mV/mil的输出。
它在大多数机械监测应用中用于径向振动、轴向(侧向)位移、转速和相位(Keyphasor® )测量,并符合美国石油协会标准670第4版的要求。
有多种螺纹尺寸、探头配置和安装附件可供选择。
3300 XL 11 mm 电涡流传感器系统:这种电涡流传感器系统专门用于当我们8 mm传感器的80 mil (2 mm)线性范围不能满足要求时的场合。
11 mm 电涡流传感器系统提供最大180 mils (4 mm)的线性范围和100 mV/mil的输出,主要用于要求大线性范围的轴向(测向)位移、转速、差胀以及往复式压缩机活塞杆位置(下落)测量。
有多种螺纹尺寸、探头配置和安装附件可供选择。
3300 5 mm / 8 mm 电涡流传感器系统:这种电涡流传感器系统是我们的3300 XL 8 mm 系统的前一代产品,我们推荐在所有新的和备件应用中使用3300 XL 8 mm系统。
8 mm XL 探头、电缆和前置器和旧的 3300 系列产品具有互换性。
当8 mm探头的端部直径和相应的螺纹尺寸不适用时,也可以使用5 mm探头。
有多种螺纹尺寸、探头配置和安装附件可供选择。
3300 XL NSv™ 电涡流传感器系统:这种电涡流传感器系统具有5mm端部直径和60 mils (1.5 mm)的更短线性范围,适用于被测靶面区域小、侧视或沉孔间隙减小以及其它限制使用我们标准的 5 mm / 8 mm 电涡流传感器的情况。
3300 16 mm 高温电涡流传感器系统:这种电涡流传感器系统用于最高350℃ (662°F)的高温环境,如温度超过我们标准电涡流探头和电缆能够承受的极限的某些燃气和蒸汽轮机应用。
1传感器的安装与调试1.1轴承振动传感器探头的安装6个φ8 mm灵敏度为7.87 V/rnm的涡流探头分别装于1号、2号、3号轴承处。
每个轴承处安装两只互成90°,垂直于轴承,探头与水平方向的夹角为45°,分别测量X、Y方向上的振动。
一般涡流传感器,涡流影响范围约为传感器线圈直径的三倍,因此传感器对应的测量宽度应为传感器直径的三倍,而且在传感器空间24mm范围内不应有其它金属物存在,否则会带来误差。
安装间隙电压应为传感器输出特性曲线确定的线形中点位而定,φ8 mm灵敏度为7.87 V/mm的探头,安装间隙电压为-9.75 V或1.2 mm左右。
由于传感器线形电压范围大大超过测量范围,所以安装间隙允许有较大的偏差,只要保证测量范围在线形段内即可,但为了满足故障诊断和可靠性的需要,一般要求安装电压9.75土0.2 V。
1.2轴向位移、高低压差胀传感器的安装轴向位移测的是推力轴承相对汽缸的轴向位移,在机组运行过程中,使动静部件之间保持一定的轴向间隙,避免汽轮机内部转动部件和静止部件之间发生摩擦和碰撞。
两只轴向位移传感器探头安装在2号轴承处,分别装于甲乙两侧,探头朝向低压缸方向安装探头型号为7200型φ14mm探头,灵敏度为3.937V/mm,前臵器供电电压为-24V。
大轴相对于汽缸的设计零点为止推轴承靠在工作瓦面为大轴零位。
在安装轴向位移和低压差胀传感器前,首先要把大轴推到零位,然后按要求安装。
轴向位移的量程范围为-2 mm一+ 2 mm,安装电压-9.75土0.2 V沾化电厂汽轮机膨胀相对死点在2号轴承处,高压缸转子膨胀在以2号轴承处为相对死点向前箱方向膨胀,低压缸转子膨胀在以2轴承处为相对死点向发电机方向膨胀。
高低压差胀探头为不带前臵器φ25 mm涡流探头,灵敏度为0.8 V/ mm,因为高低压差胀都是朝着发电机方向安装,要使高低缸差胀测量范围均在线形范围之内,按照探头线性中点及量程范围- 2--10 mm定位。
3300 XL 8mm 本特利振动探头概述传感器系统3300 XL 8 mm 电涡流传感器系统由以下几部分组成:• 3300 XL 8mm 探头 • 3300 XL 延伸电缆 •3300 XL 前置器1系统输出正比于探头端部与被测导体表面之间的距离的电压信号。
它既能进行静态(位移)测量又能进行动态(振动)测量,主要用于油膜轴承机械的振动和位移测量,以及键相位和转速测量2。
3300 XL8mm 系统是我们性能最先进的电涡流传感器系统,100%符合美国石油学会(API )为这类传感器制定的670标准(第四版)。
所有的3300 XL 8mm 电涡流传感器系统都能达到规定的性能标准,并且探头、延伸电缆和前置器具有完全可互换性,不需要单独的匹配组件或工作台校准。
3300 XL 8mm 传感器系统的每一个组件都是向后兼容的,并且和其它的非XL 3300系列的5mm 和8mm 传感器系统组件3可互换4。
例如,当没有足够的空间安装8mm 探头时,通常使用3300 5mm 探头来代替5,6。
前置器与以前的前置器相比,3300 XL 前置器有重大的改进。
它既可以采用紧凑的导轨安装,也可以采用传统的面板安装。
当采用面板安装时,其安装孔位置与以前四孔安装的3300前置器相同。
两种形式的安装基板均具有电绝缘性,不需要独立的绝缘板。
3300 XL 前置器抗无线电干扰能力强,即使安装在玻璃纤维防护罩中,也不会受到附近无线电信号的干扰。
改进的RFI/EMI 抗辐射能力使它不需要特殊的屏蔽导管或金属防护箱就可以达到欧洲电磁兼容性标准,从而减少了安装费用,降低了安装的复杂性。
上海立拓实业有限公司代理本特利振动探头联系人:段思齐13501944516 QQ:1285675908电话:021-61536361 传真:021-503521093300 XL的SpringLoc 端子带不需要特殊的安装工具即可紧固。
由于不需要螺丝紧固,不会发生松动,所以连线更坚固。
本特利探头检测及安装作业指导说明编号:目录1. 目的 (2)2. 范围 (2)3. 定义 (2)4. 参考文献 (2)5. 说明指导 (3)5.1 探头检查及更换. (3)5.2 探头安装 (6)6. 注意事项 (6)1. 目的此作业指导的目的是提供操作步骤对于本特利探头的检查、安装、更换在旋转设备上。
2. 适用范围此作业指导适用范围包含所有本特利探头应用于旋转设备上状态监视及仪表连锁系统含振动、位移、键相、转速3. 定义本特利探头: 本特利公司制造的电涡流传感器应用于检测振动、位移、键相、速度延长电缆: 一根同轴电缆连接在传感器和前置器之间前置器: 一个转换设备把从探头来的信号传送到3500监测系统TK3: 一种校验本特利探头静态及动态特征曲线的专用工具4. 参考文献本特利说明书:1, 3300XL 8mm 电涡流传感器2, 3300 5mm, 8mm 电涡流传感器3, 3500/25 键相卡4, 3500/40 振动卡5, 3500/42 振动及位移卡6, 3500/50 转速卡5. 说明指导5.1 探头检查及更换.5.1.1 所有探头安装前都需要做检查.5.1.2 Beside linearity verification, dynamic verification should be done for the probesused in vibration.5.1.3 在做检查前确保探头、延长电缆、前置器相互匹配(5M系统、9M系统)5.1.4 被测量探头电阻值应在本特利探头说明书规定范围内,列表如下:8mm 探头11mm 探头65.1.5被测量延长电缆电阻值应在本特利延长电缆说明书规定范围内,列表如下:8mm 延长电缆11mm延长电缆5.1.6 当使用延长电缆时在线芯与外导体测量总电阻其值应小于以下值:8 mm 探头: 8.75+/-0.7Ohms 5m系统9.87+/-0.9 Ohms 9m系统11 mm 探头: 7.2+/-0.9Ohms f5m系统8.5+/-1.2 Ohms 9m系统5.1.7 按照图5.1的方式连接探头、延长电缆、前置器、TK3 ,调整千分尺每间隔0.25mm, 记录间隙电压值在事先准备好的校验表中,绘制校验曲线如图5.25.1.8 检查测量值是否符合本特利系统要求值,如果测量值超过本特利系统要求值,此探头不合格不能被安装使用。
本特利探头、前置器维护与检修规程1.11主题内容与适用范围本规程规定了旋转机械状态监测系统探头及前置器的维护、检修、投运及其安全注意事项的具体技术要求和实施程序。
本规程适用于我公司使用的本特利的探头及前置器,其他非接触趋近电涡流系列仪表亦可参照执行。
1.2工作原理仪表测量采用趋近电涡流原理,探头由通有高频信号的线圈构成,被测轴金属表面与探头相对位置变化时,形成的电涡流大小改变,使探头内高频信号能量损失大小变化,这个变化信号通过前置器转换成与位置变化相对应的电压信号送到监测器显示或报警。
1.3系统组成本特利非接触趋近式电涡流系列仪表是指趋近式探头、延伸电缆、前置器(振荡-解调器)、信号电缆等,如图25.1所示。
图25.1本特利非接触式电涡流传感器1.4技术标准D灵敏度轴振动通道的灵敏度为7.874V∕mm,在2mm的工作范围内,误差不大于±5%;轴位移通道的灵敏度为7.874V∕mm,在2mm的工作范围内,非线性偏差不大于25.4μm o在下列的允许工作温度范围内,温度变化影响的最大附加误差不大于仪表使用范围的5%o 2)工作温度范围探头和延伸电缆:-34-177o C;前置器:-34-660C o1.5完好条件25.5.1零部件完整,符合技术要求1)铭牌应清晰无误。
2)壳体封装及引线和端子应完好、齐全。
3)端子接线应牢靠。
4)断开前置放大器输入端接线,用万用表检查信号电缆屏蔽层接地良好信号线问及对地绝缘电阻应大于5MΩo25.5.2运行正常,符合技术要求1)运行时,探头、前置器应达到规定的性能指标。
2)探头间隙电压应稳定可靠。
25.5.3设备及环境整洁,符合工作要求1)探头及组成电缆组件完整无损,接头无氧化锈蚀,端部的保护层不应有碰伤或剥落的痕迹,紧固件齐全好用,接线盒无损坏。
2)延伸电缆完整、无短路、无开路、接头无氧化锈蚀,保护层无破损。
3)前置器完整无损,安装盒无脱漆、变形和密封不良现象。
本特利3300系列传感器仪表(轴系仪表)一、工作原理及组成1、工作原理:根据法拉第电磁感应原理,块状金属导体置于变化的磁场中或在磁场中作切割磁力线运动时,导体内将产生呈涡旋状的感应电流,此电流叫电涡流,以上现象称为电涡流效应。
而根据电涡流效应制成的传感器称为电涡流式传感器。
前置器中高频振荡电流通过延伸电缆流入探头线圈,在探头头部的线圈中产生交变的磁场。
当被测金属体靠近这一磁场,则在此金属表面产生感应电流,与此同时该电涡流场也产生一个方向与头部线圈方向相反的交变磁场,由于其反作用,使头部线圈高频电流的幅度和相位得到改变(线圈的有效阻抗),这一变化与金属体磁导率、电导率、线圈的几何形状、几何尺寸、电流频率以及头部线圈到金属导体表面的距离等参数有关。
通常假定金属导体材质均匀且性能是线性和各项同性,则线圈和金属导体系统的物理性质可由金属导体的电导率б、磁导率ξ、尺寸因子τ、头部体线圈与金属导体表面的距离D、电流强度I和频率ω参数来描述。
则线圈特征阻抗可用Z=F(τ, ξ, б, D, I, ω)函数来表示。
通常我们能做到控制τ, ξ, б, I, ω这几个参数在一定范围内不变,则线圈的特征阻抗Z就成为距离D的单值函数,虽然它整个函数是一非线性的,其函数特征为“S”型曲线,但可以选取它近似为线性的一段。
于此,通过前置器电子线路的处理,将线圈阻抗Z的变化,即头部体线圈与金属导体的距离D的变化转化成电压或电流的变化。
输出信号的大小随探头到被测体表面之间的间距而变化,电涡流传感器就是根据这一原理实现对金属物体的位移、振动等参数的测量。
电涡流式传感器最大的特点是能对位移、厚度、表面温度、速度、应力、材料损伤等进行非接触式连续测量,另外还具有体积小,灵敏度高,频率响应宽等特点,应用极其广泛。
系统输出正比于探头端部与被测导体表面之间的距离的电压信号。
它既能进行静态(位移)测量又能进行动态(振动)测量,主要用于油膜轴承机械的振动和位移测量,以及键相位和转速测量。
第一节轴振动和轴位移检测仪1 总则1.1主题内容与适用范围1.1.1本规程规定专机的轴振动和轴位移检测仪表的维护检修要求1.1.2本规程适用于本特利公司(BENTLY-NEVEDA)7200、3300系列探头直径为5mm、8mm、11mm、14mm非接触趋近电涡流式轴振动和轴位移检测仪表和3500检测系统。
其他系列非接触趋近电涡流式仪表可参照执行。
1.2 编写修订依据美国石油学会API标准670第二版《振动、轴向位置和轴承温度监测系统》《3500/40位移监测器模块》《3500/20框架接口模块》本特利公司产品操作手册和维修手册2 3300系列2.1 概述2.1.1 系统组成本特利3300 系列仪表是由趋近式探头、延伸电缆、前置器(振荡-解调器)、信号电缆、监测器所组成的系统。
2.1.2 工作原理仪表测量采用趋近电涡流原理。
探头由通有高频信号的线圈构成,被测轴金属表面与探头相对位置变化时,形成的电涡流大小改变,使探头内高频信号能量损失大小变化,这个变化信号通过前置器转换成与位置变化相对应的电压信号送到监测器显示或报警。
2.2 技术标准轴振动通道的灵敏度为7.874V/mm,在2mm的工作范围内,误差不大于±5%。
轴位移通道的灵敏度为7.874V/mm,在2mm的工作范围内,非线性偏差不大于25.4µm。
在下列的允许工作温度范围内,温度变化影响的最大附加误差不大于仪表使用范围的5%。
工作温度范围:a.探头和延伸电缆:-34~177℃;b.前置器:-34~66℃;c.监测器和电源:-29~66℃。
2.3 检查效验2.3.1 检查项目2.3.1.1 探头及组成电缆组件完整无损,接头无氧化锈蚀,端部的保护层不应有碰伤或剥落的痕迹,紧固件齐全好用,接线盒无损坏。
2.3.1.2 延伸电缆完整、无短路、无开路、接头无氧化锈蚀,保护层无破损。
2.3.1.3 前置器完整无损,安装盒无脱落变形和密封不良现象,前置器与安装盒之间需有良好的绝缘层。
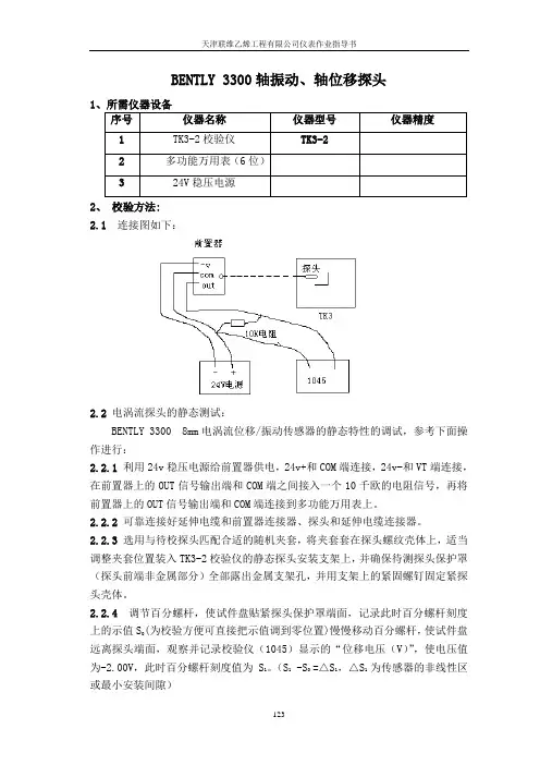
BENTLY 3300轴振动、轴位移探头12、校验方法:2.1 连接图如下:2.2电涡流探头的静态测试:BENTLY 3300 8mm电涡流位移/振动传感器的静态特性的调试,参考下面操作进行:2.2.1利用24v稳压电源给前置器供电,24v+和COM端连接,24v-和VT端连接,在前置器上的OUT信号输出端和COM端之间接入一个10千欧的电阻信号,再将前置器上的OUT信号输出端和COM端连接到多功能万用表上。
2.2.2可靠连接好延伸电缆和前置器连接器、探头和延伸电缆连接器。
2.2.3选用与待校探头匹配合适的随机夹套,将夹套套在探头螺纹壳体上,适当调整夹套位置装入TK3-2校验仪的静态探头安装支架上,并确保待测探头保护罩(探头前端非金属部分)全部露出金属支架孔,并用支架上的紧固螺钉固定紧探头壳体。
2.2.4 调节百分螺杆,使试件盘贴紧探头保护罩端面,记录此时百分螺杆刻度上的示值S(为校验方便可直接把示值调到零位置)慢慢移动百分螺杆,使试件盘远离探头端面,观察并记录校验仪(1045)显示的“位移电压(V)”,使电压值为-2.00V,此时百分螺杆刻度值为S1。
(S1-S=△S1,△S1为传感器的非线性区或最小安装间隙)2.2.5根据检测传感器的量程,可将传感器的满量程线性区等分成十个点,以便等间距改变探头端面和试件盘的间隙,传感器输出的等间距电压值通过校验仪(1045)直接读数。
可根据测试数据计算传感器的灵敏度、灵敏度偏差、非线性误差。
电涡流传感器的输出特性可用位移-电压曲线表示,如下图所示。
其中,图示的横坐标表示位移的变化,纵坐标代表前置器输出电压的变化。
理想位移-电压曲线是斜率恒定直线,直线的a-c段为线性区,即有效测量段。
b点为传感器线性中点。
下图为典型的8mm探头位移电压特性曲线(负特性输出)。
横坐标表示以毫米为单位的位移的变化,纵坐标代表以负伏特为单位的前置器输出电压的变化。
探头位移电压特性曲线图。
本特利3500系统介绍及探头安装、调试【摘要】本文介绍本特利3500系统软硬件结构,以及各传感器的测量原理,同事根据笔者多年工作经验对传感器探头的安装与调试进行说明,供大家参考与学习。
【关键词】本特利3500;轴振;轴向位移;电涡流传感器随着机组容量的增大,汽轮机安全监视与保护,已成为汽轮机的重要组成部分;同时,对汽轮机的各种安全装置的动作的准确性和可靠性提出了更高的要求。
汽轮机的安全检测系统是对汽机的转速、轴承振动、轴向位移、高低压缸差胀、盖振、偏心、绝对膨胀进行时实监测,并当某一参数越限时,监测系统及时的发出报警或跳机信号,保护汽轮机设备运行安全。
耒阳电厂汽轮机安全监测系统使用了本特利3500型监测系统,其方便的软件组态形式和可靠硬件质量,将为电厂的安全运行提供了有力保障,本人根据多年工作经验跟大家分享一下本特利3500系统结构以及传感器的安装与调试。
一、系统结构1.1仪表框架部分仪表框架部分包括:电源输入模块1个,框架接口模块模块1个,两通道键相监测模块1个,四通道电涡流位移传感器或速度加速度传感器监测模块4个、四通道差胀或轴向位移监测模块2个,两通道的转速监测模块1个。
四通道的继电器模块2个。
1.2现场传感器部分传感器部分主要有:各种涡流监测探头和速度式探头、延长电缆和前置器及信号线。
1.3计算机及软件3500软件包包括:框架配置软件;数据采集/服务器软件;操作员显示软件。
各种监测模块的内部设置,可以通过连接装有框架组态软件的计算机的RS232接口和框架接口模块的组态专用接口,在计算机上设置好各模块的参数,下装到各模块,及完成对各监测器的量程、报警点、探头类型和继电器输出的设置。
1.4电涡流传感器监测原理电涡流传感器是根据涡流效应原理工作的,涡流传感器的线圈L与一个电容C并联,构成一个并联谐振电路。
由前置器内的晶体振荡器供给稳定的高频电流来激励,在线圈周围产生高频交变磁场俑,当被测主轴靠近次交流磁场φ用范围时,在被测主轴表面产生电涡流,而此电涡流又产生一个新交变磁场来阻碍主磁场的变化,这一过程将消耗能量,因而使线圈的Q值发生变化。
本特利3300振动指示报警仪1序号仪器名称仪器型号仪器精度1 校验仪1045 0.12 24VDC稳压电源3 TK3-2校验仪23、校验方法:以校验振动值范围0-100um为例,选用8mm探头。
3.1 设备连接方式见下图:3.2 监测器功能3.2.1 OK指示---当前置器输出电压在其上下限之间时(BENTLY为-2——-18V,不同产品的OK电压有所差异,应以说明书为准),OK指示灯点亮,则定义相应传感器处于OK状态。
当A/B通道均处于OK状态或旁路状态时OK继电器才接通。
在周期自检出现异常时,OK指示灯以5Hz频率闪烁;如果上一次复位后传感器出现异常,则OK指示灯以1Hz频率闪烁。
3.2.2延时OK/通道失效——若某通道的信号输入不在OK值的上下限范围内,则该通道的OK LED熄灭,BYPASS LED接通,该通道被关闭;若信号输入恢复正常达30秒,则该通道的OK LED将以1Hz频率闪烁,表示OK状态恢复,BYPASS LED 熄灭并恢复监测功能。
3.2.3 BYPASS LED——若某通道一直处在非OK状态,操作人员可通过设置在监测器线路板上的通道旁路开关使该通道从系统中切除。
通道被旁路或处于延时OK/通道失效状态或用户启动自检,BYPASS LED点亮,该通道失去监测功能。
3.2.4间隙电压——按下面板上的GAP键,从表头的中间刻度读取通道A和B的间隙电压值。
同时按下面板上的GAP和ALERT键可显示间隙电压警告报警点的设置值。
当间隙电压达到或位于间隙电压范围的上限或下限之外并达到6秒时,ALERT LED就会发亮同时相应的警告报警继电器接点就会动作。
3.2.5 报警功能3.2.5.1报警点检查——按下面板上的ALERT和DANGER键,可检查各通道的警告和危险设定点的数值。
3.2.5.2第一报警——警告报警和危险报警具有各自的第一报警电路。
当框架中的监测器具有第一报警功能选择时,若某通道的警告或危险报警为在框架中最先发生,则其相应的报警LED会以闪亮的方式显示。
本特利振动探头原理引言:本特利振动探头是一种常用的实验仪器,用于研究物体的振动特性。
它基于本特利原理,通过测量物体的振动频率和振动幅度,可以得到物体的振动特性参数。
本文将详细介绍本特利振动探头的原理和工作方式。
一、本特利原理本特利原理是指当一个物体在振动时,会产生特定频率的声音。
这是因为振动会引起周围空气的压力变化,从而产生声波。
根据本特利原理,我们可以通过测量声波的频率和振幅来了解物体的振动情况。
二、本特利振动探头的结构本特利振动探头由振动传感器和信号处理器组成。
振动传感器通常采用压电陶瓷材料,它可以将物体的振动转化为电信号。
信号处理器则负责对传感器采集到的信号进行放大、滤波和数字化处理。
三、本特利振动探头的工作原理当本特利振动探头靠近一个振动的物体时,振动传感器会受到物体的振动力的作用,产生相应的电信号。
这个电信号经过放大、滤波和数字化处理后,转化为振动的频率和振幅信息。
四、本特利振动探头的应用本特利振动探头广泛应用于机械工程、材料科学和生物医学等领域。
例如,在机械工程中,可以利用本特利振动探头来分析机械设备的振动状况,从而判断设备是否存在故障或磨损。
在材料科学中,可以使用本特利振动探头来研究材料的振动特性,评估材料的质量和性能。
在生物医学中,本特利振动探头可以用来检测人体的生理信号,如心跳和呼吸等。
五、本特利振动探头的优势和局限性本特利振动探头具有以下优势:1. 非接触式测量:本特利振动探头可以远距离测量物体的振动,无需接触被测物体,避免了对物体的干扰。
2. 高灵敏度:本特利振动探头可以测量微小振动,具有较高的灵敏度。
3. 宽频率范围:本特利振动探头可以测量从几十赫兹到几百千赫兹的频率范围。
然而,本特利振动探头也存在一些局限性:1. 受环境干扰:本特利振动探头对周围环境的噪声和干扰较为敏感,需要在实验过程中进行噪声抑制和滤波处理。
2. 有限测量距离:本特利振动探头的测量距离有限,通常在几米到几十米之间。
本特利探头的安装调试摘要:简明的介绍了大型转动设备轴系监测的3500系统的原理,详细说明了其在实际应用中的注意事项及调试方法。
关键词:电涡流传感器轴系监测安装调试概述:当今化工领域,工艺过程的长周期运行依赖于大型旋转设备不停息的运转,其一旦发生故障不仅影响生产效益,更有可能造成灾难性后果。
为确保这些大型旋转设备安全平稳运行,必须对其状态进行实时监测,本特利3500系统是监测其运行参数的有效工具,而探头的安装质量直接影响其长周期运行,是其最基本也最关键一环。
1基本原理:本特利3500系统由电涡流传感器探头、延伸电缆、前置器所组成的传感器系统以及3500检测模块组成。
探头安装于现场,检测轴承的振动、位移、转速等;延伸电缆用来连接探头与前置器,传输探头检测到的信号;前置器接收由探头和延伸电缆传输的信号,并将其转换为3500检测模块接收的电压信号。
至此,电涡流传感器系统,将被测轴承表面与探头顶端的距离转变为容易采集识别的直流或者交流电压信号分别用以分析轴承的位移或者震动。
2探头的安装探头安装之前务必确保所用探头选型正确且检验合格,探头的线性范围与其探头直径有着确定的关系,且探头直径越大其线性范围越宽,所以根据设备的极限动距离即可选定探头直径。
为了直观简洁,下面均已8mm系统为例说明。
8mm 探头的线性范围约从0.25到 2.3mm处对应电压-1到-17vdc,对应关系为7.87v/mm。
根据现场安装条件选定合适的延伸电缆长度以及与之匹配的前置器型号,现场安装时切记混搭以免影响传感器系统线性造成测量失真。
2.1探头安装应注意以下问题:①安装面的大小以及探头与安装面之间的距离;②安装支架的选择;③探头与探头之间的距离;④探头锥孔的清洁以及安装间隙的确定;⑤探头电缆外观检查以及走线固定;⑥探头转接头的密封与绝缘。
其中①②③应有设备供应商完成,且在设备第一次空负荷试车时检验,仪表工作人员通常只需做好④⑤⑥。
在探头安装前应检查探头外观是否完好,线缆有无破损,探头阻值是否在正常范围内,如无异常则可以安装调试。
第一节轴振动和轴位移检测仪1 总则1.1主题内容与适用范围1.1.1本规程规定专机的轴振动和轴位移检测仪表的维护检修要求1.1.2本规程适用于本特利公司(BENTLY-NEVEDA)7200、3300系列探头直径为5mm、8mm、11mm、14mm非接触趋近电涡流式轴振动和轴位移检测仪表和3500检测系统。
其他系列非接触趋近电涡流式仪表可参照执行。
1.2 编写修订依据美国石油学会API标准670第二版《振动、轴向位置和轴承温度监测系统》《3500/40位移监测器模块》《3500/20框架接口模块》本特利公司产品操作手册和维修手册2 3300系列2.1 概述2.1.1 系统组成本特利3300 系列仪表是由趋近式探头、延伸电缆、前置器(振荡-解调器)、信号电缆、监测器所组成的系统。
2.1.2 工作原理仪表测量采用趋近电涡流原理。
探头由通有高频信号的线圈构成,被测轴金属表面与探头相对位置变化时,形成的电涡流大小改变,使探头内高频信号能量损失大小变化,这个变化信号通过前置器转换成与位置变化相对应的电压信号送到监测器显示或报警。
2.2 技术标准轴振动通道的灵敏度为7.874V/mm,在2mm的工作范围内,误差不大于±5%。
轴位移通道的灵敏度为7.874V/mm,在2mm的工作范围内,非线性偏差不大于25.4µm。
在下列的允许工作温度范围内,温度变化影响的最大附加误差不大于仪表使用范围的5%。
工作温度范围:a.探头和延伸电缆:-34~177℃;b.前置器:-34~66℃;c.监测器和电源:-29~66℃。
2.3 检查效验2.3.1 检查项目2.3.1.1 探头及组成电缆组件完整无损,接头无氧化锈蚀,端部的保护层不应有碰伤或剥落的痕迹,紧固件齐全好用,接线盒无损坏。
2.3.1.2 延伸电缆完整、无短路、无开路、接头无氧化锈蚀,保护层无破损。
2.3.1.3 前置器完整无损,安装盒无脱落变形和密封不良现象,前置器与安装盒之间需有良好的绝缘层。
甲醇合成器压缩机振动探头校验记录表1、确认探头、前置器编号:
探头S/N:
前置器S/N:
注:探头和前置器是相互匹配的,若与其他的探头和前置器相互更换,需重新拉线性。
校验装置:TK-3e
2、万用表接线:
(-24)、(Com---万用表笔的负)、(Out---万用表笔的正)
3、参数记录(手操校验台就地做):
1)校验装置(TK-3e)通电,固定探头,安装间隙电压在-8VDC至-12VDC之间。
2)万用表打至交流电压档测前置器Com、Out信号电压,测得对应振动的电压变化数值(万用表测得为有效值)。
3)校验装置(TK-3e)按下开关按钮至i位,通电,转盘旋转,通过调节探头固定支架的前后左右位置,使振动示值变化。
探头针对转盘中心振动值最小,向转盘外缘移动,振动值逐渐增大,向中心移动逐渐减小。
甲醇合成器压缩机5103X振动探头校验记录表
甲醇合成器压缩机5103Y振动探头校验记录表
甲醇合成器压缩机5104X振动探头校验记录表
甲醇合成器压缩机5103Y振动探头校验记录表
注:DCS画面显示的振动值为峰-峰值(设为A),万用表测前置器Com、Out信号电压为交流电压有效值(设为U),探头灵敏度设为k;函数关系为:U=KA/22;K=7.87V/mm;
例如:5103X振动探头校验记录表,DCS画面示值49μm,计算对应信号电压有效值。
K=7.87V/mm=7870mV/mm
A=49μm=0.049 mm
U=KA/22
U=7870mV/mm×0.049 mm/22
=128mV
与万用表实测值129mV基本一致,证明探头该点测量准确。
各点逐一演算,测量值与标准值基本一致,说明探头工作性能良好。