旋转轴唇形密封圈结构尺寸系列
- 格式:docx
- 大小:327.53 KB
- 文档页数:8
旋转轴唇形密封圈结构尺寸系列旋转轴唇形密封圈结构尺寸系列---------------------- 内包骨架旋转轴唇形密封圈 --------------------- UDC 678-4.075-47GB 9877.1-881 主题内容与适用范围本标准规定了内包骨架旋转轴唇形密封圈的基本结构、骨架和弹簧尺寸系列。
本标准适用于安装在设备中的旋转轴端。
在压差不超过0.3MPa 的条件下,对流体和润滑脂起密封作用的内包骨架旋转轴唇形密封圈。
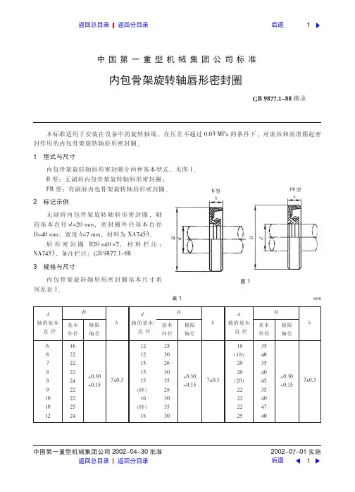
2 引用标准GB5719-87 橡胶密封制品术语3 型号和尺寸3.1 内包骨架旋转轴唇形密封圈分两种基本形式。
B型:无副唇内包骨架旋转轴唇形密封圈(见图1)FB型:有副唇内包骨架旋转轴唇形密封圈(见图2)3.2 内包骨架旋转轴唇形密封圈基本尺寸系列见附录A。
胶种选择参照附录B。
3.3 内包骨架旋转轴唇形密封圈唇口,副唇口过盈量和内径极限偏差应符合表1中的规定。
内包骨架旋转轴唇形密封圈唇口,副唇口过盈量和内径极限偏差3.2 旋转轴唇形密封圈在接触较多灰尘或雨水等外来杂质的环境中使用时,应采用有副唇的密封圈,副唇口过盈量及内径极限偏差应符合表1中的规定。
3.3 内包骨架旋转轴唇形密封圈唇口过盈量及截面结构在特殊条件下,可由用户和制造厂共同商定。
4 骨架4.1 骨架材料4.1.1 用作密封非腐蚀性介质时,骨架采用08F钢板或类似的钢板制造。
4.1.2 用作密封酸、碱类等腐蚀性介质量、应采用耐腐蚀性钢板或采用防腐蚀性可靠的涂层进行保护。
4.2 内包骨架的结构形式如图所示。
4.3 骨架是用规定厚度的钢板冲压加工,也可采用其他方法加工。
5 标记5.1 内包骨架旋转轴唇形密封圈的标记符号由密封圈的型式、基本内径、外型、宽度、校种代号、制造单位或代号表示。
采用汉语拼音词头字母和阿拉伯数字标记,如“(F)B×××××××××××”。
旋转轴唇形密封圈结构尺寸系列---------------------- 内包骨架旋转轴唇形密封圈 --------------------- UDC-47GB1 主题内容与适用范围本标准规定了内包骨架旋转轴唇形密封圈的基本结构、骨架和弹簧尺寸系列。
本标准适用于安装在设备中的旋转轴端。
在压差不超过的条件下,对流体和润滑脂起密封作用的内包骨架旋转轴唇形密封圈。
2 引用标准GB5719-87 橡胶密封制品术语3 型号和尺寸内包骨架旋转轴唇形密封圈分两种基本形式。
B型:无副唇内包骨架旋转轴唇形密封圈(见图1)FB型:有副唇内包骨架旋转轴唇形密封圈(见图2)内包骨架旋转轴唇形密封圈基本尺寸系列见附录A。
胶种选择参照附录B。
内包骨架旋转轴唇形密封圈唇口,副唇口过盈量和内径极限偏差应符合表1中的规定。
内包骨架旋转轴唇形密封圈唇口,副唇口过盈量和内径极限偏差旋转轴唇形密封圈在接触较多灰尘或雨水等外来杂质的环境中使用时,应采用有副唇的密封圈,副唇口过盈量及内径极限偏差应符合表1中的规定。
内包骨架旋转轴唇形密封圈唇口过盈量及截面结构在特殊条件下,可由用户和制造厂共同商定。
4 骨架骨架材料4.1.1 用作密封非腐蚀性介质时,骨架采用08F钢板或类似的钢板制造。
4.1.2 用作密封酸、碱类等腐蚀性介质量、应采用耐腐蚀性钢板或采用防腐蚀性可靠的涂层进行保护。
内包骨架的结构形式如图所示。
骨架是用规定厚度的钢板冲压加工,也可采用其他方法加工。
5 标记内包骨架旋转轴唇形密封圈的标记符号由密封圈的型式、基本内径、外型、宽度、校种代号、制造单位或代号表示。
采用汉语拼音词头字母和阿拉伯数字标记,如“(F)B×××××××××××”。
示例如下:标记方法:应有规则地标记在旋转轴唇形密封圈底部,字头向心排列如图6所示。
内报骨架旋转轴唇形密封圈基本尺寸系列附录A公称内径d 公称外径D宽度b公称内径d公称外径D宽度b公称内径d公称外径D宽度b622740601085105128226211010227651152542621090110121225765115 3270120153074565109512012 3570125173087513035507012100125121835872130注:非标规格亦可联系加工三、检验方法骨架式橡胶油封的检验规则和方法、材料的技术条件、油封的标志包装、贮存和运输等参照化标HG4-692-67规定。
旋转轴唇形密封圈结构尺寸系列
旋转轴唇形密封圈是一种常用的传动机械密封件,主要用于旋转轴的封闭,防止润滑油、水以及其他介质的泄漏。
它由橡胶和硬质塑料制成,具有高硬度、高强度、高弹性、高耐磨性,使用寿命长的特点,能够在较低压力下连续工作,因此广泛应用于汽车、摩托车、船舶、机床等工业设备上。
1.外径分类:
(1) 标准型:35mm-1000mm;
(2) 超标型:1200mm-4000mm;
2.厚度分类:
(1) 标准型:3mm-20mm;
(2) 超标型:1.5mm-25mm;
旋转轴唇形密封圈的安装方向主要有水平安装和垂直安装两种,同时要求密封圈的唇部面朝外,以保证密封效果。
安装时,应在安装前进行试装,以保证安装后不会受到外力的影响,从而有效地去除活动部件的振动及输出轴的压力。
由于旋转轴唇形密封圈具有表面光滑、不易损坏、可靠性高的特点,因此在使用时,应特别注意观察安装场合的情况。
骨架油封知识大全一、油封的工作原理1、自由状态下,油封唇口内径比轴径小2-3MM,具有一定的过盈量,外径橡胶与轮毂座孔QT450-10过赢约0.15-0.4.2、安装后,油封刃口的过盈压力与自紧弹簧的收缩力对旋转轴产生径向压力。
3、机械工作时,油封唇口再径向压力作用下,形成0.25到0.5毫米的密封接触环带,在内部润滑油压力的作用下,部分油液渗入油封刃口与轴之间,形成极薄的油膜,油膜在油液表面张力的作用下,在转动轴与油封刃口之间形成"新月面"防止油液外溢,达到密封作用.二、常见油封的形式1、一个主唇带有弹簧的油封,依靠密封刃口单方面防止泄漏时适用。
工作条件:a.旋转速度: 0~25m/sb.工作压力: 0~0.05Mpac.工作温度: -35~120℃d.密封介质: 润滑油、润滑脂、水等2、双唇带有弹簧的油封,以主唇防止泄漏,副唇防止灰尘、水份的进入时适用。
工作条件:a.旋转速度: 0~25m/sb.工作压力: 0~0.05Mpac.工作温度: -35~120℃d.密封介质: 润滑油、润滑脂、水等3、不带弹簧的油封,仅利用橡胶唇径向力作单方向的防漏,必要时可与其它型油封并用。
工作条件:a.旋转速度: 0~12m/sb.工作压力: 0~0.03Mpac.工作温度: -35~120℃d.密封介质: 润滑脂或粘性流体等4、双唇不带弹簧的油封,仅利用橡胶唇的径向力,用于两方向密封时使用。
工作条件:a.旋转速度: 0~10m/sb.工作压力: 0~0.03Mpac.工作温度: -35~120℃d.密封介质: 水、油、润滑脂、灰尘等5、双主唇带弹簧的复合型油封,使用过程需将此两类的液体隔离时适用,装配时两唇之间需涂抹润滑剂。
工作条件:a.旋转速度: 0~12m/sb.工作压力: 0~0.05Mpac.工作温度: -35~120℃d.密封介质: 油、润滑脂或其他液体等6、应用于相对旋转端面的密封,主要严防止灰尘,水油脂等杂质的进入轴承部位或密封系统。
旋转轴唇形密封圈结构尺寸系列
旋转轴唇形密封圈的结构尺寸系列包括内径、外径、厚度等参数。
内
径是指密封圈内部的直径,外径是指密封圈外部的直径,而厚度则是指密
封圈的厚度。
这些尺寸参数的大小会影响密封效果,因此在选择密封圈时
需要根据具体应用场景和需求来确定合适的尺寸。
旋转轴唇形密封圈的尺寸系列可分为常规系列和非常规系列两大类。
常规系列是指常用的标准规格,这些规格的尺寸已经固定,一般有具体的
国际或国家标准来规定。
非常规系列则是指除了常规系列之外的其他规格,这些规格一般是根据特定需求来设计和制造的。
在选择旋转轴唇形密封圈的尺寸时,首先需要确定密封圈所处的工作
环境和工作压力,以确保密封圈的耐压性能。
同时还需要考虑到密封圈与
旋转轴之间的配合情况,确保密封圈能够紧密贴合旋转轴表面,达到良好
的密封效果。
总之,旋转轴唇形密封圈的结构尺寸系列包括内径、外径、厚度等参数,可以根据具体需求和应用场景来选择合适的尺寸。
在选择尺寸时需要
考虑到工作环境、工作压力、配合情况及安装形式等因素,以确保密封圈
的密封效果和使用寿命。
橡 胶 工 业CHINA RUBBER INDUSTRY375第70卷第5期Vol.70No.52023年5月May.2023汽车用旋转轴唇形橡胶密封圈的技术概况方亚妮,韩增波(中国重型汽车集团济南橡塑件有限公司,山东 济南 250300)摘要:概述汽车用旋转轴唇形橡胶密封圈(简称油封)的分类、密封机理、结构设计及其参数选择、发展动向等。
油封的种类繁多,结构形式包括内包骨架油封(B 型)、外露骨架油封(W 型)、装配式油封(Z 型)、有副唇内包骨架油封(FB 型)、有副唇外露骨架油封(FW 型)、有副唇装配式油封(FZ 型)以及流体动力型油封;油封的密封机理包括边界润滑理论和表面张力密封理论;油封的内外径过盈量、径向力、随动性、唇口接触宽度等结构设计参数影响其使用性能;轴的表面粗糙度、加工方法以及材质和硬度对油封的密封性能和使用寿命影响很大。
油封的计算机辅助设计和辅助制造以及自动测试技术研究将进一步开展,新型橡胶材料在油封胶料中的应用发展将加快。
关键词:旋转轴唇形橡胶密封圈;密封机理;密封性能;结构设计中图分类号:TQ336.4+2 文章编号:1000-890X (2023)05-0375-07文献标志码:A DOI :10.12136/j.issn.1000-890X.2023-05-0375旋转轴唇形橡胶密封圈是指具有柔性唇、大多带有金属骨架、靠密封刃口施加轴径向力以防止泄漏的橡胶密封圈,通常被称为橡胶油封(以下简称油封)[1-2]。
油封的主要功能是防止机器内部的介质(如润滑油等)泄漏,同时防止外部灰尘和水分等侵入密封机构内部,保证机器在良好的润滑状态下正常工作[3-8]。
自油封问世以来,因其结构简单、装卸容易、密封效果好等优点,成为汽车必不可少的零部件。
一种车型采用高质量油封的多少,反映了该车型的先进程度[9-10]。
油封是受多种因素影响的非常精密复杂的组合件,其性能直接影响其装配总成乃至整车的性能。
旋转轴唇形密封圈的结构一、油封的密封机理油封的密封是靠一挠性密封元件(皮革、橡胶、聚四氟乙烯、聚三氟氯乙烯或聚酰亚胺等)与旋转轴之间的过盈配合形成的。
它的密封机理是:油封唇部和轴之间的接触表面上同时并存干摩擦、边界润滑和流体润滑三种情况,并不断交替产生。
干摩擦产生磨损,流体润滑产生泄漏,在边界润滑下,油封唇部与轴的界面之间形成一层稳定的流体动压油膜,油膜厚度约00025mm;这层油膜除用作润滑之外,还起密封作用。
油膜太厚,流体就会泄漏;油膜太薄,就不能形成流体润滑膜,唇部就会磨损。
因此,为了获得良好的密封性能和比较长的工作寿命,就要求人们在结构设计、橡胶配方设计和安装使用上都要为形成薄而稳定的边界润滑油膜提供条件。
其中在结构设计、安装使用方面,现国内常用油封所规定的条件是非常苛刻的,这也就为泄漏故障的频频发生埋下了隐患。
二、现有油封存在的不足1.在结构设计上,由于目前大量采用的油封是与旋转轴直接进行过盈配合而实现动密封的,其对旋转轴的偏心度、尺寸偏差、不圆度、表面粗糙度等都有分严格的要求:1)轴的偏心度,偏心度大小直接影响油封唇部接触应力的分布状态,通常要求在0、3mm(轴径为50~80mm,油封线速度为10~15m/s)以内,然而在很多情况下是很难做到的。
例如驱动桥主减速器油封的装配技术要求:输入法兰中心线对油封座孔中心线的偏心度小得超过0、1mm。
但由于座孔中心线取决于轴承座与托架配合止口的中心位置,输入法兰中心线又取决于其与主动螺旋锥齿轮配合花键的中心位置,这两个中心线的偏移量很难控制在0、1mm的范围内。
2)轴的尺寸偏差:只有正确地选择轴的尺寸偏差才可能获得性能良好的密封效果。
过大的轴会增加唇端的接触载荷,而过小的轴则会使唇端接触面上的密封压力不够。
压力过大会促使密封过早失效,而接触压力过小则会引起泄漏。
3)轴的不圆度:轴的不圆度很可能会使弹性体密封唇按照轴的不规则运动而产生变形或失去弹性,从而引起疲劳破坏。
汽车与交通学院机械设计通用技术规范青岛理工大学汽车与交通学院2012.81范围本技术规范规定了汽车与交通学院机械设计图样通用技术要求和设计规范。
2 引用标准GB/T 12-1988 半圆头方颈螺栓GB/T35-1988 小方头螺栓B级GB/T 5780~5784-1986 六角头螺栓GB/T 899-1988 双头螺栓bm=1.5dGB/T 901-1988 等长双头螺柱B级GB/T 3098.1-1982 紧固件机械性能螺栓、螺钉和螺柱GB/T 3098.2-1982 紧固件机械性能螺母GB/T 3098.4-1986 紧固件机械性能——细牙螺母GB/T 6170-1986 I型六角螺母A和B级GB/T 6172-1986 六角薄螺母A和B级倒角GB/T 6179-1986 I型六角开槽螺母C级GB/T 6181-1986 六角开槽薄螺母A和B级GB/T 822-1988 十字槽圆柱头螺钉GB/T 827-1986 标牌铆钉GB/T 867-1986 半圆头铆钉GB/T 879-1986 弹性圆柱销GB/T 197-1981 普通螺纹公差与配合(直径1~355mm)GB/T 91-1986 开口销GB/T 119-1986 圆柱销GB/T 93-1987 标准型弹簧垫圈GB/T 95-1985 平垫圈——C级GB/T 97.1-1985 平垫圈——A级GB/T 97.2-1985 平垫圈倒角型——A级GB/T 854-1988 单耳止动垫圈GB/T 858-1988 圆螺母用止动垫圈GB/T 886-1986 轴肩挡圈GB/T 893.1-1986 孔用弹性挡圈——A型GB/T 893.2-1986 孔用弹性挡圈——B型GB/T 894.1-1986 轴用弹性挡圈——A型GB/T 894.2-1986 轴用弹性挡圈——B型GB/T 895.1-1986 孔用钢丝挡圈GB/T 895.2-1986 轴用钢丝挡圈GB/T 276-1994 滚动轴承深沟球轴承外型尺寸GB/T 283-1994 滚动轴承圆柱滚子轴承外型尺寸GB/T 292-1994 滚动轴承角接触球轴承外型尺寸GB/T 297-1994 滚动轴承圆锥滚子轴承外型尺寸GB/T 301-1995 滚动轴承推力球轴承外型尺寸GB/T 308-1989 滚动轴承钢球GB/T 309-1984 滚动轴承滚针GB/T 699-1988 优质碳素结构钢技术条件GB/T 700-1988 碳素结构钢GB/T 3277-1991 花纹钢板GB/T 11251-1989 合金结构钢热轧厚钢板GB/T 704-1988 热轧扁钢尺寸、外形、重量及允许偏差GB/T 708-1988 冷轧钢板和钢带的尺寸、外形、重量及允许偏差GB/T 709-1988 热轧钢板和钢带的尺寸、外形、重量及允许偏差GB/T 710-1991 优质碳素结构钢热轧薄钢板和钢带GB/T 711-1988 优质碳素结构钢热轧厚钢板和宽钢带GB/T 716-1991 碳素结构钢冷轧钢带GB/T 912-1989 碳素结构钢和低合金结构钢热轧薄钢板和钢带GB/T 3274-1988 碳素结构钢和低合金结构钢热轧厚钢板和钢带GB/T 11253-1989 碳素结构钢和低合金结构钢冷轧薄钢板及钢带GB/T 3522-1983 优质碳素结构钢冷轧钢带GB/T 3639-1983 冷拔或冷轧精密无缝钢管GB/T 905-1994 冷拉圆钢、方钢、六角钢尺寸、外型、重量及允许偏差GB9787-88 热轧等边角钢尺寸,外形,重量及允许偏差GB9788-88 热轧不等边角钢尺寸,外形,重量及允许偏差GB/T3639-2000 冷拔或冷轧精密无缝钢管GB/T3094-2000 冷拔异型钢管GB/T 1527-1997 铜及铜合金拉制管GB/T 8162-1987 结构用无缝钢管GB/T 3880-1997 铝及铝合金轧制板材GB/T 2041-1989 黄铜板GB/T 3191-1998 铝及铝合金挤压棒材GB/T 11352-1989 一般工程用铸造碳钢件GB/T 9439-1988 灰铸铁件GB/T 1173-1995 铸造铝合金GB/T 1176-1987 铸造铜合金技术条件GB/T 1348-1988 球墨铸铁件GB/T 14667.1-1993 粉末冶金铁基结构材料第一部分烧结铁、烧结碳钢、烧结铜钢、烧结铜钼钢GB/T 343-1994 一般用途低碳钢丝GB/T 4358-1995 重要用途碳素弹簧钢丝GB/T 4423-1992 铜及铜合金拉制棒GB/T 5330-1985 工业用金属丝编织方孔筛网GB/T 5574-1994 工业用橡胶板GB/T 10802-1989 软质聚氨脂泡沫塑料GB/T 8948-1994 聚氯乙烯人造革GB/T 539-1995 耐油石棉橡胶板GB/T 1804-1992 一般公差线性尺寸的未注公差GB 3452.1-1992 液压气动用O形橡胶密封圈尺寸系列及公差GB 5911-1986 转向盘尺寸GB/T 6414-1986 铸件尺寸公差GB/T 9877.1-1988 旋转轴唇形密封圈结构尺寸系列第一部分:内包骨架旋转轴唇形密封圈GB/T 10701-1989 石英玻璃热稳定性检验方法GB/T 11334-1989 圆锥公差GB/T 11335-1989 未注公差角度的极限偏差GB/T 9328-1988 汽车拖拉机用低压电线GB 5763 -1998 汽车用制动器衬片GB/T 5764-1998 汽车用离合器面片GB/T5378 摩托车和轻便摩托车道路试验总则GB5948-1998 摩托车白炽丝光源前照灯配光性能GB7258-1997 机动车运行安全技术条件GB/T14212-1993 摩托车链条GB/T2983-1997 摩托车轮胎系列GB 13202一91 摩托车轮辋系列JB/T 3588-1994 滚动轴承满装滚针轴承外形尺寸和公差JB/T 7918-1997 滚针轴承、向心滚针和保持架组件JB/T 7940.1-1995 直通式压注油杯JB/T 7940.2-1993 接头式压注油杯JB/T 8139-1995 公路车辆用低压电缆(电线)HG/T 2196-1991 机动车辆用橡胶材料HG/T 2349-1992 聚酰胺1010树脂HG/T 2491-1993 汽车用输水橡胶软管HG/T 3037-1988 输送常规石油基燃油用橡胶软管HG/T 3041-1989 3A分子筛QC/T 71一93 摩托车轮辋技术条件QC/T 265-1999 汽车产品零部件编号规则QC/T10-1992 汽车用车速里程表QC/T12-1992 汽车用燃油表QC/T224-1997 摩托车和轻便摩托车发动机通用技术条件QC/T230-1997 摩托车和轻便摩托车空气滤清器技术条件QC/T235-1997 摩托车和轻便摩托车排气消音器技术条件Q/QM1088-1999 摩托车包装QM-J8017-87 油漆QM-J8070-90 镀铬QM-J8041-87 镀锌JB/T4282-1992 摩托车铅酸蓄电池QC/T 267-1999 汽车切削加工零件未注公差尺寸的极限偏差QC/T 268-1999 汽车冷冲压零件未注公差尺寸的极限偏差QC/T 270-1999 汽车钢模锻造零件未注公差尺寸的极限偏差QC/T 383-1999 六角头锥形磁性螺塞QC/T 384-1999 方槽锥形磁性螺塞QC/T 518-1999 汽车用螺纹紧固件紧固扭矩YB/T 5132-1999 合金结构钢薄钢板QB 1316-1991 封套纸板JC 69-1982 衬垫石棉纸、板Q/FT B013-2000 车辆产品图样格式与要求3.通用技术要求3.1图样未注时应遵循的技术要求3.1.1 未注尺寸公差(超出规定的、均应标注,下同)。
径向骨架油封径向骨架油封是标准的旋转轴唇形密封圈,由橡胶包覆金属骨架组成,用来对旋转轴和具有较小压差的容腔进行密封。
标准型骨架油封技术数据 压力 0,05MPa 速度12m/s订货示例A 型 内 外 高AS 型 内 外 高 度材料代号符合DIN 3760的标准型安装尺寸图径向骨架油封A型骨架油封订货资料(单位:mm)bd2b 订货型号 d1d2订货型号 d1A-6×16×7-N 6 16 7 A-40×55×7-N 40 55 7A-8×22×7-N 8 22 7 A-40×62×7-N 40 62 7855A-10×22×7-N 107 A-42×55×8-N 42226287 A-42×62×8-N 4222A-12×22×7-N 1286024A-14×24×7-N 147 A-45×60×8-N 45A-15×28×7-N 15 28 7 A-45×80×10-N 45 80 10658308 A-50×65×8-N 50A-15×30×8-N 157287 A-50×72×8-N 5028A-16×28×7-N 167087 A-55×70×8-N 55A-17×35×7-N 1735A-20×30×7-N 20 30 7 A-55×72×10-N 55 72 10758357 A-60×75×8-N 60A-20×35×7-N 2080810 A-60×80×8-N 6040A-20×40×10-N 208588 A-60×85×8-N 6035A-22×35×8-N 228087 A-65×80×8-N 65A-22×40×7-N 2240A-25×35×7-N 25 35 7 A-65×100×10-N 65 100 10A-25×40×7-N 25 40 7 A-70×90×10-N 70 90 10A-25×47×10-N 25 47 10 A-75×95×12-N 75 95 12A-30×40×7-N 30 40 7 A-75×100×10-N 75 100 10A-30×42×7-N 30 42 7 A-80×100×10-N 80 100 10A-30×47×7-N 30 47 7 A-80×110×12-N 80 110 1212120100A-35×50×7-N 35507 A-100×120×12-N150121207 A-120×150×12-N52A-35×52×7-N 35170121357 A-135×170×12-N55A-38×55×7-N 38A-40×52×7-N 40 52 7AS型骨架油封订货资料(单位:mm)d2 b 订货型号 d1d2 b 订货型号 d122 7 AS-45×60×8-N 45 60 8 AS-12×22×7-N 1224 7 AS-45×62×8-N 45 62 8 AS-14×24×7-N 1430 7 AS-48×62×8-N 48 62 8 AS-15×30×7-N 1535 7 AS-50×65×8-N 50 65 8 AS-15×35×7-N 1530 6 AS-50×68×8-N 50 68 8 AS-16×30×6-N 1630 7 AS-55×72×10-N 55 72 10 AS-18×30×7-N 1835 7 AS-60×75×8-N 60 75 8 AS-18×35×7-N 18AS-20×30×7-N 2030 7 AS-60×85×8-N 60 85 835 7 AS-65×85×10-N 65 85 10 AS-20×35×7-N 2040 7 AS-65×90×10-N 65 90 10 AS-20×40×7-N 2035 7 AS-70×90×10-N 70 90 10 AS-22×35×7-N 22AS-22×40×10-N 22 40 10 AS-75×95×10-N75 95 1010100AS-25×35×7-N 2535 7 AS-75×100×10-N 751001040 7 AS-80×100×10-N 80AS-25×40×7-N 251101247 7 AS-80×110×12-N 80AS-25×47×7-N 251101252 7 AS-85×110×12-N 85AS-25×52×7-N 251212040 7 AS-85×120×12-N 85AS-28×40×7-N 281211047 7 AS-90×110×12-N 90AS-28×47×7-N 281312040 7 AS-90×120×13-N 90AS-30×40×7-N 301212042 7 AS-95×120×12-N 95AS-30×42×7-N 301212547 7 AS-95×125×12-N 95AS-30×47×7-N 3012120AS-30×52×7-N 3010052 7 AS-100×120×12-N12125100AS-32×45×7-N 3245 7 AS-100×125×12-N1301001247 8 AS-100×130×12-NAS-32×47×8-N 321301210547 7 AS-105×130×12-NAS-35×47×7-N 351101214050 7 AS-110×140×12-NAS-35×50×7-N 351401151352 7 AS-115×140×13-NAS-35×52×7-N 351501212062 8 AS-120×150×12-NAS-38×62×8-N 381501212552 7 AS-125×150×12-NAS-40×52×7-N 401601555 7 AS-130×160×15-NAS-40×55×7-N 40130AS-40×62×10-N 40 62 10 AS-140×170×15-N 140 170 1515 AS-42×55×8-N 4218015055 8 AS-150×180×15-N62 8AS-42×62×8-N 42轴用旋转格来圈由一个低摩擦的填充聚四氟乙烯密封环和一个橡胶弹性体(O 型圈)组成,用于有旋转或摆动运动的杆、轴、旋转接头等处,属于内周密封,它是一种可受两侧压力或交变压力作用的双向作用的旋转密封圈。
旋转轴唇形密封圈模具设计工装的设计方法是在生产中不断积累经验的总结与归纳。
Comm on I m plem en t for M icrowave Curl i ng Production L i ne and it ′s D esign i ng M ethodW ang Keb i ao(N o rthw est R ubber &P lastic P roducts R esearch In stitu te O f M C I ,712023)P late pattern die is a common i m p lem en t in rubber ex truding techno logy and it’s design 2ing directly influences on the guality of fin ished ex trudings and sem i _fin ished ex trudings .T he paper m ain ly in troduced som e common i m p lem en ts and their design ing m ethod in the con 2tinou s cu ring techno logy of som e ex truding techno logyKeywords : extruding ,die ,Continous curing ,i m p lem ent 旋转轴唇形密封圈模具设计李广金(辽宁铁岭陆平机器厂车辆研究所112001)摘要通过对旋转轴唇形密封圈结构形式分析,论述了油封的密封机理;刃口收缩率的确定;分型面的选取;多腔模具设计;模具材料及技术要求。
其中重点介绍和论述油封分型面的选取和多腔模具结构型式。
经过多年生产实践验证,本模具结构先进、合理、生产出的多规格油封由于精度高,质量好,提高了密封性能。
旋转轴唇形密封圈标准旋转轴唇形密封圈是一种用于旋转轴密封的重要零部件,其标准化对于保证密封效果、提高设备可靠性至关重要。
本文将对旋转轴唇形密封圈标准进行详细介绍,希望能够为相关行业提供参考和指导。
首先,旋转轴唇形密封圈的标准主要包括尺寸标准、材料标准和技术要求三个方面。
在尺寸标准方面,旋转轴唇形密封圈的内径、外径、厚度等尺寸应符合国家标准或行业标准的规定,以确保其能够与相关设备配合良好。
而在材料标准方面,密封圈应选用符合要求的橡胶、聚氨酯等材料,并严格按照标准进行检测和验收。
此外,技术要求方面,密封圈的表面光洁度、硬度、耐磨性等性能也应符合标准规定,以保证其在使用过程中能够达到预期的密封效果。
其次,旋转轴唇形密封圈的标准化对于提高生产效率、降低成本具有重要意义。
通过制定统一的标准,可以减少因为尺寸、材料等方面差异带来的生产调整和成本增加。
同时,标准化还可以提高生产线的自动化程度,减少人为操作对产品质量的影响,从而提高生产效率和产品一致性。
此外,标准化还可以为企业降低采购成本,因为可以大批量采购符合标准的密封圈材料,从而获得更好的价格。
最后,旋转轴唇形密封圈的标准化对于产品质量和安全具有重要意义。
通过严格执行标准,可以保证密封圈的质量稳定可靠,从而提高设备的使用寿命和可靠性。
同时,标准化还可以降低产品使用过程中的安全隐患,因为符合标准的密封圈能够更好地保证设备的密封性能,避免因为泄漏等问题带来的安全事故。
综上所述,旋转轴唇形密封圈标准的制定和执行对于相关行业具有重要意义。
只有通过严格执行标准,才能够保证密封圈的质量稳定可靠,提高设备可靠性,降低生产成本,确保产品质量和安全。
希望相关行业能够重视并严格执行旋转轴唇形密封圈的标准,从而推动行业的健康发展和产品质量的提升。
旋转轴唇形密封圈1、旋转轴唇形密封圈使用工况及场合拥有氟胶、硅胶、丁腈胶类产品,广泛应用于各种机械,耐各种石油基油及多种化学介质,选用不同的胶种及密封结构,可满足-30——+250℃的温度区域,使用速度可满足0——25℃米/秒等工况。
2、内包骨架旋转轴唇形密封圈尺寸系列:内包骨架旋转唇形密封圈GB9877.1-88系列 图1(B型)图2(FB型)1-骨架;2-紧箍弹簧; 3-橡胶密封体GB9877.1-88d1×D×b d1×D×b d1×D×b d1×D×b d1×D×b 6x16x722x47x7(42)x65x8(80)x105x10140x170x15 6x22x725x40x745x62x880x110x10(140)x180x15 7x22x725x40x745x65x8(85)x105x12150x180x15 8x22x725x52x7(45)x70x885x110x12(150)x190x15 8x24x728x40x750x68x885x120x12160x190x15 9x22x728x47x7(50)x70x8(90)x110x12(160)x200x1510x22x728x52x750x72x8(90)x115x12170x200x15 10x25x730x42x7(52)x72x890x120x12180x210x15 12x24x730x47x7(52)x75x895x120x12190x220x15 12x25x7(30)x50x7(52)x80x8(95)x125x12200x230x15 12x30x730x52x755x72x8(95)x130x12220x250x15 15x26x732x45x8(55)x75x8100x125x12240x270x15 15x30x732x47x855x80x8(100)x130x12(250)x290x15 15x35x732x52x860x80x8(100)x140x12260x300x20 (16)x28x735x50x860x85x8(105)x130x12280x320x2016x30x735x52x8(60)x90x8(105)x140x12300x340x20 (16)x35x735x55x8(65)x85x10110x140x12320x360x2018x30x738x55x865x90x10(110)x150x12340x380x20 18x35x738x58x8(65)x95x10(115)x140x12360x400x20 (18)x40x7388x62x870x90x10(115)x150x12380x420x2020x35x740x55x870x95x10120x150x12400x440x20 20x40x7(40)x60x8(70)x100x10(120)x160x12(20)x45x740x62x875x95x10(125)x150x1222x35x742x55x875x100x10130x160x1222x40x780x100x1080x100x10(130)x170x123、外露骨架旋转轴唇形密封圈尺寸系列:外露骨架旋转轴唇形密封圈图1(W型) 图2(FW型)1-金属骨架; 2-紧箍弹簧; 3-橡胶密封体GB-9877.2-88单位:mmd1xDxb d1xDxb d1xDxb d1xDxb d1xDxb6x16x722x47x7(42)x65x8(80)x105x10140x170x15 6x22x725x40x745x62x880x110x10(140)x180x15 7x22x725x47x745x65x8(85)x102x12150x180x15 8x22x725x52x7(45)x70x885x110x12(150)x190x15 8x24x728x40x750x68x885x120x12160x190x15 9x22x728x47x7(50)x70x8(90)x110x12(160)x200x15 10x22x728x52x750x72x8(90)x115x12170x200x15 10x25x730x42x7(52)x72x890x120x12180x210x15 12x24x730x47x7(52)x75x895x120x12190x220x15 12x25x7(30)x50x7(52)x80x8(95)x125x12200x230x15 12x30x730x52x755x72x8(95)x130x12220x250x15 15x26x732x45x8(55)x75x8100x125x12240x270x15 15x30x732x47x855x80x8(100)x130x12(250)x290x15 15x35x732x52x860x80x8(100)x140x12260x300x20 (16)x28x735x50x860x85x8(105)x130x12280x320x20 16x30x735x52x8(60)x90x10(105)x140x12300x340x20 (16)x35x735x55x8(65)x85x10110x140x12320x360x20 18x30x738x55x865x90x10(110)x150x12340x380x20 18x35x738x58x8(65)x95x10(115)x140x12360x400x20 (18)x40x738x62x870x90x10(115)x150x12380x420x20 20x35x740x55x870x95x10120x150x12400x440x20 20x40x7(40)x60x8(70)x100x10(120)x160x12(20)x45x740x62x875x95x10(125)x150x1222x35x742x55x875x100x10130x160x1222x40x742x62x880x100x10(130)x170x12。
TC双唇包胶骨架油封尺寸规格表规格说明:内径×外径×高度;单位:毫米;材料:丁腈橡胶(NBR)TC双唇包胶骨架油封尺寸规格表规格说明:内径×外径×高度;单位:毫米;材料:丁腈橡胶(NBR)TC双唇包胶骨架油封尺寸规格表规格说明:内径×外径×高度;单位:毫米;材料:丁腈橡胶(NBR)354 20*30*6 394 30*47*7 434 45*70*5355 20*30*8 395 32*47*7 435 45*70*8356 12*32*7 396 35*47*7 436 50*70*8357 19*32*8 397 30.8*48*8 437 55*70*8358 20*32*7 398 35*48*8 438 42*72*8359 18*33*7*10.5 399 25*50*7 439 45*72*8360 16*35*7 400 30*50*7 440 48*72*8目前,双唇口宽唇形聚四氟乙烯骨架油封是一种具有两层作为密封唇口的聚四氟乙烯材料的轴系密封产品,这两层聚四氟乙烯材料是以内骨架压紧在外骨架上的,但在唇口外还有一道由弹簧构成的加强环并由另一个有立壁的内骨架作为护栏。
这道弹簧是基于一种习惯性设计思想而增加的,这使现有技术中组成双唇口宽唇形聚四氟乙烯骨架油封的零件较多。
本实用新型所提供的双唇口宽唇形聚四氟乙烯骨架油封,是仅由外骨架1和内骨架3将唇口2上的平面部分夹在内外骨架之间而构成的,比现有技术减少了三分之一以上的零件数,因而降低了制造成本。
供应双唇骨架油封供应双唇骨架油封放大图片●●所在地:浙江≥1000个:0.70 元/个余姚市TCG骨架油封(国标型号)TCG骨架油封(国标型号)产品简介骨架油封是油封的典型代表,一般说的油封即指的是骨架油封。
油封的作用一般就是将传动部件中需要润滑的部件与出力部件隔离,不至于让润滑油渗漏。
-47
旋转轴唇形密封圈结构尺寸系列 内包骨架旋转轴唇形密封圈
UDC
GB
1 主题内容与适用范围 本标准规定了内包骨架旋转轴唇形密封圈的基本结构、骨架和弹簧尺寸系列。
本标准适用于安装在
设备中的旋转轴端。
在压差不超过的条件下,对流体和润滑脂起密封作用的内包骨架旋转轴唇 形密封圈。
2 引用标准
GB5719-87 橡胶密封制品术语
3 型号和尺寸
内包骨架旋转轴唇形密封圈分两种基本形式。
B 型:无副唇内包骨架旋转轴唇形密封圈(见图 1) FB 型:有副唇内包骨架旋转轴唇形密封圈(见图
2)
内包骨架旋转轴唇形密封圈基本尺寸系列见附录
A 。
胶种选择参照附录 B
内包骨架旋转轴唇形密封圈唇口,副唇口过盈量和内径极限偏差应符合表
1 中的规定。
旋转轴唇形密封圈在接触较多灰尘或雨水等外来杂质的环境中使用时,应采用有副唇的密封圈,副唇口过盈量及内径极限偏差应符合表1 中的规定。
内包骨架旋转轴唇形密封圈唇口过盈量及截面结构在特殊条件下,可由用户和制造厂共同商定。
4 骨架
骨架材料
4.1.1 用作密封非腐蚀性介质时,骨架采用08F 钢板或类似的钢板制造。
4.1.2 用作密封酸、碱类等腐蚀性介质量、应采用耐腐蚀性钢板或采用防腐蚀性可靠的涂层进行保护。
内包骨架的结构形式如图所示。
骨架是用规定厚度的钢板冲压加工,也可采用其他方法加工。
5 标记内包骨架旋转轴唇形密封圈的标记符号由密封圈的型式、基本内径、外型、宽度、校种代号、制造单位或代号表示。
采用汉语拼音词头字母和阿拉伯数字标记,如“ (F)B ××× ××× ××× ××”。
示例如下:
标记方法:应有规则地标记在旋转轴唇形密封圈底部,字头向心排列如图
6 所示。
内报骨架旋转轴唇形密封圈基本尺寸系
注:非标规格亦可联系加工
三、检验方法
骨架式橡胶油封的检验规则和方法、材料的技术条件、油封的标志包装、贮存和运输等参照化标HG4-692-67规定。
见附表。
油封外径及宽度公差符合下表规定:
附录B
不同胶种制作的旋转轴唇形密封圈适应的轴径和旋转速度关系图( 参考件)
胶种代号:
D——丁腈橡胶(NBR)
B——丙烯酸酯橡胶(ACM)
F——氟橡胶(FPM)
G——硅橡胶(MVQ)
HG4 692 骨架式油封产品用途:用于安装在设备中的旋转轴端, 在压差不超过的条件下, 对流体和润滑脂起密封作用。
材质: 丁腈橡胶... 标准:HG4-692-67 产品型号: 根
据:HG4-692-67 标准。