多工位钣金冲压模具自动传送设计手册
- 格式:pdf
- 大小:23.84 MB
- 文档页数:48
二、冲压工艺方案的确定该零件包括冲孔,切边,切断,弯曲等基本工序,可以采用以下三种工艺方案:方案①:先冲孔切断,再弯曲。
采用单工序模生产。
方案②:冲裁——弯曲复合模,采用复合模生产。
方案③:冲孔切断弯曲级进冲压。
采用级进模生产。
方案①模具结构简单,但需要两道工序、两套模具才能完成零件的加工,生产效率较低,难以满足零件大批量生产的需求。
方案②只需要一套模具,冲压件的形位精度和尺寸易于保证,但生产效率不高。
方案③也只需要一套模具,生产效率高,且零件的冲压精度易保证。
尽管模具结构较复杂,但由于零件的几何形状对称,模具制造并不困难。
通过以上三种方案的分析比较,对该冲压件生产以采用方案③为佳。
三、主要设计的计算首先需要将工件完全展开,如图所示,再计算各部分的尺寸。
长度尺寸A=(80.5-40)+3.14×40/4=91.9mm宽度尺寸B=2×3.14×40/4=62.8mm3.1排样方式的确定及计算冲裁件在板料、条料或带料上的布置方法称为排样。
排样是否合理,直接影响到材料的利用率、零件质量、生产率、模具结构与寿命及生产操作方式与安全。
因此,在冲压工艺和模具设计中,排样是一项极为重要的、技术性很强的工作,节约金属和减少废料有非常重要的意义,较好的确定冲件的形状尺寸和合理的排样的降低成本的有效措施之一。
由于结构的需要,不需要设置搭边值。
确定步距A=91.9 mm,查板材标准,选用材料总的利用率为:η=3.2冲裁力的计算冲孔力F=KtLτ=1.3×1.8×5.5×2π×340=27.49KN落料力F= KtLτ=1.3×1.8×340×133.75=106.41KN剪切力F= KtLτ=1.3×1.8×340×40=31.82KN弯曲力F=AP=[40×80.5-2×3.14×(5.5/2) ]2×100=317.2 KN3.3压力中心的确定1冲裁压力中心的确定形状复杂的零件的压力中心可用解析法求出。
冲压模具设计手册1. 引言冲压模具是在工业生产中广泛使用的一种工具,主要用于对金属板材进行冲裁、冲孔、弯曲等加工工艺。
冲压模具的设计质量直接影响到产品的加工质量和生产效率。
本手册旨在提供关于冲压模具设计的基本知识和技巧,帮助读者掌握冲压模具设计的要点和注意事项。
2. 冲压模具设计的基本原理冲压模具设计的基本原理包括模具结构设计、模具材料选择、模具加工工艺等方面。
以下是一些基本原理的概述:2.1 模具结构设计冲压模具的基本结构包括上模座、下模座、导向柱、导向套等部件。
在设计过程中,需要考虑到料板的固定、导向、定位和冲击力的承受等因素。
此外,还需要根据加工工艺的要求,设计出对应的切割或冲孔结构。
2.2 模具材料选择冲压模具的材料选择是决定模具寿命和加工效果的重要因素。
一般情况下,模具材料应具备较高的硬度、强度和耐磨性。
常用的模具材料包括合金工具钢、硬质合金等。
2.3 模具加工工艺模具加工工艺主要包括数控加工、热处理、精密研磨等。
在模具设计中,需要考虑到加工工艺对模具精度和寿命的影响,选择适当的加工工艺来制造模具。
3. 冲压模具设计的注意事项在进行冲压模具设计时,需要注意以下几个方面:3.1 确定产品的工艺要求在进行模具设计之前,需要准确了解产品的工艺要求,包括板材厚度、孔径、孔间距等各项尺寸和加工精度要求。
根据这些要求,合理设计模具的结构和加工参数。
3.2 考虑材料的可加工性在选择模具材料时,需要考虑到待加工材料的性质和可加工性。
不同的材料对模具的磨损和寿命有不同的影响,因此需要选择适合加工材料的模具材料。
3.3 注意模具的可维修性设计模具时需要考虑到模具的可维修性。
模具在使用过程中,可能会出现磨损、损坏等问题,因此需要设计出易于维修和更换的模具结构和部件。
3.4 加强模具的冷却设计在模具设计中,合理的冷却系统设计可以降低加工温度,减少热应力,提高模具的使用寿命。
因此,在设计时应充分考虑到模具的冷却需求,设置合理的冷却通道。
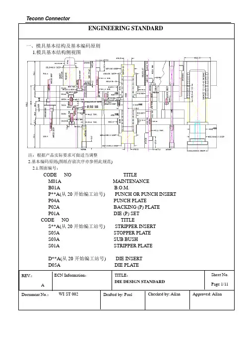
ENGINEERING STANDARDREV .:A ECN Information : TITLE : DIE DESIGN STANDARDSheet No. Page 1/11Document No.: WI-ST-002 Drafted by: PaulChecked by: Allan Approved: Allan一、模具基本结构及基本编码原则1.模具基本结构侧视图注:根据产品实际要求可做适当调整2.基本编码原则(图纸存放次序亦参照此规范) 2.1.图面编号:CODE NO TITLEM01A MAINTENANCE B01A B.O.M.P**A(从20开始编工站号) PUNCH OR PUNCH INSERT P04A PUNCH PLATEP02A BACKING (P) PLATE P01A DIE (P) SETCODE NO TITLES**A(从20开始编工站号) STRIPPER INSERT S05A STOPPER PLATE S03A SUB BUSHS01A STRIPPER PLATED**A(从20开始编工站号) DIE INSERT D05A DIE PLATEREV .:A ECN Information :TITLE : DIE DESIGN STANDARDSheet No. Page 1/11 Document No.: WI-ST-002 Drafted by: PaulChecked by: Allan Approved: Allan2.3.具体展开计算2.3.1.用体积法(一般适合有变薄的弯曲) 2.3.2.用展开计算公式由于产品在弯曲过程中有的地方被拉长或压缩但总可以找到某一层的弯曲线长度是不变的,这一不变的层叫中心层(不是中间层),我们就是利用中心层来进行展开的:因此,我们想进行展开,就必须找出中心层,如图1设中心层系想为K,变曲内半径为r,材料厚度为t,变曲角为a,L1,L2为直线部分长度,展开长度值为L,那么则有 L=L1+L2+2 (r+kt)a/360中心层系数K 的大小根据实践经验可按下列公式选取 1):当r/t<=0.50时 k=0.252):当0.5<r/t<=1.0时 k=0.25~0.30 3):当1.0<r/t<=2时 k=0.30~0.33 4):当2.0<r/t<=4时 k=0.33~0.38 5):当r/t>4.0时 k=0.38~0.45此公式适合一切材料厚度的弯曲展开计算,具体在实践应用中,当R/T 取上限时,K 也应取上限值,如当R/T=0.5时,K=0.30*当r/t=0~0.5时,即所谓的清角,此时k=0.25t~0.3t,若是90︒清角率曲时L=0.4~0.45t ”的值是一样的,只不过后者是前者的一个特例,在此推算一下. L=2 K/4=2 *0.25t/4= t/8=0.3925t=0.40t L=2 K/4=2 *0.30t/4= t/8=0.4710t=0.45t也就是说当清角90︒弯曲时用L=0.4t~0.45t 或K=0.25~0.30t 两个公式来展开计算都行 2.4.当包圆时,此时展开计算公式已和上面不一样,因为包圆时,材料厚度变薄很小,或都几乎不变,中性层接近中间层2.4.1.当包小圆时(∅D<5.0),其中心层系数K=0.452.4.2.当包圆时5.0<∅D<10.0)其中心层系数K=0.45~0.50 2.4.3.当包大圆时(∅K>10.0),其中心层系数K=0.5~0.552.5.通过查表,找出中心层系数的大小,再进行展开计算也行,在此不作详细叙述2.6.产品的圆角处理:产品上的圆角一般保持不变它,但若是尖角,一般用最小圆角R0.13去拟化它,对于产品上R0.1的圆角,尽量用R0.13去代替;对于R<0.1的圆角或清角,如果是重要尺寸(改变会影响功能)则不变它,采用过切来达到要求图1REV .:A ECN Information :TITLE : DIE DESIGN STANDARDSheet No. Page 1/11 Document No.: WI-ST-002 Drafted by: PaulChecked by: Allan Approved: Allan2.7.举例如下:2.7.1.如圆3所示:设材料厚度为0.15元素实体 内半径 系数比 中心层半径 元素角度 元素展开长度 总和 Entity IN-Radius r/t CNE-Radius Angle LINE-Length (+)total 线段1 ------ ------ ------ 170.000︒ 0.5953 0.5953 圆弧2 0.400 0.4/0.15 0.46 60.000︒ 0.4817 1.077 线段3 ------ ------ ------ 110.000︒ 0.5521 1.6291 圆弧4 0.250 0.25/0.15 0.3025 70.000︒ 0.3696 1.9987 线段5 ------ ------ ------ 0.000︒ 3.0210 5.0197 圆弧6 0.000 0.000 0.000 90.000︒ 0.0589 5.0786 线段7 ------ ------ ------ 90.000︒ 1.0000 6.0786 圆弧8 0.300 0.3/0.15 0.36 120.000︒ 0.7540 6.8326 线段9 ------ ------ ------ 210.000︒ 0.8000 7.6346 该图形的展开总长7.6346,取7.63,在展开时,直线部位可取材料厚度的任一边,(因为两两产行相等)在圆弧部分,必须是内r 偏离一个Kt 距离,再用LIST 命令量出这个半径为r+Kt 的圆弧的长度,就是圆弧部分展开长度技巧:找出中心层后可把中心层各段直线圆弧首尾连接起来,再用PE 命令把直线和圆弧编辑成一条多义线,再用len 命令量出这条多义线的长度(即展开总长):这样快一点可以省略一个个去相加如本例中:1.2.3;4.5;7.8.9可把这9条线段编辑成1条多义线,再量出长度即可得展开全长如图42.7.2.如图5所示:设材料厚度为0.25从图中可以看出:向上弯曲的两个耳朵材料已经被挤薄了(0.12)那么在展开时,就只能按体积计算了其展开长度L=L1+L2*t1/TREV .:A ECN Information :TITLE :DIE DESIGN STANDARD Sheet No. Page 1/11Document No.: WI-ST-002Drafted by: PaulChecked by: AllanApproved: Allan3.按照成形步骤排出成形分解图4. 铺料带,画出冲子图(包含stripper layout 及成形侧视图)REV .:A ECN Information :TITLE : DIE DESIGN STANDARDSheet No. Page 1/11 Document No.: WI-ST-002 Drafted by: PaulChecked by: Allan Approved: Allan排样原理:一根料带经过冲孔落料压毛边接伸抽蕊弯曲成形各个工序,最后形成产品的过程,现在你做的如何组织这些工步:哪个在前,哪个在后,总共要多少工步,各工序之间互相调协,使其承前继后,合情合理排样设计:步骤如下4.1确认产品展开尺寸后,根据产品的毛边方向,确定冲裁和成形方向,无毛边要求时一般不受限制;若产品上有毛边方要求时,这时一定要注意它的冲裁和成形方向:向下还是向下成形)冲孔毛边留在刀口面,落料毛边留在冲子面:一般机箱外壳类零件出于使用美观和安全性能要求,其毛边要留在产品的里边(成形的内边)如图6图7属于外壳类电子五金零件,如果图低上有毛边要求时,则要按要求去做,没写毛边要求也应尽量让志边留在里边,若成形更方例,也可留在外边;如图8已规定毛边方向,只能向下成形4.2.依据产品展开尺寸,精略估算步距(PITCH=产品该方向最大长度+1.0~2.0-中间有连接带除外)用ARRAY 命令作出横排,纵排,对称排,交错排,斜排(很少用)几种方案,进行分析,比较,综合,在保证产品顺利生产出来的前提下,选择最佳方案,肯体注意以下几点:4.2.1.第一要考虑这样排成形是否容易和稳定,后一工步是否对前量工步已成形好的产生破坏作用,或者后一工步无法成形,冲子和入子强度是否足够4.2.2.第二要考虑料带在模具中能否顺利送料,前一工步成形之后能否继续平稳送过下模板厚度的1/2:因为太高易引起摆动,料带定位不准和变形;连接带(又叫载体-CARRY)有以下几种形式A. 无连接带,属于无废料排样,零件外形往往具有对称性和互补性,通常采用单PIN 切断落料或双PIN 一个落料一个切断,如下图9.B. 边料连接带,是利用条料搭边废料作为载体的一种形式,这种载体传送料带强度较好,简单,主要用于落料型排样中,如下图10.REV .:A ECN Information :TITLE : DIE DESIGN STANDARDSheet No. Page 1/11 Document No.: WI-ST-002 Drafted by: PaulChecked by: Allan Approved: AllanA. 无连接带该产品无连接带排样采用单侧裁边定位四种方案都行,前两种采用切断形式,产品从旁边滑下去,后两种采用落料形式,一个落下去另一个从旁边滑下去,此种排样形式特点:材料利用率高,毛刺方向不一致,产品精度氏,应用很少. B. 边料连接带特点条料导向性好,易收集,为了提高材料利用率,连接带可取小些,一般双需2.0~4.0即可.该产品采用先冲孔后落料方式生产,采用搭边产料作连接带,并先冲一导正孔作定位孔,如果产品上有现成圆孔且圆孔精度要求不高时(即公差较大)可采用该圆孔作导正孔由于产品一般有毛边要求:毛边不能过大,因此下模板刀口常做镶拼式入子结构形式(有的产品批量很少,也不做入子)由于刀口入子四周壁厚即L 值)一般取4.0~3.0mm 在排样时要注意两个入子之间的距离(即L1值)一般要>=2.0,少于时要么移到下一工步,要么割通两入子相连,如上图第五工步向前移一工步与第三工步相边,这样将会缩小模板的尺寸.C. 单连接带,是在产品条料的一侧留出一定宽度的材料,并在适当位置与产品相连接,实现对 产品条料的运送,一般适合切边型排样,如下图11,图12,图13,图14,图15,图16. 图11:REV .:A ECN Information : TITLE :DIE DESIGN STANDARD Sheet No. Page 1/11Document No.: WI-ST-002Drafted by: PaulChecked by: AllanApproved: Allan图12:图13:图14:图15:图16:REV .:A ECN Information : TITLE :DIE DESIGN STANDARD Sheet No. Page 1/11Document No.: WI-ST-002 Drafted by: PaulChecked by: AllanApproved: Allan说明:由于产品一般有电镀和装配要求,对于小电子五金零件,为电镀和装配方便,大多数采用料带的形式先打预断,电镀后装配时再用手或机械手折断,当然也有少数采用落散PIN 的形式,具体形式依图低要求或与产品工程师磋商.单连接带特点:比双连接带宽度要大,在冲压过程中条料易产生模赂弯曲,无载体一侧导向较困难,单连接带每边连料宽度一般为3.0~5.0,材料越宽越薄,取较大值. 图11:材料较厚,加上料宽较小,连接带宽度取得较小.图12:与图11差不多,它是单个落料形式,由于材料较薄且条料较宽,为了增加条料传送的强度,连接带应适当加宽 注意点:1).单连接带适合大多数五金电子小零件,但必须保证条料运送哟度,料带不能太宽(W<70~60),不过在实践应用中,有时考虑产品生产批量较大,或为了提高材料利用率,常常采用双向排(如图14)或双向交叉排(如图15),实际上就是一模出两根料带并且尽可能想办法在两个产品相邻的地方找出合适的部位以一定的宽度W>0.5(没有成形的部位)把两边料带相连起来(类似双连接带动-不防叫”手牵手”),这样大大增加整个料带的强度,可以先打凸点,压毛边,成形等一切做好之后,再把”手牵手”部位冲掉即可,这样料带在模具中传送顺利,定位性好,成形稳定;要不然就会经常出现卡料或”打架”,当然这种情况适合”分手”之前有较多的成形工步(>1),如果仅仅一工步,倒不必多费心思了.2).当然并不是所有的都采用双排(它双适合批量较大或节约材料而且两料带双互不干涉时采用),实践证明,一根条料分出的料带数越我,PIN 数越高,生产过程俞不稳定,且冲出来的产品精度也就是越低,故在设计排样时,在能冲出合格产品的前提下,工步数越少越好,这样模板尺寸也小一些.因此,产品成形工步较多时,采用双排样而又无相连的地方,肯定是行不能的,双能采用单排(如衅16)3).单连接带送料时,如果两成形之间成开时互不影响的话,那么最好先落这部分料,接着成形;再落另一部分料,再成形,这样分部做,它的目的是使料带有足够的强度,增加压料面积,提高成形部位的定位精度,增强成开拓的稳定性,如图16,冲破第3工站料,再成形尾端部分. D. 双连接带,是在产品条料的两侧分别留出一定宽度的材料,并在适当位置与产品两边相连接,实现对产品条料的运送,它比单连带运送便顺利,料带定位精度更高,它适合产品两端都有接口可连,特别适合材料(T<=0.4)较薄时,料带运送强度较弱的情况,如下图17和图18. 图17:REV .:A ECN Information :TITLE : DIE DESIGN STANDARD Sheet No. Page 1/11 Document No.: WI-ST-002 Drafted by: Paul Checked by: Allan Approved: Allan图18:双向排(如图14):把产品展开后,确定与连接带相连的地方及宽度,再把该当产品展开图和连接带整体旋转180度,再放在原产品相对应的适当位置,既可以放在对称的位置,也可以与之交叉,关键是看能否节省材料以及两者之间是否有连料的地方;在排放时,两者之间的最小间隙@(T<0.5时,@>0.5~1.2,T>0.5时,@>1.0~2.0)应达到冲子的强度,太小冲子易断,太大又浪费材料,同理,在确定步距时也是如此,因此要根据材料厚度来选取一个合理的数值,通常取1.0左右即可.双连接带特点:送料顺利,定位精度较高,耗料较多,当条料宽度W<30时,双需一边采用导位针定位即可,条料宽度W>30时一般两边都采用导位针双连接带每边连料宽度一般为2.0~5.0,材料越宽越薄,取较大值.双连接带适合一般外壳类五金小零件.图17:材料较薄且料较宽,连接带取了5.0,当然取4.0也行.图18:由于材料较薄且料带较宽,采用桥梁式双连接带,其送料,导向强度均较好,实践证明其中间连接带宽度3.0取2.0也行,这样步距离可减少1mm,将节约材料.其最后一工步裁废料可要可不要,一般根据各厂冲压生产设备而定,若有自动收料装置时,可不要裁废料这一步,不过最好还是设计进去,到时采用自动收料时,双需切断冲子不装就行了.图18料带的料宽,步距和浮升高度设计计算过程如下:已知产品的展开尺寸长为19.74,宽29.22,采用模向排样,料宽W=宽19.22+2*连接带(2X4.0)+2*冲子最小厚度(2X1.0)=39.22=40.0(最好以0.5以单位取整)步距P=长19.74+1*连接带(1X3.0)+2*冲子最小厚度(2X1.0)=24.74=25.0浮升高度P(min 值_=产品厚度3.05(因为后面有切断刀口挡佳它>=3.05)+底下凸起0.94(在送往后一工步中为了不再在模板上铁槽让位)+让位间隙量 1.0(一般取1.0~3.0)=4.99=5.0E. 中心连接带,与单载体相似,是在产品条料的中间留出一定宽度的材料,并与产品前后两边相连它比前者节省材料,在弯曲工件排样中应用较多;因为导正梢孔在中间常引起拉料,故常需在引导针中间交错加一些弹性顶料定位针,图19和图20.REV .:A ECN Information :TITLE : DIE DESIGN STANDARD Sheet No. Page 1/11 Document No.: WI-ST-002 Drafted by: Paul Checked by: Allan Approved: Allan图19:图20:中心点连接带特点:料带宽度方向导向困难,常出现卡料,中心载体易出现模向变曲其中心连接带宽度取值跟单连接带宽度差不多,其实是单连接带的综合,两者能够转换”设计”,双不过比单连接带省料一点,你不防从连接带中心两半剖开,就会发现变成两条单连接带,如图18中心连一般适合:1).产品前后首尾相连(这种排样才叫真正的中心连接带-图222).一个PIN 距冲两个产品.产品旋转180度后再放在原产品相对应的连接带的另一侧,如图19 目的:可能为节省材料;或条料宽度太窄(T<5.0)3).两个对称的产品4).两个不同的产品,如图20注意:中心连接料带常出现拉料,应在适当位置设计定位顶料针.连接带的选区取总结如下:产品展开之后,仔细分析产品的各部位,哪些地方需要成形,哪些地方是仅仅落料,然后在落料的地方选择恰当一天和尚撞一天的位置引出连接带,使之既能保证料带的平稳运送,又不影响产品的成形;至于选择什么类型的连接带,要根据产品的特点而定,确定产品展开尺寸后,根据产品的毛边方向,确定冲裁和成形方向,无毛边要求.REV .:A ECN Information :TITLE : DIE DESIGN STANDARD Sheet No. Page 1/11 Document No.: WI-ST-002 Drafted by: Paul Checked by: Allan Approved: Allan4.3.确定排样方案后,这时应该对整个产品冲压和成形过程有一个基本的认识,怎样去安排这些工序的先后关系,应做到心中有数:即先冲哪里,后冲哪里,先成形哪步,后成形哪步,以及某一成形工序能否一次成形出来还是分两步(如图23-90度弯曲),注意点:1).一般先裁边,冲导正,打预断,压线,打凸点,撕口,(切口,拉伸),后冲孔落料,压毛边,成形,分两步 折弯的,先成形一半,后成形另一半2).在冲孔落料时,一般先冲小孔,后冲大孔;先冲落成形周边的废料,再落其它部位的余料:因为冲小孔若放在后面,那么它在冲裁时,冲子四周对应料带上的部位可能有缺口(前面已冲过的孔),这样,冲子在冲压过程中,将会引起受力不均(会产生侧向力),本来小孔冲子强度很弱,加之受力不均,极度容易折断(如图24);当然这仅是大多数情况,有时根据实际情况需要,小孔冲双能排在后面,不过办法还是有的,如果冲子厚度实在太小,可进行补强:A:采用脱板精密导向;B:冲子采用PG 加工.冲了太弱时的参数如下:设材料厚度为T,冲子厚度为SREV .: A ECN Information :TITLE : DIE DESIGN STANDARD Sheet No. Page 1/11 Document No.: WI-ST-002 Drafted by: Paul Checked by: Allan Approved: Allan3).第三当碰到L 形弯曲或产品单排时材料利用率太低,可考虑对称排交错排,这样对称成形受力均匀,成形稳定;或者材料利用率可大大提高(如图23).图23:图24:4).第四要考虑冲裁PIN 数和步距(主要针对接插件类小端子产品,一般五金外壳类或较大工件为单PIN).5).第五要考虑材料利用率,尽可能提高材料利用率,降低生产成本.4.4.确定是否采用裁边:裁边一般用在连续模和落料模上,它的作用起粗定位,在试模时便于送料;有的裁边还兼有冲外形的作用,如果模具先冲定位针孔,接着马上用引导针导正一般不用裁边了;没有引导针的,要先裁边,用来定距,一般用在落毛胚的落料膜中.裁边的冲子形状有以下几种,参数如下图25.ENGINEERING STANDARDREV .:A ECN Information :TITLE : DIE DESIGN STANDARD Sheet No. Page 1/11 Document No.: WI-ST-002 Drafted by: Paul Checked by: Allan Approved: Allan4.5.预断,将要断,但未断的意思(一般放在工站前面)由于小五金电子产品往往有电镀要求,为电镀方便,冲出来的小产品并不直接落料,而是打个预断留在料带上,电镀后,再用手或机械折两下即可取下来.预断:两面都要切,每边切进的深一般为材料厚度的4/1,这样双需折两下(往上-往下)就可以产品摘下来;预断冲子和入子头部的宽度为0.02~0.05,角度为50度~70度,其长度比预断线的长度每边大0.2~0.5即可.如下图26:假如材料厚度为0.2,夹板厚度为18.00,脱板规定厚度为22.00(实际厚度=规定厚度+材料厚度-0.05),背板厚度为9.00其预断冲子入子形状及高度如下:预断冲子入子高度分别为H1,H2,则计算如下:H1=夹板厚度+背板厚度+脱板厚度+t/4=18.00+9.00+22.00+0.2/4=49.55H2=下模板厚度+T/4=25.00+0.2/4=25.05注:本来H1应为49.0,H2应为25.0,但由于头部就那么一点点高双有0.05,顶部的宽度也双有0.02,强度根本不够,双要一生产早就崩掉了,或磨损掉了,因此在实际设计时,沿着预断形状斜线要往下延长0.5,这样既保证了它的强度,又可以调节打预断的深度:太深,双需把尾端磨掉一些,太浅,在冲子或入子尾端加标准垫片:上图H1=48.5,H2=24.5,L1=L2=0.55,就是这样来的.说明:为了便于加工和备料以及校模,一般每个厂的各块模板的厚度实行了标准化,厚度大小都规定了(特殊情况除外),在连续模中由于是料带的形式,为了方便控制料带的预压量和模板的平衡性,常在脱料板中间磨出一个料带槽:其槽的深度=材料厚度-0.03~0.05(也就是说预压量为3~5条),槽的宽度比料带的宽度大2~4MM 即可.因此脱料板的厚度常随材料厚度变化而变化,其大小=脱料板规定厚度+材料厚度-0.03~0.05不过在工程模中,一般不需磨产品槽:因为工程模产品一般较大而不像连续模式料带那样窄而细长,也就是说工程模脱料板厚度一般不变.ENGINEERING STANDARDREV .: A ECN Information :TITLE : DIE DESIGN STANDARD Sheet No. Page 1/11 Document No.: WI-ST-002 Drafted by: Paul Checked by: Allan Approved: Allan4.6.确导正孔的大小及位置一般的连续模都要冲导正,以便后工序的精确定位,在工程模中常用产品需件的内孔或外形来实现下一工序的定位,若既无内孔,外形又不能用来定位,那么双得借助工艺孔了:如第一工程打凸胞,第二工程落名形这程情况,那么只好在第一工程中在外形的对角同时冲两个工艺孔(孔大小与材料厚度有关:常用 3.0~6.0)以便下一工序的定位导正孔的大小选择在前面表一已经说明了,其位置一般放在连续带上,有时放在废料上到最后时随废料一起冲掉;一般一个步距一个导正孔或几PIN 同介导正孔.4.7.冲子刀口设计制作冲子刀口:对于连续模,就是把料带上废料部分冲掉,留下来的产品的展开外形和连接带;对于工程模,一般来讲,就是冲孔落料.下面主要针对连续模来讲.用产品展开图排出料带成形方案后,接下来就是如何安排这些工步,一般先打凸点,打预断,冲导正,撕口,落料,再压毛边,成形.由于产品的形状常常奇怪状,其展开图形状态也必然不规则:可能有的地方有凹进去很深的狭槽,如果整个外形落料冲子做成一个整体,那么在该冲子部位可能常常发生崩柝;可能有的地方有凸出来很长的悬壁,那么在该部位的刀口强度肯定不够;有的地方要求是尖角,事实上刀口冲子割出来不可能是百分之百的尖角,总存在一个最小R 值(通常是R0.15);还有的是为了保持后一工步成形的稳定性(增大压料面积),而先切去一部分,成形后,再切另一部分因此,为了解决上述问题,就必须进行刀口分解,把那些薄弱的地方单独分离出来做成不同的刀口,用2个或2个以上的工步先后互切来完成整体外形落料,分解时注意以下几点(如图27):图27:ENGINEERING STANDARDREV .:A ECN Information :TITLE : DIE DESIGN STANDARD Sheet No. Page 1/11 Document No.: WI-ST-002 Drafted by: Paul Checked by: Allan Approved: Allan1).对于产品上要求必须是尖角的部分,此时必须采刀口互切2).对于产品上某条轮廓直线边有较严的公差要求(<=±0.05)时,一般不得在该直线上有刀口接头3).分解出来的冲子形状简单,尽量采用普通确磨或线割加工4).分解出来的冲子要有一定的强度,尽量减少PG 加工,如有空地方,尽量做碱点.如图27-3中的15号16号冲子改大变成15a,16a,这样冲子强度会好一点.5).对于互切刀口采用相交(一般是直线与直线或直线与圆弧)或圆弧60~75度处作切线相交的互切方式(直线与圆弧),有时也采用圆弧相切(圆弧与圆弧)或重合相切,其互切直线长度(一般0.3~0.5不泡括两者圆弧)不宜过长,过长会产生粉屑:其目的是不要产生过大的毛头,影响产品尺寸和美观.6).注意刀口冲子上的圆角处理:通常线割MIN 圆角为R0.15,也可以割R0.1的圆角但需要换铜丝(成本增加),故不重要的圆角尽量把它到R0.15,或更大R0.2~0.3,但是不能把它的功能尺寸改变,其刀口冲子上的圆角必须表示出来或者加说明未注圆角R 为多少,至于脱板夹板REV .: A ECN Information :TITLE : DIE DESIGN STANDARD Sheet No. Page 1/11 Document No.: WI-ST-002 Drafted by: Paul Checked by: Allan Approved: Allan转角处圆角既可以画清角,也可以和刀口一样,它仅仅起定位作用,线割时,它会自动清角. 对于小R0.1的圆角采用PG 加工.4).冲子太小时,一般要补哟;如果有空位,尽量做大一点采用线割加工,否则要PG 加工,增加成本.如图27中15,16号冲子太小,要进行PG 加工,由于有空位,若改为15a,16a 的形式,那么冲子强度已足够,采用线割加工,节约成本.PG 加工的冲了形状如下:冲子太小需要补强的尺寸规格如下:材料厚度T 冲子最小厚度K 冲子最大长度LT<=0.3 K<=0.6 L<2.0T<=0.6 K<=1.2 L<2.0T<=1.0 K<=1.8 L<2.5T<=1.5 K<=2.0 L<2.5T<=2.0 K<=2.5 L<3.04.8.刀口镶块的(通常叫入子)大小设计制作:4.8.1.做入子的目的:其主要目是方便维修:由于许多精密五金件大都有毛边要求,不得超过其规定值,而模具在冲压一段时间后,冲子和刀口因经常互相磨擦刃口发生钝化,变得不锋利,导致毛边加大.如果做入子,发现哪里毛边偏大只需把该处冲子刀口折下在刃口磨0.2~0.5,再在其背面垫片即可.可果不做入子,那么整个模板要折下来,再把刀口面磨一定的高度,这样维修起来比较麻烦且降低模具的寿命;另外在连续模和工程模式中,那些易崩裂的刀口和产品上某处尺寸要求很严时,可在该处做入子,这样方便维修,不过,并不是所有的模具做入子,因为一做入子,模具的成本,将会增加 1.5~3倍,因此具体情况还要看产品的要求精度以及生产批量和模具类型式.下面简要说明要不要做入子的情况:4.8.1.1.高速精密冲床模具(冲速>150次/每分钟,如端子模)脱板下模一般要做入子,夹板可做可不做发,建义(从节约成本出发):不做4.8.1.2.普通连续模:如果生产批量较大时,下模一般要入子,其它两板不做入子;生产批量较小时,下模可以不做入子;如果产品上某处尺寸要求经常变动或特严或展开很难把握和易崩裂的刀口部位,可在该处设计入子4.8.1.3.工程模:一般不做入子,只有在那些易崩裂的刀口部位才设计入子4.8.2.刀口镶块(入子)大小制作,主要由冲压材料的厚度和硬度以及刀口材料强度决定,入子做行太大,步距排得较松,这样会加长模板,同时对模板强度有影响,做得太小,刀口叱咤度又不够,因此要到恰当的数值,既不浪费模板又保证入子的强度:实践证明一般入子制作。
实用冲压模具设计手册摘要:一、引言1.冲压模具的重要性2.实用冲压模具设计手册的目的二、冲压模具基本原理与类型1.冲压加工过程简介2.冲压模具的分类及特点三、冲压模具设计要点1.模具结构设计2.模具材料选择3.模具零件设计4.模具装配与调试四、冲压模具安全与维护1.安全措施及注意事项2.模具的日常维护与保养五、冲压模具应用案例分析1.案例一:汽车车身冲压模具2.案例二:家电产品冲压模具3.案例三:电子元件冲压模具六、发展趋势与展望1.冲压模具技术的创新与发展2.绿色环保冲压模具的应用3.智能化与自动化冲压模具的趋势七、结论1.冲压模具在制造业中的地位2.冲压模具设计的挑战与机遇正文:一、引言随着现代制造业的快速发展,冲压模具在各类产品生产中发挥着举足轻重的作用。
作为一种实用性的技术手册,本书旨在为从事冲压模具设计、制造和使用的工程技术人员提供一本全面、实用、易懂的参考书籍。
通过学习本手册,读者可以更好地掌握冲压模具的设计原则、方法及应用,提高冲压模具的性能与安全性,降低生产成本,提升产品质量。
二、冲压模具基本原理与类型冲压加工是一种在压力机上进行的金属板料成形过程。
它通过模具将金属板料冲压成所需形状和尺寸的零件。
根据成形方式的不同,冲压模具可分为以下几种类型:1.冲裁模具:主要用于将金属板料裁切成所需形状和尺寸的零件。
2.弯曲模具:用于将金属板料弯曲成所需形状的零件。
3.拉深模具:通过拉伸金属板料,使其成形为具有复杂形状的零件。
4.胀形模具:通过压力使金属板料胀大,形成所需形状的零件。
5.翻边模具:用于将金属板料的边缘翻折成一定角度和形状。
三、冲压模具设计要点冲压模具设计是一项复杂的工作,需要充分考虑模具结构、材料、零件设计、装配与调试等方面。
1.模具结构设计:根据零件成形工艺要求,设计合理的模具结构,确保成形过程顺利进行。
2.模具材料选择:根据零件材料、成形工艺和模具使用寿命等因素,选择合适的模具材料。
冲压工艺学课程设计说明书模具类型:冲孔——落料连续模:学号:指导教师:2015年6月目录一、设计任务 (1)二、原始数据 (1)三、零件图的工艺分析 (1)四、工艺方案及模具结构类型 (2)五、冲裁件排样分析 (2)六、各种工艺计算 (3)6.1 冲裁力计算 (4)6.2 压力中心计算 (4)6.3 凸凹模刃口尺寸及公差计算 (5)6.4 压力机的选取 (6)七、模具零件设计与选择 (6)7.1 主要元件设计 (6)7.2主要元件强度校核 (8)7.3 其他元件设计及尺寸选取 (10)八、设计心得 (11)九、主要参考书 (11)一、 设计任务1. 绘制模具装配图2. 绘制重要元件零件图2~3个3. 完成模具设计说明书二、 原始数据三、 零件图的工艺分析冲裁件的工艺性是指从冲压工艺方面来衡量设计是否合理。
一般的讲,在满足工件使用要求的条件下,能以最简单最经济的方法将工件冲制出来,就说明该件的冲压工艺性好,否则,该件的工艺性就差。
当然工艺性的好坏是相对的,它直接受到工厂的冲压技术水平和设备条件等因素的影响。
以上要确定冲压件的结构,形状,尺寸等对冲裁件工艺的适应性的主要因素。
根据这一要求φ30φ20零件名称:垫圈材料:30CrMnSi 镀锌 精度等级:IT12 产量:50万件/年板料尺寸:1000×2000对该零件进行工艺性分析。
零件尺寸公差要求IT12级,零件尺寸为大径30mm,公差为0.21mm,小径为20mm,公差为0.21mm。
由于该件外形简单,形状规则,利用普通冲裁方式可达到图样要求。
材料为30CrMnSi镀锌,厚度为3mm,σ=529~736MPa,此种材料有足够的强度,适合于冲压生产。
根据以上数据分析,此产品冲压工艺性较好,故选择冲压方法进行加工。
四、工艺方案及模具结构类型该零件包括落料、冲孔两个基本工序,可以采用以下三种工艺方案:(1)先落料,再冲孔,采用单工序模生产;(2)落料—冲孔复合冲压,采用复合模生产;(3)冲孔—落料连续冲压,采用连续模生产。
冲压模具课程设计说明书.doc冲压模具课程设计说明书导言本文档是冲压模具课程设计的详细说明书,旨在帮助学生深入理解冲压模具的设计原理、工艺流程和相关技术要求。
本文档详细介绍了冲压模具的基本概念、设计流程、材料选择、加工工艺等内容,以及课程设计的具体要求和评估标准。
第一章冲压模具概述1.1 冲压模具的定义1.2 冲压模具的分类1.2.1 单工位模具1.2.2 多工位模具1.2.3 复合模具1.3 冲压模具的基本组成部分1.3.1 上模1.3.2 下模1.3.3 引导装置1.3.4 顶针1.3.5 顶板1.4 冲压模具的工作原理1.5 冲压模具在工业生产中的应用第二章冲压模具设计流程2.1 产品设计分析2.2 模具设计准备2.2.1 工艺方案选择2.2.2 材料选择2.2.3 设计任务书编写2.3 模具零部件设计2.3.1 上模设计2.3.2 下模设计2.3.3 引导装置设计2.3.4 顶针设计2.3.5 顶板设计2.3.6 其他相关组件设计2.4 模具总体设计2.5 模具制造与加工2.6 模具调试与试产第三章冲压模具材料选择3.1 冲压模具材料性能要求3.2 常用模具材料3.2.1 工具钢3.2.2 合金工具钢3.2.3 超硬合金3.2.4 陶瓷材料3.2.5 复合材料3.3 模具材料的选择原则第四章冲压模具加工工艺4.1 冲压模具加工流程4.2 模具零部件加工4.2.1 零部件加工设备选择4.2.2 加工工艺规程确定4.2.3 加工工艺文件编制4.3 模具装配与试验4.3.1 模具装配前准备工作4.3.2 模具装配过程4.3.3 模具试验与调试4.4 模具维护与保养4.4.1 模具使用生命周期管理4.4.2 模具保养与维护方法4.4.3 模具故障排除与处理第五章课程设计要求与评估标准5.1 课程设计要求5.2 评估标准5.2.1 设计方案合理性评估5.2.2 模具设计准确性评估5.2.3 模具加工工艺评估5.2.4 模具试验与调试评估5.2.5 学生报告书评估附件1.产品设计分析报告范本2.模具零部件设计图纸范本3.模具装配图范本4.模具加工工艺文件范本5.模具试验与调试记录范本法律名词及注释1.冲压模具:指用于冲压加工的模具,用于将板材等材料加工成具有一定形状和尺寸的零件。
多工位冲压模具设计的技巧
多工位冲压模具设计需要考虑多个工位之间的协调和连接,以下是一些常用的技巧:
1. 模具结构设计:选择合适的模具结构和配置,使得多个工位之间的切换和转换更加方便和快捷。
可以采用模板式设计,通过更换模板来实现多个工位的转换。
2. 工件定位设计:在每个工位上设置准确的工件定位装置,确保工件在不同工位之间的准确定位,以免出现位置偏差导致冲压失效。
3. 节省空间:考虑多工位之间的空间占用,特别是在有限空间内进行设计时,可以采用嵌套和叠加的方式来节省空间。
4. 合理布局:对多工位进行合理的布局,使得冲压过程中的传递和流动更加顺畅。
可以依据冲压流程设计工位的顺序和位置,减少工件的移动距离。
5. 成型方式选择:根据工件的形状和要求,选择合适的成型方式。
可以采用复合模式,即在同一个工位上完成多道工序,减少工位的数量。
6. 统一标准件:采用标准件和模具零部件,使得多个工位之间的切换更加方便和快捷,同时减少制造和维护的成本。
7. 模具加工精度控制:在多工位冲压模具的设计和加工过程中,要严格控制加工精度,确保各个工位的位置和尺寸的准确性。
8. 设计模拟和优化:使用模具设计软件进行模拟和优化,对多工位冲压模具的结构和工艺进行仿真分析,找出问题和改进的空间,在设计阶段就预先解决问题。
9. 设计可靠性:在多工位冲压模具设计中,要考虑生产的稳定性和可靠性,保证模具的寿命和工作效率,同时尽量减少停机时间和维护成本。
10. 模具维护与保养:对多工位冲压模具进行定期的维护和保养,及时清洁和修复,确保模具的正常工作和寿命的延长。
1 前言 .................................................................... 1. 2零件的工艺性分析.......................................................... 3.2.1 结构与尺寸..........................................................3.2.2精度................................................................3.2.3材料................................................................3. 3工艺设计 .................................................................4..3.1排样方式的确定及计算 (4)3.2计算凹、凸模刃口尺寸 (5)3.2.1确定凸、凹模刃口尺寸的原则 (5)3.2.2确定加工方法 ................................................ 6.3.2.3工作部分尺寸的计算 (6)3.3计算冲压力与压力中心 (8)3.3.1冲压力的计算 ................................................ 8.3.3.2确定压力中心 (9)4主要零部件的设计 ......................................................... 9.4.1工作零部件的结构设计 (9)4.2定位零件的设计 (13)4.3卸料与出件装置 (12)冲压模具课程设计任务书设计要求:1、设计名称:冲压件2、零件简图:42±0,129S6+I8I □03、基本参数:材料:45料厚:1mm 批量:大批量冲压模具课程设计关键词:模具;冲裁件;凹模;凸模;1 前言冲压是利用安装在冲压设备(主要是压力机)上的模具对材料施加压力,使其产生分离或塑性变形,从而获得所需零件(俗称冲压或冲压件)的一种压力加工方法。
目录一、冲压工艺的介绍 (1)二、冲裁模介绍 (3)三、模具简介 (4)四、使用电脑软件绘图 (5)五、模具零件及其加工工艺 (6)六、模具装配图 (9)七、实验心得 (10)1.冲压工艺的介绍冲压模具在实际工业生产中应用广泛。
在传统的工业生产中,工人生产的劳动强度大、劳动量大,严重影响生产效率的提高。
随着当今科技的发展,工业生产中模具的使用已经越来越引起人们的重视,而被大量应用到工业生产中来。
冲压模具的自动送料技术也投入到实际的生产中,冲压模具可以大大的提高劳动生产效率,减轻工人负担,具有重要的技术进步意义和经济价值。
冲压靠压力机和模具对板材、带材、管材和型材等施加外力,使之产生塑性变形或分离,从而获得所需形状和尺寸的工件(冲压件)的成形加工方法。
冲压和锻造同属塑性加工合称锻压。
冲压的坯料主要是热轧和冷轧的钢板和钢带。
全世界的钢材中,有60%~70%是板材,其中大部分经过冲压制成成品。
汽车的车身、底盘、油箱、散热器片,锅炉的汽包,容器的壳体,电机、电器的铁芯硅钢片等都是冲压加工的。
仪器仪表、家用电器、自行车、办公机械、生活器皿等产品中,也有大量冲压件。
特点冲压件与铸件、锻件相比,具有薄、匀、轻、强的特点。
冲压可制出其他方法难于制造的带有加强筋、肋、起伏或翻边的工件,以提高其刚性。
由于采用精密模具,工件精度可达微米级,且精度高、规格一致,可以冲压出孔窝、凸台等。
冷冲压件一般不再经切削加工,或仅需要少量的切削加[工。
热冲压件精度和表面状态低于冷冲压件,但仍优于铸件、锻件,切削加工量少。
冲压是高效的生产方法,采用复合模,尤其是多工位级进模,可在一台压力机(单工位或多工位的)上完成多道冲压工序,实现由带料开卷、矫平、冲裁到成形、精整的全自动生产。
生产效率高,劳动条件好,生产成本低,一般每分钟可生产数百件。
分类冲压主要是按工艺分类,可分为分离工序和成形工序两大类。
分离工序也称冲裁,其目的是使冲压件沿一定轮廓线从板料上分离,同时保证分离断面的质量要求。
冲压模具课程设计说明书冲压模具课程设计说明书一、引言本文档旨在设计一个冲压模具课程,以满足学生对于冲压模具设计与制造的需求。
本课程设计说明书将详细介绍课程的目标、内容、教学方法、评估方式等。
二、课程目标1、了解冲压模具的基本概念和工作原理;2、掌握冲压模具的各种设计方法和技巧;3、熟悉冲压模具的制造工艺流程;4、能够根据产品要求进行冲压模具设计和制造;5、培养学生的创新能力和团队合作意识。
三、课程内容1、冲压模具概述1.1 冲压模具的定义和分类1.2 冲压模具的工作原理1.3 冲压模具的应用领域2、冲压模具设计基础2.1 零件设计和材料选择2.2 冲压件的材料性能与工艺2.3 冲压模具的设计要求3、冲压模具设计方法3.1 冲压模具的结构设计3.2 冲压模具的工艺设计3.3 冲压模具的热处理与表面处理4、冲压模具制造工艺4.1 冲压模具的基础加工4.2 冲压模具的装配与调试4.3 冲压模具的运行与维护5、冲压模具技术创新与发展趋势5.1 冲压模具的新材料与新工艺5.2 冲压模具的智能化与自动化5.3 冲压模具的绿色设计与可持续发展四、教学方法本课程将采用多种教学方法,包括讲授、实践操作、案例分析和团队项目等。
学生将通过理论学习和实践操作相结合的方式,全面掌握冲压模具的设计与制造技能。
五、评估方式学生的评估将综合考虑平时表现、作业完成情况、实践操作能力和项目成果等因素。
具体评估方式包括个人报告、课堂测试、作业评定、实践考核等。
六、附件本文档涉及以下附件:1、冲压模具设计案例集2、冲压模具制造流程图3、冲压模具材料选择表4、冲压模具装配调试图纸七、法律名词及注释1、冲压模具:工业生产中用于冲裁、成形等加工操作的专用工具。
2、创新能力:指个体或群体在解决问题或实现目标时所展现的创造性思维和行动能力。
3、团队合作意识:指个体在团队合作中能够主动思考、承担责任、协调合作,以实现团队共同目标的意识和能力。
冲压模具手册
冲压模具手册是一本用于指导冲压模具设计、制造和使用的技术资料。
这本手册通常包含以下内容:
1. 冲压模具的基本知识:介绍冲压模具的分类、结构和工作原理,以及与冲压模具相关的材料和工艺知识。
2. 基本设计原则:介绍冲压模具的设计原则,包括模具的尺寸和结构设计、模具零件的选型和配合、模具的热处理和表面处理等。
3. 模具制造工艺:介绍冲压模具的制造过程,包括模具的加工工艺、加工设备和工具的选择,以及模具装配和试模的方法。
4. 模具使用和维护:介绍冲压模具的使用方法和维护技术,包括模具的安装和调试、模具的保养和维修,以及模具寿命的评估和延长方法。
5. 模具故障和排除:介绍冲压模具常见的故障原因和排除方法,包括模具的破损和变形、模具的卡料和卡模、冲压件的质量问题等。
6. 常用冲压工艺参数:列举冲压加工中常用的工艺参数,包括模具的开料和开料量、模具的冷却和润滑方式,以及冲压件的成形力和速度等。
冲压模具手册通常由经验丰富的模具设计师和制造工程师编写,
旨在为模具制造企业和设计人员提供有针对性的技术指导,提高冲压模具的设计和制造水平,提高模具的使用效率和寿命。
冲压模具设计手册
冲压模具设计手册是一系列关于冲压模具设计、制造和维修的实用工具书。
这些手册内容全面,图文并茂,实用性强,主要包括以下几个方面:
1. 冲压模具设计基础:介绍冲压模具设计的基本原理、计算方法、设计步骤与技巧,以及冲压模具设计中的各种禁忌。
2. 冲裁模具设计技巧与禁忌:阐述冲裁模具的设计方法、注意事项以及可能遇到的问题和解决方法。
3. 弯曲模具设计技巧与禁忌:介绍弯曲模具的设计原理、设计步骤和注意事项,以及可能遇到的问题和解决方法。
4. 拉深模具设计技巧与禁忌:讲解拉深模具的设计方法、注意事项以及可能遇到的问题和解决方法。
5. 成形模具设计技巧与禁忌:阐述成形模具的设计原理、设计步骤和注意事项,以及可能遇到的问题和解决方法。
6. 复合模具设计技巧与禁忌:介绍复合模具的设计方法、注意事项以及可能遇到的问题和解决方法。
7. 级进模具设计技巧与禁忌:讲解级进模具的设计原理、设计步骤和注意事项,以及可能遇到的问题和解决方法。
8. 冲压模具标准件设计技巧与禁忌:阐述冲压模具标准件的设计方法、注意事项以及可能遇到的问题和解决方法。
9. 冲压模具零件材料的设计技巧与禁忌:介绍冲压模具零件材料的选择、设计方法和注意事项,以及可能遇到的问题和解决方法。
总之,这些冲压模具设计手册根据作者在多年设计工作中积累的经验教训编写而成,贴合一线设计需求,可为从事冲压模具设计的工程技术人员提供帮助,也可供大中专院校相关专业师生学习参考。
冲压模具设计与制造实用手册1、引言本文档是针对冲压模具设计与制造的实用手册,旨在提供详细的指导和参考,帮助读者掌握冲压模具设计与制造过程中的关键知识和技能。
2、冲压模具概述2.1 冲压模具的定义和分类2.1.1 冲压模具的定义2.1.2 冲压模具的分类2.2 冲压模具的主要构成2.2.1 冲床2.2.3 模具导向机构2.2.4 其他附件和部件3、冲压模具设计基础3.1 冲压工艺分析和工艺定型3.1.1 冲压零件的材料选择3.1.2 冲压序列和工艺参数的确定3.1.3 模具结构设计原则3.2 冲压模具设计流程3.2.1 冲压模具的设计要求3.2.2 冲压模具设计的基本步骤3.3 冲压模具设计的常见问题和解决方法 3.3.1 模具的裂纹和磨损问题3.3.2 模具的变形和断裂问题4、冲压模具制造工艺4.1 冲压模具的材料选择和热处理4.1.1 冲压模具材料的选择原则4.1.2 冲压模具的常用热处理方法4.2 冲压模具的加工工艺4.2.1 冲压模具的粗加工4.2.2 冲压模具的精密加工4.2.3 冲压模具的组装和调试4.3 冲压模具的保养和维修4.3.1 冲压模具的日常保养4.3.2 冲压模具的维修和更换部件5、附件本文档涉及的附件:5.1 冲压模具设计案例5.2 冲压模具制造流程图5.3 冲压模具设计软件推荐6、法律名词及注释6.1 著作权法相关名词注释6.1.1 著作权6.1.2 著作篇目6.2 专利法相关名词注释6.2.1 专利权6.2.2 发明专利。
冲压工艺与模具设计第6章多工位级进模设计多工位级进模设计是冲压工艺和模具设计中的一种重要技术。
它通过在模具中设置多个工位,并在一次冲压周期内完成多道工序的加工,提高了生产效率,降低了生产成本。
本章将介绍多工位级进模设计的原理、步骤和注意事项。
首先,多工位级进模设计的原理是在一张板材上设置多个工位,通过模具的移动,将板材逐个引导至不同的工位进行加工。
这样能够实现多道工序的同步进行,大大提高了生产效率。
同时,多工位级进模设计还能够减少加工误差,提高产品的质量稳定性。
多工位级进模设计的步骤主要包括以下几个方面:1.确定工序和工位数:根据产品的工艺要求和加工工序,确定需要设置的工位数。
通常情况下,每个工位都有一个特定的工序,因此需要根据产品的工艺流程来确定工位数。
2.工位的位置和间距:根据产品的尺寸和形状,确定不同工位之间的位置和间距。
通常情况下,工位之间的距离要足够大,以便模具的移动和板材的引导。
同时,还需要考虑工件的定位和夹持问题。
3.设计模具结构:根据产品的形状和工艺要求,设计模具的结构。
模具的结构应该能够实现板材的引导和定位,同时还要具备足够的刚性和稳定性。
4.确定进模方式:根据产品的工艺流程和加工要求,确定板材的进模方式。
通常情况下,可以采用滑块、导柱、引导板等方式来实现板材的进模。
5.考虑模具的适应性:在设计模具的同时,还要考虑模具的适应性。
模具应该能够适应不同尺寸和形状的板材,以应对不同的生产需求。
在进行多工位级进模设计时,还需要注意以下几点:1.合理安排工位的顺序:根据产品的工艺要求和加工工序,合理安排工位的顺序。
通常情况下,先进行简单工序,再进行复杂工序,以确保生产的连续性和高效性。
2.考虑工位的平衡性:在设置多个工位时,要考虑工位之间的平衡性。
工位之间的加工时间应该尽量一致,以避免生产的瓶颈。
3.加工误差的控制:在多工位级进模设计中,由于板材的引导和移动,容易产生加工误差。
因此,需要在设计模具时,采取相应的措施来控制加工误差,提高产品的精度和一致性。
实用冲压模具设计手册摘要:1.冲压模具设计手册的实用性2.冲压模具设计的基本原则3.冲压模具设计的具体步骤4.冲压模具设计的注意事项5.总结正文:【1.冲压模具设计手册的实用性】冲压模具设计手册是一本针对冲压模具设计的专业书籍,它为从事冲压模具设计的人员提供了详细的设计方法和技巧。
手册涵盖了冲压模具设计的各个方面,包括模具结构设计、模具材料选择、模具零件的公差配合、模具的装配与调整等。
对于模具设计工程师来说,这是一本非常实用的参考书籍。
【2.冲压模具设计的基本原则】在进行冲压模具设计时,需要遵循一些基本原则。
首先,应满足冲压工艺的要求,保证冲压件的尺寸、形状和表面质量。
其次,模具结构应简单、紧凑,易于制造、装配和维修。
此外,模具材料的选择应根据使用条件来确定,既要保证模具的寿命,又要考虑成本。
最后,模具设计应注重安全,避免在操作过程中出现危险。
【3.冲压模具设计的具体步骤】冲压模具设计的具体步骤如下:1) 了解冲压件的工艺要求,包括冲压材料、冲压工艺、冲压件尺寸等。
2) 确定模具类型,根据冲压件的特点选择适合的模具类型。
3) 设计模具结构,根据模具类型和冲压工艺要求,设计出合理的模具结构。
4) 选择模具材料,根据使用条件选择合适的模具材料。
5) 确定模具零件的公差配合,以保证模具的装配和使用。
6) 设计模具的装配与调整,确保模具的安装和调整方便。
7) 完成模具设计图,将以上内容以图纸形式表现出来。
【4.冲压模具设计的注意事项】在进行冲压模具设计时,需要注意以下几点:1) 确保模具设计的合理性,避免出现不合理的设计。
2) 注意模具结构的紧凑性,避免浪费材料和增加成本。
3) 选择合适的模具材料,既要保证模具寿命,又要考虑成本。
4) 注意模具零件的公差配合,以保证模具的装配和使用。
5) 考虑模具的维修性和安全性,避免在操作过程中出现危险。
【5.总结】实用冲压模具设计手册为模具设计工程师提供了详细的设计方法和技巧,对于提高模具设计的质量和效率具有重要的指导作用。