钣金件-压铸件-挤压件-塑胶件工艺设计指南
- 格式:pdf
- 大小:1.51 MB
- 文档页数:84
挤压工艺及模具设计Extrusion Technology and Mould Design一、挤压工艺分类挤压可分为以下三类:1)冷挤压,又称冷锻,一般指在回复温度以下(室温)的挤压。
2)温挤压,一般指坯料在金属再结晶温度以下、回复温度以上进行的挤压。
对于黑色金属,以600℃为界,划分为低温挤压和高温挤压。
3)热挤压,指坯料在金属再结晶温度以上进行的挤压。
1)冷挤压工艺冷挤压是在冷态下,将金属毛坯放入模具模腔内,在强大的压力和一定的速度作用下,迫使金属从模腔中挤出,从而获得所需形状、尺寸以及一定力学性能的挤压件。
冷挤压与热锻、粉末冶金、铸造及切削加工相比,具有以下主要优点:1)因在冷态下挤压成形,挤压件质量好、精度高、其强度性能也好;2)冷挤压属于少、无切削加工,节省原材料;3)冷挤压是利用模具来成形的,其生产效率很高;4)可以加工其它工艺难于加工的零件。
2)温挤压工艺温挤压成形技术是近年来在冷挤压塑性成形基础上发展起来的一种少无切削新工艺,又称温热挤压。
它与冷、热挤压不同,挤压前已对毛坯进行加热,但其加热温度通常认为是在室温以上、再结晶温度以下的温度范围内。
对温挤压的温度范围目前还没有一个严格的规定。
有时把变温前将毛坯加热,变形后具有冷作硬化的变形,称为温变形。
或者,将加热温度低于热锻终锻温度的变形,称为温变形。
从金属学观点来看,区分冷、热加工可根据金属塑性变形后有无加工硬化现象存在来决定似乎更合理些。
在金属塑性变形后存在加工硬化现象这个过程称为冷变形及温变形。
3)热挤压工艺热挤压是几种挤压工艺中最早采用的挤压成形技术,它是在热锻温度时借助于材料塑性好的特点,对金属进行各种挤压成形。
目前,热挤压主要用于制造普通等截面的长形件、型材、管材、棒料及各种机器零件等。
热挤压不仅可以成形塑性好,强度相对较低的有色金属及其合金,低、中碳钢等,而且还可以成形强度较高的高碳、高合金钢,如结构用特殊钢、不锈钢、高速工具钢和耐热钢等。
钣金件结构设计工艺手册目录1 第一章钣金零件设计工艺 11.1 钣金材料的选材 11.1.1 钣金材料的选材原则 11.1.2 几种常用的板材 11.1.3 材料对钣金加工工艺的影响 31.2 冲孔和落料: 51.2.1 冲孔和落料的常用方式 51.2.2 冲孔落料的工艺性设计91.3 钣金件的折弯131.3.1 模具折弯:131.3.2 折弯机折弯141.4 钣金件上的螺母、螺钉的结构形式261.4.1 铆接螺母261.4.2 凸焊螺母291.4.3 翻孔攻丝301.4.4 涨铆螺母、压铆螺母、拉铆、翻孔攻丝的比较31 1.5 钣金拉伸321.5.1 常见拉伸的形式和设计注意事项321.5.2 打凸的工艺尺寸331.5.3 局部沉凹与压线331.5.4 加强筋341.6 其它工艺351.6.1 抽孔铆接351.6.2 托克斯铆接361.7 沉头的尺寸统一361.7.1 螺钉沉头孔的尺寸361.7.2 孔沉头铆钉的沉头孔的尺寸的统一361.7.3 沉头螺钉连接的薄板的特别处理362 第二章金属切削件设计工艺372.1 常用金属切削加工性能372.2 零件的加工余量382.2.1 零件毛坯的选择和加工余量382.2.2 工序间的加工余量382.3 不同设备的切削特性、加工精度和粗糙度的选择39 2.3.1 常用设备的加工方法与表面粗糙度的对应关系39 2.3.2 常用公差等级与表面粗糙度数值的对应关系392.4 螺纹设计加工402.4.1 普通螺纹的加工方法402.4.2 普通螺纹加工常用数据402.4.3 普通螺纹的标记412.4.4 普通螺纹公差带的选用及精度等级412.4.5 英制螺纹的尺寸系列422.5 常见热处理选择和硬度选择。
422.5.1 结构钢零件热处理方法选择422.5.2 热处理对零件结构设计的一般要求432.5.3 硬度选择433 第三章压铸件设计工艺443.1 压铸工艺成型原理及特点443.2 压铸件的设计要求453.2.1 压铸件设计的形状结构要求453.2.2 压铸件设计的壁厚要求453.2.3 压铸件的加强筋/肋的设计要求453.2.4 压铸件的圆角设计要求453.2.5 压铸件设计的铸造斜度要求463.2.6 压铸件的常用材料463.2.7 压铸模具的常用材料464 第四章铝型材零件设计工艺463.3 型材挤压加工的基本常识463.3.1 铝型材的生产工艺流程463.3.2 常见型材挤压方法473.3.3 空心型材挤压模具简单介绍493.4 铝型材常用材料及供货状态493.5 铝型材零件的加工及表面处理513.5.1 铝合金型材零件的加工513.5.2 铝合金型材零件的表面处理514 第五章金属的焊接设计工艺534.1 金属的可焊性534.1.1 不同金属材料之间焊接及其焊接性能534.1.2 同种金属的焊接性能534.2 点焊设计554.2.1 接头型式554.2.2 点焊的典型结构554.2.3 点焊的排列554.2.4 钢板点焊直径以及焊点之间的距离564.2.5 铝合金板材的点焊574.2.6 点焊的定位574.3 角焊584.4 缝焊585 第六章塑料件设计工艺595.1 塑胶件设计一般步骤595.2 公司不同的产品系列推荐的材料种类。
钣金件设计规范1.范围本设计规范规定了钣金件设计的一般要求和空调器需注意的要求本设计规范适用于内销和出口的空调器产品中使用的钣金零件,其他产品可参考使用2.相关标准QJ/MK02.001-2001a 房间空气调节器GB/T 13914-1992 冲压件尺寸公差QJ/MK05.022-2002 冷轧板喷涂件技术条件QJ/MK 05.910-2001 连续电镀锌钢板及钢带QJ/MK 05.912-2001 连续热镀锌钢板及钢带3.内容3.1 冲裁件3.1.1 冲裁件最小冲孔尺寸与孔的形状、材料厚度、材料的机械性能及冲孔方式有直接关系。
在设计方孔、圆孔、长方孔、椭圆孔、异形孔等时,要充分考虑以上因素, 自由凸模冲孔的最小尺寸见表—1,精冲圆孔的最小孔径见表—2,精冲腰形孔的e min/t见表—3。
表—1 自由凸模冲孔的最小尺寸注:t为材料厚度,冲孔最小尺寸一般不小于0.3mm。
表—2 精冲圆孔的最小孔径注:薄料取上限,厚料取下限表—3 精冲腰形孔的e min/t3.1.2 冲孔边缘离外形的距离(孔边距)过小时,会影响冲件的质量甚至模具的寿命,最小孔边距见表—4。
表—4 最小孔边距注:精冲时薄料取上限,厚料取下限3.1.3 在设计弯曲件和引伸件上的孔时,孔边缘与工件直壁之间应保持一定的距离,弯曲件和引伸件冲孔时的孔壁距见图—1。
图—1 弯曲件和引伸件冲孔时的孔壁距3.1.4 冲裁件转角处需设计合适的圆角半径,冲裁件的最小圆角半径见表—5、表—6。
表—5 普通冲裁件的最小圆角半径注:当t<1 mm时,以t=1 mm计算表—6 精冲件的最小圆角半径3.1.5 冲裁件凸出和凹入部分的最小宽度与其长度及材料厚度有关。
设计冲裁件时需考虑此因素,普通冲裁件凸出和凹入部分的尺寸见表—7。
表—7 普通冲裁件凸出和凹入部分的尺寸注:聚氨酯冲裁件的局部凸、凹宽度一般大于2—4t3.1.6 设计冲裁件时要考虑合理的精度等级范围及合理的尺寸公差,冲裁件的合理精度等级和尺寸公差见表—8、表—9。
冲压及钣金件制造中的挤压成形技术研究引言随着现代工业化的发展,冲压及钣金件制造正在成为制造业中重要的工艺方式之一。
挤压成形技术作为冲压及钣金件制造中的一种重要方法,其具有高效率、高精度、高质量的特点,被广泛应用于汽车、航天、家电等各个领域。
本文旨在对冲压及钣金件制造中的挤压成形技术进行深入的研究。
一、挤压成形技术的概念及分类挤压成形技术是指通过对金属板材或金属管材施加一定的力和热力,使其在模具中产生塑性变形,从而获得所需形状的工艺方法。
根据被加工材料的不同,挤压成形技术可以分为板材挤压成形和管材挤压成形两种形式。
板材挤压成形是将金属板材放置在上下模板之间,通过模具的挤压作用使板材发生塑性变形,从而获得所需形状的工艺过程。
该技术广泛应用于汽车车身、电子产品外壳等领域。
管材挤压成形是将金属管材放置在模具中,通过模具的挤压作用使管材发生塑性变形,从而获得所需形状的工艺过程。
该技术被广泛应用于航天器、石油管道等领域。
二、挤压成形技术的工艺过程挤压成形技术的工艺过程可以分为准备工作、装模、填料、挤压、冷却和脱模等多个步骤。
准备工作包括准备加工材料、清洁模具、调整设备参数等。
这是保证挤压成形过程顺利进行的重要环节,也是确保成品质量的关键因素。
装模是将金属板材或金属管材放置在模具中的过程。
在装模前,需要设计和制造合适的模具,确保模具能够实现所需形状的成品。
填料是指将金属板材或金属管材放入装模后的模具中,以确保材料能够完整覆盖模具空间。
填料过程需要保证填料的均匀性和一致性,避免出现空隙和变形等问题。
挤压是指施加力和热力,使金属板材或金属管材发生塑性变形的过程。
挤压过程应根据材料的特性和所需成品的形状进行合理的选择,并保证挤压的正常进行。
冷却是指将挤压后的金属板材或金属管材进行适当的冷却,使其达到所需的物理和化学性质。
冷却时间和方式的选择会对成品的质量产生重大影响。
脱模是指将冷却后的金属板材或金属管材从模具中取出的过程。
第6部分钣金件设计指南(二)引言:钣金件是一种常见的工程零部件,广泛应用于各种机械、电子、汽车等领域。
在设计和制造钣金件时,需要考虑不同材料的选择、结构设计、加工工艺等因素。
本文将从五个大点出发,详细阐述钣金件设计的指南。
概述:本文将围绕钣金件设计的五个主要方面展开,分别是材料选择、结构设计、加工工艺、装配等。
通过深入挖掘这些方面的内容,可以帮助设计师更好地理解和应用钣金件设计原则,提高产品的质量和性能。
正文内容:一、材料选择1. 分析使用环境和要求:钣金件设计的首要任务是选择适合使用环境和要求的材料。
例如,在高温环境中需要选择耐高温材料,在耐腐蚀环境中需要选择抗腐蚀材料。
2. 考虑成本和可用性:在进行钣金件设计时,还需要考虑材料的成本和可用性。
优先选择成本低、可用性高的材料,以提高制造效率和降低成本。
3. 确定材料的物理特性:在选择材料时,要考虑其物理特性,如强度、刚度、导热性等。
根据具体需要,选择合适的材料以满足设计要求。
二、结构设计1. 合理设计零件结构:钣金件设计中的结构设计至关重要。
要确保零件的结构合理、稳定、牢固。
合理分布和布置零件的支撑点和连接点,以提高零件的刚度和稳定性。
2. 考虑装配和拆卸:在进行结构设计时,要考虑到钣金件的装配和拆卸。
设计合理的接口和连接方式,方便将来的维修和更换。
3. 降低重量并提高刚度:在结构设计过程中,要尽可能地降低钣金件的重量,同时提高其刚度。
可以通过加强支撑点、优化结构形式等方式实现。
三、加工工艺1. 根据材料性质选择合适的加工工艺:在钣金件设计过程中,要根据材料的性质选择合适的加工工艺。
不同工艺对材料的要求不同,需要合理选择,以提高加工效率和降低成本。
2. 设计合理的表面处理工艺:钣金件的表面处理对产品的质量和外观有重要影响。
要根据具体要求,设计合理的表面处理工艺,如喷涂、电镀等,以达到预期效果。
3. 考虑后续加工和装配的方便性:在设计过程中,要考虑到后续加工和装配的方便性。
39钣金件结构设计工艺手册1 第一章钣金零件设计工艺 11.1钣金材料的选材 11.1.1 钣金材料的选材原则 1 1.1.2 几种常用的板材11.1.3 材料对钣金加工工艺的影响 3 1.2冲孔和落料: 51.2.1 冲孔和落料的常用方式 5 1.2.2 冲孔落料的工艺性设计91.3钣金件的折弯13 1.3.1模具折弯:131.3.2 折弯机折弯 141.4钣金件上的螺母、 螺钉的结构形式 261.4.1 铆接螺母 261.4.2 凸焊螺母 291.4.3 翻孔攻丝301.4.4涨铆螺母、压铆螺母、拉铆、翻孔攻丝的比较1.5钣金拉伸 321.5.1 常见拉伸的形式和设计注意事项321.5.2 打凸的工艺尺寸 331.5.3 局部沉凹与压线 331.5.4 加强筋 341.6其它 :丄艺 351.6.1 抽孔铆接 351.6.2 托克斯铆接 361.7沉头的尺寸统一361.7.1 螺钉沉头孔的尺寸 361.7.2 孔沉头铆钉的沉头孔的尺寸的统一 36 1.7.3 沉头螺钉连接的薄板的特别处理 362 第二 章金属切削件设计工艺 372.1常用金属切削加工性能 372.2零件的加工余量 38 2.2.1 零件毛坯的选择和加工余量 382.2.2 工序间的加工余量382.3不同设备的切削特性、加工精度和粗糙度的选择2.3.1常用设备的加工方法与表面粗糙度的对应关系2.3.2 常用公差等级与表面粗糙度数值的对应关系 392.4螺纹设计加工 40 2.4.1 普通螺纹的加工方法 40 2.4.2 普通螺纹加工常用数据 402.4.3普通螺纹的标记4131392.4.4 普通螺纹公差带的选用及精度等级41245 英制螺纹的尺寸系列422.5常见热处理选择和硬度选择。
422.5.1 结构钢零件热处理方法选择422.5.2 热处理对零件结构设计的一般要求432.5.3 硬度选择433 第三章压铸件设计工艺443.1压铸工艺成型原理及特点443.2压铸件的设计要求453.2.1 压铸件设计的形状结构要求453.2.2 压铸件设计的壁厚要求453.2.3 压铸件的加强筋/肋的设计要求453.2.4 压铸件的圆角设计要求453.2.5 压铸件设计的铸造斜度要求463.2.6 压铸件的常用材料463.2.7 压铸模具的常用材料464第四章铝型材零件设计工艺463.3型材挤压加工的基本常识463.3.1 铝型材的生产工艺流程463.3.2 常见型材挤压方法473.3.3 空心型材挤压模具简单介绍493.4铝型材常用材料及供货状态493.5铝型材零件的加工及表面处理513.5.1 铝合金型材零件的加工513.5.2 铝合金型材零件的表面处理514 第五章金属的焊接设计工艺534.1金属的可焊性534.1.1 不同金属材料之间焊接及其焊接性能534.1.2 同种金属的焊接性能534.2点焊设计554.2.1 接头型式554.2.2 点焊的典型结构554.2.3 点焊的排列554.2.4 钢板点焊直径以及焊点之间的距离564.2.5 铝合金板材的点焊574.2.6 点焊的定位574.3角焊584.4缝焊585 第六章塑料件设计工艺595.1塑胶件设计一般步骤595.2公司不同的产品系列推荐的材料种类。
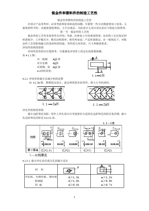
A AA 4.1 1图4.1 2a 图冷轧板、电镀锌板、镀锌板铝 板黄钢板材 料a≥0.7ta≥0.9ta≥1.2t d≥1.0t d≥1.3t d≥0.8t ad 钣金件和塑料件的制造工艺性在设计产品零件时,必须考虑到容易制造的问题。
尽量想一些方法既能使加工容易,又能使材料节约,还能使强度增加,又不出废品。
为此设计人员应该注意以下制造方面事项。
第一节 钣金件的工艺性钣金件的工艺性是指零件在冲切、弯曲、拉伸加工中的难易程度。
良好的工艺应保证材料消耗少,工序数目少,模具结构简单,使用寿命高,产品质量稳定。
在一般情况下,对钣金件工艺性影响最大的是材料的性能、零件的几何形状、尺寸和精度要求。
冲切件的构型原则冲切件的形状应尽量简单,尽量避免冲切件上的过长的悬臂狭槽。
如4.1-1图:对一般钢 A≥1.5t对合金钢 A≥2t 对黄铜、铝 A≥1.2t t —材料厚度。
4.1.2 冲切弃料最少以减少料的浪费如 4.1-2b 图,稍稍更改设计,就会得到更多的零件,将大大节约材料。
冲孔件的构型原则最小边距和孔间距。
零件上冲孔设计应考虑留有合适的孔边距和孔间距以免冲裂。
最小孔边距和孔间距见4.1—1表。
4.1.3-1 最小冲孔直径或方孔的最小边长4.1 2b 图Rt 图h taR b b R a冲孔时,应受到冲头强度的限制,冲孔的尺寸不能太小,否则容易损坏冲头。
最小冲孔直径及最小边长见4.1—2表。
t —材料厚度 4.1.3-2 冲切缺口原则冲切缺口应尽量避免尖角,如4.1—3a 图所示。
尖角形式容易减短模具使用寿命,且尖角处容易产生裂纹。
应改为如4.1—3b 图所示。
R≥0.5t (t─材料厚度)4.1—3a 图 4.1—3b 图 弯曲件的结构原则4.1.4-1 钣件最小弯曲半径钣件弯曲时,若弯曲处的圆角过小,则外表面容易产生裂纹。
若弯曲圆角过大,因受到回弹的影响,弯曲件的精度不易保证。
为此规定最小弯曲半径。
结构设计工艺手册前言公司现有零件中,不仅在打样过程中经常会有一些加工工艺性的问题,也有很多归档转产的零件存在加工困难的情况,不仅影响生产进度和交货,也影响结构件的质量。
如钣金零件的折弯,经常会发生折弯碰刀的情况;落料的外圆角、半圆凸台、异型孔的规格太多,以及一些不合理的形状设计,导致加工厂要多开很多不必要的落料模,大大增加模具的加工和管理成本;插箱的钣金导轨、拉伸凸台等设计,品种越来越多,需要统一、规范;喷漆和丝印,也经常出现喷涂选择不合理导致废品率较高、无法丝印等问题;有些钣金零件的点焊完全可以适当增加定位,不增加成本也不影响美观,实际上大部分设计是靠生产的工装定位,不仅麻烦、效率低,精度也不好;很多可以避免焊接的钣金零件,往往设计成角焊的结构形式,焊接和打磨都非常麻烦,不仅效率较低,而且外观质量也经常得不到保证,等等。
长期以来,这些相同的问题不断地重复发生,无论对产品质量还是产品的生产和进度,都会产生不良的影响。
编写这本《结构设计工艺手册》目的,就是为了方便工程师在结构设计时查阅一些常用的、关键的数据,更好地保证工程师设计出的零件有较好的加工工艺性,统一结构要素,减少不必要的开模,加快加工进度,降低加工成本,提高产品质量。
编写这本手册的同时,对《钣金模具手册》标准进行了彻底的改编,对一些典型的结构形状进行了优化和系列化,减少了品种,并在intralink库里对相关的模具建模,不仅方便设计人员进行结构设计,对模具的统一,也会起到较好的效果。
手册中一些典型的数据主要来源于参考资料,一些工艺上的极限尺寸,主要来源于加工厂家提供的数据,是我们应尽可能遵照的。
有些正在生产的零件,一些尺寸超出了手册中给出的极限尺寸,但并不能就能说明这些设计是有良好的工艺性,原则上是在满足产品性能的条件下,尽可能达到最好的加工工艺性。
由于时间和实际经验有限,手册中错误在所难免,恳请大家批评指正,希望经过一定时间的实践检验,经过将来补充、修订、完善之后,能够成为一部非常实用的参考书,对我们的设计工作起到很好的指导作用。
结构设计工艺手册钣金塑料压铸等目录1 第一章钣金零件设计工艺 11.1 钣金材料的选材 11.1.1 钣金材料的选材原则 11.1.2 几种常用的板材 11.1.3 材料对钣金加工工艺的影响 31.2 冲孔和落料: 51.2.1 冲孔和落料的常用方式 51.2.2 冲孔落料的工艺性设计91.3 钣金件的折弯131.3.1 模具折弯:131.3.2 折弯机折弯141.4 钣金件上的螺母、螺钉的结构形式261.4.1 铆接螺母261.4.2 凸焊螺母291.4.3 翻孔攻丝301.4.4 涨铆螺母、压铆螺母、拉铆、翻孔攻丝的比较311.5 钣金拉伸321.5.1 常见拉伸的形式和设计注意事项321.5.2 打凸的工艺尺寸331.5.3 局部沉凹与压线331.5.4 加强筋341.6 其它工艺351.6.1 抽孔铆接351.6.2 托克斯铆接361.7 沉头的尺寸统一361.7.1 螺钉沉头孔的尺寸361.7.2 孔沉头铆钉的沉头孔的尺寸的统一361.7.3 沉头螺钉连接的薄板的特别处理362 第二章金属切削件设计工艺372.1 常用金属切削加工性能372.2 零件的加工余量382.2.1 零件毛坯的选择和加工余量382.2.2 工序间的加工余量382.3 不同设备的切削特性、加工精度和粗糙度的选择392.3.1 常用设备的加工方法与表面粗糙度的对应关系392.3.2 常用公差等级与表面粗糙度数值的对应关系392.4 螺纹设计加工402.4.1 普通螺纹的加工方法402.4.2 普通螺纹加工常用数据402.4.3 普通螺纹的标记412.4.4 普通螺纹公差带的选用及精度等级412.4.5 英制螺纹的尺寸系列422.5 常见热处理选择和硬度选择。
422.5.1 结构钢零件热处理方法选择422.5.2 热处理对零件结构设计的一般要求432.5.3 硬度选择433 第三章压铸件设计工艺443.1 压铸工艺成型原理及特点443.2 压铸件的设计要求453.2.1 压铸件设计的形状结构要求453.2.2 压铸件设计的壁厚要求453.2.3 压铸件的加强筋/肋的设计要求453.2.4 压铸件的圆角设计要求453.2.5 压铸件设计的铸造斜度要求463.2.6 压铸件的常用材料463.2.7 压铸模具的常用材料464 第四章铝型材零件设计工艺463.3 型材挤压加工的基本常识463.3.1 铝型材的生产工艺流程463.3.2 常见型材挤压方法473.3.3 空心型材挤压模具简单介绍493.4 铝型材常用材料及供货状态493.5 铝型材零件的加工及表面处理513.5.1 铝合金型材零件的加工513.5.2 铝合金型材零件的表面处理514 第五章金属的焊接设计工艺534.1 金属的可焊性534.1.1 不同金属材料之间焊接及其焊接性能534.1.2 同种金属的焊接性能534.2 点焊设计554.2.1 接头型式554.2.2 点焊的典型结构554.2.3 点焊的排列554.2.4 钢板点焊直径以及焊点之间的距离564.2.5 铝合金板材的点焊574.2.6 点焊的定位574.3 角焊584.4 缝焊585 第六章塑料件设计工艺595.1 塑胶件设计一般步骤595.2 公司不同的产品系列推荐的材料种类。
压铸模设计、压铸件结构设计及压铸工艺引言压铸是一种常用的金属零件制造方法,其通过将熔化的金属注入到预先加工好的模具中,通过压力将金属冷却固化成型。
在压铸过程中,压铸模具的设计、压铸件结构的设计以及压铸工艺的选择都是至关重要的。
本文将分别介绍压铸模设计的相关要点、压铸件结构设计的原则以及压铸工艺的选择。
压铸模设计要点压铸模具是进行压铸加工的关键工具,其设计的合理与否直接影响到产品质量和生产效率。
下面是一些压铸模设计的要点:1.模具材料选择:常见的模具材料有钢、铝合金等,根据压铸件的要求和使用场景选择合适的模具材料,以确保模具具有足够的强度和耐磨性。
2.结构设计:模具的结构要合理,与压铸件的形状相匹配,避免出现脱模困难、变形等问题。
同时,要考虑到模具的拆卸和维护,方便进行清理和更换模具零部件。
3.冷却系统设计:在模具中设置合适的冷却系统,以提高压铸件的凝固速度并避免产生缺陷。
冷却系统的设计要考虑到冷却介质的流动性、冷却效果以及与压铸件形状的匹配等因素。
4.压铸模表面处理:对模具表面进行适当的处理,如喷涂涂层、表面硬化等,以延长模具的使用寿命和提高模具的抗腐蚀性能。
压铸件结构设计原则压铸件结构设计的目标是在满足产品功能和外观要求的前提下,尽量减少结构复杂性和提高生产效率。
以下是一些常用的压铸件结构设计原则:1.壁厚均匀:保持压铸件的壁厚均匀,避免厚度过大或过薄导致不均匀收缩和应力集中。
2.避免尖角和过度薄壁结构:减少压铸件中的尖角和过度薄壁结构,因为这些部分容易引起变形和缺陷。
3.引导放料设计:在压铸件结构中设置合适的引导放料设计,以确保熔融金属能够充分填充整个模腔,并避免产生气孔和冷却不均。
4.滑动方向和出料设计:考虑到模具的拆卸和压铸件的出料,结构中应合理设置滑动方向和出料设计,以方便模具的安装和压铸件的脱模。
压铸工艺选择在确定了压铸模具设计和压铸件结构设计后,还需要选择适合的压铸工艺。
以下是一些常用的压铸工艺选择要点:1.压铸机选择:根据压铸件的尺寸和形状,选择合适的压铸机型号和规格。
钣金设计指南钣金设计指南1.引言1.1 目的1.2 背景1.3 适用范围2.钣金材料选择2.1 钢板材料2.2 铝板材料2.3 不锈钢板材料2.4 合金材料2.5 材料选择要点3.钣金设计原则3.1 强度和刚度要求3.2 稳定性要求3.3 密封性要求3.4 防腐蚀要求3.5 工艺可行性要求4.钣金构件设计4.1 形状设计4.2 连接设计4.3 强度设计4.4 抗振动设计4.5 拆装性设计5.钣金加工工艺5.1 剪切5.2 折弯5.3 冲孔5.4 成型5.5 焊接5.6 表面处理6.钣金检测标准6.1 尺寸测量6.2 表面质量检测6.3 物理性能测试6.4 弯曲性能测试6.5 表面处理检测7.钣金安装指导7.1 安装前准备7.2 安装步骤7.3 安装注意事项7.4 安全操作指南8.钣金维护与保养8.1 清洁与保养8.2 修复与更换8.3 防腐蚀措施8.4 定期检查与维护9.附件9.1 钣金设计计算表 9.2 钣金加工设备清单9.3 钣金构件安装图纸注释:- 钢板材料: 指用于钣金制造的具有高强度和良好可塑性的金属材料。
- 铝板材料: 指用于钣金制造的轻质、耐腐蚀并具有较好导热性能的铝合金材料。
- 不锈钢板材料: 指用于钣金制造的具有耐腐蚀性能和高温强度的不锈钢材料。
- 合金材料: 指除钢、铝、不锈钢以外的其他金属材料,如铜合金、镍合金等。
本文档涉及附件:1.钣金设计计算表: 附在本文档后,用于帮助工程师进行钣金设计计算工作。
2.钣金加工设备清单: 附在本文档后,了进行钣金加工所需的设备清单,供参考使用。
3.钣金构件安装图纸: 附在本文档后,包含钣金构件的安装图纸,用于指导安装人员进行安装工作。
本文所涉及的法律名词及注释:- 强度: 指材料能承受的外力或内力而不发生破坏的能力。
- 刚度: 指材料在受力时抵抗变形的能力。
- 密封性: 指钣金构件在特定工作环境下保持封闭状态的能力。
- 防腐蚀性能: 指钣金构件对于腐蚀介质的耐受能力。
压铸件设计指南压铸件设计指南一、引言压铸件是一种常见的金属制造工艺,广泛应用于汽车、航空航天、电子等领域。
本指南旨在提供详细的压铸件设计指导,帮助工程师设计出高质量的压铸件。
二、材料选择1、材料性能介绍:详细介绍常用的压铸件材料,如铝合金、镁合金等,包括其力学性能、耐热性能等。
2、材料选择原则:根据压铸件的功能和应用环境,提供材料选择的指导原则,确保材料与设计要求相匹配。
三、几何设计1、壁厚设计:介绍壁厚的选择原则,包括最小壁厚、一致的壁厚和壁厚过渡的考虑。
2、强度设计:介绍压铸件的强度设计原则,包括应力集中的避免、适当的加强结构设计等。
3、浇注系统设计:详细介绍浇注系统的设计要点,包括浇注口设计、浇注系统流线型等。
四、协同设计注意事项1、合模方式:介绍常见的合模方式,包括单向模、双向模等,提供选择依据和设计考虑。
2、模具设计:提供模具设计的指导,包括模腔结构、排气系统设计等,确保模具与压铸件设计的协同性。
3、模具温控设计:介绍模具温控的重要性,包括冷却通道设计、温度控制要点等。
五、加工工艺1、压铸工艺参数:介绍常见的压铸工艺参数,如射压、射速等,提供优化建议。
2、表面处理:提供常用的压铸件表面处理方法,如喷砂、电镀等,讲解其工艺流程和注意事项。
3、精密加工:介绍压铸件的精密加工方法,如C加工、热处理等。
六、质量控制1、尺寸控制:详细介绍尺寸控制的方法和工具,如测量仪器、尺寸检测方法等。
2、表面质量控制:提供表面质量控制的标准和方法,如光洁度要求、表面缺陷检测等。
3、力学性能测试:介绍压铸件力学性能测试的方法,如拉伸试验、冲击试验等。
附件:1、压铸件设计实例:提供一些压铸件设计的实例供参考。
2、压铸工艺流程图:附带压铸工艺的流程图,便于理解和操作。
注释:1、压铸件法律名词及注释:- 压铸件:通过将熔化金属注入模具中并施加压力,制造出形状复杂的金属件的加工工艺。
- 浇注系统:金属液体进入模具的通道系统,包括浇注口和冷却液道。
引言:在现代制造业中,压铸件是一种常用的零件制造工艺。
为了确保压铸件的质量和性能,合理的设计是至关重要的。
本文将给出压铸件设计的指南,以帮助工程师们在设计过程中避免常见错误,并提高产品的质量和效率。
概述:压铸件设计是一个复杂的过程,需要综合考虑材料选择、结构设计、工艺要求等多种因素。
合理的设计能够提高产品的强度和刚度,减少材料的浪费,降低制造成本。
在本文中,我们将重点介绍压铸件设计的关键要点,并给出一些建议和技巧。
正文内容:1.材料选择1.1压铸材料的特性1.2常用的压铸材料1.3材料的力学性能要求1.4材料的熔化温度和流动性1.5材料的可加工性2.结构设计2.1设计要求分析2.2模具结构设计2.3壁厚和浇注系统设计2.4冷却系统设计2.5零件的尺寸和公差控制3.工艺要求3.1压铸工艺流程3.2压铸机选择和设置3.3涂料和涂层选择3.4表面处理要求3.5检测和检验标准4.模具设计4.1模具材料选择4.2模具结构设计4.3模具加工和装配4.4模具寿命和维护4.5模具的修复和更换5.产品质量控制5.1压铸件的缺陷和问题5.2检测和排除缺陷5.3压铸件的可靠性分析5.4数据分析和改进措施5.5持续改进和质量管理总结:压铸件设计是一个综合性的工程,需要工程师充分了解材料特性、结构设计、工艺要求等方面的知识。
通过本文所介绍的指南,希望能够帮助工程师们在设计过程中避免常见错误,并提高产品的质量和效率。
压铸件设计的关键在于合理选材、结构良好,并满足工艺要求,从而确保产品的可靠性和持久性。
引言概述压铸件是一种常用于生产各种复杂形状金属零件的工艺,具有精度高、成本低、效率高等优点。
在进行压铸件设计时,需要考虑多个因素,包括材料选择、模具设计、压力与温度控制等。
本文将详细介绍压铸件设计的指南,包括结构设计、形状设计、材料选择、模具设计和工艺控制。
正文内容1. 结构设计a. 了解产品要求:在进行结构设计前,需要全面了解产品的功能需求、强度要求、装配要求等,以确保压铸件的结构设计符合实际需求。