便拆式管道离心泵
- 格式:wps
- 大小:765.50 KB
- 文档页数:26
TD65-30G/2说明书一、产品概述TD型单级管道离心泵,配有标准电机和机械密封。
此类产品的结构与相近类型产品相比,更不易受到泵送液体中杂质的影响。
产品设计为顶部可拉出的拆装形式,其可以在不影响管路系统的情况下对泵进行维修。
其中TD32-TD150口径产品为加长轴结构。
TD200-TD300口径产品为便拆式结构,便拆式结构采用集装式机械密封,更换机械密封时无需拆卸电机。
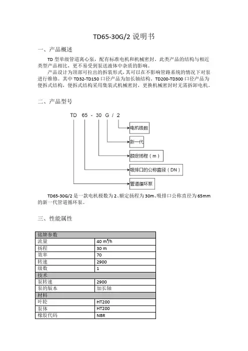
二、产品型号TD65-30G/2是一款电机极数为2、额定扬程为30m、吸排口公称直径为65mm 的新一代管道循环泵。
三、性能属性四、产品结构与尺寸1.结构:(1)产品采用电机与泵可分离式结构,泵部分设计为可拉出形式。
所有的该类产品都配有标准电机和机械密封。
电机为全封闭、风冷式标准电机。
其主要尺寸符合JB/T8680标准。
(2)产品泵体相当于段一管路。
在泵进行维修时,可以用盲法兰将泵体封堵,从而不影响系统的正常运行。
(3)产品的联接法兰尺寸符合GB/T17241.6或IS07005-2/DIN2501标准中PN16时的有关规定。
产品的进出口直径符合有关标准尺寸。
(4)产品的泵头是联接电机和泵的装置。
其与泵体之间的密封件采用“0”形圈。
2.尺寸图:五、性能曲线六、安装条件产品有不同的安装要求,具体的安装要求如下:1、系统管路具有支撑泵的能力,2.2kW以下(包括2.2kW)电机的泵可以直接悬置于管道中;系统管路不具有支撑泵的能力或泵电机功率大于2.2kW时,泵必须安装在支架或底板上。
2、对于配套2.2kW以下(包括2.2kW)电机的泵可以安装在水平或垂直于管道的位置上;对于2.2kW以上电机的泵只能安装在垂直于管道的位置上3、泵的安装,要保证泵在使用时系统管路的张力不应传递到泵体上。
4、为了保证电机的正常运转,泵要安装在保证有足够冷却的环境条件下,且冷却空气的温度不能超过40°C。
5、如果泵安装在户外,必须配置合适的外罩以防止电器元件进水或凝露。
泵型号各字母代表的意思 The Standardization Office was revised on the afternoon of December 13, 2020B: 单级单吸悬臂式离心泵。
D: 节段式多级泵。
DG: 节段式多级锅炉给水泵。
DL: 立轴多级泵。
DS: 首级用双吸叶轮的节段式多级泵。
F: 耐腐蚀泵。
JC: 长轴深井泵。
KD: 中开式多级泵。
KDS: 首级用双吸叶轮的中开式多级泵。
QJ: 井用潜水泵。
QX.: 单相干式下泵式潜水泵。
QS: 充水上泵式潜水泵。
QY: 充油上泵式潜水泵。
R: 热水泵。
S: 单级双吸式离心泵。
WB: 高扬程横轴污水泵。
Y: 液压泵。
YG: 管道式液压泵。
ZB: 自吸式离心泵。
目前离心泵产品型号一共有32种,分别是:SG管道离心泵、ISW卧式管道离心泵、QDLF不锈钢多级离心泵、GC锅炉给水离心泵、DL立式多级离心泵、GDL多级管道离心泵、PBG屏蔽式管道离心泵、YG立式管道油泵、ISWR卧式热水泵、ISWH卧式化工泵ISWB卧式管道油泵、ISG立式管道离心泵、IRG立式热水循环泵、IHG立式管道化工泵、ISGB便拆式管道离心泵ISGD低转速离心泵、ISWD低转速离心泵、IS单级单吸清水离心泵、IH单级单吸化工离心泵、FS卧式玻璃钢离心泵、S型玻璃钢离心泵、GBW浓硫酸离心泵、FSB型氟塑料合金离心泵、AFB、FB耐腐蚀离心泵、TSWA卧式多级离心泵、ZX自吸式离心泵、S、Sh单级双吸离心泵、LG高层建筑给水多级离心泵、CDLF不锈钢立式多级离心泵、D多级离心泵、CYZ-A自吸式离心泵、IHF氟塑料合金化工离心泵。
油泵的型号及技术参数AY型离心油泵:流量Q ~500m3/h 扬程H 60~300mAY型系列离心油泵可用在石油精致、石油化工和化学工业及其它输送不含固体颗粒的石油、液化石油气等介质。
DY型多级离心泵:流量Q 10~540m3/s 扬程H 87~690mDY型单吸多级离心输油泵适用于石油化工厂,用来输送不含固体颗粒、粘度小于120厘沲的无腐蚀油类和石油产品,被输送介质温度不得高于105℃。
排污泵系列型号管道离心泵型号意义Q:潜水W:排污G:管道Y:液下N:泥浆Z:自吸L:立式AS:撕裂JY:搅匀P:不锈钢B:防爆QW(WQ)无堵塞潜水式排污泵例:80WQ(QW)P40-15-480 WQ(QW) P 40 - 15 - 4│││││└─-泵的电机(KW)││││└───-泵的扬程(m)│││└─────--泵的流量(m3/h)││└───────-不锈钢材质│└─────────-潜水排污泵└───────────--泵的口径即代表泵排出公称直径(mm)JYWQ、JPWQ自动搅匀排污泵例:80JY(P)WQ50-10-1600-380 JY (P) WQ 50 - 10 - 1600 - 3│││││││└─泵的电机(KW)││││││└─-──泵的搅匀范围(mm)│││││└────-──泵的扬程(m)││││└─────────泵的流量(m3/h)│││└──────────W:排污Q:潜水P:不锈钢││└─────────-─-─P:不锈钢材质│└─────────-────-JY:搅匀ISG系列立式管道离心泵例:ISG50-160(I)AISG 50 - 160 (I) A(B)││││└─叶轮经第一次切割│││└─-──流量分类、(I)为大流量、││└─────叶轮名义外径(mm)│└────────泵的口径(mm)│┌ISG型立式离心泵└────────┼IRG型立式热水泵├IHG型立式不锈钢化工泵└YG型立式防爆油泵ISGD系列低转速立式管道离心泵例:ISGD80-160(I)AISGD 80 - 160 (I) A(B)││││└─叶轮经第一次切割│││└─-──流量分类、(I)为大流量、││└─────叶轮名义外径(mm)│└────────泵的口径(mm)│┌ISGD型低转速立式离心泵└────────┼IRGD型低转速立式热水泵├IHGD型低转速立式不锈钢化工泵└YGD型低转速立式防爆油泵└────────────泵的口径即代表泵排出公称直径(mm)例:100100-15-7.5100 GWP B 100 - 15 - 7.5│││││└─-泵的电机(KW)││││└───-泵的扬程(m)│││└──────-泵的流量(m3/h)││└───────--防爆电机│└─────────--G:管道式W:P:不锈钢└──────────-─-泵的口径即代表泵排出公称直径(mm)例:100PB100-15-7.5100 LW(WL) P B 100 - 15 - 7.5││││││└─泵的电机(KW)│││││└─-──泵的扬程(m)││││└──────-泵的流量(m3/h)│││└────────防爆电机││└─────────不锈钢│└────────────L:直立式W:排污└─────────────--泵排出的公称直径即口径(mm)例:100100-15-7.5100 YWP B 100 - 15 - 7.5 例:50-160(I)AISGB 50 - 160 (I) A B│││││└─叶轮经第一次切割││││└──流量分类、(I)为大流量、│││└──────叶轮名义外径(mm)││└─────泵的口径(mm)│└────────│┌ISGD型低转速立式离心泵└────────┼IRGD型低转速立式热水泵├IHGD型低转速立式不锈钢化工泵└YGD型低转速立式防爆油泵例:65-160(I)AISW 65 - 160 (I) A(B)││││└─叶轮经第一次切割│││└─-──流量分类、(I)为大流量、││└─────叶轮名义外径(mm)│└────────泵的口径(mm)│┌ISW型卧式管道离心泵└────────┼ISWR型卧式管道热水离心泵└ISWH型卧式不锈钢管道离心化工泵例:5015-30│││││└──泵的电机(KW)││││└────泵的扬程(m)│││└───────泵的流量(m3/h)││└───────-─防爆电机│└──────────-G:管道式W:排污泵P:不锈钢└──────────-──泵的口径即代表泵排出公称直径(mm)ZW无堵塞自吸式排污泵例:100ZW15-30PB100 ZW 15 - 30 P B│││││└────泵的电机(KW)││││└─────不锈钢材质│││└──────泵的扬程(m)││└───────-─泵的流量(m3/h)│└──────────(无堵塞自吸排污泵)Z:自吸式W:排污└────────────泵的口径即代表泵排出公称直径(mm)AS切割式潜水排污泵例:AS10-2WCBAS 10 - 2 W CB││││└──────抗堵塞撕裂机构│││└───────电压为220V││└───-─────电机的级数│└──────────-功率P2*100└────────────单叶片叶轮NL型立式污水泥浆泵50 SG 15 - 30│││└─叶轮经第一次切割││└─-──流量分类、(I)为大流量、│└────┬SG型管道离心泵│└SGR型热水管道离心泵└-──────泵的口径SPG系列管道屏蔽泵例:SPG80-200(I)ASPG (R) 80 - 200 (I) A (B) (C)│││││││└─-叶轮经第三次切割││││││└─-──叶轮经第二次切割│││││└─────叶轮经第一次切割││││└───────流量分类│││└─────────叶轮名义外径(mm)││└──────────-─泵进、出口公称直径(mm)│└────────────┬流体类别(普通不注、热水为R)│└腐蚀性流体为T,防爆为B└───────────────-屏蔽式管道离心泵消防泵型号意义XBD系列消防泵例:XBD10.4/5-50LGXB D 5.0 / 5 - 50 DL││││││┌DL立式多级消防泵转速1450r/min例:NL76A-9N L( C F W )76 A - 9│││││││└──泵的扬程(m) ││││││└────机械密封│││││└─────-出口径(mm)││││└───────卧式│││└────────不锈钢││└─────────加长型│└──────────--立式└───────────--泥浆泵WQK/QG系列带切割装置排污泵例:WQK20-20QGW Q K (X、D) 20 - 20 QG│││││││└─带切割装置││││││└─-─泵的扬程(m) │││││└────--泵的流量(m3/h)││││└───────单通道叶轮│││└───────-─旋涡式叶轮││└────────-─开式叶轮│└─────────---潜水式└──────────---污水│││││││LG立式多级便拆消防泵转速2900r/min │││││└┼ISG立式单级单吸消防泵││││││TSWA卧式多级消防泵││││││ISW卧式单级单吸消防泵│││││└GDL立式多级管道消防泵││││└─-─泵的口径(mm)│││└───-─流量(L/s)││└───────消防泵压力(扬程(50m))│└──────-──电动└──────────消防泵磁力传动离心泵型号意义CQ系列磁力传动离心泵例:32CQ-1532 CQ - 15││└─扬程│└─-──磁力传力离心泵└─────进口直径(mm)CQF系列磁力传动离心泵例:32CQF-1532 CQ F - 15│││└─扬程(m)││└─-──过流部件材质为塑料│└────-磁力传力离心泵└──────进口直径(mm)多级离心泵系列型号意义DL、DLR系列立式多级离心泵└───────────自吸式││└──────-─-单吸叶轮│└──────────-透平式└────────────-泵的口径即代表泵排出公称直径(mm)例:5018-15×550 GDL 18 - 15 × 5││││└─泵的级数│││└───-设计点单级扬程15(mm)││└─────--设计点流量18(m3/h)│└──────-─GDL便拆式管道多级离心泵└─────────-泵的口径即代表泵排出公称直径(mm)例:21/2-6×521/2 GC - 6 × 5│││└-叶轮数量或级数││└───缩小为1/10泵的比转数,即比转数为60│└─────锅炉给水泵└──────-─吸入口直径(mm)被25除得值并化整例:4-160CDL F 4 - 160│││└-160-级数*10││└───4-额定流量(m3/h)│└─-───F-(普通型略)过流部件为不锈钢304或316└────-──-CDL-冲压轻型立式多级离心泵例:8012×580 D 12 × 5│││└-叶轮数量││└─-──单吸扬程(m)│└─────单吸多级分段式离心泵└───────-吸入口直单级离心泵/卧式单级离心泵/IS50-32-200/5.5KW离心泵参数/清水离心泵产品简介IS、IR型泵系单级离心泵,是根据国际标准ISO2858所规定要求设计,结构合理,经济实惠型号说明IS(IR)65—50—160│││││││叶轮名义直径(mm)。
离心泵型号离心泵及离心泵的型号离心泵型号、品种规格及其变型产品在农用泵中是最多的。
根据水流入叶轮的方式、叶轮多少、泵本身能否自吸以及配套动力大小和动力品种等,离心泵有单级单吸离心泵、单级双吸离心泵、多级离心泵、自吸离心泵、电动机泵和柴油机泵等。
1、单级单吸离心泵老的泵型号有BA、B型单级单吸离心泵,80年代,我国根据国际标准和排灌机械实际情况,对离心泵产品进行更新换代研制工作,并生产IB型、IQ型单级离心泵系列产品,已列为国家专业标准和行业标准。
单级单吸离心泵,水由轴向单面进入叶轮,叶轮只有一个,因此称为单级单吸离心泵。
其特点是,与混流泵、轴流泵相比,扬程较高,流量较小,结构简单,使用方便。
IQ型单级单吸离心泵(又称轻小型离心泵)是针对我国国情并满足用户提出结构简单、重量轻、价格低、性能好和配套方便的要求而设计的,共有84种产品,分3个派生系列413 个规格型号。
(1)性能范围泵口径50~200毫米,流量12.5~400立方米/时,扬程8~125米,配套动力有柴油机直联、皮带传动,电动机直联,功率1.1~110千瓦,转速1450~2900转/分。
(2)结构型式轻小型离心泵为轴向吸入单级单吸悬架式离心泵,泵体后开门,出口位于中心向上,后盖压嵌式,轴承体与泵体直接联结,泵脚位于泵体下方,轴承用黄油润滑,轴封分为软填料、机械密封、橡胶油封三种。
叶轮均为闭式,传动分为联轴器传动和皮带传动两种。
泵叶轮转向:从泵进口方向看,叶轮转向为顺时针,当泵与柴油机直联传动时,为逆时针。
泵出口可装置手动泵,可去掉底阀,减少水力损失,并能使泵自吸。
2、双吸离心泵它是从叶轮两面进水的双吸离心泵,因泵盖和泵体是采用水平接缝进行装配的,水平中开式离心泵。
与单级单吸离心泵相比,效率高、流量大、扬程较高。
但体积大,比较笨重,一般用于固定作业。
适用于丘陵、高原中等面积的灌区,也适用于工厂、矿山、城市给排水等方面。
双吸离心泵有S型、Sh型、SA型、SLA型几种型号,S型与Sh型的区别是,从驱动端看,S型泵为顺时针方向旋转,Sh型为逆时针方向旋转。
各类泵结构图自吸无堵塞排污泵一、产品概述ZW系列自吸式无堵塞排污泵是在反复研究国内外同类产品技术的基础上成功开发的一种结构新颖的产品,该产品与国内同类产品相较,具有结构简单、自吸性能好、排污能力强、高效节能、利用维修方便。
各项技术性能居国内领先,达到国际先进水平,具有广漠的应用市场和进展前景。
产品执行JB/T6535-92《离心式防水泵的技术条件》标准。
二、产品特点1、过流能力强:特殊的叶轮防堵设计,确保了泵高效且无堵塞;2、高效节能:采纳优秀水力模型,效率比一样自吸泵高3~5%;3、自吸性能好:自吸高度比一样自吸泵高1米,且自吸时刻比一般自吸泵短。
三、工作条件流量:5~300m3/h扬程:12~80m环境温度≤50℃介质温度≤80℃介质密度≤×103kg/m3yw型液下排污泵结构图一、产品概述YW型泵为立式液下式结构,工作时泵体浸在水中,液下深度可达~5m,并采纳独特的单叶片或双叶片叶轮结构,能有效通过泵口径5倍的纤维物质及直径为口径50%的固体颗粒。
产品执行JB/T6525-92《离心式污水泵的技术条件》标准。
二、产品特点1、可变的液位安装深度:机组为立式液下式结构,可依照用户的要求采纳不同的液下安装深度,利用极为方便。
2、单管或双管安装:本型泵依照用户要求选择不同的安装方式;可选择单管或双管安装。
3、降低维修本钱:采纳最新材料制作而成的机械密封,及优质的轴承,大大提高了密封的平安性和机组的靠得住性。
4、过流能力强:特殊的叶轮防堵设计,确保了运行高效且无堵塞。
三、工作条件流量:2~850 m3/h扬程范围:3~45m额定转速n:1450~2900r/min介质温度:-15℃~+60℃介质密度:≤×103kg/m3介质PH值:5~9系统最高工作压力:≤ZA标准流程泵结构图便拆管道离心泵结构图一、产品概述ISGB系列单级单吸便拆式管道离心泵为便拆式结构,该系列泵具有运行平稳、结构简单、保护检修简便、安装方便及占地面积省(与一般卧式泵比占地面积节省30%以上)等特点;产品符合GB/T5657-1994《离心泵技术条件(III)类》标准;可输送介质温度不超过105℃的清水或物理化学特性类似于清水的其它液体。
泵型号和密封型号的选用水泵的分类1、按泵轴方向可分为卧式、立式、斜式2、按壳体剖分型式分为径向剖分式和轴向剖分式3、按级数分为单级和复级4、按吸入形式分为单吸和双吸5、按水泵形式分各中心支承式,管道式、共座式、分座式、可移式6、按驱动方式分为直接连接、齿轮传动式、液力偶合传动式、皮常传多式和共轴式7、按特殊结构分为液下式、筒式、双壁壳式、地坑筒式、抽出式、自吸式、潜液式和屏蔽式8、按轴向力平衡方式分为平衡鼓式、平衡盘式、自身平衡式和平衡孔式9、按用途不同主要分为锅炉给水泵、循环水泵、排污泵、杂质泵、砂泵、渣浆泵、泥浆泵、污水泵、清水泵、消防泵、流程泵、增压泵、耐腐蚀泵10、按材质不同分为:铸铁泵、不锈钢泵、塑料泵、氟塑料泵、工程塑料泵11、按结构形式分为离心泵,隔膜泵,齿轮泵,柱塞泵,往复泵,真空泵,喷射泵离心泵型号离心泵及离心泵的型号离心泵型号、品种规格及其变型产品在农用泵中是最多的。
根据水流入叶轮的方式、叶轮多少、泵本身能否自吸以及配套动力大小和动力品种等,离心泵有单级单吸离心泵、单级双吸离心泵、多级离心泵、自吸离心泵、电动机泵和柴油机泵等。
1、单级单吸离心泵老的泵型号有BA、B型单级单吸离心泵,80年代,我国根据国际标准和排灌机械实际情况,对离心泵产品进行更新换代研制工作,并生产IB型、IQ型单级离心泵系列产品,已列为国家专业标准和行业标准。
单级单吸离心泵,水由轴向单面进入叶轮,叶轮只有一个,因此称为单级单吸离心泵。
其特点是,与混流泵、轴流泵相比,扬程较高,流量较小,结构简单,使用方便。
IQ型单级单吸离心泵(又称轻小型离心泵)是针对我国国情并满足用户提出结构简单、重量轻、价格低、性能好和配套方便的要求而设计的,共有84种产品,分3个派生系列,413个规格型号。
(1)性能范围泵口径50~200毫米,流量12.5~400立方米/时,扬程8~125米,配套动力有柴油机直联、皮带传动,电动机直联,功率1.1~110千瓦,转速1450~2900转/分。
【ISGB型便拆式管道离心泵】安装方式图:ISGB型便拆式管道离心泵价格流量扬程转速电机功率电压ISGB型(元/台)编号型号(m3/h) (m) (r/min) (kW) (v) 配普通电机配防爆电机1 ISGB40-12.5 6.3 12.5 2900 0.55 380 1751 20292 ISGB40-125A 5.6 10 2900 0.37 380 1724 20023 ISGB40-20 6.3 20 2900 1.1 380 1807 21134 ISGB40-20A 5.6 16 2900 0.75 380 1751 20295 ISGB40-32 6.3 32 2900 2.2 380 1960 24336 ISGB40-32A 5.9 28 2900 1.5 380 1877 21967 ISGB40-32B 5.5 24 2900 1.1 380 1807 21138 ISGB40-50 6.3 50 2900 4 380 2474 32539 ISGB40-50A 5.9 44 2900 3 380 2349 297510 ISGB40-50B 5.3 36 2900 2.2 380 2071 251611 ISGB40-80 6.3 80 2900 7.5 380 3684 405912 ISGB40-80A 5.9 70 2900 5.5 380 3545 393413 ISGB40-80B 5.5 60 2900 5.5 380 3545 393414 ISGB40-12.5(1) 12.5 12.5 2900 1.1 380 1974 228015 ISGB40-12.5(I)A 11 10 2900 0.75 380 1904 219616 ISGB40-20(1) 12.5 20 2900 1.5 380 2071 239117 ISGB40-20(I)A 11 16 2900 1.1 380 2002 228018 ISGB40-32(1) 12.5 32 2900 3 380 2377 304419 ISGB40-32(I)A 11.7 28 2900 2.2 380 2113 259920 ISGB40-32(I)B 10.4 24 2900 1.5 380 2029 239121 ISGB40-50(I) 12.5 50 2900 5.5 380 3294 405922 ISGB40-50(I)A 11.7 44 2900 4 380 2766 353123 ISGB40-50(I)B 10.6 36 2900 3 380 2572 323924 ISGB40-80(I) 12.5 80 2900 11 380 5393 661625 ISGB40-80(I)A 11.6 70 2900 7.5 380 4101 479626 ISGB40-80(I)B 10.8 60 2900 7.5 380 4101 479627 ISGB40-80(I)C 10 52 2900 5.5 380 3989 4476流量扬程转速电机功率电压ISGB型(元/台)编号型号(m3/h) (m) (r/min) (kW) (v) 配普通电机配防爆电机28 ISGB50-12.5 12.5 12.5 2900 1.1 380 1974 228029 ISGB50-12.5(I)A 11 10 2900 0.75 380 1918 221030 ISGB50-20 12.5 20 2900 1.5 380 2043 239131 ISGB50-20A 11 16 2900 1.1 380 1974 229432 ISGB50-32 12.5 32 2900 3 380 2363 303033 ISGB50-32A 11.7 28 2900 2.2 380 2113 258534 ISGB50-32B 10.4 22 2900 1.5 380 2029 239135 lSGB50-50 12.5 50 2900 5.5 380 3294 405936 ISGB50-50A 11.7 44 2900 4 380 2780 353137 ISGB50-50B 10.6 38 2900 3 380 2572 325338 ISGB50-80 12.5 80 2900 11 380 5379 661639 ISGB50-80A 11.6 70 2900 7.5 380 4114 479640 ISGB50-80B 10.8 60 2900 7.5 380 4114 479641 ISGB50-80C 10 52 2900 5.5 380 3989 447642 ISGB50-125(1) 25 12.5 2900 1.5 380 2029 239143 ISGB50-12.5(I)A 22.3 10 2900 1.1 380 1974 228044 ISGB50-20(1) 25 20 2900 3 380 2377 303045 ISGB50-20(I)A 22.3 16 2900 2.2 380 2155 264146 ISGB50-32(1) 25 32 2900 4 380 2683 337847 ISGB50-32(I)A 23.4 28 2900 4 380 2683 337848 ISGB50-32(I)B 21.6 24 2900 3 380 2419 287749 lSGB50-50(1) 25 50 2900 7.5 380 3447 428150 ISGB50-50(1)A 23.5 44 2900 7.5 380 3447 428151 ISGB50-50(I)B 21.8 38 2900 5.5 380 3336 400352 ISGB50-80(1) 25 80 2900 15 380 5880 729853 ISGB50-80(I)A 23.4 70 2900 11 380 5546 681154 ISGB50-80(I)B 21.6 60 2900 11 380 5546 681155 ISGB50-125(1) 25 125 2900 30 380 9118 1241356 ISGB50-125(I)A 23.7 113 2900 22 380 7506 9424流量扬程转速电机功率电压ISGB型(元/台)编号型号(m3/h) (m) (r/min) (kW) (v) 配普通电机配防爆电机57 ISGB50-125(I)B 22.5 101 2900 18.5 380 6839 852158 ISGB50-125(I)C 20.6 85 2900 15 380 6491 800659 ISGB65-12.5 25 12.5 2900 1.5 380 2043 239160 ISGB65-12.5A 22.3 10 2900 1.1 380 1974 228061 ISGB65-20 25 20 2900 3 380 2419 310062 ISGB65-20A 22.3 16 2900 2.2 380 2155 264163 ISGB65-32 25 32 2900 4 380 2724 339264 ISGB65-32A 23.5 28 2900 4 380 2724 339265 lSGB65-32B 21.6 24 2900 3 380 2460 308666 ISGB65-50 25 50 2900 7.5 380 3531 426767 ISGB65-50A 23.5 44 2900 7.5 380 3531 426768 ISGB65-50B 21.8 38 2900 5.5 380 3406 400369 ISGB65-80 25 80 2900 15 380 5782 729870 ISGB65-80A 23.4 70 2900 11 380 5435 681171 ISGB65-80B 21.6 60 2900 11 380 5435 681172 ISGB65-125 25 125 2900 30 380 10258 1241373 ISGB65-125A 23.7 113 2900 22 380 8104 970274 ISGB65-125B 22.5 101 2900 18.5 380 7381 852175 ISGB65-125C 20.6 85 2900 15 380 6867 800676 ISGB65-12.5(1} 50 12.5 2900 3 380 2460 332277 ISGB65-12.5(I)A 44.7 410 2900 2.2 380 2168 287778 ISGB65-20(1) 50 20 2900 5.5 380 3364 412879 ISGB65-20(I}A 45 16 2900 4 380 2877 357280 ISGB65-32(1) 50 32 2900 7.5 380 3558 442081 ISGB65-32(I)A 46.7 28 2900 7.5 380 3558 442082 lSGB65-32(I)B 43.3 24 2900 5.5 380 3475 674283 ISGB65-50(1) 50 50 2900 15 380 5699 660384 ISGB65-50(I)A 47 44 2900 11 380 5365 639485 ISGB65-50(I)B 43.5 38 2900 7.5 380 3920 4545流量扬程转速电机功率电压ISGB型(元/台)编号型号(m3/h) (m) (r/min) (kW) (v) 配普通电机配防爆电机86 ISGB65-80(1) 50 80 2900 22 380 7617 970287 ISGB65-80(I)A 46.7 70 2900 18.5 380 6686 757688 ISGB65-80(I)B 43.3 60 2900 15 380 6380 696489 ISGB65-125{1) 50 125 2900 37 380 10369 1264990 ISGB65-125(I)A 46.5 113 2900 30 380 9869 1195491 ISGB65-125(I)B 44.5 101 2900 30 380 9869 1195492 ISGB65-125(I)C 41 85 2900 22 380 7798 1000893 ISGB80-125 50 12.5 2900 3 380 2530 308694 ISGB80-12.5A 44.7 10 2900 2.2 380 2266 275295 ISGB80-20 50 20 2900 5.5 380 3364 397596 SGB80-20A 45 16 2900 4 380 2877 337897 ISGB80-32 50 32 2900 7.5 380 3572 414298 ISGB80-32A 46.7 28 2900 7.5 380 3572 414299 ISGB80-32B 43.3 24 2900 5.5 380 3475 3962 100 ISGB80-50 50 50 2900 15 380 5699 6603 101 ISGB80-50A 47 44 2900 11 380 5365 6394 102 lSGB80-50B 43.5 38 2900 7.5 380 3948 4615 103 ISGB80-80 50 80 2900 22 380 7325 9702 104 ISGB80-80A 46.7 70 2900 18.5 380 6728 7576 105 ISGB80-80B 43.3 60 2900 15 380 6408 6964 106 ISGBB0-125 50 125 2900 37 380 10898 12649 107 ISGB80-125A 46.5 113 2900 30 380 10550 11954 108 SGB80-125B 44.5 101 2900 30 380 10550 11954 109 ISGB80-125C 41 85 2900 22 380 7909 10008 110 ISGB80-12.5(I) 100 12.5 2900 5.5 380 3489 4101 111 ISGB80-12.5(1)A 89 10 2900 4 380 3002 3753 112 ISGB80-20(I) 100 20 2900 11 380 5129 6255 113 ISGB80-20(I)A 89 16 2900 15 380 3823 4448 114 SGB80-32(I) 100 32 2900 15 380 5782 6811流量扬程转速电机功率电压ISGB型(元/台)编号型号(m3/h) (m) (r/min) (kW) (v) 配普通电机配防爆电机115 ISGB80-32(I)A 93.5 28 2900 11 380 5393 6394 116 ISGB80-32(I)B 87 24 2900 11 380 5393 6394 117 ISGB80-50(1) 100 50 2900 22 380 7492 9591 118 ISGB80-50(I)A 93.5 44 2900 18.5 380 6408 7854 119 lSGB80-50(I)B 97 38 2900 15 380 5963 7367 120 ISGB80-80(1) 100 80 2900 37 380 10481 12649 121 ISGB80-80(I)A 93.5 70 2900 30 380 9730 11676 122 ISGB80-80(I)B 87 60 2900 30 380 9730 11676 123 ISGB100-12.5 100 12.5 2900 5.5 380 3684 4114 124 ISGB100-12.5A 89 10 2900 4 380 3183 3614 125 ISGBl00-20 100 20 2900 11 380 5129 6255 126 ISGB100-20A 89 16 2900 7.5 380 4031 4448 127 lSGB100-32 100 32 2900 15 380 6074 6811 128 ISGB100-32A 93.5 28 2900 11 380 5699 6394 129 ISGB100-32B 86.6 24 2900 11 380 5699 6394 130 ISGB100-50 100 50 2900 22 380 7534 9869 131 ISGB100-50A 93.5 44 2900 18.5 380 6589 7854 132 ISGB100-50B 87 38 2900 15 380 6269 7367 133 ISGB100-80 100 80 2900 37 380 11481 12969 134 ISGB100-80A 93.5 70 2900 30 380 10592 11885 135 ISGB100-80B 87 60 2900 30 380 10592 11815 136 ISGB125-12.5A 143 10 2900 7.5 380 4531 5046 137 lSGB125-20 160 20 2900 15 380 6519 7172 138 ISGB125-20A 143 16 2900 11 380 6144 7576 139 ISGB125-32 160 32 2900 22 380 7784 9869 140 ISGB125-32A 150 28 2900 18.5 380 6853 7854 141 ISGB125-32B 138 24 2900 15 380 6547 7367 142 ISGB125-50 160 50 2900 37 380 10912 12371 143 ISGB125-50A 150 44 2900 30 380 10189 11537流量扬程转速电机功率电压ISGB型(元/台)编号型号(m3/h) (m) (r/min) (kW) (v) 配普通电机配防爆电机144 ISGB125-50B 138 37.5 2900 22 380 8229 9869 145 ISGB125-80 160 80 2900 55 380 17584 20572 146 ISGB125-80A 150 70 2900 45 380 14678 17375 147 ISGB125-80B 138 60 2900 37 380 12315 13344 148 ISGB125-32(1) 200 32 2900 30 380 9661 11815 149 ISGB125-32(I)A 187 28 2900 22 380 8048 9869 150 ISGB125-50(1) 200 50 2900 45 380 12315 16819151 ISGB125-50(I)A 187 44 2900 37 380 10953 12649 152 lSGB125-50(I>B 173 37 2900 30 380 10203 11537 153 ISGB125-80 200 80 2900 75 380 22157 25437 154 ISGB125-80(I)A 187 70 2900 55 380 18946 22518 155 ISGB125-80(I)B 173 60 2900 45 380 14929 17375 156 ISGB150-12.5 160 12.5 1450 11 380 7200 8298 157 ISGB150-12.5A 140 10 1450 7.5 380 5866 6533 158 ISGB150-20 160 20 1450 15 380 8423 8785 159 ISGB150-20A 140 17 1450 11 380 7200 8159 160 ISGB150-20B 120 14 1450 7.5 380 6047 6533 161 ISGB150-32 160 32 1450 22 380 9341 11537 162 ISGB150-32A 140 28 1450 18.5 380 9021 10564 163 ISGB150-32B 120 24 1450 15 380 8145 9869 164 ISGB150-50 160 50 1450 37 380 13997 17375 165 ISGB150-50A 140 44 1450 30 380 11398 13608 166 ISGB150-50B 120 38 1450 22 380 9952 11537 167 ISGB150-80 160 80 1450 55 380 20225 24603 168 ISGB150-80A 140 70 1450 45 380 18543 20711 169 ISGB150-80B 120 60 1450 37 380 17820 20155 170 ISGB150-80 200 80 2900 75 380 21100 26410 171 ISGB150-80A 187 70 2900 55 380 17750 22657 172 ISGB150-80B 173 60 2900 45 380 14984 19321流量扬程转速电机功率电压ISGB型(元/台)编号型号(m3/h) (m) (r/min) (kW) (v) 配普通电机配防爆电机173 ISGB150-12.5(1) 200 12.5 1450 15 380 7812 8896 174 ISGB150-12.5(I)A 179 10 1450 11 380 7186 8410 175 ISGB150-20(1) 200 20 1450 18.5 380 8618 9480 176 ISGB150-20(I)A 184 17 1450 15 380 8840 9035 177 ISGB150-20(I)B 167 14 1450 11 380 7423 8618 178 ISGB150-32(1) 200 32 1450 30 380 10967 12788 179 ISGB150-32(I)A 187 28 1450 22 380 9355 10898 180 ISGB150-32(I)B 173 24 1450 18.5 380 9021 10397 181 ISGB150-50(1) 200 50 1450 45 380 14637 18209 182 ISGB150-50(I)A 187 44 1450 37 380 13455 17931 183 ISGB150-50(I)B 174 38 1450 30 380 11801 13566 184 ISGB150-50(I)C 160 32 1450 22 380 9952 11815 185 ISGB150-80(1) 200 80 1450 75 380 23602 26410 186 ISGB150-80(l)A 187 70.5 1450 75 380 23602 26410187 ISGB150-80(I)B 174 62 1450 55 380 20336 22657 188 ISGB150-80{I)C 160 54.5 1450 45 380 18251 19321 189 lSGB200-12.5 200 12.5 1450 15 380 8284 9591 190 ISGB200-12.5A 179 10 1450 11 380 7909 9077 191 ISGB200-20 200 20 1450 18.5 380 9174 10536 192 ISGB200-20A 184 17 1450 15 380 8284 9591 193 lSGB200-20B 167 14 1450 11 380 7798 9077 194 ISGB200-32 200 32 1450 30 380 11718 13566 195 ISGB200-32A 187 27 1450 22 380 10008 11815 196 ISGB200-32B 173 24 1450 18.5 380 9758 11009 197 ISGB200-50 200 50 1450 45 380 15207 18487 198 ISGB200-50A 187 44 1450 37 380 14387 18140 199 ISGB200-50B 174 38 1450 30 380 12107 14456 200 ISGB200-50C 160 32 1450 22 380 10634 12371 201 ISGB200-125(1) 400 12.5 1450 22 380 10105 11815流量扬程转速电机功率电压ISGB型(元/台)编号型号(m3/h) (m) (r/min) (kW) (v) 配普通电机配防爆电机202 ISGB200-12.5(I)A 358 10 1450 18.5 380 9966 11009 203 ISGB200-20(1) 400 20 1450 30 380 11537 14456 204 ISGB200-20(I)A 358 17 1450 22 380 10078 12371 205 ISGB200-20(I)B 322 14 1450 18.5 380 9939 10981 206 ISGB200-32(1) 400 32 1450 55 380 18292 23352 207 ISGB200-32(I)A 374 28 1450 45 380 15554 19321 208 ISGB200-32(I)B 346 24 1450 37 380 15012 18765 209 ISGB200-50(1) 400 50 1450 75 380 21948 27703 210 ISGB200-50(l)A 374 44 1450 75 380 21948 27703 211 ISGB200-50(I)B 346 38 1450 55 380 19043 23769 212 ISGB200-50(I)C 320 32 1450 45 380 16694 19363 213 ISGB200-80{1) 400 80 1450 132 380 45203 64357 214 ISGB200-80(I)A 374 70 1450 110 380 41631 62689 215 ISGB200-80(I)B 346 60 1450 90 380 34264 34889 216 ISGB200-80(I)C 320 56 1450 75 380 28106 31859 217 ISGB250一20 550 20 1450 45 380 18570 20822 218 ISGB250-20A 506 17 1450 37 380 17597 20016 219 ISGB250-32 550 32 1450 75 380 24659 30163 220 ISGB250-32A 506 28 1450 55 380 23227 24881 221 ISGB250-32B 466 25 1450 45 380 20364 22184 222 ISGB250-50 550 50 1450 110 380 39990 51986223 ISGB250-50A 506 44 1450 90 380 32609 37113 224 ISGB250-50B 466 39.5 1450 75 380 31789 33221 225 ISGB250-50C 428 35 1450 75 380 31789 33221 226 ISGB300-32 720 32 1450 90 380 34681 38086 227 ISGB300-32A 662 28 1450 75 380 32665 36557 228 ISGB300-32B 609 23.5 1450 55 380 256872 25618 229 ISGB300-44 720 44 1450 132 380 51611 63801 230 ISGB300-44A 666 38 1450 110 380 48247 61688流量扬程转速电机功率电压ISGB型(元/台)编号型号(m3/h) (m) (r/min) (kW) (v) 配普通电机配防爆电机231 ISGB300-44B 614 32 1450 90 380 34055 40866 232 ISGB300-50 720 50 1450 132 380 35070 65608 233 ISGB300-50A 662 44 1450 110 380 48567 63384 234 ISGB300-50B 609 38 1450 90 380 38767 43368 235 ISGB300-50C 561 33 1450 75 380 34250 41839。
排污泵系列型号管道离心泵型号意义Q:潜水 W:排污 G:管道 Y:液下 N:泥浆 Z:自吸 L:立式AS:撕裂 JY:搅匀 P:不锈钢 B:防爆QW(WQ)无堵塞潜水式排污泵例:80WQ(QW)P40-15-480 WQ(QW) P 40 - 15 - 4│││││└─-泵的电机(KW)││││└───-泵的扬程(m)│││└─────--泵的流量(m3/h)││└───────-不锈钢材质│└─────────-潜水排污泵└───────────--泵的口径即代表泵排出公称直径(mm)JYWQ、JPWQ自动搅匀排污泵例:80JY(P)WQ50-10-1600-380 JY (P) WQ 50 - 10 - 1600 - 3│││││││└─泵的电机(KW)││││││└─-──泵的搅匀范围(mm)│││││└────-──泵的扬程(m)││││└─────────泵的流量(m3/h)│││└──────────W:排污 Q:潜水 P:不锈钢││└─────────-─-─P:不锈钢材质│└─────────-────-JY:搅匀ISG系列立式管道离心泵例:ISG50-160(I)AISG 50 - 160 (I) A(B)││││└─叶轮经第一次切割│││└─-──流量分类、(I)为大流量、││└─────叶轮名义外径(mm)│└────────泵的口径(mm)│┌ ISG型立式离心泵└────────┼IRG型立式热水泵├ IHG型立式不锈钢化工泵└ YG型立式防爆油泵ISGD系列低转速立式管道离心泵例:ISGD80-160(I)AISGD 80 - 160 (I) A(B)││││└─叶轮经第一次切割│││└─-──流量分类、(I)为大流量、││└─────叶轮名义外径(mm)│└────────泵的口径(mm)│┌ ISGD型低转速立式离心泵└────────┼IRGD型低转速立式热水泵├ IHGD型低转速立式不锈钢化工泵└ YGD型低转速立式防爆油泵└────────────泵的口径即代表泵排出公称直径(mm)GW无堵塞管道式排污泵例:100GWP(B)100-15-7.5100 GWP B 100 - 15 - 7.5│││││└─-泵的电机(KW)││││└───-泵的扬程(m)│││└──────-泵的流量(m3/h)││└───────--防爆电机│└─────────--G:管道式 W:排污泵 P:不锈钢└──────────-─-泵的口径即代表泵排出公称直径(mm)LW(WL)无堵塞直立式排污泵例:100LW(WL)PB100-15-7.5100 LW(WL) P B 100 - 15 - 7.5││││││└─泵的电机(KW)│││││└─-──泵的扬程(m)││││└──────-泵的流量(m3/h)│││└────────防爆电机││└─────────不锈钢│└────────────L:直立式 W:排污└─────────────--泵排出的公称直径即口径(mm)YW无堵塞液下式排污泵例:100YWP(B)100-15-7.5100 YWP B 100 - 15 - 7.5 IGSB系列便拆式管道离心泵例:ISGB50-160(I)AISGB 50 - 160 (I) A B│││││└─叶轮经第一次切割││││└──流量分类、(I)为大流量、│││└──────叶轮名义外径(mm)││└─────泵的口径(mm)│└────────│┌ ISGD型低转速立式离心泵└────────┼IRGD型低转速立式热水泵├ IHGD型低转速立式不锈钢化工泵└ YGD型低转速立式防爆油泵ISW系卧式管道离心泵例:ISW65-160(I)AISW 65 - 160 (I) A(B)││││└─叶轮经第一次切割│││└─-──流量分类、(I)为大流量、││└─────叶轮名义外径(mm)│└────────泵的口径(mm)│┌ ISW型卧式管道离心泵└────────┼ISWR型卧式管道热水离心泵└ ISWH型卧式不锈钢管道离心化工泵SG系列管道泵例:50SG15-30│││││└──泵的电机(KW)││││└────泵的扬程(m)│││└───────泵的流量(m3/h)││└───────-─防爆电机│└──────────-G:管道式 W:排污泵 P:不锈钢└──────────-──泵的口径即代表泵排出公称直径(mm)ZW无堵塞自吸式排污泵例:100ZW15-30PB100 ZW 15 - 30 P B│││││└────泵的电机(KW)││││└─────不锈钢材质│││└──────泵的扬程(m)││└───────-─泵的流量(m3/h)│└──────────(无堵塞自吸排污泵)Z:自吸式 W:排污└────────────泵的口径即代表泵排出公称直径(mm)AS切割式潜水排污泵例:AS10-2WCBAS 10 - 2 W CB││ ││└──────抗堵塞撕裂机构│││└───────电压为220V││└───-─────电机的级数│└──────────-功率P2*100└────────────单叶片叶轮NL型立式污水泥浆泵50 SG 15 - 30│││└─叶轮经第一次切割││└─-──流量分类、(I)为大流量、│└────┬SG型管道离心泵│└SGR型热水管道离心泵└-──────泵的口径SPG系列管道屏蔽泵例:SPG80-200(I)ASPG (R) 80 - 200 (I) A (B) (C)│││││││└─-叶轮经第三次切割││││││└─-──叶轮经第二次切割│││││└─────叶轮经第一次切割││││└───────流量分类│││└─────────叶轮名义外径(mm)││└──────────-─泵进、出口公称直径(mm)│└────────────┬流体类别(普通不注、热水为R) │└腐蚀性流体为T,防爆为 B└───────────────-屏蔽式管道离心泵消防泵型号意义XBD系列消防泵例:XBD10.4/5-50LGXB D 5.0 / 5 - 50 DL││││││┌DL立式多级消防泵转速1450r/min│││││││LG立式多级便拆消防泵转速2900r/min例:NL76A-9 N L ( C F W )76 A - 9│││││ ││ └──泵的扬程(m) ││││││└────机械密封│││││ └─────-出口径(mm) ││││└───────卧式│││└────────不锈钢││└─────────加长型│└──────────--立式└───────────--泥浆泵WQK/QG 系列带切割装置排污泵例:WQK 20-20QG W Q K (X 、D) 20 - 20 QG │││││││└─带切割装置││││││└─-─泵的扬程(m) │││││└────--泵的流量(m3/h )││││└───────单通道叶轮│││└───────-─旋涡式叶轮││└────────-─开式叶轮│└─────────---潜水式└──────────---污水│││││└┼ISG 立式单级单吸消防泵││││││TSWA 卧式多级消防泵││││││ISW 卧式单级单吸消防泵│││││└GDL 立式多级管道消防泵││││└─-─泵的口径(mm) │││└───-─流量(L/s)││└───────消防泵压力(扬程(50m)) │└──────-──电动└──────────消防泵磁力传动离心泵型号意义CQ 系列磁力传动离心泵例:32CQ-15 32 CQ - 15 ││└─扬程│└─-──磁力传力离心泵└─────进口直径(mm)CQF 系列磁力传动离心泵例:32CQF-15 32 CQ F - 15 │││└─扬程(m)││└─-──过流部件材质为塑料│└────-磁力传力离心泵└──────进口直径(mm)多级离心泵系列型号意义DL 、DLR 系列立式多级离心泵例:100DDLR100-20×4100 D DL R 100 - 20 ×4│││││ │└─-泵的级数│││││└────单级叶轮扬程(m)││││└───────流量(m3/h)│││└────────-热水││└─────────-立式多级│└───────────多出口└────────────-泵的口径即代表泵排出公称直径(mm) TSWA系列卧式多级离心泵例:50TSWA×550 T S W A ×5│││││└──────泵的级数││││└────────-新一代产品│││└─────-────输送低温类似清水介质││└──────-────单吸叶轮│└───────────-透平式└────────────-泵的口径即代表泵排出公称直径(mm)LG、LGB系列便拆式高层建筑给水多级离心泵例:100LG-B(R)72-20×6100 LG-B (R) 72 - 20 ×6│││││└─泵的级数││││└───-新一代产品│││└─────--输送低温类似清水介质CQB系列磁力传动离心泵例:CQB50-32-160CQ B 50 - 32 - 160││││└─叶轮名义直径│││└─-──泵出口直径││└─────-泵进口直径│└───────过流部件材质为不锈钢└-────────磁力传动离心泵CQB-F系列磁力传动离心泵例:CQB50-32-160FCQB 50 - 32 - 160 F││││└─氟塑料(F46)衬里│││└──-叶轮名义直径││└─────-泵出口直径│└────────泵进口直径└──────────磁力传动离心泵ZCQ系列自吸式磁力传动离心泵例:ZCQ50-40-145Z CQ 50 - 40 - 145││││└─叶轮直径(mm)│││└────出口直径(mm)││└───────进口直径(mm)│└─────────-磁力传动离心泵└───────────自吸式││└──────-─-单吸叶轮-透平式│└──────────-泵的口径即代表泵排出公称直径(mm) └────────────GDL系列便拆式管道多级离心泵例:50GDL18-15×5550 GDL 18 - 15 ×││││└─泵的级数│││└───-设计点单级扬程15(mm)--设计点流量18(m3/h)││└─────-─GDL便拆式管道多级离心泵│└──────-泵的口径即代表泵排出公称直径(mm)└─────────GC型水泵系卧式单吸多级分段离心泵例:21/2GC-6×5521/2 GC - 6 ×│││└-叶轮数量或级数││└───缩小为1/10泵的比转数,即比转数为60锅炉给水泵│└─────-─吸入口直径(mm)被25除得值并化整└──────CDLF系列轻型不锈钢立式多级离心泵例:CDLF4-160CDL F 4 - 160│││└-160-级数*10-额定流量(m3/h)││└───4│└─-───F-(普通型略)过流部件为不锈钢304或316-──-CDL-冲压轻型立式多级离心泵└────D型卧式多级离心泵例:80D12×5580 D 12 ×│││└-叶轮数量││└─-──单吸扬程(m)单吸多级分段式离心泵│└─────-吸入口直└───────单级离心泵/卧式单级离心泵/IS50-32-200/5.5KW离心泵参数/清水离心泵产品简介IS、IR型泵系单级离心泵,是根据国际标准ISO2858所规定要求设计,结构合理,经济实惠型号说明IS(IR)65—50—160│││││││叶轮名义直径(mm)。
水泵的分类1、按泵轴方向可分为卧式、立式、斜式2、按壳体剖分型式分为径向剖分式和轴向剖分式3、按级数分为单级和复级4、按吸入形式分为单吸和双吸5、按水泵形式分各中心支承式,管道式、共座式、分座式、可移式6、按驱动方式分为直接连接、齿轮传动式、液力偶合传动式、皮常传多式和共轴式7、按特殊结构分为液下式、筒式、双壁壳式、地坑筒式、抽出式、自吸式、潜液式和屏蔽式8、按轴向力平衡方式分为平衡鼓式、平衡盘式、自身平衡式和平衡孔式9、按用途不同主要分为锅炉给水泵、循环水泵、排污泵、杂质泵、砂泵、渣浆泵、泥浆泵、污水泵、清水泵、消防泵、流程泵、增压泵、耐腐蚀泵10、按材质不同分为:铸铁泵、不锈钢泵、塑料泵、氟塑料泵、工程塑料泵11、按结构形式分为离心泵,隔膜泵,齿轮泵,柱塞泵,往复泵,真空泵,喷射泵离心泵型号离心泵及离心泵的型号离心泵型号、品种规格及其变型产品在农用泵中是最多的。
根据水流入叶轮的方式、叶轮多少、泵本身能否自吸以及配套动力大小和动力品种等,离心泵有单级单吸离心泵、单级双吸离心泵、多级离心泵、自吸离心泵、电动机泵和柴油机泵等。
1、单级单吸离心泵老的泵型号有BA、B型单级单吸离心泵,80年代,我国根据国际标准和排灌机械实际情况,对离心泵产品进行更新换代研制工作,并生产IB型、IQ型单级离心泵系列产品,已列为国家专业标准和行业标准。
单级单吸离心泵,水由轴向单面进入叶轮,叶轮只有一个,因此称为单级单吸离心泵。
其特点是,与混流泵、轴流泵相比,扬程较高,流量较小,结构简单,使用方便。
IQ型单级单吸离心泵(又称轻小型离心泵)是针对我国国情并满足用户提出结构简单、重量轻、价格低、性能好和配套方便的要求而设计的,共有84种产品,分3个派生系列,413个规格型号。
(1)性能范围泵口径50~200毫米,流量12.5~400立方米/时,扬程8~125米,配套动力有柴油机直联、皮带传动,电动机直联,功率1.1~110千瓦,转速1450~2900转/分。
关于离心泵的各种基础知识A.离心泵的分类离心泵的种类很多,分类方法常见的有以下几种方式1、按叶轮吸入方式分:单吸式离心泵、双吸式离心泵;2、按叶轮数目分:单级离心泵、多级离心泵;3、按叶轮结构分:敞开式叶轮离心泵、半开式叶轮离心泵、封闭式叶轮离心泵;4、按工作压力分:低压离心泵、中压离心泵、高压离心泵;5、按泵轴位置分:卧式离心泵、边立式离心泵;6、从使用上分:民用与工业用泵;7、从输送介质上分:清水泵、杂质泵、耐腐蚀泵等。
B.离心泵的基本构造1、叶轮是离心泵的核心部分,它的作用是将原动机的机械能直接传给液体,以增加液体的静压能和动能(主要增加静压能)。
转速高出力大,叶轮上的叶片又起到主要作用,叶轮在装配前要通过静平衡实验。
叶轮上的内外表面要求光滑,以减少水流的摩擦损失。
2、泵体也称泵壳,它是离心泵的主体。
作用是将叶轮封闭在一定的空间,以便由叶轮的作用吸入和压出液体。
泵壳多做成蜗壳形,故又称蜗壳。
由于流道截面积逐渐扩大,故从叶轮四周甩出的高速液体逐渐降低流速,使部分动能有效地转换为静压能。
泵壳不仅汇集由叶轮甩出的液体,同时又是一个能量转换装置。
3、泵轴的作用是借联轴器和电动机相连接,将电动机的转距传给叶轮,所以泵轴是传递机械能的主要部件。
4、轴承是套在泵轴上支撑泵轴的构件,有滚动轴承和滑动轴承两种。
滚动轴承使用牛油作为润滑剂加油要适当一般为2/3~3/4的体积太多会发热,太少又有响声并发热!滑动轴承使用的是透明油作润滑剂的,加油到油位线。
太多油要沿泵轴渗出并且漂,太少轴承又要过热烧坏造成事故!在水泵运行过程中轴承的温度最高在85度一般运行在60度左右,如果高了就要查找原因(是否有杂质,油质是否发黑,是否进水)并及时处理!5、轴封装置。
作用是防止泵壳内液体沿轴漏出或外界空气漏入泵壳内。
常用轴封装置有填料密封和机械密封两种。
填料一般用浸油或涂有石墨的石棉绳。
机械密封主要的是靠装在轴上的动环与固定在泵壳上的静环之间端面作相对运动而达到密封的目的。
ISG型管道离心泵
ISG型管道泵概述:
ISG系列单级单吸立式离心泵是采用IS型离心泵之性能参数选用最先进的水力模型,按照国际标准ISO2858进行设计制造的,具有高效节能、噪声低、无泄漏、安装使用方便等优点。
根据使用温度、介质的不同派生出适用于热水、腐蚀性介质和石油化工产品的IRG、IHG、YG等系列产品。
电机功率在30kw以上的,设计为直联式和便拆式两种结构,便拆式即在电机、泵体不动的情况下,可将泵转子取出,大大降低了维修成本和劳动强度。
ISG型管道泵参数范围:
流量Q 1~1200m3/s
扬程H 8~150m
ISG型管道泵型号说明:
ISG50 160 (I)A(B)
ISG-泵类型
50-泵进出口直径(mm)
160-叶轮名义外径(mm)
I-流量分类
A(B)-叶轮经过第一次切割
ISG型管道泵结构型式:
ISG型号管道泵为立式结构,进出口口径相同,且位于同一中心线上,可像阀门一样安装于管路中,外形紧凑,占地面积小。
ISG型管道泵成套范围:
成套供应泵,电动机、底板、联轴器、进出口短管等。
isg50-160管道离心泵isg50-160管道离心泵一、isg50-160管道离心泵产品概述:ISGB型便拆立式管道离心泵是在ISG型泵的基础上开发成功的一种结构新颖,技术先进的产品。
该立式泵特别是在整体结构上进行大胆突破设计。
采用独立轴承体、泵轴支撑,解决了原来立式泵靠电机轴承支撑的不足之处;采用优秀水力模型的叶轮,消除了原立式泵轴向力大的不足之处;电机采用Y系列标准通用电机,解决原立式泵加长轴电机配套更换难的问题;同时100%的便拆结构,解决了更换大功率水泵的轴承、机械密封、叶轮、泵轴的难题。
该泵与国内同类产品相比,具有运转更平稳、使用寿命长、配套更方便、维护保养更轻松等等,无可代替的优点。
在立式泵系列产品中属国内前列,各项技术居国内领先,是替代ISG型立式泵、IS型离心泵、S型双吸泵等常规各种离心泵的最理想产品。
二、isg50-160管道离心泵产品特点:1、立式结构,安装调试方便,独特设计的电机和泵体采用联接体联接,同心度高、加工精度高,占地面积大大减少,缩减了泵房建筑投资30%一60%。
底脚稳固、结构紧凑、精美的铸造和外观处理赋予立式离心泵新的美感,使产生品焕发艺术的魅力,可以和国外著名厂家立式泵媲美。
2、配用国内著名厂家生产的Y系列标准通用电机,运行平稳、噪音极低。
3、轴承采用国际著名品牌精密轴承,精度高、可靠性好、寿命长。
4、叶轮采用90年代最优秀可自平衡轴向力的水力模型,使得泵轴承和机械密封使用寿命大大延长。
5、电机轴承座内的轴承都配有加油孔和放油孔,对轴承的维护保养十分方便。
6、可拆卸硬性中间联轴器,使泵起动无振动、无噪音,旋转部件设有可靠的安全防护罩,安全性极好。
7、机械密封采用不锈钢、碳化钨、氟橡胶等材料制成,耐高温、高压,运行寿命长,无渗漏,对轴无磨损,保证工作环境整洁。
8、泵盖结构设计独特,只要卸下硬性中间联轴器、泵盖螺母,即可十分轻便取出轴承座。
泵盖、泵轴、叶轮等组合件,进行更换机械密封和叶轮,而不必拆卸电机、泵体和管道,维修方便快捷。
CONTENTSXBD-GDLXBD-GDL series fire-fighting pump property curve figures0424Pump basic figure and connection dimensions01Outline of product01Workingv conditions01Product characteristic02Model meaning25Reference table for pipeline lossPump spare figure and dimensions2403Structure03Atlas of stylePerformance table05External and installation dimension table053.No jamming at runningWith the copper alloy water-guide bearing and stai nlessstell pump shaft applied,the jamming due to rust and corro-sion on each micro-space is prevented ,this is very importantto a fire-fighting system.4.No leakageWith the quality mechawnical seal used , the site wherethe pump runs is made sure of being clean.XBD D 4.3/5 -50GD L3Capacity 5(L/s)Outlet pressure 0.43(MPa)1.31.21.11.00.90.80.70.60.50.40.3Pressure MPa0.20.40.60.8 1.0 1.21.4Capacity(L/s)Shaft power(KW)Capacity(L/s)0.20.40.60.8 1.0 1.21.40.20.40.60.81.01.21.40.300.252.21.91.61.3NPSHr (m)Capacity(L/s)-Capacity-pressure property curve figures-Capacity-shaft power property curve figures(single-stage)-XBD-GDL SERIES MULTI-STAGE PIPELINE FIRE-FIGHTING PUMPEXTERNAL AND INSTALLATION DIMENSION TABLEThe pump of specific parameters can be supplied after being approved by the technical department of this company.Shaft power(KW)Capacity(L/s)NPSHr (m)0.40.81.21.62.02.40.40.22.52.11.71.3PressureMPaCapacity(L/s)1.41.31.21.11.00.90.80.70.60.50.40.30.20.40.81.21.62.02.4-Capacity-pressure property curve figures-Capacity-shaft power property curve figures(single-stage)-Capacity-(NPSH)r property curve figuresXBD-GDL SERIES MULTI-STAGE PIPELINE FIRE-FIGHTING PUMPEXTERNAL AND INSTALLATION DIMENSION TABLE The pump of specific parameters can be supplied after being approved by the technicaldepartment of this company.XBD-GDL SERIES MULTI-STAGE PIPELINE FIRE-FIGHTING PUMPEXTERNAL AND INSTALLATION DIMENSION TABLEThe pump of specific parameters can be supplied after being approved by the technical department of this company.1.701.551.401.251.100.950.800.650.500.350.201.85Pressure MPaShaft power(KW)Capacity(L/s)1.201.151.101.91.71.51.3NPSH r (m)Capacity(L/s)1.22.43.64.86.07.2-Capacity-pressure property curve figures-Capacity-shaft power property curve figures(single-stage)-Capacity-(NPSH)r property curve figuresXBD-GDL SERIES MULTI-STAGE PIPELINE FIRE-FIGHTING PUMPEXTERNAL AND INSTALLATION DIMENSION TABLEThe pump of specific parameters can be supplied after being approved by the technical department of this company.1.401.301.201.101.000.900.800.700.600.500.400.300.20Pressure MPaCapacity(L/s)Shaft power(KW)Capacity(L/s)1.301.201.103.23.13.02.9NPSHr (m)Capacity(L/s)1.63.24.8 6.48.09.61.6 3.2 4.8 6.48.09.61.63.24.86.48.09.6-Capacity-pressure property curve figures-Capacity-shaft power property curve figures(single-stage)-Capacity-(NPSH)r property curve figuresXBD-GDL SERIES MULTI-STAGE PIPELINE FIRE-FIGHTING PUMPEXTERNAL AND INSTALLATION DIMENSION TABLEThe pump of specific parameters can be supplied after being approved by the technical department of this company.1.301.201.101.000.900.800.700.600.500.400.300.201.40Pressure MPa Capacity(L/s)Shaft power(KW)1.851.702.004.03.53.04.5NPSH r (m)2.55.07.51012.515.0-Capacity-pressure property curve figures-Capacity-shaft power property curve figures(single-stage)-Capacity-(NPSH)r property curve figuresXBD-GDL SERIES MULTI-STAGE PIPELINE FIRE-FIGHTING PUMPEXTERNAL AND INSTALLATION DIMENSION TABLEThe pump of specific parameters can be supplied after being approved by the technical department of this company.1.601.501.401.301.201.101.000.900.800.700.600.500.400.30Pressure MPa Capacity(L/s)Shaft power(KW)Capacity(L/s)3.33.02.74.44.13.8NPSH r (m)3.57.010.51417.521-Capacity-pressure property curve figures-Capacity-shaft power property curve figures(single-stage)-Capacity-(NPSH)r property curve figuresXBD-GDL SERIES MULTI-STAGE PIPELINE FIRE-FIGHTING PUMPEXTERNAL AND INSTALLATION DIMENSION TABLEThe pump of specific parameters can be supplied after being approved by the technical department of this company.1.701.551.401.251.100.950.800.650.500.350.20Pressure MPaCapacity(L/s)Shaft power(KW)Capacity(L/s)4.54.03.54.84.54.2NPSH r (m)Capacity(L/s)14282171428217-Capacity-pressure property curve figures-Capacity-shaft power property curve figures(single-stage)-XBD-GDL SERIES MULTI-STAGE PIPELINE FIRE-FIGHTING PUMPEXTERNAL AND INSTALLATION DIMENSION TABLE The pump of specific parameters can be supplied after being approved by the technicaldepartment of this company.Pressure MPa Shaft power(KW)8.07.57.05.24.84.44.0NPSH r (m)Capacity(L/s)7.51522.53037.5452.32.11.91.71.51.31.10.90.70.50.3-Capacity-pressure property curve figures-Capacity-shaft power property curve figures(single-stage)-Capacity-(NPSH)r property curve figuresXBD-GDL SERIES MULTI-STAGE PIPELINE FIRE-FIGHTING PUMPEXTERNAL AND INSTALLATION DIMENSION TABLEThe pump of specific parameters can be supplied after being approved by the technical department of this company.Pressure MPaShaft power(KW)1514135.04.54.0NPSHr (m)1.851.701.551.401.251.100.950.800.650.500.35-Capacity-pressure property curve figures-Capacity-shaft power property curve figures(single-stage)-Capacity-(NPSH)r property curve figuresXBD-GDL SERIES MULTI-STAGE PIPELINE FIRE-FIGHTING PUMPEXTERNAL AND INSTALLATION DIMENSION TABLEThe pump of specific parameters can be supplied after being approved by the technical department of this company.Connection boardVibration-insulating padVibration-isoaltorHh D 1n-dDMPUMP BASIC FIGURE AND CONNECTION DIMENSIONSStraight connectionMix connection board vibration-insulating padMix connection board vibration-isoaltorNote:Theplpelinelosswouldbemadegreatlyincreasedoncethelimitisover.amtheabovetable,thelossofthestraightpipeis1.3meach1m,thentheonefor1mmis.13m,thatis,fora1mmfootvalvewithaflow8L/s,itsheadlowwis.13m. XBD-GDL SERIES MULTI-STAGE PIPELINE FIRE-FIGHTING PUMP上海连成集团简介◇荣获“中国驰名商标”“国家免检产品”◇上海连成(集团)有限公司是一家著名的以研究制造泵、阀等流体输送设备、电气控制系统和环保设备的多元化经营的大型集团企业。
液体泵大全1、按泵轴方向可分为卧式、立式、斜式2、按壳体剖分型式分为径向剖分式和轴向剖分式3、按级数分为单级和复级4、按吸入形式分为单吸和双吸5、按水泵形式分各中心支承式,管道式、共座式、分座式、可移式6、按驱动方式分为直接连接、齿轮传动式、液力偶合传动式、皮常传多式和共轴式7、按特殊结构分为液下式、筒式、双壁壳式、地坑筒式、抽出式、自吸式、潜液式和屏蔽式8、按轴向力平衡方式分为平衡鼓式、平衡盘式、自身平衡式和平衡孔式9、按用途不同主要分为锅炉给水泵、循环水泵、排污泵、杂质泵、砂泵、渣浆泵、泥浆泵、污水泵、清水泵、消防泵、流程泵、增压泵、耐腐蚀泵10、按材质不同分为:铸铁泵、不锈钢泵、塑料泵、氟塑料泵、工程塑料泵11、按结构形式分为离心泵,隔膜泵,齿轮泵,柱塞泵,往复泵,真空泵,喷射泵离心泵型号离心泵及离心泵的型号离心泵型号、品种规格及其变型产品在农用泵中是最多的。
根据水流入叶轮的方式、叶轮多少、泵本身能否自吸以及配套动力大小和动力品种等,离心泵有单级单吸离心泵、单级双吸离心泵、多级离心泵、自吸离心泵、电动机泵和柴油机泵等。
1、单级单吸离心泵老的泵型号有BA、B型单级单吸离心泵,80年代,我国根据国际标准和排灌机械实际情况,对离心泵产品进行更新换代研制工作,并生产IB型、IQ型单级离心泵系列产品,已列为国家专业标准和行业标准。
单级单吸离心泵,水由轴向单面进入叶轮,叶轮只有一个,因此称为单级单吸离心泵。
其特点是,与混流泵、轴流泵相比,扬程较高,流量较小,结构简单,使用方便。
IQ型单级单吸离心泵(又称轻小型离心泵)是针对我国国情并满足用户提出结构简单、重量轻、价格低、性能好和配套方便的要求而设计的,共有84种产品,分3个派生系列,413个规格型号。
(1)性能范围泵口径50~200毫米,流量12.5~400立方米/时,扬程8~125米,配套动力有柴油机直联、皮带传动,电动机直联,功率1.1~110千瓦,转速1450~2900转/分。
ISGB、IRGB、IHGB便拆立式管道离心泵-产品简介ISGB、IRGB型便拆式管道离心泵是在IS型泵、ISG型立式泵的基础上,一方面结合国外先进技术、另一方面根据本公司多年的生产经验和广大用户的宝贵经验,综合开发成功的一种结构新颖、技术领先其它同类产品的便拆立式离心泵。
该系列产品经国家泵类产品检测中心镇江分中心检测认定:各项指标合格。
该系列产品填补了国内空白,其综合性能达到国际同类产品现代先进水平。
该系列产品严格按国际标准ISO2858进行设计制造。
该系列产品在整体上进行大胆突破设计,泵轴采用独立的支承体,解决了原ISG及ISW型泵加长轴靠电机轴承支承的不足之处,叶轮、泵体采用现代优秀水力模型设计制造,消除立式泵的轴向力及径向力,使泵轴处的轴承和电机轴承仅受微弱的轴向力及径向力,电机采用Y系列标准电机,整台泵采用便拆结构,解决了更换大功率水泵的轴承、机械密封、叶轮等易损件不方便的难题。
该系列泵与国内同类产品相比,具有运转更平稳、使用寿命长、配套更方便、维护保养更轻松等无可代替的优点,是替代ISG型立式泵、IS型离心泵、S型双吸泵等到常规离心泵的最理想产品。
ISGB、IRGB、IHGB便拆立式管道离心泵-产品特点1、立式结构,安装调试方便,独特设计的电机和泵体采用联接体联接,同心度高、加工精度高,占地面积大大减少,缩减了泵房建筑投资30%一60%。
底脚稳固、结构紧凑、精美的铸造和外观处理赋予立式离心泵新的美感,使产生品焕发艺术的魅力,可以和国外著名厂家立式泵媲美。
2、配用国内著名厂家生产的Y系列标准通用电机,运行平稳、噪音极低。
3、轴承采用国际著名品牌精密轴承,精度高、可靠性好、寿命长。
4、叶轮采用90年代最优秀可自平衡轴向力的水力模型,使得泵轴承和机械密封使用寿命大大延长。
5、电机轴承座内的轴承都配有加油孔和放油孔,对轴承的维护保养十分方便。
6、可拆卸硬性中间联轴器,使泵起动无振动、无噪音,旋转部件设有可靠的安全防护罩,安全性极好。
7、机械密封采用不锈钢、碳化钨、氟橡胶等材料制成,耐高温、高压,运行寿命长,无渗漏,对轴无磨损,保证工作环境整洁。
8、泵盖结构设计独特,只要卸下硬性中间联轴器、泵盖螺母,即可十分轻便取出轴承座。
泵盖、泵轴、叶轮等组合件,进行更换机械密封和叶轮,而不必拆卸电机、泵体和管道,维修方便快捷ISGB、IRGB、IHGB便拆立式管道离心泵-工作条件:1、泵系统最高工作压力为1.6MPa,即泵吸入口压力+泵扬程≤1.6MPa(泵扬程工作压力大于1.6MPa时应在订货另行提出/,以便在制造时泵的过流部件和联接部件采用铸钢)。
2、输送介质为清水或物理化学性质类似清水的其它液体。
(输送介质带有细小颗粒的应在订货时另行说明,以便装配耐磨式机械密封)。
3、环境温度≤40℃,海拔高度≤1000m,相对湿度≤95%。
ISGB、IRGB、IHGB便拆立式管道离心泵-产品用途1、ISGB、IRGB型泵用于采暖、卫生用水、冷冻水系统和灌溉装置中的无腐蚀的冷若冰霜水和热水。
2、IHGB、YGB型泵用于石油、化工、冶金、电力、造纸、食品、制药和合成纤维等部门。
ISGB、IRGB、IHGB便拆立式管道离心泵-使用条件1、介质温度:T=-20℃~+120℃;2、环境温度:T≤40℃;环境湿度不超过95%。
ISGB、IRGB、IHGB便拆立式管道离心泵-传动通过电机联轴器,由电机驱动泵,从传动端看,泵为顺时针方向旋转。
ISGB、IRGB、IHGB便拆立式管道离心泵-材质泵壳:铸铁、球墨铸铁、铸钢、不锈钢轩轮:铸铁、铜合金、不锈钢泵盖:铸铁、不锈钢泵轴:45、不锈钢ISGB、IRGB、IHGB便拆立式管道离心泵-安装说明1、安装时管路重量不应加在水泵上,应有各自的支承体,以免使泵变形影响运行性能和寿命。
2、为了维修方便和使用安全,在泵的进出口管路上各安装一只调节阀及在泵出口附近安装一只压力表,以保证在额定扬程和流量范围内运行,增长水泵的使用寿命。
3、泵用于有吸程场合,应装有底阀,并且进口管路不应有过多弯道,同时不得有漏水、漏气现象。
4、安装后拨动泵轴,叶轮不应有磨擦声或卡死现象,否则应将泵拆开检查原因。
5、泵的安装方式分为硬性联接和柔性联接两种。
ISGB、IRGB、IHGB便拆立式管道离心泵-结构图1 泵体2 放水塞3 叶轮4 机械密封5 放气阀6 轴承体7 轴承8 泵轴9 支架10 电机11 电机联轴器12 中间联轴器13 泵联轴器14 油杯15 轴承压盖16 泵盖ISGB、IRGB、IHGB立式管道离心泵-性能表:型号口径流量扬程效率转速电机功率必需汽蚀余量重量mm m3/h L/S m%r/min KW(NPSH)r Kg15-80151.11.52.00.30.420.558.58726343428000.18 2.31720-110201.82.53.30.50.690.91161513.525343528000.37 2.32520-160201.82.50.50.693332192529000.75 2.3293.30.91302325-110252.845.20.781.111.44161513.534424129000.55 2.32625-125252.845.20.781.111.4420.6201828363529000.75 2.32825-125A252.53.64.60.691.01.28171614.43529000.55 2.32725-160252.845.20.781.111.443332302432332900 1.5 2.33925-160A252.63.74.90.121.031.36292826312900 1.1 2.334型号口径流量扬程效率转速电机功率必需汽蚀余量重量mm m3/h L/S m%r/min KW(NPSH)r Kg32-100(I)324.46.38.31.221.752.3213.212.511.348545329000.75 2.03232-125323.556.50.970.391.822201840444229000.75 2.32832-125A323.14.55.80.861.251.6117.61614.44329000.55 2.32832-160(I)324.46.38.31.221.752.3233.23230.23440422900 2.2 2.04732-200(I)324.46.38.31.221.752.3250.5504826333529004 2.04332-200A322.845.20.781.111.4444.64442.734404229002.2 2.074型号口径流量扬程效率转速电机功率必需汽蚀余量重量mm m3/h L/S m%r/min KW(NPSH)r Kg40-100404.46.38.31.221.752.3113.212.511.348545329000.55 2.33240-100A403.95.67.41.081.562.0610.61095229000.37 2.33240-125404.46.38.31.221.752.312120184146432900 1.1 2.33440-125A403.95.67.41.081.562.0617.61614.440454129000.75 2.33340-160404.46.38.31.221.752.313332303540402900 2.2 2.34740-160A404.15.97.81.141.642.17292826.33439392900 1.5 2.34340-160B403.85.57.21.061.532.025.52422.53438372900 1.1 2.33840-200404.46.38.31.221.752.3151504826333229004 2.37440-200A404.15.97.81.141.642.1745444226313029003 2.36240-200B403.75.37.01.031.471.94383634.5292900 2.2 2.35240-250404.46.38.31.221.752.3182807424282829007.5 2.310540-250A404.15.97.81.141.642.177270652428272900 5.5 2.39840-250B403.85.57.01.061.531.9461.5605623272629004 2.377型号口流量扬程效率转速电机必需汽蚀余量重量径功率mm m3/h L/S m%r/min KW(NPSH)r Kg40-100(I)408.812.516.32.443.474.5313.212.511.35562602900 1.1 2.33440-100(I)A4081114.52.223.054.0310.61096029000.75 2.33240-125(I)408.812.516.32.443.474.5321.22017.84958572900 1.5 2.33840-125(I)A4081114.52.223.054.03171614572900 1.1 2.33340-160(I)408.812.516.32.443.474.5333323045525129003 2.35640-160(I)A408.211.715.22.283.254.222928264451502900 2.2 2.34740-160(I)B407.310.413.52.382.893.75232220.5502900 1.5 2.34340-200(I)408.812.516.32.443.474.5351.250483846462900 5.5 2.38540-200(I)A408.311.715.32.313.254.2545.0444237454529004 2.37540-200(I)B407.510.613.82.082.943.833736344429003 2.36340-250(I)408.812.516.32.443.474.5381.28077.5313840290011 2.314540-250(I)A408.211.615.22.283.224.2271.070683829007.5 2.39540-250(I)B407.6 2.11 61.4 3729007.5 2.39410.8 143.03.89605840-250(I)C407.110.013.11.972.783.6453.25250.4362900 5.5 2.388型号口径流量扬程效率转速电机功率必需汽蚀余量重量mm m3/h L/S m%r/min KW(NPSH)r Kg50-100508.812.516.32.443.474.5313.612.511.35562602900 1.1 2.33650-100A5081114.52.223.054.03111096029000.75 2.33550-125508.812.516.32.443.474.5321.52017.84958572900 1.5 2.34350-125A5081114.52.223.054.03171614572900 1.1 2.33850-160508.812.516.32.443.474.5333323045525129003 2.35950-160A508.211.715.22.283.254.222928264451502900 2.2 2.35150-160B507.310.413.52.382.893.75232220.5502900 1.5 2.34750-200508.812.516.32.443.474.535250483846462900 5.5 2.310150-200A508.311.715.32.313.254.2545.8444237454529004 2.38050-200B507.510.613.82.082.943.833736344429003 2.36850-250508.812.52.443.4782802938290011 2.316050-250A508.211.615.22.283.224.2271.570683829007.5 2.311550-250B507.610.8142.113.03.8961.460583729007.5 2.311450-250C507.110.013.11.972.783.6453.25250.4362900 5.5 2.3108型号口径流量扬程效率转速电机功率必需汽蚀余量重量mm m3/h L/S m%r/min KW(NPSH)r Kg50-100(I)5017.52532.54.866.949.0313.712.510.56769692900 1.5 2.54150-100(I)A5015.622.3294.36.198.111108.46567682900 1.1 2.53650-125(I)5017.52532.54.866.949.0321.5201860686729003 2.55650-125(I)A5015.622.3294.336.198.1171613.65866652900 2.2 2.54850-160(I)5017.52532.54.686.949.0334.43227.554636029004 2.57250-160(I)A5016.423.430.44.566.58.4430282454625929004 2.57150-160(I)B5015.021.6284.176.07.78262420.65829003 2.55950-200(I)5017.52532.54.866.949.0352.75045.549585929007.5 2.510850-200(I)A5016.423.54.566.5346.444485729007.5 2.510750-200(I)B5015.221.828.34.226.067.86403834.5552900 5.5 2.510050-250(I)5017.52532.54.866.949.03828076.5395052290015 2.517550-250(I)A5016.423.430.54.566.58.4771.57067395052290011 2.516550-250(I)B501521.6284.176.07.78616057.4384954290011 2.516550-315(I)5017.52532.54.866.949.03128125122304044290030 2.531050-315(I)A5016.623.7314.616.588.6115113110304044290022 2.524550-315(I)B5015.722.529.24.366.258.01031019839290018.5 2.521550-315(I)C5014.420.626.84.05.727.4486858338290015 2.5195型号口径流量扬程效率转速电机功率必需汽蚀余量重量m3/h L/S m%r/min KW(NPSH)r Kg65-1006517.52532.54.866.949.0313.712.510.56769692900 1.5 2.54665-100A6515.622.3294.36.198.111108.46567682900 1.1 2.54165-1256517.52532.54.866.949.0321.5201860686729003 2.55865-125A6515.622.3294.336.198.1171614.45866652900 2.2 2.54965-1606517.52532.54.866.949.0334.43227.554636029004 2.57565-160A6516.423.430.44.566.58.4430282454625929004 2.57565-160B6515.021.6284.176.07.78262420.65829003 2.56365-2006517.52532.54.866.949.0352.75045.549585929007.5 2.510765-200A6516.423.530.54.566.538.4746.4444048575829007.5 2.510765-200B6515.221.828.34.226.067.86403834.5552900 5.5 2.510065-2506517.52532.54.866.949.03828076.5395052290015 2.518065-250A6516.423.430.54.566.58.4771.57067395052290011 2.517065-250B651521.6284.176.07.78616057.4384954290011 2.517065-3156517.52532.54.866.949.03127125122324044290030 2.532065-315A6516.623.7314.616.588.6115113110324044290022 2.525565-315B6515.722.529.24.366.258.01031019839290018.5 2.522565-315C6514.420.626.84.05.727.4486858338290015 2.5205型号口径流量扬程效率转速电机功率必需汽蚀余量重量mm m3/h L/S m%r/min KW(NPSH)r Kg65-100(I)653550659.7213.918.113.812.51067737029003 3.06365-100(I)A6531.344.7588.712.416.1111086672692900 2.2 3.05365-125(I)653550659.7213.918.12220176772.5702900 5.5 3.09965-125(I)A6531.344.7588.712.516.117.51613.666716929004 3.07865-160(I)653550659.7213.918.135322863717029007.5 3.010365-160(I)A6532.746.7619.113.016.930.6282462706929007.5 3.010365-160(I)B6530.343.356.38.412.015.6262421692900 5.5 3.09765-200(I)653550659.7213.918.153.55046556768290015 3.017665-200(I)A6532.847619.113.116.9474440546667290011 3.016665-200(I)B6530.543.556.68.512.115.740.63833.46529007.5 3.011465-250(I)653550659.7213.918.1838072525960290022 3.023565-250(I)A6532.546.7619.013.016.9737063525960290018.5 3.020565-250(I)B653043.3568.312.015.662605458290015 3.018065-315(I)653550659.7213.918.1128125121445457290037 3.035065-315(I)A6532.546.560.59.012.916.8112.6110106.4435457290030 3.033565-315(I)B653144.5588.612.416.1102.51009853290030 3.033565-315(I)C65294153.68.111.414.987858351290022 3.0270型号口径流量扬程效率转速电机功率必需汽蚀余量重量mm m3/h L/S m%r/min KW(NPSH)r Kg80-100803550659.7213.918.113.812.51067737029003 3.06380-100A8031.344.7588.712.516.1111086672692900 2.2 3.05480-125803550659.7213.918.12220176772.5702900 5.5 3.09980-125A8031.345588.712.516.117.51613.666716929004 3.07980-160803550659.7213.918.135322863717029007.5 3.010580-160A8032.746.7619.113.016.930.6282462706929007.5 3.010580-160B8030.343.356.38.412.015.6262421692900 5.5 3.09880-200803550659.7213.918.153.55046556768290015 3.017580-200A8032.8479.113.147445466290011 3.016580-200B8030.543.556.68.512.115.740.63833.46529007.5 3.011580-250803550659.7213.918.1838072525960290022 3.024080-250A8032.546.7619.013.016.9737063525960290018.5 3.021080-250B803043.3568.312.015.662605458290015 3.018580-315803550659.7213.918.1128125122435457290037 3.035580-315A8032.546.560.59.012.916.8112.6110107.4435457290030 3.034080-315B803144.5588.612.416.1102.51009853290030 3.034080-315C80294153.68.111.414.998858351290022 3.027580-350803550659.7213.918.1146150142556667290055 3.057080-350A803144.5588.612.416.1138.4142134.865290045 3.047080-350B80294153.68.111.414.9131.4135127.863290037 3.0440型号口径流量扬程效率转速电机功率必需汽蚀余量重量mm m3/h L/S m%r/min KW(NPSH)r Kg80-100(I)807010013019.427.836.113.612.5116676752900 5.5 4.510880-100(I)A8062.6 17.4 11 64 29004 4.58711632.28.87480-125(I)807010013019.427.836.123.52014707665290011 4.516380-125(I)A8062.68911617.424.732.219161168746529007.5 4.511380-160(I)807010013019.427.836.136.53224707665290015 4.518480-160(I)A8065.493.5121.618.226.033.8322821687467290011 4.517480-160(I)B8060.686.6112.516.824.131.372241872290011 4.517480-200(I)807010013019.427.836.1545042657473290022 4.025180-200(I)A8065.493.5121.618.226.033.847.54437647372290018.5 4.022080-200(I)B80618711316.924.231.441383271290015 4.019880-250(I)807010013019.427.836.1878068626968290037 4.033080-250(I)A8065.493.5121.618.226.033.8767059.5616867290030 4.031580-250(I)B80618711316.924.231.465605166290030 4.031580-315(I)807010013019.427.836.1132125114556667290075 4.067580-315(I)A8066.59518.526.41191135566290055 4.053580-315(I)B80639011717.52532.5106.61019265290045 4.042080-315(I)C80588210716.122.829.790857663290037 4.0366型号口径流量扬程效率转速电机功率必需汽蚀余量重量mm m3/h L/S m%r/min KW(NPSH)r Kg100-1001007010013019.427.836.113.612.5116676752900 5.5 4.5113100-100A10062.68911617.44732.211108.864747429004 4.591100-1251007010013019.427.836.123.52014707665290011 4.5169100-125A10062.68911617.424.732.219161168746329007.5 4.5118100-1601007010013019.427.836.136.53224707665290015 4.5191100-160A10065.493.5121.618.226.033.8322821687467290011 4.5181100-160B10060.686.6112.516.824.131.327241872290011 4.5181100-2001007010013019.427.836.1545042657473290022 4.0245100-200A10065.493.5121.618.226.033.847.54437647372290018.5 4.0215100-200B100618711316.924.231.441383271290015 4.0193100-25010070 19.4 37 62 290037 4.034513036.16868100-250A10065.493.5121.618.226.033.8767059.5616867290030 4.0330100-250B100618711316.924.231.465605166290030 4.0330100-3151007010013019.427.836.1132125114556667290075 4.0689100-315A10066.595123.618.526.434.3119113103656667290055 4.0549100-315B100639011717.52532.5106.61019265290045 4.0439100-315C100588210716.122.829.790857663290037 4.0385型号口径流量扬程效率转速电机功率必需汽蚀余量重量mm m3/h L/S m%r/min KW(NPSH)r Kg100-100(I)1009616019226.744.453.31412.510647370290011 4.5115100-125(I)1009616019226.744.453.3242014627469290015 4.5168100-125(I)A1008414016823.33946.7201712647268290011 4.5168100-160(I)1009616019226.744.453.3363227697975290022 5.6210100-160(I)A1008414016823.33946.7322823.5667672290018.5 5.0210100-200(I)1009616019226.744.453.3535045697978290037 5.2402100-200(I)A1001401683946.745407473290030 4.5395100-200(I)B1006010012016.727.833.343403672290022 4.5360100-250(I)1009616019226.744.453.3838072657774290055 4.8560100-250(I)A1008414016823.33946.7757265607269290045 4.5420100-250(I)B1006010012016.727.833.368655870290037 4.5400100-3501006010012016.727.833.3153.6150142725774290090 4.0950100-350A100618711316.924.231.4145.614213475290075 4.0830100-350B100588210716.122.829.7138.613512775290055 4.0600型号口径流量扬程效率转速电机功率必需汽蚀余量重量mm m3/h L/S m%r/min KW(NPSH)r Kg125-1001259616019226.744.453.31312.51282290011 4.0180125-100A1258614317223.939.747.810.4109.67729007.5 4.0125125-1251259616019226.744.453.322.6201780290015 4.0220125-125A1258614317223.939.747.8181613.677290011 4.0210125-1601259616026.744.4363278290022 4.026519253.328125-160A125901501802541.75031.52824.576290018.5 4.0230125-160B1258313816621.738.346.127242173290015 4.0215125-2001259616019226.744.453.355504677290037 5.5395125-200A125901501802541.75048.44440.576290030 5.5380125-200B1258313816621.738.346.141.337.534.575290022 5.5320125-2501259616019226.744.453.387807375290055 5.0580125-250A125901501802541.75076708474290045 5.5490125-250B1258313816621.738.346.165605573290037 5.5430125-3151259616019226.744.753.313312511970290090 5.0790125-315A125901501802541.750117110104.670290075 5.0710125-315B1258614317223.939.747.8106.410095.269290075 5.0705125-315C12580.513416122.437.244.796888667290055 5.0585型号口径流量扬程效率转速电机功率必需汽蚀余量重量mm m3/h L/S m%r/min KW(NPSH)r Kg 150-12515096 26.7 22.6 66 290011 4.0210160 19244.453.324177676150-125A150901501802541.750181613.67729007.5 4.0130150-1601509616019226.744.453.336322775290022 4.0270150-160A150901501802541.750322823.576290018.5 4.0230150-160B1508414016823.33946.727242173290015 4.0220150-20015014020026038.955.672.213.812.510.6687878145015 3.0265150-200A150125176232.534.749.764.611108.5667676145011 3.0244150-200B1508414016823.33946.741383475290022 4.0275150-25015014020026038.955.672.221.82017737977145018.5 3.0300150-250A150129184.424035.851.266.718.51714.4727876145015 3.0262150-250B150117167217.532.546.460.415.2141276145011 3.0241150-31515014020026038.955.672.233.83228707873145030 2.5410150-315A15013118724336.451.967.529.52824.5697777145022 3.5335150-315B15012117333.548.1252476145018.5 3.531522562.521150-3501509616019226.744.453.3153.6150142.8802900110 5.5970150-350A150901501802541.750145.6142134.870290090 5.2790150-350B1508414016823.33946.7138.6135127.8657674290075 5.5705150-40015014020026038.955.672.2535044687571145045 3.5490150-400A15013118724336.451.967.546.64438.3677470145037 3.5454150-400B150122174226.533.948.362.940383373145030 3.5435150-400C15011216020831.144.457.834322871145022 3.5365型号口径流量扬程效率转速电机功率必需汽蚀余量重量mm m3/h L/S m%r/min KW(NPSH)r Kg150-250(I)15012020024033.355.666.7878072657674290075 4.5702150-250(I)A15011218722431.151.962.2767063647573290055 4.5561150-250(I)B15010417320828.948.157.8656054637472290045 4.5460150-315(I)15012020024033.355.666.71331251205873752900110 4.5980150-315(I)A15011218722431.151.962.2116110105577274290090 4.5800150-315(I)B150104 28.9 100 55 290075 4.5724173 20848.157.895917072型号口径流量扬程效率转速电机功率必需汽蚀余量重量mm m3/h L/S m%r/min KW(NPSH)r Kg200-20020014020026038.955.672.213.812.510.6687878145015 3.0265200-200A200125179232.534.749.764.611108.5667676145011 3.0244200-25020014020026021.8201721.82017737977145018.5 3.0305200-250A200129184.424018.51714.418.51714.4727876145015 3.0267200-250B200117167217.515.2141215.2141276145011 3.0246200-31520014020026033.8322833.83228707878145030 3.5417200-315A20013118924329.52824.529.52824.5697777145022 3.5342200-315B20012117322525242125242176145018.5 3.5322200-400200140200260535044535044687571145045 3.5498200-400A20013118724346.64438.346.64438.3677470145037 3.5462200-400B200122174226.540383340383373145030 3.5443200-400C20011216020834322834322871145022 3.5373型号口径流量扬程效率转速电机功率必需汽蚀余量重量mm m3/h L/S m%r/min KW(NPSH)r Kg200-200(I)20028040052077.8111.114413.412.510.5708079145022 4.0382200-200(I)A20025035846569.490.4129.210.7108.5687377145018.5 4.0346200-250(I)20028040052077.8111.114422.22014758072145030 4.0475200-250(I)A20025035846569.499.4129.2181611.2737870145022 4.0405200-250(I)B20022632241962.889.4116.414.4137.3707567145018.5 4.0387200-315(I)20028040052077.8111.4144363226738075145055 4.0675200-315(I)A20026237448672.8103.913531.52823727974145045 4.0560200-315(I)B20024234645067.396.1125272419.578145037 4.0535200-400(I)20028040052077.8111.414454.55039758177145075 4.0830200-400(I)A20026237448672.8103.913548443480145075 4.0830200-400(I)B20024234645067.296.112541.43829.678145055 5.0685200-400(I)C20022432041662.288.9115.634.9322576145045 5.0580型号口径流量扬程效率转速电机功率必需汽蚀余量重量mm m3/h L/S m%r/min KW(NPSH)r Kg。