2-1船体制图的一般规定
- 格式:ppt
- 大小:2.76 MB
- 文档页数:73
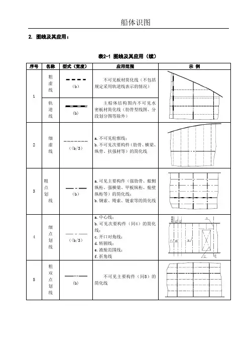
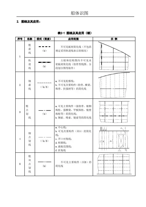
2. 图线及其应用:表2-1 图线及其应用(续)3. 图形符号:图形符号按表1-4规定。
表1-4 图形符号(有扁钢开口)(有面板)第二篇船体制图图样画法及编号Drawings for metal hull of shipsPresentation and coding of drawings)一、视图:2.1 基本视图:船体与结构向基本投影面投影所得的图形为基本视图。
基本视图一般有侧面图、平面图、首视图、尾视图。
2.2 向视图:船体结构向某一方向投影所得的图形为向视图。
向视图用视向符号与大写拉丁字母表示其投影方向和视图名称,见图2-1(c),(b)。
用向视图表示不在同一平面上的结构时应将其旋转展开在同一平面上,其表示形式见图2-1(c),(a)。
图2-1 向视图2.3 剖视图:假想用剖切平面剖切结构,将位于视者与剖切平面之间的部分移去,而将其余部分向投影面投影所得的图形为剖视图。
如舱底平面图。
结构具有对称平面时,可以对称中心线附近为界,一部分用剖视图表示,另一部分用其它视图表示,如双层底平面图。
需要表示局部结构时,可用局部剖视方法绘制。
平面图上剖视图与其他视图之间用折断线或波浪线分界,见图2-2。
舱底平面图2-2 剖视图2.4 剖面图:假想在要表达的构件附近作一剖切平面,将位于视者与剖切平面之间的部分移去,仅画出剖切到的构件剖面,要表达的构件及与其直接相连的构件,这样所得的图形为剖面图。
2.4.1 肋位剖面图:表示肋位处的结构形式的剖面图为肋位剖面图,其标注形式是用肋位号与视向符号表示剖切位置、剖面图名称和投影方向。
如,(表示55号肋位剖面图,向首),(表示60号肋位剖面图,向尾61—65号肋位剖面图与其相似)。
见图2-3(C)。
9.4.2 一般剖面图:除肋位外的所有其它位置的剖面图为一般剖面图,其标注形式是用剖切符号与大写拉丁字母表示剖切位置、剖面图名称和投影方向。
见图2-3(a)、(b)。
剖面图也可直接绘制在剖切平面迹线的延长线(细点划线)上,不另加标注,见图2-4。
船体制图1. 1.范围:本标准规定了船体制图一般规定、船体制图图样画法及编号、船体制图尺寸标注法等。
本标准适用于本厂建造的民用船舶和军用辅助船舶的金属船体制图。
2. 引用标准:下列标准包含的条文,通过在本标准中应用而构成为本标准的条文。
在标准出版时,所示版本为有效。
所有标准都会被修订,使用本标准的各方应探讨,使用下列标准最新版本的可能性。
Q/SWS10-006-2001图样及技术文件的幅面、格式及填写要求。
第一篇船体制图一般规定Drawings for metal hull of ships General provisions3. 3.名词术语:本标准和船体图样中,有关坐标平面、船体型表面及其型线等名词术语的说明见表1-1。
表1-1 名词术语说明4. 4.图纸幅面:图纸幅面具体规定按Q/SWS10-006-2001第三章。
5. 5.图样比例:5.1 比例的选用:制图时应采用表1-2中规定的比例。
表1-2 图样比例注:括号中的比例不推荐使用。
5.2 比例的标注:5.2.1 比例按下列方式标注:1:5 2:15.2.2 图样的比例注在标题栏内。
在同一图样中,若视图的比例不一致时,主要视图比例放在标题栏内,其他视图的比例注在名称线的下方。
如:A—A1:106. 6.书写方法:6.1 文字书写:6.1.1 图样和技术文件中书写的汉字、数字、字母都必须做到:字体端正、笔划清楚、排列整齐、间隔均匀。
汉字应写成宋体,并采用国务院正式公布使用的简化字。
6.1.2 字体的大小即号数,按字体的高度(单位为毫米)一般采用5、3.5、3、2四种。
根据幅面、内容和书写位置等情况选用。
生产设计中,图面所用的字体大小为:标题为3,其他均为2。
6.1.3 用作指数、脚注等的数字,一般采用小一号的字体。
6.2 文字说明的编号:6.2.1 技术文件按其内容分成若干章、条、条、条进行叙述,章、条、条、条的编号采用阿拉伯数字加圆点制,圆点加在阿拉伯数字右下角。
船体制图基础 -工程2019-01-01第一篇船体制图图线基础1.1. 图线及其应用表2-1 图线及其应用(续)序号名称型式(宽度)应用范围示例 1 粗虚线(b)不可见板材简化线(不包括规定采用轨道线表示的情况)轨道线(b) 主船体结构图内不可见水密板材简化线(肋骨型线图、分段划分图等除外) 2 细虚线(表2-1 图线及其应用(续)序号名称型式(宽度)应用范围示例 7 细双点划线(1.2. 图形符号图形符号按表1-4规定,。
表1-4 图形符号序号名称符号示例 1 吃水符号2 船中符号3 轴系剖面符号4 端接缝和边接缝符号一般接缝分段接缝5 连续符号6 间断符号7 视向符号8 肋位符号 FR表1-4 图形符号(续)序号名称符号示例 9 小开口剖面符号(无扁钢开口)(有扁钢开口)9 (续) 小开口剖面符号(无面板)(有面板)舱底10 剖切符号第一篇船体制图图线基础1.1. 图线及其应用表2-1 图线及其应用(续)序号名称型式(宽度)应用范围示例 1 粗虚线(b)不可见板材简化线(不包括规定采用轨道线表示的情况)轨道线(b) 主船体结构图内不可见水密板材简化线(肋骨型线图、分段划分图等除外) 2 细虚线(表2-1 图线及其应用(续)序号名称型式(宽度)应用范围示例 7 细双点划线(1.2. 图形符号图形符号按表1-4规定。
表1-4 图形符号序号名称符号示例 1 吃水符号2 船中符号3 轴系剖面符号4 端接缝和边接缝符号一般接缝分段接缝5 连续符号6 间断符号7 视向符号8 肋位符号 FR表1-4 图形符号(续)序号名称符号示例 9 小开口剖面符号(无扁钢开口)(有扁钢开口)9 (续) 小开口剖面符号(无面板)(有面板)舱底10 剖切符号第二篇船体制图图样画法及编号视图2.1 基本视图船体与结构向基本投影面投影所得的图形为基本视图。
基本视图一般有侧面图、平面图、首视图、尾视图。
2.2 向视图船体结构向某一方向投影所得的图形为向视图。
2. 图线及其应用:表2-1 图线及其应用(续)序号名称型式(宽度)应用范围示例1 粗虚线(b)不可见板材简化线(不包括规定采用轨道线表示的情况)轨道线(b)主船体结构图内不可见水密板材简化线(肋骨型线图、分段划分图等除外)2 细虚线(<b/3)a.不可见轮廓线;b.不可见次要构件(肋骨、横梁、纵骨、扶强材等)的简化线3 粗点划线(b)a.可见主要构件(强肋骨、舷侧纵桁、强横梁、甲板纵桁、舱壁纵桁等)的简化线;b.钢索、绳索、链索等的简化线4 细点划线(<b/3)a.中心线;b.可见次要构件(同4)的简化线;c.开口对角线;d.转圆线;e.液舱范围线;f.折角线5 粗双点划线(b)不可见主要构件(同5)的简化线表2-1 图线及其应用(续)序号名称型式(宽度)应用范围示例7 细双点划线(<b/3)a.非本图构件可见轮廓线;b.假想构件可见轮廓线;c.肋板边线;d.工艺开口线8 波浪线(<b/3)构件断裂边界线折断线(<b/3)9 斜栅线(<b/3)分段界线(分段划分图除外)3. 图形符号:图形符号按表1-4规定。
表1-4 图形符号序号名称符号示例1 吃水符号2 船中符号3 轴系剖面符号4 端接缝和边接缝符号一般接缝分段接缝5 连续符号6 间断符号7 视向符号8 肋位符号FR表1-4 图形符号(续)序号名称符号示例9 小开口剖面符号(无扁钢开口)(有扁钢开口)9 (续) 小开口剖面符号(无面板)(有面板)舱底10 剖切符号第二篇船体制图图样画法及编号Drawings for metal hull of shipsPresentation and coding of drawings)一、视图:2.1 基本视图:船体与结构向基本投影面投影所得的图形为基本视图。
基本视图一般有侧面图、平面图、首视图、尾视图。
2.2 向视图:船体结构向某一方向投影所得的图形为向视图。
向视图用视向符号与大写拉丁字母表示其投影方向和视图名称,见图2-1(c),(b)。
《船体制图》课习题集第一章船体制图的一般规定思考与练习一、简答题1.船体图样中的图线有哪些形式和规格?P132.写出船中符号、接缝符号、连续符号、肋位符号,并指出这些符号所表达的含义。
见附录二3.金属船体构件理论线标准的基本规定有哪几项?1、沿高度方向定位的构件,以靠近基线一边为理论线2、沿船长方向定位的构件,对于板材和对称的构件,以靠近船中一边为理论线3、沿船宽方向定位的构件,以靠近船体中线(CL)一边为理论线4、位于船体中线的构件,取其厚度中线为理论线书P34,其他规定见P36二、选择题1.细点划线简化表示 B 。
A.可见强构件 B.可见次要构件C.不可见强构件 D.不可见次要构件2.粗双点划线简化表示 A 。
A.不可见强构件 B.可见强构件C.不可见水密板材 D.不可见非水密板材3.全船性图样的肋位编号 C 。
A.按偶数标注 B.每档肋位都标C.隔5档肋距标注 D.隔10档肋距标注4.船体焊缝代号由四部分组成,其中必须标注的是 B 。
A.辅助符号 B.基本符号C.尺寸 D.焊接方法三、判断题(对的打“√”,错的打“×”)1.轨道线表示不可见水密板材投影。
(√)2.倾斜度尺寸标注方法是标注倾斜角度。
(×)3.曲线定形尺寸可以直接标在图中。
(错)4.标注单边V型焊缝符号时,箭头要指向无坡口一侧。
(带有)(错)四、绘图题2.在习图2-1-1上补标板和型材的理论线(用ML表示)位置。
习图2-1-1 理论线位置标注练习第二章型线图思考与练习一、简答题1.定线曲面与变线曲面的区别?甲板和外板分别属于哪种曲面?1、如果母线在运动过程中,如果形状和大小不改变,则形成的曲线面称为定线曲面(甲板)2、如果母线在运动过程中,如果形状和大小是变化的,则形成的曲线面称为变线曲面(外板)2.简述型线图三视图的组成?纵剖线图横剖线图半宽水线图3 .船体主尺度有哪几项?分别用什么符号表示?总长L OA 设计水线长L WL (与船的性能有关)垂线间长L PP (画型线图)型宽B 型深H 吃水T在设计水线处的最大宽度船长中点处从龙骨基线到满载(设计)水线的垂直距离干舷F 从设计水线到甲板边板顶面边缘的垂直距离F=H-T+t(甲板厚度)4. 型线的精确性体现在哪三个方面?光顺、协调、投影一致二、选择题1.描述船体形状和大小用 A 。
船体制图1 范围本标准规定了船体结构生产设计制图的一般规定、图样画法及编号、尺寸标注法等。
本标准适用于本公司建造的民用船舶和海洋工程产品的船体结构生产设计制图。
2 规范性引用文件Q/SWS 10-006-2006 图纸幅面、格式及填写要求3船体制图一般规定3.1 名词术语本标准和船体图样中,有关坐标平面、船体型表面及其型线等名词术语的说明见表1。
表1 名词术语说明表1(续)序号 名 称 含 义 符 号12 尾垂线根据不同船型和要求,通过下列个固定点之一所作的横向平面与中线面的交线。
a)设计水线后端点;b)设计水线与舵柱后缘的交点;c)设计水线与舵杆中心线的交点。
A.P.13 站确定船体型表面形状时,沿基线将设计水线长或垂线间长所划分的各点位置。
14 中站 位于设计水线长或垂线间长中点处的站。
15 站线型线图上,通过各站并垂直于基线及船体中线的直线。
16 水线 平行于基平面的水平面与船体型表面的交线。
W.L.17 设计水线 设计吃水时的水平面与船体型表面的交线。
18 纵剖线平行于中线面的剖切平面与船体型表面的交线。
19 横剖线平行于中站面的剖切平面与船体型表面的交线。
20 斜剖线斜交于基平面和中线面,但垂直于中站面的剖切平面与船体型表面的交线。
21 中站面 中站处,垂直于基平面和中线面的横向平面。
22 水线面 由水线所形成的平面。
23 纵剖面以平行于中线面的平面剖切裸船体或船体所形成的剖面。
24 中纵剖面 位于中线面处的纵剖面。
25 横剖面以平行于中站面的平面剖切裸船体或船体所形成的剖面。
26 中横剖面 位于中站面处的横剖面。
27 甲板边线甲板型表面的边缘线,对于甲板舷边为圆弧形的船体,则指横梁上缘延伸线与肋骨外缘延伸线之交点的连线。
表1(续)序号 名 称 含 义 符 号28 甲板中线 甲板型表面与中线面的交线。
29 舷弧线 甲板边线在侧视方向的投影线。
30 舷弧甲板边线的纵向曲度,其值以各站处舷弧线与型深的高度差表示。