PF系列精密行星减速机选型和尺寸
- 格式:doc
- 大小:363.00 KB
- 文档页数:3
卓藤行星减速机技术主要应用在有特殊要求的领域中。
在不同的行业领域中。
在全球各个角落。
在最为极端的条件下。
卓藤行星减速机都在不断树立全球衡量标准。
不断提供性能卓越的产品,量身定制的解决方案,来满足各市场的不同需求。
卓藤行星减速机公司在研发与销售、消费、市场推广严密联络,并且实现了信息共享。
特点:易于安装、具有精度高、高输入转速、高输出扭矩、钢性好、承载才能大、效率高、寿命长、噪音低、低震动、体积轻小、外形美观、免维修、定位精准等特点,适用于交流伺服马达、直流伺服马达、步进马达的减速传动。
适宜于全球任何厂商所制造的驱动产品连接:如常用伺服电机:台达、安川、松下、东元、三菱、富士、汇川、西门子、施耐德、欧姆龙、步进电机。
PF系列精细行星减速机性能参数表:L3 64-1000 ≤12效率η% L1 3-10 97% L2 9-100 94% L3 64-1000 91%使用寿命 h L1 L2 L3 3-1000 20000容许径向力 N L1 L2 L3 3-1000 680 1750 3100 6550 12400 容许轴向力 N L1 L2 L3 3-1000 340 875 1550 3275 6200重量 kg L1 3-10 1.4 3.5 6.8 24.4 45 L2 9-100 2.0 4.5 8.8 26 53 L3 64-1000 2.6 5.5 10.8 31 61噪音 dB L1 L2 L3 3-1000 ≤61 ≤63 ≤68 ≤72 ≤72 使用温度℃ L1 L2 L3 3-1000 -20℃ +90℃减速机转动惯量:规格单位段数速比 PF60 PF90 PF120 PF160 PF200转动惯量J kg.㎡ L1 3-5 0.48 1.75 12.8 22.4 45.3 7-10 0.42 1.45 11.4 18.6 44.8 L2 9-40 0.45 1.52 12.2 18.6 45.2 50-100 0.32 1.35 11.5 16.9 44.6 L3 64-280 0.32 1.36 12.2 16.3 44.2 350-1000 0.32 1.29 12.2 16.3 42.6ZHUOTO - P 09PF系列精细行星减速机尺寸参数表:尺寸代号 PF60 PF90 PF120 PF160 PF200 段数 L1 L2 L3 L1 L2 L3 L1 L2 L3 L1 L2 L3 L1 L2 L3 总长 A1 126 145 164 165 188 211 213 245 269 318 358 396 317 384 410 输出轴轴径 A2 14 20 25 40 55定位凸台直径 A3 50 80 110 130 160键到轴端间隔 A4 2 3 4 7 10输出轴键长 A5 25 30 43 65 70轴长到定位圆 A6 28 38 50 80 85定位凸台厚度 A7 3 5 6 5 5轴长到端面 A8 32 44.3 57.3 87 91法兰厚度 A9 9 10 14 20 20输出法兰 B1 64 90 120 168 200ZHUOTO - P 10。
具有经济实用,性价比高,精度高、钢性好、承载能力大、效率高、寿命长、体积轻小、外观美观、安装方便、定位精准等特点。
适用于交流伺服马达、直流伺服马达、步进马达、液压马达的增速与减速传动。
适合于全球任何厂商所制造的驱动产品联接。
KF系列精密伺服行星减速机:为方形法兰设计,安装尺寸简单方便。
型号分:KF40、KF60、KF90、KF120、KF160、KF200等常用机座型号。
速比:4~1000有20多种比速可选择;分一、二、三减速传动;精度:一级传动精度在5-10弧分,二级传动精度在7-12弧分;三级传动精度在9-15弧分;有数百种规格。
应用领域:伺服行星减速机可直接安装到交流和直流伺服马达上,广泛应用于中等精度程度的工业领域。
如:精密机床、焊接设备、自动切割设备、包装设备,太阳能、工业机器人、印刷设备、精密测试仪器等自动化数控设备的应用。
性能和特点:KF系列精密伺服行星减速机提供了高性价比,应用广泛、经济实用、寿命长等优点,在伺服控制的应用上,发挥了良好的伺服刚性效应,准确的定位控制,在运转平台上具备了中低背隙,高效率,高输入转速,高输入扭矩,运转平順,低噪音等特性,外观及结构设计轻小。
使用免更换的润滑油,及无论安装在何处,都可以免维修操作全封闭式设计,并且具有IP65的保护程度,因此工作环境差时亦可使用。
KF系列伺服行星减速机性能参数:KF系列伺服行星减速机转动惯量:配备电机LA LZ S LR LB LE LC L1(一级传动) L2(二级传动) L3(三级传动)200W 70 4-M4 11(F7)35 50(H7) 5 64 126 145 164 400W 70 4-M4 14(F7)35 50(H7) 5 64 126 145 164配备电机LA LZ S LR LB LE LC L1(一级传动) L2(二级传动) L3(三级传动)400W 70 4-M4 14F7 35 50(H7) 5 90 165 188 211750W 90 4-M5 19F7 35 70(H7) 5 90 165 188 211 1500W 145 4-M8 22F7 55 110(H7) 5 130 185 208 231。
概述精密行星减速机具有高刚性、高精度(单级可做到1分以内)、高传动效率(单级在97%-98%)、高的扭矩/体积比、终身免维护等特点。
精密行星减速电机按照功率分为大功率精密行星减速电机、小功率精密行星减速电机(微型减速机),不同功率的精密行星减速电机应用于不同的领域。
参数减速比:输入转速比上输出转速。
级数:行星齿轮的套数。
由于一套行星齿轮无法满足较大的传动比,有时需要二套或三套来满足用户对较大传动比的要求。
由于增加了行星齿轮的数量,所以二级或三机减速级的长度会有所增加,效率会有所下降。
满载效率:指在最大负载情况下(故障停止输出扭矩),减速机的传输效率。
平均寿命:指减速机在额定负载下,最高输入转速时的连续工作时间。
额定扭矩:减速机的一个标准。
在此数值下,当输出转速为100转/分钟时,减速机的寿命为平均寿命。
超过此值,减速机平均寿命会减少。
当输出扭矩超过两倍该值时,减速机故障。
润滑方式:无需润滑。
减速机为全密封方式,故在整个使用期内无需添加润滑脂。
噪音:单位是分贝(dB)。
微型精密行星减速电机的噪音在45分贝左右。
回程间隙:将输出端固定,输入端顺时针和逆时针方向旋转,使输出端产生额定扭矩+-2%扭矩时,减速机输入端有一个微小的角位移,此角位移即为回程间隙。
单位是“分”,即一度的六十分之一。
通常的回程间隙值均指减速机的输出端。
定制参数范围:外径尺寸:3mm-38mm电压范围:3V-24V功率范围:0.5W-50W输出转速:5rpm-1500rpm速比范围:2-2000输出力矩:1gf.cm-50kgf.cm齿轮材质:塑胶、金属齿轮型号微型精密行星减速电机的型号是根据尺寸、齿轮结构来划分型号的;兆威机电的微型精密行星减速电机的外径尺寸在3mm-38mm;电压范围在3V-24V;功率在05W-50W之间;齿轮材质分为塑胶、金属齿轮;例如32mm金属精密行星减速电机参数:ZWBPD032032产品32mm微型精密行星减速电机产品分类:五金行星齿轮箱产品型号:ZWMD032032产品规格:Φ32MM电压:6-24V(可定制)产品电流:80mA(可定制)减速比:4—1296(可定制)输出转速:14-4521 r/min(可定制)38mm微型精密行星减速电机:产品分类:五金行星齿轮箱产品型号:ZWMD038038产品规格:Φ38MM电压:6-24V(可定制)产品电流:315mA(可定制)减速比:4—1526(可定制)输出转速:3-1294 r/min(可定制)性能噪音小、寿命长、免保养。
直交軸齒輪減速機直交軸齒輪減速機為動力傳達輸入軸與輸出軸之軸角成90°,其齒輪組可採用的齒輪裝置型式,如直齒斜齒輪、零蝸線角型斜齒輪、蝸線斜齒輪、正面齒輪、斜齒輪、交叉螺旋齒輪、蝸輪及戟面齒輪等,除各有其特點外,各型式設計的使用場合及加工難易度皆不同,因此一般使用於電動機的直交軸減速機,僅有幾種較為常用的型式,且依兩軸心位置分為兩類,此兩類為交叉軸齒輪及不交叉不平行軸齒輪,本次將介紹的是交叉軸齒輪(Intersecting Axis Gears),後續各型式細節將分別說明。
交叉軸齒輪(Intersecting Axis Gears)1.直齒斜齒輪(Straight Bevel Gears)斜齒輪為交叉軸角,傳遞動力最常用之齒輪。
直齒斜齒輪為斜齒輪之最簡單型式,直齒之伸出部分,相交於齒輪軸,垂直於齒之剖面,齒廓與漸開線相似,其優點在於容許齒輪裝配,以較大之公差,使負荷不致集中於齒端。
斜齒輪2.蝸線斜齒輪(Spiral Bevel Gears)蝸線斜齒輪與直齒斜齒輪間之關係,就如同螺旋齒輪與正齒輪間之關係。
蝸線斜齒輪之齒,彎曲而傾斜,結果使其具相當之重疊量。
此齒輪在長時間運轉中,有一個以上的齒輪相接觸,成為漸變接合與連續節線之接觸。
蝸線斜齒輪由於其連續接觸,較同尺寸之直齒斜齒輪,具較大之負荷能量及平順與低噪音之運轉。
蝸線斜齒輪3.正面齒輪(Face Gears)所具之齒,切於齒輪端部之正面,配合之小齒輪亦為正齒輪或螺旋齒輪。
小齒輪之軸與齒輪之軸相交,常裝以90°之軸角,就作用而言,此型之齒輪與斜齒輪類似。
正面齒輪齒腹之傾斜度,內端較小,外端較大,齒之各測大體作直形,正齒正面齒輪之形狀。
正面齒輪4.斜角型齒輪(Beveloid Gear)此斜角型齒輪為漸開線齒輪,具推拔型之齒厚。
斜角型齒輪主要之用途,在於精密儀器之傳動,其中高精密與有限負荷能力之組合,配合其用途。
其有下列優點:a. 適合高精度。
邮箱:**************PW 系列减速机说明PW 系列减速机技术参数PW-SZ 外形尺寸图(1级)PW-L 外形尺寸图(1级)PW-R 外形尺寸图(1级)PW-S3外形尺寸图(1级)PWF 系列减速机技术参数PWF-SZ 外形尺寸图(1级)PWF-L 外形尺寸图(1级)PWF-R 外形尺寸图(1级)PWF-S3外形尺寸图(1级)PWF-SZ 外形尺寸图(2级)PWF-L 外形尺寸图(2级)PWF-R 外形尺寸图(2级)PWF-S3外形尺寸图(2级)PWF-SZ 外形尺寸图(3级)PWF-L 外形尺寸图(3级)PWF-R 外形尺寸图(3级)PWF-S3外形尺寸图(3级)PWF-SZ 外形尺寸图(4级)PWF-L 外形尺寸图(4级)PWF-R 外形尺寸图(4级)PWF-S3外形尺寸图(4级)装配指南备忘录CONTENTS目录O C D R I V EDRIVE 欧传 (01)020304050607080909101112121314151516171818192021澎湃动力 超越期望O C D R I V E DRIVE 欧传P W行星系列01P W行星系列P W行星系列PW-SZ外形尺寸图03 02P W行星系列P W行星系列0504PW-S3外形尺寸图P W —L /R外形尺寸图P W F行星系列P W F行星系列0607P W F行星系列P W F行星系列0908PWF-L/R 外形尺寸图P W F—SZ外形尺寸图P W F行星系列P W F行星系列1110PWF-SZ 外形尺寸图P W F—S 3外形尺寸图P W F行星系列P W F行星系列PWF-L/R外形尺寸图P W F—S3外形尺寸图13 12P W F行星系列P W F行星系列1514PWF-L/R 外形尺寸图P W F—S Z 外形尺寸图P W F行星系列P W F行星系列1716PWF-SZ 外形尺寸图P W F—S 3外形尺寸图P W F行星系列P W F行星系列1918PWF-S3外形尺寸图P W F—L/R 外形尺寸图2021。
行星减速机的选型
行星减速机的选型首先要考率,安装方式,输出方式,承载能力,输出扭矩,输出转速,回程间隙,工作条件等,
行星减速机的输出扭矩实在连续运转,8小时工作制,均匀负荷,无冲击的情况下进行的,
速比=输入转速/输出转速
输出扭矩Ts=电机额定扭矩X速比效率
额定扭矩Te(选型表中查出的扭矩)
实用扭矩T应满足以下条件
T/F<Ts 同事满足T/F<Te
再次要满足伺服电机的输出尺寸,要与行星减速机的安装尺寸要一至,目前整个市场上的伺服电机的安装尺寸几乎都不一样。
行星减速机的体积要与伺服电机体积大小要匹配,不然很不美观,不协调!。
概述精密行星减速器也称为精密行星齿轮箱、精密减速电机,精密行星减速器具有高刚性、高精度(单级可做到1分以内)、高传动效率(单级在97%-98%)、高的扭矩/体积比、终身免维护等特点。
按照功率大小分为小功率精密行星减速器(微型)、大功率精密行星减速器;不同功率的行星减速器分别应用于不同的场景、行业设备中。
微型精密行星减速器主要应用于汽车传动领域、精密医疗器械、智能家居、智慧城市基础设施设备中。
参数精密行星减速器齿轮箱的直径尺寸范围在3mm-38mm之间,参数各不相同,例如型号为:ZWBMD032032型号:ZWBMD032032典型应用:割草机、流量泵、电动门窗、天线基站等Typical Application:The lawn mower,Flow pump,Electric windows and doors,Base station antenna and etc.输出功率:约2.8W~10.0W金属输出轴ZWBMD032032-107612.053005720408544007700002500001076型号精密行星减速器型号主要是根据参数、尺寸、规格来命名:尺寸:3mm、4mm、6mm、8mm、10mm、12mm、14mm、16mm、18mm、20mm、22mm、24mm、26mm、28mm、30mm、32mm、38mm电压:3v、4v、5v、6v、12v、24v功率:0.5W-50W速比:2-2000材质:塑胶、金属齿轮性能精密行星减速器具备体积小、噪音低、寿命长、耐用、高刚性、高精度(单级可做到1分以内)、高传动效率(单级在97%-98%)、高的扭矩/体积比、终身免维护等特点。
用途微型精密行星减速器按照需求定制参数,主要应用于电子产品设备领域、汽车传动领域、精密医疗器械领域、工业自动化领域、智能家居设备领域:一、电子产品、设备手机、数码相机、手持风扇、平衡车、无人机、电子锁具、电动牙刷、智能互动机器人、电动公仔、打印机、复印机等。
减速机安装尺寸对照表六、产品结构、工作原理及选型方法七、摆线针轮减速机型号表示方法、输出扭矩表及电机外形尺寸、参数表⅛iΛ机功辜< 迪紬甲不丧丽I KAV∕∖ρρlιed Itioior pn∖*cτ K^M mi IndiCiIliorlΓnτ <louhk ty Ptf >-餐功比.c用阿拉伯釵字裘丞JI IJnSInISSion ration i IItAIJhtC IlUnIeraI、卜机序号用国拉伯啟亨表示)I A , v∙i .'. 1j>. 1 Tfl'κ. IIIll Irz∣-∙;飯闭副打滁决琴代诗'■ ¾⅛不春示,applied IlynaTnw tyρ-e andCOde (Tloiπdicalion for MdUh Ie ⅛haħtype}安装型式代号I卧就代号店立式代号LA-SsCrribIy InOdC CCdC-I ∖⅛∣ι>rhor∣2<∣ιιtuI and L 山r YL rt∣Ld∣h 示例•B WD 13-S7-2.2W L ■ 廿 F B~∣]F 'MB IIIII —I t-!∙- |1---------- 笔机功聿2.2 K HIiU)EOr PdWer 2.2 KW1 -------------------- 传动比i-S7IranScniSSlan raEio(inAra⅛ic πumctjh >-------------------- I3^⅛l⅛hs⅝c N(IHL --------普通曲机POP>u Iiu InLlIOr ----------------- ------ 脚械丸Eb黑liι>rj∕<jnlιl- ------------------------------ A Ptt针轮瘴速机CyCl oidiil Pinμ^Λτr√ιiutvrt∖tde K*rι y H.H J;I I FiIlE心Jr、「心idreducer示例二BLEl) 1 53 23x17 15---- 2 -■ Sl (■■■∣i≡≡β≡^^"^≡*≡ββi'电机功畢I l5K∖⅝ molor ρυ w Cr 1.5 JCW 件动出1⅛if¾2VMit¾i" ton⅛πiHSLon ral iun 23(loWIPCCd Ik^Cl) JrUjl ?(hi* h ⅛pc<^d ICVel⅛讥级减遐机号低i!≠⅛fil 5 ffiι≡⅛fiijRnSti NO-1 Sl IoVk ⅛pccd ICVtl I 工IliI 1IlhiIfh SPCCd IrVen置蛋酱通⅛L机POPUIiir motor 电机功XljKWITloIOr pυw√ι I. I传动比厂门..*traπ⅛miA⅛ιc'r riitι√t i , 1 7双¾JlmhIC IeVCl 】号机座.IMse Nt). 2Ar. Λ S!通也机P^PIlIUr 11∏>H*Γ 脚檢畫辭翳1ιt∙ri^⅛∏l3∣ 其系列摆线It晁減速机X ⅞<rial i;y<louiaI r∣nI i lCar reducer洗兰式立装tc∏<ca∣唯级减遠机输小轴许用转域衣CyCloi(131 ρtπ gear reducer⅛⅛ft⅛tl∣动机ι'i联哩摆线针轮减速Hl额定输人功半1<Rjq<d tnput ∣j⅜Le∣∙∣f Sln^Le-Mot∣>r DirCVI-Γ-ι1叩ltd l∖⅛ c Imdiil I1:n -<Jcα∣ K¢4ULCr Λ ∣ IJhlClJfiAftl-为晟以上封.ιH½fflBOOOr πιsπ∏ WAttit•讥ULl)UEl I X4 HIZXSIili IH4X7X⅛ B15x⅛IMOXIUHrXHIIlNXI2IMMl⅞9⅝N.πι1f⅜⅛⅛M9人转痙 1 SO(Ir InIn IoOornUftIE HM IM64W I54⅛92157nso57Sh∏141245Γ49fl⅛8H1"I 2f∣,41; ?r∣,^7「记;G、2O5H 23147245490Im2w?i4机3TS+5192961的0294巧29W724?4^(1^Sl k*>⅛l264»4415池IΛ2Q⅛IA67ft294IW 拝H?店49«醐1961>6JK44131176 7l<)M2294IS 4?14724S4l∣(3恥L19H2t>4K44H4tK2S117fe7IselI2941X -47114^ 1 4*^( J Vi(Ij沙阳MX* T.MM Sβ25'L :76^f∣%124*50呻”! !VM÷H \7I *19UmmI t -----S74^0I幅[1^1264»U-E∣17Λ7I ⅛6∣2jJ t>41 h J C WBRIIIIH<ι∣hιcιcιf C⅛,m PUII 配置动力源代号CadC ------ ----------普通电机PuRiIliIrm∙o(oι,D 防IS 电机PCrlni5*sιhkι motor壹浚氏起DC IlO Or7.■ 1 ■*—-. ∏1B■ VI J 二・」i L J U 3 il l Lr 1■ i ⅛G Ifc「M 门T 制动电机brake mcMor I NI l Ll(X ⅛m⅛ I V l t⅛力源ft 巧1)i*⅛∣v∣ι¼^∣l PowcFSUPPl>,('odvni D∣reci a*1 OUPlnIRcdu<cr ⅛^∙ I-IbICA八、单级立式行星摆线针轮减速机BL 、BLD 、XL 、XLD 外形及安装尺寸九、单级卧式行星摆线针轮减速机BW 、BWD 、XW 、XWD 外形及安装尺寸十、双级立式行星摆线针轮减速机BLED 、XLED 外形及安装尺寸HWE* BWED. X W I:. XWED 吧(*1 级)外形,⅛⅛K PM OL I C] BwE. HWh D, XxV卜I XW E」刃DnUhlf red uuι IUnS r Com our AnJ In^aliLllK>n Dlmς∏sιcn^駅号⅛mw寸(∏πtιmr ⅛ι∕r⅛⅛¾∕?! IiiviiklktKMi ⅛⅛∕√辑N尺寸Sl^s,⅛ħΛ∣∣ nrd■ ■hueUL B—K J U Tr F P Q R TH C{>I h C4V li⅛∖lrU⅛tP L^dr Ml II^ιw1⅛B W/E.B WE7E)19- 1 9 5号IHO9120,""1Iβ529⅛}240(91)16K∖W----∙*390!5<ι4I I S U30$17152S20IIU IAo JKO JftK 2 SO22012(1125IS I IO2411MN55413IO3K3?5∙65171>3012020«込一血 5 Ob24<»14014420ISft 2 MJ MM⅛o4IJ144X.S456X51715、寸*釜血rr⅛w UI2oιι32tf194i255∏t'2^)∣4<l144IV1⅛Q280M⅛fry413144M54S6Kħ2∣>5IX Si 1Frt HO2S03904! 7.⅛s)56JOo160 1.5«M^UO J 40Ml 275417½55Kn∏22■Bi350妙〕E373珈301>lħθ159200J4O Ml 273417IfI5S55KU620 5IK)5⅛li B 1413S04≡S05 4 3542,34υ⅛5:lUl!53益>205JO M::KO4222»7J.5701006IX3514»-*> 142⅛xα4[M∣5?4■!的425Mi-200155253:Q HoIfIOMl Ξ创4! 274*70IOO624.53240BSφ动mK 15244047(16Λ5So-I JrHJ24015532∙WΛ20Mlh4222595Mb b24.5■ !—■»0J 4--HA47(3643i4750440ft241)IS513'JtO420Ml 6KU4222S93馳i I估JO55上60Ift3520Sftrl741M560 5500刑艸药44<1MZO9042618H⅛IUO139g JO I対460U-1746006QO754I 70661ft32525040500 6 30M 24IUS62828IIh HO150IOλS35&2bKOU5Xtn Sjto11 n9阳咖7⅛O420324P卜6S0I IWMJ∖BO16⅛A32321375202144K 545⅛]I 320195JIHO H初1502n?o1160Iao(I—4⅛560]材0M422<κ>⅛--A4$4S19»Kl)JJO t44K 54570TabledXWE. X W E D4 -1 2 8,√-l⅛⅞BO J72Iw116240150I2214$200SJ-2 MJ420409JS⅛? On l⅛03062S ISU370613J5430524454425J4020012530275JJCO64B543055247S J40:00必302755«07<谢 4 j JC541W也U(I no US303204?<1M4440 5 W64R574S144IM)≡25015$35SBO 4 MO«544D no6R25165144U0250155JJ JXU4⅛0*)55⅛0(1207X4US 5 Wl290INh404K∣>5ħO阿6908637 54616 3 JS绑40500 6 iθ117KlO» KC I IOU9打KgO76042«$0660MOOUK IG401160[5«2LnOI16(1IOOo$404S5巧Q3(4«IOSO竈片1尺T曇阳爲「十二、摆线针轮减速机机型对照表。
减速机选型条件参考为了选到最合适的减速电机,有必要了解该减速电机所驱动机器的详尽技术特性,就必须确定一个使用系数fB。
使用系数fB。
减速电机的选用首先应确定以下技术参数:每天工作小时数;每小时起停次数;每小时运转周期;可靠度要求;工作机转矩T工作机;输出转速n出;载荷类型;环境温度;现场散热条件;减速机通常是根据恒转矩、起停不频繁及常温的情况设计的。
其许用输出转矩T由下式确定:T=T出X fB 使用系数T出————减速电机输出转矩fB————减速电机使用系数传动比i i=n入/ n出电机功率P(kw) P=T出* n出/ 9550 * η 输出转矩T出(N.m)T出=9550* P*η/n出式中:n入——输入转速η——减速机的传动效率在选用减速电机时,根据不同的工况,必须同时满足以下条件:1、T出≥T工作机2、T=fB总*T工作机式中:fB总——总的使用系数,fB总=fB*fB1*KR*KW fB——载荷特性系数,KR——可靠度系数fB1——环境温度系数;减速机扭矩计算公式:速比=电机输出转数÷减速机输出转数("速比"也称"传动比")1.知道电机功率和速比及使用系数,求减速机扭矩如下公式:减速机扭矩=9550×电机功率÷电机功率输入转数×速比×使用系数2.知道扭矩和减速机输出转数及使用系数,求减速机所需配电机功率如下公式:电机功率=扭矩÷9550×电机功率输入转数÷速比÷使用系数减速器是指原动机与工作机之间独立封闭式传动装置,用来降低转速并相应地增大转矩。
在某些场合,也有用作增速的装置,并称为增速器。
减速器主要由传动零件(齿轮或蜗杆)、轴、轴承、箱体及其附件所组成,其基本结构有三大部分:1)齿轮、轴及轴承组合;2)箱体;3)减速器附件。
其常用术语如下:减速比i:减速器输入转速与输出转速之比。
关于强度计算中取值的有关规定(讨论稿) 以下强度计算中的取值规定有不完善之处和不妥之处,恳请各位指出。
1行星产品设计进行齿轮强度计算时,采用GB3480,其重要数据取值如下:φb(齿宽系数)取值在0.45-0.7之间σHlim(齿面接触疲劳极限应力)材料为20CrMnMo渗碳淬火时取1400MPa材料为40Cr调质时取780MPa材料为40Cr氮化时取1200MPaσFlim(齿根弯曲疲劳极限应力)太阳轮材料为20CrMnMo渗碳淬火取350MPa行星轮材料为20CrMnMo渗碳淬火取280MPa材料为40Cr调质时取260MPa材料为40Cr氮化时取330MPa齿形修薄、允许少量点蚀规定接触强度计算安全系数≥1.1规定弯曲强度计算安全系数≥1.32 平行轴产品设计进行齿轮强度计算时,采用GB3480其重要数据取值如下:φb(齿宽系数)取值在0.35-0.4间螺旋角取值在9-15度(10-13度优先)σHlim(齿面接触疲劳极限应力)材料为20CrMnMo渗碳淬火时取1350MPa材料为40Cr调质时取780MPa材料为45 # 调质时取650MPa材料为40Cr氮化时取1200MPa材料为45 # 氮化时取850MPaσFlim(齿根弯曲疲劳极限应力)材料为20CrMnMo渗碳淬火取330MPa材料为40Cr调质时取240MPa材料为45 # 调质时取210MPa材料为40Cr氮化时取320MPa材料为45 # 氮化时取260MPa齿形修薄、允许少量点蚀规定接触强度计算安全系数≥1.1规定弯曲强度计算安全系数≥1.33锥齿轮设计进行强度计算时,采用GB10062其重要数据取值如下:σHlim(齿面接触疲劳极限应力)材料为20CrMnMo渗碳淬火时取1350MPa材料为40Cr调质时取780MPa材料为45 # 调质时取650MPa材料为40Cr氮化时取1200MPa材料为45 # 氮化时取850MPaσFlim(齿根弯曲疲劳极限应力)材料为20CrMnMo渗碳淬火取330MPa材料为40Cr调质时取240MPa材料为45 # 调质时取210MPa材料为40Cr氮化时取320MPa材料为45 # 氮化时取260MPa齿形修薄、允许少量点蚀规定接触强度计算安全系数≥1.1规定弯曲强度计算安全系数≥1.33 平行轴产品设计进行齿轮强度计算时,采用GB3480其重要数据取值如下:φb(齿宽系数)取值在0.35-0.4间螺旋角取值在9-15度(10-13度优先)σHlim(齿面接触疲劳极限应力)材料为20CrMnMo渗碳淬火时取1350MPa材料为40Cr调质时取780MPa材料为45 # 调质时取650MPa材料为40Cr氮化时取1200MPa材料为45 # 氮化时取850MPaσFlim(齿根弯曲疲劳极限应力)材料为20CrMnMo渗碳淬火取330MPa材料为40Cr调质时取240MPa材料为45 # 调质时取210MPa材料为40Cr氮化时取320MPa材料为45 # 氮化时取260MPa齿形修薄、允许少量点蚀规定接触强度计算安全系数≥1.1规定弯曲强度计算安全系数≥1.34 用转矩估算轴径时(粗选最小轴径时),式中A的取值材料为45#时,A取113材料为40Cr时,A取102材料为20CrMnMo时,A取98截面上有一个键槽,A取值增大4-5%截面上有二个键槽,A取值增大7-10%5 按当量弯矩近似计算轴径时1)转动的轴既受弯矩又扭矩时,[σ]取[σ-1]材料为45#调质时,[σ-1]取60MPa材料为40Cr调质时,[σ-1]取70MPa材料为20CrMnMo渗碳淬火时,[σ-1]取90MPa 2)转动的轴仅受扭矩时,[σ]取[σ0]材料为45#调质时,[σ0]取105MPa材料为40Cr调质时,[σ0]取120MPa材料为20CrMnMo渗碳淬火时,[σ0]取150MPa3)转动的轴仅受弯矩时,[σ]取[σ-1]材料为45#调质时,[σ-1]取60MPa材料为40Cr调质时,[σ-1]取70MPa材料为20CrMnMo渗碳淬火时,[σ-1]取90MPa 4)行星轴仅受弯矩,[σ]取值如下:(轴承装在行星轮内)材料为45#调质时,[σ]取110MPa材料为40Cr调质时,[σ]取130MPa材料为20CrMnMo渗碳淬火时,[σ]取180Mpa 6 联接强度的校核平键的强度校核按红手册上册第582页进行花键的强度校核按红手册上册第592页进行销的强度校核按红手册上册第610页进行(进行销的强度校核时,内齿圈上的T按此级的输出T 近似计算)7轴承的校核按红手册下册第149-154页进行关于行星减速器设计标准及规定1 机体、机壳、机座、机盖a材料为QT450-10、HT250b应进行时效解决,粗加工后进行二次时效。
同芯轴及直交轴系列斜齿减速机AF060AF090AF115AF140AL070AL090AL120AL155AH064AH090AH110ZAF060ZAF090ZAF115ZAF140ZAL070ZAL090ZAL120ZAL155齿隙低于弧分,定位精确3使用整体式滚珠轴承,大大提高刚性和扭矩使用斜齿轮实现顺畅安静地运转可以安装到任何一台马达上使用高粘度、不易分离的润滑脂,有效防止润滑脂泄漏在产品寿命期内无需更换润滑脂,安装更便捷High precisionStandard backlash is 3 arc/min,ideal for precision control.High rigidity & torqueQuiet operationAdapter-bushing connectionNo grease leakageMaintenance-freeHigh rigidity & high torque were achived by uncaged needle roller bearingsHelical gears contribute to reduce vibration and noiseCan be attached to any motor all over the world.Perfect soluting using high viscosity anti-separation grease.No need to replace the grease for the life of the unit.Can be attacehed in any position.AFseries88-01A 090F 7K 3背隙Backlash 3–3分3arc/min 输出方式Output style K–附带输出轴键Shaft with key S–无输出轴键Smooth shaft 减速比Ratio 1段Stage :、、、、、、、3456789102段Stage :、、、、、、151620252830 、、、、、、354045506070 、、8090100尺寸Frame size 060090115140、、、系列名称Series name F 系列F Series A 减速机的名称Mode name for A reducer 19马达型号Motor type AF odel 88-02series 如有不明白之处,欢迎咨询。
卓藤行星减速机技术主要应用在有特殊要求的领域中。
在不同的行业领域中。
在全球各个角落。
在最为极端的条件下。
卓藤行星减速机都在不断树立全球衡量标准。
不断提供性能卓越的产品,量身定制的解决方案,来满足各市场的不同需求。
卓藤行星减速机公司在研发与销售、生产、市场推广紧密联系,并且实现了信息共享。
特点:易于安装、具有精度高、高输入转速、高输出扭矩、钢性好、承载能力大、效率高、寿命长、噪音低、低震动、体积轻小、外形美观、免维修、定位精准等特点,适用于交流伺服马达、直流伺服马达、步进马达的减速传动。
适合于全球任何厂商所制造的驱动产品连接:如常用伺服电机:台达、安川、松下、东元、三菱、富士、汇川、西门子、施耐德、欧姆龙、步进电机。
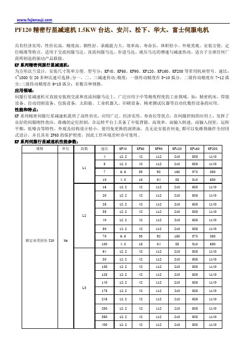
PF系列精密行星减速机性能参数表:
规格单位段数速比 PF60 PF90 PF120 PF160 PF200
额度输出扭矩 Nm L1
3 33 95 210 470 1120
4 42 112 210 58
5 1140
5 42 112 210 585 1140
7 33 92 168 378 850
10 15 54 85 310 630 L2
9 15 54 85 310 630
12 33 95 210 470 1120
15 33 95 210 470 1120
16 42 112 210 585 1140
20 42 112 210 585 1140
25 42 112 210 585 1140
28 42 112 210 585 1140
30 33 95 210 470 1020
35 42 115 210 585 1140
40 42 115 210 585 1140
50 42 115 210 585 1140
70 33 92 168 378 850
100 15 54 85 310 630 L3
64 42 112 210 585 1140
80 42 112 210 585 1140
100 42 115 210 585 1140
125 42 115 210 585 1140
140 42 115 210 585 1140
150 42 115 210 585 1140
250 42 115 210 585 1140
280 42 115 210 585 1140
350 42 115 210 585 1140
400 42 115 210 585 1140
500 42 115 210 585 1140
700 33 92 168 678 850
1000 15 54 85 310 630
故障停止扭矩 Nm L1 L2 L3 3-1000 2.0times T2N 2.0倍额定扭矩
最大输入转速 rpm L1 L2 L3 3-1000 6000 6000 6000 5000 4000 额定输入转速 rpm L1 L2 L3 3-1000 4000 3500 3500 3000 2500
超精密背隙P0 arcmin L1 3-10 ≤3 L2 9-100 ≤5 L3 64-1000 ≤7
精密背隙P1 arcmin L1 3-10 ≤5 L2 9-100 ≤7 L3 64-1000 ≤9
标准背隙P2 arcmin L1 3-10 ≤8 L2 9-100 ≤10
L3
64-1000 ≤
12 效率η
%
L1 3-10 97% L2 9-100 94% L3
64-1000 91% 使用寿命 h L1 L2 L3 3-1000 20000 容许径向力 N L1 L2 L3 3-1000 680 1750 3100 6550 12400 容许轴向力 N L1 L2 L3 3-1000 340 875 1550 3275 6200 重量
kg
L1 3-10 1.4 3.5 6.8 24.4 45 L2 9-100 2.0 4.5 8.8 26 53 L3
64-1000 2.6 5.5 10.8 31 61 噪音 dB L1 L2 L3 3-1000 ≤61
≤63
≤68
≤72
≤72
使用温度
℃
L1 L2 L3
3-1000
-20℃ +90℃
减速机转动惯量: 规格 单位 段数 速比 PF60 PF90 PF120 PF160 PF200
转动惯量J
kg.㎡
L1
3-5 0.48 1.75 12.8 22.4 45.3 7-10 0.42 1.45 11.4 18.6 44.8 L2 9-40 0.45 1.52 12.2 18.6 45.2 50-100
0.32 1.35 11.5 16.9 44.6 L3
64-280
0.32
1.36 1
2.2 16.3 44.2 350-1000 0.32
1.29
12.2
16.3
42.6
ZHUOTO - P 09
PF 系列精密行星减速机 尺寸参数表:
尺寸代号 PF60 PF90 PF120 PF160 PF200 段数 L1 L2 L3 L1 L2 L3 L1 L2 L3 L1 L2 L3 L1 L2 L3 总长 A1 126 145 164 165 188 211 213 245 269 318 358 396 317 384 410 输出轴 轴径 A2 14 20 25 40 55 定位凸台直径 A3 50 80 110 130 160 键到轴端距离 A4 2 3 4 7 10 输出轴键长 A5 25 30 43 65 70 轴长到定位圆 A6 28 38 50 80 85 定位凸台厚度 A7 3 5 6 5 5 轴长到端面 A8 32 44.3 57.3 87 91 法兰厚度 A9 9 10 14 20 20 输出法兰 B1
64
90
120
168
200
安装通孔 B2 Φ5.5 Φ6.5 Φ9 Φ11 Φ13
安装分布圆直径B3 70 100 130 185 215
输出端定位孔B4 M5 M8 M12 M16 M20
输出轴键高 B5 16 22.5 28 43 59
输出轴键宽 B6 5 6 8 12 16
输出孔直径 C1 12 20 25 40 50
输出孔键高 C2 13.8 22.8 28.3 43.3 53.8
输出孔键宽 C3 4 6 8 12 14
输出孔深度 C4 26 30 45 68 70
以下是输入端尺寸(可根据电机输出端尺寸定制)
输入法兰 D1 64 90 130 180 200
安装螺孔 D2 M4 M5 M5 M6 M8 M6 M8 M8 M12 M12
安装孔分布圆直径D3 70 70 90 90 145 145 200 200 215 电机轴直径 D4 11 14 14 19 19 22 24 22 24 35 35 42 电机定位凸台直径D5 50 50 70 70 110 110 114.3 114.3 180 电机定位凸台厚度D6 5 5 10 10 10
电机轴长 D7 35 45 65 65 82 82 116 ZHUOTO - P 10。