VGM减速机选型简介
- 格式:doc
- 大小:57.50 KB
- 文档页数:5
特点:为同轴式方形法兰输出,具有精度高、钢性好、承载能力大、效率高、寿命长、噪音低、体积轻小、外形美观、安装方便、定位精准等特点,适用于交流伺服马达、直流伺服马达、步进马达、液压马达的增速与减速传动。
适合于全球任何厂商所制造的驱动产品连接.KB系列精密伺服行星减速机:分KB40、KB60、KB90、KB115、KB142、KB180、KB220、KB280同轴式机座型号,速比:3~1000有20多个比可选择;分一、二、三级减速传动;精度:一级传动精度在4-6弧分,二级传动精度在6-8弧分;三级传动精度在7-10弧分;有数百种规格。
产品型号例如:KB142-32-S2-P2。
应用领域:伺服减速机可直接安装到交流和直流伺服马达上,广泛应用于精密机床、军工设备、半导体设备、印刷包装设备、食品包裝、自动化产业、太阳能、工业机器人、精密测试仪器等高精度场合应用。
KB系列精密行星减速机性能参数:KB系列精密行星减速机转动惯量:配备电机LA LZ S LR LB LE LC L1(一级传动)L2(二级传动)L3(三级传动)2000W 145 4-M8 22(F7) 65 110(H7) 10 150 280 326 372 3000W 200 4-M12 35(F7) 80 114.3(H7) 10 180 305 351 397 4000W 215 4-M12 38/42(F7) 115 180(H7) 10 190 325 371 417配备电机LA LZ S LR LB LE LC L1(一级传动)L2(二级传动)L3(三级传动)3000W 200 4-M12 35F7 82 114.3H7 10 188 320 368 413 4200W 215 4-M12 38/42F7 115 180H7 10 188 340 388 433 7500W 235 4-M12 55F7 120 200H7 10 220 342 390 435配备电机LA LZ S LR LB LE LC L1(一级传动)L2(二级传动)L3(三级传动)3000W 200 4-M12 35F7 82 114.3H7 10 188 362 425 470 4200W 215 4-M12 38/42F7 116 180H7 10 188 362 425 470 7500W 235 4-M12 55F7 116 200H7 10 220 392 425 470 11000W 265 4-M12 55F7 116 230H7 10 250 392 425 470配备电机LA LZ S LR LB LE LC L1(一级传动)L2(二级传动)L3(三级传动)4200W 215 4-M12 38/42F7 116 180H7 10 188 400 488 568 7500W 235 4-M12 55F7 116 200H7 10 220 400 488 568 11000W 265 4-M12 55F7 116 230H7 10 250 400 488 568 15000W 300 4-M12 60F7 140 250H7 10 285 430 520。
南高齿减速机选型样本NMRV63(一)引言概述:南高齿减速机选型样本NMRV63(一)是一种常用于工业机械传动系统的齿轮传动装置。
本文将对该型号减速机的选型进行详细介绍。
正文:1. 性能参数:- NMRV63型号的最大输入转速为3000转/分钟。
- 减速比范围为7.5~100。
- 额定输出扭矩为600牛米。
- 齿轮材料采用高强度合金钢,具有较好的耐磨性和耐腐蚀性。
- 减速机的噪声水平低于65分贝,运行平稳可靠。
2. 结构特点:- 该型号减速机采用了紧凑的轴输出结构,可以方便地与其他设备连接。
- 齿轮传动采用了螺旋伞齿轮设计,增强了传动效率和承载能力。
- 采用铝合金外壳,重量轻、抗腐蚀性好。
- 设备采用了全封闭润滑设计,有效延长了使用寿命。
3. 安装与维护:- 减速机的安装应当遵循相关的安装规范,确保传动链的正确性。
- 需要定期检查润滑油的使用情况,及时更换和补充。
- 注意保持减速机内部的清洁,防止异物进入影响正常运行。
4. 应用范围:- 适用于各种工业机械设备的传动系统,如搅拌设备、输送带、卷取设备等。
- 可以与不同类型的发动机或电机配合使用,满足不同功率需求。
- 广泛应用于石油、化工、轻工、纺织、食品等行业。
5. 选型注意事项:- 根据实际工作条件和要求,合理选择减速比和输出扭矩等参数。
- 注意设备的安装空间和支撑条件,确保减速机的正常运行。
- 可根据具体需求选择不同类型的NMRV63型号,如带有刹车、加热器等附件的配置。
总结:南高齿减速机选型样本NMRV63(一)是一种性能稳定、可靠性高的齿轮传动装置。
其紧凑的结构、优良的材料和全封闭润滑设计使其在各种工业机械传动系统中广泛应用。
在选型使用时,需要根据实际需求和工况条件进行合理选择,并严格按照相关的安装和维护要求进行操作。
产品宣传册VGM 立式可控齿轮传动装置我们利用专业知识、全面的产品组合以及整个寿命周期的服务,帮助寻求整体价值的客户增加能源效率、提高生产率。
2 ABB | 电机与发电机| MPT| VGM 立式可控齿轮传动装置ABB | 电机与发电机| MPT | VGM 立式可控齿轮传动装置 3低成本、高效解决方案高效、低成本泵应用解决方案大功率、低速立式泵在各行业的应用普遍可见,其作用是实现两点间液体的传输和控制,最终实现液体的排放和流动。
这些应用包括:– 防洪和污水泵站– 发电厂和工业生产过程中冷却循环水泵– 海水转化为饮用水的海水淡化厂– 农作物供水的灌溉系统– 民用水和商业用水的供水系统在这些应用中,通常使用大型高极数电机或卧式电机与直角式齿轮减速机进行组合。
但这些装置一般体积大、成本高,并且通常导致电机的效率和功率因数大大下降。
Dodge VGM (立式可控齿轮传动装置) 是常用立式泵传动技术的替代方案,与其他系统相比,其优势明显。
VGM 安装在标准低极数电机法兰上,采用可靠高效Dodge 行星齿轮技术。
从而形成体积更小、重量更轻、性价比更好、效率更高的组件。
与高极数立式电机相比,Dodge VGM 的优势在于:– 采用低极数感应电机,效率更高– 采用低极数感应电机,功率因数更高– 通过齿轮速比优化泵速,系统效率高– 外形尺寸更小,对设备的要求低– 重量更轻,运输、搬运和支撑结构成本低– 易于维护Dodge VGM 采用可靠的高效行星齿轮传动技术,能够实现在紧凑台架中的最优性能。
4 ABB | 电机与发电机| MPT | VGM 立式可控齿轮传动装置优点,– 与传统的泵传动系统相比低级数感应电机不仅更易于使用 而且还可提高系统的性能。
从而增加系统的正常工作时间。
,Dodge VGM 、重量更轻。
,减轻 10% 30%,。
– 与高极数电机相比,。
使用标准的 4-6。
–,, 性价比更高。
–,VGM 中。
选型指南为了选到最合适的减速电机,有需要了解该减速电机所驱动机器的详尽技术特性,就必须确定一个使用系数fB。
使用系数fB。
减速电机的选用首先应确定以下技术参数:每天工作小时数;每小时起停次数;每小时运转周期;可靠度要求;工作机转矩T工作机;输出转速n出;载荷类型;环境温度;现场散热条件;减速机通常是根据恒转矩、起停不频繁及常温的情况设计的。
其许用输出转矩T由下式确定:T=T出 X fB 使用系数 T出————减速电机输出转矩 fB————减速电机使用系数传动比i i=n入 / n出电机功率P(kw) P=T出 * n出 / 9550 * η 输出转矩 T出(N.m) T出=9550* P*η/n出式中:n入——输入转速η——减速机的传动效率在选用减速电机时,根据分歧的工况,必须同时满足以下条件: 1、T出≥T工作机 2、T=fB总 *T工作机式中:fB总——总的使用系数,fB总=fB*fB1*KR*KW fB——载荷特性系数,KR——可靠度系数 fB1——环境温度系数; KW——运转周期系数首先确定要进口减速机还是国产减速机,,现在不管进口还是国产的大部分厂家都有自己的命名尺度,所以最好找个减速机样本,根据样原本选型。
但是,一定要提供以下数据1.减速机用在什么设备上,以便确定平安系数SF(SF=减速机额定功率处以电机功率),装置形式(直交轴,平行轴,输出空心轴键,输出空心轴锁紧盘等)等2.提供电机功率,级数(是4P、6P还是8P电机)3.减速机周围的环境温度(决定减速机的热功率的校核)4.减速机输出轴的径向力和轴向力的校核。
需提供轴向力和径向力减速机扭矩计算公式:速比=电机输出转数÷减速机输出转数 ("速比"也称"传动比")1.知道电机功率和速等到使用系数,求减速机扭矩如下公式:减速机扭矩=9550×电机功率÷电机功率输入转数×速比×使用系数2.知道扭矩和减速机输出转数及使用系数,求减速机所需配电机功率如下公式:电机功率=扭矩÷9550×电机功率输入转数÷速比÷使用系数。
减速机详细的选型计算及练习⽬录(Contents)1 练习简介(Brief description of the exercises) (1)2 实⽤⼯具(Aids) (2)3 练习(Exercises) (3)3.1 结构设计形式为M的减速电机(Geared motor design M) (3) 3.2 结构设计动⼯为N的减速电机(Geared motor design N) (4) 3.3 制动单元练习1 (Braking unit 1) (5)3.4 制动单元练习2(Braking unit 2) (6)3.5 传动轴(Spindle) (7)4 练习答案(Solutions) (8)4.1 结构设计形式为M的减速电机(Geared motor design M) (8) 4.2 结构设计形式为N的减速电机(Geared motor design N) (10) 4.3 制动单元练习1 (Braking unit 1) (12)4.4 制动单元练习2(Braking unit 2) (14)4.5 传动轴(Spindle) (15)1 练习简介(Brief description of the exercises)2 实⽤⼯具(Aids)计算器(Pocket calculator)Lenze选型⼿册(Lenze catalogues)Lenze公式集(Lenze formula collection)3 练习(Exercises)3.1设计形式为M的Lenze减速电机的选型(Geared motor design M)减速电机按S2⽅式进⾏传动(运⾏时间=10min),此时,可采⽤常规运⾏⽅式。
[A geared motor is to drive a load in S2 operation (operating time = 10 min). In this case, a regular operation is given.]具体数据(Detailed data):转矩(Process torque): M2 = 580 Nm速度(Process speed): n2 = 100 rev/min主电压(Mains voltage): V Mains = 400 V主电源频率(Mains frequency): f Mains = 50 Hz运⾏时间(Operating time/day): 8 h所需部件(Searched components):Lenze异步电机(Lenze asynchronous motor)GST减速器(Gearbox GST)3.2 设计形式为N的Lenze减速电机的选型(Geared motor design N)减速电机按S2⽅式进⾏传动(运⾏时间=10min),此时,可采⽤常规运⾏⽅式。
减速机选型手册蜗轮蜗杆减速机的知识详解JIG减速机/ nasw00e蜗轮蜗杆减速机的知识详解:蜗轮蜗杆减速机减速机供应商是一种具有结构紧凑,传动比大,以及在一定条件下具有自锁功能的传动机械,是最常用的减速机减速机基础知识之一,其中,中空轴式蜗齿减速机不仅具有以上的特点,而且安装方便,结构合理,越来越得到广泛应用。
中空轴式蜗齿减速机在蜗轮蜗杆减速机减速机型号输人端加装一个斜齿轮减速器,构成的多级减速器可获得非常低的输出速度,是斜齿轮级和蜗齿级的组合,比纯单级蜗轮蜗杆减速机具有更高的效率。
而且振动小,噪音低,能耗低。
蜗杆减速机适用范围如下:1.高速轴转速不大于1500转/分。
2.齿轮传动圆周速度不大于20米/秒。
3.工作环境温度为-40~45℃,如果低于0℃,启动前润滑油应预热至0℃以上,本减速机减速机小常识可用于正反两个方向运转。
蜗轮蜗杆减速机采用单级蜗杆减速传动,符合行业推荐性标准JB/T7935—95(原国标GB9147—88),此标准达到国际九十年代水平。
全系列共包括三种型号,16种中心距,12种速比。
输入功率范围在0.39~189KW之间,输出扭矩在107~13500N.m之间。
圆弧圆柱蜗杆轴可正、反两个方向运转,输入转速不超过1500r/min,工作环境温度为-40~40度。
当工作环境温度低于0度时,启动前润滑油必须加热到0度以上;当工作环境温度低于40度时,必须采取冷却措施。
蜗轮蜗杆减速机特点:1.齿轮采用高强度低碳合金钢经渗碳淬火而成,齿面硬度达HRC58-62,齿轮均采用磨齿工艺,精度高,接触性好。
2.传动效率高:三级大于90%。
3.运转平稳,噪音低。
4.体积小,重量轻,使用寿命长,承载能力高。
5.易于拆检,易于安装。
内容简介减速机百科常识first》工作环境温度为-40~40度;second》全系列共包括三种型号;third》蜗杆减速机适用范围如下;fourth》齿面硬度达HRC58-62;fifth》蜗轮蜗杆减速机的知识详解;sixth》启动前润滑油应预热至0℃以上;seventh》齿轮采用高强度低碳合金钢经渗碳淬火而成;eighth》蜗轮蜗杆减速机是一种具有结构紧凑;减速机知识问答减速机百问百答。
四大系列减速机的基本信息减速机是传动机械的重要部件之一,其作用是将驱动设备的高速旋转转换为低速旋转,同时增加扭矩。
根据不同的应用场景和使用需求,减速机被分为多个不同的系列。
本文将介绍四大系列减速机的基本信息。
一、斜齿轮减速机斜齿轮减速机是常见的一种减速机,其结构简单、造价低、耗能小、扭矩大,广泛用于机械传动装置中。
斜齿轮减速机可分为硬齿面和软齿面两种类型,其中硬齿面更加耐磨,但运行时有较大的噪声。
软齿面则具有更大的接触面积和减震能力,运行噪声较小。
主要特点:•传动效率高,一般在95%以上•扭矩大,适用于重载和冲击负载•转矩平稳,运行相对平稳,能够保证稳定的传输工作•适用范围:速度在1500r/min以下,转速不宜过高,低噪声的机械传动二、蜗轮减速机蜗轮减速机是一种高精度、高功率的减速机械,主要特点是在转速比大于1:5的情况下,运转稳定可靠。
蜗轮减速机除了常规的铸铁外,还有铸钢、锻钢和不锈钢等高强度材料,适用于负载冲击较大、高速低扭矩和精密工作环境。
主要特点:•传动效率较高,一般在80%-90%之间•扭矩变换率较大,通常可达10-20万N.m•抗冲击性能良好,适用于负载波动较大的场合•抗过载能力强,能够承受较大的负载冲击三、行星齿轮减速机行星齿轮减速机采用行星齿轮副进行传动,其结构形式多样、体积小、承载能力大、传动精度高、行星摆速度低等优点,广泛适用于各种需要大扭矩的场地。
主要特点:•传动效率高,常见的传动效率可以达到90%以上•具有高承载能力及高输出扭矩•运行稳定,噪声低、使用寿命长•输出轴空间约束小,可在较小装置轴线方向内安装四、圆锥齿轮减速机圆锥齿轮减速机常用于较重载的机械设备传动系统中。
当转速比低于5:1时使用,它具有体积小、重量轻、结构简单、传动准确等优点,广泛适用于各种工程机械、冶金设备、矿山机械和化工机械等领域。
主要特点:•传动比准确,精度高,适用于精密机械传动装置•功率大,承受重载能力强•防振效果好,运行平稳、噪声低•可靠性高,使用寿命长结语本文介绍了四大系列减速机的基本信息,包括斜齿轮减速机、蜗轮减速机、行星齿轮减速机和圆锥齿轮减速机。
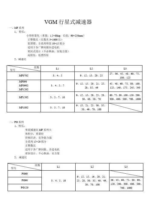
VGM行星式减速器
一、MF系列
1、特长:
小型轻量化(重量:1.5~80kg,长度:90~250mm)
正整数比(比数从3~1000比)
低背隙、全系列单段10~15弧分
适用于各厂牌伺服步进电机
密封式设计(不必换油、安装方便)
高转矩,低惯性矩
2、减速比
二、PG系列
1、特长:
单段减速比MF系列大
体积小,重量轻
价格经济,竞争能力强
全系列15~20弧分
正整数比
适用于各厂牌伺服、步进电机
密封设计,不心换油,安方便
2、减速比
1、特长:
小型轻量化(重量:1.5~80kg,长度:90.5~250mm)
正整数比(比数从3~1000比)
超低背隙、全系列3~6弧分
低噪音,全系列噪音低于70分贝
适用于各厂牌伺服步过电机
密封式设计,不必换油,安装方便
高转矩,低惯性矩
2、减速比
1、特长:
小型轻量化
正整数比(比数从3~1000比)
超低背隙、全系列6~20弧分
适用于各厂牌伺服步过电机
密封式设计,不必换油,安装方便2、减速比。
聚盛秉持著專業服務、效率創新的原則,不斷研發新型與高階的產品來滿足客戶產業提升的需求,同時量產高效率、高品質的產品以符合客戶的競爭優勢。
十幾年來聚盛的服務與品質已獲得各界客戶之使用與讚揚,我們以最優惠的價格,提供機械製造業者高品質的動力傳輸產品,提昇您設備的產能,機器的附加價值,以祈求更大的商業契機,共創未來雙贏的局面。
深圳倍特精密工业有限公司,拥有众多资深的研发,销售和技术服务工程师.以『技术』『服务』『质量』『通路』为核心的『专业通路商』作为公司未来定位,产品从原有的『减速机系列』扩大到『传动』『电子』『系统』『设备』四大产品领域。
公司主要产品有:台湾VGM减速机,聚盛行星减速机,台湾精锐减速机,台湾APEX行星减速机,台湾广用精密减速机、台湾CST减速机,台湾嘉晟行星减速机,台湾CST盘式减速机,台湾中空轴转角减速机、日本SHIMPO减速机,日本新宝伺服减速机,台湾YYC原亿昌齿条齿轮、90度直角拐角行星减速机等传动产品.公司自主研发产品:智能压装机,伺服电动缸,模组。
为了提供客户更完整的技术与服务,公司已经在成都,苏州,长春,温州,设立连锁公司和办事服务机构。
品牌:VGM伺服减速机型号:MF70S-MF90S-MF120S-MF150S-MF180SPG60-PG90-PG120MF40H--MF60H--MF90H--MF120H--MF150H--MF180HMX60--MX90--MX120--MX150--MX180--MX220產品特色●小型輕量化●正整數比●低背隙全系列單段3-20弧分內●適用各廠牌伺服步進馬達●密封式設計●不必換油安裝方便●高轉矩低慣性矩●可依客戶需求製作特殊減速機台湾聚盛VGM行星减速机:VGM行星减速机PG系列,VGM行星减速机PG-F系列,VGM行星减速机MF-S系列,VGM行星减速机MF系列,VGM行星减速机MF-X系列,VGM行星减速机MF-H系列,六大系列,产品规格齐全,经济·精密·坚固,选择性佳,适配各厂牌伺服电机与步进电机。
选型指南为了选到最合适的减速电机,有必要了解该减速电机所驱动机器的详尽技术特性,就必须确定一个使用系数fB。
使用系数fB。
减速电机的选用首先应确定以下技术参数:每天工作小时数;每小时起停次数;每小时运转周期;可靠度要求;工作机转矩T工作机;输出转速n出;载荷类型;环境温度;现场散热条件;减速机通常是根据恒转矩、起停不频繁及常温的情况设计的。
其许用输出转矩T由下式确定:T=T出X fB 使用系数T出————减速电机输出转矩fB————减速电机使用系数传动比i i=n入/ n出电机功率P(kw) P=T出* n出/ 9550 * η 输出转矩T出(N.m)T出=9550* P*η/n出式中:n入——输入转速η——减速机的传动效率在选用减速电机时,根据不同的工况,必须同时满足以下条件:1、T出≥T工作机2、T=fB总*T工作机式中:fB总——总的使用系数,fB总=fB*fB1*KR*KW fB——载荷特性系数,KR——可靠度系数fB1——环境温度系数;KW——运转周期系数首先确定要进口减速机还是国产减速机,,现在不管进口还是国产的大部分厂家都有自己的命名标准,所以最好找个减速机样本,根据样本来选型。
但是,一定要提供以下数据1.减速机用在什么设备上,以便确定安全系数SF(SF=减速机额定功率处以电机功率),安装形式(直交轴,平行轴,输出空心轴键,输出空心轴锁紧盘等)等2.提供电机功率,级数(是4P、6P还是8P电机)3.减速机周围的环境温度(决定减速机的热功率的校核)4.减速机输出轴的径向力和轴向力的校核。
需提供轴向力和径向力减速机扭矩计算公式:速比=电机输出转数÷减速机输出转数("速比"也称"传动比")1.知道电机功率和速比及使用系数,求减速机扭矩如下公式:减速机扭矩=9550×电机功率÷电机功率输入转数×速比×使用系数2.知道扭矩和减速机输出转数及使用系数,求减速机所需配电机功率如下公式:电机功率=扭矩÷9550×电机功率输入转数÷速比÷使用系数。
南高齿减速机选型样本NMRV63(二)引言概述:本文将对南高齿减速机选型样本NMRV63(二)进行详细介绍。
南高齿减速机是一种常用的工业传动装置,具有结构紧凑、传动效率高、承载能力强等特点,被广泛应用于机械制造、冶金、化工等领域。
本文将从选型原则、性能参数、结构特点、应用场景和维护保养等方面进行全面的阐述,以帮助用户了解南高齿减速机的选型样本NMRV63(二)。
一、选型原则1. 转速要求:根据实际工作环境和设备的转速要求,选择适合的南高齿减速机型号。
2. 扭矩要求:根据设备的扭矩要求,选择合适的南高齿减速机型号和减速比。
3. 安全系数:根据运行环境的特点和设备的工作要求,选择具备合适安全系数的南高齿减速机型号。
二、性能参数1. 声音和振动:对南高齿减速机进行噪音和振动测试,确保符合国际标准要求,减少运行时的噪音干扰和振动的影响。
2. 效率:南高齿减速机效率的高低直接影响到传动的效果和能耗。
选择高效率的南高齿减速机型号,可以提高传动效果,减少能耗。
3. 承载能力:根据设备的负载要求,选择具备足够承载能力的南高齿减速机型号。
4. 寿命:南高齿减速机的寿命取决于材质和制造工艺。
选择高品质的南高齿减速机能够提高设备的使用寿命。
5. 防护等级:根据设备工作环境的特点,选择具备适当的防护等级的南高齿减速机。
三、结构特点1. 壳体结构:南高齿减速机采用铸铝合金外壳,具有良好的刚性和轻便性。
2. 齿轮传动:南高齿减速机采用优质齿轮,具有低噪音、高效率和可靠性的特点。
3. 输入输出轴:南高齿减速机的输入输出轴采用高强度合金钢材料,具有良好的耐磨性和承载能力。
4. 轴承:南高齿减速机采用经过特殊处理的高品质轴承,提高运行平稳性和寿命。
5. 润滑系统:南高齿减速机采用专业的润滑系统,确保齿轮传动的润滑和冷却效果。
四、应用场景1. 机械制造:南高齿减速机广泛应用于机床、起重设备和输送机等机械制造领域,提供可靠的传动力。
减速机型号选择,减速机选型减速机选型方法为正确选择JRST蜗杆减速机型号,敬请用户首先了解以下几点:●负荷条件●使用转速范围或速比(与双级组合可获得超低输出转速)●工作运转情况及环境(温度、湿度、腐蚀等)●安装空间确定工作情况系数K1及工作情况修正系数K2●根据表1,决定机械负荷种类A、B、C。
●根据运转时间(小时/天)和启动频率(次数/小时)从图1中求得工作情况系数K1。
●根据表2,查取工作情况修正系数K2。
选定减速机●用户须先确定工作机输入机械负荷T(转矩),以T乘以工作情况系数K1,再乘以工作情况修正系数K2,即获得减速机应有的输出转矩值,以此为据,并结合速比值或输出转速值,选定所需减速机规格。
●用户也可以根据已知的输入功率,结合速比值或输出转速值,计算输出转矩,选定减速机。
●本减速机均为右旋螺牙,根据右手定则,确定输入轴、输出轴回转方向。
选型示例例1通用传送带(均匀负荷)转矩:19N.m,运转时间:8小时/天转速:约55r/min,启动频率:10次/小时,减速机:1/25,环境温度:室内25℃,电机直联①根据表1,决定负荷种类负荷种类:无冲击均匀负荷,选A;②根据图1,在A线上取频率10次/小时的交点;查出运转时间8小时/天的系数K1=1;③根据表2,查得系数K2=1;④则转矩值为19×K1×K2=19×1×1=19N.m,可选择最接近19N.m的减速机。
选定结果:JRSTD30-1/25输出功率0.18KW,输出转速56转/分,输出转矩21N.m校核:实际输出转矩=输出转矩×使用系数(fs)=21×1.0=21N.m>19N.m,满足使用要求。
例2输送带(中等冲击负荷)转矩:65N.m,运转时间:16小时/天转速:约21r/min,启动频率:100次/小时,减速机:1/60,环境温度:室内35℃,电机直联①根据表1,决定负荷种类负荷种类:轻度冲击负荷,选B;②根据图1,在B线上取频率100次/小时的交点;查出运转时间16小时/天的系数K1=1.65;③根据表2,查得系数K2=1.15;④则转矩值为65×K1×K2=65×1.65×1.15=123N.m,可选择最接近123N.m的减速机。
设备管理与维修2021翼3(上)传动系统转动惯量与减速比匹配分析袁文胜(江铃汽车股份有限公司,江西南昌330001)摘要:伺服传动系统的选型匹配是加工设备升级改造及更新的重要环节,需要定量计算其转动惯量和加减速扭矩,这对于理解和优化系统结构也有一定促进作用。
通过现场应用实例的定量分析计算,与监控数据验证比较来反映减速比及惯量是否匹配所产生的影响。
关键词:转动惯量;加速扭矩;减速比中图分类号:TM303.5文献标识码:BDOI :10.16621/ki.issn1001-0599.2021.03.420引言电机传动的设计和选型中,准确计算转动惯量和动态扭矩非常困难,但仍需要大致的定量分析。
盲目选用大扭矩电机及增大减速比来放大扭矩安全域量,不仅会增加整个设计硬件成本,还会影响机电系统的响应节拍。
导致大部分能量都利用在加速电机转子上,加减速制动过程能量释放频繁,对放大器制动电阻寿命也有一定影响。
本文通过一个不规范的选型设计电气传动实例,定量计算其所需的加速扭矩,并与运行监控的数据对比,以此说明设计匹配的重要性。
1传动系统结构及运行相关数据一台单轴加工缸盖水孔的组合机床,原有传动系统采用普通异步电机加TJ-64减速机,带动床身主轴箱进行简单的定位加工。
后续将传动系统改造为伺服电机加减速机的传动结构,如图1所示。
传动机构和运行模式的相关数据见表1。
选用力士乐MSK 同步伺服电机,型号为MSK100C-0300-NN-M1-AP2-NNNN ;力士乐Indradrive Cs 系列驱动器,型号为HCS02.1E-W0070-A-03-NNNN ;台湾聚盛VGM 行星齿轮减速机,型号为MF150XL1-10-K-32-130;德国ROTEX 梅花型弹性联轴器,型号为ROTEX-38EN-GJL-25098SHA 椎38-椎45。
2转动惯量及扭矩的计算2.1伺服电机角加速度兹觶motor棕acc =2仔n t =2仔R vp t =325010伊(10)伊(2仔60)=340.3rad/s ,其中,R 是减速比,10;p 是螺距,10mm ;v 是速度,3250mm/min 。
减速机的选型与使用内容来源网络,由“深圳机械展(11万㎡,1100多家展商,超10万观众)”收集整理!更多cnc加工中心、车铣磨钻床、线切割、数控刀具工具、工业机器人、非标自动化、数字化无人工厂、精密测量、3D打印、激光切割、钣金冲压折弯、精密零件加工等展示,就在深圳机械展.一、选型指南为了选到合适的减速电机,有必要了解该减速电机所驱动机器的详尽技术特性,就必须确定一个使用系数Fb,使用系数Fb.减速电机的选用首先应确定一下技术参数:每天工作小时数;每小时启停次数;每小时运转周期;可靠度要求;工作机转矩T工作机;输出转速n出;载荷类型;环境温度;现场散热条件;减速机通常是根据恒转矩、启停不频繁及常温的情况设计的,其许用输出转矩T由下式确定:T=T出X FB使用系数T出----------减速电机输出扭矩,FB-------减速电机使用系数传动比i i=n 入/ n出电机功率P(KW) P=T出*n出/9550*η输出转矩T出(N.m)T出=9550*P*η/n出式中:n入—输入转速η—减速机的传动效率在选用减速电机时,根据不同的工况,必须同时满足以下条件:1、 T出≥T工作机2、T=FB总*T工作机式中:FB总—总的使用系数,FB总=FB*FB1*KR*KW FB—载荷特性系数,KR—可靠度系数FB1—环境问的系数;二、减速机安装注意事项安装减速机时,应重视传动中心轴线对中,其误差不得大于所用联轴器的使用补偿量。
对中良好能延长使用寿命,并获得理想的传动效率。
在输出轴上安装传动件时,不允许用锤子敲击,通常利用装配夹具和轴端的内螺纹,用螺栓将传动件压入,否则有可能造成减速机内部零件的损坏。
最好不采用钢性固定式联轴器,因该类联轴器安装不当,会引起不必要的外加载荷,以致造成轴承的早期损坏,严重是甚至造成输出轴的断裂。
减速机应牢固地安装在稳定水平的基础或底座上,排油槽的油应能排除,且冷却空气循环流畅,基础不可靠,运转时会引起振动及噪音,并促使轴承及齿轮受损,当传动联件有凸出物或采用齿轮、链条传动时,应考虑加装防护装置,输出轴上承受较大的径向载荷时,应选用加强型。
机械工程中的减速器原理与选型减速器是机械工程中广泛应用的设备,它能将高速旋转的动力传递装置的输出速度降低到所需的工作速度。
减速器的原理主要包括传动原理和减速比原理,而选型则需要考虑多方面的因素。
一、减速器的传动原理减速器通过齿轮传动来实现减速的目的,其传动原理基于齿轮的啮合和转动。
在减速器中,主齿轮为输入轴(动力源)提供动力,并驱动从动齿轮,从动齿轮通过啮合传递给出力轴,从而达到减速的效果。
在传动过程中,主齿轮与从动齿轮之间的齿轮比决定了输出速度的减小倍数。
齿轮比的计算公式为输出转速/输入转速。
例如,若输入转速为1000rpm,输出转速为100rpm,则齿轮比为10:1。
二、减速器的减速比原理减速器的减速比决定了输出转速相对于输入转速的减小倍数,也是选型时需要考虑的重要因素。
减速比可通过改变齿轮的齿数比例来实现。
一般情况下,减速比越大,输出转速越低,但扭矩增大。
在机械工程中,常用的减速器减速比一般为10:1至100:1,具体选型时需根据实际需求和应用场景确定。
三、减速器的选型原则在进行减速器的选型时,需要综合考虑以下几个方面的因素。
1.负载要求:根据实际工作负载和扭矩需求,选择能够满足要求的减速器。
负载需考虑工作环境、工作时间、周期性负载等因素。
2.齿轮材料:根据工作环境的特性,选择耐磨、强度高的齿轮材料,如合金钢、硬质合金等。
3.尺寸和布局:根据设备安装空间和布局要求,选择尺寸合适的减速器。
减速器的大小和重量可能会对设备产生影响,应对此进行评估。
4.效率和精度:不同型号的减速器效率和精度有所不同,需要根据具体应用场景选择适当的型号。
5.维护和耐用性:考虑减速器的维护和耐用性,选择具有较长寿命和易于维修的减速器。
充分考虑以上因素,可以选择适合的减速器型号和规格,以确保机械工程中的减速器能够正常运行并达到预期的效果。
总结:减速器在机械工程中起到关键的作用,它通过传动原理和减速比原理实现将高速旋转的动力源输出转速降低到所需工作速度。
聚盛秉持著專業服務、效率創新的原則,不斷研發新型與高階的產品來滿足客戶產業提升的需求,同時量產高效率、高品質的產品以符合客戶的競爭優勢。
十幾年來聚盛的服務與品質已獲得各界客戶之使用與讚揚,我們以最優惠的價格,提供機械製造業者高品質的動力傳輸產品,提昇您設備的產能,機器的附加價值,以祈求更大的商業契機,共創未來雙贏的局面。
深圳倍特精密工业有限公司,拥有众多资深的研发,销售和技术服务工程师.以『技术』『服务』『质量』『通路』为核心的『专业通路商』作为公司未来定位,产品从原有的『减速机系列』扩大到『传动』『电子』『系统』『设备』四大产品领域。
公司主要产品有:台湾VGM减速机,聚盛行星减速机,台湾精锐减速机,台湾APEX行星减速机,台湾广用精密减速机、台湾CST减速机,台湾嘉晟行星减速机,台湾CST盘式减速机,台湾中空轴转角减速机、日本SHIMPO减速机,日本新宝伺服减速机,台湾YYC原亿昌齿条齿轮、90度直角拐角行星减速机等传动产品.公司自主研发产品:智能压装机,伺服电动缸,模组。
为了提供客户更完整的技术与服务,公司已经在成都,苏州,长春,温州,设立连锁公司和办事服务机构。
品牌:VGM伺服减速机型号:MF70S-MF90S-MF120S-MF150S-MF180SPG60-PG90-PG120MF40H--MF60H--MF90H--MF120H--MF150H--MF180HMX60--MX90--MX120--MX150--MX180--MX220產品特色●小型輕量化●正整數比●低背隙全系列單段3-20弧分內●適用各廠牌伺服步進馬達●密封式設計●不必換油安裝方便●高轉矩低慣性矩●可依客戶需求製作特殊減速機台湾聚盛VGM行星减速机:VGM行星减速机PG系列,VGM行星减速机PG-F系列,VGM行星减速机MF-S系列,VGM行星减速机MF系列,VGM行星减速机MF-X系列,VGM行星减速机MF-H系列,六大系列,产品规格齐全,经济·精密·坚固,选择性佳,适配各厂牌伺服电机与步进电机。
减速机机身外壳采用高强度铝合金,外形光滑、精致、轻盈,且具有具备高强硬度,防护能力强。
密封式设计,锂基复合全合成润滑油脂,使用期终身免润滑。
高转矩,无震动,低回程间隙,低噪音,长寿命,安装方便,高性价比,交货期快捷。
台湾聚盛VGM行星减速机分六大系列:1.台湾聚盛VGM经济型行星减速机PG系列(圆形不带法兰)2.台湾聚盛VGM经济型行星减速机PG-F系列(圆形带法兰)3.台湾聚盛VGM加强型行星减速机MF--S系列(方形)4.台湾聚盛VGM普通型行星减速机MF系列(方形)5.台湾聚盛VGM精密行星减速机MF-X系列(圆形带法兰)6.台湾聚盛VGM超精密行星减速机MF--H系列(方形,150~180机型的机身为圆形)一.PG系列具体型号:PG60L1,PG60L2(减速机数比3~100)PG120L1,PG120L2,PG120L3(减速机数比3~1000)二.PG-F系列具体型号:PG60FL1,PG60FL2(减速机数比3~100)PG90FL1,PG90FL2,PG90L3(减速机数比3~1000)PG120FL1,PG120FL2,PG120L3(减速机数比3~1000)三.MF-S系列具体型号:MF070SL1,MF070SL2,MF070SL3(减速机数比3~100)MF090SL1,MF090SL2,MF090SL3(减速机数比3~1000)MF120SL1,MF120SL2,MF120SL3(减速机数比3~1000)MF150SL1,MF150SL2,MF150SL3(减速机数比3~1000)MF180SL1,MF180SL2(减速机数比3~1000)四.MF系列具体型号:MF090L1,MF090L2,MF090L3(减速机数比3~1000)五.MF-X系列具体型号:MF60XL1,MF60XL2,MF60XL3(减速机数比3~100)MF90XL1,MF90XL2,MF90XL3(减速机数比3~1000)MF120XL1,MF120XL2,MF120XL3(减速机数比3~1000)MF150XL1,MF150XL2,MF150XL3(减速机数比3~1000)MF180XL1,MF180XL2(减速机数比3~1000)六.MF--H系列具体型号:MF60HL1,MF60HL2,MF60HL3(减速机数比3~100)MF90HL1,MF90HL2,MF90HL3(减速机数比3~1000)MF120HL1,MF120HL2,MF120HL3(减速机数比3~1000)MF150HL1,MF150HL2,MF150HL3(减速机数比3~1000)MF180HL1,MF180HL2(减速机数比3-100)台湾聚盛VGM行星减速机详细型号:VGM行星减速机PG系列:PG60机型型号:单段:PG60L1-3,PG60L1-4,PG60L1-5,PG60L1-7,PG60L1-10双段:PG60L2-9,PG60L2-12,PG60L2-15,PG60L2-16,PG60L2-20,PG60L2-21,PG60L2-25,PG60L2-28,PG60L2-30,PG60L2-35,PG60L2-35,PG60L2-40,PG60L2-49,PG60L2-50,PG60L2-70,PG60L2-100PG120机型型号:单段:PG120L1-3,PG120L1-4,PG120L1-5,PG120L1-7,PG120L1-10双段:PG120L2-9,PG120L2-12,PG120L2-15,PG120L2-16,PG120L2-20,PG120L2-21,PG120L2-25,PG120L2-28,PG120L2-30,PG120L2-35,PG120L2-40,PG120L2-49,PG120L2-50,PG120L2-70,PG120L2-100三段:PG120L3-27,PG120L3-36,PG120L3-45,PG120L3-48,PG120L3-60,PG120L3-75,PG120L3-80,PG120L3-90 VGM行星减速机PG-F系列:PG60F机型型号:单段:PG60FL1-3,PG60FL1-4,PG60FL1-5,PG60FL1-7,PG60FL1-10双段:PG60FL2-9,PG60FL2-12,PG60FL2-15,PG60FL2-16,PG60FL2-20,PG60FL2-21,PG60FL2-25,PG60FL2-28,PG60FL2-30,PG60FL2-35,PG60FL2-35,PG60FL2-40,PG60FL2-49,PG60FL2-50,PG60FL2-70,PG60FL2-100PG90F机型型号:单段:PG90FL1-3,PG90FL1-4,PG90FL1-5,PG90FL1-7,PG90FL1-10双段:PG90FL2-9,PG90FL2-12,PG90FL2-15,PG90FL2-16,PG90FL2-20,PG90FL2-21,PG90FL2-25,PG90FL2-28,PG90FL2-30,PG90FL2-35,PG90FL2-40,PG90FL2-49,PG90FL2-50,PG90FL2-70,PG90FL2-100三段:PG90FL3-27,PG909FL3-36,PG90FL3-45,PG90FL3-48,PG90FL3-60,PG90L3-75,PG90L3-80,PG90L3-90 PG120F机型型号:单段:PG120FL1-3,PG120FL1-4,PG120FL1-5,PG120FL1-7,PG120FL1-10双段:PG120FL2-9,PG120FL2-12,PG120FL2-15,PG120FL2-16,PG120FL2-20,PG120FL2-21,PG120FL2-25,PG120FL2-28,PG120FL2-30,PG120FL2-35,PG120FL2-40,PG120FL2-49,PG120FL2-50,PG120FL2-70,PG120FL2-100三段:PG120FL3-27,PG120FL3-36,PG120FL3-45,PG120FL3-48,PG120FL3-60,PG120FL3-75,PG120FL3-80,PG120FL3-90VGM行星减速机MF-S系列:MF070S机型型号:单段:MF070SL1-3,MF070SL1-4,MF070SL1-5,MF070SL1-7双段:MF070SL2-9,MF070SL2-12,MF070SL2-15,MF070SL2-16,MF070SL2-20,MF070SL2-21,MF070SL2-25,MF070SL2-28,MF070SL2-35,MF070SL2-49三段:MF070SL3-27,MF070SL3-36,MF070SL3-45,MF070SL3-48,MF070SL3-60,MF070L3-75,MF070SL3-80,MF070SL3-100MF090S机型型号:单段:MF090SL1-3,MF090SL1-4,MF090SL1-5,MF090SL1-7双段:MF090SL2-9,MF090SL2-12,MF090SL2-15,MF090SL2-16,MF090SL2-20,MF090SL2-21,MF090SL2-25,MF090SL2-28,MF090SL2-35,MF090SL2-49三段:MF090SL3-27,MF090SL3-36,MF090SL3-45,MF090SL3-48,MF090SL3-60,MF090SL3-75,MF090SL3 0,MF090SL3-100MF120S机型型号:单段:MF120SL1-3,MF120SL1-4,MF120SL1-5,MF120SL1-7双段:MF120SL2-9,MF120SL2-12,MF120SL2-15,MF120SL2-16,MF120SL2-20,MF120SL2-21,MF120SL2-25,MF120SL2-28,MF120SL2-35,MF120SL2-49三段:MF120SL3-27,MF120SL3-36,MF120SL3-45,MF120SL3-48,MF120SL3-60,MF120L3-75,MF120SL3-80,MF120SL3-100MF150S机型型号:单段:MF150SL1-3,MF150SL1-4,MF150SL1-5,MF150SL1-7,MF150SL1-10双段:MF150SL2-9,MF150SL2-12,MF150SL2-15,MF150SL2-16,MF150SL2-20,MF150SL2-21,MF150SL2-25,MF150SL2-28,MF150SL2-30,MF150SL2-35,MF150SL2-40,MF150SL2-49,MF150SL2-50,MF150SL2-70,MF150SL2-100三段:MF150SL3-27,MF150SL3-36,MF150SL3-45,MF150SL3-48,MF150SL3-60,MF150SL3-75,MF150SL3-80,MF150SL3-90MF180机型型号:单段:MF180SL1-3,MF180SL1-4,MF180SL1-5,MF180SL1-7,MF180SL1-10双段:MF180SL2-9,MF180SL2-12,MF180SL2-15,MF180SL2-16,MF180SL2-20,MF180SL2-21,MF180SL2-25,MF180SL2-28,MF180SL2-30,MF180SL2-35,MF180SL2-40,MF180SL2-49,MF180SL2-50,MF180SL2-70,MF180SL2-100三段:MF180SL3-27,MF180SL3-36,MF180SL3-45,MF180SL3-48,MF180SL3-60,MF180SL3-75,MF180SL3-80,MF180SL3-90VGM行星减速机MF系列:MF090机型型号:单段:MF090L1-3,MF090L1-4,MF090L1-5,MF090L1-7双段:MF090L2-9,MF090L2-12,MF090L2-15,MF090L2-16,MF090L2-20,MF090L2-21,MF090L2-25,MF090L2-28,MF090L2-35,MF090L2-49三段:MF090L3-27,MF090L3-36,MF090L3-45,MF090L3-48,MF090L3-60,MF090L3-75,MF090L3 0,MF090L3-100 VGM行星减速机MF-X系列:MF40X机型型号:单段:MF40XL1-3,MF40XL1-5,MF40XL1-8,MF40XL1-10MF60X机型型号:单段:MF60XL1-3,MF60XL1-4,MF60XL1-5,MF60XL1-7,MF60XL1-10双段:MF60X2-9,MF60XL2-12,MF60XL2-15,MF60XL2-16,MF60XL2-20,MF60XL2-21,MF60XL2-25,MF60XL2-28,MF60XL2-30,MF60XL2-35,MF60XL2-40,MF60XL2-49,MF60XL2-50,MF60XL2-70,MF60XL2-100三段:MF60XL3-27,MF60XL3-36,MF60XL3-45,MF60XL3-48,MF60XL3-60,MF60XL3-75,MF60XL3-80,MF60XL3-90 MF90X机型型号:单段:MF90XL1-3,MF90XL1-4,MF90XL1-5,MF90XL1-7,MF90XL1-10双段:MF90X2-9,MF90XL2-12,MF90XL2-15,MF90XL2-16,MF90XL2-20,MF90XL2-21,MF90XL2-25,MF90XL2-28,MF90XL2-30,MF90XL2-35,MF90XL2-40,MF90XL2-49,MF90XL2-50,MF90XL2-70,MF90XL2-100三段:MF90XL3-27,MF90XL3-36,MF90XL3-45,MF90XL3-48,MF90XL3-60,MF90XL3-75,MF90XL3-80,MF90XL3-90 MF120X机型型号:单段:MF120XL1-3,MF120XL1-4,MF120XL1-5,MF120XL1-7,MF120XL1-10双段:MF120X2-9,MF120XL2-12,MF120XL2-15,MF120XL2-16,MF120XL2-20,MF120XL2-21,MF120XL2-25,MF120XL2-28,MF120XL2-30,MF120XL2-35,MF120XL2-40,MF120XL2-49,MF120XL2-50,MF120XL2-70,MF120XL2-100三段:MF120XL3-27,MF120XL3-36,MF120XL3-45,MF120XL3-48,MF120XL3-60,MF120XL3-75,MF120XL3-80,MF120XL3-90MF150X机型型号:单段:MF150XL1-3,MF150XL1-4,MF150XL1-5,MF150XL1-6,MF150XL1-7,MF150XL1-9,MF150XL1-10,MF150XL2-12双段:MF150XL2-15,MF150XL2-16,MF150XL2-20,MF150XL2-21,MF150XL2-25,MF150XL2-28,MF150XL2-30,MF150XL2-35,MF150XL2-40,MF150XL2-49,MF150XL2-50,MF150XL2-70,MF150XL2-100三段:MF150XL3-36,MF150XL3-45,MF150XL3-48,MF150XL3-60,MF150XL3-75,MF150XL3-80,MF150XL3-90 MF180X机型型号:单段:MF180XL1-3,MF180XL1-4,MF180XL1-5,MF180XL1-7,MF180XL1-10双段:MF180X2-9,MF180XL2-12,MF180XL2-15,MF180XL2-16,MF180XL2-20,MF180XL2-21,MF180XL2-25,MF180XL2-28,MF180XL2-30,MF180XL2-35,MF180XL2-40,MF180XL2-49,MF180XL2-50,MF180XL2-70,MF180XL2-100三段:MF180XL3-27,MF180XL3-36,MF180XL3-45,MF180XL3-48,MF180XL3-60,MF180XL3-75,MF180XL3-80,MF180XL3-90MF220X机型型号:单段:MF220XL1-4,MF220XL1-5,MF220XL1-7,MF220XL1-10双段:MF220XL2-12,MF220XL2-15,MF220XL2-16,MF220XL2-20,MF220XL2-21,MF220XL2-25,MF220XL2-28,MF220XL2-30,MF220XL2-35,MF220XL2-40,MF220XL2-49,MF220XL2-50,MF220XL2-70,MF220XL2-100三段:MF220XL3-36,MF220XL3-45,MF220XL3-48,MF220XL3-60,MF220XL3-75,MF220XL3-80,MF220XL3-90 精密行星减速机、伺服减速机、行星减速机、90度转角减速机、品质卓越、超低音、高精度、大扭矩、长寿命。