城市绿色货运配送示范工程绩效考核评分细则
- 格式:doc
- 大小:87.50 KB
- 文档页数:11
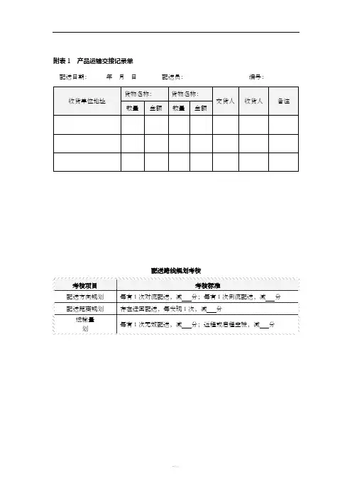
附表 1 产品运输交接记录单 配送日期: 年 月 日配送员:编号:收货单位地址货物名称: 数量 金额货物名称: 数量 金额交货人收货人备注考核项目 配送方向规划 配送距离规划运输量 划配送路线规划考核 考核标准每有 1 次对流配送,减 分;每有 1 次倒流配送,减 分 存在迂回配送,每发现 1 次,减 分每有 1 次无效配送,减 分;返程或启程空驶,减 分-精品物流部量化考核方案模板部门负责人: 考核负责人:直属上级: 考核周期:年月日指标 维度量化指标权重绩效目标值考核频率数据来源考核 得分财务物流成本节约率15%达到____%季度/年度财务部内部 运营订单处理及时率 物资配送准确率 货物准时送达率货损率 库存周转率10%达 100%10%达 100%10%达 100%10% 不高于同行业均值10%同期平均水平月度/季度/年 度物流部月度/季度/年 客户、物流部度月度/季度/年 度物流部月度/季度/年 度物流部季度/年度物流部月度/季度/年安全事故发生次数 10%0次物流部度月度/季度/年客户客户投诉次数15%0次客服中心度学习培训计划完成率5%100%季度/年度行政部发展 部门员工考核达标率 5%达 98%季度/年度行政部指标说明权重说明考核结果 核算说明量化考核得分合计订单处理及时率=及时处理的订单数量 订单总数量×100%客户投诉是对物流部门工作的外部直接评价,它可以直接反映物流部门的服务质量,因此 给予客户投诉次数的考核权重相对高一些,设为 15% 对物流部门的考核核算,不仅要从上述定量指标进行,还要考虑定性指标。
定量指标和定 性指标的分值比重可以设置为 7:3,定性指标包括物流制度的规范性、物流信息系统的 完善性、客户满意度等-精品考核关键 问题说明1.加强考核结果分析,尤其是对关键指标考核结果的分析,以指导下一步的工作 2.对物流部的考核除了上述考核外,还应加强对相关事项的考核,主要包括运输路线规划是否为最优、仓储量是否最为合理、流程是否比较优化等物流部经理绩效考核量表模板被考核人姓名:考核人:指标 维度财务量化指标 单位物流成本 部门费用预算达成率权重 5% 10%货物准时送达率15%内部配送计划完成率10%运营调度不力的次数10%货运质量事故次数10%客户有效投诉次数10%客户相关部门有效投诉次数 10%培训计划完成率10%学习发展下属重大违纪次数10%绩效目标值考核频率数据来源考核 得分平均水平季度/年度 物流部、财务部达 100%季度/年度财务部高于 90% 高于 95%0次月度/季度/年 度客户、物流部月度/季度/年 行政部、物流部度季度/年度物流部月度/季度/年0次客服中心度月度/季度/年0次客服中心度月度/季度/年0次客服中心度达 100%月度/季度/年 度行政部月度/季度/年0次行政部度-精品指标说明权重说明 考核结果 核算说明量化考核得分合计 1.货物准时送达率= 货物准时送达订单数 ×100%发货订单总数 2.下属重大违纪次数是指考核期内所有下属重大违规违纪的累计次数 1.货物准时送达率既关系到企业的信誉又体现着物流部的运作效率,因此权重分配较高 2.在行业水平一致的情况下,单位物流成本比较稳定,难以降低,因此权重分配较低 对物流部经理的考核从定量与定性两个方面进行,可设为:考核得分=定量考核得分×75%+ 定性考核得分×25%。
配送中心员工绩效考核细则———绩效工资、绩效奖金根据企业发展的需要,为了提高生产力和配送中心管理水平,完善原有的工作制度和模式。
直面激励各配送中心管理员的积极性、责任心和工作热情,决定推出一套考核标准条款。
鉴于仓库部门的工作多为事务性工作,对该部门员工的考核,主要依据其基本职责的履行及工作目标的达成情况。
具体事项如下。
一、奖惩办法本方案主要有配送中心部门经理负责监督执行。
配送中心部门主管根据每个员工每天的工作完成情况,依据本方案的相应标准予以打分。
结果汇总出来后,按照本方案的相应标准对各个员工给予或扣减相应的绩效工资、绩效奖金。
二、考核来源:(一线主管)每日库房巡视表三、考核时间:月份:被考核人:考评人: 考评日期:四、工作(配送中心工作流程)考核(工作质量、目标完成程度):主要三大部份:(一)图书入库1、图书的验收A、收货人员根据物流公司提供的承运单对图书件数点收,点收无误后并在承运单上签字确认。
在承运单上说明点收情况,并做好入库登记单.(2分)B、图书验收员要根据供货商提供的清点对图书进行验收,严格遵行图书接收标准进行验收(2分)C、验收后,验收人员及实物复核员在清单上签字确认(2分)D、签字确认后由验收员与配送中心数据员交接,并说明验收的实际情况和到货包件的情况(2分)E、不论到货图书多少,都应予严格验收,必须分清楚图书供货商的实际情况(图书公司、出版社、赠入图书),并在入库登记单上详细说明(2分)2、图书的入库A、数据人员根据验收员提供的验收清单,对验收情况进行复核,有差错的应填写差错回执单(如差错大的应与验收人员到现场重新复核)并反馈到相关采购部门(2分)B、根据验收清单在软件上做好基础信息的录入及图书入库工作(2分)C、数据入库后应填写好入库确认函(2分)D、配送中心录入员把审核后的入库确认函及差错回执单分成三份,一份确认函及图书清单交至财务,一、份交予相关采购人员,一份配送中心留存(2分)E、不符合标准图书不予接收,验收完后应及时核对打包退货(2分)(二).图书的存储与保管1、新书上架,应根据图书的类别及数量堆放整理,对于配送少的图书应及时整理上架,合理存放(2分)2、做好配送中心内的日常卫生工作,保证配送中心卫生的清洁干净(2分)3、上下班前应检查好门窗,做好图书防潮防损防霉的措施.减少图书的损耗(2分)4、应把破损发霉潮湿的图书及时下架处理,并把破损图书交与配送中心录入员(2分)5、配送中心录入员应做好报损处理或退回图书公司(2分)(三)。
物流配送绩效考核标准附表 1 产品运输交接记录单配送日期:年月日配送员:编号:收货单位地址货物名称:数量金额货物名称:数量金额交货人收货人备注考核项目配送方向规划配送距离规划运输量划配送路线规划考核考核标准每有 1 次对流配送,减分;每有 1 次倒流配送,减分存在迂回配送,每发现 1 次,减分每有 1 次无效配送,减分;返程或启程空驶,减分物流部量化考核方案模板部门负责人:考核负责人:直属上级:考核周期:年月日指标维度量化指标权重绩效目标值考核频率数据来源考核得分财务物流成本节约率达到____%季度/年度财务部订单处理及时率物资配送准确率内部运营货物准时送达率货损率库存周转率月度/季度/年10%达 100%物流部度月度/季度/年10%达 100%客户、物流部度月度/季度/年10%达 100%物流部度月度/季度/年 10% 不高于同行业均值度物流部10%同期平均水平季度/年度安全事故发生次数 10%月度/季度/年0次物流部度客户客户投诉次数15%月度/季度/年0次客服中心度学习培训计划完成率5%100%季度/年度行政部发展部门员工考核达标率 5%达 98%季度/年度行政部指标说明权重说明考核结果核算说明量化考核得分合计订单处理及时率= 及时处理的订单数量×100% 订单总数量客户投诉是对物流部门工作的外部直接评价,它可以直接反映物流部门的服务质量,因此给予客户投诉次数的考核权重相对高一些,设为 15% 对物流部门的考核核算,不仅要从上述定量指标进行,还要考虑定性指标。
定量指标和定性指标的分值比重可以设置为 7:3,定性指标包括物流制度的规范性、物流信息系统的完善性、客户满意度等考核关键问题说明1.加强考核结果分析,尤其是对关键指标考核结果的分析,以指导下一步的工作2.对物流部的考核除了上述考核外,还应加强对相关事项的考核,主要包括运输路线规划是否为最优、仓储量是否最为合理、流程是否比较优化等物流部经理绩效考核量表模板被考核人姓名:考核人:指标维度财务量化指标单位物流成本部门费用预算达成率权重 5% 10%绩效目标值平均水平达 100%货物准时送达率15%高于 90%内部配送计划完成率10%高于 95%运营调度不力的次数10%0次货运质量事故次数10%0次客户有效投诉次数10%0次客户相关部门有效投诉次数 10% 0次培训计划完成率10%学习发展下属重大违纪次数10%达 100% 0次量化考核得分合计考核频率数据来源考核得分季度/年度物流部、财务部季度/年度财务部月度/季度/年度客户、物流部月度/季度/年行政部、物流部度季度/年度物流部月度/季度/年度客服中心月度/季度/年度客服中心月度/季度/年度客服中心月度/季度/年度行政部月度/季度/年度行政部指标说明权重说明考核结果核算说明1.货物准时送达率= 货物准时送达订单数×100% 发货订单总数2.下属重大违纪次数是指考核期内所有下属重大违规违纪的累计次数1.货物准时送达率既关系到企业的信誉又体现着物流部的运作效率,因此权重分配较高2.在行业水平一致的情况下,单位物流成本比较稳定,难以降低,因此权重分配较低对物流部经理的考核从定量与定性两个方面进行,可设为:考核得分=定量考核得分×75%+ 定性考核得分×25%。
附件二绿色循环低碳交通运输城市考核评价指标体系(试行)《关于绿色循环低碳交通运输城市考核评价指标体系(试行)的说明》一、指标定义、计算方法1. 营运车辆单位运输周转量综合能耗指标定义:指评价地区在用营运客货车辆完成单位周转量实际平均消耗的燃料量。
计算方法:营运车辆单位运输周转量综合能耗=营运车辆能源消耗量/营运车辆运输周转量。
考核依据:根据各城市统计局《××市统计年鉴》与交通运输局(委)《××市交通统计资料汇编》或交通运输主管部门和统计局出具的统计资料,分别获得交通运输分类型能耗数据和运输周转量数据,进行测算。
2. 营运船舶单位运输周转量综合能耗指标定义:指评价地区营运船舶单位运输周转量实际平均消耗的燃料量。
计算方法:营运船舶单位运输周转量综合能耗=营运船舶能源消耗量/营运船舶运输周转量。
考核依据:根据各市统计局《××市统计年鉴》与交通运输局(委)《××市交通统计资料汇编》或交通运输主管部门与统计局出具的统计资料,分别获得交通运输分类型能耗数据和运输周转量数据,进行测算。
3. 港口生产单位吞吐量综合能耗指标定义:指评价地区沿海及内河港口完成单位吞吐量实际平均消耗的燃料量。
计算方法:港口生产单位吞吐量综合能耗=港口生产能源消耗量/港口吞吐量。
考核依据:根据各市统计局《××市统计年鉴》与交通运输局(委)《××市交通统计资料汇编》或交通运输主管部门与统计局出具的统计资料,分别获得港口生产分类型能耗数据和港口生产吞吐量数据,进行测算。
4. 城市公交单位客运量综合能耗指标定义:指评价地区城市公交车完成单位客运量实际平均消耗的燃料量。
计算方法:城市公交单位客运量综合能耗=城市公交能源消耗量/城市公交客运量。
考核依据:根据各市统计局《××市统计年鉴》与交通运输局(委)《××市交通统计资料汇编》或交通运输主管部门与统计局出具的统计资料,分别获得城市公交分类型能耗数据和公交客运量数据,进行测算。
物流配送中心绩效考核方案第一章绩效考核概述 (3)1.1 绩效考核目的 (3)1.2 绩效考核原则 (4)1.3 绩效考核对象 (4)第二章绩效考核指标体系 (4)2.1 评价指标设定 (4)2.1.1 评价指标的选择 (4)2.1.2 评价指标的设定 (5)2.2 指标权重分配 (5)2.2.1 权重分配方法 (5)2.2.2 权重分配过程 (5)2.3 指标评分标准 (5)2.3.1 评分方法 (5)2.3.2 评分标准 (6)第三章运作效率考核 (6)3.1 货物吞吐量考核 (6)3.1.1 考核目的 (6)3.1.2 考核指标 (6)3.1.3 考核方法 (7)3.2 配送时效考核 (7)3.2.1 考核目的 (7)3.2.2 考核指标 (7)3.2.3 考核方法 (7)3.3 货物损坏率考核 (7)3.3.1 考核目的 (7)3.3.2 考核指标 (7)3.3.3 考核方法 (7)第四章成本控制考核 (8)4.1 物流成本控制 (8)4.1.1 目标设定 (8)4.1.2 考核指标 (8)4.1.3 考核方法 (8)4.2 货物损耗控制 (8)4.2.1 目标设定 (8)4.2.2 考核指标 (8)4.2.3 考核方法 (8)4.3 人力资源管理 (9)4.3.1 目标设定 (9)4.3.2 考核指标 (9)4.3.3 考核方法 (9)第五章客户满意度考核 (9)5.1.1 考核目的 (9)5.1.2 考核指标 (9)5.1.3 考核方法 (9)5.1.4 考核周期 (9)5.2 服务质量考核 (10)5.2.1 考核目的 (10)5.2.2 考核指标 (10)5.2.3 考核方法 (10)5.2.4 考核周期 (10)5.3 客户投诉处理 (10)5.3.1 考核目的 (10)5.3.2 考核指标 (10)5.3.3 考核方法 (10)5.3.4 考核周期 (10)第六章安全管理考核 (11)6.1 安全频率考核 (11)6.1.1 考核目的 (11)6.1.2 考核指标 (11)6.1.3 考核方法 (11)6.2 安全防护措施落实 (11)6.2.1 考核目的 (11)6.2.2 考核指标 (11)6.2.3 考核方法 (11)6.3 安全培训及考核 (11)6.3.1 考核目的 (11)6.3.2 考核指标 (12)6.3.3 考核方法 (12)第七章质量管理考核 (12)7.1 产品质量考核 (12)7.1.1 考核目标 (12)7.1.2 考核指标 (12)7.1.3 考核方法 (12)7.2 服务质量考核 (12)7.2.1 考核目标 (12)7.2.2 考核指标 (13)7.2.3 考核方法 (13)7.3 质量改进措施 (13)7.3.1 完善质量管理体系 (13)7.3.2 加强质量培训 (13)7.3.3 优化作业流程 (13)7.3.4 强化质量监督 (13)7.3.5 持续改进 (13)第八章人员管理考核 (13)8.1.1 评估目的 (13)8.1.2 评估原则 (14)8.1.3 评估内容 (14)8.1.4 评估周期 (14)8.2 员工培训与发展 (14)8.2.1 培训目的 (14)8.2.2 培训原则 (14)8.2.3 培训内容 (14)8.2.4 培训形式 (15)8.3 人力资源配置 (15)8.3.1 配置原则 (15)8.3.2 配置方法 (15)第九章信息化建设考核 (15)9.1 信息系统运行状况 (15)9.1.1 系统稳定性 (15)9.1.2 系统功能完善程度 (15)9.1.3 系统操作便捷性 (16)9.2 数据分析与应用 (16)9.2.1 数据采集与整合 (16)9.2.2 数据分析能力 (16)9.2.3 数据应用效果 (16)9.3 信息化项目推进 (16)9.3.1 项目进度管理 (16)9.3.2 项目质量保障 (16)9.3.3 项目成果评估 (16)第十章绩效考核结果应用 (17)10.1 奖惩措施 (17)10.1.1 奖励措施 (17)10.1.2 惩罚措施 (17)10.2 绩效改进计划 (17)10.2.1 制定改进计划 (17)10.2.2 实施改进计划 (18)10.3 绩效考核结果反馈与沟通 (18)10.3.1 反馈方式 (18)10.3.2 沟通渠道 (18)10.3.3 持续改进 (18)第一章绩效考核概述1.1 绩效考核目的物流配送中心绩效考核的目的在于全面、客观、公正地评价员工的工作表现和业务能力,激发员工的工作积极性和创造性,提高物流配送中心的整体运营效率和服务质量。
城市绿色货运配送示范工程管理办法第一章总则第一条为加快推动城市货运配送体系绿色低碳发展,进一步加强城市绿色货运配送示范工程管理工作规范化、制度化,保障示范工程建设有力有序推进,不断提升城市绿色货运配送发展水平,更好服务加快建设交通强国等国家战略实施,制定本办法。
第二条本办法适用于城市绿色货运配送示范工程的申报、组织实施、验收与命名、动态评估等工作。
前款所称城市绿色货运配送示范工程,是指经交通运输部、公安部、商务部按程序评审通过,并联合发文确定的城市绿色货运配送示范工程(以下简称示范工程)。
第三条示范工程建设应当遵循公开、公平、公正的原则,统筹开展示范工程管理工作。
第四条示范工程创建以城市人民政府为实施主体(以下简称创建城市),创建周期原则上为3年。
第二章申报流程第五条交通运输部会同公安部、商务部,聚焦加快建设交通强国、实现碳达峰碳中和目标、新型城镇化建设等有关国家战略实施,结合推动城市绿色货运配送相关规划、政策任务部署,按照行业发展实际,印发示范工程申报工作通知,明确总体要求、申报条件、支持方向、工作安排等。
第六条申报示范工程的城市,原则上应当同时满足以下条件:(一)城市规模。
地级及以上城市,优先考虑直辖市、省会城市和计划单列市。
(二)物流基础。
物流枢纽站场等基础设施条件较好,信息化水平较高,物流需求旺盛,城市配送、甩挂运输、冷链物流等重点领域发展潜力大。
(三)政策环境。
城市人民政府及相关管理部门关于城市货运配送基础设施建设、便利通行政策、新能源及清洁能源车辆推广等方面有具体、明确的支持政策。
第七条省级交通运输主管部门会同公安、商务主管部门组织本省(区、市)有关城市进行申报。
符合申报条件的城市人民政府,应结合城市发展特点,编制示范工程实施方案(以下简称《实施方案》,具体要求见附件1),报送省级交通运输主管部门,抄报省级公安、商务主管部门。
第八条省级交通运输主管部门应会同公安、商务主管部门,对申报城市材料进行审核,形成审核报告。
附表 1产品运输交接记录单配送日期:年月日配送员:编号:货物名称:货物名称:收货单位地址交货人收货人备注数量金额数量金额配送路线规划考核考核项目考核标准配送方向规划每有 1 次对流配送,减分;每有 1 次倒流配送,减分配送距离规划存在迂回配送,每发现 1 次,减分运输量每有 1 次无效配送,减分;返程或启程空驶,减分划物流部量化考核方案模板部门负责人:直属上级:考核负责人:考核周期:年月日指标考核量化指标权重绩效目标值考核频率数据来源维度得分财务物流成本节约率15% 达到 ____% 季度/ 年度财务部订单处理及时率10% 达 100% 月度/ 季度/ 年物流部度物资配送准确率10% 达 100% 月度/季度/ 年客户、物流部度货物准时送达率10% 达 100% 月度/ 季度/ 年物流部内部度运营货损率10% 不高于同行业均值月度/ 季度/ 年物流部度库存周转率10% 同期平均水平季度/ 年度物流部月度/季度/ 年安全事故发生次数10% 0 次物流部度月度/季度/ 年客户客户投诉次数15% 0 次客服中心度学习培训计划完成率5% 100% 季度/ 年度行政部发展部门员工考核达标率5% 达 98% 季度/ 年度行政部量化考核得分合计指标说明订单处理及时率 = 及时处理的订单数量× 100% 订单总数量客户投诉是对物流部门工作的外部直接评价,它可以直接反映物流部门的服务质量,因此权重说明15%给予客户投诉次数的考核权重相对高一些,设为对物流部门的考核核算,不仅要从上述定量指标进行,还要考虑定性指标。
定量指标和定考核结果性指标的分值比重可以设置为7:3,定性指标包括物流制度的规范性、物流信息系统的核算说明完善性、客户满意度等1.加强考核结果分析,尤其是对关键指标考核结果的分析,以指导下一步的工作考核关键2.对物流部的考核除了上述考核外,还应加强对相关事项的考核,主要包括运输路线规问题说明划是否为最优、仓储量是否最为合理、流程是否比较优化等物流部经理绩效考核量表模板指标维度财务内部运营客户学习发展被考核人姓名:考核人:考核量化指标权重绩效目标值考核频率数据来源得分单位物流成本5% 平均水平季度/年度物流部、财务部部门费用预算达成率10% 达 100% 季度/年度财务部月度/季度/ 年货物准时送达率15% 高于 90% 客户、物流部度配送计划完成率10% 高于 95%月度/季度/年行政部、物流部度调度不力的次数10% 0 次季度/年度物流部月度/季度/ 年货运质量事故次数10% 0 次客服中心度月度/季度/ 年客户有效投诉次数10% 0 次客服中心度月度/季度/ 年相关部门有效投诉次数10% 0 次客服中心度月度/季度/ 年培训计划完成率10% 达 100% 行政部度月度/季度/ 年下属重大违纪次数10% 0 次行政部度量化考核得分合计指标说明权重说明货物准时送达订单数1.货物准时送达率=× 100%2.下属重大违纪次数是指考核期内所有下属重大违规违纪的累计次数1.货物准时送达率既关系到企业的信誉又体现着物流部的运作效率,因此权重分配较高2.在行业水平一致的情况下,单位物流成本比较稳定,难以降低,因此权重分配较低考核结果对物流部经理的考核从定量与定性两个方面进行,可设为:考核得分=定量考核得分× 75%+ 核算说明定性考核得分× 25%。
城市绿色货运配送示范工程绩效考核评价指标体系《城市绿色货运配送示范工程绩效考核评价指标体系》说明一、体制机制保障1.城市配送多部门协同工作机制建设情况示范建设期内,城市人民政府跨部门联动工作机制的建立及落实情况,特别是在城市配送网络节点体系规划建设、货运配送车辆城区通行总量调控、夜间配送等先进组织模式推广应用等方面是否建立协同联动工作机制。
2.行业主管部门制定城市配送企业运营服务规范示范建设期内,行业主管部门发布实施城市配送企业运营服务规范,明确示范企业从事城市配送服务的基本要求、服务标准、质量保障等,强化配送各环节的监管和责任界定,提升城市配送服务水平。
3.行业主管部门制定城市货运配送企业考核管理办法示范建设期内,行业主管部门制定出台城市配送企业考核管理办法,明确考核评价的内容、标准、方法和周期,定期对示范企业开展考核评估,评估结果作为调整优化城市配送运力调控和车辆城区通行证管控政策的重要依据。
同时,对排名靠后的企业重点督导,引导城市配送企业规范健康发展。
4.省、市相关管理部门出台相关扶持政策省、市人民政府设立专项资金支持城市绿色货运配送发展,在新能源车购置与营运、配送中心建设、先进组织模式推广应用、公共信息平台建设、市场主体培育等方面给予资金支持。
二、城市配送物流基础设施5.干支衔接型货运枢纽(物流园区)示范建设期末,投入运营的干支衔接型货运枢纽(物流园区)数量。
干支衔接型货运枢纽(物流园区)是城市货运配送一级节点,具有仓储、分拨、配载、配送、信息服务、中转换装等功能,突出干线甩挂运输、多式联运和末端城市共同配送有机衔接,能够实现干线规模化运输与支线集散分拨的一体化组织。
(单位:个)6.公共配送中心示范建设期末,投入运营的公共配送中心数量。
公共配送中心是城市货运配送二级节点,是联接一级节点与末端公共配送站的纽带,应突出统一存储、集中分拣、共同配送的集约组织等功能。
(单位:个)7.末端公共配送站示范建设期末,投入运营的末端公共配送站(货物装卸点)数量。
附表1 产品运输交接记录单配送日期:年月日配送员:编号:配送路线规划考核考核项目考核标准配送方向规划每有1次对流配送,减分;每有1次倒流配送,减分配送距离规划存在迂回配送,每发现1次,减分运输量划每有1次无效配送,减分;返程或启程空驶,减分收货单位地址货物名称:货物名称:交货人收货人备注数量金额数量金额物流部量化考核方案模板指标维度 量化指标权重 绩效目标值 考核频率 数据来源考核得分财务物流成本节约率 15% 达到____% 季度/年度 财务部 内部运营订单处理及时率 10% 达100% 月度/季度/年度物流部物资配送准确率10% 达100% 月度/季度/年度 客户、物流部 货物准时送达率10% 达100% 月度/季度/年度 物流部 货损率 10% 不高于同行业均值 月度/季度/年度 物流部 库存周转率 10% 同期平均水平季度/年度 物流部 安全事故发生次数10% 0次 月度/季度/年度 物流部 客户 客户投诉次数 15% 0次 月度/季度/年度 客服中心 学习发展培训计划完成率 5% 100% 季度/年度 行政部 部门员工考核达标率5%达98%季度/年度行政部量化考核得分合计指标说明 订单处理及时率=订单总数量及时处理的订单数量×100%权重说明客户投诉是对物流部门工作的外部直接评价,它可以直接反映物流部门的服务质量,因此给予客户投诉次数的考核权重相对高一些,设为15%考核结果核算说明对物流部门的考核核算,不仅要从上述定量指标进行,还要考虑定性指标。
定量指标和定性指标的分值比重可以设置为7:3,定性指标包括物流制度的规范性、物流信息系统的完善性、客户满意度等考核关键问题说明1.加强考核结果分析,尤其是对关键指标考核结果的分析,以指导下一步的工作2.对物流部的考核除了上述考核外,还应加强对相关事项的考核,主要包括运输路线规划是否为最优、仓储量是否最为合理、流程是否比较优化等部门负责人: 直属上级: 考核负责人: 考核周期: 年 月 日指标维度量化指标权重绩效目标值考核频率数据来源考核得分财务单位物流成本5% 平均水平季度/年度物流部、财务部部门费用预算达成率10% 达100% 季度/年度财务部内部运营货物准时送达率15% 高于90% 月度/季度/年度客户、物流部配送计划完成率10% 高于95% 月度/季度/年度行政部、物流部调度不力的次数10% 0次季度/年度物流部货运质量事故次数10% 0次月度/季度/年度客服中心客户客户有效投诉次数10% 0次月度/季度/年度客服中心相关部门有效投诉次数10% 0次月度/季度/年度客服中心学习发展培训计划完成率10% 达100% 月度/季度/年度行政部下属重大违纪次数10% 0次月度/季度/年度行政部量化考核得分合计指标说明1.货物准时送达率=发货订单总数货物准时送达订单数×100%2.下属重大违纪次数是指考核期内所有下属重大违规违纪的累计次数权重说明1.货物准时送达率既关系到企业的信誉又体现着物流部的运作效率,因此权重分配较高2.在行业水平一致的情况下,单位物流成本比较稳定,难以降低,因此权重分配较低考核结果核算说明对物流部经理的考核从定量与定性两个方面进行,可设为:考核得分=定量考核得分×75%+定性考核得分×25%。
送货部月工作绩效考核标准
(第三级考核)
一、考核目的:
为激励送货员的工作积极性,不断提升送货服务质量,体现“快乐送货”,结合公司、部门一、二级考核办法,特修订本《标准》。
方案分为数量和质量两方面进行百分制考核,数量方面体现多劳多得,在每月奖金中体现;质量方面侧重体现年终评先评优,同时也在每月绩效考核的奖金奖罚中体现。
年终评先评优再换算成百分制,质量方面分占90%;部门领导评价分占10%。
二、数量基数考核指标:
备注:1)以上基数指标在个别车辆、线路的特别情况会做适当调整。
2)送货难度系数:每次送货上鼓浪屿奖1分(每月以5次计算),送大型菜市场或车辆无法驶进深巷(50米、50户以上)的该线路各奖1分,封顶5分,直接在数量考核表上体现。
三、数量考核标准:
四、质量指标
四、执行:1)本《标准》使用于第三级检查。
2)以上条款考核形式可同时施行,若被投诉且情节严重,上报领导另行处理。
3)本《标准》自二00七年一月份起实行。
4)由于2007年5月和7月岛内外各增一条送货线路,调整送货量和送货次数。
物流发展中心送货部
二00七年一月一日。
附件1城市绿色货运配送示范工程绩效考核评分细则序号指标分类指标内容分值计分标准1 体制机制保障城市配送多部门协同工作机制建设情况55(1)创建领导小组。
城市人民政府成立创建领导小组,成员单位包括交通运输、公安、商务等市政府有关部门,得10分。
(2)协同推进工作。
示范建设期内,市政府主要负责同志主持会议,研究部署示范工程创建工作事项,得5分;领导小组每半年召开1次会议研究示范工程推进工作事项,部门之间沟通协调顺畅,形成责任分工明确的协同联动工作机制(交通运输主管部门负责运力调控,商贸流通主管部门负责配送需求引导,公安交通管理部门负责通行管理等),每半年得5分(共计25分)。
(3)推进效果显著。
示范建设期内,领导小组每年制定工作进度计划,明确责任分工和保障措施,监督示范工程创建工作有序推进,并取得积极成效的,每年得5分(共计10分)。
1序号指标分类指标内容分值计分标准(4)实行考核机制。
示范建设期内,将城市绿色货运配送示范工程创建纳入政府对领导小组各成员单位年度绩效考核,并每年实施考核评价的,每年得5分(共计10分)。
2 行业主管部门制定城市配送企业考核管理办法45(1)制定考核管理办法。
市级行业主管部门制定并实施城市配送企业考核管理办法,办法中明确考核评价的内容、标准、方法及周期等,得20分。
(2)建立快递车辆规范管理制度。
得5分。
(3)定期开展考核评估。
市级行业主管部门以管理办法为依据每年对从事城市配送的企业开展一次考核评估,并结合考核评价结果实行相应的奖惩措施,如调整企业配送运力、收回年度安全管理考核不合2序号指标分类指标内容分值计分标准格及车辆交通违法行为较多的配送运输企业的车辆通行证等,每年得10分(共计20分)。
3 体制机制保障省、市政府在新能源车辆购置与营运、配送中心建设、先进组织模式推广应用、市场主体培育等方面出台相关扶持政策30(1)建立资金投入机制。
建立相对稳定的城市绿色货运配送发展资金投入机制,并纳入年度财政预算,得10分。
深圳市绿色城市货运配送认定考核方案深圳市绿色城市货运配送认定考核方案一、背景介绍•深圳市正在积极推进绿色城市建设,为减少交通污染和提高城市运输效率,已制定了绿色城市货运配送认定考核方案。
二、认定目标•通过认定绿色城市货运配送,推动降低货运配送过程中的污染物排放、提升配送效率和服务品质,促进绿色交通发展。
三、认定范围•认定范围包括深圳市内各类货运配送企业、物流园区以及拥有货运配送车辆的企事业单位等。
四、认定标准1. 车辆标准•货运配送车辆必须符合国家和深圳市相关标准要求,包括排放标准、噪音标准等。
2. 能源利用效率•货运配送车辆需要通过能源利用效率认定,包括燃油消耗与运输能力比值、电动车辆能量消耗等指标。
3. 配送服务质量•考核配送企业的服务质量,包括准时交付率、货物完整率、投诉率等指标。
4. 快递包装管理•考核快递包装管理情况,推广绿色包装和再利用包装材料。
5. 信息化管理水平•考核货运配送企业的信息化管理水平,包括订单系统、货运跟踪系统、车辆调度系统等应用情况。
五、认定程序1.货运配送企业自愿申请认定。
2.提交相关材料,包括车辆管理情况、能源消耗数据、服务质量记录等。
3.组织认定机构进行评估考核,对符合标准的企业进行绿色城市货运配送认定。
4.对认定不合格的企业提供整改建议,并在一定时间内进行整改。
5.认定后,公布认定结果,并颁发绿色城市货运配送标识。
六、认定奖励与惩罚•对于通过绿色城市货运配送认定的企业,提供相关政府奖励政策和荣誉称号的评定。
•对于未通过认定或不达标的企业,采取相应的惩罚措施,如降低政府补贴、限制参与一些公共项目等。
七、推广与监督•深圳市相关部门将广泛宣传该认定方案,鼓励更多企业参与绿色城市货运配送。
•建立健全监督机制,定期对认定企业进行检查,确保认定标准的实施和有效性。
八、总结•通过制定绿色城市货运配送认定考核方案,深圳市在绿色交通领域迈出了重要一步,为建设绿色、可持续的城市做出了贡献。
附表 1 产品运输交接记录单 配送日期: 年 月 日配送员:编号:收货单位地址货物名称: 数量 金额货物名称: 数量 金额交货人收货人备注考核项目 配送方向规划 配送距离规划运输量 划配送路线规划考核考核标准 每有 1 次对流配送,减 分;每有 1 次倒流配送,减 分 存在迂回配送,每发现 1 次,减 分 每有 1 次无效配送,减 分;返程或启程空驶,减 分物流部量化考核方案模板部门负责人: 考核负责人:直属上级: 考核周期:年月日指标 维度量化指标权重绩效目标值考核频率数据来源考核 得分财务物流成本节约率15%达到____%季度/年度财务部订单处理及时率10%达 100%月度/季度/年度物流部物资配送准确率10%达 100%月度/季度/年度 客户、物流部内部货物准时送达率10%达 100%月度/季度/年度物流部运营货损率10% 不高于同行业均值 月度/季度/年度物流部库存周转率10%同期平均水平季度/年度物流部安全事故发生次数 10%0次月度/季度/年度物流部客户客户投诉次数15%0次月度/季度/年度 客服中心学习培训计划完成率5%100%季度/年度行政部发展 部门员工考核达标率 5%达 98%季度/年度行政部指标说明权重说明考核结果 核算说明考核关键 问题说明量化考核得分合计订单处理及时率=及时处理的订单数量 订单总数量×100%客户投诉是对物流部门工作的外部直接评价,它可以直接反映物流部门的服务质量,因此 给予客户投诉次数的考核权重相对高一些,设为 15%对物流部门的考核核算,不仅要从上述定量指标进行,还要考虑定性指标。
定量指标和定性指标的分值比重可以设置为 7:3,定性指标包括物流制度的规范性、物流信息系统的 完善性、客户满意度等1.加强考核结果分析,尤其是对关键指标考核结果的分析,以指导下一步的工作 2.对物流部的考核除了上述考核外,还应加强对相关事项的考核,主要包括运输路线规划是否为最优、仓储量是否最为合理、流程是否比较优化等物流部经理绩效考核量表模板被考核人姓名:考核人:指标 维度量化指标权重 绩效目标值考核频率数据来源考核 得分财务单位物流成本 部门费用预算达成率5% 10%平均水平 达 100%季度/年度 季度/年度物流部、财务部 财务部货物准时送达率15%高于 90%月度/季度/年度 客户、物流部内部配送计划完成率10%高于 95%月度/季度/年度 行政部、物流部运营调度不力的次数10%0次季度/年度物流部货运质量事故次数10%0次月度/季度/年度客服中心客户客户有效投诉次数 相关部门有效投诉次数10% 10%0次月度/季度/年度客服中心0次月度/季度/年度客服中心学习培训计划完成率10%达 100%月度/季度/年度行政部发展下属重大违纪次数10%0次月度/季度/年度行政部量化考核得分合计指标说明1.货物准时送达率=货物准时送达订单数 发货订单总数×100%2.下属重大违纪次数是指考核期内所有下属重大违规违纪的累计次数权重说明1.货物准时送达率既关系到企业的信誉又体现着物流部的运作效率,因此权重分配较高 2.在行业水平一致的情况下,单位物流成本比较稳定,难以降低,因此权重分配较低考核结果 对物流部经理的考核从定量与定性两个方面进行,可设为:考核得分=定量考核得分×75%+核算说明 定性考核得分×25%。
城市绿色货运配送示范工程绩效考核评价指标体系《城市绿色货运配送示范工程绩效考核评价指标体系》说明一、体制机制保障1.城市配送多部门协同工作机制建设情况示范建设期内,城市人民政府跨部门联动工作机制的建立及落实情况,特别是在城市配送网络节点体系规划建设、货运配送车辆城区通行总量调控、夜间配送等先进组织模式推广应用等方面是否建立协同联动工作机制。
2.行业主管部门制定城市配送企业运营服务规范示范建设期内,行业主管部门发布实施城市配送企业运营服务规范,明确示范企业从事城市配送服务的基本要求、服务标准、质量保障等,强化配送各环节的监管和责任界定,提升城市配送服务水平。
3.行业主管部门制定城市货运配送企业考核管理办法示范建设期内,行业主管部门制定出台城市配送企业考核管理办法,明确考核评价的内容、标准、方法和周期,定期对示范企业开展考核评估,评估结果作为调整优化城市配送运力调控和车辆城区通行证管控政策的重要依据。
同时,对排名靠后的企业重点督导,引导城市配送企业规范健康发展。
4.省、市相关管理部门出台相关扶持政策省、市人民政府设立专项资金支持城市绿色货运配送发展,在新能源车购置与营运、配送中心建设、先进组织模式推广应用、公共信息平台建设、市场主体培育等方面给予资金支持。
二、城市配送物流基础设施5.干支衔接型货运枢纽(物流园区)示范建设期末,投入运营的干支衔接型货运枢纽(物流园区)数量。
干支衔接型货运枢纽(物流园区)是城市货运配送一级节点,具有仓储、分拨、配载、配送、信息服务、中转换装等功能,突出干线甩挂运输、多式联运和末端城市共同配送有机衔接,能够实现干线规模化运输与支线集散分拨的一体化组织。
(单位:个)6.公共配送中心示范建设期末,投入运营的公共配送中心数量。
公共配送中心是城市货运配送二级节点,是联接一级节点与末端公共配送站的纽带,应突出统一存储、集中分拣、共同配送的集约组织等功能。
(单位:个)7.末端公共配送站示范建设期末,投入运营的末端公共配送站(货物装卸点)数量。
城市绿色货运配送示范工程绩效考核评分细则
序号指标
分类
指标内容分值计分标准
1
体制
机制
保障城市配送多部门协同
工作机制建设情况
55
(1)创建领导小组。
城市人民政府成立创建领导小组,成员单位包括交通运输、公安、商务等市政府
有关部门,得10分。
(2)协同推进工作。
示范建设期内,市政府主要负责同志主持会议,研究部署示范工程创建工作事项,
得5分;领导小组每半年召开1次会议研究示范工程推进工作事项,部门之间沟通协调顺畅,形成责任
分工明确的协同联动工作机制(交通运输主管部门负责运力调控,商贸流通主管部门负责配送需求引导,
公安交通管理部门负责通行管理等),每半年得5分(共计25分)。
(3)推进效果显著。
示范建设期内,领导小组每年制定工作进度计划,明确责任分工和保障措施,监
督示范工程创建工作有序推进,并取得积极成效的,每年得5分(共计10分)。
(4)实行考核机制。
示范建设期内,将城市绿色货运配送示范工程创建纳入政府对领导小组各成员单
位年度绩效考核,并每年实施考核评价的,每年得5分(共计10分)。
2 行业主管部门制定城
市配送企业考核管理
办法
45
(1)制定考核管理办法。
市级行业主管部门制定并实施城市配送企业考核管理办法,办法中明确考核
评价的内容、标准、方法及周期等,得20分。
(2)建立快递车辆规范管理制度。
得5分。
(3)定期开展考核评估。
市级行业主管部门以管理办法为依据每年对从事城市配送的企业开展一次考
核评估,并结合考核评价结果实行相应的奖惩措施,如调整企业配送运力、收回年度安全管理考核不合
格及车辆交通违法行为较多的配送运输企业的车辆通行证等,每年得10分(共计20分)。
1
序号指标
分类
指标内容分值计分标准
3 体制
机制
保障
省、市政府在新能源车
辆购置与营运、配送中
心建设、先进组织模式
推广应用、市场主体培
育等方面出台相关扶
持政策
30
(1)建立资金投入机制。
建立相对稳定的城市绿色货运配送发展资金投入机制,并纳入年度财政预算,
得10分。
(2)设立专项资金。
设立专项资金支持城市绿色货运配送发展,在新能源车辆购置与营运、配送中心
建设、先进组织模式推广应用、公共信息平台建设等方面给予资金支持的,每个方面得5分(共计20
分)。
4 城市
配送
物流
基础
设施
干支衔接型货运枢纽
(物流园区)
80
(1)考核评价内容:
①建设数量:城区常住人口500万以上的城市,投入运营的干支衔接型货运枢纽(物流园区)数量
应≥4个;城区常住人口300万—500万的城市,投入运营的干支衔接型货运枢纽(物流园区)数量应
≥3个;城区常住人口100万—300万的城市,投入运营的干支衔接型货运枢纽(物流园区)数量应≥2
个;城区常住人口100万以下的城市,投入运营的干支衔接型货运枢纽(物流园区)数量应≥1个。
②完成进度:按照相关文件(立项批复、工可批复、初步设计批复、竣工验收)要求的时间节点完
成建设计划。
③功能实现:投入运营的干支衔接型货运枢纽(物流园区)作为城市货运配送一级节点,应具备仓
储、分拨、配载、配送、信息服务、中转换装等功能,突出干线甩挂运输、多式联运与末端城市共同配
送有机衔接,实现干线规模化运输与支线集散分拨一体化操作。
(2)计分方法:
①投入运营的干支衔接型货运枢纽(物流园区)数量达到要求的,得20分,未达到的,按内插法
计算得分。
②枢纽的完成进度及功能实现满分40分,对每个枢纽项目平均设定满分值并量化评分标准,其中
完成进度占50%,按照每个阶段平均分配分值,功能实现占50%(实现干支衔接得20%,实现干线甩挂
运输得10%、实现多式联运得10%、实现支线集散分拨得10%)。
③示范工程验收阶段,抽查枢纽均投入使用的,得5分。
抽查枢纽达标情况较好的,得15分;达
标情况一般的,得5分;均未达标的,不得分。
2
序号指标
分类
指标内容分值计分标准
5 城市
配送
物流
基础
设施
公共配送中心80
(1)考核评价内容:
①建设数量:城区常住人口500万以上的城市,投入运营的公共配送中心数量应达到7—9个;城
区常住人口300万—500万的城市,投入运营的公共配送中心数量应达到5—7个;城区常住人口100
万—300万的城市,投入运营的公共配送中心数量应达到3—5个;城区常住人口100万以下的城市,
投入运营的公共配送中心数量应达到1—2个。
②完成进度:按照相关文件(立项批复、工可批复、初步设计批复、竣工验收)要求的时间节点完
成建设计划。
③功能实现:投入运营的公共配送中心作为联接一级节点与末端共同配送站的城市货运配送二级节
点,应具备统一存储、集中分拣、共同配送的集约组织等功能。
(2)计分方法:
①投入运营的公共配送中心数量达到要求的,得20分,未达到的,按内插法计算得分。
②公共配送中心的完成进度及功能实现满分40分,对每个公共配送中心项目平均设定满分值并量
化评分标准,其中完成进度占50%,按照每个阶段平均分配分值,功能实现占50%(实现统一存储得15%,
实现集中分拣得15%,实现共同配送得20%)。
③示范工程验收阶段,抽查配送中心均投入使用的,得5分。
抽查配送中心达标情况较好的,得
15分;达标情况一般的,得5分;均未达标的,不得分。
3
序号指标
分类
指标内容分值计分标准
6 城市
配送
物流
基础
设施
末端共同配送站80
(1)考核评价内容:
①建设数量:城区常住人口500万以上的城市,投入运营的末端共同配送站数量应≥200个;城区
常住人口300万—500万的城市,投入运营的末端共同配送站数量应≥150个;城区常住人口100万—300
万的城市,投入运营的末端共同配送站数量应≥80个;城区常住人口100万以下的城市,投入运营的
末端共同配送站数量应≥50个。
②功能实现:投入运营的末端共同配送站应包括货物装卸点、货物集散点,能够为终端客户提供停
靠、装卸、分拣等服务,满足社区、高校、商务区等末端商品配送需求。
(2)计分方法:
①投入运营的末端共同配送站数量达到要求的,得20分,未达到的,按内插法计算得分。
②末端共同配送站的功能实现满分40分,对每个末端共同配送站项目平均设定满分值,实现停靠、
装卸、分拣功能得100%,有一项功能未实现的,不得分。
③示范工程验收阶段,抽查共同配送站达标情况较好的,得20分;达标情况一般的,得8分;均
未达标的,不得分。
4。