光刻清洗工艺介绍概述
- 格式:ppt
- 大小:2.10 MB
- 文档页数:20
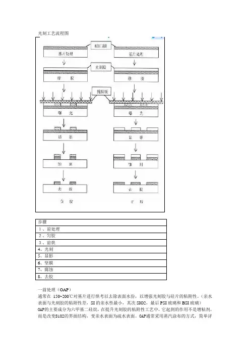
光刻工艺流程图步骤1、前处理2、匀胶3、前烘4、光刻5、显影6、坚膜7、腐蚀8、去胶一前处理(OAP)通常在150~200℃对基片进行烘考以去除表面水份,以增强光刻胶与硅片的粘附性。
(亲水表面与光刻胶的粘附性差,SI的亲水性最小,其次SIO2,最后PSI玻璃和BSI玻璃)OAP的主要成分为六甲基二硅烷,在提升光刻胶的粘附性工艺中,它起到的作用不是增粘剂,而是改变SiO2的界面结构,变亲水表面为疏水表面。
OAP通常采用蒸汽涂布的方式,简单评价粘附性的好坏,可在前处理过的硅片上滴一滴水,通过测量水与硅片的接触角,角度越大,SI二、匀胶光刻胶通常采用旋涂方式,在硅片上得到一层厚度均匀的胶层。
影响胶厚的最主要因素:光刻胶的粘度及旋转速度。
次要因素:排风;回吸;胶泵压力;胶盘;温度。
胶厚的简单算法:光刻胶理论的最小胶厚的平方乘以理论的转速=目标光刻胶的胶厚的平方乘以目标转速例如:光刻胶理论厚度1微米需要转速3000转/分,那需要光刻胶厚度1.15微米时转速应为12 *3000/1.152三、前烘前烘的目的是为了驱除胶膜中残余的溶剂,消除胶膜的机械应力。
前烘的作用: 1)增强胶层的沾附能力;2)在接触式曝光中可以提高胶层与掩模板接触时的耐磨性能;3)可以提高和稳定胶层的感光灵敏度。
前烘是热处理过程,前烘通常的温度和时间:烘箱90~115℃ 30分钟热板90~120℃ 60~90秒四、光刻光刻胶经过前烘后,原来液态光刻胶在硅片表面上固化。
光刻的目的就是将掩膜版上的图形转移到硅片上。
曝光的设备分类接触式、接近式、投影式、步进式/扫描式、电子束曝光、软X射线曝光。
五、显影经过显影,正胶的曝光区域和负胶的非曝光区域被溶解,正胶的非曝光区域和负胶的曝光区域被保留下来,从而完成图形的转移工作。
正胶曝光区域经过曝光后,生成羧酸与碱性的显影液中和反应从而被溶解。
负胶的曝光区域经过曝光后产生胶联现象,不被显影液溶解。
而未曝光的区域则被显影液溶解掉。
半导体光刻工艺介绍
半导体光刻工艺是半导体制造中最为重要的工序之一。
主要作用是将图形信息从掩模版(也称掩膜版)上保真传输、转印到半导体材料衬底上。
以下是光刻工艺的主要步骤:
硅片清洗烘干:湿法清洗+去离子水冲洗+脱水烘焙(热板150~250℃,1~2分钟,氮气保护)。
涂底:气相成底膜的热板涂底。
旋转涂胶:静态涂胶(Static)。
软烘:真空热板,85~120℃,30~60秒。
对准并曝光:光刻机通常采用步进式 (Stepper)或扫描式 (Scanner)等,通过近紫外光 (Near Ultra-Violet,NUV)、中紫外光 (Mid UV,MUV)、深紫外光(Deep UV,DUV)、真空紫外光 (Vacuum UV,VUV)、极短紫外光 (Extreme UV,EUV)、X-光 (X-Ray)等光源对光刻胶进行曝光,使得晶圆内产生电路图案。
后烘:PEB,Post Exposure Baking。
显影:Development。
硬烘:Hard Baking。
光刻工艺的基本原理是利用涂敷在衬底表面的光刻胶的光化学反应作用,记录掩模版上的器件图形,从而实现将集成器件图形从设计转印到衬底的目的。
光刻工艺简要流程介绍光刻工艺是半导体制造中最为重要的工艺步骤之一。
主要作用是将掩膜板上的图形复制到硅片上,为下一步进行刻蚀或者离子注入工序做好准备。
光刻的成本约为整个硅片制造工艺的1/3,耗费时间约占整个硅片工艺的40~60%。
光刻机是生产线上最贵的机台,5~15百万美元/台。
主要是贵在成像系统(由15~20个直径为200~300mm的透镜组成)和定位系统(定位精度小于10nm)。
其折旧速度非常快,大约3~9万人民币/天,所以也称之为印钞机。
光刻部分的主要机台包括两部分:轨道机(Tracker),用于涂胶显影;扫描曝光机(Scanning)光刻工艺的要求:光刻工具具有高的分辨率;光刻胶具有高的光学敏感性;准确地对准;大尺寸硅片的制造;低的缺陷密度。
光刻工艺过程一般的光刻工艺要经历硅片表面清洗烘干、涂底、旋涂光刻胶、软烘、对准曝光、后烘、显影、硬烘、刻蚀、检测等工序。
1、硅片清洗烘干(Cleaning and Pre-Baking)方法:湿法清洗+去离子水冲洗+脱水烘焙(热板150~2500C,1~2分钟,氮气保护)目的:a、除去表面的污染物(颗粒、有机物、工艺残余、可动离子);b、除去水蒸气,是基底表面由亲水性变为憎水性,增强表面的黏附性(对光刻胶或者是HMDS-〉六甲基二硅胺烷)。
2、涂底(Priming)方法:a、气相成底膜的热板涂底。
HMDS蒸汽淀积,200~2500C,30秒钟;优点:涂底均匀、避免颗粒污染;b、旋转涂底。
缺点:颗粒污染、涂底不均匀、HMDS用量大。
目的:使表面具有疏水性,增强基底表面与光刻胶的黏附性。
3、旋转涂胶(Spin-on PR Coating)方法:a、静态涂胶(Static)。
硅片静止时,滴胶、加速旋转、甩胶、挥发溶剂(原光刻胶的溶剂约占65~85%,旋涂后约占10~20%);b、动态(Dynamic)。
低速旋转(500rpm_rotation per minute)、滴胶、加速旋转(3000rpm)、甩胶、挥发溶剂。
光刻工艺介绍一、定义与简介光刻是所有四个基本工艺中最关键的,也就是被称为大家熟知的photo,lithography,photomasking, masking, 或microlithography。
在晶圆的制造过程中,晶体三极管、二极管、电容、电阻和金属层的各种物理部件在晶圆表面或表层内构成,这些部件是预先做在一块或者数块光罩上,并且结合生成薄膜,通过光刻工艺过程,去除特定部分,最终在晶圆上保留特征图形的部分。
光刻其实就是高科技版本的照相术,只不过是在难以置信的微小尺寸下完成,现在先进的硅12英寸生产线已经做到22nm,我们这条线的目标6英寸砷化镓片上做到0.11um。
光刻生产的目标是根据电路设计的要求,生成尺寸精确的特征图形,并且在晶圆表面的位置正确且与其它部件的关联正确。
二、光刻工艺流程介绍光刻与照相类似,其工艺流程也类似:实际上,普通光刻工艺流程包括下面的流程:1)Substrate Pretreatment 即预处理,目的是改变晶圆表面的性质,使其能和光刻胶(PR)粘连牢固。
主要方法就是涂HMDS,在密闭腔体内晶圆下面加热到120℃,上面用喷入氮气加压的雾状HMDS,使得HMDS和晶圆表面的-OH健发生反应已除去水汽和亲水健结构,反应充分后在23℃冷板上降温。
该方法效果远比传统的热板加热除湿好。
2)Spin coat即旋转涂光刻胶,用旋转涂布法能提高光刻胶薄膜的均匀性与稳定性。
光刻胶中主要物质有树脂、溶剂、感光剂和其它添加剂,感光剂在光照下会迅速反应。
一般设备的稳定工作最高转速不超过4000rpm,而最好的工作转速在2000~3000rpm。
3)Soft Bake(Pre-bake)即软烘,目的是除去光刻胶中溶剂。
一般是在90℃的热板中完成。
4)Exposure即曝光,这也是光刻工艺中最为重要的一步,就是用紫外线把光罩上的图形成像到晶圆表面,从而把光罩上面的图形转移到晶圆表面上的光刻胶中。
光刻工艺步骤介绍光刻工艺是半导体芯片制造中不可或缺的一步,其目的是将芯片设计图案转移到光刻胶上,然后通过化学腐蚀或蚀刻的方式将这些图案转移到芯片表层。
下面是一个光刻工艺的详细步骤介绍:1.准备工作:首先需要清洗芯片表面,以去除表面的杂质和污染物。
清洗可以使用化学溶液或离子束清洗仪等设备。
同时,需要准备好用于光刻的基板,这通常是由硅或其他半导体材料制成的。
2.底层涂覆:将光刻胶涂覆在基板表面,胶层的厚度通常在几微米到几十微米之间。
胶液通常是由聚合物和其他添加剂组成的,可以通过旋涂、喷涂或浸涂等方法进行涂覆。
3.烘烤和预烘烤:将涂覆好的光刻胶进行烘烤和预烘烤。
这一步的目的是除去胶液中的溶剂和挥发物,使胶层更加均匀和稳定。
烘烤的温度和时间可以根据不同的胶液和工艺要求来确定。
4.掩膜对位:将掩膜和基板进行对位。
掩膜是一个透明的玻璃或石英板,上面有芯片设计的图案。
对位过程可以通过显微镜或光刻机上的对位系统来进行。
5.曝光:将掩膜下的图案通过光源进行曝光。
光源通常是由紫外线灯或激光器组成的。
曝光时间和光照强度的选择是根据胶层的特性和所需的图案分辨率来确定的。
6.感光剂固化:曝光后,光刻胶中的感光剂会发生化学反应,使胶层中的暴露部分固化。
这一步被称为光刻胶的显影,可以通过浸泡在显影剂中或使用喷雾设备来进行。
7.显影:在光刻胶上进行显影,即移去显影剂无法固化的胶层。
显影的时间和温度可以根据胶层的特性和图案的要求来确定。
显影过程通常伴随着机械搅动或超声波搅拌,以帮助显影剂的渗透和清洗。
8.硬化:为了提高图案的耐久性和稳定性,可以对显影后的芯片进行硬化处理。
硬化可以通过烘烤、紫外线照射或热处理等方法来实现。
9.检查和修复:在完成光刻工艺后,需要对光刻图案进行检查。
如果发现图案存在缺陷或错误,可以使用激光修复系统或电子束工作站等设备进行修复。
10.后处理:最后,需要对光刻胶进行去除,以准备进行下一步的制造工艺。
去除光刻胶的方法可以采用化学溶剂、等离子体蚀刻或机械刮伤等。
光刻工艺简要流程介绍光刻工艺是半导体制造中非常重要的一个步骤,主要用于将芯片的电路图案传输至硅片上。
以下是光刻工艺的简要流程介绍。
1.准备工作在进行光刻之前,需要先对硅片进行一系列的准备工作。
包括清洁硅片表面、附着光刻胶、烘干等。
2.光刻胶涂布在准备完毕的硅片上,使用涂胶机将光刻胶均匀地涂布在硅片表面。
光刻胶是一种高分子有机聚合物,具有粘附性能。
3.预烘将涂布光刻胶的硅片放入预烘炉中,通过升温和恒温的方式,将光刻胶中的溶剂挥发,使得光刻胶中的聚合物形成薄膜,并在硅片表面形成一层均匀的保护膜。
4.掩模对位将预烘完毕的硅片和掩模放入对位仪中,在显微镜下进行精确对位。
掩模是一个透明的玻璃衬底上覆盖有芯片的图案。
5.紫外曝光将已对位好的硅片放入紫外曝光机中,打开紫外光源,光束通过掩模上的图案进行投射,将图案的细节库流到硅片上。
6.开发曝光完毕后,将硅片放入显影机中进行开发。
开发液会溶解掉曝光过程中没有暴露到光的光刻胶,显示出光刻胶图案。
7.软烘将开发完毕的硅片放入软烘炉中,通过温度升高将余留在硅片上的开发液挥发,使得光刻胶更加稳定。
8.硬烘将软烘完毕的硅片放入硬烘炉中,通过更高的温度和较长的时间,硬化光刻胶,使其具有更好的耐蚀性。
9.除胶将硬烘完毕的硅片放入去胶机中,用一定的化学液将光刻胶除去,还原出硅片表面的芯片图案。
10.检测和清洁除胶完毕后,需要对硅片进行检测,确保图案的质量和正确性。
之后进行清洁,除去可能残留在硅片上的任何污染物。
光刻工艺是半导体制造中至关重要的一步,其决定了芯片上电路图案的制备质量和精确度。
随着技术的不断进步,光刻工艺也不断改进,以适应更高的图案分辨率和更复杂的电路设计。
光刻工艺介绍一、定义与简介光刻是所有四个基本工艺中最关键的,也就是被称为大家熟知的photo,lithography,photomasking, masking, 或microlithography。
在晶圆的制造过程中,晶体三极管、二极管、电容、电阻和金属层的各种物理部件在晶圆表面或表层内构成,这些部件是预先做在一块或者数块光罩上,并且结合生成薄膜,通过光刻工艺过程,去除特定部分,最终在晶圆上保留特征图形的部分。
光刻其实就是高科技版本的照相术,只不过是在难以置信的微小尺寸下完成,现在先进的硅12英寸生产线已经做到22nm,我们这条线的目标6英寸砷化镓片上做到0.11um。
光刻生产的目标是根据电路设计的要求,生成尺寸精确的特征图形,并且在晶圆表面的位置正确且与其它部件的关联正确。
二、光刻工艺流程介绍光刻与照相类似,其工艺流程也类似:实际上,普通光刻工艺流程包括下面的流程:1)Substrate Pretreatment 即预处理,目的是改变晶圆表面的性质,使其能和光刻胶(PR)粘连牢固。
主要方法就是涂HMDS,在密闭腔体内晶圆下面加热到120℃,上面用喷入氮气加压的雾状HMDS,使得HMDS和晶圆表面的-OH健发生反应已除去水汽和亲水健结构,反应充分后在23℃冷板上降温。
该方法效果远比传统的热板加热除湿好。
2)Spin coat即旋转涂光刻胶,用旋转涂布法能提高光刻胶薄膜的均匀性与稳定性。
光刻胶中主要物质有树脂、溶剂、感光剂和其它添加剂,感光剂在光照下会迅速反应。
一般设备的稳定工作最高转速不超过4000rpm,而最好的工作转速在2000~3000rpm。
3)Soft Bake(Pre-bake)即软烘,目的是除去光刻胶中溶剂。
一般是在90℃的热板中完成。
4)Exposure即曝光,这也是光刻工艺中最为重要的一步,就是用紫外线把光罩上的图形成像到晶圆表面,从而把光罩上面的图形转移到晶圆表面上的光刻胶中。
28-7nm光掩膜版清洗关键工艺技术
28-7nm光掩膜版是一种用于半导体制造的光刻工艺中的关键
工具。
在光刻过程中,光掩膜版扮演着将图形精确地转移到光刻胶上的角色。
因此,光掩膜版的清洗工艺至关重要。
清洗光掩膜版的关键工艺技术包括以下几个步骤:
1. 溶剂清洗:首先,使用适当的溶剂来将光掩膜版表面的有机和无机杂质溶解和去除。
常用的溶剂包括酸性和碱性溶剂。
2. 超声清洗:在溶剂清洗后,将光掩膜版置于超声波清洗机中。
超声波能够在液体中产生高频振动,帮助去除微小的污垢和杂质。
3. DI水清洗:在超声清洗后,将光掩膜版再次清洗,使用去
离子(DI)水。
DI水具有极高的纯度,可以去除更多的污垢
和杂质。
4. 干燥:最后,使用氮气或其它干燥方法将光掩膜版彻底干燥,确保表面无水分和残留。
需要注意的是,清洗光掩膜版时需要非常小心,以避免损坏其表面的细微图案。
因此,在清洗过程中应遵循严格的操作规程,并使用专门设计的清洗系统和工具。
此外,经常保持光掩膜版的清洁也是非常重要的。
定期检查和
清洗光掩膜版可以延长其寿命,并确保在光刻过程中获得高质量的图案转移。
光刻工艺简要流程介绍光刻工艺是集成电路制造过程中的一项重要工艺,其主要作用是将电路图案按照一定比例缩小并转移到硅片上,形成集成电路的图案。
下面是光刻工艺的简要流程介绍。
1.硅片准备:首先,需要对硅片进行一系列处理,包括清洗、去除表面氧化层、去除杂质等,以确保硅片的表面光洁度和纯净度。
2.上光胶:将光刻胶涂布在硅片表面。
光刻胶是一种特殊的光敏聚合物,对特定波长的光线敏感。
胶涂布可以通过旋涂法、喷涂法等方式进行,以确保胶涂布均匀。
3.等光干燥:将胶涂布的硅片放入特定设备中进行等光干燥。
等光干燥的目的是将胶涂布的光刻胶暴露于特定的光照条件下,以进行后续的曝光制程。
4.接触曝光:采用光刻机进行接触曝光,将预先准备好的掩膜与胶涂布的硅片接触,并通过曝光源投射光束。
光刻胶能够吸收光束并将光的图案转移到胶涂布的硅片上,形成所需的电路图案。
5.显影:经过曝光后,需要进行显影,以去除未受光束照射的光刻胶。
显影液的成分根据光刻胶的特性来确定,可以通过浸泡、喷淋等方式进行显影。
显影液能够溶解未暴露于光束的部分光刻胶,从而形成所需的电路图案。
6.退胶:为了保护已经形成的电路图案,需要对胶涂布的硅片进行退胶处理。
退胶过程中使用氧等氧化物气体,能够将胶层中的光刻胶蒸发掉,从而完全去除胶层。
7.清洗:清洗是整个光刻工艺中的一个重要环节,目的是去除残留的光刻胶、显影液等杂质,并确保表面的洁净度。
清洗方法包括浸泡、超声波清洗、喷淋等。
8.检测:对最终产生的图案进行检测,确保电路图案的质量和准确性。
检测方法包括显微镜观察、扫描电子显微镜观察等。
以上就是光刻工艺的简要流程介绍。
光刻工艺是集成电路制造中至关重要的一环,通过精确的光刻过程,可以将电路图案转移到硅片上,实现电路的制造。
随着半导体技术的不断发展,光刻工艺也在不断改变和创新,以满足更高性能和更小尺寸的集成电路的需求。
十大步骤详解芯片光刻的流程!在集成电路的制造过程中,有一个重要的环节——光刻,正因为有了它,我们才能在微小的芯片上实现功能。
现代刻划技术可以追溯到190年以前,1822年法国人Nicephore niepce在各种材料光照实验以后,开始试图复制一种刻蚀在油纸上的印痕(图案),他将油纸放在一块玻璃片上,玻片上涂有溶解在植物油中的沥青。
经过2、3小时的日晒,透光部分的沥青明显变硬,而不透光部分沥青依然软并可被松香和植物油的混合液洗掉。
通过用强酸刻蚀玻璃板,Niepce在1827年制作了一个d’Amboise主教的雕板相的复制品。
Niepce的发明100多年后,即第二次世界大战期间才第一应用于制作印刷电路板,即在塑料板上制作铜线路。
到1961年光刻法被用于在Si上制作大量的微小晶体管,当时分辨率5um,如今除可见光光刻之外,更出现了X-ray和荷电粒子刻划等更高分辨率方法。
所谓光刻,根据维基百科的定义,这是半导体器件制造工艺中的一个重要步骤,该步骤利用曝光和显影在光刻胶层上刻画几何图形结构,然后通过刻蚀工艺将光掩模上的图形转移到所在衬底上。
这里所说的衬底不仅包含硅晶圆,还可以是其他金属层、介质层,例如玻璃、SOS中的蓝宝石。
光刻的基本原理是利用光致抗蚀剂(或称光刻胶)感光后因光化学反应而形成耐蚀性的特点,将掩模板上的图形刻制到被加工表面上。
光刻原理意图光刻不是一个简单的过程,它要经历很多步骤:光刻的工序下面我们来详细介绍一下光刻的工序:1.清洗硅片(Wafer Clean)清洗硅片的目的是去除污染物去除颗粒、减少针孔和其它缺陷,提高光刻胶黏附性基本步骤:化学清洗——漂洗——烘干。
硅片经过不同工序加工后,其表面已受到严重沾污,一般讲硅片表面沾污大致可分在三类:A. 有机杂质沾污:可通过有机试剂的溶解作用,结合超声波清洗技术来去除。
B. 颗粒沾污:运用物理的方法可采机械擦洗或超声波清洗技术来去除粒径≥ 0.4 μm颗粒,利用兆声波可去除≥ 0.2 μm颗粒。
详解半导体的光刻工艺全过程光刻工艺过程一般的光刻工艺要经历硅片表面清洗烘干、涂底、旋涂光刻胶、软烘、对准曝光、后烘、显影、硬烘、刻蚀、检测等工序。
1、硅片清洗烘干(Cleaning and Pre-Baking)方法:湿法清洗+去离子水冲洗+脱水烘焙(热板150~2500C,1~2分钟,氮气保护)目的:a、除去表面的污染物(颗粒、有机物、工艺残余、可动离子);b、除去水蒸气,是基底表面由亲水性变为憎水性,增强表面的黏附性(对光刻胶或者是HMDS-〉六甲基二硅胺烷)。
2、涂底(Priming)方法:a、气相成底膜的热板涂底。
HMDS蒸气淀积,200~2500C,30秒钟;优点:涂底均匀、避免颗粒污染;b、旋转涂底。
缺点:颗粒污染、涂底不均匀、HMDS用量大。
目的:使表面具有疏水性,增强基底表面与光刻胶的黏附性。
3、旋转涂胶(Spin-on PR Coating)方法:a、静态涂胶(Static)。
硅片静止时,滴胶、加速旋转、甩胶、挥发溶剂(原光刻胶的溶剂约占65~85%,旋涂后约占10~20%);b、动态(Dynamic)。
低速旋转(500rpm_rotation per minute)、滴胶、加速旋转(3000rpm)、甩胶、挥发溶剂。
决定光刻胶涂胶厚度的关键参数:光刻胶的黏度(Viscosity),黏度越低,光刻胶的厚度越薄;旋转速度,速度越快,厚度越薄;影响光刻胶厚度均运性的参数:旋转加速度,加速越快越均匀;与旋转加速的时间点有关。
一般旋涂光刻胶的厚度与曝光的光源波长有关(因为不同级别的曝光波长对应不同的光刻胶种类和分辨率):I-line最厚,约0.7~3μm;KrF的厚度约0.4~0.9μm;ArF的厚度约0.2~0.5μm。
4、软烘(Soft Baking)方法:真空热板,85~120℃,30~60秒;目的:除去溶剂(4~7%);增强黏附性;释放光刻胶膜内的应力;防止光刻胶玷污设备;边缘光刻胶的去除(EBR,Edge Bead Removal)。