桩基地质核查对照表
- 格式:doc
- 大小:338.69 KB
- 文档页数:2
GD2301
2.桩顶标高允许偏差为±30㎜,灌注桩桩顶标高在凿除桩顶浮浆后,应保证设计的桩顶标高及混凝土质
量,低于设计标高的应妥善处理;受压预应力管桩桩顶超高部分切除应采取锯断方式,不得造成桩顶混凝土损伤;受压预制方桩及利用预应力管桩纵筋锚固的抗拔桩应精打细凿,不得伤及桩身。
3.夹渣、夹泥、蜂窝、孔洞面积不超过混凝土裸露面积的3%,露筋及保护层厚度超过允许偏差的应作处理。
4.基桩钢筋笼纵筋外露长度从桩顶设计标高处计起。
钢筋笼安装深度偏差应不大于±100㎜,钢筋笼保护层允许偏差:水下灌注混凝土的桩为±20㎜,非水下灌注混凝土的桩为±10㎜。
5.基桩应全数检查。
灌注桩桩位允许偏差
说 明
本表包括基桩位置偏移、基桩混凝土外观以及桩顶钢筋锚固长度等方面的检查内容。
1.桩位平面偏差应符合《建筑地基基础工程施工质量验收规范》GB50202-2002第5.1.3条、第5.1.4条规定。
预制桩(钢桩)桩位的允许偏差。
[教材]土方开挖后桩基础复核及桩质量检查表土方开挖后桩基础复核及桩质量检查表 GD2301032?
工程名称:________________________ 施工单位:_______________________ 工程负责人:______________
设计标高以下桩桩顶标纵筋基桩位置偏移(mm) 桩径(m)
身砼外观质量高(m)
复核意见保护层外露长桩厚(mm) 度(m) 号
东南西北设实设实偏夹夹蜂孔裂设实设实
计测计测差渣泥窝洞缝计测计测
施工施工班组长专业工张(施工员)
单位检查结论
项目专业质量检验员: 年月日
监理
(建
设)
单位
复查专业监理工程师:
结论 (建设单位项目专业技术负责人) 年月日。
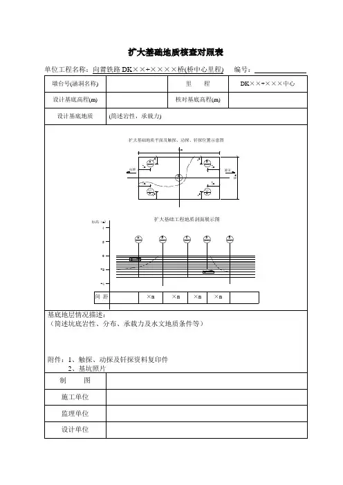
层次层次剖面层深层厚层底标高层次层次剖面层深层厚层底标高(1) 5.9 5.918.1(1)(2)11.15 5.2512.85(2)(3)15.45 4.38.55(3)(4)24.38.85-0.3(4)(5)25.150.85-1.15(5)(6)27.6 2.45-3.6(6)(7)28.50.9-4.5(7)(8)33.75 5.25-9.75(8)(9)40.05 6.3-16.05(9)(10)40.80.75-16.8(10)(11)45.3 4.5-21.3(11)(12)47.25 1.95-23.25(12)(13)51.9 4.65-27.9(13)(14)53.5 1.6-29.5(14)(15)55 1.5-31(15)(16)(16)(17)(17)(18)(18)(19)(19)(20)(20)(21)(21)(22)(22)附件:1、施工记2、碴样照3、钎探、粉质黏土σ=210kPa粉砂σ=200kPa 施工单位:制图:粉质黏土σ=220kPa中砂σ=400kPa粉质黏土σ=220kPa黏土σ=200kPa 黏土σ=200kPa 黏土σ=200kPa 黏土σ=200kPa 黏土σ=200kPa 粉砂σ=200kPa黏土σ=200kPa 黏土σ=200kPa 黏土σ=200kPa 黏土σ=200kPa 黏土σ=200kPa 黏土σ=200kPa 黏土σ=200kPa 黏土σ=200kPa 桩基地质核查对照表护筒标高(深度计算0点)设计桩顶标高墩台号墩中心里程#墩-DK****2421.565岩层说明岩层说明****-29.93551.5桩号设计桩底标高设计桩长粉质黏土σ=200kPa粉砂σ=150kPa 黏土σ=200kPa 地面标高:24.00地面标高:粉砂σ=200kPa中砂σ=400kPa粉质黏土σ=220kPa黏土σ=200kPa 粉质黏土σ=210kPa黏土σ=200kPa 黏土σ=200kPa 黏土σ=200kPa 粉质黏土σ=200kPa 中砂σ=400kPa粉质黏土σ=220kPa。
1设计实测设计实测偏差实测-设计设 计实 测设 计实 测70-92-6933-2.8-2.845 1.2 1.164-0.036无无无无无70640.990.95345595445-2.8-2.806 1.2 1.2090.009无无无无无70770.990.9541599-842-3.2-3.239 1.4 1.387-0.013无无无无无70730.99 1.0894027###58-3.2-3.246 1.4 1.4070.007无无无无无70760.990.907-54-423856-2.2-2.210 1.2 1.2240.024无无无无无70610.99 1.007-59-67-1720-2.4-2.416 1.2 1.187-0.013无无无无无70750.990.959-8039-2-5-2.4-2.406 1.2 1.159-0.041无无无无无70740.990.890-6526-16-65-2.4-2.425 1.2 1.2460.046无无无无无70760.99 1.049-33-21-28-42-2-2.0350.80.8340.034无无无无无70620.990.985-3699-86-74-2.8-2.8290.80.8440.044无无无无无70760.990.979-35-24-17-27-2.8-2.8400.80.8350.035无无无无无70750.99 1.085-49-33-2718-2.8-2.8440.80.8050.005无无无无无70760.99 1.0809-55-7539-2.8-2.8200.80.8130.013无无无无无70690.99 1.02411-9463-30-2.8-2.8380.80.8250.025无无无无无70780.990.9061005253-75-2.8-2.8240.80.8410.041无无无无无70650.991.034土方开挖后桩基础复核及桩质量检查表GD-C4-6353单位(子单位)工程名称华南师范大学西区学生公寓工程施工单位桩号基桩位置偏移桩顶 标高 (m)桩径(m)广州市越秀住宅建设集团有限公司分部/子分部/分项地基与基础/基础/泥浆护壁成孔灌注桩基础检验批编号GD-C5-71116复核意见(mm)夹 渣夹 泥蜂 窝孔 洞裂 缝保护 层厚 (mm)外露 长度(m)东南西北设计标高以下桩身 混凝土外观质量纵筋3符合要求4符合要求1符合要求2符合要求7符合要求8符合要求5符合要求6符合要求11符合要求12符合要求9符合要求10符合要求13符合要求梁土权14符合要求15符合要求监理(建设)单位施工单位监理工程师(建设单位项目专业技术负责人):林天浩专业工长专业质检员施工班组长黄华建金成子。