桥梁桩基地质核查对照表
- 格式:doc
- 大小:59.50 KB
- 文档页数:2
分项工程检验申请和中间交验申批表承包单位监理单位合同号 LJ4 编号. 监表105 致监理工程师:下列分项工程(或单个构件)经审核同意,将于填挖孔的第一天时间开工,请予派员全过程旁站和检验。
工程项目***8高速公路工程项目工程地点及桩号K29+899*****2号中桥具体部位2-3#桩基检查内容(或主要工序)砼强度、桩位、孔深、孔径、钢筋加工及安装等要求首次到达现场时间填挖孔第一天时间承包人递交日期时间和签字填挖孔第一天时间现场监理人员收件日期时间和签字现场监理工程师评论和签字中间交验签认测量工程师签字年月日备注:用铅笔在此处写上28天强度日期质量证明资料:名称或代号有无开工报告√3.2.4.13.2.4.2专业工程师签字年月日3.2.4.33.2.4.43.2.4.53.2.4.6试验工程师签字年月日承包人收到日期、时间签字:驻地监理工程师审核签字年月日挖孔桩工程现场质量检验报告单承包单位监理单位合同号 LJ4 编号质检603工程名称K29+899***2号中桥施工日期挖孔第一天时间桩号、部位每墩的桩号、2-3#桩基检验日期砼浇筑28天时间基本要求项次要求内容检查情况8.5.3.1.1桩身砼所用的水泥、砂、石、水、外掺剂及混合材料的质量和规格必须符合有关规范的要求,按规定的配合比施工。
桩身砼所用的水泥、砂、石等原材料的质量和规格均符合规范要求,施工时按C30砼配合比施工。
8.5.3.1.2挖孔达到设计深度后,应及时进行孔底处理,必须做到无松渣、淤泥等扰动软土层,使孔底情况满足设计要求。
孔底无松渣,满足设计要求。
8.5.3.1.3嵌入承台的锚固钢筋长度不得小于设计规范规定的最小锚固长度要求。
嵌入系梁的锚固钢筋长度符合设计规范要求实测项目项次检查项目规定值或允许偏差检查频率(方法)检查情况(实测值)备注1 砼强度(Mpa)在合格标准内按附录D检查按28天砼强度报告上的数值填设计:C30 2桩位(mm)群桩100 用全站仪或经纬仪检查纵、横两个方向填写检表102中X、Y值,不带正负符号排架桩50(√)3 孔深(m)不小于设计值测绳量:每桩测量填检表608中的挖孔深度(偏差/实测值)(护壁顶高程-设计桩尖标高)4 孔径(mm)不小于设计值探孔器:每桩测量填大于设计桩基直径(偏差/实测值)(填桩基直径)5 孔倾斜度(mm)0.5%桩长,且不大于200垂线法:每桩检查填(0.5%×桩长)范围之内设计:0.5%×桩长6钢筋骨架底面高程(mm)±50水准仪测骨架顶面高程后反算:每桩检查偏差/实测值(填检表608中的孔底高程)(设计桩尖标高)外观鉴定项次外观鉴定内容检查描述8.5.3.3.1无破损检测桩的质量有缺陷,但经设计单位确认仍可用时,应减3分。
桩基桩位放样检查记录表编号:第页共页施检表(36)
水准测量记录表
编号:第页共页)施检表(8
混凝土施工检查记录表
编号:第页共页施检表(46)
水下混凝土灌注记录表
编号:第页施检表(42)共页
冲击钻成孔记录表
编号:第页共
页38施检表()
桩基终孔后灌注混凝土前检查记录表
编号:第页共施检表(41)页
桩基成桩记录表
编号:第页共施检表(40)页
钢筋加工及安装质量检验报告单
检表(44)
编号: 第页共页
检测: 复核: 施工员: 质检负责人: 技术主管: 项目主管: 日期:
施工放线测量记录表.
施检表(7)
编号:第页共页
钻孔灌注桩质量检验报告单.
编号: 第页共检表(35) 页
检测: 复核: 施工员: 质检负责人: 技术主管: 项目主管: 日期:
施工放样报验单监表1
合同段号:
承包单位:
监理单位:编号:
由承包人呈报二份,作出结论后监理组留档一份,另一份退承包人。
.钻孔灌注桩质量检验评定表
编号:评表(35)
日期:项目主管:技术主管:: 质检负责人复核:统计:工程检验申请批复单监表5
合同段号:承包单位:监理单位:
编号:
钢筋加工及安装质量检验评定表
编号:评表(44)
统计:复核:质检负责人: 技术主管:项目主管:日期:。
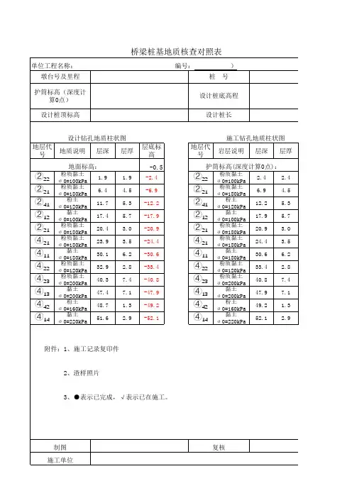
层次层次剖面层深层厚层底标高层次层次剖面层深层厚层底标高(1) 5.9 5.918.1(1)(2)11.15 5.2512.85(2)(3)15.45 4.38.55(3)(4)24.38.85-0.3(4)(5)25.150.85-1.15(5)(6)27.6 2.45-3.6(6)(7)28.50.9-4.5(7)(8)33.75 5.25-9.75(8)(9)40.05 6.3-16.05(9)(10)40.80.75-16.8(10)(11)45.3 4.5-21.3(11)(12)47.25 1.95-23.25(12)(13)51.9 4.65-27.9(13)(14)53.5 1.6-29.5(14)(15)55 1.5-31(15)(16)(16)(17)(17)(18)(18)(19)(19)(20)(20)(21)(21)(22)(22)附件:1、施工记2、碴样照3、钎探、粉质黏土σ=210kPa粉砂σ=200kPa 施工单位:制图:粉质黏土σ=220kPa中砂σ=400kPa粉质黏土σ=220kPa黏土σ=200kPa 黏土σ=200kPa 黏土σ=200kPa 黏土σ=200kPa 黏土σ=200kPa 粉砂σ=200kPa黏土σ=200kPa 黏土σ=200kPa 黏土σ=200kPa 黏土σ=200kPa 黏土σ=200kPa 黏土σ=200kPa 黏土σ=200kPa 黏土σ=200kPa 桩基地质核查对照表护筒标高(深度计算0点)设计桩顶标高墩台号墩中心里程#墩-DK****2421.565岩层说明岩层说明****-29.93551.5桩号设计桩底标高设计桩长粉质黏土σ=200kPa粉砂σ=150kPa 黏土σ=200kPa 地面标高:24.00地面标高:粉砂σ=200kPa中砂σ=400kPa粉质黏土σ=220kPa黏土σ=200kPa 粉质黏土σ=210kPa黏土σ=200kPa 黏土σ=200kPa 黏土σ=200kPa 粉质黏土σ=200kPa 中砂σ=400kPa粉质黏土σ=220kPa。
理正岩性对照表1 耕土gt 填土1902 7 34 1 .812 人工填土rgtt 填土GKrgtt 7 251 1 .8 13 杂填土ztt 填土GKztt 7 249 1 .8 14 素填土stt 填土GKstt 7 252 1 .8 15 冲填土ctt 填土GKctt 7 252 1 .8 16 填土tt 填土GKrgtt7 252 1 .8 17 淤泥yn 软土GKyn 7 79 1 .8 18 淤泥质土ynznt 软土GKynznt 7 77 1 .8 19 淤泥质粉土 ynzft 软土GKynzft 7 75 1 .8 110 泥炭nt 软土GKnt 7 69 1 .8 111 泥炭质黏土 ntznt 软土Gkntznt 7 57 1 .8 112 泥炭质粉土 ntzft 软土Gkntzft 7 64 1 .8 113 淤泥质粉质黏土ynzfzn 软土GKynzfzn 7 63 1 .8 114 淤泥质砂土 ynzst 软土GKynzst 7 73 1 .8 115 黏土ntu 黏土GKnxt 7 46 1 .8 116 粉质黏土fznt 黏土GKfznt 7 44 1 .8 117 重粉质黏土 zfznt 黏土GKzfznt 7 42 1 .8 119 黏质土nzt 黏土GKnxt 7 56 1 .8 120 粉土ft 粉土GKft 7 32 1 .8 121 黏质粉土nzft 粉土GKnzft 7 34 1 .8 122 砂质粉土szft 粉土GKszft 7 30 1 .8 124 粉质土fzt 粉土GKft 7 30 1 .8 125 粉砂fs 砂土GKfs 7 66 f 1 .8 126 细砂xs 砂土GKxs 7 64 x 1 .8 127 中砂zs 砂土GKzs 7 62 z 1 .8 128 粗砂cs 砂土GKcs 7 34 c 1 .8 129 砾砂ls 砂土GKls 7 32 l 1 .8 130 粉细砂fxs 砂土GKfs 7 65 fx 1 .8 131 细中砂xzs 砂土GKxs 7 67 xz 1 .8 132 中粗砂zcs 砂土GKcs 7 69 zc 1 .8 133 粗砾砂cls 砂土GKcs 7 66 cl 1 .8 134 各种组合砂 gzzhs 砂土GKcs 7 64 1 .8 135 砂类土slt 砂土GKcs 7 62 1 .8 136 圆砾yl 碎石土GKyl 7 76 1 .8 137 角砾jl 碎石土GKjl 7 74 1 .8 138 卵石lsh 碎石土GKLs1 7 116 1 .8 139 碎石ss 碎石土GKss 7 114 1 .8 140 漂石ps 碎石土GKps 7 112 1 .8 141 块石ks 碎石土GKks 7 110 1 .8 142 砾石lis 碎石土GKLs1 7 122 1 .8 143 砾类土llt 碎石土Gkyl 7 84 1 .8 144 卵石土lst 碎石土GKLs1 7 116 1 .8 145 漂石土pst 碎石土GKps 7 112 1 .8 146 黄土ht 湿陷性黄土 GKht 7 50 1 .8 147 黄土状黏土 htznt 湿陷性黄土 GKhtznt 7 52 1 .8 148 黄土状粉质黏土htzfznt 湿陷性黄土 GKhtzfzn 7 54 1 .8149 黄土状粉土 htzft 湿陷性黄土 GKhtzft 7 56 1 .8 150 湿陷性黏土 sxxnt 湿陷性黄土 GKhtznt 7 40 1 .8 151 湿陷性粉质黏土sxxfznt 湿陷性黄土 GKhtzfzn 7 42 1 .8152 湿陷性粉土 sxxft 湿陷性黄土 GKhtzfzn 7 44 1 .8 153 湿陷性土sxxt 湿陷性土GKhtznt 7 46 1 .8 154 砾质黏性土 lznxt 残积土GKlznxt 7 44 1 .8 155 砂质黏性土 sznxt 残积土GKsznxt 7 42 1 .8 156 黏性土nxt 残积土GKnxt 7 46 1 .8 157 残积土cjt 残积土GKnxt 7 215 1 .8 158 有机质土yjzt 有机质土Gkyjzt 7 198 1 .8 159红黏土hnt 红黏土GKhnt 0 244 R 1 .8 160 次生红黏土 cshnt 红黏土GKnxt 7 242 R 1 .8 161 膨胀土pzt 膨胀土GKnxt 7 57 Es 1 .8 162 盐渍土yzt 盐渍土GKnxt 7 75 Sa 1 .8 163 多年冻土dndt 多年冻土GKdndt 7 117 1 .8 164 混合土hht 混合土GKhht 7 252 1 .8 165 沙漠土smt 沙漠土GKsmt 7 34 1 .8 166 污染土wrt 污染土GKnxt 7 204 As 1 .8 167 分散土fst 分散土GKfst 7 155 1 .8 174 凝灰岩nhy 软质岩石GKnhy 7 246 1 .8 175 泥岩ny 软质岩石GKny 7 26 1 .8 176 页岩yy 软质岩石GKyy 7 28 1 .8 177 泥灰岩nhy1 软质岩石GKnhy1 7 34 1 .8 178 煤岩my 软质岩石GKmc 7 250 1 .8 179 片岩py 软质岩石GKpy 7 197 1 .8 180 板岩by 软质岩石GKby 7 87 1 .8 181 千枚岩qmy 软质岩石GKqmy 7 233 1 .8 182 混合岩hhy 软质岩石GKhhy 7 226 1 .8 183 糜棱岩mly 软质岩石GKmly 7 126 1 .8 184 泥质粉砂岩 nzfsy 软质岩石GKnzfsy 7 48 1 .8 185 粉砂质泥岩 fszny 软质岩石GKfszny 7 46 1 .8 186 花岗岩hgy 硬质岩石GKhgy 7 246 1 .8 187 闪长岩scy 硬质岩石GKscy 7 234 1 .8 188 辉长岩hcy 硬质岩石GKhcy 7 216 1 .8 189 玢岩fy 硬质岩石GKfy 7 226 1 .8 190 流纹岩lwy 硬质岩石GKlwy 7 34 1 .8 192 粗面岩cmy 硬质岩石GKcmy 7 30 1 .8 193 玄武岩xwy 硬质岩石GKxwy 7 40 1 .8 194 火山角砾岩 hsjly硬质岩石GKhsjly 7 17 1 .8 195 砾岩ly 硬质岩石GKly 7 46 1 .8 196 角砾岩jly 硬质岩石GKjly 7 44 1 .8 197 砂岩sy 硬质岩石GKsy 7 40 1 .8 198 石灰岩shy 硬质岩石GKshy 7 88 1 .8 199 白云岩byy 硬质岩石GKbyy 7 86 1 .8 1 100 片麻岩pmy 硬质岩石GKpmy 7 206 1 .8 1 101 大理岩dly 硬质岩石GKdly 7 247 1 .8 1 102 石英岩syy 硬质岩石GKsyy 7 245 1 .8 1 103 中砂岩zsy 硬质岩石GKzsy 7 36 1 .8 1 104 砂砾岩sliy 硬质岩石GKshly 7 32 1 .8 1 105 碎裂岩sly 硬质岩石GKsly 7 105 1 .8 1 106 粗砂岩csy 硬质岩石GKcsy 7 46 1 .8 1108 硅化砂岩ghsy 硬质岩石GKghsy 7 42 1 .8 1109 硅化岩ghy 硬质岩石GKghy 7 42 1 .8 1110 花岗混合岩 hghhy 硬质岩石GKhghhy 7 42 1 .8 1 111 花岗片麻岩 hgpmy 硬质岩石GKhgpmy 7 214 1 .8 1 112 辉绿岩hly 硬质岩石GKhly 7 210 1 .8 1120 空洞kd 空洞7 0 1 .8 1121 水s 水7 132 1 .8 1122 油y 油7 178 1 .8 1123 冰 b 冰7 253 1 .8 1124 其他qt 其他7 120 1 .8 1125 稍密卵石smls 碎石土GKSSLS 7 70 1 .8 1126 中密卵石zmls 碎石土GKZMLS1 7 72 1 .8 1 127 密实卵石msls 碎石土GKMSLS1 7 74 1 .8 1128 疏松卵石ssls 碎石土GKSSLS1 7 62 1 .8 1129 泥质砂岩nzsy 软质岩石GKNZSY1 7 27 1 .8 1130 砂质泥岩szny 软质岩石GKSZNY1 7 25 1 .8 1131 新近沉积xjcjt 填土XJCJ 0 147 1 .8 1132 新填土zzp 新填土zzp 0 251 1 .8 1133 砂性土xjcj 中粗砂xjcj 0 55 1 .8 1135 硅质灰岩GKGZHY 硬质岩石GKGZHY 0 125 1 .8 1 137 可塑红黏土 GKkshnt 黏土GKkshnt 0 242 1 .8 1 138 泥质白云岩 Gknzbyy 硬质岩石Gknzbyy 0 144 1 .8 1 139 泥质石灰岩 Gknzshy 硬质岩石Gknzshy 0 142 1 .8 1140 软塑红黏土 GKrshnt 黏土GKrshnt 0 240 1 .8 1141 燧石灰岩GKSSHY 硬质岩石GKSSHY 0 146 1 .8 1 142 硬塑红黏土 Gkyshnt 黏土Gkyshnt 0 246 1 .8 1143 溶洞rdSYS 空洞rdSYS 7 7 1 .8 1144 土洞tdSYS 空洞tdSYS 7 7 1 .8 1145 钙质胶结碎石土gzjj-1 0 86 1 .8 1146 淤泥质粘土 ynznt0 软土GKynznt 7 77 1 .8 1147 泥炭质粘土 ntznt0 软土Gkntznt 7 57 1 .8 1148 淤泥质粉质粘土ynzfzn0 软土GKynzfzn 7 63 1 .8 1 149 粘土ntu0 粘土GKnxt 7 46 1 .8 1150 粉质粘土fznt0 粘土GKfznt 7 44 1 .8 1151 重粉质粘土 zfznt0 粘土GKzfznt 7 42 1 .8 1152 粘质土nzt0 粘土GKnxt 7 56 1 .8 1153 粘质粉土nzft0 粉土GKnzft 7 34 1 .8 1154 黄土状粘土 htznt0 湿陷性黄土 GKhtznt 7 52 1 .8 1155 黄土状粉质粘土htzfznt0 湿陷性黄土 GKhtzfzn 7 54 1 .8 1156 湿陷性粘土 sxxnt0 湿陷性黄土 GKhtznt 7 40 1 .8 1157 湿陷性粉质粘土sxxfznt0 湿陷性黄土 GKhtzfzn 7 42 1 .8 1158 砾质粘性土 lznxt0 残积土GKlznxt 7 44 1 .8 1159 砂质粘性土 sznxt0 残积土GKsznxt 7 42 1 .8 1160 粘性土nxt0 残积土GKnxt 7 46 1 .8 1161 红粘土hnt0 红粘土GKhnt 0 244 R 1 .8 1162 次生红粘土 cshnt0 红粘土GKnxt 7 242 R 1 .8 1163 可塑红粘土 GKkshnt0 粘土GKkshnt 0 242 1 .8 1 164 软塑红粘土 GKrshnt0 粘土GKrshnt 0 240 1 .8 1 165 硬塑红粘土 Gkyshnt0 粘土Gkyshnt 0 246 1 .8 1166 全风化花岗岩hgy 硬质岩石GKhgy 7 246 1 .8 1167 砂土状强风化花岗岩hgy 硬质岩石GKhgy 7 246 1 .8 1 168 碎块状强风化花岗岩hgy 硬质岩石GKhgy 7 246 1 .8 1 169 中-微风化花岗岩hgy 硬质岩石GKhgy 7 246 1 .8 1 170 残积粘性土 cjt 残积土GKnxt 7 215 1 .8 1171 残积砂质粘性土sznxt 残积土GKsznxt 7 42 1 .8 1 172 中风化花岗岩hgy 硬质岩石GKhgy 7 246 1 .8 1174 填筑土ztt 填土GKztt 7 249 1 .8 1175 坡积粘性土 pjt 粘土GKszft 0 0 1 .8 1176 填砂ts 砂土GKxs 7 64 ts 1 .8 1177 砂土状强风化石英片岩py 软质岩石GKpy 7 197 1 .8 1 178 碎块状强风化石英片岩 py 软质岩石GKpy 7 197 1 .8 1179 中风化石英片岩py 软质岩石GKpy 7 197 1 .8 1。
桩基地质报告表1. 背景介绍本报告旨在对项目桩基的地质情况进行详细描述和分析。
通过对地质勘探数据的整理和分析,旨在为项目的桩基施工提供参考,并帮助项目团队了解地质情况对工程造价和风险的影响。
2. 地质勘探数据为了获取准确的地质信息,本次项目进行了以下地质勘探方法:•岩石采样和测试:在勘探现场采集了多个岩石样本,并进行了相应的实验室测试,包括岩石抗压强度、岩石质量等指标的测试。
•地质钻探:通过地质钻探获得了地下不同深度的土层数据,并进行了土壤采样和测试。
•地质勘探报告:参考了之前的地质勘探报告,对新的勘探数据进行综合分析。
3. 地质情况描述3.1 岩石情况在岩石采样和测试中,我们获得了以下岩石情况数据:岩石类型岩石抗压强度(MPa)岩石质量花岗岩150 密度较高,质量坚实砂岩60 密度适中,质量较好粘土岩30 密度较低,质量较差3.2 土层情况经过地质钻探和土壤采样测试,我们获得了以下土层描述数据:1.第一层土壤:表层土壤,深度约为3米,主要为黏性土,含水量较高,稳定性较差。
2.第二层土壤:砂土层,深度约为5米,主要为砂质土壤,含水量较低,稳定性较好。
3.第三层土壤:粘土层,深度约为10米,主要为黏性土,含水量适中,稳定性较差。
3.3 地质勘探报告综合分析根据地质勘探报告和新的勘探数据综合分析,可以得出以下结论:1.该项目地质情况较为复杂,存在多个不同类型的土层。
2.岩石情况良好,可以为桩基提供良好的承载能力。
3.第一层和第三层土壤稳定性较差,对桩基施工和稳定性可能会产生一定的影响。
4.第二层砂土层稳定性较好,可以为桩基提供较好的支撑。
4. 桩基施工建议基于以上的地质情况描述和分析,我们提出了以下桩基施工建议:1.针对第一层和第三层土壤稳定性较差的情况,建议采取加固措施,如采用混凝土浇筑桩身、加大桩身直径等。
2.在选择桩基材料时,可以采用具有良好承载能力和抗压强度的材料,如钢筋混凝土等。
3.在桩基施工过程中,需要加强对土层的实时监测,及时采取相应的调整和措施,以确保施工质量和安全。
桥梁桩基相关资料与表格
工程报验申请表
钻〔挖〕孔桩桩位检查表
钻/挖孔桩造孔记录表
记录员: 工班长: 主管工程师:年月日
注:试验项目按以下情形填写:〔1〕孔外造浆;〔2〕孔内造浆;〔3〕工序检查;〔4〕清孔检查。
试验员:施工负责人:
〔钻孔桩和挖孔桩〕
钻孔检验批质量验收记录表
〔编号最后统一编写〕
工程报验申请表
工程检查证
钢筋笼制造焊接安装前检查证×××特大桥 5 号台〔墩〕第 5 号桩
〔钻孔桩和挖孔桩〕
钢筋〔原材料及加工〕检验批质量验收记录表〔I〕
〔钻孔桩和挖孔桩〕
钢筋〔连接及安装〕检验批质量验收记录表〔II〕
工程报验申请表
工程检查证编号:
钻孔桩灌注水下砼施工记录
施工单位:中铁电气化局集团编号:
记录:施工负责:技术负责:监理工程师:
注:附注栏中绘制桩位示意图,不同时刻砼的水灰比和塌落度,灌注中断的缘故〔如拆装导管,机械故障〕
高性能混凝土施工
拌合及浇筑过程控制记录
单位工程名称:南溪特大桥标段:综合标段
〔钻孔桩和挖孔桩〕
混凝土〔配合比〕检验批质量验收记录表〔Ⅱ〕。