喷射混凝土抗压强度汇总表
- 格式:xls
- 大小:21.00 KB
- 文档页数:1
喷射混凝土1、概况近年来国内外喷射混凝土技术以它简便的工艺,独特的效应,经济的造价,广阔的用途,在建筑工程领域内展示出旺盛的生命力。
1.1 喷射混凝土的特点喷射混凝土是借助喷射机械,利用压缩空气或其他动力,将按一定比例配合的拌合料,通过管道输送并以高速喷射到受喷面(岩石壁面、模板、旧建筑物)上凝结硬化而成的一种混凝土。
喷射混凝土不是依赖振动来捣实混凝土,而是在高速喷射时,由水泥及集料的反复连续撞击而使混凝土压密,同时又可采用较小的水灰比(常为0.4~0.45),因而它具有较高的力学强度和良好的耐久性。
特别是及混凝土、砖石、钢材有很高的粘结强度,可以在结合面上传递拉应力和剪应力。
喷射法施工还可在拌合料中加入速凝剂,使水泥在10分钟内终凝,使混凝土喷射后能立即获得强度。
喷射法施工可将混凝土的运输、浇注和捣固结合为一道工序,不要或只要单面模板。
可通过输料软管在高空、深坑或狭小的工作区间向任意方位施作薄壁的或复杂造型的结构,工序简单,机动灵活,具有广泛的适应性。
研究凝结时间可调、工作性良好、长期性能稳定的微膨胀抗渗防裂高性能喷射混凝土,解决隧道工程中混凝土材料的关键技术问题,已成为现代喷射混凝土发展的主要趋势。
1.2喷射混凝土技术的最新发展喷射混凝土是由喷射水泥砂浆发展起来的。
1914年在美国的矿山和土木建筑工程中首先使用喷射水泥砂浆。
1942年瑞士阿利瓦(Aliva)公司研制成转子式混凝土喷射机,1947年联邦德国公司研制成双罐式混凝土喷射机。
1948~1953年间兴建的奥地利卡普隆水力发电站的米尔隧洞最早使用喷射混凝上支护。
以后,瑞士、西德、法国、瑞典、美国、英国、加拿大、苏联、日本等国相继在土木建筑工程中采用了喷射混凝土技术。
我国冶金、水电部门于六十年代初期,即着手研究混凝土喷射机械及喷射棍凝土技术,1965年11月,冶金部建筑研究院及第三冶金建设公司合作,成功地在鞍钢弓长岭铁矿建成了一条用喷射混凝土支护的矿山运输巷道。
水利水电工程
表176-13 喷射混凝土试块抗压强度汇总计算评定表
表176-13 普通混凝土试块抗压强度汇总计算评定表
填表说明
本表是依据《水利水电工程施工质量检验与评定规程》(SL176-2007)附录D 喷射混凝土试块抗压强度检验评定标准制定的。
填表时必须遵守“填表基本规则”,并符合以下要求:
1.用本表进行喷射混凝土试块统计计算、评定混凝土质量,必须是分部工程里的同部位、同标号(设计抗压强度)的混凝土试块。
2.表头:分部工程名称:填写使用本批喷射混凝土的分部工程名称;分部工程量:填写本批试块所代表的喷射混凝土量;填写喷射混凝土设计等级(或标号)及试块组数;检验日期:填写本批喷射混凝土检验开始及终止日期;评定日期:填写监理单位监理工程师签字日期。
3.表身:
(1)每组试块强度值Ri (MPa),依据施工单位在过程的检验记录及机口及仓面取样成型的28d龄期混凝土试件试验成果及统计资料,若试块组数大于80组,可续表填入余下的试块强度值。
(2)质量标准: 见评定表,试块质量必须合格。
计算出的数值代入栏内的不等式能成立者为合格,喷射混凝土质量合格,否则喷射混凝土质量不合格。
4.表尾:
(1)评定结论:评定结论由监理单位填写“合格”或“优良”。
(2)施工单位由汇总计算人、技术负责人签名;实行了施工检测的工程,施工检测单位要对本表进行复核计算,试块强度值复核人签名;监理单位:监理工程师审核并签名,建设单位的现场代表确认并签名。
附录U 喷射混凝土抗压强度取样与评定U.1 喷射混凝土抗压强度取样规定U.1.1喷射混凝土抗压强度评定用试件。
指喷射在混凝土板件(450mm×350mm×120mm)上,在喷射砼板件上用钻芯机钻取标准尺寸为西1 00×100芯样,应在温度为2 0±2℃、相对湿度不低于9 5%、养护龄期为28d的标准养护条件测得的极限抗压强度为准。
试件3个为1组。
试件的制取和数量应符合下列规定:1不同强度等级及不同配合比的混凝土应在喷射地点或接收地点分别随机制取,每组试件应在同一盘或同一车中取样制作。
2边坡工程,每喷射50m3或~100m3混合料或小于50m3的独立工程,不得少于1组。
U.2 喷射混凝土抗压强度评定规定U.2.1喷射混凝土抗压强度评定用试件应按检验批进行评定,检验批应符合以下条件:1应以强度等级相同、龄期相同以及生产工艺条件和配合比基本相同的喷射混凝土组成同一检验批,同一检验批的喷射混凝土强度应以同批内全部强度测定值为代表值;2全部边坡工程喷射混凝土可作为一检验批。
U.2.2喷射混凝土抗压强度评定的合格标准1同一检验批试件数量不少于10组时,应按下列要求评定:Rn≥R (U.2.2-1)Rm-n≥0. 85R (U.2.2-2) 2同一检验批试件少于1 0组时,应按下列要求评定:Rn≥l. 05R (U. 2. 2-3)Rmin≥0. 9R (U.2.2-4) 式中:R——喷射混凝土抗压强度标准值( N/mm2);R n——同一检验批n组喷射混凝土抗压强度的平均值( N/mm2),精确至0.1(N/mm2);R min——同一检验批n组喷射混凝土抗压强度的最小值(N/mm2),精确至0.1(N/mm2)。
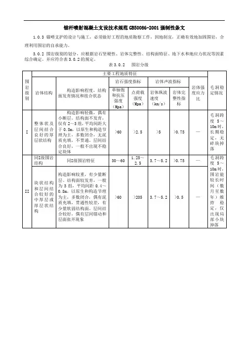
锚杆喷射混凝土支设技术规范GB50086-2001强制性条文1.0.3锚喷支护的设计与施工,必须做好工程的地质勘察工作,因地制宜,正确有效地加固围岩,合理利用围岩的自承能力。
3.0.2围岩级别的划分,应根据岩石坚硬性、岩体完整性、结构面特征、地下水和地应力状况等因素综合确定。
并应符合表3.0.2的规定。
表3.0.2 围岩分级护的类型与参数外.尚应进行监控量测,以最终确定支护类型和参数。
4.1.5对Ⅰ、Ⅱ、Ⅲ级围岩毛洞跨度大于15m的工程,除应按照本规范表4.1.2/1的规定,选择支护类型与参数外.尚应对围岩进行稳定性分析和验算;对Ⅲ级围岩,还应进行监控量测,以便最终确定支护类型和参数。
4.1.11对下列地质条件的锚喷支护设计,应通过试验后确定:1膨胀性岩体;2未胶结的松散岩体;3有严重湿陷性的黄土层;4大面积淋水地段;5能引起严重腐蚀的地段;6严寒地区的冻胀岩体。
4.3.1喷射混凝土的设计强度等级不应低于C15;对于竖井及重要隧洞和斜井工程,喷射混凝土的设计强度等级不应低于C20;喷射混凝土1d龄期的抗压强度不应低于5MPa。
钢纤维喷射混凝土的设计强度等级不应低于C20;其抗拉强度不应低于2MPa,抗弯强度不应低于6MPa。
不同强度等级喷射混凝土的设计强度应按表4.3.1采用。
表4.3.1喷射混凝土的强度设计值(MPa)5.3.5采用两次支护的地下工程,后期支护的施作,应在同时达到下列三项标准时进行:1隧洞周边水平收敛速度小于0.2mm/d;拱顶或底板垂直位移速度小于0.1mm/d;2隧洞周边水平收敛速度,以及拱顶或底板垂直位移速度明显下降;3隧洞位移相对值已达到总相对位移量的90%以上。
7.5.5锚杆张拉与锁定应遵守下列规定:4压力分散型或拉力分散型锚杆应按张拉设计要求先分别对单元锚杆进行张拉,当各单元锚杆在同等荷载条件下因自由段长度不等而引起的弹性伸长差得以补偿后,再同时张拉各单元锚杆。
7.6.2预应力锚杆的验收试验应遵守下列规定:1验收试验锚杆数量不少于锚杆总数的5%,且不得少于3根。
研究报告需要材料:1)邢东矿试验应用工作面概况、作业规程2)试验工作面湿喷现场图片、应用效果图片(粉尘情况、喷层效果图片)3)试验工作面强度、粉尘、回弹及喷射流量数据,详见附表。
4)混凝土预搅拌料抗压强度测定数据(不同含水率条件下强度数据、同一配比至少三组);5)混凝土预搅拌强度试验试件照片、养护条件照片、试验设备照片及性能说明。
6)每lm3C20混凝土材料消耗情况表5.4邢东矿湿喷作业面现场回弹率测试表混凝土喷射方法回弹率(%)直墙部位顶拱部位平均回弹率湿喷混凝土 6.8 9.8 8.2干喷混凝土24 30 27表5.5 粉尘浓度测定测点布置表测点编号测尘地点测点位置1 喷浆手附近下风侧1m,距底板1.5m2 喷射作业区巷道中部,距底板1.5m,喷枪手与喷机中间位置3搅拌上料区下风侧1m,距底板1.5m4 下风侧3~5m,距底板1.5m5 多工序混合区巷道中部,距底板1.5m,下风侧15~30m图5.5 测点布置图表5.6 邢东矿粉尘浓度测定结果统计表湿喷工艺呼尘浓度/(mg/m 3) 2 全尘浓度/(mg/m 3) 呼尘浓度/(mg/m 3) 3 全尘浓度/(mg/m 3) 呼尘浓度/(mg/m 3) 干喷工艺1 全尘浓度/(mg/m 3) 呼尘浓度/(mg/m 3)2 全尘浓度/(mg/m 3) 呼尘浓度/(mg/m 3) 3全尘浓度/(mg/m 3)呼尘浓度/(mg/m 3)混凝土喷射方法 编号 28d 抗压强度/MPa 平均强度/MPa邢东矿 湿喷混凝土 (速凝剂) 12 湿喷混凝土 (无速凝剂) 1 2 干喷混凝土12每lm 3干喷C20混凝土材料消耗表序号 工序工作 单位 使用量 备注 1 水泥 Kg 2 碎石 M3 3 砂 M3 4 水 Kg 5 电 度 6 固体速凝剂 Kg 7 其他材料元 合计每lm3湿喷C20混凝土材料消耗表序号工序工作单位使用量备注1 水泥Kg2 碎石M33 砂M34 水Kg5 电度6 液体速凝剂Kg7 其他材料元合计。
川中道路发展项目 Loan No. 2181-PRC四川省雅安经石棉至泸沽段高速公路工程项目混凝土抗压强度汇总表承包单位:合同号:监理单位:编号:质检负责人意见: 计算: 复核: 监理工程师:赠送:一份《国际商业合同》国际商业合同买 方:___________________________________地 址: 邮编:____________ 电话:____________ 法定代表人:____________ 职务:____________ 国籍:____________ 卖 方:____________________________________地 址: 邮编:____________ 电话:____________ 法定代表人:____________ 职务:____________ 国籍:____________买卖双方在平等、互利的原则上,经协商达成本协议条款,以共同遵守,全面履行: 第一条 品名、规格、价格、数量: 单位:____________________________ 数量:____________________________ 单价:____________________________ 总价:____________________________ 总金额:____________________________ 第二条 原产国别和生产厂: 第三条 包装:1.须用坚固的木箱或纸箱包装。
以宜于长途海运/邮寄/空运及适应气候的变化。
并具备良好的防潮抗震能力。
2.由于包装不良而引起的货物损伤或由于防护措施不善而引起货物锈蚀,卖方应赔偿由此而造成的全部损失费用。
3.包装箱内应附有完整的维修保养、操作使用说明书。
第四条 装运标记:卖方应在每个货箱上用不褪色油漆标明箱号、毛重、净重、长、宽 、高并书以“防潮”、“小心轻放”、“此面向上”等字样和装运:________________.第五条 装运日期:____________________ 第六条 装运港口:____________________第七条卸货港口:____________________第八条保险:____________________装运后由买方投保。
第二节试验汇总表目录、说明及表样试验汇总表目录一、原材料部分1、JH01岩石单轴抗压强度汇总表 (932)2、JH02a粗集料(用于混凝土)试验汇总表 (934)3、JH02b粗集料(用于沥青路面)试验汇总表 (934)4、JH02c集料(用于路面基层)试验汇总表 (935)5、JH03a细集料(用于砂浆及混凝土)试验汇总表 (936)6、JH03b细集料(用于沥青路面)试验汇总表 (937)7、JH04水泥试验结果汇总表 (938)8、JH05钢材试验结果汇总表 (939)9、JH06钢绞线试验结果汇总表 (940)10、JH07道路石油沥青试验结果汇总表 (941)11、JH08聚合物改性沥青试验结果汇总表 (942)12、JH09乳化沥青试验结果汇总表 (943)13、JH10液体石油沥青试验结果汇总表 (944)14、JH11改性乳化沥青试验结果汇总表 (945)15、JH12沥青混合料用矿粉试验结果汇总表 (946)16、JH13a砼外加剂试验结果汇总表 (947)17、JH13b喷射混凝土用速凝剂试验结果汇总表 (948)18、JH13c砼外加剂匀质性指标汇总表 (949)二、公路产品部分1、JH14土工格栅试验结果汇总表 (950)2、JH15土工布试验结果汇总表 (951)3、JH16钢产品试验结果汇总表 (952)4、JH17锚具、夹具和连接器试验结果汇总表 (953)5、JH18金属波纹管试验结果汇总表 (954)6、JH19塑料波纹管试验结果汇总表 (955)7、JH20板式橡胶支座试验结果汇总表 (956)8、JH21盆式橡胶支座试验结果汇总表 (957)9、JH22橡胶止水带试验结果汇总表 (958)10、JH23橡胶止水条试验结果汇总表 (959)11、JH24防水卷材试验结果汇总表 (960)三、配合比及标准试验部分1、JH25土工击实标准试验汇总表 (961)2、JH26水泥砂浆配合比试验汇总表 (962)3、JH27水泥混凝土配合比试验汇总表 (963)4、JH28水泥浆配合比试验汇总表 (964)5、JH29水泥混凝土路面配合比试验汇总表 (965)6、JH30路面结构层(底基层、基层)配合比试验汇总表 (966)7、JH31路面结构层(沥青面层)配合比试验汇总表 (967)8、JH32稀浆混合料配合比试验汇总表 (968)四、工程实体检测部分1、JH33水泥砂浆抗压强度汇总表 (969)2、JH34水泥混凝土抗压强度汇总表 (970)3、JH35水泥混凝土弯拉强度汇总表 (971)4、JH36水泥浆强度及性能指标汇总表 (972)5、JH37喷射混凝土抗压强度汇总表 (973)6、JH38半刚性基层和底基层材料强度汇总表 (974)7、JH39路基(台背)压实度汇总表 (975)8、JH40路面结构层压实度汇总表 (976)9、JH41路面结构层厚度汇总表 (977)10、JH42路基(路面)弯沉值汇总表 (978)11、JH43沥青路面抽提及筛分结果汇总表 (979)12、JH44沥青混合料马歇尔指标汇总表 (980)13、JH45混合料筛分结果汇总表 (981)14、JH46混合料水泥(石灰)剂量汇总表 (982)15、JH47沥青路面渗水系数汇总表 (983)16、JH48路面构造深度汇总表 (984)17、JH49路面摩擦系数摆值汇总表 (985)18、JH50钢筋连接接头试验汇总表 (986)19、JH51锚杆拉拔力汇总表 (987)20、JH52地基承载力汇总表 (988)21、JH53千斤顶标定试验汇总表 (989)五、试验汇总表监理样表1、JH01岩石单轴抗压强度汇总表(监理) (990)六、试验汇总表第三方样表1、JH01岩石单轴抗压强度汇总表(第三方) (991)试验汇总表说明一、填写基本规定1、“建设项目”名称应填写经过批准的项目正式名称,由建设单位统一规定。
喷射混凝土评定标准
1.喷层表面平整、不开裂,无明显裂缝、无离层、无蜂窝麻面、无表面掉皮、无麻点等。
2.喷射混凝土密实度要达到95%以上,表面粗糙度为
0.5~1mm,无明显龟裂及蜂窝麻面等。
3.喷层表面光滑平整,无蜂窝麻面深度小于1mm。
4.喷射混凝土与围岩结合良好,喷射混凝土表面与围岩应紧密结合,无明显裂缝及脱落等。
5.喷层厚度均匀,无明显分层现象。
6.喷层表面应无脱落现象,喷层表面平整,不得有掉皮和裂缝等现象。
7.混凝土强度符合设计要求。
8.混凝土的抗压强度大于10MPa。
9.在受力条件下喷射混凝土的破坏形式为:塑性变形—拉裂—压溃。
其中塑性变形为主要破坏形式,而压溃只是次要破坏形式。
塑性变形是指喷射混凝土在外力作用下发生塑性流动或变形而造成破坏的现象。
—— 1 —1 —
10.当喷层厚度在6~10m时,混凝土抗压强度应达到10MPa;当喷层厚度在10~20m时,混凝土抗压强度应达到15MPa以上。
附录F煤矿井巷支护工程锚杆喷射混凝土抗压强度的检查数量和检验方法之杨若古兰创作锚杆抗拔力试验取样数量:巷道每30~50m,锚杆在300根以下,取样很多于1组;300根以上,每添加1~300根,响应多取样1组.设计或材料变动,应另取样1组.每组不得少于3根.喷射混凝土试块(芯样)数量应符合表F.2的规定.表F.2喷射混凝土试块(芯样)数量喷射混凝土试件的建造方法:钻取法用钻取机在已喷好的经28天养护的实际结构物上,直接钻取直径50mm,长度大于50mm的芯样,用切割机加工成两端面平行的圆柱体试块进行试验.喷大板试验法尺度试块应按以下方法进行建造:一、尺度试块应采取从现场施工的喷射混凝土板件上切割成请求尺寸的方法建造,模具尺寸为450mm×350mm×120mm (长×宽×高)其尺寸较小的一边为关闭状.二、尺度试块建造应符合以下步调:(一)喷射功课面附近,将模具关闭一侧,以80°(与水平面的夹角)摆布置于墙脚.(二)先在模具外的边墙上喷射,待喷射操纵正常后,将喷头移至模具地位,由下而上,逐层向模具内喷满混凝土.(三)将喷满混凝土的模具移至平安地方,用三角抹刀刮平混凝土概况.(四)在巷道内湿润环境中养护1天后脱模.将混凝土大板移至试验室,在尺度条件下养护7天,用切割机去掉周边和上概况(底面不成切割)后,加工成边长100mm 的立方体试块.立方体试块的答应偏差,边长±1mm ;直角≤2°.三、加工后的边长为100mm 的立方体试块继续在尺度条件下养护28天,进行抗压强度试验.点荷载或拔出试验法应符合《锚喷支护工程质量检测规程》MT/T5015-96第2章的规定.F.4 喷射混凝土抗压强度的验收应符合以下规定:1、同批喷射混凝土抗压强度应以同批内尺度试块的抗压强度代表值来评定.2、同组试块应在同块板件上切割制取,对有明显缺陷的试块应予舍弃.f’ck -K 1S n ≥c f ’ckmin ≥K 2f c普通工程的合格条件:f’ck ≥f c f ’ckmin ≥c式中f’ck —施工阶段同批n 组喷射混凝土试块抗压强度的平均值(Mpa);f c —喷射混凝土立方体抗压强度设计值(Mpa);f ’ckmin —施工阶段同批n 组喷射混凝土试块抗压强度的最小值(Mpa);K 1 、K 2—合格判断系数,按表G.4取值;n —施工阶段每批喷射混凝土试块的取样组数;S n —施工阶段同批发n 组喷射混凝土试块抗压强度的尺度差(Mpa),可按以下公式计算:式中f’—施工阶段同批第i 组喷射混凝土试块抗压强度的尺度差(Mpa );当同批试块的组数n <10时,可按f’ck ≥1.15 f c 和f ’ckmin ≥0.95 f c 验收.喷射混凝土强度不符合请求时,应查明缘由,采纳补强措施.注:同批试块是指原材料和配合比基底细同的喷射混凝土试块.。
试验用表1、材料、构配件进场检验记录2、水泥出厂质量证明和取样试验报告单汇总表3、钢材出厂质量证明和取样试验报告单汇总表4、材料合格证明和进场复验报告汇总表5、钢结构构件合格证明及进场检查记录汇总表6、商品混凝土出厂合格证汇总表7、钢筋连接(焊接)取样试验报告单汇总表8、水泥混凝土抗压强度试验报告单汇总表9、砂浆抗压强度汇总及统计验收评定表10、普通混凝土抗渗性能试验报告单汇总表11、回填土压实度检验汇总表12、水泥混凝土抗压强度汇总评定表13、喷射混凝土抗压强度汇总评定表14、建筑构配件出厂质量证明汇总表15、预拌混凝土出厂质量证明汇总表SY1青岛市地铁1号线工程材料、构配件进场检验记录工程名称:编号:单位名称施工合同编号检验日期施工单位序号名称规格型号进场数量生产厂家检验项目检验结果外观及包装合格证号备注:施工单位自检意见:试验工程师:质检工程师:年月日监理审查意见:监理工程师:年月日青岛市地铁1号线工程水泥出厂质量证明和取样试验报告单汇总表工程名称:编号:单位(子单位)工程名称施工合同编号分部(子分部)名称施工单位序号证单编号厂名、品种、标号出厂日期批量进场日期复试日期试验单位试验单编号结论使用部位见证人施工单位自检意见:质检工程师:技术负责人:年月日监理审查意见:监理工程师:年月日青岛市地铁1号线工程钢材出厂质量证明和取样试验报告单汇总表工程名称:编号:单位(子单位)工程名称施工合同编号分部(子分部)名称施工单位序号证单编号生产单位品种规格批号进场数量(t)进场日期试验单位试验单编号报告日期屈服强度(Mpa)抗拉强度(Mpa)结论使用部位见证人施工单位自检意见:质检工程师:技术负责人:年月日监理审查意见:监理工程师:年月日青岛市地铁1号线工程材料合格证明和进场复验报告汇总表工程名称:编号:单位(子单位)工程名称施工合同编号分部(子分部)名称施工单位序号材料名称产地、厂家合格证明编号检测报告编号型号规格进场数量/单位检验日期检测单位结论使用部位施工单位自检意见:质检工程师:技术负责人:年月日监理审查意见:监理工程师:年月日青岛市地铁1号线工程钢结构构件合格证明及进场检查记录汇总表工程名称:编号:单位(子单位)工程名称施工合同编号分部(子分部)名称施工单位序号构件名称及规格数量生产厂家合格证明编号进场检查日期钢结构安装单位检查结果监理单位检查结论主要使用部位及说明施工单位自检意见:质检工程师:技术负责人:年月日监理审查意见:监理工程师:年月日SY6青岛市地铁1号线工程商品混凝土出厂合格证汇总表工程名称:编号:单位(子单位)工程名称施工合同编号分部(子分部)名称施工单位供应商合同编号序号供应日期设计强度等级及抗渗等级供应数量浇灌部位出厂质量证明编号施工单位自检意见:质检工程师:技术负责人:年月日监理审查意见:监理工程师:年月日SY7青岛市地铁1号线工程钢筋连接(焊接)取样试验报告单汇总表工程名称:编号:单位(子单位)工程名称施工合同编号分部(子分部)名称施工单位序号试验报告单编号品种规格连接形式检验批接头数量(个)试验单位送样日期报告日期断点位置结论使用部位见证人施工单位自检意见:质检工程师:技术负责人:年月日监理审查意见:监理工程师:年月日水泥混凝土抗压强度试验报告单汇总表工程名称:编号:单位(子单位)工程名称施工合同编号分部(子分部)名称施工单位试验单编号取样日期龄期(d)设计强度(c)配合比水泥:砂:石子:水:外加剂:掺合剂强度(Mpa)使用部位单块值代表值施工单位自检意见:质检工程师:技术负责人:年月日监理审查意见:监理工程师:年月日砂浆抗压强度汇总及统计验收评定表工程名称:编号:单位(子单位)工程名称施工合同编号分部(子分部)名称施工单位原材料水泥细骨料水外加剂外加剂设计强度Mpa 龄期 d 稠度s 气温℃序号部位报告号R28序号部位报告号R28经计算得:n= 组,设计值Rn= Mpa,平均值Rn= Mpa,最小值Rmin= Mpa。
附录F 煤矿井巷支护工程锚杆喷射混凝土抗压强度的检查数量和检验方法F.1锚杆抗拔力试验取样数量:巷道每30~50m,锚杆在300根以下,取样不少于1组;300根以上,每增加1~300根,相应多取样1组。
设计或材料变更,应另取样1组。
每组不得少于3根。
F.2喷射混凝土试块(芯样)数量应符合表F.2的规定。
表F.2喷射混凝土试块(芯样)数量F.3喷射混凝土试件的制作方法:F.3.1钻取法用钻取机在已喷好的经28天养护的实际结构物上,直接钻取直径50mm,长度大于50mm的芯样,用切割机加工成两端面平行的圆柱体试块进行试验。
F.3.2喷大板试验法标准试块应按以下方法进行制作:一、标准试块应采用从现场施工的喷射混凝土板件上切割成要求尺寸的方法制作,模具尺寸为450mm×350mm×120mm(长×宽×高)其尺寸较小的一边为敞开状。
二、标准试块制作应符合以下步骤:(一)喷射作业面附近,将模具敞开一侧,以80°(与水平面的夹角)左右置于墙脚。
(二)先在模具外的边墙上喷射,待喷射操作正常后,将喷头移至模具位置,由下而上,逐层向模具内喷满混凝土。
(三)将喷满混凝土的模具移至安全地方,用三角抹刀刮平混凝土表面。
(四)在巷道内潮湿环境中养护1天后脱模。
将混凝土大板移至试验室,在标准条件下养护7天,用切割机去掉周边和上表面(底面不可切割)后,加工成边长100mm的立方体试块。
立方体试块的允许偏差,边长±1mm;直角≤2°。
三、加工后的边长为100mm的立方体试块继续在标准条件下养护28天,进行抗压强度试验。
F.3.3点荷载或拔出试验法应符合《锚喷支护工程质量检测规程》MT/T5015-96第2章的规定。
F.4 喷射混凝土抗压强度的验收应符合下列规定:1、同批喷射混凝土抗压强度应以同批内标准试块的抗压强度代表值来评定。
2、同组试块应在同块板件上切割制取,对有明显缺陷的试块应予舍弃。
我国目前喷射混凝土强度等级一、我国目前喷射混凝土强度等级的现状在我国建筑行业中,喷射混凝土作为一种新型的施工材料,近年来得到了广泛的应用。
喷射混凝土具有施工方便、成本低廉、强度高等优点,被广泛应用于隧道工程、地下工程、水利工程等领域。
我国目前对喷射混凝土的强度等级分为三个等级,分别是C20、C25和C30。
C20级别的喷射混凝土强度较低,适用于一些较为简单的工程;C25级别的喷射混凝土强度中等,适用于一般的工程;C30级别的喷射混凝土强度较高,适用于一些对混凝土强度要求较高的工程。
二、喷射混凝土的实际应用在地铁隧道工程中,喷射混凝土广泛应用于衬砌的施工。
由于地铁隧道工程对喷射混凝土的强度要求较高,因此一般采用C30级别的喷射混凝土。
这样可以保证隧道的强度和稳定性,为地铁的安全运营提供了保障。
在水利工程中,喷射混凝土也被广泛应用。
例如在大坝的修建过程中,为了确保大坝的稳固性,一般采用C25级别以上的喷射混凝土。
这样可以有效地提高大坝的抗压能力和稳定性,保证水利工程的安全运行。
三、喷射混凝土的未来发展随着我国城市化建设的不断推进,对于喷射混凝土的需求也将进一步增加。
未来,喷射混凝土的强度等级可能会进一步细化和提高,以满足不同工程的需求。
随着科技的进步,喷射混凝土的配方和施工工艺也将不断改进和完善,以提高喷射混凝土的质量和施工效率。
四、个人观点和总结作为喷射混凝土的应用者和研究者,我认为我国目前对喷射混凝土强度等级的划分已经初具规模,但仍有待进一步完善。
未来,需要进一步细化各级强度等级,以满足不同工程对喷射混凝土强度的需求。
科研机构和企业也需要不断加大对喷射混凝土材料和工艺的研发力度,提高喷射混凝土的质量和施工效率。
希望在不久的将来,我国的喷射混凝土技术能够达到世界领先水平,为我国的建设事业贡献更大的力量。
在这篇文章中,我们深入探讨了我国目前喷射混凝土强度等级的现状,以及喷射混凝土在地铁隧道工程和水利工程中的实际应用。
试验评定表目录路基分层压实度试验报告单 (2)路面分层压实度试验报告单 (3)台背回填分层压实度试验报告单 (4)路基压实度评定报告单 (5)路面底基层压实度评定报告单 (6)路面基层压实度评定报告单 (7)路面面层压实度评定报告单 (8)无机结合料稳定抗压强度评定报告单 (9)路基弯沉值评定报告 (10)路面弯沉值评定报告 (11)路面结构层厚度评定报告单(1) (12)路面结构层厚度评定报告单(2) (13)水泥混凝土抗弯拉强度评定报告单 (14)水泥混凝土抗压强度评定报告单 (15)砂浆抗压强度评定报告单 (16)水泥混凝土抗压强度试验报告单 (17)砌筑砂浆抗压强度试验报告单 (18)喷射混凝土抗压强度评定报告单 (19)路基分层压实度试验报告单工程名称:施工单位:分段起止桩号:监理单位:表ZBD-01 第页共页K. 层次分层各测点压实度值填料种类n K0¯R K Sta/√ ̄nK区备注1、K=ˉK-taS/√n≥K02、监理工程师抽检点数:点;中心试验室抽检点数:点。
(后附各点测试原始资料、包括监理、中心试验室抽检资料自检数据录入完后录入监抽和中抽,只对自检作评定,本表适用于路基及路基底原地面换填)试验负责人:填表:复核:监理工程师:日期:路面分层压实度试验报告单工程名称:施工单位:分段起止桩号:监理单位:表ZBD-02 第页共页K. 层次分层各测点压实度值铺料种类n K0¯R K Sta/√ ̄nK区备注1、K=ˉK-taS/√n≥K02、监理工程师抽检点数:点;中心试验室抽检点数:点。
(后附各点测试原始资料、包括监理、中心试验室抽检资料自检数据录入完后录入监抽和中抽,只对自检作评定,本表适用于路基及路基底原地面换填)试验负责人:填表:复核:监理工程师:日期:台背回填分层压实度试验报告单工程名称:施工单位:部位及桩号:监理单位:表ZBD-03 第页共页K. 层次分层各测点压实度值填料种类n K0¯R K Sta/√ ̄nK区备注1、K=ˉK-taS/√n≥K02、监理工程师抽检点数:点;中心试验室抽检点数:点。
C30W8喷射混凝土配合比施工试拌报告C30W8喷射混凝土配合比施工试拌报告辽西北供水工程四标四段探洞工程C30W8喷射混凝土配合比施工试拌报告,为了使C30W8喷射混凝土配合比更满足现场实际施工需要,项目部工地试验室根据现场实际施工情况,对在辽宁省水利水电工程质量检测中心委托试验的C30W8喷射混凝土试验室配合比进行了试拌。
现将试验结果汇总如下:1.配合比技术要求根据设计图纸及要求,C30喷射混凝土设计坍落度110-150mm,抗渗等级W8,骨料最大粒径10mm,最大水胶比0.50。
2.主要试验依据《水泥标准稠度用水量、凝结时间、安定性检验方法》(GB/T1346-2011);《水泥胶砂强度检验方法(ISO)》(GB/T17671—1999);《通用硅酸盐水泥》《水工混凝土施工规范》《水工混凝土试验规程》《水利水电工程锚喷支护技术规范》《水工混凝土外加剂技术规程》3.现场原材料检验结果3.1水泥水泥为渤海水泥葫芦岛有限公司生产的渤海P·O42.5水泥,根据《通用硅酸盐水泥》 GB175—2007等对水泥进行检验,检验结果见表1。
表1 渤海P·O42.5水泥物理力学指标检测结果表1检测结果表明,渤海牌P·O42.5水泥的各项检测指标均能满足GB175-2007中普通硅酸盐水泥的相关要求。
因水泥品牌规格无变化,故在C30W8喷射混凝土总碱含量和氯离子含量计算时碱含量仍取用水泥检测报告(11SN120)碱含量0.54%,水泥检测报告(11SN156)氯离子含量0.02%。
3.2细骨料细骨料为义县大凌河生产的天然砂。
细骨料检测结果见表2。
表2 细骨料检测结果3.3粗骨料粗骨料为义县三台村石料厂生产的碎石(5-10mm)。
粗骨料的检测结果见表3。
表3 粗骨料检测结果3.4骨料碱活性检测粗、细骨料碱活性检测结果见表4。
表4 粗、细骨料碱活性检测结果表2、表3的检测结果表明,粗、细骨料所检指标满足SDJ 207-82规范中的相关要求,表4的检测结果表明所用粗、细骨料为非活性骨料。
DBXX/ XXXXX—XXXX
C
附录 C
(规范性附录)
喷射混凝土抗压强度评定
C.1 喷射混凝土抗压强度应在喷射混凝土板件上,采用切割或钻芯取样方法,切割制取100mm×100mm×100mm的立方体试件或φ100mm×100mm的圆柱体试件,在标准条件下养护至28d,用标准试验方法测得的极限抗压强度,乘以0.95的系数(精确至MPa)。
C.2 从现场喷筑的混凝土板上切割或钻取的混凝土试块,应无明显裂缝和缺损,并符合标准试件制作所需的高度、平整度和垂直度要求,否则,应予以舍去,并重新取样。
C.3 应根据喷射混凝土的特点,取同材料、同配合比、同喷射工艺的混凝土作为一个验收批,并要求每个工作台班内,每不大于50m3作为一个验收批,制取一组混凝土强度试块,每组不少于3个试块。
材料、配合比、喷射工艺发生变化时应另制取新试件。
C.4 喷射混凝土强度的合格标准应符合下列规定:
a)当同批试件组数n≥10时,试件抗压强度平均值不低于设计值,任一组试件抗压强度不低于0.9倍的设计值。
b)当同批试件组数n<10时,试件抗压强度平均值不低于1.15倍的设计值,任一组试件抗压强度不低于0.95倍的设计值
c)当对喷射混凝土试块强度的代表性有怀疑时,可采用在已喷射混凝土的构件上钻芯取样的方法,对喷射混凝土强度进行推定。
C.5 实测项目中喷射混凝土抗压强度评定为不合格时,相应的分项工程应为不合格。
_________________________________
50。