--HPT200-330M-6S汽动锅炉给水泵维修说明书
- 格式:doc
- 大小:267.00 KB
- 文档页数:37
蒸汽锅炉、供水、采暖、维修作业指导书Q/SZJ08.1451目的根据职业健康安全、环境、质量体系的要求制定本作业指导书,是对蒸汽锅炉运行操作、锅炉辅机设备运行操作、锅炉离子交换器运行操作、深水泵和温水泵的运行操作、供水、采暖、维修等作业的正确指导。
1适用范围:本作业指导书适用于蒸汽锅炉及辅助系统的各个工种和供水、采暖、维修作业的各个工种。
2总则3.1特稍WA员SWf乍,应彳跆QC/SZ2004〜87《特稍WA员管;©» 的各Ofe3.2 -般工种作业人员须经三级教育,由有关处、分厂(车间)考核、登记,认为合格后可分配到岗位上工作。
3.3两个人以上操作同一台设备,要有主有从,由主操作人指挥,互相配合好。
不得二人同时指挥,以防有误。
3・4非电气工作人员不得修理、调试一切电气设备、电气装置和照明设施。
3.5必须按规定穿戴好个人防护用品,机床操作工人不得戴手套操作,工作服不得有飘荡部分,衣扣扣好,紧袖口。
要戴工作帽,女工要把长法挽在帽内,否则不允许作业。
3.6不准穿凉鞋、拖鞋高跟鞋或光着脚进入工作岗位。
3.7需穿劳保专用鞋作业者,必须穿好作业,否则不允许作业。
3.8要检查设备上的防护、保险、信号装置是否完整可靠。
3.9检查润滑系统油标是否正常,用手工加油部位按规定加油。
3.10设备开动前要观察周围环境和动态;开动吋,要站在安全位置是否有影响设备开动的障碍。
3.11设备开动后,不准接触运动着的工件、刀具和传动部分,禁止隔着机器运动部件传递或拿取工具等物品。
3.12特种作业人员必须持证上岗,并定期进行健康体检。
3.13对生产和维修过程中产生的废弃物按固定程序进行控制。
女口:灰渣出售环保局指定厂家。
废油、废油抹布回收按固定程序进行处理。
3.12写当班记录薄、交班。
3操作规程4 4.1蒸汽锅炉操作规程4.1.1本作业指导书均由蒸汽锅炉司炉工操作。
4.1.2锅炉使用前必备条件及检查。
4.1. 2.1必须有劳动部门签发的《锅炉使用登记证》和定期检验合格证。
锅炉给水泵汽轮机油系统故障和处理范本1. 异常噪声当锅炉给水泵汽轮机油系统出现异常噪声时,可能是由于以下原因引起的故障:- 润滑油不足:检查润滑油油位,如低于正常油位,应及时添加润滑油,并检查泵体是否有漏油现象。
- 轴承损坏:检查轴承是否磨损、疲劳或生锈,需要及时更换。
- 泵叶轮松动:检查泵叶轮固定螺栓是否松动,如松动,应使用扳手紧固螺栓。
- 泵体磨损:检查泵体是否有磨损现象,如有磨损,需要进行修复或更换。
2. 泵不能启动当锅炉给水泵汽轮机油系统无法启动时,可能是由以下原因引起的故障:- 电源故障:检查电源线是否接触良好,电源是否正常供电。
如电源有问题,需要及时处理。
- 电机损坏:检查电机是否损坏,可以通过测量电机绕组的绝缘电阻来判断是否有损坏。
如电机损坏,需要更换电机。
- 过载保护器跳闸:检查过载保护器是否跳闸,如跳闸,需要复位或更换过载保护器。
- 控制回路故障:检查控制回路是否正常,如有故障,需要修复或更换控制回路元件。
3. 泵漏油当锅炉给水泵汽轮机油系统出现漏油现象时,可能是由以下原因引起的故障:- 泵体密封件损坏:检查泵体密封件是否老化、磨损或损坏,需要及时更换密封件。
- 泵体螺栓松动:检查泵体螺栓是否松动,如松动,应使用扳手紧固螺栓。
- 泵体磨损:检查泵体是否有磨损现象,如有磨损,需要进行修复或更换。
4. 泵温升高当锅炉给水泵汽轮机油系统出现泵温升高现象时,可能是由以下原因引起的故障:- 润滑油不足:检查润滑油油位,如低于正常油位,应及时添加润滑油,并检查泵体是否有漏油现象。
- 泵体过载:检查泵的额定功率和工作负荷是否匹配,如不匹配,需要更换合适的泵。
- 泵体内部堵塞:检查泵体内部是否有异物堵塞,如有堵塞,需要清除堵塞物。
5. 泵振动当锅炉给水泵汽轮机油系统泵出现振动现象时,可能是由以下原因引起的故障:- 泵体松动:检查泵体是否松动,如松动,应使用扳手紧固泵体。
- 泵轴不平衡:检查泵轴是否平衡,如不平衡,需要进行平衡处理或更换泵轴。
浅谈汽动给水泵推力轴承烧损的原因及处理摘要:针对超临界机组汽动给水泵发生的推力轴承烧损的问题,从汽动给水泵的联轴器配合、推力轴承润滑、平衡鼓间隙、润滑油油质、推力轴承间隙等几个因素进行了分析,认为推力轴承烧损的主要原因是平衡鼓间隙小,并利用机组检修的机会对其进行了针对性处理,这对同类型给水泵汽轮机组推力轴承安全运行具有相同的参考价值。
关键词:汽动;给水泵;推力轴承;损坏;分析;处理;中图分类号:u464.138+.1文献标识码:a 文章编号:1 概述汽动给水泵是机组的重要辅助设备之一,其经济性和可靠性直接影响机组的性能,及时排除汽动给水泵故障对保证机组的稳定运行是非常重要的。
对超临界机组汽动给水泵推力轴承烧损的问题,从汽动给水泵的联轴器配合、推力轴承润滑、平衡鼓间隙、润滑油油质、推力轴承间隙等几个角度进行了分析,得出推力轴承烧损的主要原因是平衡鼓间隙小,并利用机组检修的机会对其进行了针对性处理,收到了很好的效果,改进后经1年考验,汽动给水泵稳定运行,未再发生推力轴承烧损事件。
某发电公司2台机组为上海电气(集团)总公司采用引进技术制造的超临界机组。
机组配备2台汽动给水泵组,1台电动给水泵组,驱动汽动给水泵的小汽机型号为nd(g)84/79/07,单缸、单流、冲动式、纯凝汽、具有高排蒸汽内切换式小汽机运行方式为变参数、变功率、变转速方式,额定功率9040kw,额定转速5582r/min,额定进汽压力0.89mpa,排汽压力6.28kpa。
汽动给水泵为hpt300-340-6s型,水平、多级、筒式壳体、并具有整抽式芯包设计的离心泵。
芯包组件内含有旋转部件、导叶、内泵壳、轴承和所有磨损部件,该设计可使部件的更换既快速又方便,大大地缩短了维护所需的停机时间。
2 汽动给水泵推力轴承烧损的过程分析2台机组汽动给水泵推力轴承故障现象事例,分析其规律,找出原因。
(1)某日,8号机组b汽动给水泵推力轴承非工作面推力瓦温度在30s内温度由80e上升至满量程,工作面推力瓦温度,由47.12e上升至满量程,轴承回油温度升高,4号轴瓦y向轴振动剧烈使保护动作跳闸。
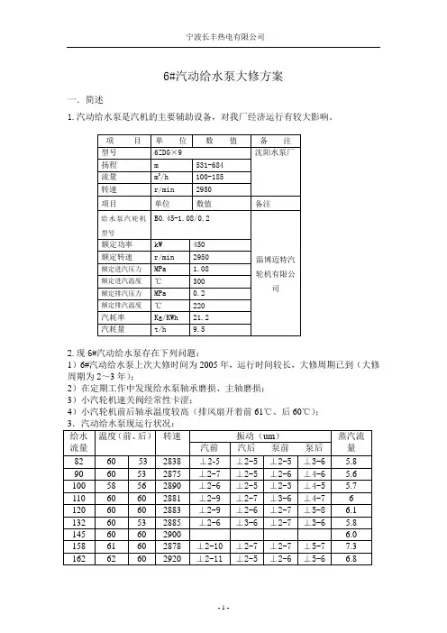
6#汽动给水泵大修方案一.简述1.汽动给水泵是汽机的主要辅助设备,对我厂经济运行有较大影响。
2.现6#汽动给水泵存在下列问题:1)6#汽动给水泵上次大修时间为2005年,运行时间较长,大修周期已到(大修周期为2~3年);2)在定期工作中发现给水泵轴承磨损、主轴磨损;3)小汽轮机速关阀经常性卡涩;4)小汽轮机前后轴承温度较高(排风扇开着前61℃、后60℃);二.大修组织1.大修时间:待定(联系大修厂家)2.大修技术负责:祝飞翔3.现场安全监督:李敏杰4.大修现场工作负责人:钱建国5.检修人员:待定(联系大修厂家)三.主要检修内容1、小汽轮机部分:1.1、汽缸1.1.1、检查汽缸及喷嘴、转向导叶有无裂纹、冲刷、损伤及结合面漏汽痕迹等缺陷,必要时处理;清扫检查汽缸螺栓、疏水孔等。
1.1.2、测量上、下汽缸结合面间隙。
1.1.3、检查滑销系统,调整汽缸水平。
1.1.4、修补、更换汽缸保温层。
1.2、汽封1.2.1、清扫检查各汽封的汽封片,测量其间隙,必要时对碳精汽封环及拉簧、弹簧进行更换。
1.3、转子1.3.1、检查主轴、叶轮、轴颈、联轴器、联轴器弹簧和螺栓的磨损、松动、裂纹及加工质量等情况,测量及调整汽道间隙,轴颈扬度及转子对轮中心。
1.3.2、检查叶片等有无结垢,腐蚀、松动、断裂、脱焊及损伤等缺陷,必要时处理。
1.4、轴承1.4.1、检查前后轴承及油挡有无磨损、钨金脱胎、裂纹等缺陷,以及轴瓦球面、垫铁的接触情况。
1.4.2、测量轴承及油挡的间隙、轴承紧力,必要时进行修刮、调整或焊补。
1.4.3、清扫轴承箱。
1.5、调速系统1.5.1、检查调速器、危急保安器及其弹簧,必要时作特性试验。
(调速器清洗并更换润滑油46#汽轮机油)1.5.2、检查速关汽门和调节汽阀有无裂纹漏汽、锈蚀、松动等缺陷,根据情况进行研磨、修复或更换零件。
1.5.3、危急保安器灵敏度等修后常规试验及调整。
1.6、油系统1.6.1、清洗前后轴承座箱体。
目录B1.5-4.2/0.8型汽轮机 (1)1. 汽轮机主要技术数据; (1)2. 简要说明 (1)3. 大修项目(常修项目)................................................................................................................错误!未定义书签。
3.1 汽缸 (1)3.2 汽封 (1)3.3 转子 (1)3.4 轴承 (1)3.5 调节系统 (1)3.6 油系统 (1)3.7 汽封抽汽器 (1)4. 特修项目 (2)5. 检修质量标准 (2)图纸资料 (4)6. 主要安装数据 (10)6.1 对轴承座检查的要求 (10)6.2 轴承和油挡 (10)6.3 密封箱和碳环 (11)6.4 汽轮机转子 (11)6.5 联合汽阀 (12)6.6 各测量数据应符合下列要求: (12)6.7 联轴器的检查及安装要求 (12)6.8 转子在汽缸内找中心应符合下列要求 (13)6.9 转子的安装要求 (13)6.10 联轴器找中心的要求: (13)6.11 通流部分安装要求及清理检查 (14)6.12 隔板和隔板套的清理、检查、安装要求 (14)100SB-J型给水泵 (15)1、适用范围 (15)2、设备性能 (15)3、结构说明 (15)3.1、定子部分 (15)3.2、转子部分 (15)3.3、平衡机构 (15)3.4、轴端密封 (15)3.5、轴承部分 (15)4、辅助设备 (15)4.1、润滑系统 (26)4.2、测量仪表 (15)5、检修内容 (16)6、泵的拆卸 (16)贵州天福化工热电车间6.1、准备工作 (16)6.2 、泵拆卸程序与测量数据 (16)7、装复前的准备工作及注意事项 (17)8、装配 (17)9、检修准备与组织 (17)10、健康、安全、环保要求 (20)11、验收 (20)贵州天福化工热电车间B1.5-4.2/0.8型汽轮机检修方案1.汽轮机主要技术数据;汽轮机型号:B1.5-4.2/0.8(湖南湘东华工机械)属于背压式,单级双列,从汽轮机看泵为顺时针转动,润滑方式:强制润滑+甩油环,最大回油温度90℃,安全阀报警压力:0.87MPa表压,调速器型式 TG-17(美国Woodward),手阀 3个。
目录0.前言 (3)运行参数(设计点) (3)1.升压泵 (3)1.1 布局 (3)1.1.1 YNKn300/200/YNKn400/300J (3)1.1.2 QG400/300C (4)轴封 (4)润滑 (5)泵的工作道理 (5)拆卸查抄 (5)局部拆卸的筹办工作 (5)泵的全部拆卸 (5)轴承的拆卸 (5)轴封的拆卸 (6)泵体的拆卸 (7)1.4 各个部件的查抄 (7)转子间隙 (9)转子间隙表 (10)转子装配的质量查抄 (10)1.5 泵的从头装配 (11)1.5.1 筹办工作 (11)1.5.2 泵体的装配 (11)1.5.3 轴封的装配 (11)1.5.4 轴承装配及转子对中 (11)1.5.5 转子的抬起 (13)修整后的对中 (15)1.6 备件 (15)2.主给水泵装置: (17)2.1 布局 (17)2.2 液力偶合器 (20)2.3 联轴器 (20)2.4 最小流量阀 (20)2.5 过滤器 (21)2.6 测量仪器和监测装置 (21)3.运行和监控 (21)3.1 调试 (21)调试的筹办〔试运转〕 (21)前言 (22)3.1.3 查抄驱动装置的旋转标的目的 (22)3.1.4 调试的筹办 (23)3.1.5 起动和试运转 (24)3.1.6 给锅炉供水 (24)3.2 调试—正常运行的工作过程 (25)3.3 停机 (26)3.4 查抄 (27)3.5 辅助运行 (28)3.6 供油系统 (28)3.6.1 概述 (28)3.6.2 润滑油量 (29)3.6.3 润滑周期、换油 (29)3.6.4 润滑油用量表 (29)3.6.5 油管的情况 (30)3.6.6 冲静润滑油回路 (31)3.8 高压泵运行故障 (33)故障原因 (34)3.8.3 排除故障方法 (35)4. 泵机组维护和预防办法 (36)4.1 运行期间的维护工作 (36)润滑油双过滤器 (36)4.1.2 机械密封循环水管路 (37)4.1.3 测量和检测仪器 (37).4 备用泵 (37)4.2 预防维护 (37)4.2.1 查抄泵轴承、轴封 (37)4.2.2 过滤器 (38)4.2.3 监视仪器 (38)4.2.4 冷却器 (38)4.2.5 联轴器 (38)4.2.6 液力耦合器 (39)4.2.7 油冷却器 (39)4.2.8 最小流量阀 (39)4.2.9 驱动装置 (39)5. 泵组查抄 (39)5.1 拆卸 (40)5.1.1 拆卸轴承体 (40)5.1.2 拆卸机械密封 (40)拆卸芯包 (42)5.2 转子间隙表 (44)5.3 转子动平衡 (44)5.4 泵的从头装配 (44)芯包的组装 (45)涡壳定位环的加工 (47)转子对中 (48)推力间隙的调整 (50)0.前言只要将离心泵进行精心正确的安装和适当的维护,它将使你对劲,无故障的运行。
汽动给水泵检修作业指导书1.1 概述1.2 总则:a)泵为水平、离心、多级筒体式,由下面两个主要部件组成:a)筒体:组成泵的主压力边界的一部分,焊接在管路上,中心线位置的支承处在型钢结构的泵座上。
b)泵内部组件:可以整体从泵筒体内抽出,与筒体一起构成泵的主压力边界。
这种设计,由英国高级给水泵发展而来,利用备用芯包,使得维修时间大为减少,芯包内包括有泵所有的易损部件,并具有互换性。
泵由进口侧泵脚下的一对横向键轴向定位在联轴器端,筒体下有一纵向键,在泵脚和泵座间使用铜质滑块,从而保证能自由地热膨胀和良好的接触。
筒体为具有良好焊接性能的锰钢锻件,进、出口支管为碳钢铸件,焊接到筒体上。
这种结构,使得在拆开联轴器和辅助管路并松开端盖螺栓后,就能将整个芯包作为一个整体拆下来。
因此,在较大故障停机时,必要时可在约24h内拆下内部的芯包。
c)大端盖是锰钢锻件,与末级导叶有止口套接,在大端盖和筒体之间有一O形圈,形成一高效的密封,这个密封圈嵌在筒体的凹槽内。
大端盖的螺栓是由液紧装置液紧,液紧装置能给大螺栓精确地预加载。
由于载荷可以渐渐加上,端盖变形的可能性是最小的。
使用这种工具能够快速拆装端盖从而快速拆装整个芯包。
大端盖与筒体的结合面加工到好的光洁度,最内一级内泵壳与筒体之间有垫圈,该垫为不锈钢齿形垫圈。
内泵壳选用耐腐蚀和冲蚀的13%铬钢,相邻内泵壳间的接口为止口套接式,并嵌有O形圈,导叶环同样是13%的铬钢,各级导叶内定位销定在前级泵壳上。
d)所有级间销子都是全封闭式,不与泵送液体相接触。
如果出现销子失效或松动,该销子不会从泵出口处排出。
每个内泵壳和导叶的内孔上都装有可更换的衬套。
每个衬套都设计为特殊几何形状,加工安装到各孔内,这种形状使其能保持衬套的静压力刚度,且大大地减少泄漏,不需要其它专门的防泄漏装置。
内部组件为内泵壳和导叶固定联接件,由末级导叶和出口大端盖间的蝶型弹簧固定在筒体上。
进口导向件在泵进口侧由一闭式止口套接定位,以保证安装芯包时其内部组件的对中性,这种止口套接保证了进口导向件可由拉紧环紧固地定位在筒体上,同时又能在热波动时自由膨胀。
汽动给水泵组运行说明书广东国华台山电厂一期2×600MW上海电力修造总厂有限公司目录第一章概述 (1)1 总述12 一般说明13 技术数据(以技术协议为准)2第二章操作说明 (4)1 引言: 42 预启动检查43 启动44 日常检查:55 停机56 给水泵组热控保护57 故障找错6第三章安装及投运说明 101 安装说明102 投运步骤11第一章概述1总述HPT300-330-5s+k调速给水泵组配套于600MW汽轮发电机组50%容量或300MW汽轮发电机组100%容量。
给水泵由小汽轮机驱动,前置泵由小电动机驱动。
1.1给水泵给水泵型号HPT300-330-5s+k(芯包进口)1.2前置泵前置泵型号HZB253-640电动机型号YKK450-4(上海电机厂)2一般说明2.1前置泵HZB253-640前置泵为卧式、单级、双吸垂直进出、单蜗壳泵。
前置泵由电机驱动,通过柔性叠片式联轴器进行功率传递。
前置泵传动端和非传动端采用机械密封,从外部供冷却水。
轴承布置为:传动端为单列滚子轴承;自由端为角接触球轴承。
轴承润滑由油环提油润滑。
2.2给水泵HPT300-330-5s+k给水泵是卧式、多级双壳体离心泵,有5级叶轮,并在末级后面增加了增压级。
整体芯包,芯包整体装卸,而不妨碍泵进出口管路。
给水泵由汽轮机驱动,汽轮机与泵之间是通过叠片式柔性联轴器或齿式联轴器进行功率传递。
泵筒体是以中心线定位安装的,具备着导向系统方便于各个方向的对中;并且能吸收各个方向的热膨胀。
内泵壳是由单独的螺栓将它们紧固在一起,以避免由长系杆引起的振动问题。
芯包组件由转动部件、导叶、泵壳、轴承和所有的磨损环。
这种设计使芯包能够迅速地进行互换。
节省了维护的时间。
由于轴径与轴承跨矩之比较大,保证了轴的刚性。
轴上没有螺纹,排除了应力集中和防止了轴变形。
平衡鼓吸收了很大一部分的转子的推力,余下的一小部分推力则由推力轴承来承担。
通过了解平衡鼓的泄漏量可以估计间隙的大小和泵的效率。
锅炉维修手册一、引言锅炉作为工业生产中常见的设备,承担着加热和供热工作,维护锅炉的正常运行对于生产的稳定性和安全性至关重要。
本手册旨在介绍锅炉维修的基本知识和步骤,帮助维修人员解决常见问题,并保障锅炉的高效运行。
二、维修前的准备工作在进行锅炉维修之前,维修人员需要做好以下准备工作:1.安全检查:确保维修现场的安全,包括排除火源、防止燃气泄漏等。
2.锅炉停机:切断电源和燃料供应,并等待锅炉冷却至安全温度。
3.准备工具:根据需要准备维修所需的工具和备件,确保能够顺利进行维修。
三、常见故障与处理方法在锅炉使用过程中,常会遇到一些故障,以下列举几种常见问题及其处理方法:1.锅炉不启动:- 检查电源连接是否正常;- 检查电源开关和保险丝是否完好;- 检查水位是否达到要求;- 检查燃料供应是否畅通。
2.锅炉漏水:- 检查水位是否过高,调整水位至正常范围;- 检查管道是否有漏水现象,及时修补;- 检查密封件是否老化,更换损坏的密封件;- 检查锅炉内部是否有结垢,如果有,清洗及除垢处理。
3.锅炉过热:- 检查水位是否过低,及时补充足够的水;- 检查锅炉是否存在堵塞现象,清理堵塞部位;- 检查是否有过热保护装置故障,修复或更换故障部件;- 检查燃烧器的工作情况,调整燃烧器参数使其恢复正常工作。
四、锅炉维护与保养为确保锅炉的长期正常运行,维护与保养工作尤为重要,以下是一些常见的维护与保养措施:1.定期清洗:清洗锅炉内部的积灰、结垢,保持传热效率;2.定期检查:检查锅炉的燃烧情况、水位、压力等,发现问题及时处理;3.维护附件:定期检查维修锅炉的附件,保证其正常工作,如换热器、燃烧器等;4.润滑保养:给锅炉的机械部件加注适量的润滑油,确保其灵活性和使用寿命;5.安全阀检查:定期对安全阀进行检修和测试,确保其灵敏度和可靠性。
五、安全注意事项在进行锅炉维修过程中,安全始终是首要考虑因素,以下是一些应注意的事项:1.佩戴个人防护装备:维修人员需佩戴合适的帽子、手套、防护眼镜等;2.遵守规章制度:遵循规定的操作流程和安全标准;3.确认能源切断:在维修前切断电源、燃料供应,确保维修安全;4.防止火源:维修现场禁止明火作业,防止火灾发生;5.警示标识:维修现场设置警示标识,提醒他人注意安全。
锅炉给水泵检修及数据调控发布时间:2021-05-07T10:56:58.033Z 来源:《科学与技术》2021年第29卷第3期作者:李广鹏[导读] 锅炉给水泵是火力发电厂主要动力设备,锅炉给水泵多为高转速离心式多级泵李广鹏鲁西集团有限公司山东省聊城市 252000摘要:锅炉给水泵是火力发电厂主要动力设备,锅炉给水泵多为高转速离心式多级泵。
锅炉给水泵检修中,动静配合间隙的控制和转子轴向、径向定位是设备运行质量的关键。
对检修流程中各部数据的调整顺序和控制精确度,是设备检修效率和质量的保障。
一、技术背景目前,我们企业的锅炉给水泵主要为200TSBⅡ-J型给水泵。
给水泵由两个主要部件组成:外壳体、内部组件(简称芯包)。
设备检修时只需将芯包抽出,更换方便快捷。
芯包检修质量关系着设备的长周期稳定运行,甚至影响着一套火力发电系统的运行。
二、检修流程及问题判断处理1、给水泵拆卸前注意事项:每步拆卸必须检测记录泵组原始状态参数。
包括泵与液力耦合器的中心效验、膜片配合间隙、盘泵力矩、转子工作窜量、前后抬轴值、轴瓦间隙紧力、挡油环间隙等。
以作为泵体检修依据,为后续备件备置和工作流程安排、节点的制定参考,避免影响。
记录原始数据,校对参考值,根据检修经验总结分析并在拆检过程中重点检查处理:三、主要技术要求及数据控制(一)检查轴各段的圆跳动不大于0.02mm,检查平衡盘、推力盘等各轴向端面与轴心线垂直度不大于0.02mm。
(二)测量调整转子的径向定位。
将轴承座安装至水封体上,固定螺栓微紧固用力。
在轴瓦处轴颈正上方打一百分表,使用撬杠撬抬转子至上限(避免用力过大造成变形),记录为转子总抬量a,a应在0.7~1mm范围内,如小于0.7mm,应拆解检查各部件是否安装到位。
见图a安装下半轴瓦,使用轴承座两侧顶丝调整定位,保持轴瓦两侧间隙均匀,完成左右径向定位粗调整。
在轴瓦处轴颈正上方打一百分表,通过调整轴承座下方顶丝,使上抬量b=1/2(a+0.05),完成上下轴向定位。
1.设备概况广东国华粤电台山发电有限公司一期工程(2×600MW)机组给水系统配备给水系统中配备了二台汽动给水泵,每台给水泵的额定容量为锅炉给水量的50%,一台电动给水泵,电动给水泵的容量为锅炉给水量的25~30%。
机组正常工作时,二台汽动给水泵供锅炉给水,电动给水泵作为起动及汽动给水泵有故障时和一台汽动给水泵合用,以保证锅炉额定负荷。
二台汽动给水泵工作蒸汽汽源来自主汽轮机四段抽汽,备用蒸汽汽源来自再热器冷段蒸汽,调试蒸汽汽源来自辅助蒸汽。
1.1设备规范1.1.1汽轮机规范:制造厂:杭州汽轮机股份有限公司型号:NK63/71/0型式:单缸、轴流、反动式、纯凝汽式最大功率:10MW额定功率:7.11 MW实用文档连续运行调速范围:2900~5800r/min额定转速:5476 r/min危急遮断器动作转速:6300 +60r/min盘车转速:40r/min工作蒸汽温度:328℃工作蒸汽最高温度:340℃工作蒸汽压力:0.7017MPa工作蒸汽最高压力:0.8MPa备用蒸汽温度:314.8℃备用蒸汽最高温度:330℃备用蒸汽压力: 3.397MPa备用蒸汽最高压力: 3.8MPa排汽压力:7.2kPa转向:从给水泵侧看为顺时针方向1.1.2给水泵规范:型式:整体式芯包实用文档型号:HPT300-330-5s+k主出口流量:1114m3/h出口压力:22.5MPa入口压力: 2.2MPa(a)入口温度:169.4℃中间抽头流量:49m3/h中间抽头压力:10.12MPa额定转速:5715r/min效率:84.2%轴功率:8250kW1.1.3前置泵规范:型式:卧式双吸泵型号:HZB253-640额定流量:1163.3 m3/h出口压力:0.98MPa转速:1487r/min实用文档效率:86%额定功率:512kW转向:从驱动端看为顺时针方向1.1.4前置泵电动机型号:YKK450-4功率:630KW电压:6000V转速:1487r/min1.1.5调节油系统油压:0.85MPa1.1.6润滑油系统油压:0.25MPa1.1.7速关油系统油压:0.8MPa1.1.8 给水泵汽轮机油箱:总储油量9m3,总容量9.8m3。
HPT200-330IIM-6S型给水泵芯包大端盖及内部热交换器改造发表时间:2020-12-30T05:26:56.461Z 来源:《中国电业》(发电)》2020年第22期作者:范国栋[导读] 甘肃某厂350MW机组4台HPT200-330IIM-6S型给水泵芯包于2012年投产使用,目前4台给水泵芯包都存在端盖密封面处漏汽,给水泵效率下降等问题。
酒钢集团宏晟电热公司甘肃嘉峪关 735100摘要:甘肃某厂350MW机组4台HPT200-330IIM-6S型给水泵芯包于2012年投产使用,目前4台给水泵芯包都存在端盖密封面处漏汽,给水泵效率下降等问题。
厂家技术人员反馈大端盖安装时紧力为1100-1200bar,最高不得超过1400bar,处理端盖漏水时,密封面紧固螺栓紧力已达到1600bar,仍然无法排除发生泄漏,说明其端盖高压密封面均有不同程度的吹损。
改造内部换热结构,更换换热器及密封材质,可有效避免以后大端盖高压密封面吹损,保证给水泵安全稳定运行。
关键词:给水泵;效率;稳定运行;1引言锅炉给水泵及前置泵作为电站给水系统的核心设备,它的运行状态直接决定机组是否能安全稳定运行,同时由于机组负荷及锅炉给水量的变化,给水泵长期处于一种变工况运行过程中,因此必须对其运行状态及使用情况进行重点关注,适时进行保养维修,以排除可能出现的大故障。
通过对给水泵芯包维修改造内部换热结构更换换热器及密封材质,维持其设计的经济运行能力,避免以后大端盖高压密封面吹损,有效的保证给水泵安全稳定运行。
2现状和存在的问题影响锅炉给水泵组使用寿命的因素主要有以下几点:1)易损件磨损的影响:锅炉给水泵及前置泵作为高速旋转设备,相关动静干涉部件(轴承、密封、平衡鼓、平衡盘、磨损环、油挡等),在长期运行过程中会出现磨损,当动静干涉件出现磨损时,机组会出现振动增大、功耗升高、漏水、漏油等现场,如不及时更换将严重影响大型主关零件(轴、叶轮、端盖等)的使用寿命。
Q/CDT-LYCP 大唐洛阳热电有限责任公司企业标准Q/CDT-LYCP 106001—2021编号:SOP-2021-06A-RK-0212021-01-30发布2021-03-15实施大唐洛阳热电有限责任公司发布目次1 范围 (3)2 本指导书涉及的资料和图纸 (3)3 安全措施 (3)4 备品备件清单 (3)5 现场准备及工具 (3)6 检修工序及质量标准 (4)7 检修记录 (6)8 完工报告单 (7)9 质量签证单 (9)6号机汽动给水泵MEH系统检修作业指导书1 范围本指导书适用于大唐洛阳热电厂6号机汽动给水泵MEH系统检修。
2 本指导书涉及的资料和图纸下列文件中的条款通过本规范的引用而成为本规范的条款。
凡是注日期的引用文件,其随后所有的修改单或修订版均不适用于本规范,然而,鼓励根据本规范达成协议的各方研究是否可使用这些文件的最新版本。
凡是不注日期的引用文件,其最新版本适用于本规范。
DL/T 774-2015 火力发电厂热工自动化系统检修运行维护规程LR/ZC017-004-2019 5/6号机组热控设备检修规程GB 26164.1-2011 电业安全工作规程3安全措施3.1 严格执行《电业安全工作规程》。
3.2 所有工具齐全,检查合适,试验可靠。
3.3 参加检修的人员必须熟悉本作业指导书,并能熟记本书的检修项目,工艺质量标准等。
3.4 参加本检修项目的人员必需安全持证上岗,并熟记本作业指导书的安全技术措施。
3.5 开工前召开专题会,对各检修参加人员进行组内分工,并且进行安全、技术交底。
3.6 汽动给水泵MEH系统油动机行程传感器检查时应轻拿轻放,防止传感器损伤。
保护设备动作可靠。
3.7 引线连接正确、牢固,保证系统小修后安全运行正常,不误动、不拒动。
4 备品备件清单5 现场准备及工具5.1现场准备5.2工作准备□工器具已准备完毕,材料、备品已落实。
□作业文件已组织学习,工作组成员熟悉本作业指导书内容。
锅炉维修手册为保障锅炉的正常运行和安全使用,本手册旨在为用户提供详细的锅炉维修指南。
请用户在维修锅炉前仔细阅读本手册,并按照指南进行操作,以确保维修过程安全准确。
本手册适用于各类大型工业锅炉。
第一章概述1.1 锅炉维修的重要性大型工业锅炉在长期运行过程中,由于各种原因可能会出现故障或损坏,这就需要进行及时的维修。
维修的目的在于恢复锅炉的正常运行,延长其使用寿命,提高工作效率,并保障操作人员和设备的安全。
1.2 安全须知在进行锅炉维修之前,务必要做好以下安全措施:-切断电源,关闭燃气阀门,并放空压力。
-佩戴个人防护装备,如手套、护目镜和防护服。
-确保工作区域通风良好。
-严禁在锅炉处吸烟或使用明火。
第二章维修步骤2.1 故障检查与排除当锅炉发生故障时,首先需要进行故障检查,确定故障原因,并采取相应措施进行排除。
常见故障包括锅炉启动失败、水位异常、漏水、过热等。
2.2 开始维修根据故障原因的不同,维修措施也有所不同。
例如,在锅炉启动失败的情况下,可以检查并清理燃烧器、点火系统,并确保燃气供应正常。
对于水位异常问题,需要检查水位传感器、水泵和管道是否正常,并及时排除故障。
另外,若出现漏水情况,需检查各个连接口、阀门和密封件是否完好,并迅速修复。
2.3 维修结束当故障排除后,需检查修复后的锅炉是否正常运行,确保安全可靠。
同时,还需做好维修记录,包括故障原因、维修过程和使用的材料。
第三章日常维护与保养为确保锅炉的长期稳定运行,除了及时维修故障,日常维护与保养也非常重要。
3.1 清洗与保养定期清洗锅炉内部,包括燃烧室、燃烧器和烟囱等部位。
清除沉积物和灰尘,确保各个部件的畅通和燃烧效率。
3.2 润滑与更换对于需要润滑的部位,如风机轴承、泵等,要定期添加适量的润滑油,并定期更换。
同时,还需检查管道、阀门等是否存在漏油现象,并采取相应措施。
3.3 水质检测定期检测锅炉的水质,防止水垢和锈蚀的产生。
若水质不合格,应及时进行处理,以避免对锅炉造成损害。
EBARA锅炉给水泵维护手册安装、操作和维护手册HDB水泵目录页号第一章设计数据1.1 设计数据-----------------------------------------------------------------------1-1第二章说明2.1 水泵说明-----------------------------------------------------------------------2-1 2.1.1 外筒体和端盖--------------------------------------------------------------2-1 2.1.2 内涡壳-----------------------------------------------------------------------2-1 2.1.3 转子总成--------------------------------------------------------------------2-1 2.1.4 轴承体和轴承--------------------------------------------------------------2-2 2.2 润滑-----------------------------------------------------------------------------2-2 2.3 暖泵-----------------------------------------------------------------------------2-2 2.4 启泵前的工作程序-----------------------------------------------------------2-2 2.5 泵最低流量调节阀-----------------------------------------------------------2-2 2.6 启动后的程序-----------------------------------------------------------------2-3 2.7 在低流量下泵的操作--------------------------------------------------------2-3 2.8 升温-----------------------------------------------------------------------------2-4 2.9 排放水之后的升温-----------------------------------------------------------2-4 2.10 恒定升温--------------------------------------------------------------------- 2-5 2.11 运行----------------------------------------------------------------------------- 2-5第三章安装3.1 概述------------------------------------------------------------------------------3-1 3.2 需要的设备---------------------------------------------------------------------3-1 3.3 搬运预防事项------------------------------------------------------------------3-1 3.4 设备的卸货和检查------------------------------------------------------------3-1 3.5 临时性存放---------------------------------------------------------------------3-2 3.6 基础准备------------------------------------------------------------------------3-2 3.7 水泵支撑的调平和灌浆------------------------------------------------------3-2 3.8 轴承清洗和涂层---------------------------------------------------------------3-3 3.9.1 确定中心线高度------------------------------------------------------------3-4 3.9.2 初始联轴器对中------------------------------------------------------------3-4 3.10 主管路连接---------------------------------------------------------------------3-4 3.11 次级管路和仪表连接---------------------------------------------------------3-5 3.12 最终对中------------------------------------------------------------------------3-5 3.13 长期存放或发运的准备------------------------------------------------------3-5 第四章操作4.1 操作预防事项------------------------------------------------------------------4-1 4.2 预备检查------------------------------------------------------------------------4-1 4.3 操作检查------------------------------------------------------------------------4-2第五章维护5.1 概述------------------------------------------------------------------------------5-1 5.2 预防性维护---------------------------------------------------------------------5-1 5.3 故障排除------------------------------------------------------------------------5-2 5.4 需要的设备(由用户提供)------------------------------------------------5-2 5.5 搬运指令------------------------------------------------------------------------5-3 5.5.1 搬运预防事项---------------------------------------------------------------5-4 5.5.2 起重方法---------------------------------------------------------------------5-4 5.6 水泵解体---------------------------------------------------------------------5-5 5.6.1 解体准备---------------------------------------------------------------------5-6 5.6.2 水泵联轴器隔片拆卸------------------------------------------------------5-6 5.6.3 水泵联轴器轮毂拆卸------------------------------------------------------5-6 5.6.4 推力轴承和轴承体拆卸---------------------------------------------------5-6 5.6.5 吸入侧轴承和轴承体的拆卸---------------------------------------------5-7 5.6.6 泵盖拆卸---------------------------------------------------------------------5-8 5.6.7 吸入端盖拆卸---------------------------------------------------------------5-9 5.6.8 涡室解体--------------------------------------------------------------------5-9 5.6.9 转子解体--------------------------------------------------------------------5-10 5.7 零件清洗和检查------------------------------------------------------------5-11 5.8 水泵重装---------------------------------------------------------------------5-12 5.8.1 预装操作--------------------------------------------------------------------5-12 5.8.2 转子复装--------------------------------------------------------------------5-13 5.8.3 涡室复装--------------------------------------------------------------------5-14 5.8.4 涡壳定位环的安装--------------------------------------------------------5-15 5.8.5 吸入端盖安装--------------------------------------------------------------5-18 5.8.6 泵盖安装--------------------------------------------------------------------5-18 5.8.7 推力轴承和轴承体安装--------------------------------------------------5-19 5.8.8 径向轴承和轴承体安装--------------------------------------------------5-20 5.8.9 泵侧联轴器安装-----------------------------------------------------------5-21 5.10 最终操作---------------------------------------------------------------------5-21第六章存放存放----------------------------------------------------------------------------- 6.1附件:1附件:2(按合同供给用节流密封用户)附件:3(按合同供给)附件:4(按合同供给)附件:5(按合同供给)附件:6(按合同供给)附件:7(按合同供给)附件:8(按合同供给)第一章设计数据1.1 设计数据水泵规格与型号_________________________________ 系列号_________________________________ 服务号_________________________________ 旋转方向(从联轴器端看)_________________________________ 泵送介质_________________________________ 温度_________________________________ 比重_________________________________ 设计流量_________________________________ 最小流量_________________________________ 扬程_________________________________ 可达汽蚀余量_________________________________ 要求汽蚀余量_________________________________ 水泵转速_________________________________ 效率_________________________________ 转子平衡要求_________________________________ 运转间隙:_________________________________ 口环与系列中间套间隙_________________________________ 中心中间套与平衡间隙_________________________________ 盘根(名称、规格、数量等)_________________________________ 机械密封(密封的名称、规格、型号)_________________________________ 节流衬套_________________________________ 是否温度控制()是()否是否压力控制()是()否是否没有控制()是()否*轴头布置_________________________________1-1第二章说明2.1 水泵说明如外供图的水泵剖面图所示,每台水泵由六个基本部分组成,即:外筒体、泵盖、内涡室、转子总成、轴密封装置、轴承体和轴承。
HPT200-330M-6S/22A汽动锅炉给水泵维护说明书目录1范围 (3)1.1设备条件 (3)1.2一般大修信息和建议 (3)1.3离开现场的运输 (4)1.4泵大修完成 (5)1.5计划维护 (5)2维修细则 (7)2.1估计质量 (7)2.2接口密封垫 (7)2.3推荐润滑油 (8)3维修过程 (9)3.1维修的准备工作。
(9)3.2检查轴承 (9)3.3检查轴封 (13)4大修 (16)4.1范围 (16)4.2准备 (16)4.3检查和清洁 (16)4.4平衡标记 (16)4.5解体和组装的一般信息 (16)4.6泵芯包–拆卸 (17)4.7芯包–安装 (19)4.8泵芯包解体 (21)4.9检查、更新和修理工艺规程 (22)4.10芯包组装 (24)5联轴器安装和拆卸 (26)5.1安装 (26)5.2拆卸 (27)6推力盘的安装和拆卸 (29)6.1拆卸 (29)6.2安装 (31)7平衡鼓的安装和拆卸 (34)7.1拆卸 (34)7.2安装 (36)HPT200-330ⅠM-6S-00A(1/2) 给水泵总装图HPT200-330ⅠM-6S-00(2/2) 给水泵侧视图HPT200-330-J1-6B-00 芯包拆卸工具HPT200-330-J3-6A-00平衡鼓、联轴器、推力盘拆卸工具HPT200-330-J8-6C-00大螺栓液压张紧装置M64×41 范围本部分介绍了卧式泵维护程序的一般信息和建议。
这些一般性的建议可作为泵维护的导则,有助于实现安全、有效的维护。
同时也提供一个通用的泵组维护计划,在没有特定的现场维护计划时,可以根据要求采用。
维修时必须自始至终遵守工厂安全规程及管理条例。
注:给水泵是整个泵组的一部分,因此,下列说明应和前置泵及其它有关设备的说明一起来考虑。
1.1 设备条件1.1.1 性能记录保持一份书面的设备性能记录。
一份连续的性能记录有助于故障诊断和在将来对泵的运行和维护作出决定。
可以避免长期停机和不必要的费用。
在泵的吸入口和排出口安装压力指示器可提供许多数据,用以进行性能分析。
周期跟踪的振动记录对于诊断过大的振动水平是必须的。
1.1.2 故障诊断在解体前应分析泵的性能。
有些问题有可能不需解体泵就可以得到解决。
性能记录有助于缩小可能的原因,有助于判断问题是机械、水力或系统方面的。
系统方面的问题主要是泵吸入系统方面的。
应排除控制系统方面的调整不当。
机械和液压问题经常互相关联,原因的查找比较困难。
参考故障诊断。
1.2 一般大修信息和建议解体在松开连接螺栓或管道接口之前应检查内部是否有有毒或有害介质。
按照现行环境规定收集和处理有毒或有害介质,以防伤害人员或危害环境。
- 在维护前,应确保:- 电源开关锁定在关闭位置。
- 泵在环境温度。
- 泵系统压力已经被隔离。
- 泵已排干和排空(根据情况可拆开疏水塞或打开阀门)。
- 吸入、排出和辅助管道阀门关闭。
- 封堵所有解开管道的管端,以防赃物进入。
- 在解体过程中,对所有拆卸的部件做好标记,以保证更换的部件在同一位置。
- 保护好所有的部件。
将大部件放在保护区域内并用布或塑料包裹。
将小部件和螺栓连接件放在袋子或盒子里,对于装配所需的部件应以标签识别。
- 保护好螺丝接口和螺纹。
- 关于专用工具和设备的特殊要求,参阅各解体/装配部分的有关内容。
在维护前应备齐所有需要的部件。
-检查泵的旋转方向。
注意一些通过螺纹与泵轴连接的部件可能依靠旋转拧紧,其螺纹可能是左旋螺纹。
在泵解体的各个阶段,泵芯包必须充分支撑,以防弯曲和/或损伤部件。
组装当所供的泵和泵组设备适合于在某一规定的有害区域使用时,在维护程序期间的以下行为可能导致原来的有害区域等级不再适用,必须避免:•没有按照 – 泵数据或本程序的具体要求正确地维持壳体 / 叶轮 / 轴承的间隙。
•在组装程序的各个阶段没有使用新的、正确型号和规格的O 形圈、垫片、密封或螺母锁紧装置。
• 轴承维护不当。
• 没有按照制造厂的资料和现行规范重新连接主(吸入和排出)管道。
•没有按照制造厂资料和现行规范将辅助管道正确连接,没有将排气和疏水管道连接到适当的安全位置/容器。
•没有按照制造厂资料和现行规范将电气设备的电源、控制电缆及仪表电缆正确连接。
• 没有按照制造厂资料要求保证驱动设备旋转方向正确。
•没有按照制造厂资料和现行规范正确地安装联轴器短接和联轴器护罩。
- 所有部件必须清理干净,不得有油或赃物。
在组装前建议用技术等级的丙酮清洗加工表面。
在无尘区域内用空气(经过滤、干燥)吹干清洗干净的部件。
加工表面的防锈剂应用适当的溶剂去除。
确保定位止口处不得有涂层。
- 搬运所有部件时必须小心,以防其掉落或遭受其他形式的伤坏。
- 确认套筒和叶轮内孔表面的毛刺或赃物已经清除。
套筒和叶轮内孔必须涂抹防咬合剂,以便于将来拆卸。
- 装配时采用的新垫、密封和O 形圈必须与原来的材料、型号和尺寸完全相同。
安装O 形圈时必须小心,切勿损坏。
- 二硫化钼粉可用作轴润滑剂。
- 用甘油或“太氟龙喷剂”润滑螺纹接口和螺纹。
-如果可能的话,用新的橄榄封堵已经解开的小管道的接口。
在泵组装的各个阶段,泵轴必须充分支撑,以防弯曲和/或损伤轴承。
1.3 离开现场的运输在运离现场之前,所有设备必须完全排尽内部的水,并清理干净。
注意注意1.4 泵大修完成每次大修后,泵应重新调试。
参考—调试和运行1.5 计划维护当所供的泵和泵组设备适合于在某一规定的有害区域使用时,在计划维护程序期间的以下行为可能导致原来的有害区域等级不再适用,必须避免:•没有发现和处理从主(吸入和排出)管道接口至泵壳的泄漏。
•没有发现和处理从辅助管道和相关设备(如机械密封、密封系统、冷却器、仪表)接口的泄漏。
•没有按照制造厂资料维护辅助设备和系统。
参考图纸和文件中的总布置图、剖面图、润滑计划(如果有的话)和其他图纸和文件。
1.5.1 每日检查项目- 对泵组进行“巡视”检查,最好是在泵组运行时,并且:- 目视检查是否设备泄露,或损坏。
特别注意主管道和辅助管道接口,机械密封/ 迷宫密封位置。
修理或报告发现的任何损坏或泄漏。
注:除了日常的目视检查是否有过大的外部泄漏外,机械密封和迷宫密封不需要日常维护。
如果泄漏过大,应停泵修理或更换密封。
- 检查所有的指示仪表是否工作正常、读数正确。
如果读数不正常,报告发现的缺陷并查找原因。
- 如果采用自持式轴承润滑油系统,检查常位油箱中的油位–按要求加油。
记录加油量,以便判断油的损失/ 消耗是否过大。
-检查是否有不正常的噪音或噪音等级。
报告或查找不正常的噪音或噪音等级的原因。
-如果适用的话,检查滤网压差。
-如果适用的话,检查外部公用供应系统(空气、水等)。
- 保持泵组周围环境整洁。
清除油迹。
1.5.2 每周一次的检查- 如果采用外部轴承润滑油系统,参考润滑油系统的资料。
如果没有计划维护资料,按以下方面考虑:- 检查润滑油箱中的油位–按要求加油。
记录加油量,以便判断油的损失/ 消耗是否过大。
- 检查润滑油滤网的情况(如果可能的话,检查差压表)。
当采用双支滤网系统时,需要时切换到清洁的滤芯。
污染的滤芯必须更换或清洗。
记录滤芯的更换,以便判断是否有过大的滤网堵塞,这可能表明轴承或润滑油系统有问题。
- 记录所有指示仪表的读数(这有助于了解读数的不断变化,有助于判断泵组运行期间出现的问题)。
- 试运转备用泵,以确认可随时启动。
1.5.3 每月一次的检查- 检查温度和振动等,并与参考记录比较,判别其数值是否正常-检查联轴器护罩是否牢固。
设备运行时不要检查联轴器护罩是否牢固。
1.5.4 六月一次的检查- 如果采用外部轴承润滑油系统,参考有关润滑油系统的资料。
如果没有计划维护资料,可考虑对油箱中的润滑油进行取样化验(或者,每2,500运行小时)如果化验结果表明油的品质降低,应更换润滑油系统油箱中的油。
- 检查驱动联轴器的对中。
- 对照参考数据检查泵的性能。
- 检查所有部件的涂漆是否有损坏,必要时补漆。
如果发现生锈的部件,应将生锈的部位清理干净,然后重新涂漆。
- 不涂漆金属部件也需检查是否生锈。
如果发现生锈的部件,应将生锈的部位清理干净,必要时涂抹保护膜。
1.5.5 每年一次的检查- 如果采用外部轴承润滑油系统,参考有关润滑油系统的资料。
如果没有计划维护资料,可考虑更换润滑油滤芯。
- 检查所有压紧式螺栓是否紧固(或者,每8,000运行小时)。
2 维修细则2.1 估计质量部件质量(kg) 泵总体(无水、不包括泵座) 6850芯包3750转子394大端盖1140轴承支架(自由端) 125轴承支架盖(自由端) 120轴承支架(传动端) 39轴承支架盖(传动端) 38进口端盖525首级泵壳145第二级泵壳108第三级泵壳108第四级泵壳108第五级泵壳108泵轴227首级叶轮20.5次级叶轮(每个) 19导叶(每个) 28末级导叶100平衡鼓27.82.2 接口密封垫2.3 推荐润滑油给水泵的轴承润滑油由偶合器供油的润滑油系统供应,推荐使用N32透平油。
3 维修过程3.1 维修的准备工作。
在开始任何一种维修作业之前,必须按下列步骤隔离给水泵:(1) 切断电机电源及润滑油系统电源;(2) 切断所有仪表的电源;注意:隔离给水泵组时,应参见系统的操作说明和偶合器操作说明。
(3) 检查泵组的进、出口阀和再循环的进、出口阀是否关闭;(4) 切断冷却水源;(5) 关闭中间抽头阀门;(6) 打开放水阀和排气管,放空筒体内的水;(7) 进行任何维修之前,必须保证泵壳内已无压力。
3.2 检查轴承在不拆出芯包的情况下,因现场检查或更换轴承而拆卸轴承时,采用以下说明的步骤:3.2.1 传动端径向轴承3.2.1.1 解体(1) 参考–联轴器安装和拆卸,拆卸联轴器短节和泵侧半联轴器对轮。
(2) 解开并移走轴承室上的所有仪表,并将它们存放在安全的地方。
(3) 将轴承室内的残油排至一个合适的容器内。
(4) 小心地解开并移走轴承室上的辅助管道。
封堵管口以防赃物进入。
(5) 如果适用的话,拆卸锁紧螺丝并移走安装板。
(6) 拆卸轴承室上半部的螺塞,并安装上吊环螺栓。
在吊环螺栓上系上合适的吊链,并系在合适的起吊设备上。
操作起吊设备,拉紧吊链使其承担轴承室的重量。
(7) 拆卸轴承室水平结合面处的定位销,拆卸锁紧螺母。
(8) 拆卸连接轴承室上半与进口端盖的安装螺丝。
必要时用顶起螺丝松开上半部轴承室。
注:如果安装了温度检测器接线,在拆卸轴承室上半时应多加小心。
(9) 小心地将轴承室上半提起,使其离开轴承室下半,并将其放在平整的表面上,用布垫好以保护加工面。
移开起吊设备。
(10) 检查用于回装的配合标记,然后拆开上半部径向轴承。
用适当的木块轻微提升泵轴(最大0.1 mm ),然后围绕轴旋转下半部径向轴承,将其取出。