电动车快速充电器电路图
- 格式:doc
- 大小:80.50 KB
- 文档页数:3
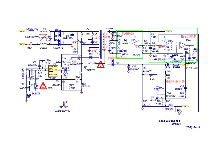
工作原理220V 交流电经LF1双向滤波.VD1 — VD4整流为脉动直流电压 波后形成约300V 的直流电压,300V 直流电压经过启动电阻 R4为脉宽调制集 成电路IC1的7脚提供启动电压,IC1的7脚得到启动电压后,(7脚电压高 于14V 时,集成电路开始工作),6脚输出PWM 脉冲,驱动电源开关管(场效应管) VT1工作在开关状态,流通过VT1的S 极-D 极-R7-接地端.此时开关变压器 T1的8-9绕产生感应电压,经VD6, R2为IC1的7脚提供稳定的工作电压, 4脚外接振荡阻R10和振荡电容C7决定IC1的振荡频率,IC2(TL431)为精 密基准压源,IC4(光耦合器4N35)配合用来稳定充电压,调整RP1(510欧半可调 电位器)可以细调充电器的电压 丄ED1是电源指示灯.接通电源后该指示灯就会 发出红色的光。
VT1开始工作后,变压器的次级6-5绕组输出的电压经快速恢复 二极管VD60整流,C18滤波得到稳定的电压(约53V ).此电压一路经二极管 VD70(该二极管起防止电池的电流倒灌给充电器的作用)给电池充电,另一路经限流电阻R38,稳压二极管 VZD1,滤波电容C60,为比较器IC3(LM358)提供12V 工作电源,VD12为IC3提供基准压,经R25,R26,R27分压后送到IC3的2脚CN1I SVD70 &A/400VTVLMVVD1VDIOIOCILIMbKA3M2R7VIC3 LM 顶R11 5.1k VD2-M-R45 471(RI6 47kC2L lOOOpIN54 如 Xd VD3 R55 IDG C55 -lOOOp J3.9kFl trz?-Cl 0 lM 450VC20 lOOftp/lkV —-II — TiI2J16R38 I 5kVZDI TH12V”C12474丰63V 红色LEDLEDIQ隰VD12JN4148 i IC3B■m ----------cs 朋 lOOOp 4』k -,IOOV St 22k 的电陶申联VD60 I6VIWV 快連搭复二扱骨,cis 4?0n 半"63VT 40OVC4宁O.Qjp IkVTVD$插座半 100M50V 63 V1C4 4N35J2kt C7 丰iOOOp 丄iwvVTI 2SK274SVW FRI04R6 20iLC*O丁LOOM16V5.1kRIO 2kR33 I起3TL43IRPI 510R4O 4.7kRI7 4,Jk LED2取越发光二极管VDI» LNdi48—M —VZD2 S,1VVVT?2SC2383,再经C3滤正常充电时,R33上端有0.18 —0.2V的电压,此电压经R10加到IC3的3脚,从1脚输出高电平。
智能脉冲电动车充电器电路图电动车充电器常用电动车充电器根据电路结构可大致分为两种。
第一种是以uc3842驱动场效应管的单管开关电源,配合LM358双运放来实现三阶段充电方式。
其电原理图和元件参数见(图表1)220v交流电经T0双向滤波抑制干扰,D1整流为脉动直流,再经C11滤波形成稳定的300V左右的直流电。
U1 为TL3842脉宽调制集成电路。
其5脚为电源负极,7脚为电源正极,6脚为脉冲输出直接驱动场效应管Q1(K1358) 3脚为最大电流限制,调整R25(2.5欧姆)的阻值可以调整充电器的最大电流。
2脚为电压反馈,可以调节充电器的输出电压。
4脚外接振荡电阻R1,和振荡电容C1。
T1为高频脉冲变压器,其作用有三个。
第一是把高压脉冲将压为低压脉冲。
第二是起到隔离高压的作用,以防触电。
第三是为uc3842提供工作电源。
D4为高频整流管(16A60V)C10为低压滤波电容,D5为12V稳压二极管,U3(TL431)为精密基准电压源,配合U2(光耦合器4N35) 起到自动调节充电器电压的作用。
调整w2(微调电阻)可以细调充电器的电压。
D10是电源指示灯。
D6为充电指示灯。
R27是电流取样电阻(0.1欧姆,5w)改变W1的阻值可以调整充电器转浮充的拐点电流(200-300 mA)。
通电开始时,C11上有300v左右电压。
此电压一路经T1加载到Q1。
第二路经R5,C8,C3, 达到U1的第7脚。
强迫U1启动。
U1的6脚输出方波脉冲,Q1工作,电流经R25到地。
同时T1副线圈产生感应电压,经D3,R12给U1提供可靠电源。
T1输出线圈的电压经D4,C10整流滤波得到稳定的电压。
此电压一路经D7(D7起到防止电池的电流倒灌给充电器的作用)给电池充电。
第二路经R14,D5,C9, 为LM358(双运算放大器,1脚为电源地,8脚为电源正)及其外围电路提供12V工作电源。
D9为LM358提供基准电压,经R26,R4分压达到LM358的第二脚和第5脚。
着暖#安琪儿电动车TL一155-6020型充电器电路实绘图□谢比豪的⑳脚为通讯接收端(R X D),⑩脚为发送端(T X D);室外机IC1①脚为通讯发送端,⑬脚为接 收端。
为了简化电路,采用有线载波方式进行信息 传递,用室内机与室外机供电的零线(N)作为一 根通讯线,另一根为专设通讯线(S),通过C N7与 外机相连,室内机AC220V电压经D21半波整 流,R81、R82、R47限流分压,C32X33滤波消噪,再由C W1稳定在+24V为室内通讯电路供电。
室 外机AC220V电压经D23半波整流,R30限流,C53滤波,由C W2、C W3串联稳定在+48V,为室 外通讯电路供电,并在通讯线上形成的D C140V 电压,作为室内、外机串行通讯的载波信号。
通讯电路发生故障时,表现外风机不转动、压 缩机不启动、室内机还会显示通讯电路异常的故 障代码(见表1,见1期)。
例10:加电后风机和压缩机均不工作,室内机显示通讯电路异常故障代码。
分析检修:故障代码明确提示故障部位有通 讯电路,检查室内、外机接线端子板无接触不良及 导线断脱现象。
通电,开机后用指针式万用表测接 线端子板J P1的③(N)、④(S)脚(见图2,见1期)交流电压,正常时应有较大幅度摆动,实测无电 压,说明通讯电路有故障。
首先检查供电情况,测 JP1的②(L)、③(N)脚间有AC220V电压,室内、外机通讯电路+5V电源也正常。
再检查室内机电 路板上I C22的④脚有脉动电压,表明室内通讯电 路基本正常,随后检查室外机电路板上I C25的④ 脚无脉冲电压,说明室外通讯电路有问题。
检查 D23、R30、I C25、IC26、C W2、CTW3 等相关元件,发现是大功率限流电阻R30(3.5kn/7W)烧断开 路,用一只同规格电阻代换后试机,空调恢复正常 工作,故障排除。
围(全文完)。
电路原理:AC220V市电经变压器T1降压,经D1-D4全波整流后,供给充电电路工作。
当输出端按正确极性接入设定的被充电瓶后,若整流输出脉动电压的每个半波峰值超过电瓶的输出电压,则可控硅SCR经Q的集电极电流触发导通,电流经可控硅给电瓶充电。
脉动电压接近电瓶电压时,可控硅关断,停止充电。
调节R4,可调节晶体管Q的导通电压,一般可将R4由大到小调整到Q导通能触发可控硅(导通)即可。
图中发光管D5用作电源指示,而D6用作充电指示。
电路特点:输出电压设定好后(例如36V),若被充电瓶极板脱落断开,造成某组电池不通,或出现短路,则电瓶端电压即降低或为零,这时充电器将无输出电流;若被充电瓶电压偏离设定电压,如设定电压为36V,误接24V、12V、6V电瓶等,充电器也无输出电流,若设定为24V误接为36V电瓶,由于充电器输出电压低于电瓶电压,因而也不能向电瓶充电:充电器两输出端若短路时,由于充电器中可控硅SCR的触发电路不能工作,因而可控硅不导通,输出电流为零:若使用时误将电瓶正负极接反,则可控硅触发电路反向截止,无触发信号,可控硅不导通,输出电流为零:采用脉冲充电,有利于延长电瓶寿命。
由于低压交流电经全波整流后是脉动直流,只有当其波峰电压大于电瓶电压时,可控硅才会导通,而当脉动直流电压处于波谷区时,可控硅反偏截止,停止向电瓶充电,因而流过电瓶的是脉动直流电;。
快速充电,充满自停。
由于刚开始充电时电瓶两端电压较低,因而充电电流较大。
当电瓶即将充足时(36V电瓶端电压可达44V),由于充电电压越来越接近脉动直流输出电压的波峰值,则充电电流也会越来越小,自动变为涓流充电。
当电瓶两端电压被充到整流输出的波峰最大值时,充电过程停止。
经试验,三节电动车蓄电池36V(12V/12Ah三节串联),用该充电器只需几个小时即可充满;电路简单、易于制作,几乎不用维护及维修。
/儒道至圣。
雅迪电动车充电器电路图(高标牌)雅迪的此款充电器是高标针对电动自行车铅酸电池包开发的智能型充电器,具有电池温度补偿和正负脉冲充电功能,能有效的延长电池的使用寿命、提高充电效率和避免电池硫酸盐化。
高效率开关电源加单片机智能控制技术,使本机具有输入电压宽、充电效率高、充电电压控制精准等特点;本充电器具有完善可靠的短路、过流、过压、反接等保护,使用更安全、更放心。
其电路图如下:T0:双向滤波抑制干扰D1:整流C11:滤波IC1:μc3842脉宽调制集成电路。
其5脚为电源负极;7脚为电源正极;6脚为脉冲输出直接驱动场效应管Q1(K1358);3脚为最大电流限制,调整R25(2.5欧姆)的阻值可以调整充电器的最大电流;2脚为电压反馈,可以调节充电器的输出电压;4脚外接振荡电阻R1,和振荡电容C1T1为高频脉冲变压器,其作用有三个:第一是把高压脉冲降压为低压脉冲;第二是起到隔离高压的作用,以防触电;第三是为μc3842提供工作电源D4:高频整流管(16A60V)C10:低压滤波电容D5:12V稳压二极管IC3:(TL431)为精密基准电压源,配合IC2(光电耦合器4N35)起到自动调节充电器电压的作用。
调整w2(微调电阻)可以细调充电器的电压。
D6:充电指示灯D10:电池浮充(充满)指示灯R27:电流取样电阻(0.1欧姆,5w)改变W1的阻值可以调整充电器转浮充的拐点电流(200-300 mA)通电开始时,C11上有300v左右电压。
此电压一路经T1加载到Q1。
第二路经R5,C8,C3, 达到IC1的第7脚。
强迫IC1启动。
IC1的6脚输出方波脉冲,Q1工作,电流经R25到地。
同时T1副线圈产生感应电压,经D3、R12给IC1提供可靠电源。
T1输出线圈的电压经D4、C10整流滤波得到稳定的电压。
此电压一路经D7(D7起到防止电池的电流倒灌给充电器的作用)给电池充电。
第二路经R14、D5、C9, 为LM358(双运算放大器,4脚为电源地,8脚为电源正)及其外围电路提供12V工作电源。
雅迪的此款充电器是高标针对电动自行车铅酸电池包开发的智能型充电器,具有电池温度补偿和正负脉冲充电功能,能有效的延长电池的使用寿命、提高充电效率和避免电池硫酸盐化。
高效率开关电源加单片机智能控制技术,使本机具有输入电压宽、充电效率高、充电电压控制精准等特点;本充电器具有完善可靠的短路、过流、过压、反接等保护,使用更安全、更放心。
其电路图如下:T0:双向滤波抑制干扰D1:整流C11:滤波IC1:μc3842脉宽调制集成电路。
其5脚为电源负极;7脚为电源正极; 6脚为脉冲输出直接驱动场效应管Q1(K1358);3脚为最大电流限制,调整 R25欧姆)的阻值可以调整充电器的最大电流;2脚为电压反馈,可以调节充电器的输出电压;4脚外接振荡电阻R1,和振荡电容C1T1为高频脉冲变压器,其作用有三个:第一是把高压脉冲降压为低压脉冲;第二是起到隔离高压的作用,以防触电;第三是为μc3842提供工作电源D4:高频整流管(16A60V)C10:低压滤波电容D5:12V稳压二极管IC3:(TL431)为精密基准电压源,配合IC2(光电耦合器4N35)起到自动调节充电器电压的作用。
调整w2(微调电阻)可以细调充电器的电压。
D6:充电指示灯D10:电池浮充(充满)指示灯R27:电流取样电阻(欧姆,5w)改变W1的阻值可以调整充电器转浮充的拐点电流(200-300 mA)通电开始时,C11上有300v左右电压。
此电压一路经T1加载到Q1。
第二路经R5,C8,C3, 达到IC1的第7脚。
强迫IC1启动。
IC1的6脚输出方波脉冲,Q1工作,电流经R25到地。
同时T1副线圈产生感应电压,经D3、R12给IC1提供可靠电源。
T1输出线圈的电压经D4、C10整流滤波得到稳定的电压。
此电压一路经D7(D7起到防止电池的电流倒灌给充电器的作用)给电池充电。
第二路经R14、D5、C9, 为LM358(双运算放大器,4脚为电源地,8脚为电源正)及其外围电路提供12V工作电源。
雅迪电动车充电器电路图(高标牌)雅迪的此款充电器是高标针对电动自行车铅酸电池包开发的智能型充电器,具有电池温度补偿和正负脉冲充电功能,能有效的延长电池的使用寿命、提高充电效率和避免电池硫酸盐化。
高效率开关电源加单片机智能控制技术,使本机具有输入电压宽、充电效率高、充电电压控制精准等特点;本充电器具有完善可靠的短路、过流、过压、反接等保护,使用更安全、更放心。
其电路图如下:T0:双向滤波抑制干扰D1:整流C11:滤波IC1:μc3842脉宽调制集成电路。
其5脚为电源负极;7脚为电源正极;6脚为脉冲输出直接驱动场效应管Q1(K1358);3脚为最大电流限制,调整R25(2.5欧姆)的阻值可以调整充电器的最大电流;2脚为电压反馈,可以调节充电器的输出电压;4脚外接振荡电阻R1,和振荡电容C1T1为高频脉冲变压器,其作用有三个:第一是把高压脉冲降压为低压脉冲;第二是起到隔离高压的作用,以防触电;第三是为μc3842提供工作电源D4:高频整流管(16A60V)C10:低压滤波电容D5:12V稳压二极管IC3:(TL431)为精密基准电压源,配合IC2(光电耦合器4N35)起到自动调节充电器电压的作用。
调整w2(微调电阻)可以细调充电器的电压。
D6:充电指示灯D10:电池浮充(充满)指示灯R27:电流取样电阻(0.1欧姆,5w)改变W1的阻值可以调整充电器转浮充的拐点电流(200-300 mA)通电开始时,C11上有300v左右电压。
此电压一路经T1加载到Q1。
第二路经R5,C8,C3, 达到IC1的第7脚。
强迫IC1启动。
IC1的6脚输出方波脉冲,Q1工作,电流经R25到地。
同时T1副线圈产生感应电压,经D3、R12给IC1提供可靠电源。
T1输出线圈的电压经D4、C10整流滤波得到稳定的电压。
此电压一路经D7(D7起到防止电池的电流倒灌给充电器的作用)给电池充电。
第二路经R14、D5、C9, 为LM358(双运算放大器,4脚为电源地,8脚为电源正)及其外围电路提供12V工作电源。
五款电动车充电器电路图讲解电动车充电器电路图一下图为充电器的电路原理图,主要由整流滤波、高压开关、电压变换、恒流、恒压及充电控制等几部分组成。
其基本原理是充电器将输入的220V市电电压经整流滤波后转变为直流300V左右的电压,通过开关管的接通和关断,使300V直流电压变成受控制的交流电压,交流电压通过开关变压器耦合后在其二次侧产生低压交流电,低压交流电再通过二极管整流后输出直流充电电压。
开关管受电源厚模块的控制,4N35光耦合器将二次电压波动信号反馈给电源厚模块,从而达到稳定输出电压的目的。
使用开关电源作为充电器的好处是能有效的根据负载的大小控制输出,保护负载并节约能源。
电动车充电器电路图二第二种:图1:以3842驱动场效应管的单管开关电源,配合358双运放来实现三阶段充电方式。
其电原理图和元件参数见图表2图表2工作原理:220v交流电经T0双向滤波抑制干扰,D1整流为脉动直流,再经C11滤波形成稳定的300V左右的直流电。
U1 为3842脉宽调制集成电路。
其5脚为电源负极,7脚为电源正极,6脚为脉冲输出直接驱动场效应管Q1(K1358)3脚为最大电流限制,调整R25(2.5欧姆)的阻值可以调整充电器的最大电流。
2脚为电压反馈,可以调节充电器的输出电压。
4脚外接振荡电阻R1,和振荡电容C1。
T1为高频脉冲变压器,其作用有三个。
第一是把高压脉冲将压为低压脉冲。
第二是起到隔离高压的作用,以防触电。
第三是为uc3842提供工作电源。
D4为高频整流管(16A60V)C10为低压滤波电容,D5为12V 稳压二极管,U3(431)为精密基准电压源,配合U2(光耦合器4N35)起到自动调节充电器电压的作用。
调整w2(微调电阻)可以细调充电器的电压。
D10是电源指示灯。
D6为充电指示灯。
R27是电流取样电阻(0.1欧姆,5w)改变W1的阻值可以调整充电器转浮充的拐点电流(200-300 mA)通电开始时,C11上有300v左右电压。
雅迪电动车充电器电路图(高标牌)欧阳光明(2021.03.07)雅迪的此款充电器是高标针对电动自行车铅酸电池包开发的智能型充电器,具有电池温度补偿和正负脉冲充电功能,能有效的延长电池的使用寿命、提高充电效率和避免电池硫酸盐化。
高效率开关电源加单片机智能控制技术,使本机具有输入电压宽、充电效率高、充电电压控制精准等特点;本充电器具有完善可靠的短路、过流、过压、反接等保护,使用更安全、更放心。
其电路图如下:T0:双向滤波抑制干扰D1:整流C11:滤波IC1:μc3842脉宽调制集成电路。
其5脚为电源负极;7脚为电源正极;6脚为脉冲输出直接驱动场效应管Q1(K1358);3脚为最大电流限制,调整 R25(2.5欧姆)的阻值可以调整充电器的最大电流;2脚为电压反馈,可以调节充电器的输出电压;4脚外接振荡电阻R1,和振荡电容C1T1为高频脉冲变压器,其作用有三个:第一是把高压脉冲降压为低压脉冲;第二是起到隔离高压的作用,以防触电;第三是为μc3842提供工作电源D4:高频整流管(16A60V)C10:低压滤波电容D5:12V稳压二极管IC3:(TL431)为精密基准电压源,配合IC2(光电耦合器4N35)起到自动调节充电器电压的作用。
调整w2(微调电阻)可以细调充电器的电压。
D6:充电指示灯D10:电池浮充(充满)指示灯R27:电流取样电阻(0.1欧姆,5w)改变W1的阻值可以调整充电器转浮充的拐点电流(200-300 mA)通电开始时,C11上有300v左右电压。
此电压一路经T1加载到Q1。
第二路经R5,C8,C3, 达到IC1的第7脚。
强迫IC1启动。
IC1的6脚输出方波脉冲,Q1工作,电流经R25到地。
同时T1副线圈产生感应电压,经D3、R12给IC1提供可靠电源。
T1输出线圈的电压经D4、C10整流滤波得到稳定的电压。
此电压一路经D7(D7起到防止电池的电流倒灌给充电器的作用)给电池充电。
第二路经R14、D5、C9, 为LM358(双运算放大器,4脚为电源地,8脚为电源正)及其外围电路提供12V工作电源。
电动自行车充电器的原理与检修电动自行车充电器多采用开关型电源,型号虽多,但电路结构大同小异,主要区别在所选用的脉宽调制(PWM)芯片不同(如UC3845、UC3842、SG3524,TL494)。
现以佳腾牌充电器为例,介绍其原理和故障检修方法。
一、电路原理根据实物测绘的佳腾牌充电器电路原理如图1所示。
整机可分为PWM产生和推动电路、功率开关变换电路、充电状态指示电路和交流输入电路四个部分。
I.PWM产生和推动电路PWM产生电路由IC1(TL494)和外围元件构成。
TL494是PWM开关电源集成电路。
引脚功能和内部方框图如图2所示IC1第⑤、⑥脚外接的C1O、R19是定时元件,决定锯齿波振荡器的振荡频率,f=1.1/RC,按图中数值为50kHz 。
第(14)脚是+5V基准电压输出端,除片内使用外,还直接或分压后供第②、④、(13)脚和IC2使用。
第(13)脚为输出方式控制端,在该脚接低电平时为单端输出方式,图中接第(14)脚+5V高电平,为双端输出方式。
第④脚为死区时间控制端,该脚电位决定死区时间。
电位升高,死区时间延长,输出脉宽变窄,当电位大于锯齿波电压时,输出脉宽将变得很窄,甚至停振。
凡输出端采用半桥式或全桥式开关电路,都要正确设置死区时间,以免两个开关管同时导通,发生电源短路的危险。
图中该脚电位由基准电压经R24和R20分压取得,实测电压为0.46V。
C1 5是软启动电容。
第①、②脚和第(16)、(15)脚是IC1内部两个电压比较器的正、反相输入端,分别用作充电电压取样和充电电流取样。
+44V充电电压经R28、R2 7和R26分压反馈至第①脚。
C15是软启动电容。
第②脚电位由基准电压经R23和R3分压取得,实测为3.2V,第①脚电位愈高,输出脉宽愈窄,充电电压愈低;反之脉宽增宽,充电电压升高从而实现稳定+44V充电电压的目的。
Ra是充电压调试电阻,Ra和R26的并联阻值愈小,充电电压愈高。
R29是充电电流取样电阻,由该电阻上取得的电压变化,经R13送入IC1第(15)脚。
48伏电瓶车充电器原理图.pdf48伏电瓶车充电器原理图常用电动车充电器根据电路结构可大致分为两种。
第一种是以uc3842驱动场效应管的单管开关电源,配合LM358双运放来实现三阶段充电方式。
其电原理图和元件参数见图表1 点击图片在新窗口查看清晰大图图表1工作原理:220v交流电经T0双向滤波抑制干扰,D1整流为脉动直流,再经C11滤波形成稳定的300V左右的直流电。
U1 为TL3842脉宽调制集成电路。
其5脚为电源负极,7脚为电源正极,6脚为脉冲输出直接驱动场效应管Q1(K1358) 3脚为最大电流限制,调整R25(2.5欧姆)的阻值可以调整充电器的最大电流。
2脚为电压反馈,可以调节充电器的输出电压。
4脚外接振荡电阻R1,和振荡电容C1。
T1为高频脉冲变压器,其作用有三个。
第一是把高压脉冲将压为低压脉冲。
第二是起到隔离高压的作用,以防触电。
第三是为uc3842提供工作电源。
D4为高频整流管(16A60V)C10为低压滤波电容,D5为12V稳压二极管,U3(TL431)为精密基准电压源,配合U2(光耦合器4N35) 起到自动调节充电器电压的作用。
调整w2(微调电阻)可以细调充电器的电压。
D10是电源指示灯。
D6为充电指示灯。
R27是电流取样电阻(0.1欧姆,5w)改变W1的阻值可以调整充电器转浮充的拐点电流(200-300 mA)通电开始时,C11上有300v左右电压。
此电压一路经T1加载到Q1。
第二路经R5,C8,C3, 达到U1的第7脚。
强迫U1启动。
U1的6脚输出方波脉冲,Q1工作,电流经R25到地。
同时T1副线圈产生感应电压,经D3,R12给U1提供可靠电源。
T1输出线圈的电压经D4,C10整流滤波得到稳定的电压。
此电压一路经D7(D7起到防止电池的电流倒灌给充电器的作用)给电池充电。
第二路经R14,D5,C9, 为LM358(双运算放大器,1脚为电源地,8脚为电源正)及其外围电路提供12V工作电源。
权威电动车充电器电路图
1、半桥式智能电动车充电器电路图
2、负脉冲式智能型电动车充电器
高标科技是一家集研发、生产、销售为一体的国家级高新技术企业。
市场占有率稳居第一,并在环保电能交通工具控制系统、业务与软件、专业服务等三大领域都确立了端到端的领先地位。
3、单极反激式智能型电动车充电器
4、单极正激式智能型电动车充电器
5、专用单片控制的智能型电动车充电器
高标科技一直从事自主研发,目前已拥有100多项专利、30多项发明技术专利,先后被认定为国家级高新技术企业、智能驱动重点实验室、深圳职业学院产学研基地、东莞理工学院产学研基地、中科院华南新能源研究所合作单位。
6、单片机控制的智能型电动车充电器
7、高标智能电动车充电器
电动自行车充电器可以在充满时自动转入浮充,但不能自动结束浮充。
电动车采用铅酸电池,浮充时间以2小时左右为宜,充电不足或过充都对电池不利。
如果接近或超过8小时仍未充满,就应该进行加液维护。
要是不知道转入浮充的大概时间,则不知道什么时间为充电器断电及何时进行加液维护。
故高标研发了
本控制器以解决上述不便。
雅迪电动车充电器电路图(高标牌)雅迪的此款充电器是高标针对电动自行车铅酸电池包开发的智能型充电器,具有电池温度补偿和正负脉冲充电功能,能有效的延长电池的使用寿命、提高充电效率和避免电池硫酸盐化。
高效率开关电源加单片机智能控制技术,使本机具有输入电压宽、充电效率高、充电电压控制精准等特点;本充电器具有完善可靠的短路、过流、过压、反接等保护,使用更安全、更放心。
其电路图如下:T0:双向滤波抑制干扰D1:整流C11:滤波IC1:μc3842脉宽调制集成电路。
其5脚为电源负极;7脚为电源正极;6脚为脉冲输出直接驱动场效应管Q1(K1358);3脚为最大电流限制,调整R25(2.5欧姆)的阻值可以调整充电器的最大电流;2脚为电压反馈,可以调节充电器的输出电压;4脚外接振荡电阻R1,和振荡电容C1T1为高频脉冲变压器,其作用有三个:第一是把高压脉冲降压为低压脉冲;第二是起到隔离高压的作用,以防触电;第三是为μc3842提供工作电源D4:高频整流管(16A60V)C10:低压滤波电容D5:12V稳压二极管IC3:(TL431)为精密基准电压源,配合IC2(光电耦合器4N35)起到自动调节充电器电压的作用。
调整w2(微调电阻)可以细调充电器的电压。
D6:充电指示灯D10:电池浮充(充满)指示灯R27:电流取样电阻(0.1欧姆,5w)改变W1的阻值可以调整充电器转浮充的拐点电流(200-300 mA)通电开始时,C11上有300v左右电压。
此电压一路经T1加载到Q1。
第二路经R5,C8,C3, 达到IC1的第7脚。
强迫IC1启动。
IC1的6脚输出方波脉冲,Q1工作,电流经R25到地。
同时T1副线圈产生感应电压,经D3、R12给IC1提供可靠电源。
T1输出线圈的电压经D4、C10整流滤波得到稳定的电压。
此电压一路经D7(D7起到防止电池的电流倒灌给充电器的作用)给电池充电。
第二路经R14、D5、C9, 为LM358(双运算放大器,4脚为电源地,8脚为电源正)及其外围电路提供12V工作电源。
电动车充电器电路图及维修方法第一篇:电动车充电器电路图及维修方法电动车充电器电路图及维修方法充电器常见的故障有三大类:高压故障;低压故障;高压、低压均有故障。
1、高压故障的主要现象是指示灯不亮,其特征有保险丝熔断,整流二极管D1击穿,电容C11鼓包或炸裂。
Q1击穿,R25开路。
U1的7脚对地短路。
R5开路,U1无启动电压,更换以上元件即可修复。
2、若U1的7脚有11V以上电压,8脚有5V电压,说明U1基本正常。
应重点检测Q1和T1的引脚是否有虚焊。
若连续击穿Q1,且Q1不发烫,一般是D2,C4失效,若是Q1击穿且发烫,一般是低压部分有漏电或短路,过大或UC3842的6脚输出脉冲波形不正常,Q1的开关损耗和发热量大增,导致Q1过热烧毁。
高压故障的其他现象有指示灯闪烁,输出电压偏低且不稳定,一般是T1的引脚有虚焊,或者D3、R12开路,TL3842及其外围电路无工作电源。
3、另有一种罕见的高压故障是输出电压偏高到120V以上,一般是U2失效,R13开路所致或U3击穿使U1的2脚电压拉低,6脚送出超宽脉冲。
此时不能长时间通电,否则将严重烧毁低压电路。
低压故障大部分是充电器与电池正负极接反,导致R27烧断、LM358击穿。
其现象是红灯一直亮,绿灯不亮,输出电压低,或者输出电压接近0V,更换以上元件即可修复。
4、另外W2因抖动,输出电压漂移,若输出电压偏高,电池会过充,严重失水,发烫,最终导致热失控,充爆电池。
若输出电压偏低,会导致电池欠充。
高低压电路均有故障时,通电前应首先全面检测所有的二极管、三极管、光耦合器4N35、场效应管、电解电容、集成电路、R25、R5、R12、R27,尤其是D4(16A60V,快恢复二极管),C10(63V,470UF)。
避免盲目通电使故障范围进一步扩大。
有一部分充电器输出端具有防反接、防短路等特殊功能。
其实就是输出端多加一个继电器,在反接,短路的情况下继电器不工作,充电器无电压输出。
电动车快速充电器电路图
笔者经反复试验,制作了一款可靠的电动自行车充电器,电路如附图所示。
电动车快速充电器电路
一、电路特点:
1.输出电压设定好后(例如36V),若被充电瓶极板脱落断开,造成某组电池不通,或出现短路,则电瓶端电压即降低或为零,这时充电器将无输出电流。
2.若被充电瓶电压偏离设定电压,如设定电压为36V,误接24V、12V、6V电瓶等,充电器也无输出电流,若设定为24V误接为36V电瓶,由于充电器输出电压低于电瓶电压,因而也不能向电瓶充电。
3.充电器两输出端若短路时,由于充电器中可控硅SCR的触发电路不能工作,因而可控硅不导通,输出电流为零。
4.若使用时误将电瓶正负极接反,则可控硅触发电路反向截止,无触发信号,可控硅不导通,输出电流为零。
5.采用脉冲充电,有利于延长电瓶寿命。
由于低压交流电经全波整流后是脉动直流,只有当其波峰电压大于电瓶电压时,可控硅才会导通,而当脉动直流电压处于波谷区时,可控硅反偏截止,停止向电瓶充电,因而流过电瓶的是脉动直流电。
6.快速充电,充满自停。
由于刚开始充电时电瓶两端电压较低,因而充电电流较大。
当电瓶即将充足时(36V电瓶端电压可达44V),由于充电电压越来越接近脉动直流输出电压的
波峰值,则充电电流也会越来越小,自动变为涓流充电。
当电瓶两端电压被充到整流输出的波峰最大值时,充电过程停止。
经试验,三节电动车蓄电池36V(12V/12Ah三节串联),用该充电器只需几个小时即可充满。
7.电路简单、易于制作,几乎不用维护及维修。
二、电路原理:
AC220V市电经变压器T1降压,经D1-D4全波整流后,供给充电电路工作。
当输出端按正确极性接入设定的被充电瓶后,若整流输出脉动电压的每个半波峰值超过电瓶的输出电压,则可控硅SCR经Q的集电极电流触发导通,电流经可控硅给电瓶充电。
脉动电压接近电瓶电压时,可控硅关断,停止充电。
调节R4,可调节晶体管Q的导通电压,一般可将
R4由大到小调整到Q导通能触发可控硅(导通)即可。
图中发光管D5用作电源指示,而D6用作充电指示。
三、元件选择:
电源变压器可用BK200型控制变压器,输出电压用36V挡,亦可用4090型200V环形变压器,选次级电压为22Vx2或20V×2挡串联使用。
笔者使用的4090型环变,其次级电压为24Vx2、12Vx2、0-6-23V三组,若将其24Vx2挡串联(48V),则输出电压太高,充电电流过大(给36V电动车蓄电池充电时,串上电流表测量平均充电电流约为1.5-1.8A,此为平均值,这时的峰值电流可达5-7A以上),为降低变压器输出电压,将其余的12V×2和O-6V两组线圈顺向串接于初级线圈中,使次级输出电压降低为空载40V,满载(平均充电电流为1.2A时)为36V,可满足使用。
由于4090型环形变压器市售价格仅为23元左右.可以降低制作成本。
爱好者也可自行绕制变压器。
另外,电路中整流全桥D1-D4可选用8-10A方形全桥,中间有一圆形安装孔,可安装在铝板上以便散热。
可控硅可用1OA/100V金封单向可控硅,将其同整流桥用螺母固定在同一散热铝板上。
触发三极管Q的参数为Vceo≥60V,IM=1A,可选用2SB536、B564、B1008、B1015或2SA*、A720等管子。
R6用作限流保护作用,若变压器次级输出电压合适,充电电流(平均值)不超过1.5A,该电阻亦可省去不用。
该充电器若用于其他电压的蓄电池充电(如24V、12V等),则可选取变压器的次级输出
电压分别为22V-26V、12V-14V等类型,同时适当减小R2和R5的阻值,也可用波段开关分别控制次级交流电压和阻值转换,使该充电器有更大的使用范围。