机械工程材料第四章铁碳合金相图
- 格式:doc
- 大小:75.50 KB
- 文档页数:8
第四节铁碳合金相图从某种意义上讲,铁碳合金相图是研究铁碳合金的工具,是研究碳钢和铸铁成分、温度、组织和性能之间关系的理论基础,也是制定各种热加工工艺的依据。
一、铁碳合金中的基本相铁碳合金相图实际上是Fe-Fe3C相图,铁碳合金的基本组元也应该是纯铁和Fe3C。
铁存在着同素异晶转变,即在固态下有不同的结构。
不同结构的铁与碳可以形成不同的固溶体,Fe—Fe3C相图上的固溶体都是间隙固溶体。
由于α-Fe和γ-Fe晶格中的孔隙特点不同,因而两者的溶碳能力也不同。
1.铁素体2.奥氏体3.渗碳体二、铁碳合金相图分析1.Fe- Fe3C相图中的特性点图4-14是Fe- Fe3C相图。
图中各点的温度、含碳量及其意义示于表4-1中。
Fe- Fe3C相图中的特性点均采用固定的字母表示。
图4-14 Fe-Fe3C相图2.Fe-Fe3C相图中的特性线相图中的ABCD线为液相线,AHJECFD为固相线,ES线是碳在γ-Fe中的固溶度曲线,又叫作Acm 线。
PQ线是碳在α-Fe中的固溶度曲线。
GS线是冷却过程中,由奥氏体中析出铁素体的开始线,或者是加热时,铁素体溶入奥氏体的终止线,GS线又叫作A3线。
根据生成条件的不同,渗碳体可分为一次渗碳体、二次渗碳体、三次渗碳体、共晶渗碳体、共析渗碳体五种。
它们的不同形态与分布,除对铁碳合金性能有不同影响外,就其本身来讲,并无本质区别。
三、铁碳合金的结晶过程下面以几种典型的铁碳合金为例,分析其平衡结晶过程及组织。
由于工业纯铁的实际应用较少,所以这里不分析其结晶过程。
所选合金的成分如图4-15所示。
图4-15 6个典型的铁碳合金结晶过程分析1.共析钢的结晶过程分析图4-15中,合金①是共析钢,其结晶过程示于图4-16。
图4-16 共析钢结晶过程示意图2.亚共析钢的结晶过程分析图4-15中的合金②是亚共析钢,其结晶过程如图4-17所示。
图4-17 亚共析钢结晶过程示意图3.过共析钢的结晶过程分析图4-15中的合金③是过共析钢,其结晶过程如图4-18所示。
第四章铁碳合金第一节铁碳合金系相图一、铁碳合金系组元的特性1、纯铁纯铁的同素异构转变金属在固态下,晶格类型随温度变化的现象。
重结晶δ-Fe。
α-Fe,γ-Fe2、碳石墨:六棱柱体0.142纳米0.34纳米耐高温导电润滑强度、硬度、塑性、韧性极低金刚石:正四面体共价键巴基球:60个碳原子12个五边形和20个六边形球面结构三维超导体非线性光学材料二、铁碳双重相图碳在铁碳合金中的存在形式固溶体渗碳体石墨Fe3C Fe2C FeCFe-Fe3C与Fe-G三、Fe-Fe3C相图的特征1、图中的基本相(1)铁素体:碳溶于α-Fe中形成的间隙固溶体。
Fα强度、硬度低,塑性、韧性高2、奥氏体:碳溶于γ-Fe中形成的固溶体。
Aγ强度、硬度不高,塑性很好3、渗碳体:铁和碳形成的金属化合物。
Fe3C4、δ固溶体:碳溶于δ -Fe中形成的间隙固溶体。
5、液相L第二节铁碳合金平衡结晶过程分析一、铁碳合金的分类(一)工业纯铁:C<0.0218%(二)钢共析钢:C=0.77%亚共析钢:0.0218%<C<0.77%过共析钢:0.77%<C<2.11%(三)白口铸铁共晶白口铸铁:C=4.3%亚晶白口铸铁:2.11%<C<4.3%过共晶白口铸铁:4.3%<C<6.69%第四节碳钢一、钢铁材料的生产过程1、碳钢中的常存元素碳钢中的常存元素是指除Fe、C外,因冶金必然带来的、且对性能有一定影响其它元素,在碳钢中一般指:Si、Mn 冶金时自然存在对性能无不利影响而保留S、P 冶金时难以彻底清除而存在于钢中一般钢中大致含量:Si 0.25~0.30%Mn 0.25~0.50%S <0.05% P <=0.045 三、碳钢的分类、牌号及应用第四节碳钢1、碳钢的分类:按含碳量分:低碳钢WC 0.25%中碳钢0.25%< WC 0.6%高碳钢WC>0.6%按质量分:普通碳素钢WP 0.045%WS 0.055%优质碳素钢WP 0.040%WS 0.040%高级优质碳素钢WP 0.035%WS 0.030%2、碳钢的牌号及应用(1)普通碳素结构钢:五类20种。
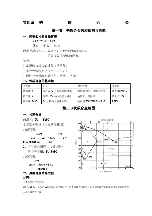
第四章铁碳合金第一节铁碳合金的相结构与性能一、纯铁的同素异晶转变δ-Fe→γ-Fe→α-Fe体心面心体心同素异晶转变——固态下,一种元素的晶体结构随温度发生变化的现象。
特点:? 是形核与长大的过程(重结晶)? 将导致体积变化(产生内应力)? 通过热处理改变其组织、结构→ 性能二、铁碳合金的基本相第二节铁碳合金相图一、相图分析两组元:Fe、Fe3C上半部分图形(二元共晶相图)共晶转变:1148℃727℃L4.3 → A2.11+ Fe3C → P +Fe3C莱氏体Ld Ld′2、下半部分图形(共析相图)两个基本相:F、Fe3C共析转变:727℃A0.77→ F0.0218 + Fe3C珠光体P二、典型合金结晶过程分类:三条重要的特性曲线??? ① GS线---又称为A3线它是在冷却过程中由奥氏体析出铁素体的开始线或者说在加热过程中铁素体溶入奥氏体的终了线.??? ② ES线---是碳在奥氏体中的溶解度曲线当温度低于此曲线时就要从奥氏体中析出次生渗碳体通常称之为二次渗碳体因此该曲线又是二次渗碳体的开始析出线.也叫Acm线.??? ③ PQ线---是碳在铁素体中的溶解度曲线.铁素体中的最大溶碳量于727oC时达到最大值0.0218%.随着温度的降低铁素体中的溶碳量逐渐减少在300oC以下溶碳量小于0.001%.因此当铁素体从727oC冷却下来时要从铁素体中析出渗碳体称之为三次渗碳体记为Fe3CⅢ.工业纯铁(<0.0218%C)钢(0.0218-2.11%C)——亚共析钢、共析钢(0.77%C)、过共析钢白口铸铁(2.11-6.69%C)——亚共晶白口铸铁、共晶白口铸铁、过共晶白口铸铁L → L+A → A → P(F+Fe3C)L → L+A → A → A+F → P+FL → L+A → A → A+ Fe3CⅡ→ P+ Fe3CⅡ4、共晶白口铸铁L → Ld(A+Fe3C) → Ld(A+Fe3C+ Fe3CⅡ) → Ld′(P+Fe3C+ Fe3CⅡ)5、亚共晶白口铸铁L → Ld(A+Fe3C) + A → Ld+A+ Fe3CⅡ→ Ld′+P+ Fe3CⅡ6、过共晶白口铸铁L → Ld(A+Fe3C) + Fe3C → Ld + Fe3C→ Ld′+ Fe3C三、铁碳合金的成分、组织、性能之间的关系1、含碳量对铁碳合金平衡组织的影响2、含碳量对铁碳合金力学性能的影响四、铁碳合金相图的应用1、选材方面的应用2、在铸造、锻造和焊接方面的应用3、在热处理方面的应用第三节碳钢(非合金钢)碳钢是指ωc≤2.11%,并含有少量锰、硅、磷、硫等杂质元素的铁碳合金。
第四章铁碳合金相图教学目的及其要求通过本章学习,使学生们掌握铁碳合金的基本知识,学懂铁碳相图的特征点、线及其意义,了解铁碳相图的应用。
主要内容1.铁碳合金的相组成2.铁碳合金相图及其应用3.碳钢的分类、编号及应用学时安排讲课4学时教学重点1.铁碳合金相图及应用2.典型合金的结晶过程分析教学难点铁碳合金相图的分析和应用。
教学过程第一节纯铁、铁碳合金中的相一、铁碳合金的组元铁:熔点1538℃,塑性好,强度硬度极低,在结晶过程中存在着同素异晶转变。
不同结构的铁与碳可以形成不同的固溶体。
由于纯铁具有同素异构转变,在生产上可以通过热处理对钢和铸铁改变其组织和性能。
碳:在Fe-Fe3C相图中,碳有两种存在形式:一是以化合物Fe3C形式存在;二是以间隙固溶体形式存在。
二、铁碳合金中的基本相相:指系统中具有同一聚集状态、同一化学成分、同一结构并以界面隔开的均匀组成部分。
铁碳合金系统中,铁和碳相互作用形成的相有两种:固溶体和金属化合物。
固溶体是铁素体和奥氏体;金属化合物是渗碳体。
这也是碳在合金中的两种存在形式。
1.铁素体碳溶于α-Fe中形成的间隙固溶体称为铁素体,用α或者F表示,为体心立方晶格结构。
塑性好,强度硬度低。
2.奥氏体碳溶于γ-Fe中形成的间隙固溶体称为奥氏体,用γ或者A表示,为面心立方晶格结构。
塑性好,强度硬度略高于铁素体,无磁性。
3.渗碳体Fe3C:晶体结构复杂,含碳量6.69%,熔点高,硬而脆,几乎没有塑性。
渗碳体对合金性能的影响:(1)渗碳体的存在能提高合金的硬度、耐磨性,使合金的塑性和韧性降低。
(2)对强度的影响与渗碳体的形态和分布有关:以层片状或粒状均匀分布在组织中,能提高合金的强度;以连续网状、粗大的片状或作为基体出现时,急剧降低合金的强度、塑性韧性。
二、两相机械混合物珠光体:铁素体与渗碳体的两相混合物,强度、硬度及塑性适中。
莱氏体:奥氏体与渗碳体的混合物;室温下为珠光体与渗碳体的混合物,又硬又脆。
第四章铁碳合金相图教学目的及其要求通过本章学习,使学生们掌握铁碳合金的基本知识,学懂铁碳相图的特征点、线及其意义,了解铁碳相图的应用。
主要内容1.铁碳合金的相组成2.铁碳合金相图及其应用3.碳钢的分类、编号及应用学时安排讲课4学时教学重点1.铁碳合金相图及应用2.典型合金的结晶过程分析教学难点铁碳合金相图的分析和应用。
教学过程第一节纯铁、铁碳合金中的相一、铁碳合金的组元铁:熔点1538℃,塑性好,强度硬度极低,在结晶过程中存在着同素异晶转变。
不同结构的铁与碳可以形成不同的固溶体。
由于纯铁具有同素异构转变,在生产上可以通过热处理对钢和铸铁改变其组织和性能。
碳:在Fe-Fe3C相图中,碳有两种存在形式:一是以化合物Fe3C形式存在;二是以间隙固溶体形式存在。
二、铁碳合金中的基本相相:指系统中具有同一聚集状态、同一化学成分、同一结构并以界面隔开的均匀组成部分。
铁碳合金系统中,铁和碳相互作用形成的相有两种:固溶体和金属化合物。
固溶体是铁素体和奥氏体;金属化合物是渗碳体。
这也是碳在合金中的两种存在形式。
1.铁素体碳溶于α-Fe中形成的间隙固溶体称为铁素体,用α或者F表示,为体心立方晶格结构。
塑性好,强度硬度低。
2.奥氏体碳溶于γ-Fe中形成的间隙固溶体称为奥氏体,用γ或者A表示,为面心立方晶格结构。
塑性好,强度硬度略高于铁素体,无磁性。
3.渗碳体Fe3C:晶体结构复杂,含碳量6.69%,熔点高,硬而脆,几乎没有塑性。
渗碳体对合金性能的影响:(1)渗碳体的存在能提高合金的硬度、耐磨性,使合金的塑性和韧性降低。
(2)对强度的影响与渗碳体的形态和分布有关:以层片状或粒状均匀分布在组织中,能提高合金的强度;以连续网状、粗大的片状或作为基体出现时,急剧降低合金的强度、塑性韧性。
二、两相机械混合物珠光体:铁素体与渗碳体的两相混合物,强度、硬度及塑性适中。
莱氏体:奥氏体与渗碳体的混合物;室温下为珠光体与渗碳体的混合物,又硬又脆。
铁素体、奥氏体、渗碳体、珠光体和莱氏体为铁碳合金中的基本组织,是铁碳合金中的组织组成物。
组织组成物:指构成显微组织的独立部分,可以是单相,也可以是两相或多相混合物。
显微组织:指在金相显微镜下所观察到的金属及合金内部的微观形貌,包括相和晶粒的形态、大小、分布等。
第二节铁碳合金相图一、相图中的点(14个)1.组元的熔点: A (0, 1538) 铁的熔点;D (6.69, 1227) Fe3C的熔点2.同素异构转变点:N(0, 1394)δ-Fe ⇔γ-Fe;G(0, 912)γ-Fe⇔α-Fe3.碳在铁中最大溶解度点:P(0.0218,727),碳在α-Fe中的最大溶解度E(2.11,1148),碳在γ-Fe 中的最大溶解度H (0.09,1495),碳在δ-Fe中的最大溶解度Q(0.0008,RT),室温下碳在α-Fe中的溶解度2.三相共存点:S(共析点,0.77,727),(A+F +Fe3C)C(共晶点,4.3,1148),(A+L +Fe3C)J(包晶点,0.17,1495)(+A+L )3.其它点∙B(0.53,1495),发生包晶反应时液相的成分∙F(6.69,1148 ),渗碳体∙K (6.69,727 ) ,渗碳体二、相图中的线1.液相线(ABCD):结晶时液相的成分,在其上体系为液相;2.固相线(AHJECF):结晶时固相的成分,其下为固相。
3.恒温转变的线:HJB 包晶线、ECF共晶线、PSK共析线。
PSK 线,共析线。
在此线上的合金都要发生共析反应。
冷却时,奥氏体转变为珠光体的温度;加热时,珠光体转变为奥氏体的温度;PSK线又称A1线。
4.固溶度线ES线:碳在奥氏体中的溶解度线,随温度温度↑,溶解度↑;0.77%~2.11%C。
冷却时,从奥氏体中开始析出二次渗碳体的温度;加热时,二次渗碳体完全溶入奥氏体中的温度。
ES线又叫作Acm线。
PQ 线:碳在铁素体中的溶解度;随温度↑,最大溶解度↑;0.0008% ~0.0218%C;冷却时,从铁素体中开始析出三次渗碳体的温度;加热时,三次渗碳体完全溶入铁素体的温度。
5.同素异构转变线:NH 和NJ,GS 和GP。
GS线:冷却时,由奥氏体向铁素体转变的开始温度;加热时,铁素体完全转变为奥氏体的温度,GS线又叫作A3线。
三、相图中的相区1.单相区(4个+1个):L、δ、A、F 、(+Fe3C)2.两相区(7个):L + δ、L + Fe3C、L + A、δ+ A 、A + F 、A + Fe3C 、F + Fe3C。
四、基本转变类型δH 0.09 L B 0.53 A J0.17+ 1495ºC Lδ A E 2.11 Fe 3C 6.69 + 1148ºC Lc 4.3 F P 0.0218 Fe 3C6.69+ 727ºC 1.匀晶反应L →δ: 由液相中直接结晶出δ相。
合金的成分线与AB 线相交,Wc :0 ~0.53%。
L → A: 由液相中直接结晶出A 相。
合金的成分线与BC 线相交,Wc :0.53% ~ 4.3%。
L → Fe 3C: 由液相中直接结晶出Fe 3C 相。
合金的成分线与CD 线相交,Wc :4.3% ~ 6.69%2.包晶反应含义:具有J 点成分的铁碳合金冷却至14950C ,液相和δ相在转变过程中恰好全部消耗完,生成了单一的J 点成分的A 相。
• 包晶点 :J (0.17,1495)• 产 物:单相奥氏体( A )• 发生包晶反应的合金成分: 0.09%--0.53% C 。
即合金的成分线与HJB 线相交。
3.共晶反应含义:由C 点成分的液相在11480C 下,同时生成具有E 点成分的A 相和Fe 3C 。
• 发生共晶反应的成分范围:2.11 %—6.69% C ,合金成分线与ECF 线相交)。
• 产物:A 和Fe 3C 的两相混合物,称为莱氏体,用L d 表示,其组织形态是以Fe 3C 为基体,A 呈粒状或杆状分布在Fe 3C 基体上。
• 共晶点:C (4.3,1148)4.共析反应• 含义:在7270C 下,由S 点成分的A 相同时生成P 点成分的F 相和Fe 3C 相 • 合金范围: 0.0218 ~6.69%C ,合金成分线与PSK 线相交。
• 产物: F 和Fe 3C 的两相混合物,称为珠光体,用P 表示,形态呈层片状。
• 共析点:S (0.77,727),具有S 点成分的A 相冷却至7270C 时,发生共析转变,生成珠光体。
A s 0.77A A五种渗碳体的异同(Fe 3C I 、Fe 3C Ⅱ、Fe 3C IⅡ、共晶Fe 3C 、共析Fe 3C ):它们只是形成条件、形态与分布不同,对铁碳合金性能有所不同,就其本身来说,并无本质区别,都是同一种物质,即Fe 3C ,6.69%C 。
五、铁碳合金分类工业纯铁、钢(亚共析、共析、过共析钢)、铸铁(亚共晶、共晶、过共晶白口铸铁)六、典型铁碳合金的结晶过程分析分析方法和步骤:•在相图的横坐标上找出给定的成分点,过该点作成分线; •在成分线与相图的各条线的交点作标记(一般用1、2、3、4…….) •写出每两个点之间或者重要点上发生的转变(由液相分析至室温)。
• 室温下该成分线所在的相区,合金室温下就具有那个相;组织组成物则取决于冷却过程中发生的转变。
1. Wc =0.77%的铁碳合金结晶过程分析合金在1点温度以上为液相L ;在1~2温度之间,发生匀晶反应,从液相中析出奥氏体相;在2~3点温度之间,为单相奥氏体,只有温度的降低;在3点(S 点)时到达共析温度(7270C ,奥氏体发生共析反应,生成珠光体组织; 3点以下直到室温,合金温度降低,为珠光体组织。
所以,Wc =0.77%的铁碳合金•室温下的相:F+Fe 3C •组织组成物:P(珠光体)(100%) • 组织形貌: F 和Fe 3C 层片状混合物 2. Wc =0.4%的铁碳合金结晶过程分析合金在1点温度以上为液相L ;在1~2点温度之间,发生匀晶转变,从液相中结晶出δ铁素体相;在2点1495℃,液相L 与δ相发生包晶反应,生成奥氏体A ,液相有剩余;在2~3点温度之间,剩余的液相向A 相转变;在3~4点温度之间,为单相奥氏体,合金温度降低;在4~5点温度之间,同素异构转变,A向F(先共析铁素体)转变,为(F+A)两相;在5点727℃,未转变成F的A发生共析反应,生成珠光体(P)组织;从5点直到室温,组织为(F+P),合金温度降低,没有组织转变。
•室温下的相:F+Fe3C•组织组成物:F和P•组织形貌:块状F和片状P3.过共析钢(1.2%C)合金在BC线温度以上为液相L;在BC线~JE线温度之间,发生匀晶反应,从液相中析出奥氏体相;在JE线~ES线温度之间,为单相奥氏体,合金温度降低;在ES线~PSK线温度之间,从奥氏体中析出二次渗碳体相(先共析渗碳体),合金为A+Fe3CⅡ两相;在PSK线上727℃时,未转变的奥氏体发生共析反应,转变为珠光体组织;从727℃直到室温,合金温度降低,没有发生组织转变。
室温下的相:F+Fe3C室温组织:珠光体+二次渗碳体。
组织形态:片状P和二次渗碳体呈网状分布在A晶界。
在过共析钢中,当碳含量小于0.9%时,二次渗碳体呈片状分布在A晶界;当碳含量大于0.9%时,二次渗碳体成为网状沿晶界分布。
室温下组织组成物的质量百分数的计算:4.白口铸铁的平衡结晶过程(略)七.Fe-Fe3C相图的应用(一)、碳对铁碳合金平衡组织和性能的影响1.含碳量对合金平衡组织的影响Fe3C的形态:2.含碳量对力学性能的影响铁素体(F):软而韧,硬度极低;渗碳体(Fe3C):硬而脆。
所以,(1)含碳量增加,硬度增加;塑性韧性降低。
(2)含碳量增加,强度先增后降(0.9%最高):当碳含量在小于0.9%时,渗碳体含量越多,分布越均匀,铁碳合金强度越高;当碳含量超过0.9%时,渗碳体在钢的组织中呈网状分布在晶界,而在白口铸铁的组织中作为基体存在,使强度降低。
3.含碳量对工艺性能的影响切削加工性能:一般认为中碳钢的塑性比较适中,硬度在HB200左右,切削加工性能最好。
含碳量过高或过低,都会降低其切削加工性能。
可锻性:低碳钢比高碳钢好。
由于钢加热呈单相奥氏体状态时,塑性好、强度低,便于塑性变形,所以一般锻造都是在单相奥氏体状态下进行。
铸造工艺性能:铸铁的流动性比钢好,易于铸造,特别是靠近共晶成分的铸铁,其结晶温度低,流动性也好,更具有良好的铸造性能。
从相图的角度来看,凝固温度区间越大,越容易形成分散缩孔和偏析,铸造工艺性能越差。
可焊性:一般,含碳量越低,钢的焊接性能越好,所以低碳钢比高碳钢更容易焊接。
(二)、Fe—Fe3C相图的应用1.为制定热加工工艺提供依据。