家电结构设计规范
- 格式:doc
- 大小:1.02 MB
- 文档页数:27
小家电的结构简单化设计探讨摘要:近年来,家用小电器的内部结构设计已经取得了突破性的进展,从串并联组合再到平行设计无不体现出一种创新性思维,通过对小型家电机构设计的创新与优化,提高了小型家电的工作效率,使小型家电应用起来更加简洁方便。
鉴于此,本文对小家电的结构简单化设计进行分析与探讨,期许能为相关人士带来参考。
关键词:小家电;结构设计;设计探讨引言从目前现状来看,小家电行业正在面对激烈的行业竞争。
在此状态下,小家电企业如果要突显自身独有的行业竞争优势,则需凭借新颖的家电设计思路。
通常来讲,关于小家电设计应当关注其中的家电结构组合,对其可以分成并联式、串联式与其他种类的家电结构[1]。
由此可见,结构设计在全过程的小家电设计中占据很关键的地位,作为设计人员有必要运用多样化与灵活性的思路来优化小家电相关的结构设计。
一、小家电产品的特征小家电的总体特征。
(1)小家电产品与大家电产品一样,必须由电能驱动,把电能转化成机械能或热能。
(2)以电驱动,决定小家电产品的设计必须注重电绝缘性和防护性措施。
安全性是重要的质量指标,也是小家电产品的人性化设计中最重要的最基本的内容。
(3)小家电的结构,总体而言较简单,但对电器元件的要求高,电器元件的质量必须达到规定的指标。
(4)家电产品,家字打头,是生活器具类产品,较其他产品更注重产品的欣赏价值,尤其是贴近人们日常生活的电器,既要求外观能够美化生活,又要具备减少人们家务劳动、提高生活质量的功能。
(5)小家电的清洁、维护要简单易行,不要由于使用它而增加了不必要的家务劳动。
(6)无论是小家电还是大家电都是耐用性产品。
人们对大、小家电的寿命周期及可靠性期望甚高,一般都期望能使用十年或更长的时间,小家电的生命周期一般短一些,为五六年。
二、优化小家电结构设计的基本思路在传统模式下,关于小家电设计通常都会选择单一设计模式。
然而不应忽视,关于小家电的各种内部结构如果仅限于单一式的家电结构设计,那么通常都很难达到最优的家电设计整体效果。
结构设计与优化在小家电中的应用探索发布时间:2022-02-16T09:21:03.813Z 来源:《中国科技人才》2021年第28期作者:马超群[导读] 近年来,小型家电越来越成为家居设计的关键,相关小型家电的整体性能也呈现出优化趋势。
佛山市顺德区康雅电器有限公司广东省佛山市 528300摘要:近年来,小型家电越来越成为家居设计的关键,相关小型家电的整体性能也呈现出优化趋势。
如果设计师想要专注于小型家用电器的优化设计,他们应该专注于家用电器的结构设计。
这是因为,虽然小型家用电器表现出卓越的家用电器性能,但这直接关系到家用电器的内部结构设计。
在这种情况下,设计者必须注重所有类型的小型家用电器的结构优化设计,以便大大优化小型家用电器能够实现的整体运行效率。
关键词:结构设计;优化方法;小家电;应用分析前言随着中国经济的不断发展和生活水平的不断提高,小型家电改变了人们的生活方式,提高了人们的工作效率,使得小型家电的设计前景十分广阔。
通过优化机械设计,可以不断提高小型家用电器的性能,使技术发展更加全面。
目前,中国机械设计正处于快速发展阶段,但由于人们对小型家电设计的需求越来越大,要求将会越来越严格。
因此,随着小型家用电器面临的问题,机械设计水平通过不断优化设计逐步提高,从而使小型家用电器性能逐步提高,结构设计更加简单,从而允许大规模生产。
一、小家电设计与优化的内涵机械设计和优化涉及广泛的行业,包括物理、有机化学、材料科学、应用机械及其数学、计算机科学等。
当前,机械设备优化设计是以计算机语言为基础的,因此机械设备优化设计可以简化复杂的问题,更高效地处理重要的困难问题。
设计和优化小型家电时,应考虑设计方案参数的选择。
只有确保设计方案参数的相对独立性,才能有效地改变小型设备的性能。
在推进机械设计时,首先要确定需要优化的目标功能,然后确定相应的约束,以确保小家电设计水平逐步提高,而不是按葫芦。
一般来说,优化高精度小型家电设计时,应根据高精度要求创建目标功能,实现小家电的高精度设计目标。
家电产品注塑外壳结构设计研究摘要:本文着力阐述家用电器设计和制造过程的关键技术,如尺寸和整体外型设计,肋板外形设计,孔外形设计等。
根据UGNX4.0三维建模软件,以普通32英寸小型平板电视注塑面板外壳3D模型的实际设计为案例,进一步深入研究了电视注塑外壳CAD模型系统的基本功能以及设计过程,并最终设计建立了3D模型。
关键词:注塑材料;翘曲变形;家电产品;外壳结构设计0引言随着第三次工业革命的完成,人类将从工业化时代过渡到“信息时代”,家用电器也开始了向集成小型的转变,人们逐渐开始注重结构设计。
改革开放政策的实施以来,中国家用电器的生产迅速增长,产品质量持续提高。
在我国加入世贸组织的时候,为中国家电的发展完全打开了大门,并逐步在欧洲,美国,日本等生产国生产和销售中国的家电。
近年来,中国的发展迅速,已经成为行业内最大的市场。
塑料,特别是热塑性通用塑料,具有可塑性好、熔体流动性好、重量轻、制造容易、成本低等优点,已成为家用电器中最受欢迎的外部构造的材料。
聚苯乙烯(PS),高抗冲聚苯乙烯(HIPS),丙烯腈-丁二烯-苯乙烯三嵌段共聚物树脂(ABS)等塑料制品的成型工艺其中注塑成型是所有成型工艺中使用最广泛的塑料成型工艺。
1家电产品注塑外壳关键设计要点1.1尺寸及外观结构设计塑料产品壁厚的合理设计对于产品注塑非常重要,如果壁厚太薄,则不能保证产品的机械强度。
如果太厚,则原材料消耗过多,冷却和凝固时间将增加,并且容易发生起泡和翘曲,变形和其他缺陷会影响产品的性能。
产品设计壁厚应为1-6毫米。
最常用的家用电器外壳设计壁厚通常为2-3毫米。
家用电器注塑壳的尺寸设计一般符合以下原则:1)根据疲劳强度的要求还应最小化复合塑料零件的壁厚,不仅因为需要尽量满足复合塑件主体成型后在顶出时的所能能够承受最大冲击力的最大冲击,还因为需要尽量避免过厚塑料部位松动产生的伸缩孔和变形凹陷;2)复合塑料主体部件每个塑料表面上的壁厚厚度应尽可能均匀,以减少内部应力和变形的可能性。
家电结构课程设计一、课程目标知识目标:1. 学生能理解常见家电的基本结构组成,如电冰箱、洗衣机、空调等。
2. 学生能掌握家电各部件的功能及其工作原理,并了解它们在家电整体运行中的作用。
3. 学生能了解家电的发展历程,认识到科技对家电性能及结构的影响。
技能目标:1. 学生能通过观察、拆解和组装,提高动手实践能力。
2. 学生能运用所学知识,分析并解决简单的家电故障。
3. 学生能运用比较、分析等方法,对家电结构进行评价和优化。
情感态度价值观目标:1. 学生培养对家电结构的兴趣,激发探究家电科技的欲望。
2. 学生认识到家电结构优化对节能、环保的重要性,增强环保意识。
3. 学生通过团队协作,培养合作精神,提高沟通能力。
本课程针对中学生设计,结合学生好奇心强、动手能力逐渐增强的特点,注重理论与实践相结合,提高学生的知识水平、技能和情感态度价值观。
课程目标具体、可衡量,为教学设计和评估提供明确方向。
二、教学内容本章节教学内容主要包括以下三个方面:1. 家电基本结构认识:- 电冰箱、洗衣机、空调等常见家电的内部结构组成。
- 各个部件的名称、功能及相互关系。
2. 家电工作原理及发展历程:- 电冰箱、洗衣机、空调等家电的工作原理。
- 家电性能的提升及结构优化的历程。
- 家电科技发展的趋势及其对生活的影响。
3. 实践操作与问题分析:- 拆解与组装家电,了解各部件在实际运作中的作用。
- 分析并解决简单的家电故障,提高动手解决问题的能力。
- 比较不同品牌和型号的家电结构,评价其优缺点。
教学内容依据课程目标制定,与课本章节紧密关联。
教学大纲明确,包括家电结构认识、工作原理及发展历程、实践操作与问题分析三部分。
具体安排和进度如下:1. 认识家电基本结构(1课时)2. 了解家电工作原理及发展历程(1课时)3. 实践操作与问题分析(2课时)教学内容科学系统,注重理论与实践相结合,旨在提高学生的知识水平和实践能力。
三、教学方法针对本章节内容,采用以下多样化的教学方法,以激发学生的学习兴趣和主动性:1. 讲授法:- 对于家电基本结构、工作原理及发展历程等理论知识,采用讲授法进行教学。
不锈钢电水壶国家标准不锈钢电水壶是现代家庭常用的厨房小家电之一,其在烧水、泡茶、煮面等方面起着重要作用。
为了保障不锈钢电水壶的质量和安全性,我国制定了一系列的国家标准,以规范不锈钢电水壶的生产和质量管理。
本文将对不锈钢电水壶国家标准进行详细介绍,希望能够对相关生产企业和消费者有所帮助。
首先,不锈钢电水壶国家标准主要包括对产品的设计、材料、加工工艺、性能要求、检验方法、标志、包装、运输和贮存等方面的规定。
其中,对于产品的设计,国家标准要求不锈钢电水壶应具有合理的结构设计,操作方便,易于清洗,外壳温度不得高于规定的安全温度等。
对于材料的要求,国家标准规定了不锈钢电水壶所使用的不锈钢材料应符合相关的国家标准,且不得使用对人体有害的材料。
此外,国家标准还对不锈钢电水壶的加工工艺、性能要求、检验方法等方面做出了详细的规定,以确保产品质量和安全性。
其次,不锈钢电水壶国家标准对产品的质量管理提出了严格要求。
国家标准规定了不锈钢电水壶生产企业应建立健全的质量管理体系,对原材料进行严格把关,加强生产过程中的质量控制,确保产品符合国家标准的要求。
同时,国家标准还对不锈钢电水壶的质量检验进行了详细的规定,包括外观质量、性能指标、安全性能等方面的检验方法和要求,以确保产品的质量和安全性。
最后,不锈钢电水壶国家标准还对产品的标志、包装、运输和贮存等方面做出了相应的规定。
国家标准要求不锈钢电水壶应在产品上标注清晰的生产厂家信息、产品型号、生产日期等内容,并应符合国家相关的标志标准。
对于产品的包装、运输和贮存,国家标准也提出了相应的要求,以确保产品在生产、运输和使用过程中不受损坏,保持产品的质量和安全性。
总之,不锈钢电水壶国家标准的制定和实施,对于保障不锈钢电水壶产品的质量和安全性具有重要意义。
生产企业应严格按照国家标准的要求进行生产,消费者在购买和使用不锈钢电水壶时,也应选择符合国家标准的产品,以确保产品的质量和安全性。
希望本文对不锈钢电水壶国家标准有所了解的读者有所帮助,也希望生产企业和消费者能够共同遵守国家标准,共同维护不锈钢电水壶产品的质量和安全。
关于家电软件评估1、软件评估的来源IEC 60335-1:2004( Ed.4.0:2001+A1:2004)《家用和类似用途电器的安全第一部分通用要求》第4.1版增加了“附录R软件评估”和三个相关定义(3.9.3/3.9.4/3.9.5)。
IEC 60335-1:2006( Ed.4.2)对附录R 做了修改。
IEC60335-1 I-SH 01:2007对22.46 做了解释,没有任何实质性变化。
IEC60335-1:2010 Ed.5.0 对此作了全面的修改。
取消了B/C类软件的分类,在通用要求中只提出了表R1的控制措施要求,相当于针对B类软件;R2要求相当于C类软件。
标准的变化反映了IEC TC61这帮电工们对软件评估这类现代技术不熟悉,但在逐渐改善。
目前国内使用的版本是GB4706.1-2005,相当于IEC60335-1:2001+A1:2004。
在CB认证中,按照IEC60335-1:2001 + A1:2004 +A2:2006;在3C 认证中,具体实施软件评估时,对GB4706.1-2005做偏离说明,否则乱做多做对企业和工程师都无益。
软件评估的来源,应该说是软件评估要求的来源。
软件评估的标准,讲的比较全的是IEC61508( Functionalsafetyofelectrical/electronic/programmableelectronic safety-related systems)这个一个系列的标准,60335-1的annex R和60730的相关部分都是引用这里的一些内容的。
2、那些家电需要软件评估内嵌可编程电子电路( PEC),就是单片机,用保护功能,就叫可编程保护电子电路,保护功能:例如过热、爆炸、燃烧、电磁辐射、机械损伤,等等。
目前看主要是电磁灶、微波炉、部份智能洗衣机、部份贮水式热水器、变频空调器,等等。
软件评估费时费力,是不是能够绕开?回答:能!就是不考虑软件控制的保护功能。
3C家电设计规范家用和类似用途电器安全标准汇编随着工业的进步和科学技术的发展,家用电器品种和数量的增加,有关家用电器方面的标准也不断的补充和完善。
家用和类似用途电器安全标准,是家电产品设计、制造是必须遵照执行的标准文件。
在3C设计中,我们着重介绍家用和类似用途电器安全标准在产品结构、外形设计的规定,家用和类似用途电器安全标准的通用要求。
1,范围本标准适用于家电和类似用途电热器具和电动或磁力驱动的器具。
本标准也适用于不做一般家用但对于公众仍存在危险的器具,例如理发用具、割草机等等。
除电器玩具外,本标准为考虑托儿所和其他无人照管的老、幼、病、弱等人员的生活场所存在的某些特殊危险。
在这种情况下,需要提出附加安全要求。
对于在车辆交通工具使用的器具需增加附加要求。
2,术语家电产品的专业术语如下:2.1 额定电压、额顶电压范围、工作电压、额定输入功率、额定电流、额定频率、额定频率范围、额定功率、额定液容量、充分放热条件、正常负载、额定工作时间、连续工作、短时工作、断续工作。
2.2 可拆卸的软缆或软线、电源软线、电源引线、功能和互连软缆或软线。
2.3 基本绝缘。
用于带电部件对防触电提供基本保护的绝缘。
附加绝缘。
一旦基本绝缘实效,为了确保安全防止触电,除基本绝缘外而设置的另一种独立的绝缘。
双重绝缘。
由基本绝缘和附加绝缘两种绝缘组成的绝缘。
加强绝缘。
带电部件上的一种单独绝缘系统,在本标准所规定的条件下,它提供的防触电保护程度,相当于双重绝缘。
2.4 O类器具。
依靠基本绝缘来防止触电的器具。
如果有易触及的导电部件,则这些部件与固定配电线路中的保护导线之间没有连接手段,万一基本绝缘损坏,安全就依靠环境条件。
O类器具有一个局部或全部基本绝缘材料外壳,或者有一个以适当绝缘把带电部件隔开的金属外壳。
如果具有绝缘材料外壳的器具有内部接地部件措施,则认为是I类或OI类结构。
OI类器具。
至少有完整的基本绝缘和装有接地端子的器具,但电源软线不带接地导线,插头没有接地插脚,不能插入有接地插孔的电源插座。
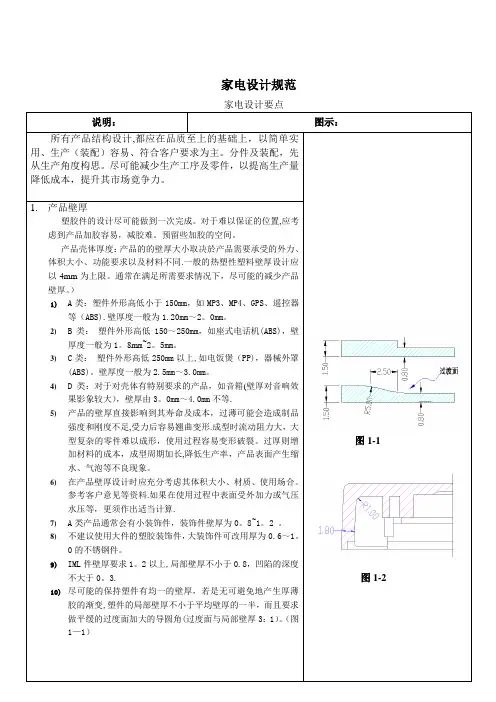
家电设计规范家电设计要点说明:图示:所有产品结构设计,都应在品质至上的基础上,以简单实用、生产(装配)容易、符合客户要求为主。
分件及装配,先从生产角度构思。
尽可能减少生产工序及零件,以提高生产量降低成本,提升其市场竟争力。
图1-1图1-21. 产品壁厚 塑胶件的设计尽可能做到一次完成。
对于难以保证的位置,应考虑到产品加胶容易,减胶难。
预留些加胶的空间。
产品壳体厚度:产品的的壁厚大小取决於产品需要承受的外力、体积大小、功能要求以及材料不同.一般的热塑性塑料壁厚设计应以4mm 为上限。
通常在满足所需要求情况下,尽可能的减少产品壁厚。
) 1) A 类:塑件外形高低小于150mm ,如MP3、MP4、GPS 、遥控器等(ABS).壁厚度一般为1.20mm ~2。
0mm 。
2)B 类: 塑件外形高低150~250mm ,如座式电话机(ABS),壁厚度一般为1。
8m m~2。
5mm 。
3)C 类: 塑件外形高低250mm 以上,如电饭煲(PP),器械外罩(ABS)。
壁厚度一般为2.5mm ~3.0mm 。
4)D 类:对于对壳体有特别要求的产品,如音箱(壁厚对音响效果影象较大),壁厚由3。
0mm ~4.0mm 不等.5)产品的壁厚直接影响到其寿命及成本,过薄可能会造成制品强度和刚度不足,受力后容易翘曲变形.成型时流动阻力大,大型复杂的零件难以成形,使用过程容易变形破裂。
过厚则增加材料的成本,成型周期加长,降低生产率,产品表面产生缩水、气泡等不良现象。
6)在产品壁厚设计时应充分考虑其体积大小、材质、使用场合。
参考客户意见等资料.如果在使用过程中表面受外加力或气压水压等,更须作出适当计算.7) A 类产品通常会有小装饰件,装饰件壁厚为0。
8~1。
2 。
8)不建议使用大件的塑胶装饰件,大装饰件可改用厚为0.6~1。
0的不锈钢件。
9)IML 件壁厚要求1。
2以上,局部壁厚不小于0.8,凹陷的深度不大于0。
3.10) 尽可能的保持塑件有均一的壁厚,若是无可避免地产生厚薄胶的渐变,塑件的局部壁厚不小于平均壁厚的一半,而且要求做平缓的过度面加大的导圆角(过度面与局部壁厚3:1)。
目录摘要Abstract第一章绪论 (1)1.1课题的提出及其研究的意义 (1)1.2家用洗碗机综述 (2)1.2.1洗碗机的分类 (3)1.2.2家用洗碗机的基本结构 (3)1.2.3家用洗碗机的工作原理 (7)1.2.4国外洗碗机的发展历程及其代表性产品 (10)1.2.5国内洗碗机的发展历程及几个洗碗机品牌的特点 (13)1.3课题研究的主要工作 (16)第二章超声波清洗 (17)2.1声波 (17)2.2超声波清洗及特点 (19)第三章结构设计 (21)3.1总体方案设计 (21)3.2重要部件的设计 (22)3.2.1超声清洗系统 (22)3.2.2喷臂冲洗系统 (24)3.2.3水位系统 (25)3.3结构总成 (26)第四章总结与展望 (28)4.1总结 (28)4.2前景展望 (29)参考文献 (30)致谢 (31)摘要随着人们生活品质的提高和工作节奏的加快,人们选择家电的标准也由原来的单一追求功能实现而逐步转向以节能、安全、环保为根本目标。
改革开放以来,我国家电产品普及程度已经相当高,然而家用洗碗机却一直是一块存在巨大市场潜力而又未被开发的领域。
这主要是由于传统的洗碗机产品不能适应中餐餐具的洗涤要求,并且洗涤时间长,能耗大。
针对这种问题,提出将超声清洗技术应用于家用洗碗机领域,开发出一款节能环保型家用超声洗碗机。
针对超声清洗和餐具洗涤各自的特点,以及使用要求,对这款洗碗机在整体结构做出了全新的设计。
结构方面,采用不锈钢清洗槽;通过对超声系统、多方位喷淋系统和水位控制系统的设计,使结构更紧凑、易控制,且清洗效果更好;洗涤工艺方面,通过铝箔腐蚀法,分析超声洗涤槽内的相对空化强度,·给超声清洗参数的选择提供依据,继而通过正交试验优选出超声洗涤参数和洗涤流程,最后选定超声功率300w、扫频、清洗时间9min、室温以及由45℃热水冲洗(5min)→超声洗(9min)→60℃水冲洗((5min)的洗涤流程为最佳洗涤流程。
家电结构设计的前途和出路(职场经验)一、背景简介很多人机械专业的朋友都有一个疑问,从事家电结构设计的前途和出路,感觉家电很简单技术含量不高,从事机械设计好不好,还是从事汽车产品设计,哪一个更加有前途,不想入错行。
有的在家电行业做设计几年了工资才6到7千,高的就是1万多,该怎么办,家电结构设计的前途和出路在哪里?二、个人简介十几年设计经验我从事汽车产品设计和模具设计十几年,先后在大型民企和上海2家知名世界500强汽车外企做设计开发工作,经历了从设计员到高级工程师到产品经理和项目经理的过程。
精通产品造型设计、逆向、结构设计、模具设计、仿真运动、项目运作与管理,成功开发上百个项目,对行业很熟悉。
三、家电行业技术含量有限工资待遇没有汽车行业高机械专业毕业后,最好最理想技术含量最高,社会需求量最大的也就是汽车产品设计,其次是机械设计,然后是家电结构设计、玩具设计,再其次是手机结构设计等。
从行业的薪资待遇可以反映技术含量的高低,汽车产品设计3年左右,工资过万很正常,我身边的朋友十几年汽车产品设计经验的在大型汽车公司世界500强外企的年薪40到60万之间很多,5到8年年薪几十万很多很正常,但是汽车行业要求更高、门槛更高。
普通机械设计工资低不少,3年左右经验工资过万很少,有的做了8年普通机械设计工资还不到1万。
至于家电工资也不高,即使是知名的家电企业,做了很多年设计研发,研究生学历年薪20万左右,到头了除非做领导。
我有不少朋友同学在家电行业,也十分清楚。
若不是做结构设计的做工艺设计、模具设计就更低了。
四、机械专业就业岗位有哪些和最有前途的就业岗位(汽车产品设计)机械汽车专业毕业后可以从事工业领域的产品设计、模具设计、工艺设计、工装设计、质量工程师、设备工程师、销售、采购、项目工程师、生产管理、检验员、实验工程师、数控编程、机械加工、普工等岗位。
家电结构设计的前途和出路是:catia汽车产品设计最有前途的选择方向在工业制造流程的最上游技术含量最高最有前途,至于模具设计、工艺设计、工装设计这3个工资待遇技术含量差不多,都在产品设计下游,再其次就是项目工程师、质量工程师在中间对技术有一定的要求,门槛不是很高,处在中间,下游就是生产制造岗位及设备维修岗位等等。
小家电结构工程师岗位职责小家电结构工程师主要负责小家电产品的结构设计、开发和制造,以及现有设计的改进、维护和升级。
其主要职责包括以下几个方面。
一、产品结构设计小家电结构工程师需要根据市场需求和公司要求,研究产品的结构设计方案。
在设计的过程中需要制定详细的设计方案,包括产品材料、结构、成本等要素,同时要根据产品的使用方式和场景,进行人机工程学设计,使得产品的结构设计能够满足用户使用的需求和舒适度。
二、产品研发小家电结构工程师要负责产品的研发工作,从产品立项到产品测试验收全流程。
从设计原型到测试样品进行制作,进行测试并不断改进,使得产品符合市场需求和技术要求。
工程师还需要协助其他部门进行产品的产品测试、评估和验收,确保产品的质量和功能达到预期目标。
三、制造工艺设计制造工艺是小家电制造过程中的重要环节,小家电结构工程师需要了解产品工作原理和制造工艺特点,针对不同的产品特性,研发出适合的制造规范和流程,确保产品能够稳定生产和生产成本不能偏高。
四、现有产品改进、维护和升级小家电结构工程师还需要对现有产品进行改进、维护和升级。
维护和升级的过程中, 工程师需要对现有产品进行全面的分析和评估,理解产品的技术特点和市场反馈,提供相应的解决方案并协助企业进行技术升级和产品改进。
五、合作与交流小家电结构工程师需要与不同的团队进行合作和交流。
需要与市场部门、供应商和其他工程师团队协调沟通,保证设计的质量和进度,及时解决相关问题,实现高标准和高质量的设计。
总之,小家电结构工程师是一个全面的岗位,需要综合运用工程知识和理论,结合实际情况和市场需求,对小家电产品进行全面的设计和研发工作,以提供优质的小家电产品,为消费者带来极好的使用体验和市场回馈。
小家电产品研发设计流程步骤一:对市场的客户进行分析及写出可行性分析报告,提出开放计划书及订定产品规格;步骤二:对设计资料进行必要的准备,包括以下几个部分:1、初期零件表2、初期制造流程图3、关键性零组件适用报告步骤三:拟定产品外观设计作业办法,包括以下几个部分:1、外观设计方针说明表2、草绘、概念图3、外观实际尺寸图、三维文档4、产品外观色彩计划,即配色表5、外观手板模型制作步骤四:进行软件设计,包括以下几个部分1、软件规划说明书2、软件设计说明书、测试表步骤五:进行硬件设计作业PCBlayout,包括以下两项:1、电子线路图、零件外观及尺寸规格2、Layout注意事项与规格书,步骤六:拟定结构设计作业,包括以下几项:1、提出结构开发计划,对产品的材料先定好,如软胶、硬胶或透明件;对一些不太肯定的塑胶材料向模具厂请教参照意见;2、设计三维结构图,考虑好上下盖得固定方式,设计出扣位和螺丝的位置,检查里面空间是否足够;想好按钮的固定方式和操作情况,注意按钮和按键之间的距离,特别注意设计在侧面按钮空间和操作可行性;3、对透明件尽量不要用扣位,因扣位会使产品露白,建模前应把整体构思结构向上司汇报,并确认后方可进行,检查三维模型的干涉,进行机构模拟,对两件之间的配合要考虑,预留空间因喷漆和电镀都会使产品空隙很紧,对上下盖得配合能通过挤压和落地测试检查;结构完成后要存储成图片给客户确认;4、给出PCB的具体尺寸及限高,以便电子工程师列PCB;5、绘制结构零件图、爆炸图、产品规格检验表,做零件样品检查记录;6、制作结构手板和零件打样;对手板需严格要求,对做出的手板和图纸进行对照;利用手板的时间,准备其他东西,如充电片和螺丝等;将检查的结果再次给客户确认同时将方件给模具厂报价,并定好模块;出工程图时标明零件材质,是否有喷漆、电镀等进行标明,并注明产品不能有缩水、毛刺、熔接痕、露白和尺寸误差等;7、做零件承认计划及量产准备计划步骤七:制定模具开发作业,包括以下两项1、签定模具开发合约书2、试模检查;看纹路是否均匀一致,夹水线是否严重,美工线是否均匀,宽度是否符合要求;如有胶垫是否一致,扣位工作是否可靠,披锋是否严重;螺丝柱是否对证,上下螺丝柱是否顶住,是否虚位太大;表面缩水是否严重,入水位置是否影响外观,用手掐四周是否有异响,锁螺丝后是否离壳,锁螺丝是否可靠打爆或打滑,胶壳是否变形严重、是否顶白、是否料花、是否胶花,胶件颜色是否符合要求;。
家电设计规范家电设计要点说明:图示:所有产品结构设计,都应在品质至上的基础上,以简单实用、生产(装配)容易、符合客户要求为主。
分件及装配,先从生产角度构思。
尽可能减少生产工序及零件,以提高生产量降低成本,提升其市场竟争力。
1.产品壁厚塑胶件的设计尽可能做到一次完成。
对于难以保证的位置,应考虑到产品加胶容易,减胶难。
预留些加胶的空间。
产品壳体厚度:产品的的壁厚大小取决於产品需要承受的外力、体积大小、功能要求以及材料不同。
一般的热塑性塑料壁厚设计应以4mm为上限。
通常在满足所需要求情况下,尽可能的减少产品壁厚。
)1)A类:塑件外形高低小于150mm,如MP3、MP4、GPS、遥控器等(ABS).壁厚度一般为1.20mm~2.0mm。
2)B类: 塑件外形高低150~250mm,如座式电话机(ABS),壁厚度一般为 1.8mm~2.5mm。
3)C类: 塑件外形高低250mm以上,如电饭煲(PP),器械外罩(ABS)。
壁厚度一般为2.5mm~3.0mm。
4)D类:对于对壳体有特别要求的产品,如音箱(壁厚对音响效果影象较大),壁厚由3.0mm~4.0mm不等。
5)产品的壁厚直接影响到其寿命及成本,过薄可能会造成制品强度和刚度不足,受力后容易翘曲变形。
成型时流动阻力大,大型复杂的零件难以成形,使用过程容易变形破裂。
过厚则增加材料的成本,成型周期加长,降低生产率,产品表面产生缩水、气泡等不良现象。
6)在产品壁厚设计时应充分考虑其体积大小、材质、使用场合。
参考客户意见等资料。
如果在使用过程中表面受外加力或气压水压等,更须作出适当计算。
7)A类产品通常会有小装饰件,装饰件壁厚为0.8~1.2 。
图1-1图1-22.止口:止口在产品的组合中起到相互之间的定位、加固装配和调整接合线(夹口)的平整的作用。
常用的有单止口和双止口(见图2-1)。
1)大部分产品使用的都是单止口,凸止口宽一般来为壁厚的0.45倍。
高为宽度的1~1.5倍。
(常用高度有0.8mm,1.0mm,1.2mm,1.5mm,2.0mm。
体积大的产品还有3.0mm,4.0mm)。
2)双止口的使用相对会少。
一般用于防水或比较密封和须要用打胶方式固定的产品。
还有胶位厚的产品也常用。
3)凹凸止口的间隙通常单边为0.05mm~0.2mm(常用有0.05mm,0.08mm,0.10mm,0.15mm)。
4)止口的宽度设计要求不小于0.70mm 。
要注意凹止口底面到产品外表面距离过于单薄而产不良痕迹。
(如图2-2)5)A类产品侧壁厚要求1.8mm以上,凸图2-1图2-23.装饰线(美观线):产品的配合装饰线间隙(高)尺寸因其体积的大小而不一。
设计时应考虑装饰线及产品整体的协调。
通常有(0.30mm,0.50mm,0.8mm,1.0mm。
)宽度通常有(0.30mm,0.50mm,1.0mm)。
图3-1 A类产品装饰线为0.3x0.3 。
B类产品装饰线为0.5x0.5 。
C类产品装饰线为0.8x0.8 。
装饰线及凹凸止口的间隙关系设计如(图3-1)。
4.拔模:1)产品在其出模方向所有及模穴有磨擦的面积都应有拔模角,在结构设计前要详细检查表面有没有无法出模现象。
拔模角在产外观及结构允许的情况下尽可能加大,以方便产品加工生产。
2)对于外部有蚀纹工艺要求产品,跟据蚀纹的粗细和深度拔模角也相应不同(准确数据可参考相应的纹板)。
通常用的为0.5~5度。
特别对于较粗蚀纹,如果角度不够表面可能产生拖花现像。
常用为5~8度,最大的要达10多度。
3)对于表面透明或要求光洁度很好的产品,为防拖花角度通常加大到2~5度。
4)产品某些较单独或较细、容易变形位置,如喇叭网罩、装饰边框、较密集的喇叭孔等。
由于单薄或区域磨擦力集中,脱模时容易粘连前模,使产品拉断或变形。
拔模角通常要加大到5~7度。
(图4-1)5)如果产品垂直高度比较大表面(表面无图4-1图4-26.按钮设计:1)按钮壁厚通常为 1.0mm~1.5.0mm ,裙边1.0mmX1.0mm(高)、1.5mmX1.2mm。
(图6-1)2)按键的设计应考虑其加工和安装的方便性,高度不宜太高,通常体积不大的不高于15.0mm。
3)按键按其色彩、材料、工艺等尽可能的用弹簧筋等方式设计成组合体。
如:电镀按键为一组,喷漆的为一组,透明的为一组等。
(图6-2)4)按键弹簧筋尺寸:宽度:1.2~2.5高度:0.8~1.05)按钮上下行程由所采用的PCB板元件决定。
通常有:0.30mm、0.5mm、1.0mm。
导电硅胶行程为 1.0~1.50mm6)按键及壳体装配通常以壳体上的围筋压住按键裙边的方式来固定,外形若为图6-1图6-2装配间隙单边可加大为0.30mm~0.50mm。
3)尺寸不大的硅胶或橡胶零件可设计为零配合,如USB座橡胶盖。
(图10-1)9.螺丝柱:1)产品装配和模具加工中要求精度较高,其座标位置尽可能的设计为整数,有难度也应精确到0.50(如51.50或49.50)。
方便易记减少失误。
2)螺丝柱的大小在整套产品中尽量避免太多不同尺寸,以求生产、装配、螺丝采购的方便和系统性。
3)螺丝柱不宜太高,太高会降低强度。
旁边可以加加强筋(火箭脚)来加大强度,也可以通过加高螺丝头沉台来降低螺丝柱高度。
图9-14)螺丝柱加强筋(火箭脚)高度不应及螺丝柱面相平,通常是为螺丝柱的0.9。
5)离壳边较近的螺丝柱加筋及壁相连起来,目的是加强支柱的强度及使胶料流动更顺畅。
(图9-1)6)孔加倒斜角,螺丝头沉台加围筋。
(如图5)图9-2 7)通常螺丝柱的外径是内径的两倍。
但如果这种方式螺丝柱壁厚等於或超过胶料厚度而在表面产生缩水纹及高成型应力。
则螺丝柱的厚度应为胶料厚度的50-70%。
如因此螺丝柱不能提供足够强度,可以加加强筋,若柱位置接近边壁,则可用一条肋骨将边壁和柱相互连接来达到加强的效果。
常用的螺丝柱、螺丝头沉台孔、螺丝头孔螺丝螺丝柱外径螺丝柱内径沉台孔螺丝头孔3.50 6.50 3.003.70 6.703.00 5.20 2.4010.螺丝盖1)螺丝盖要求做段差来定位高度如图10-1。
2)避免用大面配合如图10-1上面段有0.05的间隙。
尽量用筋骨做局部零配合,如图10-1的零配合面。
装入口要图10-1加C角作安装导入。
3)如果外表面是弧面必须有防呆设计。
4)表面必须有拆卸槽。
(图10-2)5)螺丝盖的总高度不宜过高,通常是其直径的1.5倍。
图10-211.卡扣1)卡扣的设计主要是用在零件间的连接或组合,扣位的组合部份在生产成品的时候同时成型,装配时无须配合其他如螺丝、介子等紧锁配件,只要需组合的两边扣位互相配合扣上即可,提供了一种不但方便快捷而且经济的产品装配方法。
2)按功能来区分,扣位的设计可分为成永久型和可拆卸型两种。
永久型扣位的设计方便装上但不容易拆下,可拆卸型扣位的设计则装上、拆下均十分方便。
可拆卸型扣位的勾形伸出部份附有适当的导入角及导出角方便扣上及分离的动作,如滑动式的电池门扣。
永久型的扣位则只有导入角而没有导出角的设计,所11-1以一经扣上,相接部份即形成自我锁上的状态,不容易拆下。
这是最常用的一些如组合卡扣。
卡扣效果完全取决于塑胶的弹性,设计中特别注意其强度和变形量。
有空间尽量加大。
⑧:母扣扣合量,0.6以上。
⑨:公母扣避空空间,如有空间尽量加大。
12.加强筋1)加强筋在塑胶部件上是不可或缺的功能部份,加强筋有效地增加产品的刚性和强度而无需大幅增加产品切面面积。
对一些经常受到压力、扭力、弯曲的塑胶产品尤其适用。
此外,加强筋更可充当内部流道,有助模腔充填,对帮助塑料流入部件的支节部份很大的作用2)留意加强筋设计过厚产品表面容易产生缩水纹、变形挠曲等问题。
加强筋厚度通常是相交的胶料壁厚的60%以下。
在一些非决定性的表面肋骨厚度可最多到70%。
3)如果加强筋没连着外壁则高度不应高於胶料厚的三倍,如果太高应加辅助加强12-1 12-16)当完成电池门及电池箱的设计后,必须进行电池门的模拟装配过程,检查安装过程是否干涉。
15. 其它1) 产品在外形设计时会设计一些装饰件来提高产品的可观性,如按键装饰件!(图15-1)2) 在设计时应考虑产品在使用过程会出现的问题.如图15-2烫柱设计在按键上,装饰件下面悬空. 在使用时装饰件的受力在柱子上很容易被按坏.应下面用按键托住使装饰件的受力在按键上,把烫柱设计在装饰件上.在此建议能做扣尽量做扣,使产品装配易装提高生产效率.(图15-3)15-1 15-2常用塑料制品的最小壁厚及常用壁厚推荐值:(mm)GPS结构参照标准MD(家电)要求做结构之前,ID 提供如下资料:1.产品的PCB板型号2.产品的天线型号及规格说明书3.产品的喇叭型号及规格说明书4.产品的电池容量及尺寸5.产品的LCD屏的规格说明书6.需要提供产品效果图,简要的工艺说明和PRO-E源文件SD卡符号1.SD卡符号是为了方便消费者便别SD卡插向。
SD卡符号都有一个倒角,倒角的位置是及SD卡的缺角相应的。
(图17号板)倒角的方向,SD卡符号在产品侧面倒角向下,SD卡符号在底面倒角顺着插卡的方向。
2.下图为不同公用PCB板插卡符号的放置标准。
14号板(汉创) 17号板(6016)32号板(高斯贝尔) 66号板(66_3)3501板(3501)8088板(8088)浪尖设计公司结构设计部2007/06/01 rev.1.0。