《家电产品结构设计》PPT课件
- 格式:ppt
- 大小:3.56 MB
- 文档页数:50
《家用电器产品设计》课程简介课程编号:15014932课程名称:家用电器产品设计/ Household Appliances Product Design学分:2学时:32(实验:0 上机:0课外实践:8 )适用专业:工业设计建议修读学期:5开课单位:艺术与设计学院工业设计系先修课程:工业设计工程基础、产品设计程序与方法考核方式与成绩评定标准:作业考核,学生按教学要求呈交课程大作业,并由课程组制定评分标准评分,集体打分,交院系备案。
教材与主要参考书目:(1)《家用电器产品设计》陈根著化学工'也出版社2013年(2)《电器产品设计》康两岸石,吴冬俊,侯冠华编著机械工业出版社2012年(3)《话说家电产品设计一一造型、工艺、营销》陈根著电子工业出版社2013年(4)《智能化时代的家电产品设计与管理》长虹创新设计中心著北京理工大学出版社2015年内容概述:本课程是工业设计系本科生的专业选修课。
本课程的基本任务是,通过对空调、电视机、洗衣机、电饭煲等家用电器的剖析,使学生了解家用电器产品设计的基本技术特性、结构设计、交互界面设计、材料选择和加工工艺,掌握家用电器产品设计的一般过程和设计技巧,并能基本把握家电产品的设计趋势,为就业打下良好基础。
This is an elective course industrial design. The basic task of this course is to make students understand the basic technical characteristics, structural design, UI design, material selection and processing technology of household electrical appliances with the analysis of air conditioning, TV, washing machine, electric rice cooker and other household appliances. Students can master the general process and design skills of home appliance product design. And students can grasp the basic design trend of household electrical appliances. This course can lay a good foundation for the employment of students.《家用电器产品设计》教学大纲课程编号:15014932课程名称:家用电器产品设计/ Household Appliances Product Design学分:2学时:32 (实验:0 上机:0课外实践:8)适用专业:工业设计建议修读学期:5开课单位:艺术与设计学院工业设计系先修课程:工业设计工程基础、产品设计程序与方法一、课程性质、目的与任务本课程是工业设计专业本科生的专业选修课。
家电设计规范家电设计要点说明:图示:所有产品结构设计,都应在品质至上的基础上,以简单实用、生产(装配)容易、符合客户要求为主。
分件及装配,先从生产角度构思。
尽可能减少生产工序及零件,以提高生产量降低成本,提升其市场竟争力。
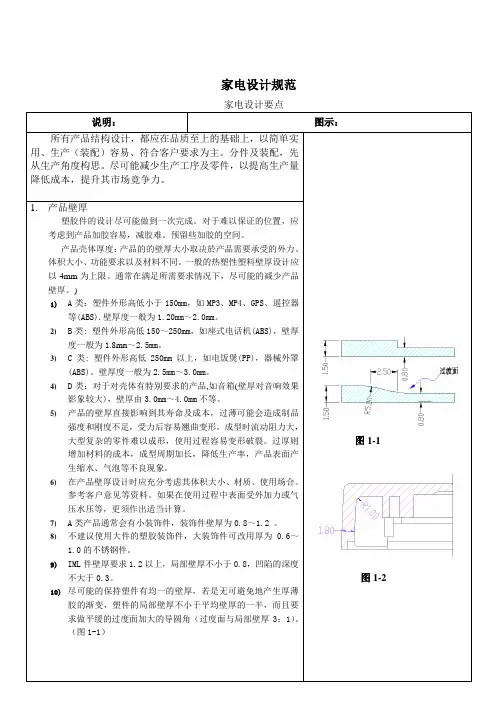
图1-1图1-21. 产品壁厚 塑胶件的设计尽可能做到一次完成。
对于难以保证的位置,应考虑到产品加胶容易,减胶难。
预留些加胶的空间。
产品壳体厚度:产品的的壁厚大小取决於产品需要承受的外力、体积大小、功能要求以及材料不同。
一般的热塑性塑料壁厚设计应以4mm 为上限。
通常在满足所需要求情况下,尽可能的减少产品壁厚。
) 1) A 类:塑件外形高低小于150mm ,如MP3、MP4、GPS 、遥控器等(ABS).壁厚度一般为1.20mm ~2.0mm 。
2)B 类: 塑件外形高低150~250mm ,如座式电话机(ABS),壁厚度一般为1.8m m ~2.5mm 。
3)C 类: 塑件外形高低250mm 以上,如电饭煲(PP),器械外罩(ABS)。
壁厚度一般为2.5mm ~3.0mm 。
4)D 类:对于对壳体有特别要求的产品,如音箱(壁厚对音响效果影象较大),壁厚由3.0mm ~4.0mm 不等。
5)产品的壁厚直接影响到其寿命及成本,过薄可能会造成制品强度和刚度不足,受力后容易翘曲变形。
成型时流动阻力大,大型复杂的零件难以成形,使用过程容易变形破裂。
过厚则增加材料的成本,成型周期加长,降低生产率,产品表面产生缩水、气泡等不良现象。
6)在产品壁厚设计时应充分考虑其体积大小、材质、使用场合。
参考客户意见等资料。
如果在使用过程中表面受外加力或气压水压等,更须作出适当计算。
7) A 类产品通常会有小装饰件,装饰件壁厚为0.8~1.2 。
8)不建议使用大件的塑胶装饰件,大装饰件可改用厚为0.6~1.0的不锈钢件。
9)IML 件壁厚要求1.2以上,局部壁厚不小于0.8,凹陷的深度不大于0.3。