金属门窗安装工程检验批质量验收记录表(钢门窗)
- 格式:xls
- 大小:28.50 KB
- 文档页数:4
钢门窗安装检验批质量验收记录一、准备工作1.审核施工单位的资质和相关证件,确保具备进行钢门窗安装的资格。
2.查看施工单位的施工计划和施工方案,并与设计单位进行核对,确保符合设计要求。
3.核查钢门窗的材料、型号和规格是否与设计文件一致,并检查材料的质量合格证明。
4.准备验收所需的相关标准和规范,并列出验收项目清单。
二、施工前验收1.检查施工现场是否符合安全生产要求,包括封闭施工区域,设置安全警示标志等。
2.核查施工现场是否与设计文件相符,包括钢门窗的开槽位置、孔洞位置等是否符合图纸要求。
3.检查施工现场是否具备必要的施工设备和工具,例如吊装设备、扣件等。
4.核对施工单位的材料验收记录,确保所有使用的材料符合规定的质量标准。
三、施工过程验收1.检查施工人员的工作资质,是否具备相关的证书和培训证明。
2.检查施工工艺流程,包括材料的切割、焊接、固定等操作是否符合钢门窗的安装要求。
3.检查焊缝的质量,包括焊接是否牢固、焊缝是否平整、焊接部位是否有裂纹等。
4.检查固定扣件的安装质量,包括扣件是否紧固、位置是否准确等。
5.检查钢门窗的安装是否垂直、水平,并核对尺寸是否符合设计要求。
6.检查玻璃的安装质量,包括玻璃是否完整、安装是否牢固、玻璃与窗框之间是否有密封胶等。
四、施工后验收1.核对现场整理和清理工作,确保施工现场干净整洁。
2.检查施工人员是否对钢门窗进行保护,避免损坏和污染。
3.核对施工单位的竣工报告和安装记录,包括安装日期、安装人员等,确保施工过程有记录可查。
五、总结与评估1.对钢门窗的安装质量进行评估,包括焊缝质量、安装精度、材料质量等。
2.整理钢门窗安装的经验和教训,以便今后的施工工作中能够及时改进和提升。
3.编制钢门窗安装质量验收报告,详细描述验收过程、存在的问题和改进措施,为今后的类似项目提供参考。
以上是钢门窗安装质量验收记录的内容,通过对每个环节的检查和核对,能够保证施工质量符合要求,并确保门窗的安全和使用寿命。
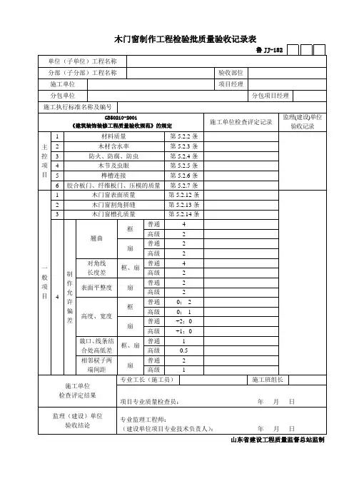
广东省建筑工程竣工验收技术资料统一用表第三部分:2010版土建、装修施工过程质量(技术)管理/质量控制资料第一节试(检)验报告一、混凝土、砂浆及原材料试(检)验报告1.水泥检验报告GD2101012.石板材检验报告GD2101023.粉煤灰检验报告GD2101034.防水材料(卷材)检验报告GD2101045.防水材料(片材)检验报告GD2101056.防水材料(涂料)检验报告GD2101067.外加剂性能检验报告GD2101078.同条件养护混凝土抗压强度检验报告GD2101089.混凝土用水检验报告GD21010910.混凝土配合比设计报告GD21011011.混凝土试件抗拆强度检验报告GD21011112.混凝土抗压强度检验报告GD21011213.砂浆试件抗压强度检验报告GD21011314.混凝土抗渗等级性能检验报告GD21011415.建筑绝热材料保温性能检验报告GD21011516.普通混凝土用砂检验报告GD21011617.普通混凝土用石检验报告GD210117二、钢材及钢构件试(检)验报告1.钢筋力学性能、工艺性能检验报告GD2102012.钢管力学性能、工艺性能检验报告GD2102023.钢筋焊接接头检验报告GD2102034.钢筋机械连接接头单向拉伸性能报告GD2102045.结构钢焊接件检验报告GD2102056.预应力钢纹线力学性能检验报告GD20102067.预应力混凝土用钢丝力学性能检验报告GD2102078.金属洛氏硬度检验报告GD2102089.高强度螺栓连接副扭矩系数检验报告GD21020910.高强度螺栓连接摩擦面抗滑移系数检验报告GD21021011.扭剪型高强螺栓连接副紧固预拉力检验报告GD21021112.紧固件检验报告GD21021213.结构钢检验报告GD21021314.静载锚固性能检验报告GD210214三、墙体材料试(检)验报告1.蒸压加气混凝土砌块检验报告GD2103012.轻骨料混凝土小型空心砌块检验报告GD2103023.普通混凝土小型空心砌块检验报告GD2103034.蒸压灰砂砖检验报告GD2103045.烧结普通砖检验报告GD2103056.烧结多孔砖检验报告GD2103067.烧结空心砖砌块检验报告GD2103078.混凝土路面砖检验报告GD2103089.外墙饰面砖粘结强度检验报告GD210309四、结构现场实体检测报告1.回弹法检测混凝土抗压强度报告GD2104012.钻芯法检测混凝土抗压强度报告GD2104023.超声回弹综合法检测混凝土强度报告GD2104034.超声法检测混凝土缺陷报告GD2104045.钢结构焊缝超声检测报告GD2104056.钢结构磁粉检测报告GD2104067.钢结构焊缝X射线检测报告GD2104078.钢结构渗透检测报告GD210408五、门窗、幕墙检测报告1.建筑外窗物理性能检测报告(原件)GD2105012.建筑外窗力学性能检测报告(原件)GD2105023.建筑幕墙物理性能检测报告(原件)GD2105034.建筑用硅酮结构密封胶相容性检测报告(原件)GD2105045.结构胶相容性检测试件说明(原件)GD2105056.建筑门窗五金配件产品质量检测报告GD2105067.建筑玻璃产品质量检测报告GD2105078.建筑材料导热系数检测报告GD2105089.建筑用塑料外窗角强度检测报告GD21050910.建筑幕墙用铝塑复合板检测报告(原件/复印件)GD21051011.建筑铝合金塑材检验报告(原件/复印件)GD21051112.石材(板)弯曲强度试验报告(原件/复印件)GD21051213.石材结构胶粘结强度检测报告(原件/复印件)GD21051314.石材用密封胶污染性能检测报告(原件/复印件)GD210514六、岩土地基基础检(试)验1.地基标准贯入试验检测报告(原件)GD2106012.击实检验报告GD2106023.密实度试验报告GD2106034.复合地基载荷试验检测报告GD2106045.地基土载荷试验检测报告(原件)GD2106056.基桩竖向抗压静载试验检测报告(原件)GD2106067.单桩竖向抗拔静载试验检测报告(原件)GD2106078.单桩水平抗压静载试验检测报告(原件)GD2106089.基础锚杆、支护锚杆(或土钉)抗拔试验报告(原件)GD21060910.地基动力触探试验检测报告(原件)GD21061011.基桩钻芯法检测报告(原件)GD21061112.基桩高应变法检测报告(原件)GD21061213.基桩反射波法检测报告(原件)GD21061314.基桩声波透射法检测报告(原件)GD210614七、室内环境检测报告1.民用建筑工程室内环境质量检测报告(原件)GD2107012.民用建筑工程土壤氡浓度检测报告(原件)GD2107023.建筑材料放射性核素检验报告GD2107034.建筑装饰装修材料有害物质含量检验报告GD210704第二节施工管理记录一、施工单位用表(其中部分表可用于建筑设备工程)1.施工现场质量管理检查记录GD2201012.单位工程开工申请报告GD2201023.单位工程施工组织设计(施工方案)(原件/复印件)GD2201034.设计图纸会审记录(一)(二)GD2201041)设计图纸会审记录(一)GD220104-12)设计图纸会审记录(二)GD220104-25.设计变更洽商记录GD2201056.设计变更通知单汇总表GD2201067.工程质量事故(停工)通知GD2201078.工程复工通知书GD2201089.工程中间验收交接记录GD22010910.单位工程竣工图登记表GD22011011.施工日志GD22011112.工程总价(原件/复印件)GD22011213.工程质量整改回复单GD22011314.项目经理任命通知书GD22011415.项目经理部人员设置通知书GD22011516.项目经理部人员变更通知书GD22011617.工程签证单GD22011718.工程质量事故调查处理报告GD220118第三节施工过程记录一、土建装修工程用表1.工程基线复核表GD23010012.单位工程坐标定位测量记录GD23010023._分项工程质量技术交底卡GD23010034.基坑监测总报告(原件/复印件)GD23010045.基坑支护结构顶部水平位移监测结果表GD23010056.基坑支护结构顶部沉降监测结果表GD23010067.锤击沉管混凝土灌注桩工程施工工艺试验记录表GD23010078.锤击沉管混凝土灌注桩工程施工记录表GD23010089.内击式套管成孔灌注桩施工工艺试验记录表GD230100910.内击式套管成孔灌注桩施工记录表GD230101011.锤击混凝土预制桩、钢桩施工工艺试验记录表GD230101112.锤击混凝土预制桩、钢桩施工记录表GD230101213.静压混凝土预制桩、钢桩施工工艺试验记录表GD230101314.静压混凝土预制桩、钢桩施工记录表GD230101415._号挖孔桩成孔检查记录GD230101516._号钻(冲)孔桩成卡施工记录GD230101617.护壁泥浆质量检查记录GD230101718.沉井(箱)施工记录表GD230101819._号钻(冲)孔桩地下连续墙灌注下混凝土记录GD230101920.人工挖孔灌注桩施工资料汇总表GD230102021.钻(冲)孔灌注桩施工资料汇总表GD230102122.水泥土搅拌桩施工记录表GD230102223.水泥土搅拌桩供灰记录表GD230102324.水泥土搅拌桩施工记录汇总表GD230102425.水泥土搅拌桩轻便触深检验记录表GD230102526.排水插板施工记录GD230102627.振冲桩施工记录GD230102728.喷、射混凝土施工记录GD230102829.锚杆(土钉)钻孔施工记录GD230102930.锚杆(土钉)注浆施工记录GD230103031.锚杆张拉施工记录GD230103132.地基基坑(槽)开挖、施工检查记录GD230103233.地基基坑(槽回填施工检查记录GD230103334.地基钎深记录表GD230103435.土方开挖后桩基础复核及桩质量检查表GD230103536.混凝土搅拌质量记录表GD230103637.混凝土坍落度检测记录表GD230103738.大体积混凝土测温记录表GD230103839.实体混凝土养护情况记录表GD230103940.砂浆试件抗压强度检验报告GD230104041.砂浆试件核查汇总表及混凝土试块核查汇总表GD230104142.混凝土试块试验结果汇总表GD230104243.砂浆试块试验结果汇总表GD230104344.混凝土抗压强度计算表GD230104445.砂浆抗压强度计算表GD230104546.砂浆抗压强度计算表GD2301045(新)47.钢材(钢筋、钢管)产品质量核查记录表GD230104648.钢筋(钢材、钢管、螺栓)连接检验报告汇总表GD230104749.水泥出厂、复验质量证明文件汇总表GD230104850.粗(细)骨料合格证、试验报告汇总表GD230104951._原材料合格证、试验报告汇总表GD230105052.钢筋机械连接接头检验报告汇总表GD230105153._质量证明文件汇总表GD230105254._合格证细则表GD230105355.预应力筋张拉原始记录表GD230105456.预应力张拉孔道压浆记录GD230105557.混凝土后浇带施工检查记录GD230105658.烟气(风)道工程检查记录表GD230105759.地下室防水效果检查记录表GD230105860.防水工程试验记录表GD230105961.垂直度、标高、全高记录表GD230106062.建筑物沉降观测记录表GD230106163.工种(工序)间交接质量检查记录表GD230106264._隐蔽工程质量验收记录表GD230106365.挖填前/后原地形测量记录网格图GD230106466.混凝土酮条件养护试件日累计养护温度记录表GD230106567.大体积混凝土施工测温记录表GD230106668.混凝土拆模申请GD230106769.钢筋保护层厚度检查记录GD230106870.混凝土楼板厚度检测记录GD230106971.基座、埋件交接记录GD230107072.建筑钢结构焊接工艺评定报告GD23010711)焊接工艺评定报告目录GD2301071-12)焊接工艺评定报告GD2301071-23)焊接工艺评定指导书GD2301071-34)焊接工艺评定记录表GD2301071-45)焊接工艺评定检验结果GD2301071-56)栓钉焊焊接工艺评定报告GD2301071-67)栓钉焊焊接工艺评定指导书GD2301071-78)栓钉焊焊接工艺评定记录表GD2301071-89)栓钉焊焊接工艺评定试样检验结果GD2301071-973.高强度螺栓连接副施工质量检查记录表GD230107274._构件吊装记录GD230107375.焊缝外观质量检查记录表GD230107476.扭矩检查记录GD230107577.构件质量现场检查记录GD230107678.构件安装施工记录GD230107779.钢材焊接试验报告汇总表GD230107880.钢吊车梁及动荷载安装一般项检查记录表GD230107981.单层钢柱外形尺寸检查记录表GD230108082.多节钢柱外形尺寸检查记录表GD230108183.钢管构件外形尺寸检查记录表GD230108284.焊接实腹钢梁外形尺寸检查记录表GD230108385.钢桁架外形尺寸允许偏差检查记录表GD230108486.钢平台钢梯和防护栏杆外形尺寸检查记录表GD230108587.钢墙架、檩条、支撑系统钢构件外形尺寸检查记录表GD230108688.钢(网架)结构支座复测记录GD230108789.网架结构杆件长度检查记录GD230108890.网架焊接球制作检验记录GD230108991.网架高强度螺栓连接检查记录GD230109092.钢网架结构节点安装就位记录GD230109193.钢(网架)结构构件安装就位记录GD230109294.钢(网架)结构焊缝质量检查记录GD230109395.膜结构节点安装就位记录GD230109496.网架工程挠度测量记录表GD230109597.钢结构构件(整体)侧向弯曲测量记录表GD230109698.防腐漆(膜)厚度计附着力检查记录表GD230109799.防火涂层厚度检查记录表GD2301098100.锚杆(土钉)隐蔽工程质量验收记录GD2301099101.土方回填隐蔽工程质量验收记录GD2301100102.钻(冲、挖)孔桩钢筋笼安装隐蔽验收记录表GD2301101103._号(钻)冲孔桩隐蔽验收记录GD2301102104.地下连续墙隐蔽验收记录GD2301103105.混凝土隐蔽工程质量验收记录GD2301104106.钢筋隐蔽工程质量验收记录GD2301105107.预应力结构孔道预应力钢筋及锚具预埋隐蔽工程验收记录GD2301106 108.型钢混凝土组合结构型钢隐蔽工程质量验收记录GD2301107109.砌体隐蔽工程质量验收记录GD2301108110.防水层隐蔽工程质量验收记录GD2301109111.钢结构隐蔽工程质量验收记录GD2301110112.细部隐蔽工程质量验收记录GD2301111113.吊顶隐蔽工程质量验收记录GD2301112114.轻质隔墙隐蔽工程质量验收记录GD2301113115.饰面板(砖)隐蔽工程质量验收记录GD2301114116.幕墙隐蔽工程质量验收记录GD2301115117.门窗隐蔽工程质量验收记录GD2301116118.幕墙构件、组件加工制作记录GD2301117119.(门窗)幕墙抗渗漏淋水试验记录GD2301118120.幕墙防雷接地电阻测试记录表GD2301119121.玻璃幕墙结构胶粘结剥离试验记录表2301120122.密封胶、密封材料和衬垫材料检查记录表GD2301121二、建筑节能(围护结构部分)用表(一)进场验收表GD23020101(通用表)(二)墙体节能工程1.墙体节能工程质量证明文件汇总表GD230202012.墙体节能工程见证取样复验报告汇总表GD230202023.墙体节能工程隐蔽工程质量验收记录表GD23020203(三)幕墙节能工程1.幕墙节能工程资料证明文件汇总表GD230203012.幕墙节能工程见证取样复验报告汇总表GD230203023.幕墙节能工程隐蔽工程质量验收记录表GD23020303(四)门窗节能工程1.门窗节能工程质量证明文件汇总表GD230204012.门窗节能工程见证取样复验报告汇总表GD230204023.门窗节能工程隐蔽工程质量验收记录表GD23020403(五)屋面节能工程1.屋面节能工程质量证明文件汇总表GD230205012.屋面节能工程见证取样复验报告汇总表GD230205023.屋面节能工程隐蔽工程质量验收记录表GD23020503(六)建筑外墙围护结构节能做法现场检验表1.外墙节能做法检验报告GD23020601(七)检验批/分项工程质量验收表1.墙体节能工程检验批/分项工程质量验收表GD230207012.幕墙节能工程检验批/分项工程质量验收表GD230207023.门窗节能工程检验批/分项工程质量验收表GD230207034.屋面节能工程检验批/分项工程质量验收表GD23020704(八)节能分部工程质量验收汇总表1.墙体节能工程节能分项工程质量验收表GD230208012.幕墙节能工程节能分项工程质量验收表GD230208023.门窗节能工程节能分项工程质量验收表GD230208034.屋面节能工程节能分项工程质量验收表GD23020804(九)节能分部工程质量收拾表1.建筑节能工程(围护结构部分)工程质量验收表GD23020901(十)备案专用表1.卷内目录2.卷内备考录3.案卷封面4.卷盒脊背第四节土建、装修各检验批质量验收记录一、地基与基础工程用表(一)无支护土方1._土方开挖工程检验批质量验收记录表GD240101012._土方回填工程检验批质量验收记录表GD24010102(二)有支护土方1.排桩墙支护工程检验批质量验收记录表(重复使用钢板桩)GD240102012.排桩墙支护工程检验批质量验收记录表(混凝土板桩)GD240102023.降水与排水工程检验批质量验收记录表GD240102034.混凝土灌注桩钢筋笼制作工程检验批质量验收记录表GD240102045.地下连续墙工程检验批质量验收记录表GD240102056.锚杆及土钉墙支护工程检验批质量验收记录表GD240102067.加筋水泥土桩墙支护工程检验批质量验收记录表GD240102078.沉井与沉箱工程检验批质量验收记录表GD240102089.钢或混凝土内支撑工程检验批质量验收记录表GD2401020910.支护工程钢腰梁、混凝土腰梁检验批质量验收记录表GD24010210(三)地基及基础处理1.灰土地基工程检验批质量验收记录表GD240103012.砂和砂石地基工程检验批质量验收记录表GD240103023.土工合成材料地基工程检验批质量验收记录表GD240103034.粉煤灰地基工程检验批质量验收记录表GD240103045.强夯地基工程检验批质量验收记录表GD240103056.振冲地基工程检验批质量验收记录表GD240103067.砂石桩地基工程检验批质量验收记录表GD240103078.预压地基工程检验批质量验收记录表GD240103089.高压喷射注浆地基工程检验批质量验收记录表GD2401030910.土和灰土挤密桩复合地基工程检验批质量验收记录表GD2401031011.注浆地基工程检验批质量验收记录表GD2401031112.水泥粉煤灰碎石桩复合地基工程检验批质量验收记录表GD2401031213.夯实水泥土桩复合地基工程检验批质量验收记录表GD2401031314.水泥土搅拌桩地基工程检验批质量验收记录表GD2401010314(四)桩基1.非预应力混凝土预制桩制作工程检验批质量验收记录表GD240104012.非预应力混凝土预制桩质量检查及外观质量检验批验收记录表GD240104023.先张法预应力混凝土管桩质量检查及外观质量检验批验收记录表GD240104034.钢桩(成品)外观质量检验批验收记录表GD240104045.锤击、静压混凝土预制桩工程检验批质量验收记录表GD240104056.锤击、静压钢桩工程检验批质量验收记录表GD240104067.混凝土灌注桩钢筋笼制作工程检验批质量验收记录表GD240104078.混凝土灌注桩工程检验批质量验收记录表GD240104089.混凝土板桩检验批质量验收记录表GD2401040910.重复使用钢桩检验批质量验收记录表GD24010410(五)地下防水1.防水混凝土工程检验批质量验收记录表GD240105012.水泥砂浆防水层工程检验批质量验收记录表GD240105023.卷材防水层工程检验批质量验收记录表GD240105034.涂料防水层工程检验批质量验收记录表GD240105045.金属板防水层工程检验批质量验收记录表GD240105056.塑料板防水层工程检验批质量验收记录表GD240105067.细部构造工程检验批质量验收记录表GD240105078.锚喷支护工程检验批质量验收记录表GD240105089.复合式衬砌工程检验批质量验收记录表GD2401050910.盾构法隧道工程检验批质量验收记录表GD2401051011.渗排水、盲沟排水工程检验批质量验收记录表GD2401051112.隧道、坑道排水工程检验批质量验收记录表GD2401051213.预注浆、后注浆工程检验批质量验收记录表GD2401051314.衬砌裂缝注浆工程检验批质量验收记录表GD24010514(六)混凝土基础1.现浇结构模板安装工程检验批质量验收记录表(Ⅰ)GD240106012.预制构件模板工程检验批质量验收记录表(Ⅱ)GD240106023.模板拆除工程检验批质量验收记录表(Ⅲ)GD240106034.钢筋加工工程检验批质量验收记录表(Ⅰ)GD24010604(新)5.钢筋加工工程检验批质量验收记录表(Ⅰ) GD24010604(旧)6.钢筋安装工程检验批质量验收记录表(Ⅱ)GD240106057.混凝土原材料及配合比设计检验批质量验收记录表(Ⅰ)GD240106068.混凝土施工工程检验批质量验收记录表(Ⅱ)GD240106079.现浇混凝土结构观感质量及尺寸偏差检验批验收记录表(Ⅰ)GD2401060810.混凝土设备基础外观及尺寸偏差检验批验收记录表(Ⅱ)GD24010609(七)砌体基础1.砖砌体工程检验批质量验收记录表GD240107012.混凝土小型空心砌块工程检验批质量验收记录表GD240107023.配筋砌体工程检验批质量验收记录表GD240107034.石砌体工程检验批质量验收记录表GD24010704(八)地下防水(GB 50208-2011)1.地下建筑防水工程1)防水混凝土工程检验批质量验收记录表GD240105012)水泥砂浆防水层工程检验批质量验收记录表GD240105023)卷材防水层工程检验批质量验收记录表GD240105034)涂料防水层工程检验批质量验收记录表GD240105045)塑料防水板防水层工程检验批质量验收记录表GD240105056)金属板防水层工程检验批质量验收记录表GD240105067)澎润土防水材料防水层工程检验批质量验收记录表GD240105072.细部构造防水工程1)施工缝工程检验批质量验收记录表GD240105082)变形缝工程检验批质量验收记录表GD240105093)后浇带工程检验批质量验收记录表GD240105104)穿墙管工程检验批质量验收记录表GD240105115)埋设件工程检验批质量验收记录表GD240105126)预留通道接头工程检验批质量验收记录表GD240105137)桩头工程检验批质量验收记录表GD240105148)孔口工程检验批质量验收记录表GD240105159)坑、池工程检验批质量验收记录表GD240105163.特殊施工法结构防水工程1)锚喷支护工程检验批质量验收记录表GD240105172)地下连续墙工程检验批质量验收记录表GD240105183)盾构隧道工程检验批质量验收记录表GD240105194)沉井工程检验批质量验收记录表GD240105205)逆筑结构工程检验批质量验收记录表GD240105214.排水工程1)渗排水、盲沟排水工程检验批质量验收记录表GD240105222)隧道排水、坑道排水工程检验批质量验收记录表GD240105233)塑料排水板排水工程检验批质量验收记录表GD240105245.注浆工程1)预注浆、后注浆工程检验批质量验收记录表GD240105252)结构裂缝注浆工程检验批质量验收记录表GD24010526砌体(GB 50203-2011)附录A 砌体工程检验批质量验收记录1)砖砌体工程检验批质量验收记录GD240107012)混凝土小型空心砌块砌体工程检验批质量验收记录GD240107023)配筋砌体工程检验批质量验收记录GD240107034)石砌体工程检验批质量验收记录GD240107045)填充墙砌体工程检验批质量验收记录GD24010705附录C 填充墙砌体植筋锚固力检测记录1)附录C.0.1 填充墙砌体植筋锚固力检测记录二、主体结构工程用表(一)混凝土结构1.现浇结构模板安装工程检验批质量验收记录表(Ⅰ)GD240201012.预制构件模板工程检验批质量验收记录表(Ⅱ)GD240201023.模板拆除工程检验批质量验收记录表(Ⅲ)GD240201034.钢筋加工工程检验批质量验收记录表(Ⅰ)GD24020104(新)5.钢筋加工工程检验批资料验收记录表(Ⅰ)GD24020104(旧)6.钢筋安装工程检验批质量验收记录表(Ⅱ)GD240201057.混凝土原材料及配合比设计检验批质量验收记录表(Ⅰ)GD240201068.混凝土施工工程检验批质量验收记录表(Ⅱ)GD240201079.预应力筋用锚具、夹具和连接器质量检验批质量验收记录表(Ⅰ)GD2402010810.预应力筋、螺旋管、水泥和外加剂原材料检验批质量记录表(Ⅱ)GD2402010911.预应力筋制作与安装工程检验批质量验收记录表(Ⅲ)GD2402011012.预应力筋张拉、放张、灌注及封锚工程检验批质量验收记录表(Ⅳ)GD2402011113.现浇混凝土结构观感质量及尺寸偏差检验批验收记录表(Ⅰ)GD2402011214.混凝土设备基础外观及尺寸偏差检验批验收记录表(Ⅱ) GD2402011315.预制构件检验批质量验收记录表(Ⅰ)GD2402011416.装配式结构施工工程检验批质量验收记录表(Ⅱ)GD24020115(二)砌体结构1.砖砌体工程检验批质量验收记录表GD240202012.混凝土小型空心砌块体工程检验批质量验收记录表GD240202023.石砌体工程检验批质量验收记录表GD240202034.填充墙砌体工程检验批质量验收记录表GD240202045.配筋砌体工程检验批质量验收记录表GD24020205(三)钢结构工程1.钢结构制作(安装)焊接工程检验批质量验收记录表(Ⅰ)GD240203012.焊钉(栓钉)焊接工程检验批质量验收记录表(Ⅱ)GD240203023.普通紧固件连接工程检验批质量验收记录表(Ⅰ)GD240203034.高强度螺栓连接工程检验批质量验收记录表(Ⅱ)GD240203045.钢结构零、部件加工工程检验批质量验收记录表(Ⅰ)GD240203056.钢网架制作工程检验批质量验收记录表(Ⅱ)GD240203067.单层及高层钢结构安装工程检验批质量验收记录表GD240203078.多层级高层钢结构安装工程检验批质量验收记录表GD240203089.钢构件组装工程检验批质量验收记录表GD2402030910.钢构件预拼装工程检验批质量验收记录表GD2402031011.钢网架安装工程检验批质量验收记录表GD2402031112.压型金属板工程检验批质量验收记录表GD2402031213.钢结构防腐涂料涂装工程检验批质量验收记录表GD2402031314.钢结构防火涂料涂装工程检验批质量验收记录表GD2402031415.网架结构总拼装工程批检验批质量验收记录表GD2402031516.钢结构钢材质量检查及外观质量检验批质量验收记录表GD2402031617.钢结构焊接材料质量检查及外观质量检验批质量验收记录表GD2402031718.钢结构焊接球质量检查及外观质量检验批质量验收记录表GD2402031819.钢结构螺栓球质量检查及外观质量检验批质量验收记录表GD2402031920.钢结构封板、锥头和套筒质量检查及外观质量检验批质量验收记录表GD2402032021.钢结构金属压型质量检查及外观质量检验批质量验收记录表GD2402321(四)木结构工程1.木屋盖工程检验批质量验收记录表GD240204012.胶合木工程检验批质量验收记录表GD240204023.轻型木结构(规格材、钉连接)工程检验批质量验收记录表GD240204034.木结构防腐、防虫、防火工程检验批质量验收记录表GD24020404砌体(GB 50203-2011)附录A 砌体工程检验批质量验收记录1)砖砌体工程检验批质量验收记录GD240202012)混凝土小型空心砌块砌体工程检验批质量验收记录GD240202023)石砌体工程检验批质量验收记录GD240202034)填充墙砌体工程检验批质量验收记录GD240202045)配筋砌体工程检验批质量验收记录GD24020205附录C 填充墙砌体植筋锚固力检测记录1)附录C.0.1填充墙砌体植筋锚固力检测记录三、装修装饰工程用表(一)建筑地面工程1.基土垫层检验批质量验收记录表(Ⅰ)GD240301012.灰土垫层检验批质量验收记录表(Ⅱ)GD240301023.砂垫层和砂石垫层检验批质量验收记录表(Ⅲ)GD240301034.碎石垫层和碎砖垫层检验批质量验收记录表(Ⅳ)GD240301045.二合土垫层检验批质量验收记录表(Ⅴ)GD240301056.炉渣垫层检验批质量验收记录表(Ⅵ)GD240301067.水泥混凝土垫层检验批质量验收记录表(Ⅶ)GD240301078.找平层检验批质量验收记录表(Ⅶ)GD240301089.隔离层检验批质量验收记录表(Ⅷ)GD2403010910.填充层检验批质量验收记录表(Ⅸ)GD2403011011.绝热层检验批质量验收记录表GD2403011112.水泥混凝土面层检验批质量验收记录表GD2403011213.水泥砂浆面层检验批质量验收记录表GD2403011314.水磨石面层检验批质量验收记录表GD2403011415.硬化耐磨面层检验批质量验收记录表GD2403011516.防油渗面层检验批质量验收记录表GD2403011617.不发火(防爆)面层工程检验批质量验收记录表GD2403011718.自流平面层检验批质量验收记录表GD2403011819.涂料面层检验批质量验收记录表GD2403011920.塑胶面层检验批质量验收记录表GD2403012021.地面辐射供暖的整体面层检验批质量验收记录表(Ⅰ水泥混凝土整体面层)GD2403012122.地面辐射供暖的整体面层检验批质量验收记录表(Ⅱ水泥砂浆整体面层)GD2403012223.砖面层检验批质量验收记录表GD2403012324.大理石和花岗石面层检验批质量验收记录表GD2403012425.预制板块面层检验批质量验收记录表GD2403012526.料石面层工程检验批质量验收记录表GD2403012627.塑料板面层检验批质量验收记录表GD2403012728.活动版面层检验批质量验收记录表GD2403012829.金属板面层检验批质量验收记录表GD2403012930.地毯面层检验批质量验收记录表GD2403013031.地面辐射供暖的板块面层检验批质量验收记录表(Ⅰ砖整体面层)GD2403013132.地面辐射供暖的板块面层检验批质量验收记录表(Ⅱ大理石和花岗石整体面层)GD2403013233.地面辐射供暖的板块面层检验批质量验收记录表(Ⅲ预制板块整体面层)GD2403013334.地面辐射供暖的板块面层检验批质量验收记录表(Ⅳ塑料板整体面层)GD2403013435.实木地板实木集成地板、竹地板面检验批质量验收记录表GD2403013536.实木复合地板面层检验批质量验收记录表GD2403013637.浸渍纸层压木质地板面层检验批质量验收记录表GD2403013738.软木类地板面层检验批质量验收记录表GD2403013839.地面辐射供暖的木板面层检验批质量验收记录表(Ⅰ实木复合地板整体面层)GD2403013940.地面辐射供暖的木板面层检验批质量验收记录表(Ⅱ浸渍纸层压木质地板整体面层)GD 24030140(二)抹灰工程1.一般抹灰工程检验批质量验收记录表GD240302012.装饰抹灰工程检验批质量验收记录表GD240302023.清水砌体勾缝工程检验批质量验收记录表GD24030203(三)门窗工程1.木门窗制作工程检验批质量验收记录表(Ⅰ)GD240303012.木门窗安装工程检验批质量验收记录表(Ⅱ)GD240303023.金属门窗安装工程检验批质量验收记录表(钢门窗)(Ⅰ)GD240303034.金属门窗安装工程检验批质量验收记录表(铝合金门窗)(Ⅱ)GD240303045.金属门窗安装工程检验批质量验收记录表(涂色镀锌钢板门窗)(Ⅲ)GD240303056.塑料门窗安装工程检验批质量验收记录表GD24030306。
门窗玻璃安装检验批质量验收记录03040501001注:本表内容的填写需依据《现场验收检验批检查原始记录》。
本检验批质量验收的规范依据见本页背面。
填写说明一、填写依据1 《建筑装饰装修工程质量验收规范》GB50210-2001。
2 《建筑工程施工质量验收统一标准》GB50300-2013。
二、检验批划分各分项工程的检验批应按下列规定划分:1 同一品种、类型和规格的木门窗、金属门窗、塑料门窗及门窗玻璃每100樘应划分为一个检验批,不足100樘也应划分为一个检验批。
2 同一品种、类型和规格的特种门每50樘应划分为一个检验批,不足50樘也应划分为一个检验批。
三、GB50210-2001规范摘要主控项目5.6.2 玻璃的品种、规格、尺寸、色彩、图案和涂膜朝向应符合设计要求。
单块玻璃大于1.5时应使用安全玻璃。
检验方法:观察;检查产品合格证书、性能检测报告和进场验收记录。
5.6.3 门窗玻璃裁割尺寸应正确。
安装后的玻璃应牢固,不得有裂纹、损伤和松动。
检验方法:观察;轻敲检查。
5.6.4 玻璃的安装方法应符合设计要求。
固定玻璃的钉子或钢丝卡的数量、规格应保证玻璃安装牢固。
检验方法:观察;检查施工记录。
5.6.5 镶钉木压条接触玻璃处,应与裁口边缘平齐。
木压条应互相紧密连接,并与裁口边缘紧贴,割角应整齐。
检验方法:观察。
5.6.6 密封条与玻璃、玻璃槽口的接触应紧密、平整。
密封胶与玻璃、玻璃槽口的边缘应粘结牢固、接缝平齐。
检验方法:观察。
5.6.7 带密封条的玻璃压条,其密封条必须与玻璃全部贴紧,压条与型材之间应无明显缝隙,压条接缝应不大于0.5mm。
检验方法:观察;尺量检查。
一般项目5.6.8 玻璃表面应洁净,不得有腻子、密封胶、涂料等污渍。
中空玻璃内外表面均应洁净,玻璃中空层内不得有灰尘和水蒸气。
检验方法:观察。
5.6.9 门窗玻璃不应直接接触型材。
单面镀膜玻璃的镀膜层及磨砂玻璃的磨砂面应朝向室内。
中空玻璃的单面镀膜玻璃应在最外层,镀膜层应朝向室内。
0302011第4.2.2条2第4.2.3条3第4.2.4条4第4.2.5条1第4.2.6条2第4.2.7条3第4.2.8条4第4.2.9条5第4.2.10条普通4mm 高级3mm 普通4mm 高级3mm 普通4mm 高级3mm 普通4mm 高级3mm 普通4mm 高级3mm阴阳角方正6细部质量层与层间材料要求层总厚度分格条(缝)直线度墙裙、勒脚上口直线度表面平整度分部(子分部)工程名称分包单位施工执行标准名称及编号分 包项目经理施工单位检查评定记录验收部位施工班组长专业工长(施工员)监理(建设)单位验收记录监理(建设)单位验 收 结 论施 工 单 位检查评定结果(建设单位项目专业技术负责人): 年 月 日专业监理工程师:项目专业质量检查员: 年 月 日一般抹灰工程检验批质量验收记录表GB50210-2001施工单位单位(子单位)工程名称项目经理操作要求施工质量验收规范的规定主控项目一般项目表面质量分格缝滴水线(槽)基层表面材料品种和性能层粘结及面层质量允许偏差立面垂直度⒈⒉⒊⒋⒈⒉⒊⒋⒌⒍观察和尺量检查。
一般抹灰工程质量的允许偏差符合下表规定。
有排水要求的部位应做滴水线(槽)。
滴水线(槽)应整齐顺直,滴水线应内高外低,滴水槽的宽度和深度均不应小于10mm。
注:1.普通抹灰,本表第3项阴角方正可不检查;2.顶棚抹灰,本表第2项表面平整度可不检查,但应平顺。
观察和手摸检查。
护角、孔洞、槽、盒周围的抹灰表面应整齐、光滑;管道后面的抹灰表面应平整。
抹灰层的总厚度应符合设计要求;水泥砂浆不得抹在石灰砂浆层上;罩面石膏灰不得抹在水泥砂浆层上。
检查施工记录。
抹灰分格缝的设置应符合设计要求,宽度和深度应均匀,表面应光滑,棱角应整齐。
观察和尺量检查。
(1)普通抹灰表面应光滑、洁净、接茬平整,分格缝应清晰;(2)高级抹灰表面应光滑、洁净、颜色均匀、无抹缘,分格缝和灰线应清晰美观。
说 明察;用小锤轻击检查。
检查施工记录。
特种门安装工程检验批质量验收审批表(防火门、防盗门、全玻门、金属卷帘门)
GB50210—2001
门窗玻璃安装工程检验批质量验收记录表
GB50210—2001
水性涂料涂饰工程检验批质量验收记录表
GB50210-2001
屋面找平层检验批质量验收记录表
细部构造检验批质量验收记录表
屋面细部构造工程检验批质量验收记录表
屋面卷材防水层程检验批质量验收记录表
金属门窗安装工程检验批质量验收记录表
屋面保温层检验批质量验收记录
灰土地基工程检验批质量验收记录表GB 50202—2002
土方回填工程检验批质量验收记录表。