金属门窗安装工程检验批质量验收记录表(钢门窗).docx
- 格式:docx
- 大小:34.27 KB
- 文档页数:1
金属门窗安装工程检验批质量验收记录金属门窗安装工程检验批质量验收记录一、引言本文旨在介绍金属门窗安装工程检验批质量验收记录的相关知识和实践经验。
在建筑行业中,门窗安装工程的质量对于建筑整体的安全性和持久性具有重要意义。
本文将详细阐述金属门窗安装工程检验批质量验收的要点和要求,以帮助读者更好地理解和应用相关技术。
二、金属门窗安装工程检验批质量验收记录的重要性金属门窗安装工程检验批质量验收记录是确保工程质量的重要手段。
通过对门窗安装过程中各环节的质量进行全面检查和控制,可以及时发现并解决潜在问题,确保门窗安装符合相关规范和设计要求。
此外,质量验收记录还有助于增强企业对质量的重视,提高员工的技能水平,进一步提升工程质量和公司声誉。
三、金属门窗安装工程检验批质量验收记录的内容1、检验批划分:根据施工图纸和现场实际情况,将金属门窗安装工程划分为若干个检验批。
每个检验批应具有相同的材料、工艺和施工条件。
2、质量验收标准:明确金属门窗安装工程的质量验收标准,包括允许偏差、连接方式、安装牢固性等方面。
3、质量验收记录表格:设计并使用合适的质量验收记录表格,以便详细记录每个检验批的质量状况。
表格应包括但不限于以下内容:1、检验批号2、检验日期3、检验人员4、使用的材料、设备和工艺5、质量状况(合格、不合格、返工)6、问题描述及解决方案7、其他备注信息4、质量验收程序:制定详细的质量验收程序,确保检验批质量验收工作的顺利进行。
程序应包括以下环节:1、检查施工图纸和现场实际情况的匹配度2、检查材料、设备和工艺的质量和合规性3、进行现场安装质量检查,包括门窗的尺寸、平整度、对角线等4、检查门窗与建筑结构的连接牢固性5、填写质量验收记录表格,记录检验批质量状况6、对不合格的检验批进行返工或采取其他解决方案5、问题解决方案:针对在质量验收过程中发现的问题,制定相应的解决方案。
对于不合格的检验批,应进行返工或采取其他有效的补救措施。
金属门窗安装工程检验批质量验收记录表(Ⅱ)铝合金门窗金属门窗安装工程检验批质量验收记录表(Ⅱ)铝合金门窗金属门窗安装工程检验批质量验收记录表(Ⅱ)铝合金门窗金属门窗安装工程检验批质量验收记录表(Ⅱ)铝合金门窗金属门窗安装工程检验批质量验收记录表(Ⅱ)铝合金门窗金属门窗安装工程检验批质量验收记录表(Ⅱ)铝合金门窗金属门窗安装工程检验批质量验收记录表(Ⅱ)铝合金门窗金属门窗安装工程检验批质量验收记录表(Ⅱ)铝合金门窗金属门窗安装工程检验批质量验收记录表(Ⅱ)铝合金门窗金属门窗安装工程检验批质量验收记录表(Ⅱ)铝合金门窗金属门窗安装工程检验批质量验收记录表(Ⅱ)铝合金门窗金属门窗安装工程检验批质量验收记录表(Ⅱ)铝合金门窗金属门窗安装工程检验批质量验收记录表(Ⅱ)铝合金门窗金属门窗安装工程检验批质量验收记录表(Ⅱ)铝合金门窗金属门窗安装工程检验批质量验收记录表(Ⅱ)铝合金门窗金属门窗安装工程检验批质量验收记录表(Ⅱ)铝合金门窗金属门窗安装工程检验批质量验收记录表(Ⅱ)铝合金门窗金属门窗安装工程检验批质量验收记录表(Ⅱ)铝合金门窗金属门窗安装工程检验批质量验收记录表(Ⅱ)铝合金门窗金属门窗安装工程检验批质量验收记录表(Ⅱ)铝合金门窗金属门窗安装工程检验批质量验收记录表(Ⅱ)铝合金门窗金属门窗安装工程检验批质量验收记录表(Ⅱ)铝合金门窗金属门窗安装工程检验批质量验收记录表(Ⅱ)铝合金门窗金属门窗安装工程检验批质量验收记录表(Ⅱ)铝合金门窗金属门窗安装工程检验批质量验收记录表(Ⅱ)铝合金门窗金属门窗安装工程检验批质量验收记录表(Ⅱ)铝合金门窗金属门窗安装工程检验批质量验收记录表(Ⅱ)铝合金门窗金属门窗安装工程检验批质量验收记录表(Ⅱ)铝合金门窗金属门窗安装工程检验批质量验收记录表(Ⅱ)铝合金门窗金属门窗安装工程检验批质量验收记录表(Ⅱ)铝合金门窗金属门窗安装工程检验批质量验收记录表(Ⅱ)铝合金门窗金属门窗安装工程检验批质量验收记录表(Ⅱ)铝合金门窗金属门窗安装工程检验批质量验收记录表(Ⅱ)铝合金门窗鲁JJ-185金属门窗安装工程检验批质量验收记录表(Ⅱ)铝合金门窗金属门窗安装工程检验批质量验收记录表(Ⅱ)铝合金门窗金属门窗安装工程检验批质量验收记录表(Ⅱ)铝合金门窗金属门窗安装工程检验批质量验收记录表(Ⅱ)铝合金门窗金属门窗安装工程检验批质量验收记录表(Ⅱ)铝合金门窗金属门窗安装工程检验批质量验收记录表(Ⅱ)铝合金门窗金属门窗安装工程检验批质量验收记录表(Ⅱ)铝合金门窗金属门窗安装工程检验批质量验收记录表(Ⅱ)铝合金门窗金属门窗安装工程检验批质量验收记录表(Ⅱ)铝合金门窗金属门窗安装工程检验批质量验收记录表(Ⅱ)铝合金门窗金属门窗安装工程检验批质量验收记录表(Ⅱ)铝合金门窗金属门窗安装工程检验批质量验收记录表(Ⅱ)铝合金门窗。
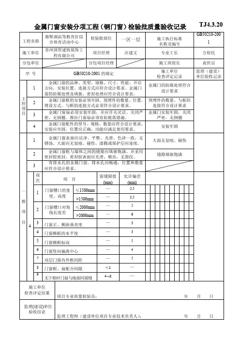
金属门窗安装工程检验批质量验收记录表
( 钢门窗 )GB 50210-2012( Ⅰ)
GD24030303
单位( 子单位 ) 工程名称
分项工程名称金属门窗安装
验收部位保安亭
总承包施工单位项目负责人钟文明
专业承包施工单位/项目负责人/
施工执行的技术标准称及
建筑装饰装修工程施工质量验收规范(GB50210-2012)
编号
监理( 建设)施工质量验收规范的规定施工单位检查评定记录单位验收记录
1门窗质量第5.3.2 条√
主
控2框和副框安装 , 预埋件第5.3.3 条/
项
第5.3.4 条
目 3门窗扇安装√
4配件质量及安装第5.3.5 条√
1表面质量第5.3.6 条√
2框与墙体间缝隙第5.3.8 条√
3扇密封胶条或毛毡密
第5.3.9 条/封条
4排水孔第5.3.10 条/留缝隙值和允许偏差第5.3.11 条√
项
项目留缝限允许偏
次值差(mm)
一
≤1500mm 1.60.3 2.4 1.5 2.0 1.3 1.6 2.40.60.2 1门窗槽口宽─ 2.5
度、高度
般>1500mm─ 3.5
项门窗槽口对≤2000mm─5 3.3 3.00.9 4.0 1.00.2 1.40.9 4.2 1.7 2
角线长度差
>2000mm6
目─
5门窗框的正、侧面
─3 1.80.40.1 1.60.20.1 2.9 1.4 1.90.1 3垂直度
4门窗横框的水平度─3 3.0 2.1 1.8 2.20.1 2.5 1.5 2.2 2.3 1.8 5门窗横框标高─5 3.5 2.8 4.9 3.0 4.10.8 2.1 2.60.90.6 6门窗竖向偏离中心─43422320430 7双层门窗内外框间距─5
8门窗框、扇配合间隙≤2─
9无下框时门扇与
4~8─5858846678地面间留缝
专业工长 ( 施工员 ) 签名施工班组长签名
专业承包施工单位
检查评定结果
项目专业质量检查员(签名):年月日监理( 建设)
专业监理工程师 ( 签名):
单位验收结论
年月日( 建设单位项目专业技术负责人签名):。