铝合金门窗安装工程检验批质量验收记录表
- 格式:doc
- 大小:84.50 KB
- 文档页数:4
检验批门窗玻璃安装检验批质量验收记录
1. 引言
门窗玻璃安装是建筑工程中重要的一环,关乎到建筑的美观和使用安全。
为确保门窗玻璃安装工作的质量和符合设计要求,进行检验批质量验收是必不可少的环节。
本文将对一次门窗玻璃安装检验批的质量验收记录进行详细描述。
2. 验收时间和地点
本次门窗玻璃安装的检验批质量验收工作于2022年1月10日至2022年1月15日在项目施工现场进行。
3. 验收人员
本次门窗玻璃安装检验批的质量验收由以下人员组成:
- 监理工程师:XXX
- 施工单位代表:XXX
- 建设单位代表:XXX
- 设计单位代表:XXX
4. 验收内容
本次门窗玻璃安装检验批质量验收的主要内容包括但不限于以下方面:
- 玻璃规格和尺寸的符合性验收
- 玻璃表面质量的验收
- 玻璃安装的垂直度和水平度验收
- 玻璃安装的密封性验收
- 玻璃安装的固定牢固性验收
5. 验收记录
5.1 玻璃规格和尺寸的符合性验收
根据设计文件要求,检验人员对安装完成的门窗玻璃进行了规格和尺寸的测量。
经测量得知,门窗玻璃的规格和尺寸符合设计要求,无误差。
5.2 玻璃表面质量的验收。
分户验收文件及表格河南省建设厅关于印发«河南省实施住宅工程质量分户验收工作的指导意见»的通知各省辖市建委、各有关单位:为了贯彻落实省政府«关于加快建筑业改革与进展假设干意见»的通知精神,加强住宅工程质量治理,指导各有关单位开展住宅工程质量分户验收工作,现将«河南省实施住宅工程质量分户验收工作的指导意见»印发给你们,请参照执行,并请将执行中发觉的问题及时反馈我厅。
附件:«河南省实施住宅工程质量分户验收工作的指导意见»二○○六年五月二十四日附件河南省实施住宅工程质量分户验收工作的指导意见为了加强住宅工程质量治理,保证竣工房屋使用功能,依照«中华人民共和国建筑法»和«建设工程质量治理条例»及国家施工验收规范,结合本省实际,指导工程建设、施工、监理等单位实施住宅工程质量分户验收,现提出如下指导意见:一、分户验收质量标准住宅工程质量分户验收〔以下简称分户验收〕,依据国家和省工程质量标准、规范,对每一户及单位工程每套住宅和规定的公共部位进行验收,并在分户验收合格后出具工程质量竣工验收记录。
分户验收的质量标准要紧包括«混凝土结构工程施工质量验收规范»、«建筑装饰装修工程质量验收规范»、«建筑地面工程施工质量验收规范»、«建筑给水排水及采暖工程施工质量验收规范»、«建筑电气工程施工质量验收规范»、«建筑工程施工质量验收统一标准»以及经审查合格的施工图设计文件等相关规范标准。
二、分户验收内容分户验收应以单位工程每套住宅和公共部分的走廊〔含楼梯间、电梯间〕、地下车库划分为一个子单位工程进行验收。
以可观看到的工程观感质量和阻碍使用功能的质量为要紧验收项目,验收内容应以检验批检查内容为主,对每套住宅涉及到的分户验收项目和验收内容进行验收。
0302011第4.2.2条2第4.2.3条3第4.2.4条4第4.2.5条1第4.2.6条2第4.2.7条3第4.2.8条4第4.2.9条5第4.2.10条普通4mm 高级3mm 普通4mm 高级3mm 普通4mm 高级3mm 普通4mm 高级3mm 普通4mm 高级3mm阴阳角方正6细部质量层与层间材料要求层总厚度分格条(缝)直线度墙裙、勒脚上口直线度表面平整度分部(子分部)工程名称分包单位施工执行标准名称及编号分 包项目经理施工单位检查评定记录验收部位施工班组长专业工长(施工员)监理(建设)单位验收记录监理(建设)单位验 收 结 论施 工 单 位检查评定结果(建设单位项目专业技术负责人): 年 月 日专业监理工程师:项目专业质量检查员: 年 月 日一般抹灰工程检验批质量验收记录表GB50210-2001施工单位单位(子单位)工程名称项目经理操作要求施工质量验收规范的规定主控项目一般项目表面质量分格缝滴水线(槽)基层表面材料品种和性能层粘结及面层质量允许偏差立面垂直度⒈⒉⒊⒋⒈⒉⒊⒋⒌⒍观察和尺量检查。
一般抹灰工程质量的允许偏差符合下表规定。
有排水要求的部位应做滴水线(槽)。
滴水线(槽)应整齐顺直,滴水线应内高外低,滴水槽的宽度和深度均不应小于10mm。
注:1.普通抹灰,本表第3项阴角方正可不检查;2.顶棚抹灰,本表第2项表面平整度可不检查,但应平顺。
观察和手摸检查。
护角、孔洞、槽、盒周围的抹灰表面应整齐、光滑;管道后面的抹灰表面应平整。
抹灰层的总厚度应符合设计要求;水泥砂浆不得抹在石灰砂浆层上;罩面石膏灰不得抹在水泥砂浆层上。
检查施工记录。
抹灰分格缝的设置应符合设计要求,宽度和深度应均匀,表面应光滑,棱角应整齐。
观察和尺量检查。
(1)普通抹灰表面应光滑、洁净、接茬平整,分格缝应清晰;(2)高级抹灰表面应光滑、洁净、颜色均匀、无抹缘,分格缝和灰线应清晰美观。
说 明察;用小锤轻击检查。
检查施工记录。
·浙建监A5-3铝合金门窗隐蔽工程报验申请表工程名称:玉环绿地·城市公馆铝合金门窗工程编号:1#—001铝合金门窗隐蔽工程检查记录编号:(01-18)/03-02/(04-02/06-16/06-17/08-20/09-01)-·浙建监A5-3铝合金门窗隐蔽工程报验申请表铝合金门窗隐蔽工程检查记录编号:(01-18)/03-02/(04-02/06-16/06-17/08-20/09-01)-·浙建监A5-3铝合金门窗隐蔽工程报验申请表铝合金门窗隐蔽工程检查记录编号:(01-18)/03-02/(04-02/06-16/06-17/08-20/09-01)-·浙建监A5-3铝合金门窗隐蔽工程报验申请表铝合金门窗隐蔽工程检查记录编号:(01-18)/03-02/(04-02/06-16/06-17/08-20/09-01)-·浙建监A5-3铝合金门窗隐蔽工程报验申请表铝合金门窗隐蔽工程检查验收记录编号:(01-18)/03-02/(04-02/06-16/06-17/08-20/09-01)-·浙建监A5-3铝合金门窗隐蔽工程报验申请表铝合金门窗隐蔽工程检查验收记录编号:(01-18)/03-02/(04-02/06-16/06-17/08-20/09-01)-·浙建监A5-3铝合金门窗隐蔽工程报验申请表铝合金门窗隐蔽工程检查验收记录编号:(01-18)/03-02/(04-02/06-16/06-17/08-20/09-01)-·浙建监A5-3铝合金门窗隐蔽工程报验申请表铝合金门窗隐蔽工程检查验收记录编号:(01-18)/03-02/(04-02/06-16/06-17/08-20/09-01)-·浙建监A5-3金属门窗安装工程报验申请表金属门窗安装工程检验批质量验收记录(GB50210-2001)表5.3编号:030302-□□□·浙建监A5-3金属门窗安装工程报验申请表金属门窗安装工程检验批质量验收记录(GB50210-2001)表5.3编号:030302-□□□·浙建监A5-3金属门窗安装工程报验申请表金属门窗安装工程检验批质量验收记录(GB50210-2001)表5.3编号:030302-□□□·浙建监A5-3金属门窗安装工程报验申请表金属门窗安装工程检验批质量验收记录(GB50210-2001)表5.3编号:030302-□□□·浙建监A5-3金属门窗玻璃安装工程报验申请表门窗玻璃安装工程检验批质量验收记录(GB50210-2001)表5.6编号:030305□□□·浙建监A5-3金属门窗玻璃安装工程报验申请表门窗玻璃安装工程检验批质量验收记录(GB50210-2001)表5.6编号:030305□□□·浙建监A5-3金属门窗玻璃安装工程报验申请表门窗玻璃安装工程检验批质量验收记录(GB50210-2001)表5.6编号:030305□□□·浙建监A5-3金属门窗玻璃安装工程报验申请表门窗玻璃安装工程检验批质量验收记录(GB50210-2001)表5.6编号:030305□□□·浙建监A5-3金属门窗节能工程报验申请表门窗节能工程检验批质量验收记录门窗洞口施工质量验收记录·浙建监A5-3金属门窗节能工程报验申请表门窗节能工程检验批质量验收记录门窗洞口施工质量验收记录·浙建监A5-3金属门窗节能工程报验申请表门窗节能工程检验批质量验收记录门窗洞口施工质量验收记录·浙建监A5-3金属门窗节能工程报验申请表门窗节能工程检验批质量验收记录门窗洞口施工质量验收记录金属门窗(分部)子分部工程验收记录(GB50300-2001)表F.0.1 编号:□□□□。
金属门窗安装分项工程检验批质量验收记录金属门窗是建筑工程中常用的一种门窗材料,其安装分项工程的质量验收是确保施工质量的重要环节。
下面是一份金属门窗安装分项工程检验批质量验收记录,供参考:项目名称:金属门窗安装分项工程工程编号:XXX工程地点:XXX一、项目概述二、检验批信息检验批号:XXX施工单位:XXX质检单位:XXX检查日期:XXXX年XX月XX日三、质量验收内容1.材料验收对金属门窗的材料进行质量检查和验收,包括金属门窗型材、五金配件、密封胶条等,确保符合相关标准和要求。
检查项目包括:(1)金属门窗型材:检查型材表面是否平整、无明显变形、无划痕和凹凸不平等问题。
(2)五金配件:检查各种五金配件的加工精度和装配质量是否符合要求。
(3)密封胶条:检查胶条厚度和强度是否符合要求。
2.安装验收对金属门窗的安装进行质量检查和验收,确保安装质量符合相关标准和要求。
检查项目包括:(1)安装位置:检查门窗的安装位置是否与施工图纸一致,是否与周围构件有适当的间隙。
(2)安装角度:检查门窗的安装角度是否垂直、水平或按照设计要求进行调整。
(3)固定方式:检查门窗的固定方式是否牢固、稳定,固定螺栓是否紧固。
(4)密封性能:检查门窗的密封胶条是否安装到位,密封效果是否良好。
(5)开关灵活性:检查门窗的开关是否灵活、顺畅,门窗是否能够紧密闭合。
3.补救措施如果在质量验收过程中发现金属门窗安装存在问题,需要及时采取补救措施,以保证施工质量。
补救措施包括:重新调整安装位置、调整安装角度、更换材料或配件等。
四、质量验收结果经过对金属门窗安装分项工程进行质量验收,结果如下:1.材料验收:金属门窗型材、五金配件和密封胶条等材料质量符合相关标准和要求。
2.安装验收:金属门窗安装位置正确,角度垂直或水平,固定方式稳固,密封性能良好,开关灵活顺畅。
五、存在问题和建议经质量验收发现的问题及建议如下:1.门窗密封胶条安装不到位,建议重新安装密封胶条。
铝合金面板安装检验批质量验收记录一、项目基本信息项目名称:铝合金面板安装工程工程地点:(具体地点)验收日期:(具体日期)验收人员:(姓名1)、(姓名2)、(姓名3)等二、工程概况本次铝合金面板安装工程是为(具体工程项目)而进行的施工工作。
该工程主要包括铝合金面板的安装、连接、固定等工作。
三、质量验收内容及结果3.1面板质量(1)检查面板表面的平整度,是否存在凹凸不平、刮花或其他瑕疵。
(2)检查面板的涂层质量,是否有脱落、剥落现象。
(3)检查面板角部的加工,是否平整、无毛刺,且与相邻面板连接处无裂缝。
验收结果:面板质量符合施工图纸和相关规范要求。
3.2固定连接(1)检查面板的固定方式,是否采用专用的连接件进行固定。
(2)检查固定件的材质、强度等,是否符合相关要求。
(3)检查固定件的安装位置和数量,是否与图纸要求一致。
(4)检查面板的连接结构,是否坚固可靠。
验收结果:固定连接符合施工图纸和相关规范要求。
3.3焊接质量(1)检查焊接接头的焊缝质量,是否均匀、牢固。
(2)检查焊接接头的外观,是否平整,无气孔、裂纹等缺陷。
(3)检查焊接接头的尺寸和位置,是否与图纸要求一致。
(4)检查焊接接头的可靠性和耐久性。
验收结果:焊接质量符合施工图纸和相关规范要求。
3.4表面处理(1)检查面板表面的清洁度,是否存在污染、油脂等。
(2)检查面板表面的光泽度,是否符合要求。
(3)检查表面处理的方法和工艺,是否符合相关规范要求。
验收结果:表面处理符合施工图纸和相关规范要求。
四、质量问题及处理4.1发现的问题在验收过程中,发现以下问题:(列举具体问题)4.2处理意见针对上述问题的处理意见如下:(针对每个问题提出具体处理意见)五、签字质量验收人员:(姓名1):(职务):(日期):(姓名2):(职务):(日期):(姓名3):(职务):(日期):。
装饰装修分部(子分部)工程质量验收记录装饰装修—分部(子分部)工程质量验收记录建筑地面分部(子分部)工程质量验收记录基层(垫层)一分项工程质量验收记录表G2编号:水泥砂浆面层分项工程质量验收记录表G2编号:水泥砂浆面层检验批质量验收记录表水泥砂浆面层检验批质量验收记录表果砖面层分项工程质量验收记录表G2编号:砖面层检验批质量验收记录表GB50209-200203010 丄一般抹灰分项工程质量验收记录表G2编号:金属门窗安装一分项工程质量验收记录表G2编号:金属门窗安装工程检验批质量验收记录表(钢门窗)GB50210-2001(I )03030 丄铝合金门窗工程分项工程质量验收记录表G2编号:金属门窗安装工程检验批质量验收记录表(铝合金门窗)GB50210-2001(D)□□03030门窗玻璃安装分项工程质量验收记录表G2编号:门窗玻璃安装工程检验批质量验收记录表GB50210-200103030 丄饰面砖粘贴分项工稈质量验收记录表G2编号:饰面砖粘贴工程检验批质量验收记录表GB50210-200103060 丄水性涂料涂饰分项工程质量验收记录表G2编号:水性涂料涂饰工程检验批质量验收记录表GB50210-200103080水性涂料涂饰工程检验批质量验收记录表GB50210-2001□□03080护栏和扶手制作与安装分项工程质量验收记录表G2编号:护栏和扶手制作与安装工程检验批质量验收记录表GB50210-200103100 丄涂膜防水层分项工程质量验收记录表G2编号:涂膜防水层检验批质量验收记录表GB50207-200204020 丄外墙保温层分项工程质量验收记录表G2编号:建筑屋面一分部(子分部)工程质量验收记录表涂膜防水层—分项工程质量验收记录表G2编号:涂膜防水层检验批质量验收记录表GB50207-2002□□04020涂膜防水层检验批质量验收记录表GB50207-200204020 丄屋面保温层分项工程质量验收记录表G2编号:屋面保温层检验批质量验收记录表GB50207 —200204010 丄04020 丄屋面保温层检验批质量验收记录表GB50207 —2002□□04010 04020 丄。
窗户门窗工程检验批1. 项目概述本次检验批针对窗户门窗工程进行检验,以确保工程质量符合预期要求。
2. 检验目的本次检验的目的是:- 验收窗户门窗工程的质量,包括安装、材料、密封性和外观等方面。
- 发现和纠正可能存在的工程质量问题或缺陷。
- 确保窗户门窗工程符合相关建筑规范和标准要求。
3. 检验范围本次检验涵盖以下方面的内容:- 窗户门窗的安装质量检查,包括固定和密封材料使用等。
- 窗户门窗的材料检验,包括材料的品质和规格要求等。
- 窗户门窗的密封性检查,包括防水、隔音和保温等方面。
- 窗户门窗的外观检验,包括表面平整度、涂装质量和玻璃安装等。
4. 检验程序本次检验的程序如下:1. 准备工作:确定检验标准、检验表格和所需检测设备等。
2. 检验前准备:与窗户门窗工程负责人确认检验时间和地点,并做好相关准备工作。
3. 检验过程:- 检查窗户门窗的安装质量,包括固定件的位置、安全性和稳定性。
- 检查窗户门窗的材料,包括玻璃、铝合金和密封胶条等的质量。
- 测试窗户门窗的密封性能,包括防水性、隔音性和保温性。
- 检查窗户门窗的外观质量,包括表面平整度、涂装质量和玻璃安装是否符合要求。
4. 检验结果记录:根据检验过程中的实际情况,记录窗户门窗工程的检验结果,并进行评定。
5. 检验报告编制:根据检验结果编制检验报告,并提出改进建议和处理意见。
5. 检验标准本次检验所采用的标准为:- 相关建筑规范和标准要求。
- 对窗户门窗质量的技术规范和验收标准。
6. 检验人员本次检验由经验丰富的窗户门窗工程专业人员进行。
7. 检验时间和地点本次检验计划于[检验时间]在[检验地点]进行。
8. 检验结果根据实际检验情况,将记录窗户门窗工程的检验结果,并评定其合格与否。
对于发现的问题或缺陷,将提出改进建议和处理意见。
9. 改进措施和处理意见根据检验结果,提出改进措施和处理意见,以确保窗户门窗工程质量符合预期要求。
10. 签署检验人员:日期:。
建筑门窗节能分项工程检验批质量验收记录文本范本一:1. 建筑门窗节能分项工程检验批质量验收记录1.1 工程基本信息1.1.1 工程名称:[填写工程名称]1.1.2 工程地点:[填写工程地点]1.1.3 工程规模:[填写工程规模]1.1.4 建设单位:[填写建设单位]1.1.5 施工单位:[填写施工单位]1.1.6 监理单位:[填写监理单位]1.2 检验批信息1.2.1 检验批名称:[填写检验批名称]1.2.2 批次编号:[填写批次编号]1.2.3 施工日期:[填写施工日期]1.2.4 完工日期:[填写完工日期]2. 检验项目及要求2.1 门窗安装质量检验2.1.1 门窗安装位置是否准确2.1.2 玻璃安装是否牢固2.1.3 门窗开闭是否灵活2.1.4 门窗密封性能是否良好2.2 门窗材料质量检验2.2.1 原材料检验报告2.2.2 铝合金型材表面质量2.2.3 玻璃表面平整度检验2.2.4 门窗五金配件质量检验3. 检验结果3.1 门窗安装质量验收3.1.1 检验结果及评定3.1.2 不符合项及处理意见3.2 门窗材料质量验收3.2.1 检验结果及评定3.2.2 不符合项及处理意见4. 附件[附件列表,如检验报告、质量验收表等]5. 法律名词及注释5.1 法律名词一:[注释一]5.2 法律名词二:[注释二]范本二:1. 建筑门窗节能分项工程检验批质量验收记录1.1 工程基本信息1.1.1 工程名称:[填写工程名称]1.1.2 工程地点:[填写工程地点]1.1.3 工程规模:[填写工程规模]1.1.4 建设单位:[填写建设单位]1.1.5 施工单位:[填写施工单位]1.1.6 监理单位:[填写监理单位]1.2 检验批信息1.2.1 检验批名称:[填写检验批名称]1.2.2 批次编号:[填写批次编号]1.2.3 施工日期:[填写施工日期]1.2.4 完工日期:[填写完工日期]2. 检验项目及要求2.1 门窗安装质量检验2.1.1 门窗安装位置是否准确2.1.2 玻璃安装是否牢固2.1.3 门窗开闭是否灵活2.1.4 门窗密封性能是否良好2.2 门窗材料质量检验2.2.1 原材料检验报告2.2.2 铝合金型材表面质量2.2.3 玻璃表面平整度检验2.2.4 门窗五金配件质量检验3. 检验结果3.1 门窗安装质量验收3.1.1 检验结果及评定3.1.2 不符合项及处理意见3.2 门窗材料质量验收3.2.1 检验结果及评定3.2.2 不符合项及处理意见4. 附件[附件列表,如检验报告、质量验收表等] 5. 法律名词及注释5.1 法律名词一:[注释一]5.2 法律名词二:[注释二]。
建筑门窗工程验收需有以下资料:DGJ01-97-2004(2004.05.01实施)适用于铝合金门窗安装,塑料铝门窗安装,木门窗制作与安装,自动门、旋转门安装,门窗玻璃安装等工程的质量验收:1、建筑门窗工程在竣工验收前,应由有资质的检测单位对建筑外窗的气密性能、水密性能进行现场抽样检测。
2、单位工程建筑面积5000m2(含5000m2)以下时,随即抽取统一生产厂家具有代表性的1组建筑外窗试件,试件数量为同系列、同规格、同风格形式的三樘外窗。
单位工程建筑面积5000m2以上时,随即抽取同一生产厂家具有代表性的2组建筑外窗,每组为试件数量为同系列、同规格、同分格形式的三樘外窗。
3、建筑门窗工程验收文件和记录除应符合GB50210的规定外,还应检查下列文件,并作为工程归档资料。
3.1该工程建筑外窗设计、验证试验报告。
3.2该工程户门抽检报告。
3.3该工程使用的建筑外门、外窗型材形式检验报告(一年内,其中气候老化性能为三年内)。
3.4该工程使用的建筑门窗五金件型式检验报告(一年内)。
3.5该工程使用的中空玻璃型式检验报告(两年内)。
3.6该工程使用的橡胶密封条型式检验报告(一年内)。
3.7该工程使用的密封毛条型式检验报告(两年内)。
3.8该工程使用的密封胶型式检验报告(一年内)。
BG50210-2001(2002.03.01实施)4、门窗工程验收时应检查下列文件和记录:4.1门窗的备案证明文件。
4.2门窗工程的施工图、设计说明及其他设计文件。
4.3材料的产品合格证书、性能检测报告、进场验收记录和复验报告。
4.4特种门及其附件的生产许可文件。
4.5隐蔽工程验收:1)、预埋件和锚固件;2)、隐蔽部位的防腐、嵌缝处理。
4.6施工记录。
5、门窗工程应对下列材料及其性能指标进行复验:5.1人造木板的甲醛含量。
5.2建筑外墙金属窗、塑料窗的抗风压性能、空气渗透性能和雨水渗透性能。
6、门窗工程应对下列隐蔽工程项目进行验收:6.1预埋件和锚固件。
A 3035
陕西省建筑工程施工质量验收技术资料统一用表
分项工程检验批质量验收记录
02-3. 金属门窗安装工程检验批质量验收记录表
陕ZJP-030302-3
单位(子单位)工程名称中铁二十局技工学校教学楼检验批部位
总承包施工单位渭南市建总公司
项目
经理李献良
主体
铝合金窗
分包施工单位
施工执行标准名称及编号GB50210-2001
施工质量验收规范(GB50210-2001) 的规定施工单位检查评定记录监理(建设)单位验收记录
主控项目1 门窗质量第5.3.2条√
2 框和副框安装,预埋件第5.3.3条√
3 门窗扇安装第5.3.4条√
4 配件质量及安装第5.3.5条√
一般项目1 表面质量第5.3.6条√
2 框与墙体间缝隙第5.3.8条√
3 扇密封胶条或毛毡密封条第5.3.9条√
4 排水孔第5.3.10条√
5 安装允许偏差第5.3.13条√
验收记事
施工单位检查评定结果
专业工长
(施工员)
施工班
组长监理
(建
设)
单位
验收
结论
专业监理工程师(建设单位
项目专业技术负责人):
年月日主控项目全部合格,一般项目满足
规范规定要求
项目专业质量检查员:年月日
分部工程03 建筑装饰装修子分部工程03. 门窗。
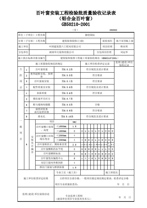
铝合金门窗安装工程检验批质量验收记录表
GB50210—2001
030303□□单位(子单位)工程名称
分部(子分部)工程名称验收部位
施工单位项目经理
分包单位分包项目经理
施工执行标准名称及编号
施工质量验收规范的规定施工单位检查评定记录监理(建设)单位验收记录
主控项目1 门窗质量第5.4.2条
2 框、扇安装第5.4.3条
3 拼樘料与框连接第5.4.4条
4 门窗扇安装第5.4.5条
5 配件质量及安装第5.4.6条
6 框与墙体缝隙填嵌第5.4.7条
一般项目
1 表面质量第5.4.8条
2 密封条及旋转窗间隙第5.4.9条
3 门窗扇开关力第5.4.10条
4 玻璃密封条、玻璃槽口第5.4.11条
5 排水孔第5.4.12条
6
安
装
允
许
偏
差
(m m)
门窗槽口宽度、高
度
≤1500mm 2
>1500mm 3
门窗槽口对角线长
度差
≤2000mm 3
>2000mm 5
门窗框的正、侧面垂直度 3
门窗横框的水平度 3
门窗横框标高 5
门窗竖向偏离中心 5
双层门窗内外框间距 4
同樘平开门窗相邻扇高度差 2
平开门窗铰链部位配合门隙+2;-1
推拉门窗扇与框搭接量+1.5;-2.5
推拉门窗扇与竖框平行度 2
施工单位检查评定结果
专业工长(施工员)施工班组长
项目专业质量检查员:年月日
监理(建设)单位验收结论
专业监理工程师:
(建设单位项目专业技术负责人)年月日
说明
030303
主控项目
1、塑料门窗的品种、类型、规格、尺寸、开启方向、安装位置、连接方式及填嵌密封处理应符合设计要求,内衬增强型钢的壁厚及设置应符合国家现行产品标准的质量要求。
观察和尺量检查;检查产品合格证书、性能检测报告、进场验收记录和复验报告及隐蔽工程验收记录。
2、塑料门窗框、副框和扇的安装必须牢固。
固定片或膨胀螺栓的数量与位置应正确,连接方式应符合设计要求。
固定点应距窗角、中横框、中竖框150~200mm,固定点间距应不大于600mm。
观察和手扳检查和检查隐蔽工程验收记录。
3、塑料门窗拼樘料内衬增强型钢的规格、壁厚必须符合设计要求,型钢应与型材内腔紧密吻合,其两端必须与洞口固定牢固。
窗框必须与拼樘料连接紧密,固定点间距应不大于600mm。
观察、手扳和尺量检查;检查进场验收记录。
4、塑料门窗扇应开关灵活、关闭严密,无倒翘。
推拉门窗扇必须有防脱落措施。
观察、开闭和手扳检查。
5、塑料门窗配件的型号、规格、数量应符合设计要求,安装应牢固,位置应正确,功能应满足使用要求。
观察和手扳检查和尺量检查。
6、塑料门窗框与墙体间缝隙应采用闭孔弹性材料填嵌饱满,表面应采用密封胶密封。
密封胶应粘结牢固,表面应光滑、顺直、无裂纹。
观察检查;检查隐蔽工程验收记录。
一般项目
1、塑料门窗表面应洁净、平整、光滑,大面应无划痕、碰伤。
观察检查。
2、塑料门窗扇的密封条不得脱槽。
旋转窗间隙应基本均匀。
3、塑料门窗扇的开关力应符合下列规定:
(1)平开门窗扇平铰链的开关力应不大于80N;滑撑铰链的开关力应不大80N,并不小于30N。
(2)推拉门窗扇的开关力应不大于l00N。
观察和用弹簧秤检查。
4、玻璃密封条与玻璃及玻璃槽口的接缝应平整,不得卷边、脱槽。
观察检查。
5、水孔应畅通,位置和数量应符合设计要求。
观察检查。
6、塑料门窗安装的允许偏差的检验方法:
(1)门窗槽口宽度、高度,用钢尺检查
(2)门窗槽口对角线长度差,用钢尺检查
(3)门窗框的正、侧面垂直度,用1m垂直检测尺检查
(4)门窗横框的水平度,用1m水平尺和塞尺检查
(5)门窗横框标高,用钢尺检查
(6)门窗竖向偏离中心,用钢直尺检查
(7)双层门窗内外框间距,用钢尺检查
(8)同樘平开门窗相邻扇高度差,用钢直尺检查
(9)平开门窗铰链部位配合间隙,用塞尺检查
(10)推拉门窗扇与框搭接量,用钢直尺检查
(11)推拉门窗扇与竖框平行度,用1m水平尺和塞尺检查出师表
两汉:诸葛亮
先帝创业未半而中道崩殂,今天下三分,益州疲弊,此诚危急存亡之秋也。
然侍卫之臣不懈于内,忠志之士忘身于外者,盖追先帝之殊遇,欲报之于陛下也。
诚宜开张圣听,以光先帝遗德,恢弘志士之气,不宜妄自菲薄,引喻失义,以塞忠谏之路也。
宫中府中,俱为一体;陟罚臧否,不宜异同。
若有作奸犯科及为忠善者,宜付有司论其刑赏,以昭陛下平明之理;不宜偏私,使内外异法也。
侍中、侍郎郭攸之、费祎、董允等,此皆良实,志虑忠纯,是以先帝简拔以遗陛下:愚以为宫中之事,事无大小,悉以咨之,然后施行,必能裨补阙漏,有所广益。
将军向宠,性行淑均,晓畅军事,试用于昔日,先帝称之曰“能”,是以众议举宠为督:愚以为营中之事,悉以咨之,必能使行阵和睦,优劣得所。
亲贤臣,远小人,此先汉所以兴隆也;亲小人,远贤臣,此后汉所以倾颓也。
先帝在时,每与臣论此事,未尝不叹息痛恨于桓、灵也。
侍中、尚书、长史、参军,此悉贞良死节之臣,愿陛下亲之、信之,则汉室之隆,可计日而待也。
臣本布衣,躬耕于南阳,苟全性命于乱世,不求闻达于诸侯。
先帝不以臣卑鄙,猥自枉屈,三顾臣于草庐之中,咨臣以当世之事,由是感激,遂许先帝以驱驰。
后值倾覆,受任于败军之际,奉命于危难之间,尔来二十有一年矣。
先帝知臣谨慎,故临崩寄臣以大事也。
受命以来,夙夜忧叹,恐托付不效,以伤先帝之明;故五月渡泸,深入不毛。
今南方已定,兵甲已足,当奖率三军,北定中原,庶竭驽钝,攘除奸凶,兴复汉室,还于旧都。
此臣所以报先帝而忠陛下之职分也。
至于斟酌损益,进尽忠言,则攸之、祎、允之任也。
愿陛下托臣以讨贼兴复之效,不效,则治臣之罪,以告先帝之灵。
若无兴德之言,则责攸之、祎、允等之慢,以彰其咎;陛下亦宜自谋,以咨诹善道,察纳雅言,深追先帝遗诏。
臣不胜受恩感激。
今当远离,临表涕零,不知所言。