发动机装配工艺模板
- 格式:doc
- 大小:42.50 KB
- 文档页数:15
发动机总装工艺过程卡片工序工序名工序内容设施工协助资料号装曲轴,曲轴固定螺栓(10),活塞( 4 个),轴瓦冲洗盘,刷010 零件冲洗( 18 个),连杆大头( 4 个),连杆大头固定螺栓汽油 , ,棉线零件冲洗净子( 8 个) , 机滤器,气门(8 个)以缸体为基准,安装轴承 4 个,在安装凸轮轴,铜棒,榔轴承和凸轮轴清020 凸轮轴安装在装上油封,在装挡板, 3 个螺栓 M8X3紧固头,装用工汽油,机油洗洁净具先安装轴瓦 5 个,在放上曲轴,装上卡片,固定呆扳手螺栓固定分3 次扭紧、030 曲轴安装曲轴装置 ( 用 10 个 M22X8),在装上油封和挡板M22,气动汽油,机油扭力为60N·M气枪,扭力扳手以活塞为基准,安装 2 个气环、一个油环,再装活塞套筒,活塞销装置的要用 80040 连杆活塞一边的活塞销卡环,再装连杆小头,再装活塞销,铜棒,扭力汽油,刷子,度水温浸泡15分钟左组件安装再装另一边的活塞销卡环,再装连杆大头扳手,技术棉线机油右;扭力为30N·M扳手以曲轴为基准,先安装半月销,再安装曲轴正时正时齿轮050齿轮,再以凸轮轴为基准,再安装半月销,再安安装装凸轮轴正时齿轮机油泵集以机油泵为基准,安装机油泵集虑器(用 4 个060M10X2.5 的螺钉)虑器安装油底壳安以气缸体为基准,先安装垫圈,再安装油底壳(用07011 个 M10X2.5 的螺钉)装气缸盖的以气缸体为基准,先安装垫片,再安装气缸盖(用08010 个 M12X10的螺栓)安装气缸盖为基准,先安装气门弹簧,再安装气门弹配气机构簧座,再安装气门锁片,再安装推杆,再安装摇090零件安装臂,再安装凸轮轴(用 5 个凸轮轴卡钳卡住,再用10 个 M13X5的螺栓紧固)100气门罩安以气缸盖为基准,先安装垫片,再安装气门罩(8 装个 M10X2.5 的螺钉)橡胶锤,榔正时标志对齐,头呆扳手划规划归做好标志M19呆扳手 M10机油集虑器要清汽油洗洁净套筒扳手油底壳边沿冲洗M10洁净套筒扳手M12,扭力为90—120N·M,扭力扳手砂纸气门弹簧卡钳,套筒扳手 M13扳手 M10排气支,10 个的套以气缸体为基准,先安装垫片,再安装排气支管110管的安筒扳手(用 4 个 M10X5和 4 个 M10X8的螺栓)装进气支10 个的套以气缸体为基准,先安装垫片,再安装进气支管120管的安(用 8 个 M10X5的螺栓)筒扳手装- 带轮发动机皮带安装附件部安装发电机——水泵——油泵控制器——扳手130 要调理,张紧轮件安装——张紧轮——皮带——电扇——发动机支架M14,M17需要调整产品名称产品代号零件名称零件代号工艺过程编号装置工序卡片设施和工艺装置名称型号编号装置件明细表工工步内容工作业标准工具辅料序名称数步时1 缸体 12 活塞 13 气环 1 14 气环 2 15 活塞销 16 连杆 17 连杆固定螺 2栓8 连杆大头 19 轴瓦 1 110 曲轴 111 轴盖 112 轴瓦 2 113 螺母 2产品名称产品代号零件名称零件代号工艺过程编号装置工序卡片设施和工艺装置名称型号编号装置件明细表工步工步内容工作业标准工具辅料号时序代数目号号(个)123456789101112131415。
一、总体规划二、产品特点简介三、平面布局四、生产线说明五、装配工艺特点■■■■配膳联锁拧紧测漏一、发动机装配总体规划一、发动机装配总体规划2010年2011年2012年2013年2014年2015年项目备注2.0MS1.8MS2.0DCVVT1.6DCVVT1.8T…发动机一厂发动机二厂一条装配线10万产能两条装配线20万产能一条装配线20万产能2 6 12 20预计销量(万)0.2 304/42 二、发动机产品特点二、发动机产品特点5、可变进气正时自动控制进气门的开启时刻提升功率、扭矩,降低油耗和减少排放1、可变进气歧管根据外界负荷变化,自动改变进气途径,增加进气流量提升功率、扭矩,降低油耗4、自动张紧皮带免维护2、液压挺柱自动调节气门间隙,消除气门间隙带来的冲击负荷和噪音气门间隙免维护3、曲轴平衡装置有效消除曲轴旋转惯性力,降低发动机振动5/42 三、平面布局三、平面布局缸体分装出库入库缸体、缸盖和曲轴三条加工线布置在装配线旁边,减少物流路程,简化物流路线6/42●发动机装配线布局发动机装配线缸体分装线缸盖分装线总装线冷热试(后装)预计2011年导入(前装)3、采用配膳方式进 行零部件供应。
解 决产品装配过程中 错漏装的难题4、量产初期全数热 试,通过模拟热机 检查避免不良流 出,量产后增加冷 试来检查三漏,降 低能耗和成本1、生产线贯彻“彻底分装化”的原则,由缸盖分装线、 缸体分装线、平衡轴分装线、活塞连杆分装线和总装 线及小部件分装区组成,分装完成的合格部件再送到 总装线进行装配,模块化的装配可确保部件的品质, 减少处理装配问题、故障的复杂程度。
2、各线采用U 型布局,可缩短作业者步行距离和提高 工作效率。
7/42四、生产线说明 四、生产线说明 缸盖总成■缸盖分装线工艺No. 缸盖总成零件名称 气门组件零件名称 缸盖总成1 进气双头螺柱 进气门23 缸盖 排气门 液压挺柱 液压挺柱 气门油封 进气门导管 锁片4 进气凸轮轴 凸轮轴盖螺栓 凸轮轴盖567 排气凸轮轴- 凸轮轴盖螺栓长 凸轮轴前盖 凸轮轴上轴瓦 排气凸轮轴油封 进气凸轮轴油封 凸轮轴下轴瓦 凸轮轴瓦定位销 VVT排气门导管 弹簧下座 外弹簧 8用途位于发动机头部,是构成燃烧 9Cylinder head 缸盖151410 11 12 13 14 15 16内弹簧 室的上盖,其中有进排气道、 油孔、冷却水套,还安装有火 花塞、气门和凸轮轴,大多数 汽油机的缸盖是铝合金铸造的。
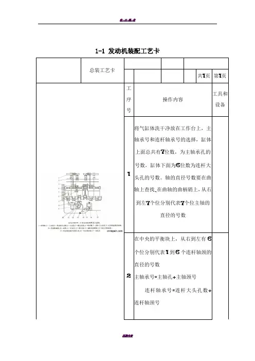
1-1 发动机装配工艺卡总装工艺卡共1页第1页工序号操作内容工具和设备1将气缸体洗干净放在工作台上,主轴承号和连杆轴承号的选择,缸体上面总共有7位数,为主轴承孔的号数,缸体下面为6位数为连杆大头孔的号数。
轴的直径号数要在曲轴上查找,在曲轴的曲柄销上,从右到左7个位分别代表7个位主轴的直径的号数2在中央的平衡块上,从右到左有6个位分别代表1到6个连杆轴颈的直径的号数主轴承号=主轴孔+主轴颈号连杆轴承号=连杆大头孔数+连杆轴颈号1-2 发动机装配工艺卡总装工艺卡共1页第1页工序号操作内容工具和设备1安装之前要清洗油孔和螺丝孔(用压缩空气)。
把缸体正直平放。
安装主轴承,有油槽并且带油孔的安装轴承必须安装在轴承座孔中,主轴承必须正确安装,如果安装错误,可能堵住油孔,造成曲轴烧坏。
轴承安装好后,在每个轴承上涂一层机油。
2装曲轴,主轴承安装好,把曲轴放在缸体上,安放时应小心谨慎,接下来安装止推轴承,油槽面的方向,在前面的朝前方,在后面的止推轴承油槽面朝后方。
工程数量零件编号零件名称分组号安装时应根据主轴承盖上原来所到的记号,按照1到7 的顺序装好,并保证主轴承盖上向前的记号,朝3向发动机前方,然后按照双中间到两边的原则,分两次到三次,将主轴承盖螺栓上紧到规定的扭矩。
装配名称曲轴的安装过程关键项工艺编号1-3 发动机装配工艺卡总装工艺卡共1页第1页工序号操作内容工具和设备1先把衬套用压力机压在连杆小头内然后将活塞和连杆置于油中加热60~80摄氏度,取出后迅速擦净座孔,在衬套内涂上一层润滑油,把连杆小头放入到活塞内,把活塞销插入活塞内,并用橡胶锤轻轻的敲击,直至配合到位,再装入挡圈。
工艺编号1-4 发动机装配工艺卡总装工艺卡共1页第1页工序号操作内容工具和设备1把活塞和连杆放入缸内时,注意使活塞向前的记号朝向发动机的前方。
用活塞环收紧器套住活塞并上紧,然后用锤敲击活塞环收紧器,使它贴紧气缸壁,用铜棒轻轻敲打活塞,使活塞进入气缸筒。
汽车发动机装配工艺及改进策略
汽车发动机装配工艺及改进策略
一、汽车发动机装配工艺
1、总体结构
汽车发动机装配工艺包括发动机外壳、主轴、曲轴、活塞、曲轴轴瓦、缸体、曲轴外壳、缸盖、气门、燃烧室等主要零部件的组装。
2、装配工艺
a. 将发动机外壳安装到主轴上,然后将曲轴和活塞安装到主轴上;
b. 将曲轴轴瓦安装到曲轴上;
c. 将曲轴外壳安装到发动机外壳上;
d. 将缸体安装到曲轴外壳上;
e. 将缸盖安装到缸体上;
f. 将气门安装到缸盖上;
g. 将燃烧室安装到缸体上;
h. 完成装配后进行性能测试。
二、汽车发动机装配工艺改进策略
1、采用可靠的装配工具
为了确保发动机的装配质量,采用可靠的工具和设备是很重要的,这包括安装极限装配测量仪、电焊机等。
这些装置可以确保装配过程的精确和可靠性。
2、采用先进的装配技术
采用先进的装配技术,如激光焊接、激光螺母焊接技术以及新型快速装配技术等,能够提高装配效率、提高装配质量和降低成本。
3、提高装配设备设施
建立现代化的装配设施,包括运转状态的自动化装配生产线,以加快整体工艺流程的完成。
4、引入智能技术
引入智能技术,比如实时监控、工艺参数的自动调节等,可以加快发动机装配过程的完成,并且可以提高装配工序的可靠性。
5、引入3D打印技术
3D打印技术可以极大地提高发动机零部件的装配速度,提高装配质量和精确度,更快完成发动机装配过程。
发动机装配工艺一、发动机装配的准备工作1.基本要求(1)发动机的装配精度要求很高,在装配前,应对已经选配的零件与组合件,认真清洗、吹干、擦净,确保清洁。
检查各零件,不得有毛刺、擦伤,保持完整无损。
做好工具、设备、工作场地的清洁。
工作台、机工具应摆放整齐。
特别应认真检查、清洗气缸体与曲轴上的润滑油道,并用压缩空气吹净。
否则,会因清洁工作的疏忽,造成返工甚至带来严重后果。
(2)按规定配齐全部衬垫、螺栓、螺母、垫圈与开口销。
并准备适量的机油、润滑脂等常用油、材料。
2.装配时的注意事项(1)装配中应对要紧零件进行复检,应使其符合技术标准规定的要求。
(2)各相对运动零件的工作表面,装配时应涂机油。
(3)各部螺柱与螺帽的装配,应注意拧紧的扭矩与顺序。
扭矩过大,会使螺柱折断;扭矩过小,达不到装配时的紧度要求。
因此,重要部位的螺栓,都有规定的扭矩数据,详见表1。
表1 发动机重要螺栓扭矩值序号螺栓名称拧紧力矩(N·m)桑塔纳捷达富康1缸盖螺栓60+180°75+90°202连杆螺栓30+90°30+180°403曲轴主轴承螺栓6565404飞轮连接螺栓10075658曲轴皮带轮紧固螺栓18089中间轴皮带轮紧固螺栓801011气门间隙调整螺钉锁紧螺母1812火花塞252525多螺钉连接的零件,应注意按一定顺序拧紧,避免受力不均,造成零件翘曲变形,甚至破裂。
合理的拧紧顺序是:从中央开始,然后左右对称拧紧。
关于四、六、八个螺钉连接的零件,通常是依次对角拧紧。
二、发动机的装配发动机装配包含各组合件装配与总成装配两部分。
总装配的步骤,随车型、结构的不一致而异,但其原则是以气缸体为装配基础,由内向外逐段装配。
1.缸套的安装富康TU32/K发动机在更换新的缸套及活塞组时,其新缸套与所取活塞有三组分组配合尺寸,应配对使用以保证合适的缸壁间隙。
(1)气缸套装上新橡胶密封圈后,装进气缸体,用专用工具压紧;(2)如图1所示,用专用测量工具测量气缸套相对缸体顶面的凸起量。
发动机装配工艺流程一、准备工作1.安排人员和设备,确保装配过程的顺利进行。
2.对发动机各个零部件进行清洗和检查,确保其质量良好。
3.准备好所需的装配工艺文件和相关技术规范。
二、主要装配过程1.安装曲轴箱组件:将准备好的曲轴箱组件放置在装配平台上,先安装连杆轴承和油封等零部件,然后插入曲轴,最后安装好曲轴盖和其他附件。
2.安装缸体组件:将缸体放置在装配平台上,先安装气缸垫片和活塞,然后将缸盖放置在缸体上,并紧固螺栓。
3.安装气缸头组件:将气缸头放置在装配平台上,安装气门和弹簧,然后将气缸头安装在缸体上。
4.安装凸轮轴组件:将凸轮轴放置在装配平台上,检查凸轮轴的磨耗状况和轴承的安装情况,然后将凸轮轴安装在发动机上。
5.安装气门机构:根据发动机的气门布置和设计要求,安装气门机构,包括气门杆、摇臂、千斤顶等。
6.安装进气和排气系统:安装进气管道、进气门、进气歧管和排气管道等系统。
7.安装燃油系统:安装油泵、喷油嘴、喷油管等燃油系统。
8.安装点火系统:安装点火线圈、火花塞等点火系统。
9.安装冷却系统:安装水泵、散热器、冷却液管道等冷却系统。
10.安装起动系统:安装启动马达、启动器等起动系统。
11.安装油路系统:安装机油泵、机油滤清器、机油管道等油路系统。
12.安装传动系统:安装离合器或变速器等传动系统。
三、后续检测和调试1.进行初次检查:对装配好的发动机进行全面检查,确保各个部件安装正确,紧固牢固。
2.进行试车前准备:检查油液的加注情况,确认各个系统的连接管道是否安装正确。
3.进行试车:启动发动机并进行试车,检查发动机的工作状态、噪音和排放情况。
4.进行调试:根据试车情况,对发动机进行调试,如调整燃油喷射量、机油压力等参数,确保发动机的性能和工作可靠性。
以上是一个发动机装配工艺的基本流程,不同类型和型号的发动机可能会有所差异。
在实际装配过程中,根据具体情况可能需要酌情调整或添加一些步骤。
同时要注意安全操作,确保人员和设备的安全。
NT855发动机装配工艺作业指导书1、维修技术方案技术要求◆修理达到原发动机出厂的参数。
◆所修理的项目其技术性能不低于原设备的技术性能。
◆提供更换器件的技术参数、规格型号及安装图纸。
◆所更换的零部件,自制件与外购件必须与原设备配备的规格、型号、生产厂、品牌一致。
◆需替代原设备的零部件时,其所用部件的功能、性能与原部件相同或者高于原部件。
替代品的安装尺寸、连接形式、各类接口必须与被替代零部件相一致。
1.1进排气管及摇臂:拆检进排气管、摇臂等配气机构,清洁、检查测量与修理,进气管垫、排气管垫、全部更换。
1.2缸盖拆检:缸盖拆卸解体、清洗、检查缸盖与缸套接触面有无损伤,水腔腐蚀情况检查,冷却水腔化学除垢。
1.3气门组件:进排气门组件拆卸清洁,外观检查,检查气门弹簧,弹簧压盖、锁块等磨损情况,视磨损情况更新。
测量进排气门,气门导管配合间隙;气阀、阀座、导管、磨损、烧蚀严重变形,更换新件;气门研磨完毕,做好测量记录。
1.4摇臂组件:摇臂、摇臂轴拆卸清洁检查,疏通油道,测量摇臂轴与衬套配合间隙,并做记录。
超过技术规范更换摇臂铜套,或者摇臂轴。
1.5喷油器:喷油器拆卸清洁,喷油器校验喷油压力,调试喷油器雾化情况符合技术标准,不合格的更换喷油器头或者喷油器总成;1.6活塞连杆组:活塞连杆组抽出清洁、检查、测量,活塞连杆组拆检。
1.7活塞:清洁、除结碳、检查活塞头部、活塞环槽、活塞销孔周围及裙部等处有无烧损、裂纹、过度磨损等其它缺陷。
测量活塞环开口、乾坤间隙、活塞锥度及椭圆度,并记录测量活塞销孔尺寸,不合格换新。
1.8连杆:测量连杆大端、小端尺寸锥度、椭圆度,检查连杆表面横向是否存在裂纹或者缺陷,测量连杆弯曲、扭曲度,并作记录,必要时更换新连杆。
1.9缸套:缸套全部清洁、检查、测量,检查缸套内孔表面纵向拉痕,缸套外圆冷却水腔表面穴蚀,腐蚀等情况。
测量缸套内孔尺寸、锥度、椭圆度,超出技术规范的换新。
缸套回装后,测量缸套台阶突起量。
发动机装配工艺模板
1
发动机的装配
一、发动机装配的准备工作
1.基本要求
( 1) 发动机的装配精度要求很高, 在装配前, 应对已经选配的零件和组合件, 认真清洗、吹干、擦净, 确保清洁。
检查各零件, 不得有毛刺、擦伤, 保持完整无损。
做好工具、设备、工作场地的清洁。
工作台、机工具应摆放整齐。
特别应仔细检查、清洗气缸体和曲轴上的润滑油道, 并用压缩空气吹净。
否则, 会因清洁工作的疏忽, 造成返工甚至带来严重后果。
( 2) 按规定配齐全部衬垫、螺栓、螺母、垫圈和开口销。
并准备适量的机油、润滑脂等常见油、材料。
2.装配时的注意事项
( 1) 装配中应对主要零件进行复检, 应使其符合技术标准规定的要求。
( 2) 各相对运动零件的工作表面, 装配时应涂机油。
( 3) 各部螺柱和螺帽的装配, 应注意拧紧的扭矩和顺序。
扭矩过大, 会使螺柱折断; 扭矩过小, 达不到装配时的紧度要求。
因此, 重要部位的螺栓, 都有规定的扭矩数据, 详见表 1。
表 1 发动机重要螺栓扭矩值
序号
螺栓名称
2
拧紧力矩( N·m)
桑塔纳
捷达
富康
1
缸盖螺栓
60+180°
75+90°
20
2
连杆螺栓
30+90°
30+180°
40
3
曲轴主轴承螺栓
65
65
3
40
4
飞轮连接螺栓
100
75
65
8
曲轴皮带轮紧固螺栓
180
8
9
中间轴皮带轮紧固螺栓
80
10
11
气门间隙调整螺钉锁紧螺母
4
18
12
火花塞
25
25
25
多螺钉连接的零件, 应注意按一定顺序拧紧, 避免受力不均, 造成零件翘曲变形, 甚至破裂。
合理的拧紧顺序是: 从中央开始, 然后左右对称拧紧。
对于四、六、八个螺钉连接的零件, 一般是依次对角拧紧。
二、发动机的装配
发动机装配包括各组合件装配和总成装配两部分。
总装配的步骤, 随车型、结构的不同而异, 但其原则是以气缸体为装配基础, 由内向外逐段装配。
1.缸套的安装
富康TU32/K发动机在更换新的缸套及活塞组时, 其新缸套与所取活塞有三组分组配合尺寸, 应配对使用以保证合适的缸壁间隙。
( 1) 气缸套装上新橡胶密封圈后, 装进气缸体, 用专用工具压紧; ( 2) 如图1所示, 用专用测量工具测量气缸套相对缸体顶面的凸
5
起量。
气缸套凸起量0.03-0.1Omm; 各气缸套间凸起量差值最大不超过0.05mm;
( 3) 若气缸套间凸起量超出范围, 则选择合适的钢质或铜质调整片装入缸套下定位止口处, 再测量确认其凸起量和各缸差别使其均在允许范围内。
缸套凸起如果过多, 会造成缸体外部漏水; 缸套凸起不足, 则会造成缸体内漏( 高温、高压气体冲入水道或冷却液进入燃烧室)
2.安装曲轴
安装的顺序与拆卸顺序相反。
但在安装前应注意检查零部件尺寸及配合尺寸、顺序, 进行规范化操作。
将气缸体洗净倒置在工作台上, 安装曲轴前先将正时齿轮装上。
发动机正时齿轮多用键连接, 正时齿轮与轴颈的配合为过渡配合, 以保证它们的对中性。
安装曲轴时, 擦净各道轴承和曲轴轴颈, 并涂上一层薄薄的机油。
然后, 将已装好正时齿轮及飞轮的曲轴组合件安放在轴承内, 把各轴承盖按记号装到各轴颈上。
桑塔纳、捷达发动机因其上轴承都有油槽, 因此将5道曲轴主轴承的上轴承涂少许润滑油放在轴承座上。
把擦净的曲轴平放在轴承上, 扣上对应的涂好油的下轴承及轴承盖, 1、2、3、4、5号下轴承无油槽, 4号下轴承有油槽, 要与有油槽的4号轴承盖配用。
3号的上下轴承为止推轴承, 桑塔纳车新的止推轴承为翻边轴承, 两边设有半圆止推环, 老式的止推轴承两侧另有半圆止推环。
6
捷达车为半圆止推环。
安装时开口必须朝轴承。
用过的轴承都不
能互换。
按规定扭矩依次将主轴承盖螺栓拧紧, 最后达65N·m。
轴承全部装好后, 用手搬动曲轴臂, 曲轴应能转动。
为了适应发动机机件正常工作的需要, 曲轴必须留有合适的轴向间隙, 间隙过小, 会使机件因受热膨胀而卡死; 间隙过大, 则给活塞
连杆组机件带来不正常磨损。
用百分表触杆顶在曲轴平衡铁上, 前
后撬动曲轴, 观察表针摆动数值。
也可用厚薄规在3号止推轴承处
直接检查。
轴向间隙过小或过大时, 应更换止推垫圈进行调整。
曲轴的径向间隙必须符合规定, 过小会使阻力增大, 加重磨损; 过大会使润滑油压力降低。
曲轴的径向间隙可用塑料塞规检查, 用专
用测量间隙规和间隙条宽度相对照。
3.飞轮的安装
在曲轴后端装上飞轮, 桑塔纳、捷达车型飞轮上有点火正时记号”0”, 换用新飞轮要检查有无此记号, 若没有必须打上, 以便校正点火正时。
飞轮螺栓涂抹专用粘合剂后紧固, 力矩为
75N·m。
飞轮装好后要检查飞轮偏摆度, 一般在飞轮半径150mm处检查, 其摆差不得大于0.15mm。
最后在飞轮内孔安装滚针轴承, 轴承必须将打印朝外的一面装在外面, 安装深度应是轴承外端面低于飞轮端面1.5mm。
安装飞轮时, 紧固螺栓应更换, 并以规定的力矩交叉拧紧, 拧紧顺序如图 2所示。
4.组装活塞连杆
将事先标记好的同一缸活塞、连杆用活塞销组装起来, 活塞上的箭头标记和连杆上的浇铸标记必须朝一个方向。
( 1) 桑塔纳、捷达发动机采用全浮式活塞销, 常温下的冷装可能很紧, 必须用专用工具装配。
一般要热装, 即将活塞置于水中加热至60-80℃, 取出后迅速擦净座孔, 将活塞销推入一个座孔, 随即在连杆小头端衬套内涂上一层润滑油并把小头伸入活塞内, 迅速使活塞销经过连杆小头直
7。