CA6140普通车床电路图
- 格式:doc
- 大小:47.00 KB
- 文档页数:2
A B C D EABCDE标签完整的名称F24_002 - GB - A4结构描述结构标识符总览=DOC(文档图纸)高层代号=SCH(原理图)高层代号=REP1(接线图表)高层代号=REP2(材料表)高层代号+A电柜位置代号+B操作站位置代号+C1床身位置代号+C2拖板位置代号+E床头位置代号+F刀架位置代号+R液压站位置代号+L冷却箱位置代号+I排屑器位置代号+M尾座位置代号ABCDEABCDE开关电源电子手轮变频器主轴电机主轴编码器X 伺服电机X 驱动器Z 驱动器Z 伺服电机电动刀架AC/DC配电盘润滑油泵冷却泵机床照明GSK980TB3数控系统-XS2电源接口-XS30X 驱动接口-XS31Z 驱动接口-XS32主轴编码器-XS38手轮-XS34主轴接口-XS39输出1-XS40输入1-XS41输入2-XS42输出2A B C D EABCDE 端子图表F13_003 - GB-A4端子排功能文本线号线号目标代号目标代号短连接短连接内部目标外部目标放置=SCH(原理图)+A-X1L1L11电源L1-QF0:1+/1.1:C L2L22=L2-QF0:3+/1.1:C L3L33=L3-QF0:5+/1.1:C PE PE PE=A B C D EABCDE功能文本线号线号目标代号目标代号短连接短连接内部目标外部目标放置=SCH(原理图)+A-X2-FN1:121电柜风机2-QF7:2+/3.4:A2-X2:3+/3.5:C-FN1:202电柜风机-GD2:N+/3.3:C+B-A1-GD1:N+/4.3:C0-X2:4+/3.6:C-FN1:PE PE PE电柜风机-FN2:123=2-X2:1+/3.4:C-FN2:204=0-X2:2+/3.4:C-FN2:PE PE PE=+E-M2:U1U25主电机冷却风机U2-QM1:2+/9.2:B+E-M2:V1V26=V2-QM1:4+/9.2:BW2-QM1:6+/9.2:B+E-M2:W1W27=+E-M2:PE PE PE=U5-KM1:2+/14.1:C+F-M5:U1U58刀架电机U5-FV2+/14.1:CV5-KM1:4+/14.1:C+F-M5:V1V59刀架电机V5-FV2+/14.1:C+F-M5:W1W510刀架电机W5-KM1:6+/14.2:CW5-FV2+/14.1:CA B C D EABCDE功能文本线号线号目标代号目标代号短连接短连接内部目标外部目标放置=SCH(原理图)+A-X2+F-M5:PE PE PE刀架电机+L-M6:U1U611冷却泵电机U6-KM3:2+/16.2:B+L-M6:V1V612=V6-KM3:4+/16.2:B+L-M6:W1W613=W6-KM3:6+/16.2:B+L-M6:PE PE PE=+R-M7:114导轨润滑电机+R-M7:215=22-U3-X2:5C+/17.3:C+R-M7:PE PE=A B C D EABCDE功能文本线号线号目标代号目标代号短连接短连接内部目标外部目标放置=SCH(原理图)+A-X31系统上电L+-GD2:+24V+/3.3:C+B-SB1:21L+2=3+B-SB1:22+/4.1:A+B-SB2:1333=4+B-SB2:14+/4.1:C-KA0:14(+)44X 限位+24V-XS40A-X:11+/6.4:C+B-SB3:21+24V+24V-X3:4+/8.2:A+24V-X3:4+/7.2:A+B-SB5:13+24V4循环启动-X3:10+/8.3:A+24V+C2-SQ1-1:1175X 限位7+B-SB3:22+/7.2:B+B-SB4:137+C2-SQ1-3:32+/7.2:D6X 限位+C1-SQ2-3:3210*ESP+B-SB4:14+/7.5:C-XS40A-X:10*ESP7急停*ESP+C1-SQ2-1:11+/7.3:C8循环启动+B-SB5:14ST ST-XS40A-X:8+/8.2:D*SP-XS40A-X:7+/8.3:D9进给保持+B-SB6:22*SP+24V-X3:4+/8.2:A+C2-SQ1-2:21+24V10X 零点+24V-X3:12+/8.4:A*DECX-XS40A-X:1+/8.3:D+C2-SQ1-2:22*DECX11X 零点12Z 零点+C1-SQ2-2:21+24V+24V-X3:10+/8.3:A+C1-SQ2-2:22*DECZ13=*DECZ-XS40A-X:9+/8.4:DA B C D EABCDE功能文本线号线号目标代号目标代号短连接短连接内部目标外部目标放置=SCH(原理图)+A-X3+F-U5:+24V+24V14刀架电源+24V-XS40A-X:23+/15.2:D+F-U5:0V0V15=0V-XS40A-X:24+/15.2:D+F-U5:1T01161号刀T01-XS40A-X:6+/15.3:D+F-U5:2T02172号刀T02-XS40A-X:5+/15.4:D+F-U5:3T03183号刀T03-XS40A-X:4+/15.5:D+F-U5:4T04194号刀T04-XS40A-X:3+/15.5:D+C2-EL24V20机床照明24V-QF5:2+/2.5:D+C2-EL:x2021=0-TC2+/2.3:C-GD2:N+/3.3:CA B C D EABCDE符号地址设备标识符 PLC地址项目名称功能文本放置端子车床数控改造电路图-变频主轴(GSK980TB3)=SCH(原理图)+B-A1+/10.1:A主轴故障7+/10.2:A模拟电压10+/10.3:A0V11+/6.1:A13+/6.2:A18+/6.2:A19+/6.2:A20+/6.2:A21+/6.3:A22+/6.3:A23+/6.3:A24+/6.3:A25+/6.4:A11+/6.5:A14+/6.5:A15+/6.5:A16+/6.5:A17+/6.6:A18+/15.2:D电源23+/15.2:D0V24+/6.6:A25+/10.2:D电源11A B C D EABCDE符号地址设备标识符 PLC地址项目名称功能文本放置端子车床数控改造电路图-变频主轴(GSK980TB3)=SCH(原理图)+B-A1X1.0+/7.5:E急停10X1.1+/8.4:E Z 零点减速9X1.2+/8.2:E循环起动8X1.3+/8.3:E进给保持7X1.5+/8.3:E X 零点减速1X2.0+/15.3:D 1 号刀6X2.1+/15.4:D 2 号刀5X2.2+/15.5:D 3 号刀4X2.3+/15.5:D 4 号刀3X3.7+/10.1:D速度到达7Y5.0+/10.5:A主轴正转7Y5.1+/10.6:A主轴反转3Y5.3+/16.4:A冷却15Y5.4+/17.4:A润滑6Y6.6+/14.5:A刀架正转12Y6.7+/14.6:A刀架反转13A B C D EABCDE 元件汇总表元件代号型号描述制造商数量广州数控2伺服驱动器,20A模块,适配1~1.3kw伺服电机DA98A-20-A2广州数控2伺服驱动器,30A模块,适配1.5~1.88kw伺服电机DA98A-30-A3阿尔法2变频器,三相380V,7.5kw/11kw,17A/25A;ALPHA6000E-37R5GB/3011PB-A4广州数控1数控车床系统,横式,7寸液晶屏GSK980TB3-A11LED机床工作灯,长臂式,24V AC,12W。
CA6140型车床电气控制电路分析一、普通车床的主要结构和运动形式车床是一种应用极为广泛的金属切削机床,主要用于加工各种回转表面(内外圆柱面、端面、成型回转面等),还可用于车削螺纹,并可用钻头。
铰刀等进行加工。
车床主要是由床身、主轴箱、进给箱、溜板箱、刀架、丝杠和尾架等部分组成。
图1所示为CA6140型普通车床的结构示意图。
1-主轴箱;2-刀架;3-尾座;4-床身;5、9-床腿;6-光杠;7-丝杠;8-溜板箱;10-进给箱;11-挂轮图1 CA6140型车床结构示意图CA6140普通车床型号的含义为:普通车床主要是由三个运动部分组成,一是卡盘带着工件的旋转运动,也就是车床主轴的运动。
车床根据工件的材料性质、车刀材料及几何形式、工件直径、加工方式及冷却的条件不同,要求主轴由不同的切削速度。
主轴运动是由主轴电动机经传输带传递到主轴变速箱来带动主轴旋转,而主轴变速箱则用于调节主轴的转速。
二是溜板箱带着刀架的直线运动,称为进给运动。
溜板箱把丝杠或光杆的运动传递给刀架部分,变换溜板箱外置的手柄位置,经刀架部分使车刀做纵向或横向进给。
三是刀架的快速移动和工件的夹紧和放松,称为车床的辅助运动。
尾座的移动和工件的装卸都是由人力操作,车床工作时大部分功率消耗在主轴运动上。
二、车床的电力拖动形式及控制要求车床的主轴一般只需要单向运转,只有在加工螺纹时要退刀,需要主轴反转。
根据加工工艺的要求,主轴应能够在相当宽的范围内进行调速,CA6140型车床的主轴正转速度有24种(10~1 400r/min),反转速度有12种(14~1 580r/min)。
CA6140型普通车床对电力拖动及其控制有以下要求:1主轴电动机从经济性、可靠性考虑,一般选用三相笼型异步电动机,不进行电气调速。
2主轴电动机的起动、停止采用按钮操作,一般普通车床上的三相异步电动机均采用直接起动。
停止采用机械制动。
3刀架移动和主轴转动有固定的比例关系,以满足对螺纹的加工需要。
CA6140型卧式车床的电气控制电路加油站CA6140型卧式车床的电气控制电路一、CA6140型卧式车床的电气控制1、CA6140型卧式车床的电气控制电路(如图1-1)图1-1二、中小型车床对电气控制的要求1、主拖动电动机一般选用三相笼型异步电动机,为满足调速设计要求,采用机械变速。
主轴要求正、反转,对于小型车床主轴的正反转由拖动电动机正反转来实现;档拖动电动机容量较大时,可由摩擦离合器来实现主轴正反转,电动机只作单向旋转。
一般中小型车床的主轴电动机均采用直接起动。
当电动机容量较大时,常采用Y-△降压起动。
停车时为实现快速停车,一般采用机械或电气制动。
2、切削加工时,刀具与工件温度较高时需要切削液进行冷却。
为此。
设有一台冷却泵电动机,且与主轴电动机有着联锁关系,即冷却泵电动机应在主轴电动机启动后方可选择启动与否;当主轴电动机停止时,冷却泵电动机便立即停止。
3、速移动电动机采用点动控制,单方向旋转,靠机械结构实现不同方向的快速移动。
4、路应具有必要的保护环节、安全可靠的照明电路及信号指示。
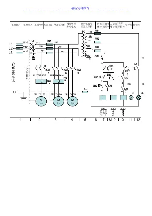
三、CA6140电气控制电路分析1、主电路分析主电路中共有三台电动机,图中M1为主轴电动机,用以实现主轴旋转和进给运动;M2为冷却泵电动机;M3为溜板快速移动电动机。
M1、M2、M3均为三相异步电动机,容量均小于10kW,全部采用全压直接起动皆有交流接触器控制单向旋转。
M1电动机由起动按钮SB1,停止按钮SB2和接触器KM1构成电动机单向连续运转控制电路。
主轴的正反转由摩擦离合器改变传动来实现。
M2电动机是在主轴电动机起动之后,扳动冷却泵控制开关SA1来控制接触器KM2的通断,实现冷却泵电动机的起动与停止。
由于SA1开关具有定位功能,故不需自锁。
M3电动机由装在溜板箱上的快慢速进给手柄内的快速移动按钮SB3来控制KM3接触器,从而实现M3的点动。
操作时,先将快速进给手柄扳到所需移动方向,再按下SB3按钮,即实现该方向的快速移动。
CA6140型车床主电路分析
主电路中共有三台电动机,图中M1
为主轴电动机,用以实现主轴旋转和进给运动;M2为冷却泵电动机;M3为刀架快速移动电动机。
M1、M2、M3均为三相异步电动机,容量均小于10kW ,全部采用全压直接起动,皆由交流接触器控制单向旋转。
M1电动机由起动按钮SB2,停止按钮SB1和接触器KM1构成电动机单向连续运转控制电路。
主轴的正反转由摩擦离合器改变传动来实现。
M2电动机是在主轴电动机起动之后,扳动冷却泵控制开关SA 来控制接触器KM2的通断,实现冷却泵电动机的起动与停止。
由于SA 开关具有定位功能,故不需自锁。
M3电动机由快速移动按钮SB3来控制KM3接触器,从而实现M3的点动。
操作时,先将快速进给手柄扳到所需移动方向,再按下SB3按钮,即实现该方向的快速移动。
三相电源通过转换开关QS1引入,FU1和FU 作短路保护。
主轴电动机M1由接触器KM1控制启动,热继电器KH1为主轴电动机M1的过载保护。
冷却泵电动机M2由接触器KM2控制启动,热继电器KH2为它的过载保护。
刀架快速移动电机M3由接触器KM3控制启动。
CA6140车床电气控制线路分析
CA6140卧式车床电路图
接触器触头在电路图中位置的标记
栏目左栏中栏右栏
触头类型
主触头所处的
图区号辅助常开触头所处的
图区号
辅助常闭触头所处
的图区号
举例
KM 2 8 表示3对主触头
均在图区2
表示一对辅助常开触
头在图区8,另一对
常开触头在图区10
表示2对辅助常闭触
头未用
X
2 10
X
2
继电器触头在电路图中位置的标记
栏目左栏右栏
触头类型常开触头所处的图区号常闭触头所处的图区号举例
KA2
4 4 4
表示3对常开触头均在图
区4
表示常闭触头未用CA6140型卧式车床电气原理图
CA6140型卧式车床电气原理图
打开SB
CA6140型卧式车床电气原理图
合上电源开关QF
CA6140型卧式车床电气原理图
按下SB2
CA6140型卧式车床电气原理图
按下SB1,停
CA6140型卧式车床电气原理图在M1运行时,按下SB4
CA6140型卧式车床电气原理图
在M1、M2不停转的情况下,按下SB3
CA6140型卧式车床电气原理图
按下SA
CA6140型卧式车床电气原理图M1,M2不工作,快速移动刀架。