(标准要求)工程十大管理动作检查表
- 格式:xlsx
- 大小:26.26 KB
- 文档页数:1
施工安全行为检查表一、个人防护用品1.安全帽o检查施工人员是否正确佩戴安全帽,帽带是否系紧。
o确认安全帽是否有破损、裂纹等缺陷,是否在有效期内。
2.安全带o高处作业人员是否正确佩戴安全带,并高挂低用。
o检查安全带是否有磨损、断股等情况,是否在有效期内。
3.安全鞋o施工人员是否穿着符合要求的安全鞋,鞋底是否防滑。
o确认安全鞋是否有破损、变形等问题。
4.其他防护用品o根据施工需要,检查是否佩戴了如防护手套、护目镜、耳塞等防护用品。
o确认防护用品的质量是否合格,是否适合工作环境。
二、高处作业安全1.作业平台o检查高处作业平台是否牢固可靠,承载能力是否符合要求。
o确认平台四周是否有防护栏杆,高度是否符合标准。
2.临边防护o施工现场临边处是否设置了防护栏,防护是否严密。
o检查防护栏的高度、强度是否符合要求。
3.洞口防护o各种预留洞口是否有盖板、防护栏杆等防护措施。
o确认防护措施是否牢固、有效。
4.攀登作业o检查攀登设施是否安全可靠,如梯子、脚手架等。
o确认攀登作业人员是否遵守操作规程,是否系好安全带。
三、电气安全1.临时用电o检查临时用电线路是否架空或埋地敷设,是否存在乱拉乱接现象。
o确认配电箱是否符合标准,是否有漏电保护、接地保护等装置。
o检查电气设备是否完好,有无破损、漏电等情况。
2.手持电动工具o手持电动工具是否具有合格的绝缘性能,外壳是否无破损。
o确认使用手持电动工具时是否佩戴了相应的防护用品。
o检查手持电动工具的插头、插座是否完好,是否符合安全要求。
四、起重吊装安全1.起重设备o检查起重设备是否经过检测合格,是否有定期维护保养记录。
o确认起重设备的操作人员是否持证上岗,操作是否规范。
2.吊具索具o检查吊具索具是否完好,有无磨损、断丝等情况。
o确认吊具索具的规格、型号是否符合要求,是否在额定载荷范围内使用。
3.吊装作业o吊装作业前是否进行了安全技术交底,作业人员是否清楚作业流程和安全注意事项。
o检查吊装作业现场是否设置了警戒区域,是否有专人指挥。
建筑工程安全要点检查表范本建筑工程安全是施工现场管理的重要内容,为了确保工程安全,必须进行全面的检查和监督。
以下是建筑工程安全要点检查表的范本,包含了各类安全要点的检查内容。
1. 安全管理制度- 施工现场是否配备了必要的安全管理制度和文件;- 安全管理制度是否明确规定了责任和义务;- 管理制度是否得到有效执行。
2. 作业场所- 施工现场是否设置了合理的作业区域;- 作业场所是否通风良好,是否存在有害气体;- 施工现场是否存在异物、杂物,是否存在绊倒、坠落的危险。
3. 安全防护设施- 施工现场是否设置了有效的消防器材,并标明位置和使用方法;- 施工现场是否设置了必要的安全警示标志;- 施工现场是否配备了适当的个人防护用品,包括安全帽、防护鞋、防护手套等。
4. 施工设备- 施工设备是否符合相关标准和规定;- 施工设备是否经过安全检查,并取得相应的检验合格证明;- 施工设备是否存在故障、损坏或不合理使用的情况。
5. 高处作业- 高处作业是否设置了安全防护措施,如安全网、安全绳等;- 高处作业人员是否佩戴了安全帽,并正确使用安全绳;- 高处作业区域是否清洁整齐,是否存在坠落物的危险。
6. 电气设备- 施工现场的电气设备是否配备了漏电保护器,并定期检查、维护;- 电气设备是否有明显的电气隐患,如漏电、短路等;- 电气设备是否符合安全使用要求,如接地良好、不使用过期电线等。
7. 施工材料和工具- 施工材料是否符合相关标准和规定;- 施工材料和工具是否保持在安全使用状态,并进行定期检查;- 施工现场是否存在材料堆放不规范、工具散乱等安全隐患。
8. 环境卫生- 施工现场是否保持整洁,垃圾是否及时清理;- 施工现场的卫生设施是否完善,如洗手间、饮水设备等;- 施工现场是否存在有害物质的泄漏、散发等情况。
9. 废弃物处理- 施工现场是否设置了废弃物临时堆放区域,是否进行分类处理;- 废弃物处理区域是否与作业区域严格分离,并有相应的防护设施;- 废弃物管理是否符合环保要求和相关规定。
以下是一个一般性的施工安全管理检查表,用于检查施工现场的安全管理情况。
请注意,这只是一个示例,实际使用时应根据具体的施工项目和安全管理需求进行调整:
1. 施工现场管理:
- 是否设立了施工现场管理机构和安全管理人员?
- 是否制定了施工现场安全管理制度和相关规章制度?
- 是否设置了施工现场的围挡、标识和警示标示?
2. 安全设施及防护:
- 是否设置了施工现场的临时配电设备的接地保护措施?
- 是否安装了必要的防护栏杆、安全网等防护设施?
- 是否使用符合标准的安全工具和设备?
- 是否提供了必要的个人防护用品,并进行培训和使用?
3. 高处作业安全:
- 高处作业区域是否设置了必要的安全围护设施和防护网?- 是否制定了高处作业的安全操作规程?
- 是否针对高处作业人员进行了必要的安全培训和资质认证?
4. 运输与机械安全:
- 是否存在合格的运输车辆,并进行必要的定期检测和维护?- 是否实施机械设备的安全操作规程和维护管理?
- 是否设置了施工现场车辆和机械设备的停放和维修区域?
5. 施工材料管理:
- 施工材料是否按照合理的堆放和储存要求进行管理?
- 是否用于施工的材料符合相关的安全标准和技术要求?
- 是否制定了材料使用和存储的安全操作规程?
6. 废弃物处理:
- 施工现场废弃物是否得到正确的处理和分类?
- 是否建立了废弃物的收集和清运制度?
- 是否进行了必要的废弃物处理的培训和管理?
请注意,以上内容仅供参考,实际检查表的内容和要求应根据具体施工项目的特点、法律法规和相关标准进行定制。
同时,建议由安全专业人员进行检查和评估,以确保施工现场安全管理符合标准和要求。
“十个规定动作”违章行为检查表工程名称**改造工程施工单位**有限公司工作任务分包单位检查人员检查时间序号类别违章行为检查情况备注1 培训考试施工作业人员未进行“十个规定动作”的培训及考试合格.2 凭票工作无票工作。
应使用而未使用分组派工单。
应填写而未填写二次措施票。
擅自扩大工作内容和范围。
使用不合格工作票。
一个工作负责人持有两张及以上同时有效的工作票。
3 凭票操作无票操作。
使用不合格操作票。
不按操作票顺序操作。
操作失去监护。
未按调度管理规定操作。
擅自解锁操作。
4 戴安全帽未按南网公司规定统一佩戴安全帽。
应戴而未戴安全帽。
佩戴安全帽不规范。
5 穿工作服未按南网公司规定统一穿工作服。
工作服不符合使用标准。
穿着工作服不规范。
6 系安全带未按规定使用安全带(含高空移位)。
安全带挂点不牢靠。
安全带低挂高用。
使用不合格安全带。
7 停电设备应停电而未停电(含交叉跨越、平行和同杆线路,共用接地体的配变)。
应断(拉)开断路器、空气开关、熔断器未断(拉)开。
应拉开隔离开关、负荷开关、闸刀未拉开。
未断开断路器和隔离开关的操作能源。
未按规定锁住隔离开关、负荷开关、闸刀操作把手。
8 验电未按规定在停电设备各侧分别验电。
验电操作顺序错误。
未按规定戴绝缘手套、穿绝缘靴(鞋)验电。
使用不合格或电压等级不符的验电器。
未在三相和中性线导体上验电。
9 接地验电后未立即接地。
检修设备(工作地段)漏接接地线。
错误使用接地线。
使用不合格接地线。
接地操作顺序错误。
接地线连接不牢靠。
擅自移动或拆除接地线。
未按规定使用绝缘棒、戴绝缘手套、穿绝缘靴(鞋)接地。
10 挂牌、装遮拦未按规定悬挂标示牌(错挂、漏挂)。
未按规定装设遮拦。
带电设备与工作设备之间未按规定使用绝缘挡板隔离。
标识牌模糊、破损。
擅自移动或拆除遮拦、标识牌。
11 现场交底工作许可人、工作负责人、工作班组成员未按规定进行安全技术交底。
安全技术交底内容漏项。
未正确使用《安全技术交底单》进行交底。
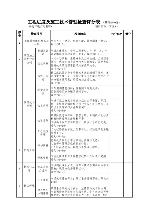
工程制度检查表序号项目名称检查内容检查标准检查情况备注1施工备料施工材料的采购是否按照规定程序进行检查采购材料是否符合国家相关标准检查采购记录是否齐全2施工图纸施工图纸是否齐全、清晰,是否符合规范规定是否根据实际情况调整细节是否按照规定审批流程进行3安全制度施工现场安全管理是否到位,是否有安全员负责安全是否进行安全培训,是否遵守安全规定是否制定安全预案,应急措施是否有效4进度计划施工进度计划是否合理,是否能按时完成是否及时调整进度计划,保证工程进度是否按照计划进行施工5质量管理施工是否有质量管理人员负责施工质量是否有质量检验记录,是否符合标准要求是否及时处理质量问题,做好质量整改6施工机械施工机械设备是否齐全,是否有操作人员是否定期检查维护机械设备是否按照规定程序使用7环境保护施工是否保护周边环境,是否达到环保要求是否有垃圾分类处理,废弃物处理是否符合环保要求8文明施工施工现场是否文明施工,是否有整洁卫生是否有规范管理施工人员行为是否有文明施工奖惩制度9合同管理施工合同是否签订,是否明确责任义务施工过程中是否遇到合同纠纷,是否及时解决是否按照合同规定履行10费用控制施工费用是否合理,是否按照预算进行施工过程中是否出现增加费用情况,是否有合理解释是否及时报销费用,做好费用核算11会议记录施工会议是否定期召开,是否有会议记录是否对重要事项进行讨论或决策是否有具体措施,执行情况是否落实12施工日志施工日志是否按时记录,是否有内容详尽是否有质量安全问题记录,是否有解决方案是否有领导签字确认13施工资料整理施工资料是否归档整理,是否便于查阅是否有施工过程中的问题资料是否有资料遗失情况14安全巡检安全员是否定期巡检现场,是否有巡检记录是否发现安全隐患,是否及时整改是否对施工人员进行安全宣传15质量验收施工是否按照规范要求进行质量验收是否随时整理验收材料,是否及时验收是否有质量验收合格记录16问题整改施工过程中出现问题,是否及时整改解决问题的具体措施,是否有效性是否有质量安全问题动态管理17工程竣工工程竣工前是否整理工程验收资料是否填写竣工报告,是否经过验收是否有工程结论书,是否有项目总结18安全技术交底施工人员是否接受安全技术交底是否掌握安全操作规程是否签字确认安全操作规程19施工场地秩序施工现场是否保持整洁卫生是否有明显的工地秩序是否对工地周围环境进行保护20施工现场管理施工现场是否有规范的管理措施是否保证施工人员身心健康是否做好现场管理宣传工作21材料使用施工材料是否按照规定要求使用是否做好材料保管,材料使用登记是否能有效避免材料浪费22安全生产施工现场是否定期进行安全检查是否制定安全生产月度计划是否对施工作业及人员安全生产进行培训23走访考察施工现场管理人员是否会定期进行走访考察是否发现问题及时整改是否对现场管理人员进行奖惩24经营管理施工单位是否进行经营管理评估是否有效控制财务经营风险是否定期做好绩效考核工作25责任追究施工现场是否能够做到责任明确是否按照规定对责任进行追究是否对施工过程中的问题进行调查处理以上就是工程制度检查表的相关内容,希望对大家有所帮助。
一、基本信息1. 工程名称:____________________2. 施工单位:____________________3. 项目经理:____________________4. 检查日期:____________________二、检查项目及评分标准1. 施工现场管理(10分)(1)现场围挡设置(2分):围挡设置合理,高度符合要求,无破损。
(2)现场标识(2分):安全警示标志、工程标识、环保标识等设置齐全,清晰可见。
(3)材料堆放(2分):材料堆放整齐,分类存放,无污染。
(4)施工场地清洁(2分):现场无垃圾、杂物,保持清洁。
(5)临时设施(2分):临时设施布局合理,符合要求。
2. 施工过程管理(20分)(1)施工方案(4分):施工方案合理,技术措施得当。
(2)施工组织设计(4分):施工组织设计合理,人员、设备配置充足。
(3)施工进度(4分):施工进度符合计划,无严重滞后。
(4)质量控制(4分):质量控制措施到位,质量符合要求。
(5)安全文明施工(4分):安全文明施工措施到位,现场安全文明。
3. 施工资料管理(10分)(1)工程技术资料(3分):工程技术资料齐全,内容完整。
(2)施工记录(3分):施工记录齐全,内容真实。
(3)验收资料(4分):验收资料齐全,符合要求。
4. 环保、节能措施(10分)(1)环保措施(5分):环保措施到位,符合要求。
(2)节能措施(5分):节能措施到位,符合要求。
三、评分标准1. 满分:50分2. 评分等级:(1)优秀(45-50分):施工现场管理、施工过程管理、施工资料管理、环保、节能措施等方面均达到高标准。
(2)良好(35-44分):施工现场管理、施工过程管理、施工资料管理、环保、节能措施等方面基本达到要求。
(3)合格(25-34分):施工现场管理、施工过程管理、施工资料管理、环保、节能措施等方面基本符合要求。
(4)不合格(25分以下):施工现场管理、施工过程管理、施工资料管理、环保、节能措施等方面存在问题较多。
工程总承包管理施工工地综合检查表(含打分表)背景在工程建设过程中,总承包单位需要对施工工地进行综合检查,以确保工程建设顺利进行,同时保障施工工地的安全环境。
针对此问题,我们设计了一份工程总承包管理施工工地综合检查表(含打分表),以便总承包单位全面了解施工工地的状况,并进行全面的评估和管理。
使用说明该工程总承包管理施工工地综合检查表(含打分表)是一种标准化的工具,以帮助总承包单位准确、全面地评估和管理施工工地。
以下是具体使用说明:检查表•地点:填写施工工地的具体位置。
•时间:填写检查工地的具体时间。
•检查人员:填写进行检查的人员姓名。
•检查内容:列出需要检查的内容,如现场秩序、安全措施、环境保护、设备管理等。
•检查结果:在该栏中填写检查内容的结果,如是否存在安全隐患、违规违法等情况。
•备注:对检查结果进行备注。
打分表打分表将施工工地的各项管理指标以及工程质量进行定量分值,以帮助总承包单位对施工工地的全面评估。
打分标准如下:•现场秩序:满分100分,包括场地平整度、施工物料堆放、杂物清理、交通标志等。
•安全措施:满分100分,包括安全设施配置、违章操作、施工用电、消防管理等。
•环境保护:满分100分,包括噪音污染、气体污染、工地清洁、污水排放等。
•设备管理:满分100分,包括设备数量及完备程度、设备保养、设备的安全使用等。
•工程质量:满分100分,包括施工工艺、材料使用、验收合格率等。
在进行每次检查时,根据以上标准进行打分,然后将各项分数相加,得到总分。
根据总分数对施工工地进行评估,提出改进建议。
在工程建设过程中,施工工地的安全环境和质量控制是非常关键的。
使用该工程总承包管理施工工地综合检查表(含打分表),可以帮助总承包单位全面了解施工工地的建设情况,并对施工工地进行全面的评估和管理。
该工具不仅有助于保障工程建设质量,也有利于节约成本和提高工程安全水平。
建筑工程安全生产检查表(十项内容)
安全管理检查用表
场容场貌检查用表
外脚手架检查用表
“三宝”、“四口”防护检查用表
施工用电检查用表
模板工程安全检查用表
基坑支护安全检查用表
塔吊检查用表
序号自检
项目
自检标准自检
得分
复查
得分
1塔吊指挥
(30分)司机无证上岗扣20分
无专职指挥人员扣10分
高塔指挥不使用旗语或对讲机的扣5分吊钩无保险装置扣5分
起重钢丝绳磨损、断丝超标的扣20分
2多塔作业
(30分)两台以上塔吊作业、无防碰撞措施扣30分措施不可靠扣10分
3手续齐全
(40分)塔吊没有检测合格扣30分没有办理使用备案扣20分
4合计得分。