规定动作操作指引(项目标准化管理)
- 格式:xlsx
- 大小:3.87 MB
- 文档页数:34
标准操作规程一、引言标准操作规程(Standard Operating Procedure,简称SOP)是指为了确保工作流程的规范化和操作的一致性而制定的一套文件。
本文档旨在详细描述标准操作规程的要求和步骤,以便员工能够准确执行任务并达到预期的结果。
二、适用范围本标准操作规程适用于公司内部的所有部门和员工,涵盖了各类工作流程和操作,包括但不限于生产、质量控制、设备维护等。
三、术语和定义在本文档中,以下术语和定义适用:1. 标准操作规程(SOP):为了确保工作流程的规范化和操作的一致性而制定的一套文件。
2. 员工:指公司内部的所有工作人员,包括全职员工、兼职员工和临时员工等。
3. 部门:指公司内部的各个职能部门,如生产部门、质量控制部门等。
四、标准操作规程的编写1. SOP的编写责任每个部门应指定专人负责SOP的编写和更新工作,并确保SOP的准确性和及时性。
2. SOP的格式要求SOP应包括以下内容:(1)标题:清晰明确地描述SOP的内容。
(2)引言:简要介绍SOP的目的和适用范围。
(3)适用范围:明确SOP适用的部门和员工范围。
(4)术语和定义:对本文档中使用的术语和定义进行解释和说明。
(5)具体步骤:详细描述执行任务的具体步骤和操作要求,包括所需材料、设备和工具等。
(6)注意事项:列举执行任务时需要注意的事项和注意事项。
(7)附录:附上相关的图表、表格或其他参考资料。
五、SOP的执行和培训1. SOP的执行所有员工在执行任务时都应遵守相应的SOP,并按照SOP中规定的步骤和要求进行操作。
2. SOP的培训公司应定期组织SOP的培训,确保员工了解并掌握相应的SOP。
培训内容应包括SOP的目的、适用范围、具体步骤和注意事项等。
六、SOP的更新和审查1. SOP的更新SOP应根据实际情况进行定期更新,确保其与实际操作步骤和要求保持一致。
2. SOP的审查每个部门应定期对所属SOP进行审查,确保其准确性和有效性。
代建项目操作规程模板代建项目操作规程模板第一章总则第一条为了规范代建项目的管理和操作,提高项目的效率和质量,保证项目的顺利进行,制定本操作规程。
第二章项目启动阶段操作规程第二条项目启动阶段的操作规程包括以下内容:(一)项目策划:明确项目的目标、范围、时间、资源等要求,编制项目策划文档,并组织启动会议。
(二)项目组建:确定项目组成员,明确各成员的职责和权限,指定项目经理,并组织项目组成员的培训和交流。
(三)项目目标分解:将项目的总目标分解为具体的可操作目标,并制定实现目标的计划和措施。
(四)项目风险分析:对项目可能面临的风险进行分析和评估,并制定相应的应对措施。
第三章项目执行阶段操作规程第三条项目执行阶段的操作规程包括以下内容:(一)项目计划执行:按照项目计划和目标,组织项目组成员按时完成各项工作任务,并做好进度管控。
(二)项目变更管理:如有必要对项目进行变更,需及时提交变更申请,并获得相关部门的批准,确保变更符合项目目标。
(三)项目质量保障:建立质量管理体系,确保项目按照质量标准进行,进行项目验收前的自查和整改。
(四)项目风险控制:定期对项目风险进行评估和控制,并提出相应的风险应对措施,确保项目能够按时、按质量完成。
第四章项目收尾阶段操作规程第四条项目收尾阶段的操作规程包括以下内容:(一)项目验收:根据项目的目标和要求,进行项目的阶段验收和最终验收,确保项目的交付符合客户要求。
(二)项目总结和评估:对项目的整体情况进行总结和评估,提出项目的成功经验和不足之处,并进行经验的积累。
(三)项目归档和知识管理:将项目相关的资料、文档进行归档,并建立知识管理体系,以供后续项目参考和借鉴。
(四)后期服务和维护:根据客户的需求,提供项目的后期服务和维护,解决客户在使用过程中的问题。
第五章项目管理支持操作规程第五条项目管理支持的操作规程包括以下内容:(一)资源管理:对项目所需的人力、物力、财力等资源进行统筹调配和管理,确保项目资源的合理利用。
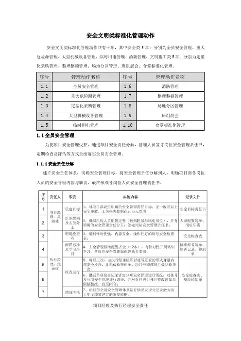
安全文明类标准化管理动作安全文明类标准化管理动作共有十项,其中安全类5项:分别为全员安全管理、重大危险源管理、大型机械设备管理、临时用电管理、消防管理,文明施工类5项:分别为定型化采购管理、整理整顿管理、场地分区管理、班组晨会、食堂标准化管理。
1.1全员安全管理为使项目安全管理受控,通过项目安全责任分解,管理人员签订岗位安全管理责任书,定期检查及评估等方式全面落实全员安全管理。
1.1.1安全责任分解建立安全责任体系,明确安全管理目标,将安全管理责任分解到人,明确项目部各岗位人员的安全管理内容与职责,最终形成各岗位人员安全管理责任书。
项目经理及执行经理安全责任1.1.2管理人员签订岗位责任书项目经理与管理人员签订各岗位安全管理责任书,责任书必须明确安全责任,制定检查评估考核办法,考核成绩与绩效挂钩,同时责任书中明确各岗位人员安全管理的参考标准及培训要求。
项目经理与管理人员签订岗位责任书各岗位人员安全管理参考标准1.1.3定期检查评估及改进项目经理(或执行经理)根据岗位责任书要求,定期(每月2-4次)开展安全大检查(现场和记录资料),召开检查总结通报会,各责任人的检查成绩与绩效挂钩,同时开具整改通知单,定人限期整改。
安全负责人不定期对现场安全进行巡查和验收,对巡查验收过程中发现的问题及时通知相关责任人整改,巡查结果在项目部例会通报,检查结果与绩效挂钩。
安全检查总结通报会大型机械检查临电检查卸料平台验收1.1.4 全员安全管理实施案例(海德堡项目部)中天五建海德堡项目6月份检查运行情况实例:a、检查时间:2014年6月10日b、参加人员:项目执行经理张光红,施工负责人赵威、王宏静、技术负责人程磊,安全负责人杜鹏博,栋号长,施工员,班组长c、项目经理部旁站人员:李敏刚d、检查方式:栋号对调检查e、现场检查:对存在的隐患开具整改通知单,对现场的违章及较大隐患直接开具罚单,并进行评价得分。
f、检查总结:各栋号通报检查得分情况,栋号存在隐患描述,执行经理张光红进行总结,并要求各栋号限期进行整改。
中交基础设施养护集团工程有限公司项目安全生产标准化管理流程指导手册为提高中交基础设施养护集团工程有限公司安全管理水平,根据公司实际情况,结合各项目施工内容,特指定安全标准化施工手册,内容包括安全管理内业资料编制、施工现场安全布设等。
一、成立安全生产领导小组。
(附件001)安全生产领导小组,是项目安全生产管理体系最基本的组织机构,是应该尽早成立的。
关于成立项目安全生产领导小组,有的省要求由公司发文成立,多数的省没这项要求,还是由项目发文成立即可。
有的可能认为刚进场,人员没有定,没有办法成立。
但是,只要是正式进场了,项目经理是明确的,万一没明确,临时的负责人肯定是明确的,要不然无法开展各项工作。
所以,进场后,根据现有人员,及时发文成立项目的安全生产领导小组,在以后人员基本确定后,再进行一次调整即可。
这样,安全生产工作就有了组织保证。
当然,设置安全生产管理部门,也是同步进行的工作。
二、建立安全生产责任制附件(附件003)目前,公司已建立起了较为完善的安全生产责任制,项目可根据项目涉及的各工作岗位,发布项目的安全生产责任制。
如果涉及公司的责任制没有覆盖到的工作岗位或部门,项目根据公司的责任制度,进行补充制订,随项目安全生产责任制一并发文。
责任制发布后,各个岗位应对自身的职责进行确认。
各工作岗位和部门有了明确的职责,安全生产责任的落实,就有了基础。
三、建立完善项目的安全生产制度体系(附件004)项目根据中交养护集团、公司,以及业主的安全生产管理制度体系,结合项目施工生产实际,建立项目的安全生产管理制度体系。
中交养护集团、公司的制度,可直接转发实施,业主的制度,直接执行。
现有的制度体系未包含的,项目对应制订相应的制度。
所有的制度,养护集团、公司发布的过的,可以发通知,明确要执行的制度规定;项目制订的制度,要发文发布后才具有实施效力。
制度体系完善后,要注意建立相应的制度台帐。
四、风险识别(附件012)风险识别分三个方面:危险源的识别及管理,危险性较大的分部分项工程识别,桥梁、隧道、高边坡路堑施工安全风险评估。
操作规程的使用方法与操作步骤详解在我们的日常生活和工作中,操作规程无处不在。
无论是使用家用电器、操作工业设备,还是进行一项复杂的实验,都离不开操作规程的指导。
正确地理解和遵循操作规程,不仅能够提高工作效率,保证工作质量,还能有效地避免事故和错误的发生。
那么,究竟什么是操作规程?如何正确地使用它?又有哪些具体的操作步骤需要我们掌握呢?接下来,让我们一起深入探讨。
一、操作规程的定义与重要性操作规程,简单来说,就是对某项工作或活动的操作流程、方法、要求和注意事项等进行详细规定的文件或指南。
它是根据长期的实践经验和科学原理制定出来的,具有权威性和指导性。
操作规程的重要性不言而喻。
首先,它能够确保操作的一致性和准确性。
无论谁按照操作规程进行操作,都能够得到相对稳定和可靠的结果。
其次,操作规程可以提高工作效率。
因为它明确了操作的最佳顺序和方法,避免了不必要的摸索和错误。
再者,操作规程是保障安全的重要防线。
对于一些具有危险性的操作,如果不遵循规程,很容易引发安全事故,对人身和财产造成损害。
二、操作规程的使用方法1、仔细阅读在进行任何操作之前,一定要认真仔细地阅读操作规程。
不仅要了解操作的步骤和方法,还要注意其中的注意事项和安全提示。
对于一些关键的步骤和要求,要重点标记或牢记在心。
2、理解原理仅仅知道操作的步骤是不够的,还需要理解背后的原理。
这样在遇到特殊情况或问题时,才能灵活应对,而不是机械地按照规程执行。
3、做好准备根据操作规程的要求,提前做好相应的准备工作。
比如,准备好所需的工具、材料,检查设备是否正常运行等。
4、按步操作在操作过程中,要严格按照操作规程的步骤进行,不得随意跳过或更改。
每完成一个步骤,要进行检查和确认,确保操作的准确性。
5、及时记录对于操作过程中的关键数据、现象和问题,要及时进行记录。
这不仅有助于后续的分析和总结,还能为可能出现的问题提供追溯依据。
6、遇到问题及时停止如果在操作过程中遇到了问题或异常情况,要立即停止操作,并按照规程中的应急处理措施进行处理。
项目运作规范化操作手册为了规范项目运作期间的工作,提高工作效率,避免因工作不规范导致项目运作事故造成不必要的损失及工作量加大等不利因素,特将公司在项目运作期间的工作进行规范化,具体如下:1、公司项目运作期间,公司各部门之间的工作对接以文档形式进行工作对接,避免因信息遗漏、传递失误造成不必要的损失或加大整体工作量;2、各部门在项目运作期间需做好工作计划,以确保项目整体顺畅运行;3、各部门需在每周最后一个工作日下午4点前将本周工作总结及下周工作计划以文档的形式发送至相关负责人邮箱,不接收纸质及口头汇报;4、项目启动时,在项目统筹与甲方确定相应时间节点前,各部门需将本部门在整个项目中的工作内容进行分解,给出初步时间节点,项目统筹根据公司的实际情况统计后与甲方确认相应工作的时间节点;5、项目运作期间,各负责收集统计公司各部门信息的相关责任人,在信息收集期需以文字形式在公司内部沟通渠道(QQ群、微信群等)发布文字收集信息,并明确信息收集截止时间,各相关责任人需及时以文字形式回复;6、各相关责任人需以文档形式在规定时间内准确提交;7、各具体负责人需对自身负责的工作内容信息明确,不得以“不知道、不明确”等字眼回复信息收集人或工作对接人;8、公司每一项具体工作专人负责,与甲方或供应商实行专人专项对接,不得同一事项由公司多人与甲方或供应商对接;9、公司内部各项工作进度、各项外部信息、内部信息等需及时信息同步与公司各个相关工作负责人;10、公司制作的物料,因到货时间不一,在物料到货后,由物料制作人签收后立即分发给物料具体使用人,物料具体使用人需仔细保管所使用的物料。
不得整体随意堆放在公司,以避免遗失或损坏。
物料分发后,物料制作人需制定物料签收表格由物料具体使用人签收。
项目操作规程一、项目班子成立主要成员:项目经理,技术负责人,预算员,材料员,安全员,质监员。
工作岗位定义:项目经理职责和要求:全面负责项目实施,从安全、成本、质量、工期四个方面采取措施,确保项目成功,并在项目实施过程中加强团队建设,形成一个纪律严明工作高效的战斗团队。
项目经理必须具备全局观,具有良好的沟通协调能力、领导力。
项目经理工作流程:1.组织召开项目经济技术会2.编写项目实施细则交公司审批执行3.技术方案会审4.制定现场管理规章1)奖惩制度2)例会制度(检讨工程质量和进度及安全隐患)3)项目成员工作责任划分和落实4)工作交接程序(更换人员、更换施工队伍)5)财务管理制度(报销、公关宴请等)5.项目实施与管理,内部通过制度管理,外部各种关系处理,1.与业主关系处理,重点是工程款拨付,签证;2.与监理关系处理,重点是工程质量的监控,利用监理作为外部独立监督资源为项目服务;3.与分包单位关系处理,审核劳动力资源安排,监控施工质量,按规范要求施工;4.与供货商的关系处理,掌握和预判市场行情,提前或延后组织某些设备资料的采购,监控资料质量。
5.组织内部预验收6.竣工验收及移交7.工程结算收款技术负责人的职责和要求:协助项目经理进行现场管理,服从项目经理的工作调配安排,当项目经理不在时担负项目经理的职责。
必须具备丰富的施工经验和良好的团队协作能力。
1.主持项目的技术、质量管理工作,对工程技术工程质量全面负责2.编制施工组织设计、总平面布置图,制定有效的质量、安全技术措施和专项方案3.组织工程的图纸会审,及时解决施工中出现的各种技术问题,负责各项技术交底工作,组织施工技术人员学习掌握技术难点4.深入现场,督促各作业班组、施工人员的施工质量、安全检查,组织隐蔽工程验收和分部分项工程验收,确保工程按设计图纸及规格标准施工,并负责组织质量检查评定工作,对质量问题提出整改措施并监督及时处理5.负责检查、督促工程档案、资料收集、整理,特别是确保原材料、成品、半成品的送检必须符合符合规范和质检部门的要求,因为这部分资料等竣工资料最后整理时没法补充完成6.做好与设计单位和有关技术人员的工作联系,避免施工过程中因技术失误造成的损失7.掌握施工现场所需材料规格、型号和所需日期,做好现场材料的验收签证和管理,工程竣工时提供详细的工作量及主材、设备等基础资料,协助预算员搞好工程决算8.办理项目设计变更、技术核定、现场签证索赔工作预算员岗位职责:1.主管工程预决算2.协同技术负责人和材料员编写材料供应计划3.及时收集签证手续,每月报工程量清单交项目经理审核4.负责劳动工资计划及统计工作5.研究预算用工价差,做好成本核算,确保经济效益6.在施工过程中进行成本跟踪控制,定期对成本支出与计划目标值进行比较,发现偏差、分项偏差产生原因,采取纠偏措施材料员岗位职责1.熟悉各种材料技术性能、标准及规定2.熟悉施工图纸、网络计划、工期进度计划,据此编写单位工程材料计划3.做好各种资料保管、使用及材料的发放、回收登记,整理存档及时到位4.组织编制年、季、月材料供应计划5.按计划组织好周转工具等材料的租赁,按期完成各种物资统计报表,按期完成各种限额领料资料汇总、统计及核算6.严格贯彻执行材料管理制度和标准7.收集物资材料市场信息动态资料,考核供应商资信状况,建立合格供应商名录8.对送达工地的材料进行入库前检验,将合格证、复检报告等资料存档9.掌握材料的库存情况及时调整材料供应计划安全员岗位职责1.协助项目经理及技术负责人对项目的安全管理,对施工现场出现的安全问题负主要责任2.认真检查督促施工现场的安全生产、劳动保护及各项安全规定的落实3.参加施工方案中安全生产技术措施条款的拟定,检查督促条款的实施,负责安全措施标识的管理和使用,及时记录好安全台帐4.负责项目的常规安全检查活动,做好检查记录,协助落实奖惩措施,对违章现象进行制止,对一般事故作出处理和记录5.对进入施工现场的新工人进行安全教育及日常生产的安全教育工作6.参加对工伤事故的调查、分析、处理、总结、上报等工作7.检查和督促特种设备及特种岗位必须严格依照安全操作规程操作,包括塔吊、钢筋弯曲机、钢筋切断机安全操作规程和安全技术交底质监员岗位职责1.在项目经理领导下,负责检查督促施工组织设计中质量保证措施的实施,组织建立各级质量监督保证体系,对各施工班组进行质量检查2.严格监督进场材料、设备、半成品的质量、型号、规格是否符合要求,监督各施工班组操作是否符合规程3.按照规范规定的分部分项检验方法和验收评定标准,正确进行自检和实测实量,填报各项检查表格,对不符合工程质量标准、质量要求返工的分部分项工程写出返工意见并出具罚款单4.提出工程质量通病的防治措施,会同技术负责人提出制定新工艺、新技术的质量保证措施5.对工程的质量事故进行调查分析,提出处理意见报项目经理6.向每个施工班组做质量验收评定标准交底7.参加隐蔽工程验收并做好记录二、项目经济技术分析会项目班子成立后,由项目经理组织召开项目经济技术分析会,参加人员:公司经理、项目经理、技术负责人、预算员、材料员、质监员。
标准化操作程序1. 介绍本制度旨在规范企业职能部门的操作行为,确保各项工作顺利进行和合规执行。
标准化操作程序将涵盖管理标准和考核标准,以确保高质量、高效率的工作。
2. 管理标准2.1 工作流程2.1.1 职能部门成员每日上班前应查看并遵守工作流程,确保了解当日工作任务和优先级。
2.1.2 工作流程应包含各项工作的流程图和认真步骤说明,确保工作依照规定的程序进行。
2.2 文件管理2.2.1 职能部门成员应依照文件管理规定,对相关文件进行分类、归档和保管,并定期进行备份,以保证文件的完整性和安全性。
2.2.2 文件名称应简明扼要、具有可辨识性,利于文件的快速检索和使用。
2.3 会议管理2.3.1 职能部门应在需要的时候召开会议,确保信息沟通畅通。
2.3.2 会议应提前设定议程,并将会议议程与相关资料提前发送给参加人员,确保每个人都有充分的准备时间。
2.3.3 会议纪要应在会议结束后及时整理并发送给与会人员,确保会议内容的记录和跟进。
2.4 沟通协作2.4.1 职能部门成员应乐观自动地与其他部门进行沟通协作,共同解决问题和推动工作进展。
2.4.2 沟通方式可以包含面对面沟通、邮件、电话等,应依据实在情况选择适当的沟通方式。
2.4.3 沟通内容应准确、清楚,并及时进行记录和跟进。
3. 考核标准3.1 工作绩效3.1.1 职能部门成员应依照工作要求和工作标准,完成各项工作任务。
3.1.2 工作绩效将依据工作量、质量、按时性和工作效率进行评估,以考核职能部门成员的绩效。
3.1.3 考核结果将依据成员的评价绩效综合得分,订立奖惩措施,激励乐观工作表现,帮忙提升绩效。
3.2 协同合作3.2.1 职能部门成员应乐观自动地与其他部门进行合作,并保持良好的合作态度。
3.2.2 合作本领将依据协同效果、合作方式和沟通本领进行评估,以考核职能部门成员的协同合作本领。
3.2.3 考核结果将依据成员的评价综合得分,订立奖惩措施,激励乐观的协同合作表现,促进团队合作和协作本领的提升。
项目部标准化管理动作宣贯前言管控动作开发和运行的意义在于:为提升项目部技术变更流程的规范性,通过管理动作的运作,项目部相关人员职责明确,工作程序明确,工作痕迹可追溯。
目录010203 04051关于我们技术变更标准化管理动作技术变更标准化管理动作流程图技术负责人资料员商务经理确定签收人员变更核算是否重大变更N调整相关专项方案Y接收变更发至相关人员图纸标识资料整理上报项目经理序号关键行为管理行为描述时间节点责任部门责任人配套应用表单1 接收变更技术变更由技术负责人统一进行签收当天技术组技术负责人附件1《技术变更收发登记表》2 确定签收人员根据设计变更内容确定签收人员当天技术组技术负责人无3 发至相关人员将技术变更单下发至变更签收人当天资料组资料员附件1《技术变更收发登记表》4 重大变更判定涉及材料及工艺的重大技术变更,应更改相应专项施工方案,并在图纸上进行相应标识签发后5天内技术组技术负责人无未涉及重大技术变更,直接在图纸上进行标识签发后2天内技术组技术负责人无附件一5 资料整理形成技术台账变更完成技术组技术负责人附件2《技术变更台账》6 变更核算(上接序号3)商务经理收到变更后进行变更核算,计算出价差进行相应签证及索赔签发后2天内预算组商务经理无7 上报项目经理后续跟踪签发后7天内预算组商务经理无序号关键行为管理行为描述时间节点责任部门责任人配套应用表单附件二2关于我们技术(方案)交底及实施标准化管理动作技术交底及实施标准化管理动作流程图项目部危大方案判定三级交底编制交底整理与归档分包及机械安拆方案分级交底对班组进行交底常规方案判定N Y 普通其他序号关键行为管理行为描述时间节点责任部门责任人配套应用表单1 编制交底方案完成审批后实施前,项目部按照分级交底原则,对清单中要求的分部分项工程编制《技术(方案)交底记录》方案完成审批后,实施前项目部技术负责人附件1《技术(方案)交底记录》附件2《技术(方案)交底记录样板》2 实施交底普通方案:1、技术负责人对项目部管理人员进行方案交底(详清单中D类方案);2、技术负责人对相关操作班组进行技术交底(详清单中C类方案)方案实施前3天内项目部技术负责人附件1《技术(方案)交底记录》机械安拆方案:技术负责人对安拆单位技术负责人、安拆单位技术负责人对安拆人员进行两级技术交底(详清单中E类方案)方案实施前3天内项目部安拆单位技术负责人机械安拆单位技术负责人附件1《技术(方案)交底记录》3 整理与归档分包方案:技术负责人对分包单位技术负责人、分包单位技术负责人对分包作业人员进行两级技术交底(详清单中E类方案)方案实施前3天内项目部分包单位技术负责人分包单位技术负责人附件1《技术(方案)交底记录》危大方案:技术负责人对项目管理人员进行方案交底;技术负责人对相关操作班组进行技术交底(详清单中B类方案)方案实施前7天内项目部技术负责人项目经理附件1《技术(方案)交底记录》超危大方案:在危大方案交底的基础上,增加技术管理工程师对项目主要管理人员的公司级重大方案交底(详清单中A类方案)方案实施前7天内项目部技术发展处技术负责人项目经理技术管理工程师附件1《技术(方案)交底记录》附件3《重大方案交底单》序号关键行为管理行为描述时间节点责任部门责任人配套应用表单3 整理与归档履行签字手续,做好收发文记录,保留影像资料,形成技术台账交底中项目部技术负责人附件4《会议签到表》附件5《收发登记表》附件6《技术(方案)交底台账》序号关键行为管理行为描述时间节点责任部门责任人配套应用表单方案清单附件四附件一附件五附件六步骤流程名称工作事项责任人切入时间第1步深化设计手册交底技术管理工程师对技术负责人进行深化设计手册交底;技术管理工程师技术综合交底同时完成第2步深化图绘制、校对根据《措施结构类深化设计手册》,技术负责人在方案编制过程中进行相应类别的深化设计;由项目经理对深化成果进行校对;项目经理技术负责人同方案管理流程第3步成果审核、审批技术管理工程师对深化成果进行审查,由总工程师进行审批;总工程师技术管理工程师同方案管理流程第4步深化成果交底技术负责人对项目管理人员及现场作业人员进行深化成果交底;技术负责人同方案管理流程第5步落地评审与总结总结深化成果落地成效,不断优化完善《措施结构类深化设计手册》;技术管理工程师\第三部分3出图标准第四部分4深化清单支模架深化后浇带构造架体基础整体构造支撑可调顶托模板包裹原则楼梯模板加固剪力墙外围接头梁侧模高低跨梁模板加固柱模板加固墙模板加固架体基础深化点1.基础面;2.排水措施;3.垫板设置;1、保证基础平整,需要经过夯实,满足承载力要求后方可搭设支模架。
项目管理操作规范目录1.目的:规范项目管理工作,促使项目成功。
2.范围:适用于公司范围内的项目管理。
3.权责:PDT人员的职责参考《产品开发流程-角色和职责说明》4.定义:4.1 PDT的组织结构一般由LPDT及相关部门代表组成。
4.2 PDT的运作关系PDT是产品开发的责任主体,PDT的设立主要根据产品开发实际情况进行,一般起于任务书下达,终止于产品量产。
PDT是一个虚拟的团体,具有临时性及专案性。
4.3PDT的业务汇报关系LPDT接受IPMT的领导,并向其汇报工作;●PDT核心组成员和外围组成员完成LPDT交给的各项工作,PDT核心组成员定期向LPDT汇报项目工作并抄送给职能部门主管;PDT外围组成员定期向其核心组成员汇报项目工作并抄送给职能部门主管。
4.4 PDT的组织运作●PDT的组建:在任务书发放后,IPMT开始组建PDT,并进行任命。
●LPDT的确定:由IPMT任命,负责产品研发在相应领域内的任务分解,与相关资源部门打交道,因而应具备较深的技术背景和较强的沟通能力。
●PDT小组扩充:概念决策评审通过后,根据情况增扩PDT;计划决策评审通过后,开始根据项目任务书进行任务分解,制定各级计划,由LPDT与相关资源部门协商确定相关项目小组的成员,组建全员小组,并进行全员任命。
●PDT的解散:PDT的解散分为正常解散和异常解散两种情况。
正常解散是产品研发任务顺利完成,PDT完成历史使命而宣告解散;异常解散是指产品撤项或转向情况下的PDT解散。
4.5 PDT的授权与决策IPMT在项目的各个阶段给PDT分配资源并授予PDT对产品研发所有具体事务执行上的决策权,以保证PDT获得充分授权。
获得充分授权的PDT的决策变得更快更有效。
这种决策是一种集体决策,且这些决策在需要理解的人之间得到充分沟通。
4.6 风险将来可能发生的并会造成某种程度上的危害的一种活动。
4.7 项目风险项目风险指在项目中发生的风险,不仅仅指遭受创伤和损失的可能性,还包括机会选择(积极成本)和不利因素威胁(消极结果)。
检查项检查方法图片示例责任人监督人备注
模板验收项目部每栋每层做好验收记录,举牌写上楼栋与楼层号,采用水印相机做好影像记录并收集留底,图片上发项目群
钢
筋隐蔽验收项目部每栋每层做好验收记录,举
牌写上楼栋与楼层号,采用水印相
机做好影像记录并收集留底,图片
上发项目群(悬挑板钢筋也需水印
拍照上传并留底)
规定动作操作指引
楼层清理项目部每栋每层做好验收记录,采用水印相机做好影像记录并收集留底楼层清理,做到N-4层及时清理,进行现场检查楼层清理情况,图片上发项目群(人货梯到的楼层,清理必须完成,人货梯未到的楼层,须归堆整理好)
泵
管砂浆处理项目部每次浇筑混凝土之前,润管砂浆采用料斗装好,吊离楼层,不得浇筑到楼层上,采用水印相机做好影像记录并收集留底,图片上发项目群
构施工控
梁柱结
合处隔离处理项目部每次浇筑混凝土之前,须在梁柱结合处采取隔离措施,采用水印相机做好影像记录并收集留底,图片上发项目群
平板
震动使用项目部每栋每层做好验收记录,采用水印相机做好影像记录并收集留底,图片上发项目群
标高控制项目部每栋每层做好验收记录,管理人员全程跟踪到位,采用水印相机做好影像记录并收集留底,图片上发项目群
结构施工控制
楼
板厚度控制项目部每栋每层做好验收记录,管理人员全程跟踪到位,采用水印相机做好影像记录并收集留底,图片上发项目群
楼面刮平项目部每栋每层做好验收记录,楼面刮平应采用两米及以上刮尺,采用水印相机做好影像记录并收集留底,图片上发项目群
混
凝土养护记录项目部每栋每层做好验收记录,养护时间一周,每天四次,上午下午各两次,采用水印相机做好影像记录并收集留底,图片上发项目群,图片上发项目群
塔式起重机项目部做好验收记录,每月三次(上、中、下旬)自查自纠,项目部做好自查自纠,采用水印相机做好影像记录并收集留底,图片上发项目群
施工升降机项目部做好验收记录,每月三次(上、中、下旬)自查自纠,项目部做好自查自纠,采用水印相机做好影像记录并收集留底,图片上发项目群
物料提升机项目部做好验收记录,每月三次(上、中、下旬)自查自纠,项目部做好自查自纠,采用水印相机做好影像记录并收集留底,图片上发项目群
大型设备检查
重大危
险源公示项目部黑板公示、群微信公示及晨会宣读公示,做好影像记录,图片上发项目群
每日
工作安排项目部每天早上必须进行晨会,采用水印相机做好影像记录并收集留底,图片上发项目群
每日
工作总结项目部每天下午或者晚上必须组织碰头会,采用水印相机做好影像记录并收集留底,图片上发项目群
晨会、碰头会
砼导墙结合面凿毛项目部做好验收记录,并在浇筑前采用水印相机做好影像记录并收集留底,图片上发项目群止水钢
板、止水条项目部做好验收记录,并在浇筑前采用水印相机做好影像记录并收集留底,图片上发项目群高支模项目部做好举牌验收记录,并在浇筑前采用水印相机做好影像记录并收集留底,图片上发项目群
安全类
渗漏控制
安。