焊接坡口形式选用规定和焊脚高度的解读
- 格式:ppt
- 大小:570.50 KB
- 文档页数:15
焊缝形式及坡口尺寸在图纸上是怎样表示的焊缝形式及坡口尺寸在图纸上一般采用技术制图的方法表示..为了简化焊缝在图样上的表示方法;现采用国家标准规定的焊缝符号及坡口尺寸的表示方法..焊接符号由哪几部分组成焊接符号一般是由基本符号和指引线组成;必要时还可以加上辅助符号、补充符号和焊缝尺寸符号..焊缝形式及坡口尺寸在图纸上是怎样表示的焊缝形式及坡口尺寸在图纸上一般采用技术制图的方法表示..为了简化焊缝在图样上的表示方法;现采用国家标准规定的焊缝符号及坡口尺寸的表示方法..表示焊缝的基本符号有哪些焊缝基本符号是表示焊缝截面形状的符号;它采用近似于焊缝横剖面形状的符号来表示..GB324-1988中规定了13种焊缝形式的符号;见表2-2..点击下载焊接符号说明大全excel表格详细讲解焊接加工符号的国家标准有哪些焊接符号的国家标准主要有两个:1 GB324一2008《焊缝代号》..2 GB985-1988《手工电弧焊焊接接头的基本形式与尺寸》..表示焊缝的辅助符号有哪些辅助符号表示焊缝表面形状特征的符号;见表2-3..不需要确切地说明焊缝的表面形状时;可以不用辅助符号..表示焊缝的补充符号有哪些补充符号是为了补充说明焊缝的某些特征而采用的符号;见表2-4.. 表示焊缝的尺寸符号有哪些焊缝的尺寸符号见表2-5..焊接符号标注中的指引线指引线是表示指引焊缝位置的符号..由带箭头的指引线和两条基准线一条为实线;另一条为虚线组成..指引线指向有关焊缝处;基准线一般应为水平线..焊缝符号及尺寸标注在基准线上;必要时基准线末端加一尾部;作其它说明用如焊接方法等;如图3-18所示..焊接符号标注方法完整的焊缝表示方法应包括上述基本符号、辅助符号、补充符号;以及指引线、一些尺寸符号和数据等..标注箭头线时;可指向焊缝或不指向焊缝;如图3-19所示..基准线的虚线可在基准线的实线上侧或下侧;当焊缝在接头的箭头侧;则基本符号标在基准线的实线侧;如果焊缝在接头非箭头侧;则将基本符号标在基准线的虚线侧..标注对称焊缝或双面埠缝可不加虚线;如图3-20所示..焊缝尺寸符号及数据的标注原则如下:1.在基本特号左边标注:钝边高度p;坡口高度H;焊角高度K;焊缝余高h;熔透深度s;根部半径R;焊缝宽度C;焊角直径d..2.在基本符号右边标注:焊缝长度l;焊缝间隙e;相同焊缝数量n..3..在基本特号上边标注:坡口角度a;根部间隙b..焊接符号标注实例及方法在焊接结构图样上;焊接方法可按国家标准GB5185-85的规定用阿拉伯效字表示;标注在指引线的尾部..常用焊接方法代号见表3-9所示..如果是组合焊接方法;可用“/”分开;左侧表示正面或盖面的焊接方法;右侧表示背面或打底焊接方法..例如V形焊缝先采用钨极氢弧焊打底;后用手工电弧焊盖面;则表示为141/111..焊缝符号和焊接方法代号标注示例见图3-21所示..该图表示V形坡口对接焊缝;背面封底焊;正面焊缝表面齐平;焊接方法为打底焊用手工钨极氮弧焊;盖面焊和封底焊用手工电弧焊..详解aws焊接符号AWS其英文全称为American Welding Society;即:美国焊接学会..AWS焊接符号标准在世界各地得到广泛的应用;因AWS焊接符号标准与中国的焊接符号标准GB324有所不同;对于经常接触国外图纸的朋友来说掌握AWS焊接符号标准是很必要的..AWS与中国标准相同;AWS焊接符号也包含基准线和箭头线这样的基本元素;同样也有辅助符号;焊接符号的表示方式基本上都差不多..例如;角焊缝国标的和AWS标准的表示的都是用三角符号..不过;焊接符号所在基准线的位置;所表示的意思却恰恰相反..因此所用到AWS标准时要参考原文;不能根据国标来理解..钢结构焊接符号含义大全钢结构焊接符号也是依据GB324一1988《焊缝代号》来绘制..钢结构一般属于建筑学科;属于建筑行业..因此在钢结构焊接符号的标注中经常伴随有建筑符号、型钢符号、螺栓符号及铆钉符号等 ..钢结构焊缝符号表示的方法及有关规定:1、焊缝的引出线是由箭头和两条基准线组成..其中一条为实线;另一条为虚线;线型均为细线..如图1-33..2、基准线的虚线可以画在基准线实线的上侧;也可画在下侧;基准线一般应与图样的标题栏平行;仅在特殊条件下才与标题栏垂直..3、若焊缝处在接头的箭头侧;则基本符号标注在基准线的实线侧;若焊缝处在接头的非箭头侧;则基本符号标注在基准线的虚线侧;如图1-34..4、当为双面对称焊缝时..基准线可不加虚线;如图1-35..5、箭头线相对焊缝的位置一般无特殊要求;但在标注单边形焊缝时箭头线要指向带有坡口一侧的工件;如图1-36..6、基本符号、补充符号与基准线相交或相切;与基准线重合的线段;用粗实线表示..7、焊缝的基本符号、辅助符号和补充符号尾部符号除外一律为粗实线;尺寸数字原则上亦为粗实线;尾部符号为细实线;尾部符号主要是标注焊接工艺、方法等内容.8、在同一图形上;当焊缝形式、断面尺寸和辅助要求均相同时;可只选择一处标注焊缝的符号和尺寸..并加注“相同焊缝的符号”;相同焊缝符号为3/4圆弧;画在引出线的转折处..如图1-37a..在同一图形上;有数种相同焊缝时;可将焊缝分类编号;标注在尾部符号内;分类编号采用A;B;C......在同一类焊缝中可选择一处标注代号;如图1-37b..9、熔透角焊缝的符号应按图1-38方式标注..熔透角焊缝的符号为涂黑的圆圈;画在引出线的转折处..10、用形中较长的角焊缝如焊接实腹钢梁的翼缘焊缝;可不用引出线标注;而直接在角焊缝旁标注焊缝尺寸值K;如图1-39..11、在连接长度内仅局部区段有焊缝时;按图1-40标注..K为角焊缝焊脚尺寸..12、当焊缝分布不规则时;在标注焊缝符号的同时..在焊缝处加中实线表示可见焊缝;或加栅线表示不可见焊缝;标注方法如图1-41..13、相互焊接的两个焊件;当为单面焊带双边不对称坡口焊缝时;引出线箭头指向较大坡口的焊件;如图1-42..14、环绕工作件周围的围焊缝符号用圆圈表示;画在引出线的转折处;并标注其焊角尺寸K..如图1-43..15、三个或三个以上的焊件相互焊接时;其焊缝不能作为双面焊缝标注;焊缝符号和尺寸应分别标注;如图1-44..16、在施工现场进行焊接的焊件其焊缝需标注“现场焊缝”符号..现场焊缝符号为涂黑的三角形旗号;绘在引出线的转折处;如图1-45..17、相互焊接的两个焊件中;当只有一个焊件带坡口时如单面V形;引出线箭头是指向带坡口的焊件;如图1-46..钢结构焊接符号大全:一个钢结构焊接符号标注实例:。
焊接坡口尺寸标准焊接坡口尺寸标准是指在进行焊接工艺时,对于坡口的尺寸要求和规范。
坡口尺寸的标准化对于焊接工艺的质量和效率具有重要的影响,因此在实际应用中必须严格遵守相关标准,以确保焊接质量和安全。
首先,焊接坡口的尺寸应符合国家标准或行业规范的要求。
不同的焊接材料、焊接方法和焊接位置都有相应的坡口尺寸标准,必须根据具体情况进行选择和执行。
在选择坡口尺寸时,需要考虑焊接材料的厚度、焊缝的类型、焊接位置和所需的焊接强度等因素,以确保焊接质量和可靠性。
其次,焊接坡口的尺寸要求必须严格执行。
在进行坡口准备时,必须按照设计要求和规范进行尺寸标定和加工,不得随意改变或超出规定范围。
特别是在焊接厚板或高强度材料时,坡口尺寸的误差会直接影响焊接接头的质量和强度,因此必须严格控制坡口尺寸的偏差。
另外,焊接坡口尺寸的选择和加工要根据具体的焊接要求进行合理确定。
在进行焊接工艺设计时,必须充分考虑焊接材料的性能、焊接接头的受力情况、焊接方法的选择等因素,以确定最合适的坡口尺寸和形式。
在进行坡口加工时,必须使用适当的工艺设备和加工工具,确保坡口的尺寸和形状符合要求。
最后,焊接坡口尺寸标准的执行和监督是确保焊接质量的关键。
在实际施工和生产中,必须严格按照标准和规范执行坡口尺寸的要求,不得擅自变更或忽视。
同时,必须对焊接坡口的尺寸进行检测和监控,及时发现和纠正尺寸偏差,以确保焊接接头的质量和可靠性。
总之,焊接坡口尺寸标准对于焊接工艺具有重要的意义,必须严格执行和监督。
只有在实际应用中严格遵守相关标准和规范,合理选择和加工坡口尺寸,才能确保焊接质量和安全,提高焊接工艺的效率和可靠性。
焊缝形式及坡口尺寸在图纸上是怎样表示的公司标准化编码 [QQX96QT-XQQB89Q8-NQQJ6Q8-MQM9N]焊缝形式及坡口尺寸在图纸上是怎样表示的焊缝形式及坡口尺寸在图纸上一般采用技术制图的方法表示。
为了简化焊缝在图样上的表示方法,现采用国家标准规定的焊缝符号及坡口尺寸的表示方法。
焊接符号由哪几部分组成焊接符号一般是由基本符号和指引线组成,必要时还可以加上辅助符号、补充符号和焊缝尺寸符号。
焊缝形式及坡口尺寸在图纸上是怎样表示的焊缝形式及坡口尺寸在图纸上一般采用技术制图的方法表示。
为了简化焊缝在图样上的表示方法,现采用国家标准规定的焊缝符号及坡口尺寸的表示方法。
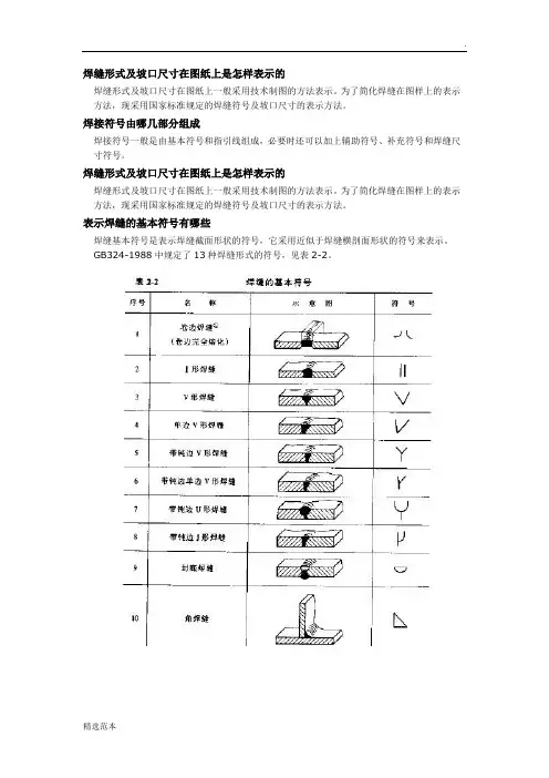
表示焊缝的基本符号有哪些焊缝基本符号是表示焊缝截面形状的符号,它采用近似于焊缝横剖面形状的符号来表示。
GB324-1988中规定了13种焊缝形式的符号,见表2-2。
点击下载(excel表格详细讲解)焊接加工符号的国家标准有哪些焊接符号的国家标准主要有两个:(1) 。
(2) 。
表示焊缝的辅助符号有哪些辅助符号表示焊缝表面形状特征的符号,见表2-3。
不需要确切地说明焊缝的表面形状时,可以不用辅助符号。
表示焊缝的补充符号有哪些补充符号是为了补充说明焊缝的某些特征而采用的符号,见表2-4。
表示焊缝的尺寸符号有哪些焊缝的尺寸符号见表2-5。
焊接符号标注中的指引线指引线是表示指引焊缝位置的符号。
由带箭头的指引线和两条基准线(一条为实线,另一条为虚线)组成。
指引线指向有关焊缝处,基准线一般应为水平线。
焊缝符号及尺寸标注在基准线上,必要时基准线末端加一尾部,作其它说明用(如焊接方法等),如图3-18所示。
焊接符号标注方法完整的焊缝表示方法应包括上述基本符号、辅助符号、补充符号,以及指引线、一些尺寸符号和数据等。
标注箭头线时,可指向焊缝或不指向焊缝,如图3-19所示。
基准线的虚线可在基准线的实线上侧或下侧,当焊缝在接头的箭头侧,则基本符号标在基准线的实线侧,如果焊缝在接头非箭头侧,则将基本符号标在基准线的虚线侧。
创作编号:GB8878185555334563BT9125XW创作者:凤呜大王*焊缝形式及坡口尺寸在图纸上是怎样表示的焊缝形式及坡口尺寸在图纸上一般采用技术制图的方法表示。
为了简化焊缝在图样上的表示方法,现采用国家标准规定的焊缝符号及坡口尺寸的表示方法。
焊接符号由哪几部分组成焊接符号一般是由基本符号和指引线组成,必要时还可以加上辅助符号、补充符号和焊缝尺寸符号。
焊缝形式及坡口尺寸在图纸上是怎样表示的焊缝形式及坡口尺寸在图纸上一般采用技术制图的方法表示。
为了简化焊缝在图样上的表示方法,现采用国家标准规定的焊缝符号及坡口尺寸的表示方法。
表示焊缝的基本符号有哪些焊缝基本符号是表示焊缝截面形状的符号,它采用近似于焊缝横剖面形状的符号来表示。
GB324-1988中规定了13种焊缝形式的符号,见表2-2。
点击下载焊接符号说明大全(excel表格详细讲解)焊接加工符号的国家标准有哪些焊接符号的国家标准主要有两个:(1) GB324一2008《焊缝代号》。
(2) GB985-1988《手工电弧焊焊接接头的基本形式与尺寸》。
表示焊缝的辅助符号有哪些辅助符号表示焊缝表面形状特征的符号,见表2-3。
不需要确切地说明焊缝的表面形状时,可以不用辅助符号。
表示焊缝的补充符号有哪些补充符号是为了补充说明焊缝的某些特征而采用的符号,见表2-4。
表示焊缝的尺寸符号有哪些焊缝的尺寸符号见表2-5。
焊接符号标注中的指引线指引线是表示指引焊缝位置的符号。
由带箭头的指引线和两条基准线(一条为实线,另一条为虚线)组成。
指引线指向有关焊缝处,基准线一般应为水平线。
焊缝符号及尺寸标注在基准线上,必要时基准线末端加一尾部,作其它说明用(如焊接方法等),如图3-18所示。
焊接符号标注方法完整的焊缝表示方法应包括上述基本符号、辅助符号、补充符号,以及指引线、一些尺寸符号和数据等。
标注箭头线时,可指向焊缝或不指向焊缝,如图3-19所示。
基准线的虚线可在基准线的实线上侧或下侧,当焊缝在接头的箭头侧,则基本符号标在基准线的实线侧,如果焊缝在接头非箭头侧,则将基本符号标在基准线的虚线侧。
焊缝形式及坡口尺寸在图纸上是怎样表示的焊缝形式及坡口尺寸在图纸上一般采用技术制图的方法表示。
为了简化焊缝在图样上的表示方法,现采用国家标准规定的焊缝符号及坡口尺寸的表示方法。
焊接符号由哪几部分组成焊接符号一般是由基本符号和指引线组成,必要时还可以加上辅助符号、补充符号和焊缝尺寸符号。
焊缝形式及坡口尺寸在图纸上是怎样表示的焊缝形式及坡口尺寸在图纸上一般采用技术制图的方法表示。
为了简化焊缝在图样上的表示方法,现采用国家标准规定的焊缝符号及坡口尺寸的表示方法。
表示焊缝的基本符号有哪些焊缝基本符号是表示焊缝截面形状的符号,它采用近似于焊缝横剖面形状的符号来表示。
GB324-1988中规定了13种焊缝形式的符号,见表2-2。
点击下载焊接符号说明大全(excel表格详细讲解)焊接加工符号的国家标准有哪些焊接符号的国家标准主要有两个:(1) GB324一2008《焊缝代号》。
(2) GB985-1988《手工电弧焊焊接接头的基本形式与尺寸》。
表示焊缝的辅助符号有哪些辅助符号表示焊缝表面形状特征的符号,见表2-3。
不需要确切地说明焊缝的表面形状时,可以不用辅助符号。
表示焊缝的补充符号有哪些补充符号是为了补充说明焊缝的某些特征而采用的符号,见表2-4。
表示焊缝的尺寸符号有哪些焊缝的尺寸符号见表2-5。
焊接符号标注中的指引线指引线是表示指引焊缝位置的符号。
由带箭头的指引线和两条基准线(一条为实线,另一条为虚线)组成。
指引线指向有关焊缝处,基准线一般应为水平线。
焊缝符号及尺寸标注在基准线上,必要时基准线末端加一尾部,作其它说明用(如焊接方法等),如图3-18所示。
焊接符号标注方法完整的焊缝表示方法应包括上述基本符号、辅助符号、补充符号,以及指引线、一些尺寸符号和数据等。
标注箭头线时,可指向焊缝或不指向焊缝,如图3-19所示。
基准线的虚线可在基准线的实线上侧或下侧,当焊缝在接头的箭头侧,则基本符号标在基准线的实线侧,如果焊缝在接头非箭头侧,则将基本符号标在基准线的虚线侧。
创作编号:GB8878185555334563BT9125XW创作者:凤呜大王*焊缝形式及坡口尺寸在图纸上是怎样表示的焊缝形式及坡口尺寸在图纸上一般采用技术制图的方法表示。
为了简化焊缝在图样上的表示方法,现采用国家标准规定的焊缝符号及坡口尺寸的表示方法。
焊接符号由哪几部分组成焊接符号一般是由基本符号和指引线组成,必要时还可以加上辅助符号、补充符号和焊缝尺寸符号。
焊缝形式及坡口尺寸在图纸上是怎样表示的焊缝形式及坡口尺寸在图纸上一般采用技术制图的方法表示。
为了简化焊缝在图样上的表示方法,现采用国家标准规定的焊缝符号及坡口尺寸的表示方法。
表示焊缝的基本符号有哪些焊缝基本符号是表示焊缝截面形状的符号,它采用近似于焊缝横剖面形状的符号来表示。
GB324-1988中规定了13种焊缝形式的符号,见表2-2。
点击下载焊接符号说明大全(excel表格详细讲解)焊接加工符号的国家标准有哪些焊接符号的国家标准主要有两个:(1) GB324一2008《焊缝代号》。
(2) GB985-1988《手工电弧焊焊接接头的基本形式与尺寸》。
表示焊缝的辅助符号有哪些辅助符号表示焊缝表面形状特征的符号,见表2-3。
不需要确切地说明焊缝的表面形状时,可以不用辅助符号。
表示焊缝的补充符号有哪些补充符号是为了补充说明焊缝的某些特征而采用的符号,见表2-4。
表示焊缝的尺寸符号有哪些焊缝的尺寸符号见表2-5。
焊接符号标注中的指引线指引线是表示指引焊缝位置的符号。
由带箭头的指引线和两条基准线(一条为实线,另一条为虚线)组成。
指引线指向有关焊缝处,基准线一般应为水平线。
焊缝符号及尺寸标注在基准线上,必要时基准线末端加一尾部,作其它说明用(如焊接方法等),如图3-18所示。
焊接符号标注方法完整的焊缝表示方法应包括上述基本符号、辅助符号、补充符号,以及指引线、一些尺寸符号和数据等。
标注箭头线时,可指向焊缝或不指向焊缝,如图3-19所示。
基准线的虚线可在基准线的实线上侧或下侧,当焊缝在接头的箭头侧,则基本符号标在基准线的实线侧,如果焊缝在接头非箭头侧,则将基本符号标在基准线的虚线侧。
焊接接头形式及坡口选用焊接结构设计与坡口设计焊接变形产生的原因焊接变形的控制与矫正一、焊接接头形式及坡口选用(a)I形坡口(b)V形坡口(c)X坡口(d)U形坡口(e)双U形坟口两焊件端面间构成300-1350夹角的接头称两焊件端面间构成3001350夹角的接头,称为角接接头。
根据坡口型式的不同,分为不开坡口、单边V形、V形及K形等4种型式坡口单边V形V形及K形等4种型式(a)不开坡口(b)单边V形坡口(c)V形坡口(d)K形坡口一焊件端面与另一焊件表面构成复角或近似直角的接头,称为T形接头。
其应用范围仅次于对接接头。
根据坡口形式不同,分为不开坡口、单边V形、K形和双U形等4种(a)I形坡口(b)单边V形坡口(c)K形坡口(d)双U形坡口以T形接头连接焊缝时,板厚小于3mm可不开放口。
3个焊件装配成“十”字形接头,叫十字接头。
实际上是两T形接头的组合。
装十字接头叫十字接头实上接头的组合两焊件部分重叠构成的接头,叫搭接接头。
根据结构形式和对强度要求不同,分为不开坡口、圆孔内塞焊和长孔内角焊等3种图(a)为不开坡口的搭接接头,用于厚度12mm以下的焊件,有时可采用双面焊接。
这类接头承载能力低,用于不重要结构,有时可采用双面焊接这类接头承载能力低用于不重要结构遇到重叠面积较大时,为保证焊接强度,可分别选用图(b)、(c)两种形式。
获得较好的焊缝(3)调整焊缝成型系数,获得较好的焊缝(4)调节基本金属与填充金属的比例。
(4)焊后应力和变形尽可能小。
(6)铲削或磨削:用手工或风动、电动工具铲削或使用砂轮机(或角向磨光机)磨削加工,效率较低,多用于焊效率较低多用于焊坡口加工质量对焊接过程有很大影响,应符合图纸或技坡口加工质量对焊接过程有很大影响应符合图纸或技二、焊接结构设计与坡口设计工作焊缝:与被连接的元件是串联的,它承失效,其应力称为工作应力。
联系焊缝则需考虑经济性而减小、减短焊缝;联系焊缝则需考虑经济性而减小减短焊缝不考虑联系应力;以对接Y坡口角度α:钝边高度p:需要熔透时一般为1~3mm;需要熔透时般为3根部间隙b坡口深度H或带垫板的对接适合于厚小于16 mm。
焊缝形式及坡口尺寸在图纸上是怎样表示的为了简化焊缝在图样上的表示焊缝形式及坡口尺寸在图纸上一般采用技术制图的方法表示。
方法,现采用国家标准规定的焊缝符号及坡口尺寸的表示方法。
焊接符号由哪几部分组成焊接符号一般是由基本符号和指引线组成,必要时还可以加上辅助符号、补充符号和焊缝尺寸符号。
焊缝形式及坡口尺寸在图纸上是怎样表示的为了简化焊缝在图样上的表示焊缝形式及坡口尺寸在图纸上一般采用技术制图的方法表示。
方法,现采用国家标准规定的焊缝符号及坡口尺寸的表示方法。
表示焊缝的基本符号有哪些焊缝基本符号是表示焊缝截面形状的符号,它采用近似于焊缝横剖面形状的符号来表示。
2-2种焊缝形式的符号,见表13中规定了GB324-1988焊接符号说明大全表格详细讲解)(excel点击下载焊接加工符号的国家标准有哪些焊接符号的国家标准主要有两个:(1) GB324一2008《焊缝代号》。
(2) GB985-1988《手工电弧焊焊接接头的基本形式与尺寸》。
表示焊缝的辅助符号有哪些辅助符号表示焊缝表面形状特征的符号,见表2-3。
不需要确切地说明焊缝的表面形状时,可以不用辅助符号。
表示焊缝的补充符号有哪些2-4。
补充符号是为了补充说明焊缝的某些特征而采用的符号,见表表示焊缝的尺寸符号有哪些2-5。
焊缝的尺寸符号见表焊接符号标注中的指引线指引线是表示指引焊缝位置的符号。
由带箭头的指引线和两条基准线(一条为实线,另一条组成。
指引线指向有关焊缝处,基准线一般应为水平线。
焊缝符号及尺寸标注在基)为虚线,如图3-18)所示。
准线上,必要时基准线末端加一尾部,作其它说明用如焊接方法等(焊接符号标注方法完整的焊缝表示方法应包括上述基本符号、辅助符号、补充符号,以及指引线、一些尺寸符号和数据等。
标注箭头线时,可指向焊缝或不指向焊缝,如图3-19所示。
基准线的虚线可在基准线的实线上侧或下侧,当焊缝在接头的箭头侧,则基本符号标在基准线的实线侧,如果焊缝在接头非箭头侧,则将基本符号标在基准线的虚线侧。
焊缝形式及坡口尺寸在图纸上是怎样表示的焊缝形式及坡口尺寸在图纸上一般采用技术制图的方法表示。
为了简化焊缝在图样上的表示方法,现采用国家标准规定的焊缝符号及坡口尺寸的表示方法。
焊接符号由哪几部分组成焊接符号一般是由基本符号和指引线组成,必要时还可以加上辅助符号、补充符号和焊缝尺寸符号。
焊缝形式及坡口尺寸在图纸上是怎样表示的焊缝形式及坡口尺寸在图纸上一般采用技术制图的方法表示。
为了简化焊缝在图样上的表示方法,现采用国家标准规定的焊缝符号及坡口尺寸的表示方法。
表示焊缝的基本符号有哪些焊缝基本符号是表示焊缝截面形状的符号,它采用近似于焊缝横剖面形状的符号来表示。
GB324-1988中规定了13种焊缝形式的符号,见表2-2。
点击下载(excel表格详细讲解)焊接加工符号的国家标准有哪些焊接符号的国家标准主要有两个:(1) 。
(2) 。
表示焊缝的辅助符号有哪些辅助符号表示焊缝表面形状特征的符号,见表2-3。
不需要确切地说明焊缝的表面形状时,可以不用辅助符号。
表示焊缝的补充符号有哪些补充符号是为了补充说明焊缝的某些特征而采用的符号,见表2-4。
表示焊缝的尺寸符号有哪些焊缝的尺寸符号见表2-5。
焊接符号标注中的指引线指引线是表示指引焊缝位置的符号。
由带箭头的指引线和两条基准线(一条为实线,另一条为虚线)组成。
指引线指向有关焊缝处,基准线一般应为水平线。
焊缝符号及尺寸标注在基准线上,必要时基准线末端加一尾部,作其它说明用(如焊接方法等),如图3-18所示。
焊接符号标注方法完整的焊缝表示方法应包括上述基本符号、辅助符号、补充符号,以及指引线、一些尺寸符号和数据等。
标注箭头线时,可指向焊缝或不指向焊缝,如图3-19所示。
基准线的虚线可在基准线的实线上侧或下侧,当焊缝在接头的箭头侧,则基本符号标在基准线的实线侧,如果焊缝在接头非箭头侧,则将基本符号标在基准线的虚线侧。
标注对称焊缝或双面埠缝可不加虚线,如图3-20所示。
二保焊坡口尺寸摘要:一、引言二、二保焊坡口尺寸的标准规定1.坡口形式2.坡口角度3.坡口间距4.坡口边缘加工要求三、影响二保焊坡口尺寸的因素1.母材厚度2.焊接方法3.焊接材料4.焊接工艺参数四、二保焊坡口尺寸的选择与优化1.根据母材厚度选择坡口尺寸2.优化坡口尺寸以提高焊接质量五、总结正文:二保焊(气体保护电弧焊接)是一种常用的金属焊接方法,广泛应用于钢结构、船舶、石油化工等领域。
在二保焊过程中,坡口尺寸的选择对于焊接质量及效率具有重要影响。
本文将围绕二保焊坡口尺寸的相关问题进行探讨。
根据我国相关标准和规定,二保焊坡口尺寸主要涉及以下几个方面:1.坡口形式:根据焊接接头形式和焊接方法,坡口形式可分为V形、X 形、U形等。
其中,V形坡口是最常用的形式,适用于各种厚度的母材。
2.坡口角度:坡口角度的选择要根据母材厚度、焊接方法等因素综合考虑。
一般来说,坡口角度在60°-70°之间较为合适。
3.坡口间距:坡口间距过大或过小都会影响焊接质量。
合理的坡口间距应根据母材厚度、焊接方法等因素确定。
4.坡口边缘加工要求:坡口边缘应保持整齐、无毛刺,以确保焊接过程顺利进行。
影响二保焊坡口尺寸的因素包括母材厚度、焊接方法、焊接材料和焊接工艺参数等。
在实际操作中,应根据具体情况选择合适的坡口尺寸,以提高焊接质量。
对于二保焊坡口尺寸的选择与优化,应着重考虑以下几点:1.根据母材厚度选择坡口尺寸:较厚的母材需要较大的坡口尺寸,以便于焊接材料的填充和熔合。
2.优化坡口尺寸以提高焊接质量:合理选择坡口尺寸,可以降低焊接缺陷的产生,提高焊接质量。
总之,二保焊坡口尺寸的选择是一项十分重要的工艺参数,需要根据母材厚度、焊接方法、焊接材料等多种因素综合考虑。
焊缝坡口的基本形式与尺寸根据设计或工艺需要,将焊件的待焊部位加工成一定几何形状的沟槽称为坡口。
开坡口的目的是为了得到在焊件厚度上全部焊透的焊缝。
(一)坡口形式坡口的形式由 GB985—88《气焊、手工电弧焊及气体保护焊焊缝坡口的基本形式与尺寸》、GB986—88《埋弧焊焊缝坡口的基本形式及尺寸》标准制定的:根据坡口的形状,坡口分成I形(不开坡口)、V形、Y形、双Y形、U形、双U 形、单边V形、双单边Y形、J形等各种坡口形式。
V形和Y形坡口的加工和施焊方便(不必翻转焊件),但焊后容易产生角变形。
双Y形坡口是在V形坡口的基础上发展的。
当焊件厚度增大时,采用双Y 形代替V形坡口,在同样厚度下,可减少焊缝金属量约1/2,并且可对称施焊,焊后的残余变形较小。
缺点是焊接过程中要翻转焊件,在筒形焊件的内部施焊,使劳动条件变差。
U形坡口的填充金属量在焊件厚度相同的条件下比V形坡口小得多,但这种坡口的加工较复杂。
(二)坡口的几何尺寸(1)坡口面:待焊件上的坡口表面叫坡口面。
(2)坡口面角度和坡口角度:待加工坡口的端面与坡口面之间的夹角叫坡口面角度,两坡口面之间的夹角叫坡口角度,见图1—5。
开单面坡口时,坡口角度等于坡口面角度;开双面对称坡口时,坡口角度等于两倍的坡口面角度。
坡口角度(或坡口面角度)应保证焊条能自由伸入坡口内部,不和两侧坡口面相碰,但角度太大将会消耗太多的填充材料,并降低劳动生产率。
(3)根部间隙:焊前在接头根部之间预留的空隙叫根部间隙,见图1—5。
根部间隙又叫装配间隙。
根部间隙的作用在于焊接底层焊道时,能保证根部可以焊透。
因此,根部间隙太小时,将在根部产生焊不透现象;但太大的根部间隙,又会使根部烧穿,形成焊瘤。
(4)钝边:焊件开坡口时,沿焊件接头坡口根部的端面直边部分叫钝边,见图1—5。
钝边的作用是防止根部烧穿。
但钝边值太大,又会使根部焊不透。
(5)根部半径:在J形、U形坡口底部的圆角半径叫根部半径(见图1—5)。
华电联合盘北项目部焊接坡口要求及焊条选择2013年6月1日焊接坡口要求及焊条选择焊接坡口一、坡口的定义及作用根据设计或工艺要求,在焊件的待焊部位加工成一定几何形状和尺寸的沟槽,叫坡口。
采用坡口焊缝的主要目的是为了保证接头能焊透而不出现工艺缺陷。
在设计或选择坡口焊缝时,必须注意施焊可达性,其中主要考虑坡口角度、根部间隙、钝边和根部半径等参数。
坡口的作用:(1)使热源(电弧或火焰)能进入焊缝根部,保证根部焊透。
(2)便于操作和清理焊渣。
(3)调整焊缝成型系数,获得较好的焊缝成型。
(4)调节基本金属与填充金属的比例。
二、选择坡口的原则为获得高质量的焊接接头,应选择适当的坡口型式。
坡口的选择,主要取决于母材厚度、焊接方法和工艺要求。
选择时,应注意以下问题:(1)尽量减少填充金属量。
(2)坡口形状容易加工。
(3)便于焊工操作和清渣.(4)焊后应力和变形尽可能小。
三、坡口的制作根据焊件的尺寸、形状及加工条件的不同坡口的制作有以下几种方法:(1)剪边:以剪板机剪切加工,常用于I形坡口(即无坡口)。
(2)刨边:用刨床或刨边机加工,常用于板件加工。
(3)车削:用车床或车管机加工,适用于管子加工。
(4)切割:用氧--乙快火焰手工切割或自动切割机切割加工成I形、V形、X形和K形坡口。
(5)碳弧气刨:主要用于清理焊根时的开槽,效率较高、劳动条件较差。
(6)铲削或磨削:用手工或风动、电动工具铲削或使用砂轮机(或角向磨光机)磨削加工,效率较低,多用于焊接缺陷返修部位的开槽。
四、坡口加工要求(1) 坡口加工前应先将不平处、斜面加工平整。
(2) 坡口内外壁15~20mm范围内铁锈油污等杂质应清除干净,露出金属光泽。
(3) 采用坡口机加工坡口时,进刀要缓慢,每次吃刀量0.2~0.3mm,严谨将刀接触管子强制进刀。
(4) 坡口表面必须平整、均匀。
(5) 加工管口朝上的坡口时,要做防止杂物落入的措施。
五、坡口尺寸大小要求(1)焊条电弧焊时,必须保证焊条能够接近接头根部,并能在多层焊时侧边熔合良好,当减小坡口角时,根部间隙必须增大。
关于焊接接头的有关问题的规定
1.焊缝外观要求
1.1 纵、环焊缝余高(材质针对:Q345R、Q245R、Q235-C、Q235-B、Q235-A))
(a)单面坡口(b)双面坡口
1.2 接管与壳体的焊接接头的焊脚高度,在图样无规定时,取焊件中较薄件厚度。
1.3补强圈的焊脚当图样无规定时,当补强圈的厚度不小于8mm时,其焊脚高度等于补强圈厚度的70%,且不小于
8mm。
1.4 焊缝表面不得有裂纹、气孔、弧坑和飞溅物。
1.5非受压元件之间焊接时在图样无规定时,焊角高度取焊件中较薄件厚度
1.6 焊缝与母材应园滑过渡。
1.7法兰与接管焊接
(1)板式法兰与接管焊接(2)带径平焊法兰与接管焊接(3)承插焊法兰与接管焊接
1.8焊缝表面咬边
(1)用标准抗位强度下取限值≥540Mpa的钢材、Cr-Mo低合金钢材、不锈钢材制造的容器以及焊接接头系Ф取1的容器,其焊缝表面不得有咬边。
解决方法:小心施焊,最好不产生咬边,如果产生咬边则用补焊、砂轮修磨等方法将其去除。
1.9具体焊接过程中产生的飞溅物与焊渣按照车间规定由责任人去清除干净,如果终检时仍存在问题,按相关规定奖罚。
上述规定希望各级电焊工作与检查人员认真对照执行,如果有问题请及时反馈,谢谢合作!
技术科
2009-12-28。
怎样确定焊缝高度及坡口?1、焊接焊脚高度有两种标注,K和a,K表示在角焊缝横截面中画出的最大等腰直角三角形中直角边的长度,a只要在K的基础上x1.414就行了。
2、如果是根据工件的板厚来确定焊角高度可以这么算,单面焊缝是相邻焊件中较薄板厚度确定一般是板厚的0.7,双面焊缝是相邻焊件中较薄板厚度确定一般是板厚的0.3 左右。
3、这个应该由设计定呀,重要件根据强度计算确定。
一般件按照经验确定,对于薄板焊脚高度为较薄件厚度,对于中厚板一般是取较薄板厚度的0.6-0.85倍板厚。
根据不同的结构、产品也是不同的。
只能具体东西具体分析了。
4基本上是受动载的接头必须开坡口,静载的可以开坡口也可设计成角焊缝,看受力大小了,焊脚大小照楼上说的,一般取平均值0.7倍的薄板板厚5 焊角大小的确定还是看你所依据的设计规范。
0.7是常规值,这个值是安全的,但是相对来说,这个值比较大,很多情况下没有必要。
至于要不要开坡口,是看你的节点是否处于周期荷载区域,和角焊缝的区别在于使用寿命上的区别,在强度上,他们完全可以做到相等6国内的标准又有所不同。
钢结构设计规范GB 50017- 2003根据8.2.7角焊缝的焊脚尺寸h不得小于1.5根号tt为较厚焊件厚度(当采用低氢型碱性焊条施焊时,t可采用较薄焊件的厚度)。
但对埋弧白动焊,最小焊脚尺寸可减小1;对T形连接的单面角焊缝,应增加1当焊件厚度等于或小于4时,则最小焊脚尺寸应与焊件厚度相同。
角焊缝的焊脚尺寸不宜大于较薄焊件厚度的1.2倍(钢管结构除外),但板件(厚度为t)边缘的角焊缝最大焊脚尺寸,尚应符合下列要求:)I 当t <=6时.h<=t;2) 当t> 6 mm 时,h,=t -(1~2)圆孔或槽孔内的角焊缝焊脚尺寸尚不宜大于圆孔直径或槽孔短径的1/37是角焊逢的焊高吧各种行业都有不同的规定我们的计算一般是 1.5倍板厚的开方但焊高不要小于3, 大于12 大于12就要开坡口了。