项目2三菱变频器的运行与操作20167
- 格式:pptx
- 大小:6.22 MB
- 文档页数:68
三菱变频器使用手册本文档是关于三菱变频器使用手册的详细说明。
本手册将指导用户正确使用三菱变频器,并提供相应的操作步骤和注意事项。
请仔细阅读本手册,并按照指导进行操作。
1.介绍1.1 变频器概述本章介绍了三菱变频器的基本概念、工作原理和特点。
1.2 变频器型号说明本章详细介绍了不同型号的三菱变频器的特性和适用范围。
2.安装与连接2.1 安装前准备本章介绍在安装前所需的准备工作,包括安装环境的要求、安装材料的准备等。
2.2 安装步骤本章详细说明了三菱变频器的安装步骤,包括安装位置的选择、各部件的连接等。
3.参数设置3.1 参数列表本章列出了三菱变频器的所有参数并进行了详细解释,使用户能够理解各个参数的作用和影响。
3.2 参数设置步骤本章指导用户如何正确设置三菱变频器的参数,包括基本参数、高级参数等。
4.运行与调试4.1 运行前检查本章介绍用户在运行前需要进行的检查工作,以确保三菱变频器能够正常工作。
4.2 运行控制本章详细介绍了三菱变频器的运行控制方式,包括运行命令、运行状态显示等。
4.3 调试与故障排除本章指导用户在使用过程中如何进行调试和故障排除,以及常见故障的解决方法。
5.维护与保养5.1 维护周期本章介绍了三菱变频器的常规维护周期,并指导用户如何进行相应的维护工作。
5.2 维护项目本章列出了三菱变频器的维护项目,包括清洁、检查、润滑等。
6.附件本文档包含以下附件:附件1:三菱变频器安装示意图附件2:三菱变频器参数表法律名词及注释:1.变频器:全称为变频调速器,是一种用于控制电机转速的装置,通过改变供电频率来实现电机转速的调节。
2.参数设置:指根据实际需求对变频器内部的各项参数进行调整,以适应不同的工作场景和要求。
3.运行控制:指对变频器进行各种运行命令的输入和相应的状态显示,用于控制电机的启停和转速等。
4.维护与保养:指对变频器进行定期的检查和保养,以保证其正常运行和延长使用寿命。
三菱通用变频器使用手册FR-A740-0.4K~500K-CHT0 安全注意事项1. 防止触电•当通电或正在运行时,请不要打开前盖板,否则可能会发生触电。
•在前盖板及接线板拆下时请不要运行变频器,否则可能会接触到高电压端子和充电部分而造成触电事故。
•即使电源处于断开时, 除布线, 定期检查外,请不要拆下前盖板。
否则,由于接触变频器带电回路可能造成触电事故。
•布线或检查,请在断开电源,经过10分钟以后,用万用表等检测剩余电压以后进行。
切断电源后一段时间内电容器仍然有电,非常危险。
•变频器请务必良好接地。
•包括布线或检查在内的工作都应由专业技术人员进行。
•应在安装后进行布线,否则会造成触电或受伤。
•请不要用湿手操作开关,以防止触电。
•对于电缆, 请不要损伤它, 对它加上过重的应力, 使它承载重物或对它钳压。
否则可能会导致触电。
•请勿在通电中进行通风扇的更换,否则会发生危险。
•不要用湿手碰触底板,否则可能会导致触电。
2. 防止火灾•变频器请安装在不可燃物体上,直接安装在易燃物上或靠近易燃物品,会导致火灾。
•变频器发生故障时,请在变频器的电源侧断开电源。
若持续地流过大电流,会导致火灾。
•使用制动电阻器时,请用异常信号切断电源。
否则可能由于制动晶体管的故障等导致制动电阻器异常发热,从而可能引起火灾。
•在直流端子P/+,N/-上请勿直接连接电阻器。
否则可能会引起火灾。
3. 防止损伤•各个端子上加的电压只能是使用手册上所规定的电压,以防止爆裂,损坏等等。
•确认电缆与正确的端子相连接,否则会发生爆裂,损坏等等事故。
•始终应保证正负极性的正确,以防止爆裂,损坏等等。
•正在通电或断开电源不久,请不要接触它,因为变频器温度较高,会引起烫伤。
4. 其它注意事项请注意以下事项以防止意外的事故,受伤,触电等:(1) 搬运和安装•当搬运产品时,请使用正确的升降工具以防止损伤。
•变频器包装箱堆叠层数不要高于限定的以上。
•确认安装位置和物体能经得起变频器的重量,安装时应按照使用手册的说明。
三菱变频器说明书三菱变频器说明书选型方法由于电力电子技术的不断发展和进步,新的控制理论提出与完善,是交流调速传动、尤其是采用性能优异的三菱变频调速传动得到了飞速发展,因此在实际工作中采用三菱变频器+ 变频电机的情况越来越多,因此如何正确选择三菱变频器对机械设备的正常调试运行至关重要,选型方法如下:1、根据机械设备的负载转矩特性来选择三菱变频器在实践中常常将机械设备根据负载转矩特性不同,分为如下三类:(1) 恒转矩负载(2) 恒功率负载(3)流体类负载2、根据负载特性选取适当控制方式的三菱变频器三菱变频器的控制方式主要分为: V/f控制,包括开环和闭环;矢量控制,包括无速度传感器和带速度传感器控制; 直接转矩控制;三种方式的优缺点如下:(1)V/f 开环控制优点:结构简单,调节容易,可用于通用鼠笼型异步电机;缺点:低速力矩难保证,不能采用力矩控制,调速范围小;主要采用场合:一般的`风机,泵类节能调速或一台变频器带多台电机传动场合。
(2)V/f闭环控制优点:结构简单,调速精度比较高,可用于通用性异步电机;缺点:低速力矩难保证,不能采用力矩控制,调速范围小,要增加速度传感器;主要采用场合:用于保持压力,温度,流量,PH定值等过程场合。
(3) 无速度传感器的矢量控制优点:不需要速度传感器,力矩响应好、结构简单,速度控制范围较广;缺点:需要设定电机参数,须有自动测试功能;采用场合:一般工业设备,大多数调速场合。
(4)带有速度传感器的矢量控制优点:力矩控制性能良好,力矩响应好,调速精度高,速度控制范围大;缺点:需要正确设定电机参数,需要自动测试功能,要高精度速度传感器;使用场合:要求精确控制力矩和速度的高动态性能应用场合。
(5) 直接转矩控制优点:不需要速度传感器,力矩响应好,结构较简单,速度控制范围较大;缺点:需要设定电机参数,须有自动测试功能;采用场合:要求精确控制力矩的高动态性能应用场合,如起重机、电梯、轧机等。
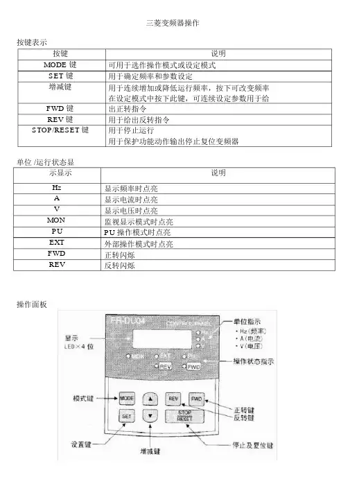
按键表示按键MODE 键SET 键增减键FWD 键REV 键STOP/RESET 键单位 /运行状态显示显示HzAVMONPUEXTFWDREV操作面板三菱变频器操作说明可用于选作操作模式或设定模式用于确定频率和参数设定用于连续增加或降低运行频率,按下可改变频率在设定模式中按下此键,可连续设定参数用于给出正转指令用于给出反转指令用于停止运行用于保护功能动作输出停止复位变频器说明显示频率时点亮显示电流时点亮显示电压时点亮监视显示模式时点亮PU 操作模式时点亮外部操作模式时点亮正转闪烁反转闪烁1按 MODE 键改变监视状态单次按 MODE 键,将一次切换到监视模式、频率设定模式、参数设定模式、运行模式、帮助模式。
2显示监视器显示运转中的指令1)EXT 指示灯亮表示外部操作2)PU 指示灯亮表示 PU 操作3)EXT 和 PU 灯同时亮表示 PU 和外部操作组合方式注: 1)按 SET 键超过 1.5 秒能把电流监视模式改为上电监视模式2)在报警监视模式按SET 键超过 1.5 秒能显示最近 4 次的错误指示进入参数设定模式1、更改参数P77(参数写入禁止选择)为2。
2、更改参数P79(操作模式选择):按现场实际控制方式选择。
(一般设定为3--外部和 PU组合方式设定)。
3、设定参数P1(上限频率,一般为50hz)、参数P7(加速时间)、参数P8(减速时间)、参数 P9(电子过电流保护— 1.1 倍电机额定电流)。
升降段注意多段速频率设定,根据端子接线情况设定是使用高P4、中 P5、低 P6 哪两个参数设定。
4、在参数写入时应按住SET 键 1.5 秒写入设定值并更新。
5、如在设定时依旧有问题可查找说明书的出错对策。
参数拷贝和复制出错(报警)定义操作面板显示 E.OC1名称内容检查要点加速时过电流断路加速运行中,当变频器输出电流超过额定电流的200%时,保护回路动作,停止变频器输出仅给 R1,S1 端子供电,输入启动信号时,也为此显示是否急加速运转输出是否短路主回路电源( R,S,T)是否供电处理延长加速时间起动时, E.OC1 总是点亮的情况下,拆下电机再启动主回路电源( R,S,T)是否供电操作面板显示 E.OC2名称定速时过电流断路内容定速运行中,当变频器输出电流超过额定电流的 200%时,保护回路动作,停止变频器输出检查要点负荷是否有急速变化输出是否短路处理取消负荷的急速变化操作面板显示 E.OC3名称减速时过电流断路内容减速运行中(加速、定速运行之外),当变频器输出电流超过额定电流的200%时,保护回路动作,停止变频器输出检查要点是否急减速运转输出是否短路电机的机械制动是否过早处理延长减速时间检查制动动作操作面板显示 E.OV1名称加速时再生过电压断路内容因再生能量,使变频器内部的主回路直流电压达到规定值的85%时,预报警(显示 RB),超过规定值时,保护回路动作,停止变频器输出,电源系统里发生的浪涌电压也可能引起动作检查要点加速度是否太缓慢处理缩短加速时间操作面板显示 E.OV2名称定速时再生过电压断路内容因再生能量,使变频器内部的主回路直流电压达到规定值的85%时,预报警(显示 RB),超过规定值时,保护回路动作,停止变频器输出,电源系统里发生的浪涌电压也可能引起动作检查要点负荷是否有急速变化处理取消负荷的急速变化必要时,请使用制动单元或电源再生变换器操作面板显示 E.OV3名称减速,停止时再生过电压断路内容因再生能量,使变频器内部的主回路直流电压达到规定值的85%时,预报警(显示 RB),超过规值时,超过规定值时,保护回路动作,停止变频器输出,电源系统里发生的浪涌电压也可能引起动作检查要点是否急减速运转处理延长减速时间减少制动频度必要时,请使用制动单元或电源再生变换器操作面板显示 E.THM名称电机过负荷断路(电子过流保护)内容过负荷以及定速运行时,由于冷却能力的低下,造成电机过热,变频器的内置电子过流保护检测达到设定值的85%时,预报警(显示TH),达到规定值时,保护回路动作,停止变频器输出,多极电机或两台以上电机运行时,电子过流保护不能保护电机,请在变频器输出侧安装热继电器检查要点电机是否在过负荷状态下使用处理减轻负荷恒转矩电机时,把 PR.71 设定为恒转矩电机操作面板显示 E.THT名称变频器过负荷断路(电子过流保护)内容如果电流超过额定电流的 150%,而未到过电流切断( 200%以下)时,为保护输出晶体管,用反时限特性,使电子过流保护动作,听同志变频器输出(过负荷承受能力 150% 60s)检查要点电机是否在过负荷状态下使用处理减轻负荷操作面板显示 E.IPF名称瞬时停电保护内容停电超过 15ms(与变频器输入切断一样)时,为防止控制回路误动作,瞬时停电保护功能动作,停止变频器输出,此时,异常警报输出检点为打开( B-C)和闭合( A-C )如果停电持续时间超过 100ms,报警不输出,如果电源恢复时,启动信号是 ON,变频器将再启动(如果瞬时停电再 15ms 以内,变频器仍然运行)检查要点调查瞬时停电发生的原因处理修复瞬时停电准备瞬时停电的备用电源设定瞬时停电再启动的功能操作面板显示 E.UVT名称欠压保护内容如果变频器的电源电压下降,控制回路可能不能发挥正常功能或引起电机的转矩不足,发热的增加,为此,当电源电压下降到300V 以下时,停止变频器输出如果 P/+,P1 之间没有短路片,则欠电压保护功能动作检查要点有无大容量的电机启动P/+,P1 之间是否接有短路片或直流电抗器处理检查电源灯电源系统设备在 P/+,P1 之间连接短路片或直流电抗器操作面板显示 E.FIN名称散热片过热内容如果散热片过热,温度传感器动作,使变频器停止输出检查要点周围温度是否过高冷却散热片是否堵塞处理周围温度调节到规定范围内操作面板显示 E.GF名称输出侧接地故障过电流保护内容当变频器的输出侧(负荷侧)发生接地,流过接地电流时,变频器停止输出检查要点电机,连接线是否接地处理排除接地的地方操作面板显示 E.OHT名称外部热继电器动作内容为防止电机过热,安装在外部热继电器或电机内部安装的温度继电器动作(接点打开)时,使变频器输出停止。
变频器的操作和运行1、变频器操作面板的使用变频器操作面板作为一种人机界面,是变频器接受命令和显示参数的主要单元。
图1 操作面板图2、变频器操作面板按键功能变频器操作面板上有7 个按键和1 个旋钮,功能定义如表1 所示。
表1 掌握面板按键功能表3、变频器操作面板指示灯说明变频器操作面板设有6 个指示灯,每个指示灯的指示作用说明如表2指示灯名称含义单位灯Hz频率指示亮:当前显示参数为运行频率或当前功能码单位为频率闪:当前显示参数为设定频率A电流指示亮:当前显示参数为电流V电压指示亮:当前显示参数为电压Hz+A转速指示亮:当前显示参数为运行转速闪:当前显示参数为设定转速A+V百分比指示亮:当前显示参数为百分比全灭无单位无单位状态灯RUN运行状态指示亮:运行灭:已停机闪:正在停机FWD正转指示亮:停机状态时,有正转运行命令运行状态时,变频器正转方向运行闪:正在由正转切换到反转REV反转指示亮:停机状态时,有反转运行命令运行状态时,变频器反转方向运行闪:正在由反转切换到正转表2 指示灯说明4、变频器面板电位器给定说明变频器面板电位器可作为频率给定和过程PID 给定,通过相关功能码的设置完成。
b0-01 设为3(设置方法参)考功能码参数的设置方法)时,变频器面板电位器为主频率给定。
b0-03 设为4,面板电位器为辅频率给定。
当b1-01的个、十或百位有设置成 4 时,面板电位器作为相应命令通道的频率给定绑定方式。
变频器面板电位器为过程PID给定时,将F0-00 设置成2。
5、变频器提示信息状态某些操作会显示提示信息状态。
例如恢复出厂参数(含电机)时就会进入“dEFt2”提示信息状态。
提示信息字符及各个字符的详细含义参见表3。
提示符号含义提示符合含义LoC-1操作面板锁定1(全锁定)P-SEt密码已设定LoC-2操作面板锁定2(除RUN,STOP/RESET外全锁定)P-CLr密码已清除LoC-3操作面板锁定3(除STOP/RESET外全锁定)TUNE电机参数辨识中LoC-4操作面板锁定4(除移位键外全锁定)CLr-F清除故障信息PrtCt操作面板爱护dEFt1恢复出厂参数(不含电机)UnLoC操作面板锁定清除dEFt2恢复出厂参数(含电机)LoU变频器欠压表3 提示字符表6、变频器功能码参数设置方法(1)功能码体系变频器功能码组:A0、b0~b2、C0~C4、d0~d2、E0~E1、F0~F1、H0、L0~L1、U0~U1,每个功能码组内包括若干功能码。
TMEIC高压变频操作规程和注意事项一、 变频正常运行操作规程(一定要采用远方控制方式)A)送电及运行程序1)首先合变频器的380V AC控制电源,确认变频器初始化正常,显示故障代码页面,显示没有高压电的信息,且报警/故障指示灯未亮。
2)变频器初始化完成后,合高压电之前,首先按下键盘上的红色“急停”按钮,防止可能的高压上电后电机立即启动。
3)检查并确认键盘上的液晶显示器上控制模式显示为“R”(REMOTE 远方),表示变频器为远控。
4)送高压电后释放变频器键盘上的“急停”按钮(红色),急停按钮上的红灯熄灭,键盘上的“READY”(准备好)灯应点亮。
5)启动电机前确认风门入口处于全关闭位置,防止风机反转。
6)确认DCS 画面上的“就绪”灯亮,按DCS 画面上的“启动”钮,电机开始升速,调节速度到一定值(如60%)后,将风门慢慢打开至“全开”位置。
7)根据工艺需要在DCS上手动调节速度大小来满足风量要求。
速度达到30Hz 以上,风机出口压力达到要求值后可以将DCS投入自动,作到无扰动转自动的切换。
B)停机及断电顺序1)首先关闭入口风门,然后按下DCS 画面上的“停止”按钮。
电机开始自由滑行。
2)将变频器键盘上的“急停”按钮按下,防止误启动。
3)变频器准备较长时间停运时(比如说几十分钟以上),可以先断开进线高压断路器。
4)根据需要断开变频器的控制电源(比如说要停机几小时以上)。
临时停机可以不断高压电源,短时间停机可以不断380V控制电源。
二、 工频运行操作规程1)DCS发送停止指令,停止变频器2)分上级断路器,并抽出至试验位置,合接地刀3)断开变频器控制柜内的380V控制电源。
4)确认出线刀闸完全断开的情况下,而且入口风门完全关闭的情况下,合工频刀闸,然后合上级断路器。
其他注意事项:1.变频器短时间禁止运行时,以及合高压电之前,应按下操作面板上的红色按钮,变频器进入内部自锁状态,任何一方都不能进行启动和停止的操作。
三菱变频器说明书当变频器用于控制并联的几台电机时,一定要考虑变频器到电动机的电缆的长度总和在变频器的容许范围内。
如果超过规定值,要放大一档或两档来选择变频器。
本文是品才网.精心收集的三菱变频器相关内容,仅供参考!选型方法由于电力电子技术的不断发展和进步,新的控制理论提出与完善,是交流调速传动、尤其是采用性能优异的三菱变频调速传动得到了飞速发展,因此在实际工作中采用三菱变频器+ 变频电机的情况越来越多,因此如何正确选择三菱变频器对机械设备的正常调试运行至关重要,选型方法如下:1、根据机械设备的负载转矩特性来选择三菱变频器在实践中常常将机械设备根据负载转矩特性不同,分为如下三类:(1) 恒转矩负载(2) 恒功率负载(3)流体类负载2、根据负载特性选取适当控制方式的三菱变频器三菱变频器的控制方式主要分为: V/f控制,包括开环和闭环;矢量控制,包括无速度传感器和带速度传感器控制; 直接转矩控制;三种方式的优缺点如下:(1)V/f 开环控制优点:结构简单,调节容易,可用于通用鼠笼型异步电机;缺点:低速力矩难保证,不能采用力矩控制,调速范围小;主要采用场合:一般的风机,泵类节能调速或一台变频器带多台电机传动场合。
(2)V/f闭环控制优点:结构简单,调速精度比较高,可用于通用性异步电机;缺点:低速力矩难保证,不能采用力矩控制,调速范围小,要增加速度传感器;主要采用场合:用于保持压力,温度,流量,PH定值等过程场合。
(3) 无速度传感器的矢量控制优点:不需要速度传感器,力矩响应好、结构简单,速度控制范围较广;缺点:需要设定电机参数,须有自动测试功能;采用场合:一般工业设备,大多数调速场合。
(4)带有速度传感器的矢量控制优点:力矩控制性能良好,力矩响应好,调速精度高,速度控制范围大;缺点:需要正确设定电机参数,需要自动测试功能,要高精度速度传感器;使用场合:要求精确控制力矩和速度的高动态性能应用场合。
(5) 直接转矩控制优点:不需要速度传感器,力矩响应好,结构较简单,速度控制范围较大;缺点:需要设定电机参数,须有自动测试功能;采用场合:要求精确控制力矩的高动态性能应用场合,如起重机、电梯、轧机等。
实训十六变频器功能参数设置与操作
一、实训目的
了解并掌握变频器面板控制方式与参数的设置
二、变频器面板图
数才有效。
五、实训过程
1.设定频率运行(例:在50Hz状态下运行)。
操作步骤如下:
(1)接通电源,显示监示显示画面。
(2)按键设定PU操作模式。
(3)旋转设定用旋钮,直至监示用3位LED显示框显示出希望设定的频率,约5秒闪灭。
(4)在数值闪灭期间按键设定频率数。
此时若不按键,闪烁5秒后,显示回到0.0。
还需重复“操作3”,重新设定频率。
(5)约闪烁3秒后,显示回到0.0状态,按键运行。
(6)变更设定时,请进行上述的3、4的操作。
(从上次的设定频率开始)
(7)按键,停止运行。
2.参数设定(例:把Pr.7的设定值从“5秒”改为“10秒”)。
操作步骤如下:(1)接通电源,显示监示显示画面。
(2)按键选中PU操作模式,此时PU指示灯亮。
(3)按键进入参数设置模式。
(4)拨动设定用按钮,选择参数号码,直至监示用三位LED显示P 7。
(5)按键读出现在设定的值。
(出厂时默认设定值为5)
(6)拨动设定用按钮,把当前值增加到10。
(7)按键完成设定值。
六、思考题
(1)设定频率时,有时会出现不能在设定的频率下运行,为什么?找出问题并加以解决。
(2)能不能在运行中写入各个参数?操作并记录结果。
第一章FR-E540变频器使用说明一、FR—E540变频器(一)FR—E540变频器简介FR—E540变频器是日本三菱公司为了适应现代工厂自动化进程而开发的一种新型多用途变频器。
它除保持了以往三菱变频器功能强大、操作便捷等优点之外,还可以应用于现代工业各种控制网络中,以便发挥更大的远程控制功能,从而实现智能化工厂(Smart Factory)的目标。
(二)参数说明功能参数号名称设定范围最小设定单位出厂设定基本功能0 转矩提升0~~30% 0.1% 6%/4%1 上限频率0~~120Hz 0.01 Hz 120Hz2 下限频率0~~120Hz 0.01 Hz 0Hz3 基波频率0~~400Hz 0.01 Hz 50Hz4 三速设定(高速)0~~400Hz 0.01 Hz 50Hz5 三速设定(中速)0~~400Hz 0.01 Hz 30Hz6 三速设定(低速)0~~400Hz 0.01 Hz 10Hz7 加速时间0~3600s/0~360s 0.1s/0.01s 5s/10s8 减速时间0~3600s/0~360s 0.1s/0.01s 5s/10s9 电子过电流保护0~~500A 0.01A 额定输出电流79 操作模式选择0~4, 0~8 1 0注:其他功能参数参见FR—E540变频器操作手册。
二、FR—PA02—02操作面板(一)FR—PA02—02用于FR-E540变频器运行、频率的设定,运行指令监视,参数设定及错误显示等。
其面板图如下:各键表示按键说明RUN键正转运行指令键MODE键可用于选择操作模式或设定模式SET键用于确定频率和参数的设定上下键用于连续增加或降低运行频率在设定模式中按下此键,则可以连续设定参数FWD键用于给出正转指令REV键用于给出反转指令STOP/ERSET键用于停止运行用于保护功能动作输出停止时复位变频器单位表示,运行状态表示表示说明Hz 表示频率时,灯亮A 表示电流时,灯亮RUN 变频器运行时灯亮。
三菱通用变频器使用手册FR-A740-0.4K~500K-CHT0 安全注意事项1. 防止触电•当通电或正在运行时,请不要打开前盖板,否则可能会发生触电。
•在前盖板及接线板拆下时请不要运行变频器,否则可能会接触到高电压端子和充电部分而造成触电事故。
•即使电源处于断开时, 除布线, 定期检查外,请不要拆下前盖板。
否则,由于接触变频器带电回路可能造成触电事故。
•布线或检查,请在断开电源,经过10分钟以后,用万用表等检测剩余电压以后进行。
切断电源后一段时间内电容器仍然有电,非常危险。
•变频器请务必良好接地。
•包括布线或检查在内的工作都应由专业技术人员进行。
•应在安装后进行布线,否则会造成触电或受伤。
•请不要用湿手操作开关,以防止触电。
•对于电缆, 请不要损伤它, 对它加上过重的应力, 使它承载重物或对它钳压。
否则可能会导致触电。
•请勿在通电中进行通风扇的更换,否则会发生危险。
•不要用湿手碰触底板,否则可能会导致触电。
2. 防止火灾•变频器请安装在不可燃物体上,直接安装在易燃物上或靠近易燃物品,会导致火灾。
•变频器发生故障时,请在变频器的电源侧断开电源。
若持续地流过大电流,会导致火灾。
•使用制动电阻器时,请用异常信号切断电源。
否则可能由于制动晶体管的故障等导致制动电阻器异常发热,从而可能引起火灾。
•在直流端子P/+,N/-上请勿直接连接电阻器。
否则可能会引起火灾。
3. 防止损伤•各个端子上加的电压只能是使用手册上所规定的电压,以防止爆裂,损坏等等。
•确认电缆与正确的端子相连接,否则会发生爆裂,损坏等等事故。
•始终应保证正负极性的正确,以防止爆裂,损坏等等。
•正在通电或断开电源不久,请不要接触它,因为变频器温度较高,会引起烫伤。
4. 其它注意事项请注意以下事项以防止意外的事故,受伤,触电等:(1) 搬运和安装•当搬运产品时,请使用正确的升降工具以防止损伤。
•变频器包装箱堆叠层数不要高于限定的以上。
•确认安装位置和物体能经得起变频器的重量,安装时应按照使用手册的说明。
三菱变频器操作简单说明下面是三菱变频器的操作简单说明,包括安装、连接、参数设置和故障处理等方面的内容。
一、安装和连接1.将变频器安装在通风良好的位置,确保周围环境温度在0℃-40℃之间。
2.确保变频器的电源符合要求,一般为三相380V电源。
3.将电机连接到变频器的输出端子,注意将三相电源线正确连接到相应的输出端子上。
4.将变频器的控制线连接到PLC或其他控制设备上。
确保连接正确,可根据变频器的接线图进行操作。
二、参数设置1.在变频器上按下“MODE”键,进入参数设置模式。
2.使用上下、左右方向键选择参数值,并按下“ENTER”键进行确认。
3.设置基本参数,如电源频率、电机额定转速等。
4.设置控制模式,如速度控制、转矩控制等。
根据实际需求选择相应的模式。
5.根据实际情况进行其他参数的调整,如过载保护、过电流保护等。
6.完成参数设置后,按下“EXIT”键退出设置模式。
三、操作和调试1.启动变频器时,首先将电机的运行指示灯设置为“ON”,然后按下启动键。
2.根据需要改变电机的运行速度,可通过上下方向键或直接输入数字进行调整。
3.在运行过程中,通过监测变频器的输出电流和频率来判断电机的工作状态。
保持合理的电流和频率可以延长电机的使用寿命。
4.可根据实际需要使用变频器的保护功能,如过载保护、过电流保护等。
当变频器检测到异常时,会自动停止电机的运行,并显示相应的故障代码。
5.调试变频器时,可以通过增加或减少输出频率来观察电机的响应情况。
根据实际情况进行调整,使电机运行在理想状态。
四、故障处理1.当变频器出现故障时,首先应当停止电机的运行,并观察变频器面板上的故障代码。
2.根据故障代码,查找变频器的故障处理手册。
手册上会提供故障代码的解释和相应的处理方法。
3.根据手册的指导,对故障进行排除。
可以检查电源供应、连接线路、参数设置等方面的问题。
总结:三菱变频器在现代工业自动化控制系统中起着重要的作用。
只有正确操作和设置,才能保证变频器和电机的正常运行。
变频器按键作用及运行方法熟悉变频器的操作键。
一般的变频器均有运行(RUN)、停止(STOP)、编程(PROG)、数据P确认(DATAPENTER)、增加(UP、▲)、减少(DOWN、')等6个键,不同变频器操作键的定义基本相同。
一、变频器的空载通电验1将变频器的接地端子接地。
2将变频器的电源输入端子经过漏电保护开关接到电源上。
3检查变频器显示窗出厂显示是否正常,如果不正确,应复位,否则要求退换。
4熟悉变频器的操作键。
一般的变频器均有运行(RUN)、停止(STOP)、编程(PROG)、数据P确认(DATAPENTER)、增加(UP、▲)、减少(DOWN、')等6个键,不同变频器操作键的定义基本相同。
此外有的变频器还有监视(MONITORPDISPLAY)、复位(RESET)、寸动(JOG)、移位(SHIFT)等功能键。
二、变频器带电机空载运行1.设置电机的功率、极数,要综合考虑变频器的工作电流。
2.设定变频器的最大输出频率、基频、设置转矩特性。
通用变频器均备有多条VPf曲线供用户选择,用户在使用时应根据负载的性质选择合适的VPf曲线。
如果是风机和泵类负载,要将变频器的转矩运行代码设置成变转矩和降转矩运行特性。
为了改善变频器启动时的低速性能,使电机输出的转矩能满足生产负载启动的要求,要调整启动转矩。
在异步电机变频调速系统中,转矩的控制较复杂。
在低频段,由于电阻、漏电抗的影响不容忽略,若仍保持VPf为常数,则磁通将减小,进而减小了电机的输出转矩。
为此,在低频段要对电压进行适当补偿以提升转矩。
一般变频器均由用户进行人工设定补偿。
3.将变频器设置为自带的键盘操作模式,按运行键、停止键,观察电机是否能正常地启动、停止。
4.熟悉变频器运行发生故障时的保护代码,观察热保护继电器的出厂值,观察过载保护的设定值,需要时可以修改。
变频器的使用人员可以按变频器的使用说明书对变频器的热继电器功能进行设定。