GPS控制测量各种要求规范限差
- 格式:doc
- 大小:309.00 KB
- 文档页数:11
D级GPS控制测量技术要求1、D级GPS控制网的网型设计GPS控制网的网型设计,是保证控制网精度的基础;首先考虑起算点的位置和图形强度,遵循从整体到局部、分级布网的原则进行布设;D级GPS控制网中不要求每点之间通视,整个控制网中应联测不少于3个高等级已知点,并根据需要联测一定数量的高程点;D级GPS控制网最简独立闭合环或附合路线边数及相邻点之间的平均距离如下表:相邻点最小距离可为平均距离的1/3-1/2;最大距离可为平均距离的2-3倍;2、D级GPS控制网选点埋石D级GPS控制网选点埋石必须遵守下列原则,并按下列规定进行;1. 选点人员应收集测区地质资料,实地勘察选定点位;同时考察卫星通视环境与电磁干扰环境,确定可用标石类型、记录点之记有关内容,实地树立标志牌等;选点埋石所占用的土地,应得到土地使用者或管理者的同意;2.点位应选择在稳定坚实的基岩、岩石、土层、建筑物顶部等能长期保存、满足观测条件的地点,并做好选点标记;点位尽可能位于地面,城区内应尽量选在楼顶上,以便于保存和通视;点位应尽量选在交通便利,方便观测的位置;3.选点时应避开环境变化大,测量标志难以永久保存的地点,如易受水淹的河床、低地、靠近铁路、公路、已规划的易受施工影响有剧烈震动的地点;点位离开铁路的距离应不小于100m;4. 选点时应避开地质环境不稳定的地区,如断裂破碎带边缘、易发生洪水、滑坡、岩崩区、局部沉降区,有大量物质搬移的矿区、采石场、大量取土、地下水剧烈变化的地点;5.选点时应远离发射功率强大的无线发射源、微波信道、高压线等,距离不小于200米,应远离高压输电线和微波无线电传送通道,其距离不得小于50米;并应实地了解发射源和电磁波影响状况,标注在点之记环视图上;6.选点时应避开多路径环境影响,避免靠近水面、树冠、高大建筑物、低洼潮湿等地点,应保证15°以上无遮挡;50米以内的各种固定与变化反射体应标注在点之记环视图上;7.选点时应设计水准联测路线,对于要联测等级水准的GPS控制点,尤其是当点位处于河流、湖泊、水库的边缘时,在其位置选择上一定要考虑其水准联测的可能性;8.标石类型:地面采用GB/T 18314-2009全球定位系统GPS测量规范中的混凝土普通标石i,楼顶采用建筑物上标石j;9.点位标志①中心标志:采用长10cm、直径4cm的铜质或不锈钢标志;在金属标志的正中位置用小钻头凿刻深2.0mm、粗1.0mm的小洞作为GPS观测的对中点;在标志面刻绘“D级GPS点国土资源局”字样;②标石规格:标石类型如下图所示:10.D级GPS点的命名应尽量采用所在地的村、单位、地理名称等命名,利用旧点位的应尽量利用原名称;D级GPS点的编号按D01、D02等编排,其中:D代表等级, 01是顺序号;11.点之记在埋石工作完成后按统一格式对点之记进行绘制和整理,采用标准A4纸张打印输出,确保点之记内容完整、格式统一、整齐美观;点之记中的交通路线图、交通情况、点位略图及点位说明要尽可能多地增加找点信息,以便查找点位,并力求简单明了、语言精练;3、野外观测1.野外观测的准备工作① D级GPS控制网的野外观测仪器应满足下表的要求:② GPS接收机应经省级测绘仪器设备检验鉴定机构校准合格,持证投入生产;开工前还应对GPS接收机按GB/T 18314-2009全球定位系统GPS 测量规范9.1-9,4的要求进行检视、检验、校验;③作业前根据作业的接收机台数,选择合理的网形布设路线;2.野外观测的基本技术要求D级GPS控制网的野外观测的基本技术要求应符合下表的规定:3.天线安置应符合下列要求:①用三脚架安置天线时一定要严格整平、对中,对中误差不应大于3mm;②天线高量测时,测前测后各量一次天线高,读数精确至1mm,当互差小于3mm后,取中数采用,否则,应重新架设、整平仪器,量取天线高;③ GPS接收机开机经检验有关指示灯与仪表显示正常后,方可开启记录键开始观测;④观测期间,不得在天线附近50m以内使用电台,严禁10m以内使用对讲机和手机;4.D级GPS测量记录① D级GPS测量记录手簿应采用统一印制的观测手簿进行记录,并应根据点位周围环境变化的情况更新点之记,其内容应包括观测时间、测站号、测站名称及接收机号等,观测手簿应用2H铅笔或碳素墨水填写;②观测原始数据要转换为RINEX格式文件,且RINEX文件应满足下列要求:a.保证数据文件中测站点名及其它信息的正确性;b.保证数据文件中天线高的正确性,要求与手簿记录中的一致;c.确保文件名的正确性和唯一性;d.最新的有效版本;③无论原始观测数据,还是RINEX格式数据均要求做备份,应用光盘或优盘复制一套,另一套保存在计算机硬盘中;④数据的存储介质要求有明确的标识,其内容主要为:生产单位名称、测站名称或测站编号、施测年代、观测年月日等;⑤测站上所有规定作业项目经认真检查均符合要求,记录资料完整无缺,将点位恢复原状后方可迁站;4、数据处理1.外业观测数据处理D级GPS控制网的野外数据处理宜利用GPS接收机的随机软件,按原码采用双差相位观测值进行基线解算,采用双差固定解作为最终结果;外业观测采集的数据应转成RINEX格式进行备份;2. 外业观测数据质量检核①相邻点间基线长度精度用下式表示:σ = ±22)a*b(d式中:σ—标准差基线向量的弦长中误差mma —固定误差=5mmb —比例误差系数=1ppmd —相邻点间距离km② 同一时段观测值的数据剔除率,其值宜小于10%;③ 同步环闭合差应满足下表要求:同步环坐标分量及环线全长相对闭合差的限定1×10-6④ 独立闭合环或闭合路线坐标闭合差应满足:Wx ≤3n σWy ≤3n σWz ≤3n σWs ≤3n 3σ式中:n 为闭合环边数;σ—相应级别规定的精度按实际平均边长计算;Ws=222z y x W W W ++⑤ 复测基线的长度较差ds,两两比较应满足:ds ≤22σσ—相应级别规定的精度按实际平均边长计算;5、重测和补测1.无论何种原因造成一个控制点不能与两条合格独立基线相连结,则在该点上应补测或重测不得少于一条独立基线;2.可以舍弃在复测基线边长较差、同步环闭合差、独立环闭合差检验中超限的基线,但应当保证舍弃基线后的独立环所含基线数,不得超过规程规定,当超过规定要求时,应重测该基线或有关的同步图形;3.由于点位不符合GPS测量要求而造成一个测站多次重测仍不能满足各项限差技术规定时,可以按设计的要求另增选新点进行重测;6、平差计算在基线向量检验符合要求后,按照GB/T 18314-2009全球定位系统GPS 测量规范的要求,进行GPS网的无约束平差和约束平差;平差计算可使用随机商用软件,但必须保证数据的准确性;1.无约束平差无约束平差以三维基线向量及其相应方差—协方差阵作为观测信息,以一个点的WGS-84系三维坐标为起算依据,进行GPS网的无约束平差;平差结果须提供各点在WGS-84系下的三维坐标、各基线向量及其改正数和其精度信息;无约束平差中,各基线分量改正数绝对值应满足:V△x≤ 3σV△y≤ 3σV△z≤ 3σ式中:σ—相应级别规定的精度按网的实际平均边长计算;否则,认为该基线或附近的基线存在粗差,应在平差中采用软件提供的自动方法或人工方法剔除,直至上式满足;2. 约束平差利用无约束平差后的可靠观测量,在1980西安坐标系下进行三维约束平差或二维约束平差;平差中,对已知点坐标、已知距离和已知方位,可以强制约束,也可以加权约束;平差结果应输出在相应坐标系中的三维或二维坐标、基线向量改正数、基线边长、方位、转换参数及其精度信息;约束平差中,基线分量的改正数与无约束平差结果的同一基线相应改正数较差的绝对值应满足:dV⊿x≤2σdV⊿y≤2σdV⊿z≤2σ式中:σ—相应级别规定的精度按网的实际平均边长计算;否则,认为作为约束的已知坐标,已知距离、已知方位中存在一些误差较大的值应自动或人工的方法剔除这些误差较大的约束值,直至上式满足;。
第一部分茅荆坝(蒙冀界)至承德公路(第15标)控制网复测技术设计书一、编制依据及技术标准(1 )、《大广高速公路蒙冀界至承德高速公路GPS控制网成果表》(设计院交给的)(2)、《全球定位系统(GPS)铁路测量规程》(TB10054)(3)、《工程测量规范》(GB50026-2007)(4)、《国家三四等水准测量规范》(GB/T12898-2009)(5 )、《公路勘测规范》(JTGC10-2007)二、平面GPS、四等水准加密方法与精度要求根据《全球定位系统(GPS)铁路测量规程》平面控制测量等级规定和本项目实际情况,隧道段控制网采用GPS观测方法时,精度按四等网技术要求施测。
为确保线路衔接的平顺性,加密点必须联测其相邻的GPS平面控制点。
平面加密控制网的施测精度控制按:加密GPS网最弱边相对中误差小于1/70000,基线边方向中误差不大于1.7〃的要求进行。
2.1具体精度控制标准GPS加密测量作业的基本技术要求2.2四等水准施测技术要求四等水准测量的主要技术标准见表 6.3-3.注:表中L为往返测段、符合或环线的水准路线长度,单位Km。
3.1 GPS复测组网实施为保证线路上所有控制点成果具有较高的可靠性和尽量保证点位精度的均匀性,平面控制网复测采用4太GPS接收机同时作业的观测模式,以此提高GPS观测网形的图形强度。
GPS 网各时段全部以边连接方式构网,形成由大地四边形组成的带状网。
3.2采用GPS测量方法的平面复测遵循与设计单位建网时相同的构网原则,本次GPS 方法的控制网复测组网以大地四边形为基本构网图形组成带状网,采用边联式构网。
实际外业测量必须遵循基线组网设计所确定的作业模式,并在接收机或控制器上配置GPS 外业观测参数,参与作业的接收机所配制的参数应相同。
每天出工之前,必须检查电池容量是否满足作业要求,数据存储设备应有足够的存储空间,仪器及其附件必须齐全。
天线安置应符合下列要求:—在开始GPS 外业观测前,必须确认天线安置基座的对中器合格,天线安置基座的对中精度要求为1mm。
1 分类方法一:A、B、C、D、E级1.1参考规范《全球定位系统GPS测量规范-2009》1.2 界面显示参数1.3 划分标准B、C、D和E级的精度应不低于表1的要求:表1.2布设原则:表1.3各级GPS网点位应均匀分布,相邻点间距离最大不宜超过网平均间距的2倍。
接收机的选用:表1.4级别 B C D、E单频/双频双频/全波长双频/全波长双频/单频观测量至少有L1、L2载波相位L1、L2载波相位L1载波相位同步观测机数≥4 ≥3 ≥2观测:表1.5级别级别B C D E卫星截止高度角/度10 15 15 15同时观测有效卫星数≥4 ≥4 ≥4 ≥4有效观测卫星总数≥20 ≥6 ≥4 ≥4 观测时段数≥3 ≥2 ≥1.6 ≥1.6时段长度≥23h ≥4h ≥60min ≥40min采样间隔30 10-30 5-15 5-15注1:计算有效观测卫星总数时,应该各时段的有效观测卫星扣除期间的重复卫星数注2:观测时段长度,应为开始纪律数据到结束记录的时间段注3:观测时段≥1.6,指采用网观测模式时,每站至少观测一时段,其中二次设站点数应不少于GPS网总点数的60%注4:采用基于卫星定位连续运行基准站点观测模式时,可连续观测,但观测时间应不低于表中规定的各时段观测时间的和数据处理(1)外业数据检核1)B级GPS网基线外业预处理和C、D、E级GPS网基线处理,复测基线的长度较差ds应满足公式1.1的规定:ds≦2σ (1.1)σ---为基线测量中误差,单位为毫米2)B、C、D、E级GPS网基线测量中误差σ采用外业测量时使用的GPS接收机的标称精度,计算时变长按实际平均边长计算。
3)B、C、D、E级GPS网同步环闭合差,不宜超过以下规定:三边同步环中只有两个同步边成果可以视为独立的成果,第三边成果应为其余两边的代数和。
由于模型误差和处理软件的内在缺陷,第三边处理结果与前两边的代数和常不为零,其差值应符合公式1.2≦≦≦(1.2)式中:σ----基线测量中误差,单位为毫米,计算按12.2.5规定执行。
一、控制网执行的技术标准1、全球定位系统(GPS)测量规范(GB/T 18314—2001),中华人民共和国国家标准;2、《国家三、四等水准测量规范》(GB12898-1991),中华人民共和国国家标准;3、技术设计书。
二、使用仪器测量采用的GPS接收机型号及其标称精度。
三、布网方案1、布网要求GPS网相邻点间基线中误差按下式计算:式中(mm)为固定误差;(ppm)为比例误差系数;(km)为相邻点间的距离。
GPS-E级网的主要技术要求应符合表1规定。
相邻点最小距离应为平均距离的1/2~1/3;最大距离应为平均距离的2~3倍。
注:当边长小于200m时,边长中误差应小于20mm。
2、布网原则与网形设计(1)GPS网应根据测区实际需要和交通状况进行设计。
GPS网的点与点间不要求每点通视,但考虑常规测量方法加密时的应用,每点应有1~2个通视方向。
(2)在布网设计中应顾及原有测绘成果资料以及各种大比例尺地形图的沿用,对凡符合GPS-E级网布点要求的旧有控制点,应充分利用其标石。
(3)GPS网应由若干个独立观测环构成,也可采用附合线路构成。
E级GPS 网中每个闭合环或附合线路中的边数应符合表2的规定。
非同步观测的GPS基线向量边,应按所设计的网图选定,也可按软件功能自动挑选独立基线构成环路。
(4)为求定GPS点在54北京坐标系中的坐标,应与当地54北京坐标系中的原有控制点联测,联测总点数不得少于3个。
(5)为了求得GPS网点正常高,应进行水准测量的高程联测,高程联测采用等级水准测量方法进行,联测的GPS-E级控制点且应均匀分布于网中。
四、选点与标石埋设1、选点在了解任务、目的、要求和测区自然地理条件的基础上,进行现场踏勘,最后进行选点。
选点应符合下列要求:(1)点位的选择应符合技术设计要求,并有利于其它测量手段进行扩展与联测;(2)点位的基础应坚实稳定,易于长期保存,并应有利于安全作业;(3)点位应便于安置接收设备和操作,视野应开阔,视场内周围障碍物的高度角一般应小于15°;(4)点位应远离大功率无线电发射源(如电视台、微波站等),其距离不得小于200m,并应远离高压输电线其距离不得小于50m,以避免周围磁场对卫星信号的干扰;(5)点位附近不应有对电磁波反射(或吸收)强烈的物体,以减少多路径效应的影响;(6)交通应便于作业,以提高作业效率;(7)应充分利用符合上述要求原有的控制点及其标石,但利用旧点时应检查旧点的稳定性、完好性,符合要求方可利用;(8)选好点后应按合理的方法给GPS点编号。
一、建筑变形测量I角对于特级水准观测的仪器不得大于10″,对于一二级水准观测仪器不得大于15″,铟瓦水准尺、尺垫。
二、城市测量规范1 平面控制光电测距导线的主要技术指标n测站数2 高程控制水准测量主要技术要求(mm)L—路线长度km,n—测站数水准仪视子准轴与水准管轴的夹角I,在作业前开始的第一周内每天测定一次,稳定后每隔15天测定一次。
二等测量I不大于15″,三、四等水准测量I不大于20″、尺垫。
水准观测的视线长度、前后视距差和视线高度(m)常规测图开阔地区每平方公里控制点密度(点/km2)光电测距图根导线测量要求图根光电测距极坐标法测量技术要求S为边长(km),H为基本等高距(m),D为测距边长(km),仪器和觇板高(棱镜中心高)精确量取至mm。
图根水准闭合差不得超过±40mm,山地千米超过16站时,不应超过±12mm。
简单计算配赋。
三、地下铁道、轻轨交通工程测量规范宜短于100米,2)精密导线点上只有两个方向时,按左、右角观测,左、右角平均值之和与360°的较差应小于4″。
3)在附合精密导线两端的GPS点上观测时,应联测两个高级方向,若只能观测到一个时,应增加测回数。
4)导线边应往返观测二个测回,每测回三次读数较差小于5mm,测回较差小于3mm,往返测平均值较差小于5mm。
5)气象数据每条边在一端测定一次。
精密导线按严密方法平差。
3 精密水准测量的观测方法:1 往测奇数站:后—前—前—后,2 返测奇数站:前—后—后--前偶数站:前—后—后--前。
偶数站:后—前—前—后。
三、铺轨基标测量1 一般规定1.1根据铺轨综合设计图,利用调整好的线路中线点或施工控制导线点和施工控制水准点测设铺轨基标,1.2铺轨基标测设时,应首先测设控制基标,后在控制基标间测设加密基标和道岔铺轨基标。
控制基标在直线段每120米设置一个。
曲线线路除曲线元素点设置控制基标外,还应每60米设置一个。
目录一、课程设计的目的和任务 (3)1.1.设计目的 (3)1.2.任务概述 (3)二、测区概况 (3)2.1.测区自然地理概况 (3)2.2民族种类 (3)2.3已有资料情况 (3)2.4测区的范围: (3)三、设计的依据 (3)四、主要的技术指标 (4)4.1GPS测量 (4)4.2水平角观测 (6)4.2.1水平距离的观测 (6)4.2.2导线网 (6)五、坐标系统的选择 (7)六、设计方案 (7)6.1布网的原则 (7)6.1.1.GPS网型网型方案设计 6.2.图上展绘已知点(或图上查找已知点) (7)6.3按点位要求与测区情况在图上选点布网 (8)6.4.判断和检查点间的通视(主要点间) (10)6.5.外业选点埋石 (10)6.5.1选点 (10)6.5.2标志埋设 (11)六、仪器设备的选择 (12)七、外野实测方案设计 (12)7.1. GPS外业工作的原则 (12)7.2安置天线要求 (12)7.2.1对仪器设备的要求 (13)7.3观测方法 (13)7.3.1 GPS 观测方法 (13)7.4 地籍勘丈 (14)7.4.1 、地籍勘丈的方法: (14)7.4.2. 宗地图编号 (14)7.4.3. 地籍图的规格及分幅 (14)7.4.4 地籍勘丈的基本精度 (14)7.4.5界址点的施测方法 (15)7.4.6 界址点边长的检核: (15)7.4.7 地籍图的表示原则: (15)7.4.8 宗地图 (15)7.4.9面积量算与汇总统计 (16)7.4.10提交成果 (16)7.5数据的记录 (16)八、数据处理的方法与要求 (17)8.1.外业观测数据处理 (17)8.2外业观测数据质量检核 (17)8.3数据处理和平差计算 (19)8.3.1数据处理 (19)8.3.1无约束平差 (19)8.3.2约束平差 (19)8.4 GPS 高程拟合 (20)七、提交成果 (20)八、参考文献 (21)D级GPS控制网技术方案设计一、课程设计的目的和任务1.1.设计目的:本次课程设计的主要目的是通过本课程的学习并结合“GPS”技术完成一项“GPS”D级网的技术设计,为下一步大比例尺数字测图提供基础控制。
⼯程测量常⽤的规范及限差参数归纳测绘常⽤规范及限差参数《⼯程测量规范》(GB50026─93)发布与实施时间:1993-03-26发布,1993-08-01实施,适⽤范围:城镇、⼯矿企业、交通运输和能源等⼯程建设的勘察、设计、施⼯以及⽣产(运营)阶段的通⽤性测绘⼯作。
内容:控制测量、采⽤⾮摄影测量⽅法的1:500~1:5000⽐例尺测图、线路测量、绘图与复制、施⼯测量、竣⼯总图编绘与实测和变形测量。
《⽔利⽔电⼯程施⼯测量规范》(SL52─93)发布与实施时间:1993-06-25发布,1993-12-01实施适⽤范围:⽔利⽔电⼯程施⼯阶段的测量⼯作。
内容:控制测量、放样的准备与⽅法、开挖⼯程测量、⽴模与填筑放样、⾦属结构和机电设备安装测量、地下洞室测量、辅助⼯程测量、施⼯场地地形测量、疏浚及渠堤施⼯测量、竣⼯测量、施⼯期间的外部变形监测。
《建筑变形测量规程》(JGJ/T 8-97)发布与实施时间:1998年6⽉1⽇施⾏适⽤范围:⼯业与民⽤建筑物(包括构筑物)的地基基础、上部结构及其场地的各种沉降(包括上升)测量和位移测量。
《城市测量规范》(CJJ 8-99)发布与实施时间:1999-02-10发布,1999-07-01施⾏适⽤范围:城市规划、城市地籍管理和城市各项建设⼯程的勘测、设计、竣⼯以及城市管理的通⽤性测绘⼯作。
《全球定位系统城市测量技术规程》(CJJ 73-97)发布与实施时间:1997-04-25发布,1997-10-01施⾏适⽤范围:城市各等级控制⽹测量,城市地籍控制⽹测量和⼯程控制⽹测量。
当进⾏城市地形形变监测控制⽹测量时,可参照本规范执⾏。
《⽔利⽔电⼯程施⼯测量规范》(SL52─93)表1 光电测距附合(闭合)导线技术要求注:表中所列的技术要求,符合最弱点点位中误差不⼤于10mm(三、四等)和20mm(五等)1. 当导线⽹作为⾸级控制时,应布设成环形结点⽹,各导线环的长度不应⼤于表1中规定总长的0.7倍。
E级GPS控制网有关技术要求(参考)一、控制网执行的技术标准1、全球定位系统(GPS)测量规范(GB/T 18314-2001),中华人民共和国国家标准;2、《国家三、四等水准测量规范》(GB12898—1991),中华人民共和国国家标准;3、技术设计书。
二、使用仪器测量采用的GPS接收机型号及其标称精度。
三、布网方案1、布网要求GPS网相邻点间基线中误差按下式计算:式中(mm)为固定误差;(ppm)为比例误差系数;(km)为相邻点间的距离。
GPS-E级网的主要技术要求应符合表1规定.相邻点最小距离应为平均距离的1/2~1/3;最大距离应为平均距离的2~3倍。
级别平均距离(km) (mm)(1×10-6)最弱边相对中误差E级0。
2~5 ≤10≤201/450002、布网原则与网形设计(1)GPS网应根据测区实际需要和交通状况进行设计。
GPS网的点与点间不要求每点通视,但考虑常规测量方法加密时的应用,每点应有1~2个通视方向。
(2)在布网设计中应顾及原有测绘成果资料以及各种大比例尺地形图的沿用,对凡符合GPS-E级网布点要求的旧有控制点,应充分利用其标石.(3)GPS网应由若干个独立观测环构成,也可采用附合线路构成。
E级GPS 网中每个闭合环或附合线路中的边数应符合表2的规定.非同步观测的GPS基线向量边,应按所设计的网图选定,也可按软件功能自动挑选独立基线构成环路。
级别 E 级闭合环或附合线路边数(条) ≤10(4原有控制点联测,联测总点数不得少于3个。
(5)为了求得GPS网点正常高,应进行水准测量的高程联测,高程联测采用等级水准测量方法进行,联测的GPS-E级控制点且应均匀分布于网中。
四、选点与标石埋设1、选点在了解任务、目的、要求和测区自然地理条件的基础上,进行现场踏勘,最后进行选点。
选点应符合下列要求:(1)点位的选择应符合技术设计要求,并有利于其它测量手段进行扩展与联测;(2)点位的基础应坚实稳定,易于长期保存,并应有利于安全作业;(3)点位应便于安置接收设备和操作,视野应开阔,视场内周围障碍物的高度角一般应小于15°;(4)点位应远离大功率无线电发射源(如电视台、微波站等),其距离不得小于200m,并应远离高压输电线其距离不得小于50m,以避免周围磁场对卫星信号的干扰;(5)点位附近不应有对电磁波反射(或吸收)强烈的物体,以减少多路径效应的影响;(6)交通应便于作业,以提高作业效率;(7)应充分利用符合上述要求原有的控制点及其标石,但利用旧点时应检查旧点的稳定性、完好性,符合要求方可利用;(8)选好点后应按合理的方法给GPS点编号.此外,有时还需考虑测区内的通讯设施、电力供应等情况,以便于各点之间的联络和设备用电或充电。
对《全球定位系统(GPS)测量规范》个别规定的讨论摘要: gps是随着现代科学技术的迅速发展而建立起来的新一代精密卫星导航定位系统,它在海洋大地测量学、航空与卫星遥感、工程测量及工程变形监测等方面应用更加广泛,尤其对经典测量学的各个方面产生了极其深刻的影响。
通过多年的实践,本文从《全球定位系统(gps)测量规范》(gb/t 18314—2009)实际使用情况和执行该《规范》所出现的问题入手,讨论该《规范》个别条款可能存在的不合理性,分析出现问题的原因及应对措施,供使用该《规范》的作业人员参考。
关键词:导航定位、gps规范、控制测量、出现的问题、应对措施中图分类号: p228 文献标识码: a 文章编号:一、问题的发现2012年10月,我们施测了芜湖市某d级网,共埋设标石8个,基线20条,平均边长4952米,topcongps接收机标称精度3mm+1ppm, 基线测量中误差σ=√(a2+( b×d×10-6)2),以此d级网为例,加以分析。
外业数据质量检核外业数据质量检核包括:复测基线较差ds;同步环坐标分量闭合差dx、dy、dz;异步环坐标分量闭合差wx、wy、wz、ws;相邻点基线分量中误差等项目。
复测基线: 复测基线长度较差最大ds= 3.6mm,小于16.4mm限差。
同步环坐标分量闭合差:坐标分量闭合差dx最小为5.4mm,dy最小为2.4mm,dz最小4.4mm,由此可见:dx、dy、dz均大大超过2mm的限差要求。
异步环坐标分量闭合差:坐标分量闭合差wx最大为12.8mm,wy最大为11.6mm,wz最大为16.9mm,环线全长闭合差ws最大为21.2mm,可见:wx、wy、wz、ws均小于34.74mm或60.17mm的限差要求。
相邻点基线分量中误差:水平分量dx最大9.3mm,dy最大11.2mm, 垂直分量dz最大9.6mm。
dx、dy、dz均小于20mm或40mm的限差要求。
1 分类方法一:A、B、C、D、E级1.1参考规《全球定位系统GPS测量规-2009》1.2 界面显示参数1.3 划分标准B、C、D和E级的精度应不低于表1的要求:表1.2布设原则:表1.3各级GPS网点位应均匀分布,相邻点间距离最大不宜超过网平均间距的2倍。
接收机的选用:表1.4级别 B C D、E单频/双频双频/全波长双频/全波长双频/单频观测量至少有L1、L2载波相位L1、L2载波相位L1载波相位同步观测机数≥4 ≥3 ≥2观测:表1.5级别级别B C D E卫星截止高度角/度10 15 15 15同时观测有效卫星数≥4 ≥4 ≥4 ≥4有效观测卫星总数≥20 ≥6 ≥4 ≥4 观测时段数≥3 ≥2 ≥1.6 ≥1.6时段长度≥23h ≥4h ≥60min ≥40min采样间隔30 10-30 5-15 5-15注1:计算有效观测卫星总数时,应该各时段的有效观测卫星扣除期间的重复卫星数注2:观测时段长度,应为开始纪律数据到结束记录的时间段注3:观测时段≥1.6,指采用网观测模式时,每站至少观测一时段,其中二次设站点数应不少于GPS网总点数的60%注4:采用基于卫星定位连续运行基准站点观测模式时,可连续观测,但观测时间应不低于表中规定的各时段观测时间的和数据处理(1)外业数据检核1)B级GPS网基线外业预处理和C、D、E级GPS网基线处理,复测基线的长度较差ds应满足公式1.1的规定:ds≦2σ (1.1)σ---为基线测量中误差,单位为毫米2)B、C、D、E级GPS网基线测量中误差σ采用外业测量时使用的GPS接收机的标称精度,计算时变长按实际平均边长计算。
3)B、C、D、E级GPS网同步环闭合差,不宜超过以下规定:三边同步环中只有两个同步边成果可以视为独立的成果,第三边成果应为其余两边的代数和。
由于模型误差和处理软件的在缺陷,第三边处理结果与前两边的代数和常不为零,其差值应符合公式1.2≦≦≦(1.2)式中:σ----基线测量中误差,单位为毫米,计算按12.2.5规定执行。
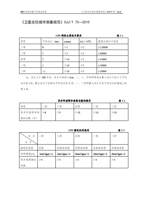
《卫星定位城市测量规范》CJJ/T 73—2010GPS网的主要技术要求表1-1注:边长小于200米时,边长中误差≤2cm。
二、三、四等网相邻点最小边长不宜小于平均边长的1/2,最长边长不宜超过平均边长的2倍。
一、二级网最大边长可在平均边长的基础上放宽1倍。
异步环或附和线路边数的规定表1-2GPS 测量各等级作业的基本技术要求 表1-4各项限差规定 σ())((22bd a +=σ采用表1-1加乘常数) 同步环闭合差限差σω53x ≤, σω53y ≤, σω53z ≤, σω53≤ 同步环只计算三边同步环,))((22bd a +=σ,d 按照该等级平均边长计算,ω—环闭合差,222z y x ωωωω++=异步环闭合差限差σωn 2x ≤, σωn 2y ≤, σωn 2z ≤, σωn 32≤n —独立环的边数,d 按照该等级平均边长计算,))((22bd a +=σ,ω—环闭合差,222z y x ωωωω++=重复基线限差复测基线的长度较差ds ,同一基线不同时段较差应满足 σ23ds ≤(σ按照实际边长计算)三维无约束平差中,基线分量的改正数(X V ∆,Y V ∆,Z V ∆)绝对值应满足下列要求σ∆3V X ≤,σ∆3V Y ≤,σ∆3V Z ≤))((22bd a +=σd 按照基线边长计算约束平差中,基线分量的改正数与经过剔除粗差后的无约束平差结果的同一基线相应改正数较差应满足下列要求(或者进行已知点检查,已知点点位变化相对于约束点的边长相对中误差不应低于表1-1规定的上一等级控制网中最弱边相对中误差)σ∆2dV X ≤,σ∆2dV Y ≤,σ∆2dV Z ≤))((22bd a +=σd 按照基线边长计算《工程测量规范》GB50026-2007GPS 网的主要技术要求 表2-1控制网测量中误差m ≤σ⎥⎦⎤⎢⎣⎡=n WW N31m ,N 为控制网中异步环的个数,n 为异步环边数,W 为异步环全长闭合差。
第一部分茅荆坝(蒙冀界)至承德公路(第15标)控制网复测技术设计书一、编制依据及技术标准(1)、《大广高速公路蒙冀界至承德高速公路GPS控制网成果表》(设计院交给的)(2)、《全球定位系统(GPS)铁路测量规程》(TB10054)(3)、《工程测量规范》(GB50026-2007)(4)、《国家三四等水准测量规范》(GB/T12898-2009)(5)、《公路勘测规范》(JTGC10-2007)二、平面GPS、四等水准加密方法与精度要求根据《全球定位系统(GPS)铁路测量规程》平面控制测量等级规定和本项目实际情况,隧道段控制网采用GPS观测方法时,精度按四等网技术要求施测。
为确保线路衔接的平顺性,加密点必须联测其相邻的GPS平面控制点。
平面加密控制网的施测精度控制按:加密GPS网最弱边相对中误差小于1/70000,基线边方向中误差不大于1.7″的要求进行。
2.1具体精度控制标准2.2 四等水准施测技术要求四等水准测量的主要技术标准见表6.3-3.注:表中L为往返测段、符合或环线的水准路线长度,单位Km。
三、平面控制网复测实施计划3.1 GPS复测组网实施为保证线路上所有控制点成果具有较高的可靠性和尽量保证点位精度的均匀性,平面控制网复测采用4太GPS接收机同时作业的观测模式,以此提高GPS观测网形的图形强度。
GPS 网各时段全部以边连接方式构网,形成由大地四边形组成的带状网。
3.2 采用GPS测量方法的平面复测遵循与设计单位建网时相同的构网原则,本次GPS方法的控制网复测组网以大地四边形为基本构网图形组成带状网,采用边联式构网。
实际外业测量必须遵循基线组网设计所确定的作业模式,并在接收机或控制器上配置GPS外业观测参数,参与作业的接收机所配制的参数应相同。
每天出工之前,必须检查电池容量是否满足作业要求,数据存储设备应有足够的存储空间,仪器及其附件必须齐全。
天线安置应符合下列要求:—在开始GPS外业观测前,必须确认天线安置基座的对中器合格,天线安置基座的对中精度要求为1mm。
常用规范、规程主要技术规定、要求汇总一、城市测量规范(CJJ 8——99)1. 城市平面控制测量1.1 坐标系统:1980西安坐标系或1954北京坐标系或城市坐标系。
1.2 城市平面控制网的等级划分:GPS网、三角网和边角结合网:依次为二、三、四等和一、二级;导线网:依次为三、四等和一、二、三级。
说明:⑴.导线网中结点与高级点间或结点与结点间的导线长度不应大于附合导线规定长度的0.7倍;⑵.当附合导线长度短于规定长度的1/3时,导线全长的绝对闭合差不应大于13cm;⑶.光电测距导线的总长和平均边长可放长至1.5倍,但其绝对闭合差不应大于26cm。
当附合导线的边数超过12条时,其测角精度应提高一个等级;⑷.导线相邻边长之比不宜超过1:3。
0d注:n为测站数。
⑴.凡超出以上规定限差的结果,均应进行重测。
重测应在基本测回完成后并对成果综合分析后再进行。
⑵.2C较差或各测回较差超限时,应重测超限方向并联测零方向。
因测回较差超限重测时,除明显孤值外,原则上应重测观测结果中最大和最小值的测回。
⑶.零方向的2C较差或下半测回的归零差超限,该测回应重测。
方向观测法一测回中,重测方向数超过方向总数的1/3时(包括观测三个方向有一个方向重测),该测回应重测。
⑷.采用方向观测法时,每站基本测回重测的方向测回数,不应超过全部方向测回总数的1/3,否则整站重测。
⑸.基本测回成果和重测成果,应载入记簿。
重测与基本测回结果不取中数,每一测回只取一个符合限差的结果。
⑹.因三角形闭合差、极条件、基线条件、方位角条件自由项超限而重测时,应进行认真分析择取有关测站整站重测。
注:1.往返较差应将斜距化算到同一水平面上方可进行比较;2. (a+b·D)为仪器标称精度。
2. 城市高程控制测量2.1 高程系统:1985国家高程基准或沿用1956年黄海高程系统。
2.2 城市高程控制测量方法与等级:水准测量和三角高程测量。
水准测量等级依次分为二、三、四等,首级高程控制不应低于三等水准。
GPS RTK图根控制测量规范本标准是根据我国现阶段全球定位系统实时动态(RTK)测量的技术水平制定的。
本标准内容涉及目前应用广泛的单参考站RTK测量技术和基于CORS系统的网络RTK测量技术。
本标准是在GB/T 18314《全球定位系统(GPS)测量规范》、CJJ 73《全球定位系统城市测量技术规程》、GB50026《工程测量规范》的基础上,结合生产实际的情况制定的。
全球定位系统实时动态(RTK)定位测量除应符合本标准的要求外,还应符合国家现行的有关强制性标准、规范的规定。
全球定位系统实时动态(RTK)测量技术规范1 范围本标准规定利用全球定位系统实时动态测量(RTK)技术,实施平面一级、二级、三级控制测量和五等高程控制测量、地形测量的技术要求、方法。
其他相应精度的定位测量可参照本标准执行。
2 引用标准下列文件中的条款通过本标准的引用而成为本标准的条款。
凡是注日期的引用文件,其随后所有的修改单(不包括勘误的内容)或修订版均不适用于本标准,然而,鼓励根据本标准达成协议的各方研究是否可使用这些文件的最新版本。
凡是不注日期的引用文件,其最新版本适用于本标准。
GB/T 18314全球定位系统(GPS)测量规范CJJ 73 全球定位系统城市测量技术规程CH/T 2008-2005 全球导航卫星系统连续运行参考站网建设规范CH 8016 全球定位系统(GPS)测量型接收机检定规程GB 50026 工程测量规范GB/T 14912 1∶500 1∶1000 1∶2000外业数字测图技术规程3 术语3.1 实时动态测量(RTK) Real Time KinematicRTK测量技术是全球卫星导航定位技术与数据通信技术相结合的载波相位实时动态差分定位技术,它能够实时地提供测站点在指定坐标系中的三维定位结果。
在RTK测量模式下,参考站通过数据链将其观测值和测站坐标信息一起传送给流动站,流动站不仅采集卫星观测数据,还通过数据链接收来自参考站的数据,并在系统内组成差分观测值进行实时处理。
GPS RTK图根控制测量规范本标准是根据我国现阶段全球定位系统实时动态(RTK)测量的技术水平制定的。
本标准内容涉及目前应用广泛的单参考站RTK测量技术和基于CORS系统的网络RTK测量技术。
本标准是在GB/T 18314《全球定位系统(GPS)测量规范》、CJJ 73《全球定位系统城市测量技术规程》、GB50026《工程测量规范》的基础上,结合生产实际的情况制定的。
全球定位系统实时动态(RTK)定位测量除应符合本标准的要求外,还应符合国家现行的有关强制性标准、规范的规定。
全球定位系统实时动态(RTK)测量技术规范1 范围本标准规定利用全球定位系统实时动态测量(RTK)技术,实施平面一级、二级、三级控制测量和五等高程控制测量、地形测量的技术要求、方法。
其他相应精度的定位测量可参照本标准执行。
2 引用标准下列文件中的条款通过本标准的引用而成为本标准的条款。
凡是注日期的引用文件,其随后所有的修改单(不包括勘误的内容)或修订版均不适用于本标准,然而,鼓励根据本标准达成协议的各方研究是否可使用这些文件的最新版本。
凡是不注日期的引用文件,其最新版本适用于本标准。
GB/T 18314全球定位系统(GPS)测量规范CJJ 73 全球定位系统城市测量技术规程CH/T 2008-2005 全球导航卫星系统连续运行参考站网建设规范CH 8016 全球定位系统(GPS)测量型接收机检定规程GB 50026 工程测量规范GB/T 14912 1∶500 1∶1000 1∶2000外业数字测图技术规程3 术语实时动态测量(RTK) Real Time KinematicRTK测量技术是全球卫星导航定位技术与数据通信技术相结合的载波相位实时动态差分定位技术,它能够实时地提供测站点在指定坐标系中的三维定位结果。
在RTK测量模式下,参考站通过数据链将其观测值和测站坐标信息一起传送给流动站,流动站不仅采集卫星观测数据,还通过数据链接收来自参考站的数据,并在系统内组成差分观测值进行实时处理。
铁路GPS-RTK测量技术要求1 RTK测量技术要求1.1一般规定1.1.1 RTK测量适用于进行铁路初测导线测量、高速铁路和客运专线定测放线、中桩高程测量、航测外控测量、地形图测绘与路基横断面测量、既有线曲线查定、钻孔放样等勘测工作。
不适用于需要采用GPS静态、快速静态方式进行后处理的控制测量工作。
本章主要针对利用RTK进行中线测量作出技术规定,其它铁路测量工作可以参照本规定执行。
在本章RTK测量技术要求中的未尽事宜,按现行铁路测量规范执行。
1.1.2 进行RTK测量工作前,应了解任务来源、作业用途及测区概况,收集测量的既有测量资料,主要包括:1:5000和1:2000线路电子平面图;线路GPS首级控制网的WGS-84三维坐标成果,线路工程坐标成果(西安80或北京54或独立坐标系);导线点测量成果;水准测量成果;线路定线数据(线路设计的曲、直线要素表、起终点坐标、交点坐标、断链表等).1.1.3 根据测区已知点、线路GPS控制点的分布情况、地形、地貌情况、对空通视条件,以及使用仪器RTK数据链的覆盖范围,结合工程规模,制定RTK作业的技术方案和安全措施。
设计RTK技术方案时应考虑以下几个因素:(1)合理划分RTK子测区:将整个线路测区划为若干个RTK子测区,每个RTK子测区的长度宜在20km左右。
(2) RTK子测区中包含的控制点数量:每个子测区宜有3~4对GPS首级控制点,至少应有3个平面控制点,4个高程控制点。
(3)控制点的分布:控制点应在子测区四周均匀分布,控制点连线形成的平面区域和高程区域,应能控制整个子测区范围。
若网中控制点稀少或精度不足时,不能覆盖整个RTK子测区时,应考虑补设控制点。
(4)合理分布基准站位置的位置,使仪器RTK数据链控制在有效范围。
参考站和流动站之间必须没有山体、楼群之类的遮挡,作业区域内还不能存在强烈的电磁波等干扰。
(5)测区的交通条件:应将交通条件相近的地段划入一个测区。
《卫星定位城市测量规范》CJJ/T 73—2010
注:边长小于200米时,边长中误差≤2cm。
二、三、四等网相邻点最小边长不宜小于平均边长的1/2,最长边长不宜超过平均边长的2倍。
一、二级网最大边长可在平均边长的基础上放宽1倍。
各项限差规定 σ())((22bd a +=σ采用表1-1加乘常数) 同步环闭合差限差
σω53x ≤
, σω53y ≤, σω53z ≤, σω5
3
≤ 同步环只计算三边同步环,))((22bd a +=σ,d 按照该等级平均边长计算,ω—环闭合差,
22
2z y x ωωωω++=
异步环闭合差限差
σωn 2x ≤, σωn 2y ≤, σωn 2z ≤, σωn 32≤
n —独立环的边数,d 按照该等级平均边长计算,))((22bd a +=σ,ω—环闭合差,
222z y x ωωωω++=
重复基线限差
复测基线的长度较差ds ,同一基线不同时段较差应满足 σ23ds ≤(σ按照实际边长
计算)
三维无约束平差中,基线分量的改正数(X V ∆,Y V ∆,Z V ∆)绝对值应满足下列要求
σ∆3V X ≤,σ∆3V Y ≤,σ∆3V Z ≤
))((22bd a +=σ
d 按照基线边长计算
约束平差中,基线分量的改正数与经过剔除粗差后的无约束平差结果的同一基线相应改正数较差
应满足下列要求(或者进行已知点检查,已知点点位变化相对于约束点的边长相对中误差不应低于表1-1规定的上一等级控制网中最弱边相对中误差)
σ∆2dV X ≤,σ∆2dV Y ≤,σ∆2dV Z ≤
))((22bd a +=σ
d 按照基线边长计算
《工程测量规范》GB50026-2007
控制网测量中误差m ≤σ
⎥⎦
⎤
⎢⎣⎡=
n WW N 31m ,N 为控制网中异步环的个数,n 为异步环边数,W 为异步环全长闭合差。
各项限差规定σ ())((2
2
bd a +=σ采用表2-1加乘常数) 同步环闭合差限差
σω5n x ≤
, σω5n y ≤, σω5n z ≤, σω5
n 3≤ n —同步环的边数,))((22bd a +=σ,d 按照该等级平均边长计算,ω—环闭合差,
22
2z y x ωωωω++=
异步环闭合差限差
σωn 2x ≤, σωn 2y ≤, σωn 2z ≤, σωn 32≤
n —独立环的边数,d 按照该等级平均边长计算,))((22bd a +=σ,ω—环闭合差,
22
2z y x ωωωω++=
重复基线限差
复测基线的长度较差ds ,同一基线不同时段较差应满足 σ23ds ≤(σ按照实际边长
计算)
三维无约束平差中,基线分量的改正数(X V ∆,Y V ∆,Z V ∆)绝对值应满足下列要求
σ∆3V X ≤,σ∆3V Y ≤,σ∆3V Z ≤
))((22bd a +=σ
d 按照基线边长计算
约束平差中,控制网的最弱边边长相对中误差,应满足表2-1中相应等级的规定。
《全球定位系统(GPS)测量规范》GB/T18314-2009
下面各项限差规定中使用的σ())((22bd a +=σ采用外业测量时使用的GPS 接收机的标称精度,计算时边长d 按实际平均边长计算。
)
同步环闭合差限差(对于4站以上同步观测时段,在处理完各边观测值后,应检查一切可能的三边环闭合差)
σω53x ≤
, σω53y ≤, σω53z ≤, σω5
3
≤ 同步环只计算三边同步环,ω—环闭合差,2
2
2
z y x ωωωω++=
异步环闭合差或附合路线坐标差限差ω及坐标分量闭合差应满足下列要求
σωn 3x ≤, σωn 3y ≤, σωn 3z ≤, σωn 33≤
n —独立环的边数,ω—环闭合差,22
2z y x ωωωω++=
重复基线限差
复测基线的长度较差ds ,同一基线不同时段较差应满足 σ23ds ≤(σ按照实际边长
计算)
三维无约束平差中,基线分量的改正数(X V ∆,Y V ∆,Z V ∆)绝对值应满足下列要求
σ∆3V X ≤,σ∆3V Y ≤,σ∆3V Z ≤
))((22bd a +=σ d 按照基线边长计算
约束平差中,基线分量的改正数与经过剔除粗差后的无约束平差结果的同一基线,相应改正数较差的绝对值应满足下列要求(C 、D 、E 级网平差后,其精度应符合表3-1规定,国家三、四等大地控制网的B 、C 、D 级,其相对精度应分别不低于1×10-7、1×10-6、1×10-5。
)
σ∆2dV X ≤,σ∆2dV Y ≤,σ∆2dV Z ≤
))((22bd a +=σ d 按照基线边长计算
《公路勘测规范》JTG C10—2007
注:四等及四等以上平面控制网中,相邻点之间的距离不得小于500米,一、二级平面控制网中平原、微丘区不得小于200米,重丘、山岭区不得小于100米。
最长距离不宜大于平均距离的2倍。
各项限差规定 σ())((22bd a +=σ采用表4-1加乘常数,d 为基线平均长度)
同步环闭合差限差
σω5n x ≤
, σω5n y ≤, σω5n z ≤, σω5
n 2≤ n 为同步环边数,ω—环闭合差,22
2z y x ωωωω++=
异步环闭合差限差
σω3n
4x ≤
, σω3n
4y ≤, σω3
n
4z ≤, σωn 2≤ n —异步环中的边数,ω—环闭合差,22
2z y x ωωωω++=
重复基线限差
复测基线的长度较差ds ,同一基线不同时段较差应满足 σ22ds ≤(σ按照实际边长
计算)
三维无约束平差中,基线分量的改正数(X V ∆,Y V ∆,Z V ∆)绝对值应满足下列要求
σ∆3V X ≤,σ∆3V Y ≤,σ∆3V Z ≤
约束平差中,基线分量的改正数与经过剔除粗差后的无约束平差结果的同一基线相应改正数较差的绝对值应满足下列要求
σ∆34
dV X ≤
,σ∆34
dV Y ≤,σ∆3
4
dV Z ≤
))((22bd a +=σ
实用文案
GPS测量规范各种限差计算表标准文档。