混凝土浇筑工程QC小组活动记录
- 格式:doc
- 大小:45.38 KB
- 文档页数:28
2012年 7月 10日 星期 二 气温 18℃--25 ℃
2012年 7月 20日星期五气温 17℃--28 ℃
2012年 7月25日星期三气温 15℃--27 ℃
2012年 8 月25日星期六气温 13℃--28 ℃气候(阴晴雨雪
2012年 8月25日星期六气温 13℃--28 ℃气候(阴晴雨雪
2012年 8月26日星期日气温 12℃--26 ℃气候(阴晴雨雪风)
2012年 8月26日星期日气温 12℃--26 ℃气候(阴晴雨雪
2012年 8 月26日星期日气温 12℃--26 ℃气候(阴晴雨雪
2012年 9 月10日星期一气温 13℃--28℃气候(阴晴雨雪风)
2012年9月10日星期一气温 13℃--28℃气候(阴晴雨
2012年 9月10日星期一气温 19℃--30℃气候(阴晴雨
2012年 9月11日星期二气温 23℃--30℃气候(阴晴雨雪风)
2012年 9月11日星期二气温 23℃--30℃气候(阴晴雨
2012年9月28日星期五气温 21℃--28℃气候(阴晴雨
2012年 10月5日
星期 五 气温 19℃--25℃
2012年 10月7日星期日气温 15℃--25℃
2012年10月7日星期日
气温 15℃--25℃。
提高坡屋面混凝土浇筑一次验收合格率公司风貌QC小组2013年3月目录一、工程简介 (3)二、小组概况 (4)三、选择课题 (4)四、设定目标 (5)五、目标可行性分析 (5)六、分析原因 (6)七、确定主要原因 (7)八、制订对策 (14)十一、实施对策 (15)十二、检查效果 (17)1、小组目标检查 (17)2、经济效益 (18)十三、制定巩固措施 (19)十四、总结和下一步打算 (19)提高坡屋面混凝土浇筑一次验收合格率一、工程简介本工程名称为“改造项目“风貌区”,工程性质为青岛小港老街区历史风貌保留区。
总建筑面积49197.36m2。
工程包括5栋低层商业建筑、一个半地下室超市和一个大地下室,结构类型为框架结构。
本工程大部分屋面为钢筋混凝土结构坡屋面,坡度30度至70度之间,屋面板厚120或130mm,板筋双层双向间距150mm,坡屋面垂直最大高度7.1米,5个楼座坡屋面混凝土方量约2500m3,工程量大,屋面层叠交叉,造型复杂,钢筋密集,采用普通木模板双面支模工艺施工。
坡屋面立面图坡屋面浇筑口坡屋面浇筑口坡屋面浇筑及支撑示意图制图: 201212.2二、小组概况房建一分风貌QC小组成立于2009年7月,小组从2009年7月至2013年3月共组织开展活动10次,每次不少于10人,出勤率95%,发言率98%。
小组活动中严格遵循PDCA循环开展活动。
小组人均接收QC时间达到40学时。
小组成员情况:三、选择课题四、设定目标根据合同要求及现场情况总目标确定为:坡屋面混凝土浇筑一次验收合格率90%。
五、目标可行性分析本QC小组对已浇筑坡屋面混凝土浇筑施工过程进行调查,发现施工质量问题主要有混凝土孔洞漏筋、表面平整度差、混凝土局部松散、钢筋保护层厚度不足、板厚偏差大等因素。
根据这些问题,做出了统计表如下:频次(个)频率%漏筋平整度差松散层厚度不足偏差大记录人: 2012.10.222、从排列图分析,前三位的缺陷:孔洞漏筋、表面平整度差、局部松散是坡屋面混凝土施工的主要缺陷,是症结所在,因而也是我们小组的主攻方向。
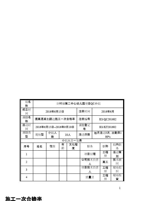
目录一、小组概况__________________________________________________ 3二、工程简介__________________________________________________ 4三、选题理由__________________________________________________ 4四、QC小组活动计划表________________________________________ 5五、现状调查__________________________________________________ 6五、目标设定__________________________________________________ 6六、原因分析__________________________________________________ 7七、要因确认表_______________________________________________ 10八、制定对策_________________________________________________ 13九、实施对策_________________________________________________ 13十、效果检查_________________________________________________ 17十一、巩固措施_______________________________________________ 19十二、总结及下一步打算 _______________________________________ 20李震军男大学技术员组员制表人:李士龙日期:2016年11月8日二、工程简介沙坪坝综合枢纽改造工程位于重庆沙坪坝中心区,东为东连接路,南为站南路,北为站东路,西临西连接路,位于沙坪坝步行街商业圈旁。
提高混凝土外观质量QC小组活动记录混凝土外观质量是影响建筑物外观和耐久性的重要因素之一,因此,建筑项目中的混凝土外观质量控制是不可忽视的。
为了提高混凝土外观质量,我们组织了一次QC小组活动,以下是活动记录的详细内容。
活动时间:2024年7月1日活动地点:建筑施工现场活动人员:1. QC小组成员:Alice(组长)、Bob、Cindy、David2.现场施工人员:工地经理、混凝土搅拌师傅、浇注工人等活动目标:1.提高混凝土外观质量,确保外观平整、光滑、无明显缺陷。
2.加强与施工人员的沟通,明确对混凝土外观质量的要求。
3.发现并解决可能存在的混凝土外观质量问题。
活动过程:1.开会准备阶段:在活动开始之前,我们组织了一次会议,明确了活动目标、要求和时间计划,并分配了各自的任务。
2.混凝土调配和搅拌阶段:在混凝土调配和搅拌的过程中,Bob、Cindy和David负责监督混凝土配料和搅拌的质量。
他们检查了原材料的品质,尤其是水泥和骨料的质量,并确保按照设计要求进行配比。
同时,他们还与混凝土搅拌师傅密切合作,确保搅拌时间和搅拌速度的控制,以避免混凝土出现分层、孔洞等问题。
3.浇注阶段:在混凝土浇注的过程中,我们小组的成员分别观察不同部位的浇注情况。
我们特别关注了以下几个方面:-监测浇注速度和浇注高度,避免出现过快或过高的情况。
-检查模板的质量,确保模板表面平整、无明显破损。
-检查混凝土表面是否出现裂缝、气泡和麻点等缺陷。
4.表面抹平和养护阶段:在浇注完混凝土之后,我们及时与施工人员沟通,确定了表面抹平和养护的时间和方法。
我们指导浇注工人使用抹光机和手工工具对混凝土表面进行抹平和养护,确保表面平整、光滑。
5.质量检查和整理阶段:活动结束后,我们进行了一次全面的质量检查。
我们仔细观察了混凝土表面的情况,使用光源照射以寻找可能存在的缺陷。
我们将检查结果整理成报告,并与施工人员讨论,制定改进措施。
活动成果:通过这次QC小组活动,我们成功地提高了混凝土的外观质量。
QC小组活动记录本
课题名称:针对结构砼浇筑质量的改进措施课题登记号: 001
小组名称:二分部质量活动小组
小组类型:技术质量小组
单位:平赞高速二分部部门:质检部
说明
一、QC小组活动记录本是QC小组的原始记录和成果(材
料)评审的依据,请注意保存。
二、QC小组在开展活动过程中应如实、按时做好记录。
三、有关证明材料,补充材料可作附件。
目标:完善结构砼浇筑过程控制,提高浇筑质量及砼外观质量。
活动时间:2016.10.21----
活动次数:
小组概况
活动计划和实际进度表
QC小组活动记录
活动次数编号: 1 2016年 10月 21日
QC小组活动记录
活动次数编号:2 2016年 11月 4日
QC小组活动记录
活动次数编号:3 2016年 11月 18日
QC小组活动记录
活动次数编号:4 2016年 12月 9日
QC小组活动记录
活动次数编号:5 2016年 12月 23日。
班前活动记录砼工砼工是建筑施工中非常重要的一个岗位,他们负责混凝土的搅拌、浇铸和养护等工作。
为了提高他们的工作效率和团队凝聚力,在班前活动中,我们组织了一系列的活动。
第一天的班前活动,我们安排了一个团队建设游戏。
游戏的规则是:将团队成员分成几个小组,每组从一堆杂乱的砖块中拿出特定形状的砖块,然后组成一个特定的图案。
这个游戏要求团队成员之间合作、沟通和协调能力。
通过这个游戏,我们希望能够提高大家的团队意识和合作精神。
第二天的班前活动,我们组织了一次技能竞赛。
我们将砼工分成几个小组,让他们进行混凝土的配料、搅拌和浇铸等工作,并设置了一个时间限制。
比赛结束后,我们对每个小组的成果进行了评分,并给予了奖励。
通过这个竞赛,我们希望能够提高砼工的工作技能和执行力,同时也增强他们的竞争意识。
第三天的班前活动,我们组织了一次交流分享会。
在会上,我们邀请了一位经验丰富的砼工作为讲师,他分享了自己多年来在砼工方面的经验和技巧。
大家积极参与,提出了许多问题和疑惑,并得到了解答。
通过这次交流分享会,我们希望能够提高大家的专业知识水平,同时也增进团队之间的交流和合作。
第四天的班前活动,我们安排了一个实际操作的练习。
我们模拟了一个真实的工程场景,给每个砼工分发了具体的工作任务,要求他们按照预定的工艺和要求进行操作。
在这个练习中,我们注重安全和质量,对每个砼工的操作进行了认真的评估和指导。
通过这次实际操作的练习,我们希望能够让砼工们更加熟悉和熟练地掌握工作技巧,提高工作质量和效率。
最后一天的班前活动,我们组织了一次回顾总结会。
在会上,我们回顾了这几天的活动过程和效果,并让每个砼工分享自己的心得体会。
大家纷纷表示,通过这几天的活动,自己的团队意识和合作能力得到了增强,工作技能和执行力也有了明显的提高。
同时,大家也提出了一些建议和改进的意见,希望能够在以后的工作中不断完善自己。
通过这几天的班前活动,我们成功地提高了砼工的团队意识、合作精神和工作技能。
提高混凝土外观质量成果报告烟台宏源建设工程有限公司海纳科技项目部QC小组2018年1月2日目录一、工程概况二、QC小组简介三、选择课题四、现状调查五、设定目标六、第一次PDCA循环1.分析原因2.主要原因确认3.制定对策4.实施对策5.检查效果七、第二次PDCA循环1.分析原因2.主要原因确认3.制定对策4.实施对策5.检查效果八、总结九、巩固措施十、今后设想一、工程概况:二、QC小组成员简介三、选择课题:四、现状调查对本项目部正在主体结构施工的烟台海纳科技商业广场1#、地下车库进行混凝土外观质量、允许偏差进行检验。
共抽查混凝土质量验收记录30份。
统计如下:频数N=3016151050 %)85 90 95 100混凝土外观质量、允许偏差合格率分布表制表:冯翔九时间:2017年12月5 日经统计砼外观质量、允许偏差的平均合格率为92.8%,高于国家标准不低于85%的要求。
但为了保证优质结构主体顺利通过,并克服高层建筑主体结构施工的难度,混凝土外观质量合格率还需一步提高。
五、目标设定:12月5 日六、第一次PDCA循环1、分析原因:A、QC小组对烟台海纳科技商业广场1#及地下车库工程地下室混凝土浇筑完毕后,对混凝土质量进行了检查、对不合格点进行了统计,通过分析计算,得出了影响混凝土外观质量的因素的频数、频率。
实测180点合格153合格率85%。
做不合格点排列计算表:制表:冯翔九时间:2017年12 月5 日B.影响因素排列表:302520151051 2 3 4 5制表:冯翔九时间:2017 年12 月5 日从排列图中可以看出,影响混凝土外观质量的主要因素是表面平整度。
c.影响因素排列图:主要原因的确认3、制定对策表4、检查效果:通过本次PDCA循环2017年11月20日对1—5层结构混凝土外观质量进行检查,合格率由循环前85%上升到91.67%。
但未达到课题目标,仍需要进行第二次循环。
91.67%七、第二次PDCA循环:1、分析原因:A:在1—9层结构混凝土框架浇筑完毕后.QC小组全体成员进行了检查,共收集了180点,合格点165点,合格率为91.67%,不良项目统计如下:制表:冯翔九时间:2017年12月5日B 、作影响混凝土因素排列表:(%)80 60 垂直度 平整度 截面尺寸 轴线位移 标高从排列表中可以分析出,垂直度成为影响砼外观质量的主要因素。
QC小组活动记录本课题名称:砼浇筑质量的改进措施课题登记号:001小组名称:12号线25标质量活动小组小组类型:技术质量小组单位:12号线25标项目部部门:技术部说明一、QC小组活动记录本是QC小组的原始记录和成果(材料)评审的依据,请注意保存。
二、QC小组在开展活动过程中应如实、按时做好记录。
三、有关证明材料,补充材料可作附件。
目标:完善内部结构砼浇筑过程控制,提高浇筑质量及砼外观质量。
完成时间:2011.7.27~2011.8.26活动次数:4小组概况活动计划和实际进度表QC小组活动记录活动次数编号:2 2011年7月29日QC小组活动记录活动次数编号: 1 2011年7月27日QC小组活动记录活动次数编号:3 2010 年8月4 日QC小组活动记录活动次数编号:4 2011 年8 月13 日QC小组活动记录活动次数编号: 3 2010 年3 月16日QC小组活动记录活动次数编号: 3 2010年3 月16日QC小组活动记录活动次数编号:4 2010 年3月23 日QC小组活动记录活动次数编号:年月日QC小组活动记录活动次数编号: 5 2010 年3月30日QC小组活动记录活动次数编号:6 2010 年3 月30日QC小组活动记录活动次数编号: 6 2010 年4 月6 日QC小组活动记录活动次数编号:7 2010 年4 月13日QC小组活动记录活动次数编号:8 2010年4 月20 日QC小组活动记录活动次数编号:年月日QC小组活动考勤表出勤:√缺勤:×专业资料word完美格式。
提高坡屋面混凝土浇筑一次验收合格率公司风貌QC小组2013年3月1目录一、工程简介 (3)二、小组概况 (5)三、选择课题 (5)四、设定目标 (6)五、目标可行性分析 (6)六、分析原因 (7)七、确定主要原因 (8)八、制订对策 (16)十一、实施对策 (17)十二、检查效果 (19)1、小组目标检查 (19)2、经济效益 (21)十三、制定巩固措施 (21)十四、总结和下一步打算 (21)提高坡屋面混凝土浇筑一次验收合格率2一、工程简介本工程名称为“改造项目“风貌区”,工程性质为青岛小港老街区历史风貌保留区。
总建筑面积49197.36m2。
工程包括5栋低层商业建筑、一个半地下室超市和一个大地下室,结构类型为框架结构。
本工程大部分屋面为钢筋混凝土结构坡屋面,坡度30度至70度之间,屋面板厚120或130mm,板筋双层双向间距150mm,坡屋面垂直最大高度7.1米,5个楼座坡屋面混凝土方量约2500m3,工程量大,屋面层叠交叉,造型复杂,钢筋密集,采用普通木模板双面支模工艺施工。
坡屋面立面图3坡屋面浇筑口坡屋面浇筑口坡屋面浇筑及支撑示意图制图: 201212.245 二、小组概况房建一分风貌QC 小组成立于2009年7月,小组从2009年7月至2013年3月共组织开展活动10次,每次不少于10人,出勤率95%,发言率98%。
小组活动中严格遵循PDCA 循环开展活动。
小组人均接收QC 时间达到40学时。
小组成员情况:小组名称 风貌QC 小组注册编号 CNQC-YF-QFMC1201 课题名称 提高坡屋面砼浇筑一次验收合格率 课题编号 CNQC -YFQC-1308 课题类型 问题解决型 活动时间 2012.11-2013.3 接受QC 教育时间 40学时 小组成员 10人编号 姓名 职称 职务 职责1 高级工程师 项目经理 (组长)全面负责小组各项工作2 高级工程师 项目总工 (副组长)具体负责小组各项工作3 工程师 质检员 (组员)制定小组工作计划4 助工 施工员 (组员)监督小组计划实施5 助工 施工员 (组员)质量检查6 工程师 施工员 (组员)测量控制、统计比较7 工程师 施工员 (组员)质量检查8 助工 施工员 (组员)测量控制、统计比较 9 助工 施工员 (组员)数据分析、统计比较 10助工预算员(组员)数据分析、统计比较、发布工程概况 本工程包括5栋低层商业建筑、一个半地下室超市和一个大地下室,总建筑面积49197.36m2,结构类型为框架结构。
提高大面积地下室墙柱混凝土施工质量QC 小组名称:温州鹿城第一建筑工程有限公司乐清蒲岐镇东门街村商住楼项目工程项目部QC小组成果申报单位:温州鹿城第一建筑工程有限公司编制人:周星中编制日期:2017年11月3日提高大面积地下室墙柱混凝土施工质量温州鹿城第一建筑工程有限公司蒲岐镇东门街村商住楼项目工程项目部QC小组一、工程概况本工程拟建建筑总建筑面积53603m2,地下室1层,地下建筑面积约12458m2,住宅38125.61m2,商业1811m2,物业管理用房283.18m2;主要由8幢3-19F住宅楼组成。
二、QC小组简介项目部在以往的工程施工中,通过积极开展全面质量管理活动,取得了良好的质量效果,为了进一步在本工程中激发广大员工的积极性和创造性,为建设优质工程提供保证献计献策,项目部于2017年5月在公司注册登记成立了QC小组。
小组的活动宗旨是“技术改进、提高质量、降低成本、节能减排”。
三、课题选择(1)本工程已列入公司年度创优计划,合同质量目标为符合国家质量验收评定标准,确保“瓯江杯”争创“钱江杯”优质工程。
(2)根据公司“科技为本,管理至上,永创精品”质量方针,该工程要创精品工程。
(3)节约工程成本:施工期间若控制得当,可提高工作效率,减少材料损耗量,进而节约材料和人工。
为了确保本次活动的必要性,我们小组成员结合本工程实际和施工难点选出了4个课题,从重要性、紧迫性、难度系数和经济性方面进行了调查、对比与分析评价,小组课题选择评价表表4 小组课题选择评价表评分标准:★—10分,施工质量对工程创优的影响程度大、工期要求紧迫是关键线路、施工难度特大、投入小且经济效益好。
▲—8分,施工质量对工程创优的影响程度较大、工期要求紧迫程度较大是关键线路、施工难度大、投入大且经济效益较好。
●—5分,施工质量对工程创优的影响程度不大、工期要求紧迫程度较大为非关键线路、施工难度易控制、投入大且经济效益一般。
评分标准的制定依据:1、企业施工质量工艺标准;2、工程创优文件;3、施工总进度计划。
.
QC小组活动记录本
课题名称:砼浇筑质量的改进措施课题登记号: 001
小组名称: 12号线25标质量活动小组小组类型:技术质量小组
单位: 12号线25标项目部
部门:技术部
.
.
说明
一、QC小组活动记录本是QC小组的原始记录和成果(材料)评审的依据,请注意保存。
二、QC小组在开展活动过程中应如实、按时做好记录。
三、有关证明材料,补充材料可作附件。
.
.
目标:完善内部结构砼浇筑过程控制,提高浇筑质量及砼外观质量。
完成时间:2011.7.27~2011.8.26
活动次数:4
小组概况
.
.
活动计划和实际进度表
.
.
QC小组活动记录
活动次数编号:2 2011年 7月 29日
. .
QC小组活动记录
活动次数编号: 1 2011年 7月 27日
.
.
QC小组活动记录
活动次数编号:3 2010 年 8月4 日
. .
QC小组活动记录日 8 月13 4 2011 活动次数编号:年
.
.
QC小组活动记录 16日年3 月活动次数编号: 3 2010
. .
QC小组活动记录 16日 3 2010年 3 月活动次数编号:
.
.
QC小组活动记录 23 日4 2010 年 3月活动次数编号:
. .
QC小组活动记录日月活动次数编号:年
.
.
.
.
QC小组活动记录
活动次数编号: 5 2010 年 3月 30日
. .
.
.
QC小组活动记录
活动次数编号:6 2010 年3 月 30日
.
.
QC小组活动记录
活动次数编号: 6 2010 年4 月6 日
.
.
QC小组活动记录
活动次数编号: 7 2010 年4 月 13
日
.
.
QC小组活动记录
活动次数编号: 8 2010年4 月20 日
. .
.
.
QC小组活动记录
活动次数编号:年月日
.
.
QC小组活动考勤表出勤:√缺勤:×
.。