NTC热敏电阻检测方法
- 格式:docx
- 大小:36.91 KB
- 文档页数:2
NTCPTC检测方法NTC(Negative Temperature Coefficient)PTC(Positive Temperature Coefficient)是指温度敏感的电阻器,其电阻值随温度的变化而发生变化。
在电子电路中,NTC PTC常被用于温度测量、过温保护和温度补偿等应用。
下面将介绍一些常见的NTC PTC检测方法。
1.电阻-温度特性曲线测试法:该方法通过测试NTCPTC在不同温度下的电阻值,得到电阻-温度特性曲线。
主要步骤为:1)将NTCPTC连接到电路中,形成一个电阻测量回路;2)通过改变环境温度,分别记录不同温度下的NTCPTC电阻值;3)根据记录的电阻-温度数据,绘制电阻-温度特性曲线;4)利用曲线来计算NTCPTC在不同温度下的电阻值。
2.热敏电阻测试仪器法:该方法利用专用的热敏电阻测试仪器进行测量。
主要步骤为:1)连接NTCPTC到测试仪器上;2)设置测试仪器的工作模式和温度范围等参数;3)启动测试仪器,开始测试;4)测试仪器通过内部测温元件感知NTCPTC的温度,并测量NTCPTC 的电阻值;5)测试仪器会自动记录和显示NTCPTC在不同温度下的电阻值。
3.线性化电路法:该方法利用线性化电路来估计NTCPTC的温度。
主要步骤为:1)将NTCPTC接入一个线性化电路中,例如差分放大电路或电桥电路等;2)根据线性化电路的特点和设计要求,计算NTCPTC的电阻值与温度之间的关系;3)通过测量线性化电路中的电压、电流或其他参量,推算出NTCPTC的温度。
4.热电偶法:该方法利用热电偶原理来测量NTCPTC的温度。
主要步骤为:1)将NTCPTC与另一种不同温度特性的传感器(如热电偶)进行耦合;2)通过测量NTCPTC和热电偶之间的电压差,推算出NTCPTC的温度。
以上是常见的NTCPTC检测方法,不同的方法适用于不同的应用场景和需求。
选择合适的方法来检测NTCPTC的温度特性,可以确保其正常工作并提高系统的稳定性和可靠性。
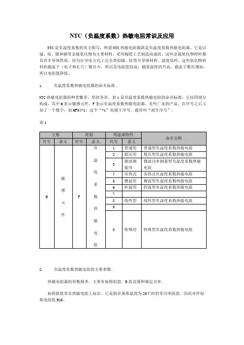
______________________________________________________________________________________________________________电子元器件的识别与检测精品资料电阻值大小的基本单位是欧姆(1.2.1根据国家标准电阻和电位器的型号由3部分或4部分组成精品资料贴片式电阻器的型号命名一般由6部分组成1.2.21.电阻在电路中长时间连续工作而不损坏,或不显著改变其性能所允许消耗的最大功率称为电阻的额定功率。
2.标称阻值通常是指电阻体表面上标注的电阻值,简称阻根据国家标准,常用的标称电阻值系列有1.2.3电阻的阻值表示方法主要有以下四种。
1.直标法直标法就是将电阻的阻值用数字和文字符号直接标在电阻体上。
2.文字符号法就是将电阻的标称值和误差用数字和文字符号按一定的规律组合标识在电阻体上。
3.色标法是将电阻的类别及主要技术参数的数值色标电阻(色环电阻)可分为三环、四环、五环三种标法。
快速识别色环电阻的要点是熟记色环所代表的数字含16尾环金银为误差,数字应为色环电阻无论是采用三色环,还是四色环、五色环,三色环电阻的色环表示标称电阻值(允许误差均为20%10102Ω 1.0k20%四色环电阻的色环表示标称值(二位有效数1510315k5%五色环电阻的色环表示标称值(三位有效数275104 2.75M1%一般四色环和五色环电阻表示允许误差的色环4.数码法是在电阻体的表面用三位数字或两位数字加(1)标注为“103”的电阻其阻值为10×103=10kΩR标注法的电阻其电阻值为5.1Ω(3)标注为9R1的电阻其阻值为9.1Ω)四位数字标注法标注为5232 的电阻其阻值为523×102=52.3 KΩ1.2.41.阻值变化特性是电位器的主要参数。
常见的电型)三种形式,三种电位器转角与阻值的变化规律如图1.37所示。
NTC热敏电阻检测方法NTC热敏电阻(Negative Temperature Coefficient Thermistor)是一种温度敏感元件,可以将温度转化为电阻值的变化。
利用NTC热敏电阻进行温度检测的方法有很多种,下面将介绍几种常用的方法。
1.恒流法恒流法是一种常用的NTC热敏电阻检测方法。
该方法利用恒定电流通过NTC热敏电阻,测量电阻两端的电压来推算温度。
具体步骤如下:(1)将NTC热敏电阻与一个已知电阻串联连接,形成一个电阻分压网络。
(2)通过搭建一个恒流源,将电流引入电阻分压网络。
(3)通过测量电阻两端的电压,利用欧姆定律和分压原理推算出NTC热敏电阻的电阻值。
(4)根据NTC热敏电阻的电阻-温度关系曲线,将电阻值转换为温度值。
2.恒压法恒压法是另一种常用的NTC热敏电阻检测方法,原理与恒流法类似,只是测量的参数不同,利用电阻两端的电流来推算温度。
具体步骤如下:(1)将NTC热敏电阻与一个已知电阻并联连接,形成一个电流分流网络。
(2)通过搭建一个恒定电压源,将电压施加在电流分流网络上。
(3)通过测量电阻两端的电流,利用欧姆定律和分流原理推算出NTC热敏电阻的电阻值。
(4)根据NTC热敏电阻的电阻-温度关系曲线,将电阻值转换为温度值。
3.桥式检测法桥式检测法是一种利用电桥平衡原理的NTC热敏电阻检测方法。
具体步骤如下:(1)搭建一个包含NTC热敏电阻和已知电阻的电桥电路。
(2)调节电桥电路中的电阻或电容,使得电桥平衡。
(3)通过测量电桥电路的输出信号,可以推算出NTC热敏电阻的电阻值。
(4)根据NTC热敏电阻的电阻-温度关系曲线,将电阻值转换为温度值。
4.趋势法趋势法是一种简便的NTC热敏电阻检测方法,适用于实时监测温度的场合。
该方法利用NTC热敏电阻的电阻值随温度的变化呈现一定的趋势,通过监测电阻值的变化来推算温度。
具体步骤如下:(1)进行一组标定实验,得到NTC热敏电阻的电阻-温度关系曲线。
NTC热敏电阻工作原理、参数解释作者:时间:2010-3-14 5:09:12ntc负温度系数热敏电阻工作原理ntc是negative temperature coefficient 的缩写,意思是负的温度系数,泛指负温度系数很大的半导体材料或元器件,所谓ntc热敏电阻器就是负温度系数热敏电阻器。
它是以锰、钴、镍和铜等金属氧化物为主要材料,采用陶瓷工艺制造而成的。
这些金属氧化物材料都具有半导体性质,因为在导电方式上完全类似锗、硅等半导体材料。
温度低时,这些氧化物材料的载流子(电子和孔穴)数目少,所以其电阻值较高;随着温度的升高,载流子数目增加,所以电阻值降低。
ntc热敏电阻器在室温下的变化范围在10o~1000000欧姆,温度系数-2%~-6.5%。
ntc热敏电阻器可广泛应用于温度测量、温度补偿、抑制浪涌电流等场合。
ntc负温度系数热敏电阻专业术语零功率电阻值 rt(ω)rt指在规定温度 t 时,采用引起电阻值变化相对于总的测量误差来说可以忽略不计的测量功率测得的电阻值。
电阻值和温度变化的关系式为:rt = rn expb(1/t – 1/tn)rt :在温度 t ( k )时的 ntc 热敏电阻阻值。
rn :在额定温度 tn ( k )时的 ntc 热敏电阻阻值。
t :规定温度( k )。
b : ntc 热敏电阻的材料常数,又叫热敏指数。
exp:以自然数 e 为底的指数( e = 2.71828 …)。
该关系式是经验公式,只在额定温度 tn 或额定电阻阻值 rn 的有限范围内才具有一定的精确度,因为材料常数b 本身也是温度 t 的函数。
额定零功率电阻值 r25 (ω)根据国标规定,额定零功率电阻值是 ntc 热敏电阻在基准温度25 ℃ 时测得的电阻值 r25,这个电阻值就是ntc 热敏电阻的标称电阻值。
通常所说ntc 热敏电阻多少阻值,亦指该值。
材料常数(热敏指数) b 值( k )b 值被定义为:rt1 :温度 t1 ( k )时的零功率电阻值。
NTC(负温度系数)热敏电阻常识及应用值便增加2.23~4.09%)。
为了简便,可将d25取为-3%/℃,这样估算就十分方便了:在某一温度t℃时热敏电阻所具有的电阻值,等于其前一温度的电阻乘以系数0.97(即100%-3%=97%=0.97)。
例如,某1只MF11型负温度系数热敏电阻器在25℃的阻值为250Ω,那么在26℃时为250Ω×0.97=242.5Ω。
4.负温度系数热敏电阻的典型应用。
第一个应用实例是多点测温仪。
如图1所示。
R1~R5以及表头uA组成测量电桥。
其中,R2、R3是电桥的平衡电阻,R1为起始电阻,R4为满刻度电阻。
当XP未插入XS中时,表头满刻度,起着校正作用。
电位器RP为电桥提供一个稳定的直流电源。
R5与表头uA串联,起修正表头刻度和限制流经表头电流的作用。
Rt1~Rt6为MF11型负温度系数热敏电阻器,分别安装在六个待测温度的场所。
S2为安装在监测室内的切换开关。
当插头XP插入插座XS中后,XS中的Q与A自动分开,操作拨动开关S2便可测出各点的温度,通过表头uA显示读数。
第二个应用实例是温控吊扇。
如图2所示。
R1、Rt和RP构成测温电路。
其中Rt为负温度系数热敏电阻器MF51。
IC为时基集成电路NE555,它与R2、C2构成单稳态延时电路。
继电器K为执行器件,其触点K直接控制吊扇电动机M电源的通断。
C3与VD1~VD4以及T构成降压、整流滤波电路,向温控电路提供所需的直流电源。
当室温低于设定温度值时,Rt的阻值较大,IC的2脚电位高于1/3电源电压,其输出端IC的3脚为低电平,K处于释放状态,吊扇不工作;当室温高于设定温度时,Rt的阻值下降至某一数值,它与RP的串联电路的电压降低到小于1/3电源电压,于是IC的2脚由高电平变为低电平,IC的3脚此时输出高电平,继电器K吸合,吊扇运转。
当室温逐渐下降至设定温度以下时,电路将重复上述过程,从而使室内温度稳定于某一温度值。
负温度系数(NTC)热敏电阻材料由高纯度过渡金属Mn Cu Ni等元素的氧化物经共沉淀制粉、等静压成型后1200-1400℃高温烧结而成,结合先进的半导体切、划片工艺及玻封、环氧工艺制成各种类型NTC热敏电阻,产品种类齐全、精度高、稳定性好。
阻值范围0.5~2000kΩ,B值范围2500~4500。
NTC热敏电阴的基本特特NTC热敏电阻的基本物理物性有:电阻值、B值、耗散系数、时间常数。
其定义如下电阻值R(kΩ):电阻值可以近似地用如下公式表达:其中:R1、R2 为绝对温度下T1、T2 时的电阻值(kΩ);B:B值(K)B值:B (K):B值反映了两个温度之间的电阻变化,可用下述公式计算:其中:R1、R2 绝对温度T1、T2时的电阻值(Ω)耗散系数δ(mW/℃):耗散系数是指热敏电阻消耗的功率与环境温度变化之比:其中:W热敏电阻消耗的功率(mW)T热平衡时的温度T0 周围环境温度I 在温度T时通过热敏电阻电流R在温度T时热敏电阻的电阻值(Ω)时间常数τ(sec.):热敏电阻在零功率状态下,当环境温度由一个特定温度向另一个特定温度突变时,热敏电阻阻值变化63.2%所需时间。
NTC(负温度系数)热敏电阻器产品专业术语NTC(负温度系数)热敏电阻器产品专业术语NTC热敏电阻检测方法用万用表测量NTC热敏电阻的方法与测量普通固定电阻的方法相同,即按NTC热敏电阻的标称阻值选择合适的电阻挡可直接测出Rt的实际值。
但因NTC热敏电阻对温度很敏感,故测试时应注意以下几点:(1)由标称阻值Rt的定义可知,此值是生产厂家在环境温度为25℃时所测得的。
所以用万用表测量Rt时,亦应在环境温度接近25℃时进行,以保证测试的可信度。
(2)测量功率不得超过规定值,以免电流热效应引起测量误差。
例如,MF12-1型NTC热敏电阻,其额定功率为1W,测量功率P1=0.2mW。
假定标称电阻值Rt为1kΩ,则测试电流:显然使用R×lk挡比较合适,该挡满度电流Im通常为几十至一百几十微安。
ntc热敏电阻测温电路设计概述说明以及解释1. 引言1.1 概述本文讨论的是NTC热敏电阻测温电路设计。
在现代科技发展中,温度测量是非常重要的一项技术。
NTC热敏电阻作为常见的温度传感器之一,具有精确、可靠、成本低廉等特点,广泛应用于各个领域。
1.2 文章结构本文主要分为五大部分。
第一部分是引言,对文章进行概述说明以及目的阐述。
第二部分详细介绍了NTC热敏电阻的基本知识和特性。
第三部分讨论了温度测量原理及方法,并与其他常见温度测量方法进行比较。
第四部分重点探讨了NTC 热敏电阻测温电路设计的要点,包括选择合适的NTC热敏电阻型号与参数设置、温度补偿与校准技巧以及信号处理与转换电路设计要点。
最后一部分是结论和展望,总结了文章的主要内容并对未来发展进行了展望。
1.3 目的本文的目的是提供关于NTC热敏电阻测温电路设计方面的详细说明和解释。
通过对NTC热敏电阻的介绍和温度测量原理的解析,帮助读者了解如何选择合适的NTC热敏电阻、进行温度补偿与校准,并设计出高效可靠的信号处理与转换电路。
同时,本文还展望了NTC热敏电阻测温技术在未来的发展方向。
2. NTC热敏电阻简介2.1 什么是NTC热敏电阻NTC热敏电阻全称为负温度系数热敏电阻( Negative Temperature Coefficient Thermistor),是一种根据温度变化而改变阻值的传感器。
它由金属氧化物制成,具有负温度系数特性,即当温度上升时,其电阻值会下降;反之,当温度下降时,电阻值会增加。
2.2 NTC热敏电阻的特性NTC热敏电阻具有许多独特的特性。
首先,它们响应速度快,能够实时测量环境温度。
其次,NTC热敏电阻的响应范围广泛,可覆盖从低至几摄氏度到高达几百摄氏度的整个温度范围。
此外,NTC热敏电阻精确可靠,在稳态和非稳态情况下都能提供准确的温度测量结果。
2.3 应用领域NTC热敏电阻广泛应用于各个领域中的温度测量与控制。
它们被广泛用于家电、汽车、电子设备等领域,在温度测量、过热保护、温度补偿等方面发挥着重要作用。
NTC热敏电阻检测方法NTC热敏电阻(Negative Temperature Coefficient Thermistor)是一种电阻随温度变化而变化的热敏元件。
其电阻值会随着温度的升高而减小,这是热敏电阻与普通固体电阻的最大不同之处。
下面将详细介绍NTC热敏电阻的检测方法。
一、电压测量方法电压测量方法是应用较为简单的一种检测方法。
通过测量热敏电阻两端的电压来间接计算出电阻值。
具体步骤如下:1.将热敏电阻与电源连接。
将电源的正极与热敏电阻的一端连接,将电源的负极与热敏电阻的另一端连接。
2.使用模拟电压表或数字电压表来测量热敏电阻两端的电压。
3.根据测量得到的电压值,结合电路中的连接方式和电源的电压值,使用欧姆定律计算出热敏电阻的电阻值。
欧姆定律公式为:R=V/I,其中R为电阻值,V为电压值,I为电流值。
电压测量方法简单、直接,可以快速得到热敏电阻的电阻值。
但是需要注意的是,使用该方法时需要保证电源的电压稳定,电流不过大,以免对热敏电阻产生不必要的影响。
二、电桥测量方法电桥测量方法是一种基于电桥原理的检测方法,通过平衡电桥来测量热敏电阻的电阻值。
具体步骤如下:1.搭建电桥电路。
将热敏电阻与标准电阻、电源和电压表等组成一个电桥电路。
电桥电路的基本组成为:热敏电阻与标准电阻分别连接在电桥的两边,电源接在电桥的一侧,电压表接在电桥的另一侧。
2.调节电桥平衡。
通过调节标准电阻上的滑动变阻器,使电桥达到平衡状态。
此时电桥两边电阻的比例关系为R1/R2=R3/R43.读取电桥平衡时滑动变阻器的阻值,即可得到热敏电阻的电阻值。
电桥测量方法是一种较为准确的热敏电阻检测方法,可避免外界电流干扰。
但是需要注意的是,使用该方法需要合理选择电桥电路中的标准电阻和滑动变阻器的阻值范围,以保证电桥平衡时阻值的准确测量。
三、温度-电阻曲线方法温度-电阻曲线方法是一种相对比较精确的热敏电阻检测方法,通过测量热敏电阻在不同温度下的电阻值来绘制电阻-温度曲线。
NTC热敏电阻检测方法热敏电阻(NTC)是一种具有温度敏感特性的电子元件,其电阻值随温度的变化而变化。
通过测量热敏电阻的电阻值,我们可以确定所测温度。
下面将介绍一种基于电流-电压方法的热敏电阻检测方法。
1.原理热敏电阻的电阻值与温度的关系可用以下公式表示:R = R0 * exp(B * (1/T - 1/T0))其中,R为热敏电阻的电阻值,R0为额定温度下的电阻值,T为当前温度,T0为额定温度,B为材料常数。
根据欧姆定律,电流I通过热敏电阻产生的电压V与热敏电阻的电阻值R之间存在以下关系:V=I*R因此,我们可以通过测量热敏电阻两端的电压以及流经热敏电阻的电流,计算出热敏电阻的电阻值,从而确定温度。
2.实验装置为了进行热敏电阻的检测,需要以下实验装置:-热敏电阻模块:包含热敏电阻和电路连接接口。
-电源:提供电流。
-电压测量仪:用于测量热敏电阻两端的电压。
-电流测量仪:用于测量流经热敏电阻的电流。
3.检测步骤具体的热敏电阻检测步骤如下:1.将热敏电阻模块连接到电源和电压测量仪以及电流测量仪。
2.通过电源给热敏电阻施加电流,并通过电流测量仪测量电流值。
3.使用电压测量仪测量热敏电阻两端的电压。
4. 根据Ohm定律,计算热敏电阻的电阻值。
即 V = I * R,解得 R = V / I。
5.根据热敏电阻的原理公式,计算温度值。
需要注意的是,热敏电阻的测量值与电源的电压、测量仪器的精度以及环境温度等因素有关,为了提高准确性,需要进行校准和温度校正。
4.应用热敏电阻的检测方法可以广泛应用于温度测量场合,如工业控制、家用电器、医疗设备等。
同时,由于热敏电阻的体积小、价格低廉等特点,也可应用于计算机、手机等消费电子产品中。
NTC热敏电阻是一种能够随环境温度变化而改变阻值的电子元件,广泛应用于电子温度测量、自控温控系统等领域。
在国内,NTC热敏电阻的测试需要遵循国家标准GB/T 16789-2015《热敏电阻器热敏特性测量方法》和GB/T 18082-2017《热敏电阻器的额定特性》。
下面是具体的测试流程和注意事项:测试流程:1. 测量电路准备:确保测试电路符合标准要求,包括测试电源、电流源、电阻器等。
2. 校准测试设备:校准测试设备,以确保测量结果准确可靠。
3. 测量温度漂移:根据标准要求,测量NTC热敏电阻在一定范围内的温度漂移曲线,确定其温度特性。
4. 测量电阻温度系数:以一定的温度步长,通过改变温度测量NTC热敏电阻的阻值,并绘制出不同温度下的阻值-温度曲线。
5. 确定测试数据:以绘制出的阻值-温度曲线为依据,确定NTC热敏电阻在工作温度范围内的一些重要参数,如B值、N值、Tx等。
注意事项:1. 确保测试环境稳定:在测试过程中,应确保测试环境温度稳定,并尽量消除外部干扰,以确保测试结果的准确性和可靠性。
2. 正确连接测试电路:NTC热敏电阻在测试时需连接合适电路,以保证测试电流、电压符合标准要求,同时防止NTC热敏电阻受到损坏。
3. 校准和验证测试设备:测试前需正确校准和验证测试设备,确保测试结果的准确性和可靠性。
4. 注意测试温度范围:测试时,应注意NTC热敏电阻的额定工作温度范围,避免测试范围超出NTC热敏电阻的工作范围,影响测试结果和NTC热敏电阻的使用寿命。
5. 注意测试数据复核:测试结束后应对测试数据进行复核和校验,确保测试结果的合理性和可信度。
总之,对于NTC热敏电阻的测试,需要遵循国家标准的要求,注意测试环境、测试设备的准确性和稳定性,以确保测试结果准确可靠,能够为后续的工作提供有力的支持。
ntc热敏电阻测量方法
宝子,今天咱来唠唠ntc热敏电阻咋测量哈。
最常用的方法呢,就是用万用表啦。
你得先把万用表打到合适的电阻档哦。
如果你的万用表有专门测小电阻的档,那就更好啦。
一般ntc热敏电阻的阻值不会太大呢。
然后呢,你要把热敏电阻从电路里拆下来哦。
为啥要拆下来呢?因为要是在电路里的话,其他元件可能会干扰测量结果,就像一群调皮的小捣蛋鬼在捣乱一样。
把热敏电阻的两个引脚擦干净,可不能有脏东西或者氧化物啥的。
这就好比给它洗个脸,让它清清爽爽地接受测量。
把万用表的表笔稳稳地接在热敏电阻的两个引脚上。
这时候看万用表的读数啦。
不过要注意哦,ntc热敏电阻的阻值是随温度变化的。
如果你的测量环境温度变了,阻值也会跟着变呢。
还有一种方法呢,就是用专门的电阻测量仪器。
这种仪器可能会更精确一些。
但是对于咱一般的小打小闹,万用表就足够啦。
要是你测量出来的阻值和这个热敏电阻标称的阻值相差特别大,那可能这个热敏电阻就有问题啦。
也许是它受伤了,就像小朋友不小心摔倒磕破了膝盖一样。
在测量的时候呀,一定要细心一点。
要是手抖了,或者没接好表笔,那测量结果可就不准喽。
就像你画画的时候,如果手不稳,画出来的线条就歪歪扭扭的。
另外呢,如果你想看看这个热敏电阻在不同温度下的阻值变化,你可以把它放在不同温度的环境里测量。
比如放在冰箱里降降温,再拿出来赶紧测量,或者放在热水杯旁边让它暖和暖和再测。
这样就能更全面地了解这个ntc热敏电阻的特性啦。
宝子,你学会了没 。
NTC热敏电阻检测方法
新晨阳电容电感
(一)测量标称电阻值Rt
用万用表测量NTC热敏电阻的方法与测量普通固定电阻的方法相同,即按NTC热敏电阻的标称阻值选择合适的电阻挡可直接测出Rt的实际值。
但因NTC热敏电阻对温度很敏感,故测试时应注意以下几点:
由标称阻值Rt的定义可知,此值是生产厂家在环境温度为25℃时所测得的。
所以用万用表测量Rt时,亦应在环境温度接近25℃时进行,以保证测试的可信度。
(2)测量功率不得超过规定值,以免电流热效应引起测量误差。
例如,MF12-1型NTC热敏电阻,其额定功率为1W,测量功率P1=0.2mW。
假定标称电阻值Rt为1kΩ,则测试电流:
显然使用R×lk挡比较合适,该挡满度电流Im通常为几十至一百几十微安。
例如多用的500型万用表R×1k挡的Im=150uA,与141uA很接近。
(3)注意正确操作。
测试时,不要用于捏住热敏电阻体,以防止人体温度对测试产生影响。
(二)估测温度系数αt
先在室温t1下测得电阻值Rt1;再用电烙铁作热源,靠近热敏电阻Rt1,测出电阻值Rt2,同时用温度计测出此时热敏电阻RT表面的平均温度t2。
将所测得的结果输入下式:
αt≈(Rt2-Rt1)/[Rt1(t2-t1)]
NTC热敏电阻的αt<0。
注意事项
1、给热敏电阻加热时,宜用20W左右的小功率电烙铁,且烙铁头不要直接去接触热敏电阻或靠的太近,以防损坏热敏电阻。
2、若测得的αt>0,则表明该热敏电阻不是NTC而是FTC。
应用手册, V 1 . 0 , N o v . 2 0 0 9AN2009-10电力电子模块内部NTC的使用关于温度测量的考虑I M M I N P L P版本 2010-01-13英飞凌科技股份公司印制59568 War st ein, Ger m any©英飞凌科技股份公司版权所有,2008.保留所有权利。
免责声明本应用文档中给出的信息仅作为关于使用英飞凌科技组件的建议,不得被视为就英飞凌科技组件的任何特定功能、条件或质量作出的任何说明或保证。
本应用文档的使用者必须在实际应用中验证本文档描述的任何功能。
英飞凌科技在此声明,未就本应用文档中给出的任何及所有信息作出任何性质的保证,也不承担任何性质的责任,包括但不限于没有侵犯任何第三方的知识产权的保证。
为方便客户浏览,英飞凌以下所提供的将是有关英飞凌产品及服务资料的中文翻译版本。
该中文翻译版本仅供参考,并不可作为任何论点之依据。
虽然我们尽力提供与英文版本含义一样清楚的中文翻译版本,但因语言翻译和转换过程中的差异,可能存在不尽相同之处。
因此,我们同时提供该中文翻译版本的英文版本供您阅读,请参见【Using t he NTC insid e a p ow er m od ule】。
并且,我们在此提醒客户,针对同样的英飞凌产品及服务,我们提供更加丰富和详细的英文资料可供客户参考使用。
请详见【IGBT-Mod ules】客户理解并且同意,英飞凌毋须为任何人士由于其在翻译原来的英文版本成为该等中文翻译版本的过程中可能存在的任何不完整或者不准确而产生的全部或者部分、任何直接或者间接损失或损害负责。
英飞凌对于中文翻译版本之完整与正确性不担负任何责任。
英文版本与中文翻译版本之间若有任何歧异,以英文版本为准,且仅认可英文版本为正式文件。
您如果使用以下提供的资料,则说明您同意并将遵循上述说明。
如果您不同意上述说明,请不要使用本资料。
信息垂询若需获得关于技术、交付条款和价格的更多信息,敬请联系距离您最近的英飞凌办事处()警告由于技术要求,组件可能包含有害物质。
NTC热敏电阻检验方法
1、目的:
为保证本公司所生产的产品质量,严格把关来料质量,特制定适应本公司的检验规范,其目的是使热敏电阻来料符合本公司的产品需求,保证公司所购直插热敏电阻的质量符合要求。
2、适用范围:
本检验规范适合本公司所有来料的NTC10D-9热敏电阻.。
3、抽检标准:GBGB/T 2828.1-2003/ISO 28895-1:1999
4、检验内容:
4.1测试工具及仪表:LCR电桥,150mm游标卡尺,可调温恒温烙铁,测力计,电源,PCB 板。
4.2判定标准分类及定义:
A:单位产品的质量特性符合规定。
B:单位产品的一般质量特性不符合规定。
C:单位产品的重要质量特性不符合规定。
5、接收标准:AQL:C为0,B为0.4,A为1.0
6、供应来料信息:
材料:有机实心外形:平面片状
频率特性:超高频
功率特性:大功率
批准人:制定人:测试人:
批准日期:制定日期:2013年3月19日测试日期:。
基于RC充放电的NTC热敏电阻测温试验利用单片机I/O口使用RC充放电原理进行温度测量,前提是单片机的I/O口应有高阻功能,若为AT89C51/AT89C2051系列单片机其I/O口为准双向口无高阻功能;所以,需加一只三极管进行高阻功能扩展。
下图中RK为10K精密电阻(精度为1%),RT为10K精度为1%的NTC热敏电阻,C1为0.1uf的瓷片电容。
其中电阻和电容的选择应更据单片机的时钟频率及RC充放电时间常数进行选择;选择方法是在保证RK与RT和C1之间的充放电时间常数不能大于单片机内部的定时器的最大定时时间,若无法达到要求,则需降低单片机的时钟频率。
本文提供了一种电路非常简单,且易于实现,并且适用于几乎所有类型的单片机。
其电路原理图如下所示:图中:P1.0、P1.1和P1.2是单片机的3个I,O脚;RK为100k的精密电阻;RT为100K,精度为1,的热敏电阻;R1为100Ω的普通电阻,若单片机的I/O口灌入电流大于20mA则R1可用导线代替;C1为0.1μ的瓷片电容。
其工作原理为:1.先将P1.0、P1.1、P1.2都设为低电平输出,使C1放电至放完。
2.将P1.1、P1.2设置为输入状态,P1.0设为高电平输出,通过RK电阻对C1充电,单片机内部计时器清零并开始计时,检测P1.2口状态,当P1.2口检测为高电平时,即C1上的电压达到单片机高电平输入的门嵌电压时,单片机计时器记录下从开始充电到P1.2口转变为高电平的时间TK。
3.将P1.0、P1.1、P1.2都设为低电平输出,使C1放电至放完。
4.再将P1.0、P1.2设置为输入状态,P1.1设为高电平输出,通过RT电阻对C1充电,单片机内部计时器清零并开始计时,检测P1.2口状态,当P1.2口检测为高电平时,单片机计时器记录下从开始充电到P1.2口转变为高电平的时间TT。
5.从电容的电压公式:可以得到:TK,RK,TT,RT,即RT,(TT,TK)×RK通过单片机计算得到热敏电阻RT的阻值。
ntc热敏电阻温度对照表NTC热敏电阻温度对照表随着科技的不断发展,热敏电阻在现代生活中扮演着重要的角色。
热敏电阻是一种特殊的电阻,其电阻值随着温度的变化而变化。
为了更好地了解和应用热敏电阻,我们需要掌握NTC热敏电阻温度对照表。
本篇文章将详细介绍NTC热敏电阻温度对照表的相关内容。
一、什么是NTC热敏电阻?NTC热敏电阻是Negative Temperature Coefficient Thermistor 的缩写,即负温度系数热敏电阻。
它是一种温度敏感的电子元件,其电阻值随着温度的升高而逐渐减小。
NTC热敏电阻广泛应用于温度测量、温度控制、温度补偿等领域。
二、NTC热敏电阻温度对照表的作用NTC热敏电阻温度对照表是一种记录了热敏电阻电阻值和温度对应关系的表格。
通过查阅NTC热敏电阻温度对照表,我们可以准确地了解到热敏电阻的电阻值与温度之间的关系,从而能够更好地应用和控制热敏电阻。
三、NTC热敏电阻温度对照表的使用方法使用NTC热敏电阻温度对照表时,我们需要首先了解热敏电阻的额定电阻值和B值。
额定电阻值是指热敏电阻在25摄氏度时的电阻值,通常以欧姆(Ω)为单位表示。
B值是指NTC热敏电阻的温度系数,它反映了热敏电阻电阻值随温度变化的速度。
接下来,我们可以根据NTC热敏电阻的额定电阻值和B值,在NTC 热敏电阻温度对照表中查找对应的温度值。
通常,NTC热敏电阻温度对照表的表格由两列组成,一列是温度值,另一列是对应的电阻值。
通过对比我们的热敏电阻的电阻值,我们可以找到相应的温度值。
需要注意的是,NTC热敏电阻温度对照表中的温度值一般是以摄氏度为单位表示的。
如果我们需要将温度值转换为其他单位,例如华氏度或开尔文,我们可以根据对应的转换公式进行计算。
四、NTC热敏电阻温度对照表的应用场景NTC热敏电阻温度对照表在很多领域都有广泛的应用。
例如,在温度测量领域,我们可以通过测量热敏电阻的电阻值,然后查阅NTC 热敏电阻温度对照表,得到相应的温度值。
NTC热敏电阻检测方法
NTC热敏电阻是一种常见的温度传感器,它的电阻随温度的变化而变化。
在实际应用中,我们需要通过其中一种方式来对NTC热敏电阻进行检测,以获取当前的温度值。
接下来,我将介绍几种常用的NTC热敏电阻检
测方法。
方法一:电桥法
电桥法是一种常用的测量NTC热敏电阻的方法。
电桥由四个电阻组成,包括待测的NTC电阻和三个已知电阻。
通过调节电桥电阻的比例,使得电
桥平衡,即电桥两端的电压为零。
此时,我们可以根据电桥电阻的比例关
系得到NTC电阻的实际值。
方法二:差动放大器法
差动放大器法是一种利用差动放大器进行NTC热敏电阻检测的方法。
差动放大器对输入信号进行放大并进行差分运算,输出差分电压。
通过连
接一个可变电阻和NTC热敏电阻在差动放大器的非反馈输入端,我们可以
通过调节可变电阻的阻值,使得输出差分电压为零。
此时,我们可以根据
可变电阻的阻值得到NTC电阻的实际值。
方法三:数字递增法
数字递增法是一种通过递增电流来检测NTC热敏电阻的方法。
首先,
我们通过一个固定电压源和一个电阻,将电流通过NTC电阻。
然后,我们
逐步增加电流的大小,记录每个电流下的电压值。
最后,根据温度-电阻
曲线和测得的电压值,我们可以计算出NTC电阻的实际温度。
方法四:串联电阻法
串联电阻法是一种利用串联电阻进行NTC热敏电阻测量的方法。
我们
将一个已知电阻和NTC热敏电阻串联,然后将串联电阻连接到一个稳压电源。
通过测量串联电阻的电压,我们可以根据已知电阻的阻值计算出NTC
电阻的实际阻值,并据此推算出温度值。
方法五:自校准法
自校准法是一种基于热敏电阻电阻随温度变化规律的方法。
通过在不
同温度下测量NTC电阻的电阻值,我们可以建立温度-电阻曲线。
然后,
我们根据这个曲线,通过测量NTC电阻的电阻值,来计算出当前的温度值。
综上所述,NTC热敏电阻的检测可以通过电桥法、差动放大器法、数
字递增法、串联电阻法和自校准法等方法进行。
根据具体应用情况和需求,选择合适的方法来进行NTC热敏电阻的检测,可以有效地获取当前的温度值。