电喷发动机故障代码的读取与清除方法
- 格式:doc
- 大小:26.50 KB
- 文档页数:4
广州市交通高级技工学校广州市交通技师学院生产实习课教案(首页)(代号B—4)主讲教师郑成朱明审核者年月日总课题:汽车维修电工中级培训分课题:电喷发动机的故障码的读取一、教学内容电喷发动机的故障码的读取。
二、教学目的掌握电喷发动机的故障码的读取方法;三、教学要求要求每个学生都能熟练电喷发动机的故障码的读取。
四、教学重点:电喷发动机的故障码的读取五、教学安排1)入门…….集中学生讲述起动系线路连接与原理分析故障诊断相关知识。
2)示范操作…….向学生示范起动系线路连接与原理分析。
3)巡回指导…….检查学生的操作情况发现现问题及时解决。
4)注意事项…….注意安全、文明生产,正确使用工具、分析起动系线路连接与原理分析故障诊断与分析。
六、教学过程:电喷发动机的故障码的读取一、电子控制燃油喷射发动机组成:1、进气系统:由空气滤清器;进气管道;节气门及节气门体;怠速辅助空气通道;空气压力传感器;怠速调节阀;进气岐管等组成。
2、燃油系统:由燃油箱;燃油滤清器;燃油泵;燃油脉动衰减器;燃油压力调节器;喷油器、燃油管等组成。
3、电子点火系统:由电子点火器;点火线圈;分电器;点火控制器;火花塞等组成。
4、发动机怠速控制系统:作用:发动机在怠速工况下,节气门关闭,从节气门缝隙和怠速旁空气通道进入的空气,与相应的汽油配制而成一定比例的可燃混合气,燃气燃烧所产生的发动机转矩,仅用于克服发动机本身的摩擦和压缩阻力矩及发动机驱动的附加装置阻力矩,以使发动机维持稳定怠速转速。
5、汽车排放控制系统(废气再循环控制系统ECR)作用:通过改善燃烧,降低燃烧温度阻止曲轴箱气体和燃油蒸发排放,净化排气管废气等手段,使汽车对大气的污染减小到最低限度。
6、发动机集中电子控制系统(EFI)控制前四个部分日产公司(ECCS)发动机集中电子控制系统;本田公司(PGM)程序式燃油和喷射系统;丰田(TCCS)计算机控制系统;皇冠 3.0(JES133)二、传感器种类1、曲轴转角传感器2、空气流量传感器3、发动机冷却液温度传感器4、节气门开度位置传感器5、点火开关6、进气温度传感器7、空气流量计或真空传感器8、冷却液温度传感器9、节气门开度传感器10、氧气传感器11、爆震传感器三、执行器种类1、喷油器2、电子点火器3、怠速控制阀4、废气循环阀5、燃油泵6、发动机故障灯四、发动机电子控制系统诊断与检修(以丰田车为例)1、故障码的读取①应首先满足以下初始条件:A.蓄电池电压应达到11 V或更高。
朗杰电喷系统故障代码表大全朗杰电喷系统作为现代汽车发动机的核心组成部分,其工作状态对车辆性能有着至关重要的影响。
然而,在使用过程中,难免会出现故障。
为了帮助车主和维修人员快速准确地诊断和解决问题,我们整理了朗杰电喷系统故障代码表大全,以供参考。
一、朗杰电喷系统简介朗杰电喷系统主要由发动机控制模块(ECU)、传感器、执行器等组成。
系统通过各种传感器收集发动机运行数据,对数据进行分析处理后,对发动机喷油量、点火时序等进行精确控制,以保证发动机在高效率、低排放、低油耗的状态下运行。
二、朗杰电喷系统故障代码表概述朗杰电喷系统故障代码表涵盖了发动机控制模块(ECU)可能出现的各类故障。
故障代码分为两类:一类是硬故障,即ECU内部硬件故障;另一类是软故障,即ECU程序故障。
故障代码以数字或字母组合表示,每种故障代码都对应一个特定的故障现象。
三、故障代码解析与排除方法1.读取故障码:使用专业诊断仪器读取发动机控制模块(ECU)存储的故障码。
根据故障码的描述,判断故障原因。
2.故障码解析:根据故障码的含义,分析故障原因。
例如,故障码P0300表示发动机失火,可能原因包括点火系统故障、喷油器故障、燃油泵故障等。
3.排除方法:根据故障原因,进行相应的检修。
如更换火花塞、清洗喷油器、更换燃油泵等。
四、常见故障及解决方案1.发动机启动困难:检查点火系统、燃油系统、发动机机械部分等。
2.发动机抖动:检查点火系统、喷油器、发动机积碳等。
3.发动机油耗高:检查喷油器、燃油泵、空气流量计等。
4.发动机动力不足:检查点火系统、喷油器、排气系统等。
五、系统维护与保养建议1.定期更换机油、机滤、空滤等,保证发动机内部清洁。
2.定期检查点火系统、喷油器、燃油泵等,保证燃油供给正常。
3.定期清洗发动机积碳,提高发动机燃烧效率。
4.避免长时间怠速运转,防止发动机高温。
5.避免添加不当的燃油和润滑油,防止发动机故障。
通过以上方法,可以有效预防和解决朗杰电喷系统故障。
国三电喷柴油发动机常见故障诊断国三柴油机故障诊断一、发动机起动困难。
案例1故障症状:起动机和发动机均有正常起动转速,但不着火;或者有时经过多次长时间的起动方可着火。
故障原因:燃油管路有空气。
故障性质:机械故障。
处理方法:燃油管路排空气。
故障分析:国车采用共轨系统,油路排空气相对困难一些,往往操作人员感觉到空气排除干净的,实际还是没有彻底排干净。
根据实际使用情况来看,应该松开油泵回油螺栓来排空气,必要时可松开高压油管,利用起动机带动发动机空转来排空气;如果仅仅是松开燃油滤清器的放气螺钉来排空气,可能不容易彻底排除燃油管路的空气,比较费力。
案例2故障症状:起动机和发动机均有正常起动转速,但不着火。
故障原因:柴油管路或油水分离器堵塞。
故障性质:机械故障。
处理方法:清理柴油管路或油水分离器、对有水分离器进行放水,必要时更换,最后要对油路进行彻底排空气。
故障分析:目前,我国的柴油品质还不能完全满足国系统的柴油机对于柴油品质的要求,因此,国发动机的柴油滤清器或油水分离器要经常保养,其保养周期要比以前的发动机大大缩短。
(还有一种情况,如果进油软管或回油软管内径太细太长导致进回油进回油不畅,比较严重的也会使发动机启动困难或无法起动。
此时,需要更换符合要求的进回油管,内径最好12毫米以上)。
案例3故障症状:起动机和发动机均有正常起动转速,但不着火。
故障原因:存在故障码。
故障性质:电器故障。
处理方法:清除故障码。
故障分析:此车从机械方面检查均正常,用诊断仪诊断发现有“水温传感器”、“轨压传感器”、“油门踏板”等一些故障显示,清除故障码后,发动机顺利起动。
这种情况估计是维修或操作人员对电控系统的接插件进行了带电插拔的操作,这样系统会产生故障码储存在中,系统起保护作用会限制一些功能甚至无法起动。
案例4故障症状:起动机和发动机均有正常起动转速,但不着火。
故障原因:发动机线束损坏或接插件接触不良。
故障性质:电器故障。
处理方法:更换发动机线束或重新拔插各接插件(注意:此时一定要先关闭电源)。
欧Ⅲ(国Ⅲ)电控高压共轨发动机故障排查方法一、电控发动机故障诊断的一般步骤1.确定发动机是否存在故障发动机在实际运行中,随着汽车行驶里程的增加,其技术状况必然要发生一定的变化,那么,哪些变化是正常变化?哪些变化为故障现象?这是正确进行汽车故障诊断首先要解决的问题。
在电控发动机故障中,有些故障的现象比较明显,有些却并不大明显。
对于现象明显的故障一般不需要进行专用的试验或测试就可以确定发动机故障所在。
例如:发动机无法运转、汽车行驶无力等故障现象。
而对另外一些故障,其故障现象不大明显,必须通过专门的试验甚至是测试方法方可确定,如燃油消耗量大、排气污染超标等故障现象。
2.进行故障性质的确定当电控发动机存在故障时,首先观察发动机电控系统自诊断故障指示灯的状况。
若此灯在发动机运转过程中点亮,则说明电控发动机存在有故障自诊断系统能够监测到的故障,故障一般与电控系统有关,此时可通过一定方法调取ECU内存储的故障代码,根据故障代码查找故障原因。
如果发动机确实存在故障,而仪表板上的发动机故障批示灯在发动机运转时未点亮,则说明发动机故障为电控单元自诊断系统不能辨识的故障,此时应按传统发动机那样,根据故障现象,作出初步诊断结果,并分析可能出现的故障原因,按照由外向内、由简到繁的原则进行深入诊断。
切记此种情况下,不能随意对电控系统乱拆乱卸,只有在确定故障在电控系统时,才首先检查电控系统,否则均应先查其他部分。
3.电控发动机故障诊断的必备工具在故障电控发动机现场诊断检查故障来源需要专门的仪器设备,下面是最重要的几种必须设备。
1)发动机故障诊断仪与发动机ECU连接读取故障代码。
ECU故障代码指出了故障来源的大致方向,维修人员还要结合实际观察到的发动机故障现象,再结合下面几种工具,进一步细查故障来源。
2)RA-2000轨压检测仪该仪器通过电缆连接到轨压传感器和发动机ECU。
可以检查油轨压力传感器的故障,以及ECU的传感器5V电源故障。
实训汽车故障码的调取和清除一、实训目的与要求1.掌握常见车型故障码读取和清除的方法。
2.要求每个学生必须掌握用故障诊断仪(通用解码器、专用解码器)读取故障码和消除故障码。
3.掌握丰田车系手工读取和清除故障码的方法。
二、实训课时2课时三、实训设备及器材1.常用工具1套;数字万用表;专用跨接线。
2.丰田或大众奥迪电喷发动机故障实验台一台,桑塔纳 3000轿车一辆,故障诊断仪。
四、实训内容及步骤(一)日本丰田车系1.手工方法调取故障码丰田车系的故障诊断座有三种类型,如下图所示。
图1丰田车系诊断座故障码的调取方式可分为普通方式和试验方式。
普通方式调取故障码:打开点火开关,不起动发动机,用专用跨接线短接故障诊断座上的“TE1 ”与“ E1 ”端子,仪表盘上的故障指示灯“ CHECK ENGINE即闪烁输出故障码。
试验方式调取故障码:首先关闭点火开关,用专用跨接线短接诊断座上的“ TE2 ”与“ E1”端子;然后再打开点火开关,起动发动机,并以不低于10km/h的车速进行路试;路试后,再短接诊断座上的" TE『与"E1”端子,仪表盘上“ CHECK ENGINE丁即闪烁输出故障码。
1994〜1995年生产的部分丰田轿车装有16端子OBD- n诊断座,用跨接线短接诊断座上的“5#”和“6#”端子,即可由仪表盘上“ CHECK ENGINE丁读取故障码。
丰田车系故障码为两位数,“ CHECKENGINE”灯闪亮与熄灭的时间间隔均为0.5S, 闪亮的次数代表故障码数值,一个故障码的十位与个位之间有 1.5S 熄灭的间隔,两个代码之间有2.5S熄灭的间隔,每一循环重复显示之间有 4.0S的间隔。
H曦01* 松峰-乂图2丰田车系故障码输出波形2.手工方法清除故障码故障排除后,将ECU中存储的故障码清除,方法有两种:一是关闭点火开关,从熔丝盒中拔下EFI 熔丝(20A ) 10S以上;二是将蓄电池负极电缆拆开10S以上,但此种方法同时使时钟、音响等有用的存储信息丢失。
Honda电喷故障代码表与实际操作文_ 董林这次向大家介绍Honda的诊断系统故障代码及实际操作范例。
代码部分以GL1800为范本。
GL1800是集Honda高科技于一身的车,所以很具有代表性.此套码适合几乎所有L4 对置6缸发动机的Honda,但部分代码不适合V2车如VTR系列,踏板车的故障码在此就不说了.因为踏板车有很多特殊故障码。
诊断方法是出现故障灯后,按照故障灯的长短闪码来判断故障码,长闪代表十位数,短闪代表个位数。
故障码从小到大依此显示,中间有间隔,滚动循环显示,有些车是FI字样的红灯,有些车是有电动机造型的OBD故障灯。
图1表头为2008款CBR1000RR,红圈位置是电动机造型的OBD故障灯。
0闪(不闪)发动机无法启动,检查基本启动线路。
如车辆角度传感器,ECU的正极和负极接线,发动机熄火开关,主保险丝,点火保险丝等。
ECU本身也可能损坏。
常亮,短接诊断头读取历史故障码,检查故障,或者是故障灯短路,诊断头短路,ECU本身故障这三种情况。
主要故障码如下所示。
1:MAP传感器(进气绝对压力传感器)故障,或者其线路故障,发动机工作正常。
7:ECT水温传感器故障,或者其线路故障。
发动机低温冷启动困难(ECU自动切到温度工作阀值为85℃)。
8:TP节气门位置传感器故障,或者其线路故障。
快速加油时反应迟钝(ECU自动切到节气门角度工作阀值为0°)。
9:IAT进气温度传感器故障,或者其线路故障。
发动机工作正常(ECU自动切到进气温度工作阀值为28°)。
10:BARO大气压力传感器故障,或者其线路故障。
发动机在低海拔地区工作正常,高海拔地区怠速不稳(ECU自动切到大气压力工作阀值为一个标准大气压力)。
11:车辆速度传感器故障,或者其线路故障。
发动机工作正常。
12:1号缸电喷嘴故障,或者其线路故障。
发动机无法启动。
13:2号缸电喷嘴故障,或者其线路故障。
发动机无法启动。
14:3号缸电喷嘴故障,或者其线路故障。
图2为GSX-R1000 K7款诊断头(6PIN四线头)图片4为诊断线接入示范。
图片5为表头显示代码。
图1图3图4图5图2松开红圈所示螺丝。
松一点就可以了,然后缓慢转动主节气门的传感器。
因为Suzuki的表头数据线传送速度很慢,所以C前面的横杆变化得很慢。
当横杆位于中间时候,就代表节气门角度对了,拧紧固定螺丝就可以了,这个螺丝需要的扭力不大,别用力过猛拧坏了。
因为发动机进气布局不同,所以在不同车型上会有位置传感器不同的情况。
图7、图8所示为GSX1400的节气门图,传感器位于节气门体俩侧。
下面是Suzuki故障代码表(英/中文对比)C00 None(无代码)C11 CAMSHAFT POSITION SENSOR (CMPS) 凸轮轴位置传感器C12 CRANKSHAFT POSITION SENSOR (CKPS) 曲轴位置传感器C13 INTAKE AIR PRESSURE SENSOR (IAPS) 进气压力传感器C14 - THROTTLE POSITION SENSOR 主节气门角度传感器C15 - ENGINE COOLANT TEMPERATURE SENSOR 发动机冷 却系统温度传感器图6图9图7图8图10打开钥匙绿圈中的半月片会旋转,带动摇臂A,通过红圈中的螺丝顶住摇臂B。
摇臂B与节气门拉线盘是一体的,这样就可以在启动初期打开主节气门。
蓝圈中的止位螺丝是固定拉线盘初始位的。
所以红圈螺丝是冷车快怠速螺丝,蓝圈是热车怠速螺丝。
热车完毕后半月片会回到适当的初始位置,主节气门就会开度变小,快怠速工作结束。
图13所示为实际操作时,查看动态数据流时,你可以看到的ISC 步进值,图中显示为64步(64 STEP)。
这是Suzuki特有的人性设计。
出现CHEC字样代表表头没有接收到ECU发出的数据信号。
遇到这问题首先看把手上熄火开关是否处于打开位置,如图15所示。
如果处于打开位置,那么随后检查表头通讯线是否正常。
电喷发动机工作原理及常见故障概述电喷发动机是采用电子控制装置,取代传统的机械系统(如化油器)来控制发动机的供油过程。
如汽油机电喷系统就是通过各种传感器将发动机的温度、空燃比油门状况、发动机的转速、负荷、曲轴位置、车辆行驶状况等信号输入电子控制装置,电子控制装置根据这些信号参数.计算并控制发动机各气缸所需要的喷油量和喷油时刻,将汽油在一定压力下通过喷油器喷入到进入气管中雾化。
并与进入的空气气流混合,进入燃烧室燃烧.从而确保发动机和催化转化器始终工作在最佳状态。
这种由电子系统控制将燃料由喷油器喷入发动机进气系统中的发动机称为电喷发动机。
电喷发动机按喷油器数量可分为多点喷射和单点喷射。
发动机每一个气缸有一个喷油嘴,英文缩写为MPI,称多点喷射。
发动机几个气缸共用一个喷油嘴,英文缩写SPl,称单点喷射。
故障诊断及排除电喷发动机怠速不稳故障诊断及排除发动机怠速不稳是汽车使用中常见的故障之一。
尽管现在大多数的轿车都有故障自诊断系统,但也会出现汽车有故障面自诊断系统却显示正常代码或显示与故障无关的代码的情况。
这通常是由不受电控单元(ECU)直接控制的执行装置发生故障或传统机械故障成。
下面列举在此情况下常兄的故障原因及它们的诊断与排除方法。
1、怠速开关不闭合故障分析:怠速触点断开,ECU便判定发动机处于部分负荷状态。
此时ECU根据空气流量计和曲轴转速信号确定喷油量。
面此时发动机却是在怠速工况下工作,进气量较少,造成混合气过浓,转速上升。
当ECU收到氧传感器反馈的“混合气过浓”信号时,减少喷油量,增加怠速控制阀的开度,又造成混合气过稀。
使转速下降。
当ECU收到氧传感器反馈的“混合气过稀”信号时,又增加喷油量,减小怠速控制阀的开度,又造成混合气过浓,使转速上升。
如此反复使发动机怠速不稳,在怠速工况时开空调,打方向盘,开前照灯会增加发动机的负荷。
为了防止发动机因负荷增大而熄火.ECU会增人喷油量来维持发动机的平稳运转。
注意:此翻译稿仅供参考,所有内容以英文原版公告为准。
第I节 - Quantum诊断先进的诊断技术先进的诊断技术可对Quantum发动机进行简单的维修和服务。
故障或保养条件的诊断检验可通过机载或非机载系统进行。
机载诊断ECM具有大范围检测故障的能力闪烁故障代码位于驾驶室仪表盘上的故障指示灯可指示警告/停机故障保养指示灯机载诊断1.故障检测在设备自己工作期间,当钥匙开关处于ON位置时检测故障。
如果此时故障变为现行故障(当前检测到),存储器中就会记录故障,同时记录发动机参数速录数据。
另外根据现行故障的严重程度,特定的故障可能会使警告指示灯(黄色)或停机指示灯(红色)、保养指示灯或燃油含水(WIF)指示灯变亮。
2.闪烁故障代码可通过诊断开关或油门踏板进入故障代码闪烁模式。
要进入故障代码闪烁模式,钥匙开关必须处于ON(接通)位置并且发动机停机。
使用诊断开关进入该模式时,在诊断开关转到ON位置后,ECM将自动闪烁第一个故障代码。
诊断增加/减少将向前或向后调整现行故障代码。
要使用油门踏板进入故障代码闪烁模式,必须循环踩下和释放油门踏板,使油门开度连续3次从0到100%。
一旦进入诊断模式,循环踩下和释放油门踏板可顺序向前达到现行故障代码。
下图描述了通过停机指示灯指示的故障代码闪烁方式的类型。
3. 故障指示灯Quantum 系统使用多达5个指示灯(每个指示灯具有两种功能):停机指示灯、警告指示灯、保养指示灯/发动机保护指示灯(所有发动机系列使用其中一个,而不是同时使用两个)、等待起动指示灯和燃油含水指示灯。
如果钥匙开关转到ON 位置而诊断开关保持断开,这些指示灯将会亮约2秒钟然后熄灭,以证实指示灯正常工作和接线正确。
参阅下面的插图,这些指示灯全部变亮然后每次熄灭一个。
警告指示灯 – 用于所有Quantum 发动机 - 警告指示灯提供重要的操作员信息。
要求操作员及时注意这些信息。
警告指示灯还用于描述诊断故障代码。
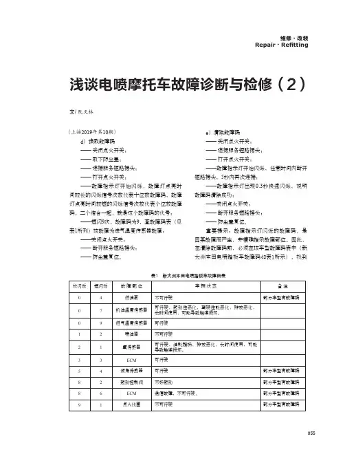
电喷发动机故障代码的读取与清除方法目前,电喷发动机主要应用在轿车、皮卡、小型客货车上。
一般情况下电喷发动机很少发生故障,一旦出现故障必须借助故障代码才能排除。
1 诊断方式1.1静态诊断即发动机不运转。
只闭合点火开关,不起动发动机,把ECU的故障代码读出。
1.2动态诊断即发动机在运转中,读取故障代码并测取其他参数。
2 进入故障自诊断状态的方法2.1跨接导线读取法例如,丰田海狮轻型客车,要进入故障自诊断状态,只须把装在蓄电池侧的诊断输入插座的护罩打开,用一根跨接导线的两端分别插入诊断输入插座的TE1和E1插孔中,即进入故障自诊断状态。
2.2专用诊断开关法一般车上或在发动机的电子控制器上设有旋钮式诊断开关。
例如,日本尼桑轿车上多数装有旋钮式诊断开关,在发动机电子控制器上装有单个发光二极管或双发光二极管。
2.2.1装单个发光二极管a.在闭合点火开关情况下,不起动发动机,用螺丝刀插入装单个发光二极管的发动机电子控制器模式选择旋钮中。
b.按顺时针方向把旋钮拧到底,等待2s后,再用螺丝刀按逆时针方向拧到底,此时发光二极管开始闪烁,显示故障代码。
2.2.2双发光二极管a.在闭合点火开关的情况下,不起动发动机,用螺丝刀插入发动机电子控制器模式选择旋钮中,按顺时针方向拧到底。
b.等到发光二极管闪亮时(发光二极管闪烁表示模式选择号,即第1种模式发光二极管闪烁1次;第2种模式发光二极管闪烁2次)。
当闪烁的模式号是所需模式号时(即前面介绍的静态诊断为第1种模式;动态诊断为第2种模式)。
立刻把旋钮按逆时针方向拧到底,即开始显示故障代码。
2.3共同开关法在有些车系电控系统中,空调控制面板上的控制开关可兼作诊断开关。
一般是把off键和Warmer键同时按下,数字显示仪表板上便显示出来。
当屏上出现…后出现88代码时,即进入自诊断状态。
例如,通用汽车公司的凯迪拉克、福特汽车公司的林肯、大陆
等轿车。
2.4用点火开关约定操作法约定操作法是汽车制造厂家已规定的方法。
一般情况下点火开关在5s内通、断3次即进入自诊断状态。
例如,美国克莱斯勒汽车公司的多种车型及北京切诺基汽车均使用此种方法。
2.5用加速踏板的约定操作法首先闭合点火开关,不起动发动机,在5s内踩加速踏板5次,即进入故障自诊断状态。
例如,德国的宝马轿车等。
2.6用专用解码仪法所有车型的故障代码读取均可采用解码仪进行。
但是,有些车型只能使用此法。
例如,奥迪100(V6),桑塔纳2000轿车等3 故障代码的显示与读法汽车进入自诊断状态后,用以下方法可以读取故障代码。
3.1用仪表板上检查发动机指示灯闪烁显示故障代码进入自诊断状态时,ECU控制检查发动机指示灯的闪烁次数和点亮时间的长短表示故障代码。
例如:丰田、大宇、切诺基等汽车。
一般有3种表示法。
a.指示灯点亮时间较长的闪烁信号,其闪烁的次数代表故障代码的十位数。
指示灯点亮时间较短的闪烁信号,其闪烁次数代表故障代码的个位数。
一个故障代码的2位数字显示完后,指示灯闭合稍长时间,再显示下一个故障代码。
一般是以数字小的故障代码开始显示到数字较大的故障代码。
如:b.检查发动机指示灯点亮时间不变,由指示灯的间歇时间长短来区分一个代码的个位与十位以及不同的故障代码。
位与位之间有一个较短的间歇时间。
代码与代码之间有一个较长的间歇时间。
如:c.检查发动机指示灯点亮时间不变,在位与位之间间歇一下,在代码与代码之间有一个较长的点亮时间。
如:3.2用指针式电压表显示故障代码此法与前面介绍的读码基本相似,用指针摆动代替指示灯显示(例如,韩国的现代、日本的三菱汽车)。
进入故障自诊断状态后,用万用表的直流电压档,检测故障诊断插座输出端上的电压。
这种方式有一位数故障代码和二位数故障代码显示2种。
电压表指针在0-5V间摆动,连续摆动的次数为故障代码数。
若有2个以上故障代码,则显示完第1个代码后,间隔3s后显示第2个代码。
正常码表示无故障。
正常码是在指针摆动1/3s后间隔3s,指针再摆动1/3s,这样周而复始进行。
b.二位数故障代码有2种表示形式第1种形式电压表指针在0-5V间摆动,
第1次连续摆动次数为故障代码的十位数,间隔2s后,第2次摆动次数为故障代码的个位数。
下一个故障代码显示要间隔较长的时间。
第2种形式电压表指针在0-2.5V、2.5-5V 两个区域摆动。
指针在2.5-5V间摆动的次数为故障代码的十位数,指针在0-2.5V间摆动的次数为故障代码的个位数。
例如:3.3用发光二极管显示故障代码一般情况,发光二极管装在ECU上。
有的装在故障诊断插座上(如奥迪轿车)。
有以下3种显示方法。
a.用1个发光二极管显示用1个发光二极管显示和用检查发动机指示灯显示故障代码读取代码方法相同。
b.用2个不同颜色发光二极管显示一般用红色和绿色发光二极管。
红色发光二极管显示十位数码,绿色发光二极管显示个位数码。
c.用4个发光二极管显示4个发光二极管分别代表8、4、2、1。
显示故障代码时,把发光的二极管所代表的数字相加,其和为所显示的故障代码。
例如:3.4用车上数字式仪表显示凯迪拉克4.6L轿车用车上数字式仪表显示故障代码。
当操作读码时,故障代码以数字形式出现在组合仪表显示器的某一部位上(一般是显示在数字式温度显示屏或燃油数据中心信息屏上)。
3.5用专用仪器显示电喷车配有专用的故障代码阅读接口。
专用的解码器用专用接续器与阅读接口连接,通过操作解码仪,故障代码便显示在专用仪器的屏上。
4 如何清除故障代码对电喷车维修和处理故障后,一定要把存在ECU的故障代码清除,以便今后运转中记录,存储新的故障代码。
如果不及时清除原有的故障代码,当发动机再出现故障时,ECU会把新、旧故障代码一起输出,造成不必要的诊断错误。
因此,切断发动机电子控制器ECU的电源是清除原有故障代码的基本方法。
另外还有以下6种清除方法。
a.用跨接导线读取故障代码以丰田海狮轻型汽车为例,首先断开点火开关,然后拆下EFI 15A熔断丝30s或更长时间。
b.用专用诊断开关读取故障代码以日本尼桑1994年3.0L、3 00ZX型轿车为例,把小孔内的旋钮开关拧到关闭位置,然后断开点火开关。
c.用共用开关读取故障代码以凯迪拉克4.6L轿车为例,选择“清除代码”键时,将显示的被显示系统名称、
显示信息被清除,3s后所有存贮的故障代码被清除。
d.用点火开关读取故障代码以切诺基汽车为例,一般拆下蓄电池负极线30s左右。
e.用加速踏板法读取故障代码以宝马汽车为例,使用手持式Scan诊断仪和诊断软件,选择模拟诊断模式键,即可清除故障代码。
f.用专用仪器读取故障代码用按下清除故障代码键清除代码。
可使用ADC 2000诊断仪。
综上所述,通过读取故障代码,能在较短的时间内解决故障,确保发动机正常运转。