楼梯模板施工技术交底多层板木模板
- 格式:doc
- 大小:96.00 KB
- 文档页数:6
1、材料准备1830mm*915mm*14.5mm木胶板、40mm*90mm方木、φ48*2.9钢管、3型卡、U托对拉穿墙螺杆等。
钢管表面平直光滑,不应有裂缝、结疤、分层、错位、硬弯、毛刺、压痕、深的划道及严重锈蚀等缺陷,严禁打孔。
2、机具准备塔吊、木工圆锯机、平刨机、压刨机、电锯、手锯、电钻、扳手、扁铲、线坠、卷尺、撬棍等。
3、施工准备3.1筏板、楼板砼强度达到1.22N,以上人、上材料后不破坏砼面为准。
/mm3.2 测量班弹出该层标高控制线(建筑1米线)、墙柱及梁边线,并经验线合格。
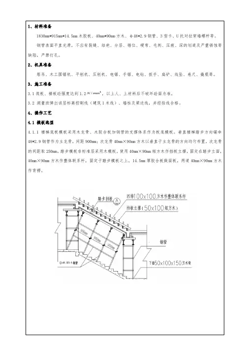
4、操作工艺4.1 模板选型4.1.1 楼梯底板模板采用木龙骨、木胶合板加钢管的支撑体系作为板底模板。
垂直楼梯踏步方向铺Φ48*2.9钢管作为主龙骨,间距900mm;次龙骨40mm×90mm方木以垂直于主龙骨的方向均匀布置,次龙骨的间距取250mm。
踏步模板非标准层采用木模板,使用40mm×90mm短方木作挡板立撑,固定在踏步立面,40mm×90mm方木作整体联系杆,固定于踏步模板之上,14.5mm厚胶合板做面板,两道40mm×90mm方木作背楞。
楼梯模板楼梯模板4.1.2 楼梯施工缝留设于楼梯起步第三个踏步阴角位置,做法如下图:4.2 工艺流程测量放线→立杆安装→主龙骨安装→次龙骨安装→胶合板安装→钢筋绑扎→梯步模板安装→模板预检→报项目部验收4.2.3 施工工艺4.3.1 放线、抄平:弹好楼梯位置线,包括楼梯梁、踏步首末两级的角部位置、标高等。
4.3.2 铺垫板、搭立杆,安装龙骨,然后调节立杆高度,将主龙骨找平校正位置,标高,并加横杆。
在楼梯踏步两端沿楼梯方向铺四根通长的方木作为次龙骨,次龙骨间距250mm。
主龙骨以垂直于次龙骨的方向布置,间距900mm,用竖向立杆和横向短钢管加卡子锁紧顶住次龙骨。
4.3.3 铺设平台模板和梯段底板模板,模板拼缝严密不得漏浆。
在板上划梯段宽度线,依线立外帮板。
一、交底目的为确保施工现场室外楼梯的安全使用,预防安全事故的发生,特制定本安全技术交底。
本交底适用于施工现场所有室外楼梯的施工、使用和维护。
二、适用范围本交底适用于施工现场所有室外楼梯的施工、使用和维护,包括但不限于以下类型:1. 模板楼梯2. 钢筋混凝土楼梯3. 木质楼梯4. 其他材质楼梯三、交底内容1. 施工前的准备工作(1)施工现场应确保室外楼梯的施工区域安全、畅通,无障碍物。
(2)施工人员必须经过专业培训,掌握室外楼梯的施工技术要求和安全操作规程。
(3)施工前,应对施工现场进行安全检查,确保施工环境符合安全要求。
2. 施工过程中的安全措施(1)施工人员必须佩戴安全帽、安全带等个人防护用品。
(2)施工过程中,严禁酒后作业、疲劳作业和违规作业。
(3)室外楼梯的施工应遵循以下原则:a. 确保楼梯结构稳定,无变形、裂缝等质量问题。
b. 楼梯踏步间距均匀,高度适中,便于行人通行。
c. 楼梯扶手牢固,高度符合规范要求。
d. 楼梯进出口应设置安全警示标志。
(4)施工过程中,应定期检查楼梯结构、扶手、踏步等部位,发现问题及时整改。
3. 使用过程中的安全措施(1)室外楼梯的使用应遵循以下原则:a. 行人应按照规定的行走方向通行,严禁逆行。
b. 行人应握紧扶手,注意观察周围环境,确保安全。
c. 禁止在楼梯上嬉戏、打闹,严禁携带危险物品。
(2)室外楼梯的维护保养:a. 定期检查楼梯结构、扶手、踏步等部位,确保其安全可靠。
b. 及时清理楼梯上的污垢、杂物,保持楼梯清洁。
c. 发现楼梯损坏、变形等问题,应及时修复或更换。
四、应急处置(1)发生意外事故时,立即停止作业,组织人员迅速撤离危险区域。
(2)及时报警,并采取有效措施控制事故扩大。
(3)对受伤人员实施现场急救,并迅速送往医院治疗。
五、培训考核(1)施工人员必须参加安全技术培训,掌握室外楼梯的施工、使用和维护知识。
(2)施工单位应定期对施工人员进行考核,确保其掌握安全操作技能。
多层住宅楼木模板施工技术交底多层住宅楼的建设中,木模板施工技术是一个关键环节,直接影响到工程的质量、进度和成本。
为了确保施工的顺利进行和工程质量的可靠,以下对多层住宅楼木模板施工技术进行详细的交底。
一、施工准备1、材料准备(1)木模板:应选用表面平整、厚度均匀、无裂缝和变形的优质木材制作。
常见的有胶合板、竹胶板等,其规格根据工程需要确定。
(2)木方:一般选用 50mm×100mm 或 100mm×100mm 的木方,要求材质坚硬、无腐朽和虫蛀。
(3)支撑系统:包括钢管脚手架、可调顶托、扣件等,其质量应符合相关标准。
(4)铁钉、铁丝、脱模剂等辅助材料应准备充足。
2、技术准备(1)施工图纸应熟悉透彻,明确各部位的模板尺寸、形状和标高。
(2)编制详细的施工方案,确定施工顺序和方法。
(3)对施工人员进行技术交底,使其了解施工要求和技术要点。
3、作业条件准备(1)楼层的测量放线工作已完成,标高控制线清晰准确。
(2)墙柱钢筋已绑扎完毕,水电管线及预埋件已安装完成,并通过验收。
(3)施工所需的各种机具设备已准备就绪,并经过调试和检验。
二、模板安装1、柱模板安装(1)先在柱根部弹出模板安装控制线,根据控制线安装模板。
(2)模板安装时,应先安装两端柱模板,校正固定后,拉通线安装中间柱模板。
(3)柱模板采用四块侧板拼接而成,拼接处用铁钉和木方固定。
(4)柱箍采用钢管和对拉螺栓加固,间距根据柱截面尺寸确定,一般不大于 500mm。
2、墙模板安装(1)在墙根部弹出模板安装控制线,安装一侧模板,临时用支撑固定。
(2)安装对拉螺栓和塑料套管,然后安装另一侧模板。
(3)墙模板的拼接处应严密,防止漏浆。
(4)墙模板的加固采用钢管脚手架和对拉螺栓,水平和竖向间距均不大于 500mm。
3、梁模板安装(1)在柱子上弹出梁的轴线和标高控制线。
(2)安装梁底模板,跨度大于 4m 时,梁底模板应按设计要求起拱。
(3)安装梁侧模板,并用钢管和对拉螺栓加固。
楼梯模板施工技术交底一、前言楼梯模板是施工中十分重要的一个环节,施工质量的好坏与之相关。
本文档将对楼梯模板施工技术进行详细的介绍,以保证施工过程中技术操作的正确性和安全性。
二、材料与工具材料•楼梯模板板材•螺丝钉•木方工具•电锤•手持电钻•钢尺•电锯•扳手•螺丝刀三、施工步骤步骤一、板材测量与定位在施工前,应首先对楼梯进行测量,按照实际的测量值根据楼梯型号制定出施工的方案。
在施工时,应根据方案将板材放置于相应的位置,并利用木方进行固定。
步骤二、模板支撑将模板的放置高度进行测量,并根据测量值设定好放置位置。
在确定好模板位置后,应将板材放置于其上方,并根据楼梯高度进行模板支撑的挑选,确保模板在施工过程中稳定。
步骤三、模板固定模板固定是整个施工过程中最为关键的一个环节。
在模板固定时,应首先选用合适的螺丝钉进行固定,并利用电钻将其进行卡口处理。
随后,应使用扳手对螺丝钉进行适当的拧紧,并保证整个模板牢固可靠。
步骤四、板材的切割在板材的切割过程中,应保证切割标准的正确性,并选用合适的电锯进行切割工作。
切割完成后,应对板材的边缘进行清理,确保整体的板材不会伤及到操作者及其他人员。
步骤五、柱体的加固在楼梯施工结束后,应对其进行柱体加固,并使用保护罩进行保护。
在加固过程中,应选用合适的材料进行加固,并对柱体进行适当的处理,以确保施工质量与安全性。
四、维护与保养在楼梯维护过程中,应及时处理板材的损坏,确保整个楼梯的稳定。
同时,施工人员应定期对楼梯进行检查,并对其进行清理。
在楼梯的日常使用中,应注意不要在其上方进行钉挂等操作,以确保楼梯的整体稳定性。
五、楼梯模板施工技术在楼梯施工过程中占有十分重要的地位,能直接影响到楼梯施工质量与安全性。
因此,在施工过程中应保证施工操作的正确性,并严格遵守施工规程,以确保施工的顺利进行。
模板施工技术交底作业条件:1模板安装工作要求在测量放线后,已完各分部分项混凝土结构模板设计及模板配料工作。
作业所需脚手架已搭设完毕。
2、根据模板设计要求和工艺标准,向班组长进行安全、技术交底。
3、模板涂刷脱模剂,并分规格堆放。
4、基础、地梁墙柱钢筋绑扎完毕,水电管及预埋件已安装,绑好钢筋保护层垫块,并办好隐蔽验收手续。
5、上层结构面500线测放完毕,检查合格。
6、柱、墙、梁边线、500控制线,水平控制标高均检验合格。
7、门窗洞口在施工前仔细核对墙身线和标高。
二.施工准备:1、材料准备:14mm厚多层板、50×100mm x100×100mm木方、U型卡、48钢管、卡扣、脱模剂、铁丝、圆钉、毛刷、墨斗等,模板必须合格,表面平整,无明显磕,不合格的不得使用,经修理后的模板也应符合模板的质量标准的要求。
2、机具准备:锯、扳手、线坠、靠尺板、方尺、铁水平、撬棍等。
三、施工工艺:基础模板:1工艺流程:作业面清理一测量放线一立皮数杆一砌砖模一抹水泥砂浆找平层一做防水一做防水保护层一绑扎底板钢筋一支500mm高外墙内模及井坑模板2、测量放线:测量人员依据地面上的轴线控制桩,将轴线投测到垫层上,同时将砖模的线弹出,砖模放线要留出20mm防水基层+4mm防水层+20mm防水保护层的厚度3、立皮数杆:用50×70mm的木方做皮数杆,皮数杆上划出每皮砖的高度和灰缝的宽度,灰缝的宽度为IOmm o依据护坡上的标高固定皮数杆。
4、砌筑砖模:砖模采用〃三一〃砌筑法施工。
浇注混凝土前保护墙外侧土方及时回填。
5、500mm高外墙内模:500mm外墙水平施工缝采用止水钢板,宽度为300mm,止水钢板轴向中心线与500mm高外墙顶标高重合,位置如下图。
内侧用14mm 厚多层板,背楞用两根50mm×100mm的木方,为防止内侧模板下落,在底板钢筋上铁上每间距900mm设工型钢筋支撑,下垫50mm厚保护层垫块。
一、交底目的为确保楼梯支模作业的安全,预防事故发生,提高施工人员的安全意识,特进行本次安全技术交底。
二、适用范围本交底适用于所有楼梯支模作业,包括但不限于施工、拆除、维护等环节。
三、交底内容1. 施工人员安全要求(1)进入施工现场必须佩戴安全帽,系好帽带,并穿戴好符合安全要求的防护服装。
(2)严禁酒后作业,严禁疲劳作业。
(3)施工现场禁止吸烟,禁止使用明火。
2. 作业前准备(1)检查支模材料是否合格,不合格的材料严禁使用。
(2)检查支模设备是否完好,如有损坏,应及时更换或维修。
(3)检查支模基础是否牢固,确保基础能够承受支模结构的重量。
3. 支模作业注意事项(1)支模前,应对施工人员进行安全技术培训,确保其掌握正确的操作方法。
(2)支模时,应遵循自下而上的原则,确保支模结构的稳定性。
(3)支模过程中,严禁在同一垂直面进行上下操作,防止物体打击。
(4)支模时,应使用合适的支撑材料,确保支撑结构的牢固性。
(5)支模时,操作人员应站在稳固的支撑上,避免站在不稳固的支撑或悬空作业。
(6)支模过程中,如需中途停歇,应将支撑、搭头、柱头板等钉牢,确保安全。
4. 高处作业安全措施(1)进行高处作业时,必须佩戴安全带,高挂低用。
(2)高处作业区域应设置防护栏杆,并张挂安全网。
(3)高处作业时,操作人员应集中思想,避免发生物体打击、坠落等事故。
5. 拆除作业安全措施(1)拆除作业前,应制定详细的拆除方案,并经相关部门审核批准。
(2)拆除作业时,应遵循自上而下的原则,确保拆除结构的稳定性。
(3)拆除作业时,操作人员应站在稳固的支撑上,避免站在不稳固的支撑或悬空作业。
(4)拆除过程中,如需中途停歇,应将支撑、搭头、柱头板等钉牢,确保安全。
6. 应急措施(1)如遇突发情况,应立即停止作业,并迅速撤离作业区域。
(2)发生事故时,应立即启动应急预案,组织救援。
四、交底责任1. 施工单位负责本次安全技术交底的组织实施。
2. 施工人员应认真学习并严格遵守安全技术交底内容。
一、交底目的为确保木工楼梯施工过程中的安全,预防事故发生,提高施工人员的安全意识,现将木工楼梯安全技术交底如下:二、施工人员须知1. 施工人员必须具备相应的技能和知识,熟悉木工楼梯施工工艺和安全操作规程。
2. 进入施工现场必须佩戴安全帽、系好安全带,遵守施工现场各项安全规章制度。
3. 施工人员应自觉遵守施工现场纪律,服从管理人员指挥,不得违章操作。
4. 施工过程中,如发现安全隐患,应立即报告管理人员,并采取相应措施进行处理。
三、施工准备1. 施工前,应对施工现场进行安全检查,确保场地平整、坚实,无安全隐患。
2. 施工材料应堆放整齐,标识清晰,不得影响施工安全。
3. 施工工具、设备应检查完好,并做好防护措施。
四、施工工艺及安全措施1. 施工过程中,应按照以下工艺进行:(1)测量放线:根据设计图纸,进行测量放线,确保楼梯位置准确。
(2)制作楼梯:根据放线尺寸,制作楼梯踏步、扶手等构件。
(3)安装楼梯:将制作好的楼梯构件按照设计要求进行安装。
(4)验收:安装完成后,进行验收,确保楼梯质量符合要求。
2. 安全措施:(1)楼梯制作过程中,严禁高空作业,如需进行高空作业,必须采取安全防护措施。
(2)楼梯构件搬运过程中,应轻拿轻放,防止碰撞、摔落。
(3)安装楼梯时,扶手、踏步等构件应连接牢固,确保楼梯整体稳定性。
(4)施工现场应设置安全警示标志,提醒施工人员注意安全。
(5)施工过程中,严禁酒后作业、疲劳作业、带病作业。
五、注意事项1. 施工人员应严格按照操作规程进行施工,不得擅自更改施工工艺。
2. 施工过程中,如遇恶劣天气,应立即停止施工,确保人员安全。
3. 施工结束后,应对施工现场进行清理,确保无安全隐患。
六、验收标准1. 楼梯位置准确,尺寸符合设计要求。
2. 楼梯构件连接牢固,无松动现象。
3. 楼梯表面平整,无明显裂缝、破损。
4. 楼梯扶手、踏步等构件无变形、扭曲现象。
5. 施工现场无安全隐患。
七、交底结束以上为木工楼梯安全技术交底内容,请各施工人员认真学习,严格遵守,确保施工安全。
交底内容:一、施工准备1、材料准备龙骨: 50×100木方、100×100木方。
连接件: 3型扣件、碟型扣件、穿墙螺栓、紧固螺栓, 柱箍。
支撑件: ф48钢管、木材、ф14对拉螺栓等、ф16通丝螺栓模板面板: 12厚多层板、15mm厚多层板、水性脱模剂2、机具准备斧子、锯、扳手、电钻、线坠、、钢卷尺、靠尺板、铁水平、撬棍、圆盘锯、电刨、手持电动木工锯, 手持式电刨子。
3、作业条件3.1、测量放线工作已完成, 并经过验收( 轴线、墙体柱边线、控制线、标高线等)3.2、模板支撑受力点已达到支撑要求, 水电管线及预埋件、预留洞模具已安装。
3.3、混凝土接茬处施工缝处理完毕, 并做好预检。
3.4、模板表面清理干净。
4、模板的加工4.1、柱模板加工4.1.1柱模加工宽度根据柱截面尺寸进行计算, 面板使用15厚多层板, 多层板板边角要齐、直, 并刷漆保护, 背肋木方使用100mm×100mm木方, 间距150-200mm, 上下封口木方使用50mm ×100mm木方。
木方统一双面刨光, 四面要求平直, 柱模板加工长度根据层高变化进行相应的修改, 模板高度=层高-梁高+100mm。
加工尺寸见下图:4.1.2柱箍用Φ16高强粗螺纹通丝螺栓和10#、12#、14#槽钢组成。
4.1.3主龙骨、次龙骨、面板连接牢固, 自攻螺丝必须拧紧, 不得用锤砸进。
4.2梁侧模板加工梁侧模加工长度根据图纸尺寸确定, 面板使用12mm厚多层板, 多层板边角要齐、直, 并刷漆保护, 背肋木方使用100mm×100mm 木方, 封口木方使用50mm×100mm和100mm×100mm木方。
木方统一双面刨光, 四面要求平直。
加工尺寸见下图:4.3梁柱接头模板加工梁柱接头模板为现场使用12mm厚多层板加工定型模板, 接头模板高度1100mm, 与柱接茬400mm, 木方使用50mm×100mm和100mm×100mm木方。
一、交底目的为确保楼梯支模施工安全,提高施工质量,防止安全事故发生,特进行本次安全技术交底。
二、交底内容1. 施工人员必须具备相应的施工技能和安全生产知识,严格遵守国家有关安全生产的法律法规和操作规程。
2. 施工前,对施工人员进行安全技术交底,使施工人员充分了解施工过程中的安全风险和预防措施。
3. 严格执行以下安全技术措施:(1)施工人员进入施工现场必须佩戴安全帽,穿防滑鞋,严禁穿硬底鞋、高跟鞋作业。
(2)高处作业人员必须佩戴安全带,并系好保险钩,严禁攀登模板、脚手架等危险作业。
(3)施工过程中,严禁酒后作业、疲劳作业,确保施工人员精神饱满。
(4)施工前,对施工区域进行清理,确保现场整洁,无障碍物。
(5)支模前,对模板、支撑材料进行检查,确保材料质量合格,无变形、裂纹等缺陷。
(6)支模过程中,确保模板、支撑结构稳定,不得出现松动、倾斜等情况。
(7)支模时,操作人员应站在安全可靠的位置,不得站在模板边缘、支撑件上作业。
(8)支模过程中,严禁在模板上行走、站立,防止发生坠落事故。
(9)施工过程中,严禁随意拆除模板、支撑,如需拆除,必须由专业人员操作,并做好安全防护措施。
(10)施工结束后,对施工区域进行清理,确保无残留物,为后续施工创造良好条件。
4. 施工过程中,应加强现场安全管理,严格执行以下规定:(1)施工人员必须遵守施工现场规章制度,服从现场管理人员指挥。
(2)施工过程中,发现安全隐患,应立即停止作业,并及时报告现场管理人员。
(3)现场管理人员应定期对施工现场进行检查,及时发现并消除安全隐患。
(4)施工现场应配备必要的应急救援设施,如急救箱、灭火器等。
三、注意事项1. 施工过程中,严格按照施工图纸和施工方案进行施工,确保施工质量。
2. 加强施工过程中的沟通与协调,确保各工种之间的配合默契。
3. 施工过程中,做好文明施工,保持施工现场整洁。
4. 加强对施工人员的培训和教育,提高施工人员的安全意识和技能。
1、施工准备1.1材料准备50mm×100mm木方、100mm×100mm木方、φ48×3.5钢管、1220mm×2400mm×15mm多层板、910mm×1830mm ×15mm多层板、Φ14、Φ16普通螺栓、密目钢丝网、碗扣架管、脱模剂(模板采用水性脱模剂,脱模剂满足施工的需要)。
1.2机具准备:电锯、电刨、水准仪、铝合金塔尺、空气压缩机、手电锯、云石机、扳手、斧子、撬棍、手锤、5m 盒尺、线坠、小线等。
1.3作业条件1.3.1测量放线:已根据设定的标高控制点放出建筑500mm标高控制线。
1.3.2新浇筑的墙柱砼已拆模完毕。
2、施工方法2.1顶板模板2.2施工工艺支撑架体搭设→安装可调托撑→主龙骨铺设→次龙骨铺设→顶模板铺设→标高校核2.2.1西区:楼板模板采用多层板、木方和碗扣架支撑组成的模板体系。
模板厚度为15mm,接缝采用硬拼缝,拼缝小于3mm。
板厚小于250mm时,次龙骨为50mm×100mm方木,间距250mm;主龙骨为100mm ×100mm方木,间距为1200mm;碗扣架立杆双向间距1200mm。
板厚为250mm时西区另行交底。
板厚大于250mm时,次龙骨间距200mm;主龙骨间距为900mm;碗扣架立杆双向间距900mm。
东区:楼板模板采用多层板、木方、方钢管和碗扣架支撑组成的模板体系。
模板厚度为15mm,接缝采用硬拼缝,拼缝小于3mm。
次龙骨为50mm×100mm方木,间距250mm(板厚大于400mm时间距200mm);主龙骨采用50mm×100mm×3mm方钢管,间距为1200mm;碗扣架立杆双向间距1200mm。
2.2.2支模前,放出楼层建筑500mm标高控制线,剔除多余墙体砼至板底线以上5mm处,先用云石机切割,然后人工剔凿,以使顶板模板与墙体成型混凝土撞严。
一、交底目的为确保木楼梯安装、使用过程中的安全,预防安全事故的发生,特制定本安全技术交底。
二、交底对象所有参与木楼梯安装、使用、维护的人员。
三、交底内容1. 施工前的准备工作(1)对施工现场进行安全检查,确保场地平整、无障碍物。
(2)对参与施工人员进行安全教育培训,提高安全意识。
(3)检查施工工具、设备是否完好,如发现异常,立即更换。
2. 木楼梯安装安全要求(1)选用符合国家标准的优质木材,确保木楼梯的承重能力和使用寿命。
(2)安装前,对楼梯梁、板、踏步等构件进行质量检查,确保无裂缝、变形等问题。
(3)安装楼梯时,应按顺序进行,先安装楼梯梁,再安装楼梯板,最后安装踏步。
(4)楼梯梁、板、踏步之间的连接应牢固,不得出现松动现象。
(5)楼梯扶手、扶杆等部件应安装牢固,确保使用过程中的安全性。
(6)楼梯的斜度应符合国家标准,防止滑倒事故的发生。
3. 使用过程中的安全要求(1)严禁在楼梯上堆放重物,以免影响楼梯的承重能力。
(2)禁止在楼梯上行走时,携带易滑落物品,以防发生意外。
(3)禁止在楼梯上奔跑、跳跃,以免发生跌倒事故。
(4)定期检查楼梯的磨损情况,及时更换损坏的踏步、扶手等部件。
4. 维护与保养(1)定期对楼梯进行检查,确保楼梯的稳定性。
(2)对楼梯进行清洁、保养,防止木材受潮、变形。
(3)如发现楼梯存在安全隐患,应立即停止使用,并进行维修。
四、安全措施1. 佩戴安全帽、安全带等个人防护用品。
2. 施工现场设置安全警示标志,提醒人员注意安全。
3. 设置安全通道,确保人员通行顺畅。
4. 定期进行安全教育培训,提高人员安全意识。
五、交底人及验收人交底人:XXX验收人:XXX六、交底时间XXXX年XX月XX日七、备注本安全技术交底适用于所有参与木楼梯安装、使用、维护的人员,请务必认真阅读并严格遵守。
如有疑问,请及时向交底人咨询。
楼梯模板施工交底
部门: xxx
时间: xxx
制作人:xxx
整理范文,仅供参考,可下载自行修改
交底内容:
、模板设计:楼梯踏步的板底模板采用多层板模板,次龙骨采用
、休息平台接槎部位砼墙体上弹一条水平线<用墨斗弹线→用云石机切割→剔掉浮浆漏出石子),然后将杂物清理干净,用空压机将灰尘等吹
1、本表由施工单位填写,交底单位与接受交底单位各存一份。
2、当作分项工程施工技术交底时,应填写“分项工程名称”栏,其他
技术交底可不填写。
1、本表由施工单位填写,交底单位与接受交底单位各存一份。
2、当作分项工程施工技术交底时,应填写“分项工程名称”栏,其他
技术交底可不填写。
1、本表由施工单位填写,交底单位与接受交底单位各存一份。
2、当作分项工程施工技术交底时,应填写“分项工程名称”栏,其他
技术交底可不填写。
三、成品保护:
木工机械一机一闸,有漏电保护装置,并装有防护装置装好地
线,操作人员经过培训后,专人操作。
留下的木削、刨花、碎木要当日清理运到指定地点。
再吊运时施工人员禁止在吊装物的垂直作业面下工作。
1、本表由施工单位填写,交底单位与接受交底单位各存一份。
2、当作分项工程施工技术交底时,应填写“分项工程名称”栏,其他
技术交底可不填写。
一、交底日期:____年____月____日二、工程名称:____项目三、施工单位:____单位四、分项工程名称:楼梯施工五、交底对象:所有参与楼梯施工的施工人员、管理人员六、交底内容:1. 工程概况(1)楼梯的设计要求、结构形式及尺寸;(2)楼梯的施工部位、施工阶段及施工顺序;(3)楼梯施工的质量标准及验收要求。
2. 施工安全注意事项(1)施工人员必须熟悉本工程楼梯施工的安全技术交底,并严格执行;(2)施工前,必须对施工人员进行安全教育培训,确保施工人员具备必要的安全意识和操作技能;(3)施工过程中,必须遵守国家有关建筑施工安全法规和操作规程。
3. 施工现场安全措施(1)施工区域必须设置安全警示标志,提醒施工人员注意安全;(2)施工过程中,必须设置安全防护设施,如安全网、防护栏杆、安全带等;(3)施工现场必须保持整洁,不得堆放杂物,防止滑倒、绊倒等事故发生;(4)施工过程中,必须确保施工现场的照明、通风、排水等设施正常使用。
4. 人员安全措施(1)施工人员必须佩戴安全帽、安全带等个人防护用品;(2)施工人员必须遵守施工现场的作息时间,不得疲劳作业;(3)施工人员必须定期进行体检,确保身体健康;(4)施工人员必须参加施工过程中的安全培训,提高安全意识。
5. 施工机械与设备安全措施(1)施工机械与设备必须符合国家规定的技术标准,并定期进行维护保养;(2)施工机械与设备操作人员必须持证上岗,熟悉操作规程;(3)施工机械与设备必须定期进行安全检查,确保设备安全运行;(4)施工机械与设备操作过程中,必须遵守操作规程,不得违规操作。
6. 施工材料与构件安全措施(1)施工材料与构件必须符合设计要求和质量标准;(2)施工材料与构件在运输、储存、使用过程中,必须采取防护措施,防止损坏、变形;(3)施工材料与构件在施工现场必须按照规定堆放,不得占用消防通道;(4)施工材料与构件在施工过程中,必须确保安全、环保、节能。
300-500
相邻龙骨的中心间距不大于250mm,所有墙体阴角必须做定型角模。
审核人交底人接受交底人
审核人交底人接受交底人
柱
)独立框架柱支模
地下室独立框架柱尺寸为600mm×800mm、600mm×1200mm、700mm
交底人接受交底人
)附墙边框架柱支模
附墙边框架柱尺寸为700×700mm ,角柱为700×700mm 。
模板采用多层板,模板配制高度为:3600(4200) mm-梁高+25mm ,次楞采用50mm 木方,间距250mm ,主楞采用¢48钢管,主楞水平、竖向主楞双向交叉设置,用对拉止水螺栓分别从两侧将板体拉紧,如图所示:
100*100木方¢48钢管
水平主楞
18厚多层胶合板
¢14止水螺栓
¢14止水螺栓
2.4特殊部位作法2.4.1阴阳角的做法
交底人
门窗口模板安装就位要根据洞口位置线进行,口套位移在以内为合格,口套检查完毕后,要进行加固。
审核人交底人接受交底人。
交底提要
休息平台接槎部位砼墙体上弹一条水平线(用墨斗弹线→用云石机切割→剔掉浮浆漏出石子)
50*100mm间距不超过
靠墙的一端钉在反三角木上,
1、本表由施工单位填写,交底单位与接受交底单位各存一份。
2、当作分项工程施工技术交底时,应填写“分项工程名称”栏,其他技术交底可不填写。
交底内容:
1、本表由施工单位填写,交底单位与接受交底单位各存一份。
2、当作分项工程施工技术交底时,应填写“分项工程名称”栏,其他技术交底可不填写。
1、本表由施工单位填写,交底单位与接受交底单位各存一份。
2、当作分项工程施工技术交底时,应填写“分项工程名称”栏,其他技术交底可不填写。
交底内容:
在吊运模板时,要注意模板表面不得磕碰划痕。
有漏电保护装置,并装有防护装置装好地线,再吊运时施工人员禁止在吊装物的垂直作业面下工作。
1、本表由施工单位填写,交底单位与接受交底单位各存一份。
2、当作分项工程施工技术交底时,应填写“分项工程名称”栏,其他技术交底可不填写。