电阻的讲义色环标识
- 格式:ppt
- 大小:2.08 MB
- 文档页数:29
色环电阻的识别方法为什么叫色环电阻呢?是因为电阻上面用了四道色环或者五道色环来表示电阻值。
为什么不直接在电阻上印上电阻值呢?那是因为色环标示法可以从任意角度一次性的读取代表电阻值的颜色信息,而数字标示法就不同了,首先字小就不好识别,接着还受文字方向、角度的影响,在大量的特殊安装位置下根本无法读出代表电阻值的数字信息。
显然,在大量的生产、检查、维护、维修过程中,通过读取颜色信息解译出数字信息会更方便。
大家如果能先记住1234567890十个阿拉伯数字是由棕红橙黄绿蓝紫灰白黑十种颜色代替的话,你很快就会掌握色环标示法了。
识别方法如何识别顺序?色环电阻是应用于各种电子设备的最多的电阻类型,无论怎样安装,维修者都能方便的读出其阻值,便于检测和更换。
但在实践中发现,有些色环电阻的排列顺序不甚分明,往往容易读错,在识别时,可运用如下技巧加以判断:技巧1:先找标志误差的色环,从而排定色环顺序。
最常用的表示电阻误差的颜色是:金、银、棕,尤其是金环和银环,一般绝少用做电阻色环的第一环,所以在电阻上只要有金环和银环,就可以基本认定这是色环电阻的最末一环。
技巧2:棕色环是否是误差标志的判别。
棕色环既常用做误差环,又常作为有效数字环,且常常在第一环和最末一环中同时出现,使人很难识别谁是第一环。
在实践中,可以按照色环之间的间隔加以判别:比如对于一个五道色环的电阻而言,第五环和第四环之间的间隔比第一环和第二环之间的间隔要宽一些,据此可判定色环的排列顺序。
技巧3:在仅靠色环间距还无法判定色环顺序的情况下,还可以利用电阻的生产序列值来加以判别。
比如有一个电阻的色环读序是:棕1、黑0、黑0、黄4、棕1,其值为:100×104Ω=1MΩ误差为1%,属于正常的电阻系列值,若是反顺序读:棕1、黄4、黑0、黑0、棕1,其值为140×100Ω=140Ω,误差为1%。
显然按照后一种排序所读出的电阻值,在电阻的生产系列中是没有的,故后一种色环顺序是不对的。
色环电阻的表示方法朋友们!今天咱们来唠唠色环电阻的表示方法,这可是电子电路里挺有趣的一个小知识呢。
色环电阻就是那种电阻器,它身上有一圈一圈不同颜色的环,这些环可不是随便画上去好看的,而是有大用处的,它们就是用来表示这个电阻的阻值和误差的。
咱们先来说说怎么通过这些色环来看阻值。
一般来说,色环电阻有四环和五环之分。
先讲讲四环电阻。
这四环电阻啊,前面三环是用来表示阻值的。
从离电阻一端较近的那个环开始数起。
第一环和第二环表示有效数字。
比如说吧,棕色代表1,红色代表2。
如果第一环是棕色,第二环是红色,那就表示有效数字是12。
然后第三环呢,它表示的是乘数,就是要乘以10的多少次方。
像橙色就代表10的3次方。
那要是前面有效数字是12,第三环是橙色,这个电阻的阻值就是12乘以10的3次方,也就是12000欧姆,或者说12千欧。
这四环电阻的最后一环是表示误差的,金色表示误差是±5%,银色表示误差是±10%。
再来说说五环电阻。
五环电阻比四环电阻能表示的阻值更精确一些。
同样是从离一端较近的环开始数。
前面三环表示有效数字,第四环表示乘数,第五环表示误差。
举个例子,如果第一环是红色,代表2;第二环是紫色,代表7;第三环是黑色,代表0,那有效数字就是270。
第四环如果是棕色,那就是乘以10的1次方,这样算下来阻值就是2700欧姆。
第五环要是棕色,表示误差为±1%。
在识别色环电阻的时候啊,还有一些小窍门。
有时候可能会分不清哪头是开始数的那头。
一般来说,色环电阻的色环之间的间距是比较均匀的,不过最后一环也就是表示误差的那一环,它和前面的环间距会稍微大一点。
不过这也不是绝对的,所以还是要多看看,多熟悉各种颜色代表的数字和意义。
你可能会问,为啥要用色环来表示电阻阻值呢?这其实有不少好处。
一方面呢,这种表示方法很直观,只要你记住了颜色对应的数字和规则,一眼看过去就能大概知道这个电阻的阻值是多少。
另一方面,对于一些小的电阻,在电阻本体上印数字可能会因为空间太小而不方便,用色环就很好解决了这个问题。
色环电阻的判别一.四色环电阻的判别:黑,棕,红,橙,黄,绿,蓝,紫,灰,白0,1,2,3,4,5,6,7,8,9 倒数第二环,表示零的个数,最后一位,表示误差。
这个规律有一个巧记的口诀:棕一红二橙是三,四黄五绿六为蓝,七紫八灰九对白,黑是零,误差两类表示:(1)、倒数的第一色环(最后),金五银十表误差:金5%,银10%,例如:例如一个电阻:红,紫,棕,金。
第一环为红色(代表2)、第二环为紫色(代表7)、第三环为棕色(代表1:表示阻值的倍乘数.在27后面加一个0)、第四环为金色(代表±5%),那么这个电阻的阻值应该是270Ω,阻值的误差范围为±5%通常不算。
(2)、倒数第二色环:通常第四色环(最后的色环)的金、银色偏差不算。
但有一种情况是特殊:通常用四环。
倒数第二环,可以金色(代表×0.1)和银色的(代表×0.01),最后一环偏差可以无色(20%)。
.例如:紫、红、金、金。
第一色环紫为7,第二色环为红2,倒数的第二色环为金,最后的色环为金可以不算,所以电阻:72×0.1=7.2Ω。
例如:蓝,灰,银,金,表示:68×0.01=0.68欧姆,最后金色偏差不算。
五色环电阻的判别:第一道色环表示阻值的最大一位数字;第二道色环表示阻值的第二位数字;第三道色环表示阻值的第三位数字;第四道色环表示阻值的倍乘数;第五道色环表示偏差范围。
金的误差为5%,银的误差为10%,棕色的误差为1%,无色的误差为20%,绿色的误差为0.5%例如:红,红,黑,黑,棕。
第一环为红(代表2)、第二环为红(代表2)、第三环为黑(代表0)、第四环为黑(代表0不用加0上去)、第五环为棕色(代表±1%),则其阻值为220Ω×1%=220Ω,误差范围为±1%。
六色环电阻前五色环与五色环电阻表示方法一样,第六色环表示该电阻的温度系数。
二.怎样识别色环电阻的第一环。
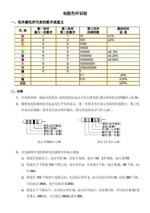
电阻器色标法小型化的电阻器都采用色标法,用标在电阻壳体上不同颜色的色环或色点,作为标称阻值和允许误差的标记。
普通精度的电阻器用四条色环表示如图1所示,右边靠端部为第一色环,顺序向右为第二、第三和第四色环。
各色环所代表的意义为:第一、第二色环相应地代表阻值的第一,第二位有效数字,第三色环表示第一,第二位数字之后加“0”的个数,第四色环代表阻值的允许误差。
精密电阻器用5条色环表示。
颜色与代表的数字为:棕1、红2、澄3、黄4、绿5、蓝6、紫7、灰8、白9、黑0。
另外,搞清第三环所表示的数量级。
金环:欧姆级;黑环:几十欧级:棕环:几百欧级;红环:几千欧级;橙环:几十千欧级:黄环:几百千欧级:绿环:兆欧级。
最后,把这两者结合起来,加上最后一环,金色I级误差(±5%),银色为Ⅱ级误差(±10%),记住这些就非常容易读取某色环电阻。
例如图1,若第一、二、三、四环依此为橙、红、绿、金,则代表阻值为32X(100000±5%)二3,2MQ±5%。
熟记第一、二环每种颜色所代表的数。
可这样记忆:棕1,红2,橙3,黄4,绿5,蓝6,紫7,灰8,白9,黑0。
这样连起来读,多复诵几遍便可记住。
记准记牢第三环颜色所代表的阻值范围,这一点是快识的关键。
具体是:金色:几点几Ω黑色:几十几Ω棕色:几百几十Ω红色:几点几kΩ橙色:几十几kΩ黄色:几百几十kΩ绿色:几点几MΩ蓝色:几十几MΩ从数量级来看,在体上可把它们划分为三个大的等级,即:金、黑、棕色是欧姆级的;红橙\'、黄色是千欧级的;绿、蓝色则是兆欧级的。
这样划分一下是为了便于记忆。
(3)当第二环是黑色时,第三环颜色所代表的则是整数,即几,几十,几百kΩ等,这是读数时的特殊情况,要注意。
例如第三环是红色,则其阻值即是整几kΩ的。
(4)记住第四环颜色所代表的误差,即:金色为5%;银色为10%;无色为20%。
下面举例说明:例1当四个色环依次是黄、橙、红、金色时,因第三环为红色、阻值范围是几点几kΩ的,按照黄、橙两色分别代表的数"4"和"3"代入,,则其读数为43 kΩ。
色环电阻色环电阻是电子电路中最常用的电子元件,色环电阻就是在普通的电阻封装上涂上不一样的颜色的色环,用来区分电阻的阻值。
保证在安装电阻时不管从什么方向来安装,都可以清楚的读出它的阻值。
色环电阻的基本单位有:欧姆(Ω)、千欧(KΩ)、兆欧(MΩ)。
1兆欧(MΩ)=1000千欧(KΩ)=1000000欧(Ω)。
平常使用的色环电阻可以分为四环和五环,通常用四环。
其中四环电阻前二环为数字,第三环表示阻值倍乘的数,最后一环为误差;五环电阻前三环为数字,第四环表示阻值倍乘的数,最后一环为误差。
误差通常也是金、银和棕三种颜色,金的误差为5%,银的误差为10%,棕色的误差为1%,无色的误差为20%,另外偶尔还有以绿色代笔误差的,绿色的误差为0.5%。
精密电阻通常用于军事,航天等方面。
色环电阻在最早期是为了帮助人们分辨阻值,因为色环电阻比较大,在当今高度集成的情况下,色环电阻已经用的比较少了。
电阻色环表有一个小口决:棕一红二橙是三,四黄五绿六为蓝,七紫八灰九对白,黑是零,金五银十表误差。
黑棕红橙黄绿蓝紫灰白金银0 1 2 3 4 5 6 7 8 9 5% 10%四色环电阻:前二条色环用来表示阻值,第三环表示数字后面添加“0”的个数,这三条色环是相隔比较靠近的,而第四环相对距离较大,这是表示误差的。
如果电阻色环不好分辩出那个是第一个色环,最简单的方法就是“第四环”不是金色就是银色,而其它颜色会出现的银少(只对四环电阻有用,五环电阻不适用)。
例如:1、红,黄,棕,金 24*10=240欧金误差为5%2、绿,红,黄,银 52*10000=520K欧误差为10%五色环电阻:第一道色环表示阻值的第一位数字;第二道色环表示阻值的第二位数字;第三道色环表示阻值的第三位数字,第四道色环表示阻值的倍乘数;第五道色环表示误差范围。
一般五环电阻是相对较精密的电阻。
例如:1、红,红,黑,黑,棕 220*1=220欧误差为1%2、紫,红,棕,红,绿 521*100=52.1K欧误差为0.5%六色环电阻:就是指用六色环表示阻值的电阻,六色环电阻前五色环与五色环电阻表示方法一样,第六色环表示该电阻的温度系数。
电阻的色环标识
电阻的色环标识是用不同颜色的色环圈表示电阻器的阻值和误差等信息。
一般情况下,电阻的色环标识有4个或5个,从左到右的顺序依次表示阻值的数字、阻值的倍数、容差和温度系数。
以下是电阻的常用色环标识与对应数值的示例:
4个色环标识:
- 第1个色环:阻值的第1位数字
- 第2个色环:阻值的第2位数字
- 第3个色环:阻值的倍数(单位为Ω)
- 第4个色环:容差
5个色环标识:
- 第1个色环:阻值的第1位数字
- 第2个色环:阻值的第2位数字
- 第3个色环:阻值的第3位数字
- 第4个色环:阻值的倍数(单位为Ω)
- 第5个色环:容差
以下是常用的颜色编码及对应的数字和倍数表格:
颜色数字倍数(单位为Ω)
黑色 0 1
棕色 1 10
红色 2 100
橙色 3 1k
黄色 4 10k
绿色 5 100k
蓝色 6 1M
紫色 7 10M
灰色 8 100M
白色 9 1G
金色 - 0.1
银色 - 0.01
无色 - 无穷大(开路)
容差的色环标识如下:
颜色容差
棕色 ±1%
红色 ±2%
绿色 ±0.5%
蓝色 ±0.25%
紫色 ±0.1%
银色 ±10%
无色无容差。
电阻色环的认识与电阻的分类一、色环的认识色环电阻,是在电阻封装上(即电阻表面)涂上一定颜色的色环,来代表这个电阻的阻值,叫色环电阻。
有一个小口决:棕一红二橙是三,四黄五绿六为蓝,七紫八灰九对白,黑是零,金五银十表误差。
色环电阻分为四色环和五色环.四色环:各色环表示意义如下:第一条色环:阻值的第一位数字;第二条色环:阻值的第二位数字;第三条色环:10的幂数;第四条色环:误差表示。
例如:电阻色环:棕绿红金第一位:1;第二位:5;10的幂为2(即100);误差为5%即阻值为:15X100=1500欧=1.5千欧=1.5K黑 棕 红 橙 黄 绿 蓝 紫 灰 白 金 银 0 1 2 3 4 5 6 7 8 9 5% 10%五色环:精确度更高的“五色环”电阻,用五条色环表示电阻的阻值大小,具体如下:第一条色环:阻值的第一位数字;第二条色环:阻值的第二位数字;第三条色环:阻值的第三未数字;第四条色环:阻值乘数的10的幂数;第五条色环:误差(常见是棕色,误差为1%)四色环电阻误差为5-10%,五色环常为1%,精度提高了例如:有电阻:黄紫红澄棕前三位数字是:472第四位表示10的3次方,即1000阻值为:472X1000欧=472千欧(即472K)二、色环电阻的分类1、色环电阻主要分为碳膜电阻、水泥电阻、金属膜电阻、线绕电阻和玻璃釉电阻等;1.1碳膜电阻:它是引线式电阻,而且也是引线间最便宜的一种电阻;主要职能就是阻碍电流流过,应用于限流、分流、降压、分压、负载与电容配合作滤波器等;1.2水泥电阻:陶瓷功率型线绕电阻,常被人称做是水泥电阻;在电路里多是限流保护和假负载电阻的作用;1.3金属膜电阻:它以特种金属或合金作电阻材料,用真空蒸发或溅射的方法,在陶瓷或玻璃基本上形成电阻膜层的电阻器;它是引线式电阻,方便手工安装及维修,用在大部分家电、通讯、仪器仪表上;和碳膜电阻相比,体积小、噪声低、稳定性好,但成本较高;1.4线绕电阻:是用电阻丝绕在绝缘骨架上构成的;它的特点是工作稳定、耐热性能好,误差范围小,阻值可精确到0.001欧,也是电阻中最贵的电阻;1.5玻璃釉电阻:由贵金属银钯、钌、铑等的金属氧化物(氧化钯、氧化钌等)和和玻璃釉黏合剂混合成浆料,涂覆在绝缘骨架上,经高温烧结而成;它的特点是耐湿、耐温、稳定性好、噪声小,高频性特好;主要应用于手机充电器、电源、节能灯等产品的保护性电路中。
一、电阻阻值的色环表示法1、颜色和数字的对应关系:注意:金、银在第四环出现时,它们代表误差,金代表 5 %,银代表10 %;而在第三环出现时,金代表0.1 ,银代表0.01 。
请看下例。
2、“四色环”读数规则:第一,二环表示两位有效数字,第三环表示数字后面添加“ 0 ”的个数。
如:例 1 :阻值:27后面添加“3个0”即27000 欧,误差5%例2:如果第3 环是金色阻值:27 小数点向前移1位,即 2.7 欧姆,误差5%例3:阻值:22后面添加1个0即220欧姆, 误差5%例4:例4所表示的阻值为22 欧。
第三环“黑色”表示“ 0 个零”,也就是表示数字后面不添加0 。
实际上,第三环用数学形式表达就是10 的N次方的倍率,前面的情况分别可写作:27×103=2700022×101=22022×10°=221000 欧=1 千欧, 1000 千欧=1 兆欧。
欧,即欧姆,符号是Ω ;千欧:ΚΩ; 兆欧:M Ω 。
3 、“五色环”读数规则:第一、二、三环表示三位数字,第四环表示数字后面“ 0 ”的个数,第五环表示精度。
现在市场上逐步以五色环为主,而且第五环精度的表示方法目前实际使用和过去有关规定不同,一般用棕色表示误差 1 %。
举例如下:例5:这个电阻的阻值:200000 欧姆=200K 误差1 %例6:绿= 5 ,棕=1 ,黑=0 ,银=0.01 ,于是阻值=510 ×0.01=5.1Ω二电容器容量的表示方法电容器容量的基本单位是“法拉”( F ),1法拉的1/1000000 (百万分之一)是1微法(μ F ),1微法的1/1000000 是1pF (1微微法,或1皮法)。
它们之间的关系是百万(或称10 的6 次方)进位关系。
我们常用的电容有:1、电介电容:多数在1 μ F 以上,直接用数字表示。
如:4.7 μ F 、100 μ F 、220 μ F 等等。
电阻色标法色标法(又称色环表示法):用不同的颜色的色环来表示电阻器的阻值及误差等级。
色环表示法的电阻值一律以欧[姆](q)为单位,色标电阻4环电阻和5环电阻,数值的读取方法、颜色与数值的对应关系如图1.5所示。
熟记第一、二环每种颜色所代表的数。
可这样记忆:棕1,红2,橙3,黄4,绿5,蓝6,紫7,灰8,白9,黑0。
这样连起来读,多复诵几遍便可记住。
记准记牢第三环颜色所代表的阻值范围,这一点是快识的关键。
具体是:金色:几点几Ω黑色:几十几Ω棕色:几百几十Ω红色:几点几kΩ橙色:几十几kΩ黄色:几百几十kΩ绿色:几点几MΩ蓝色:几十几MΩ从数量级来看,在体上可把它们划分为三个大的等级,即:金、黑、棕色是欧姆级的;红橙\'、黄色是千欧级的;绿、蓝色则是兆欧级的。
这样划分一下是为了便于记忆。
(3)当第二环是黑色时,第三环颜色所代表的则是整数,即几,几十,几百kΩ等,这是读数时的特殊情况,要注意。
例如第三环是红色,则其阻值即是整几kΩ的。
(4)记住第四环颜色所代表的误差,即:金色为5%;银色为10%;无色为20%。
下面举例说明:例1当四个色环依次是黄、橙、红、金色时,因第三环为红色、阻值范围是几点几kΩ的,按照黄、橙两色分别代表的数"4"和"3"代入,,则其读数为43 kΩ。
第环是金色表示误差为5%。
例2当四个色环依次是棕、黑、橙、金色时,因第三环为橙色,第二环又是黑色,阻值应是整几十kΩ的,按棕色代表的数"1"代入,读数为10 kΩ。
第四环是金色,其误差为5%在某些不好区分的情况下,也可以对比两个起始端的色彩,因为计算的起始部分即第1色彩不会是金、银、黑3种颜色。
如果靠近边缘的是这3种色彩,则需要倒过来计算。
色环电阻的色彩标识有两种方式,一种是采用4色环的标注方式,令一种采用5色环的标注方式。
两者的区别在于:4色环的用前两位表示电阻的有效数字,而5色环电阻用前三位表示该电阻的有效数字,两者的倒数第2位表示了电阻的有效数字的乘数,最后一位表示了该电阻的误差。