预应力张拉油表读书计算方法
- 格式:doc
- 大小:10.26 MB
- 文档页数:6
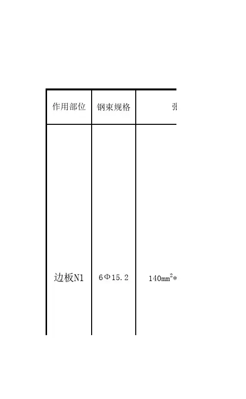
沈阜开发大道(丹霍公路十大线至新民外环段)改扩建工程第八合同段施工空心板张拉力、油表读数及伸长值大连四方公路工程有限公司沈阜开发大道改扩建工程第八合同段项目经理部2011年05月25日20米空心板张拉力、油表读数及伸长值计算说明书一、φs15.2钢铰线初始张拉力(20%)及油表读数计算1、初始张拉力(20%)的计算P(20%)=σS其中:σ—控制应力1395MPaS—钢筋有效面积140mm22、油表读数计算1#千斤顶y=0.2191x-1.4133(回归方程由检测报告提供)2#千斤顶y=0.2209x-0.7867(回归方程由检测报告提供)其中:y—指示器示值x—负荷二、φs15.24钢铰线控制张拉力(100%)及油表读数计算1、控制张拉力(100%)的计算P(20%)=σS×100%其中:σ—控制应力1395MPaS—为钢筋有效截面积140mm22、油表读数计算1#千斤顶y=0.2191x-1.41332#千斤顶y=0.2209x-0.7867其中:y—指示器示值x—负荷详细计算数值见下表20m空心板张拉力及油表读数3、理论伸长值的计算ΔL=P/E×L其中:ΔL—理论伸长值(mm)P—设计控制应力P=1395 MPaE—弹性模量E=1.95×105MPaL—张拉台座夹具至夹具距离L=66400mmΔL=1395/(1.95×105)×66400=475mm4、实测值为ΔL实=ΔL初+ΔL终其中:ΔL初为初张拉力(20%)对应的钢铰线伸长值,实际取理论计算值的20%,ΔL初=95mmΔL终相对于初张拉时的实际伸长值实测伸长值与理论伸长值的差值按照桥梁施工技术规范要求应控制在±6% 以内,否则应暂停张拉,待查明原因并采取措施予以调整后,方可继续张拉。
13米空心板张拉力、油表读数及伸长值计算说明书一、φs12.7钢铰线初始张拉力(20%)及油表读数计算1、初始张拉力(20%)的计算P(20%)=σS其中:σ—控制应力1395MPaS—钢筋有效面积98.7mm22、油表读数计算1#千斤顶y=0.2191x-1.4133(回归方程由检测报告提供)2#千斤顶y=0.2209x-0.7867(回归方程由检测报告提供)其中:y—指示器示值x—负荷二、φs12.7钢铰线控制张拉力(100%)及油表读数计算1、控制张拉力(100%)的计算P(20%)=σS×100%其中:σ—控制应力1395MPaS—为钢筋有效截面积98.7mm22、油表读数计算1#千斤顶y=0.2191x-1.41332#千斤顶y=0.2209x-0.7867其中:y—指示器示值x—负荷详细计算数值见下表13m空心板张拉力及油表读数3、理论伸长值的计算ΔL=P/E×L其中:ΔL—理论伸长值(mm)P—设计控制应力P=1395 MPaE—弹性模量E=1.95×105MPaL—张拉台座夹具至夹具距离L=56700mmΔL=1395/(1.95×105)×56700=406mm4、实测值为ΔL实=ΔL初+ΔL终其中:ΔL初为初张拉力(20%)对应的钢铰线伸长值,实际取理论计算值的20%,ΔL初=81mmΔL终相对于初张拉时的实际伸长值实测伸长值与理论伸长值的差值按照桥梁施工技术规范要求应控制在±6% 以内,否则应暂停张拉,待查明原因并采取措施予以调整后,方可继续张拉。
预应力张拉推算公式张拉与压浆注意事项一、油压表的计算方法应力值=设计锚下控制应力*分次张拉的百分比千斤顶出力值=(应力值*钢绞线截面积*钢绞线股数)/1000将千斤顶出力值代入千斤顶出力值Y(KN)-油压(Mpa)关系方程(注意看清方程中的Y是出力值还是压力值)应力值查看图纸预应力钢筋束构造图中设计的锚下控制应力值推算附(钢绞线截面积查看钢绞线GBT5224-2003预应力混凝土用钢绞线规范)钢绞线对照此规范查看钢绞线截面积(张拉需出据钢绞线送检报告、锚具、夹片报告,千斤顶、油泵与油压表需出具配套标定书)张拉前和张拉过程中的注意事项(查看图纸要求是单端张拉还是两端张拉)施工前:1、检查梁是否达到设计要求强度,送试块或用回弹仪测强度,(公路桥涵规范规定是达到75%方可进行张拉。
)2、检查钢绞线有无锈蚀,无硬伤。
3、检查进油管和出油管有无破损,油泵内液压油是否注满,油泵是否能够正常使用。
4、千斤顶与油压表配套使用,张拉过程中需注意油压表出油值需保持数值同步,如有一方出力慢,另一方在未达到数值前等待另一方,保持稳压,切不可关掉阀门,5、每次张拉完相应应力值后,需稳压2~3分钟,(张拉过程中需要注意梁体腹板的变化。
出现异常情况应立即停止张拉,查明原因后,便采取正确的措施进行处理,)100%张拉应力完成后,稳压3分钟,回油,量测引伸量,回油后的引伸量减去100%引伸量大于8mm,则出现滑丝现象,应查明原因并采取措施解决后方可张拉。
总张拉吨位的10%~15% 量测引伸量δ1初张拉P0 持荷3分钟张拉到总吨位P量测引伸量δ2持荷3分钟回油量测引伸量δ3以东荆河大桥加固改造工程为例一片40.8边跨边梁图纸给出设计锚下控制应力δcon=0.75fpk=1395Mpa编号:规格:股数N1 φs15.2 91、应力值=设计锚下控制应力*分次张拉的百分比分次张拉的百分比为15%,30%,100%15%千斤顶出力值=1395*0.15=209.25Mpa30%千斤顶出力值=1395*0.3=418.5Mpa100%千斤顶出力值=1395*1=1395Mpa2、千斤顶出力值(油压表读数)=(应力值*钢绞线截面积*钢绞线股数)/100015%应力值*140*9/1000=263.655Mpa3、代入标定报告上的将千斤顶出力值代入千斤顶出力值Y(KN)-油压(Mpa)关系方程4510端千斤顶校准方程如下(另端算法同此)Y=50.8016X+19.3571 Y为千斤顶出力值、X为油压值代入263.655=50.8016*X+19.3571=(263.655-19.3571)/50.8016=4.80886231929(四舍五入留一位小数点)=4.8二、张拉实测伸长量的计算方法1、单端实测伸长量(100%-15%)+(30%-15%)-6(另端算法同此)附:6为油压回缩值(通用)单端(166-23)+(54-23)-6=1682端实测伸长量相加就是实测伸长量2、伸长率=(实测伸长量-图纸上标示的理论伸长量)/理论伸长量(2端实则伸长量相加-图纸设计单端值*2(单位为毫米))/图纸设计单端值*2即为伸长率3、初应力时推算伸长量(应力百分比*理论引伸量*锚下控制应力)/锚下控制应力(15%*图纸设设计单端伸长量*1395)/1395(0.15*278*1395)/1395=41.7mm影响张拉应力值的因素:1、钢绞线磨擦系数过大(波纹管破裂,渗透进去)2、油泵不稳定(两端速度不一致)3、混凝土强度不够。
箱梁预应力张拉计算书武(陟)西(峡)高速公路桃花峪黄河大桥工程,是郑州市西南绕城高速公路向北延伸与郑(州)焦(作)晋(城)高速公路相接的南北大通道。
第3标段长度:1250.43m(K28+917.57~K30+168)。
桥梁长度:7联35孔1244.7m(跨堤桥1联3孔,引桥6联32孔)。
引桥全长955.43m,6联32孔预制安装(先简支后连续)的预应力连续小箱梁结构。
第1联6孔,左幅(25+30+35+35+25+25)m、右幅(25+25+25+35+35+30)m;第2联6孔均为30m;第3、4、5、6联,均为5孔30m。
每孔左右幅共12榀小箱梁。
一、张拉计算所用常量:预应力钢材弹性模量 Eg=1.95×105Mpa=1.95×105N/mm2预应力单数钢材截面面积 Ag=139mm2预应力钢材标准强度 f pk=1860Mpa孔道每米局部偏差对摩擦的影响系数 k=0.0015预应力钢材与孔道壁的摩擦系数μ=0.17设计图纸要求:锚下张拉控制应力σ1=0.75 f pk =1395MPa二、计算所用公式:1、P的计算:P=σk ×Ag×n×10001×b (KN) (1)式中:σk ̄ ̄ ̄ ̄ ̄ ̄ ̄ ̄预应力钢材的张拉控制应力(Mpa); Ag ̄ ̄ ̄ ̄ ̄ ̄ ̄ ̄预应力单束钢筋截面面积(mm2);n  ̄ ̄ ̄ ̄ ̄ ̄ ̄ ̄同时张拉预应力筋的根数(mm2);b  ̄ ̄ ̄ ̄ ̄ ̄ ̄ ̄超张拉系数,不超张拉取1.0。
2、p 的计算:p =μθμθ+-+-kl e p kl(1( (KN ) (2) 其中:P  ̄ ̄ ̄ ̄ ̄ ̄ ̄ ̄预应力钢筋张拉端的拉力(N ); l  ̄ ̄ ̄ ̄ ̄ ̄ ̄ ̄从张拉端至计算截面的孔道长(m );θ  ̄ ̄ ̄ ̄ ̄ ̄ 从张拉端至计算截面曲线孔道部分切线的夹角之和(Rad );k  ̄ ̄ ̄ ̄ ̄ ̄ ̄ ̄孔道每米局部偏差对摩擦的影响系数; μ ̄ ̄ ̄ ̄ ̄ ̄ ̄ ̄预应力钢材与孔道壁的摩擦系数。
张拉伸长量和油表读数控制的计算计算依据:设计文件和施工技术规范的张拉要求、理论伸长量的计算公式、钢绞线的试验检测结果、张拉千斤顶的标定报告。
一、钢绞线理论伸长量的计算:预应力筋伸长量(ΔL)的计算公式(1):Pp×LΔL=Ap×EpPp预应力筋的张拉受力(N)L 预应力筋的张拉长度(mm)Ap 预应力筋的截面面积(mm2)Ep 预应力筋的弹性模量(N/mm2)1、平均张拉力(Pp)的计算:每孔有一束(四根)钢绞线,每束张拉控制应力781.21(KN),每根钢绞线张拉力:P=781.21/4×1000=195300(N)预应力筋平均张拉力直线段Pp=P;曲线段按下式(2)计算:P(1-e-(kx+uθ))Pp=kx+uθP 预应力筋张拉端张拉力(N)X 从张拉端至计算截面的孔道长度(m)θ从张拉端至计算截面曲线孔道部分切线的夹角之和(rad)K 孔道每米局部偏差对摩擦的影响系数u 预应力筋与孔道壁的摩擦系数A、1#预应力筋:(1)、曲线部分起点处张拉力Pp=P=195300(N)(2)、曲线部分终点处张拉力Pp:取K=0.0015,X=5.143m,u=0.225,θ=12×π/180=0.20944(rad)代入(2)式计算得Pp=190041.5794(N)(3)、梁中直线部分张拉力Pp=190041.5794(N)B、2#预应力筋:(1)、曲线部分起点处张拉力Pp=P=195300(N)(2)、曲线部分终点处张拉力Pp:取K=0.0015,X=2.07m,u=0.225,θ=2×π/180=0.03491(rad) 代入(2)式计算得Pp=194233.754(N)(3)、梁中直线部分张拉力Pp=194233.754(N)2、预应力筋截面面积(Ap):根据钢绞线试验报告,平均截面积:Ap=(140+140+140)/3=140(mm2)3、弹性模量(Ep):Ep=(2.01+2.01+2.01)/3×105(Mpa)=2.01×105(N/mm2)4、钢绞线长度(L)的计算(按半跨计算):A、1#钢绞线长度计算:张拉端直线部分钢绞线长度:=430+524=594(mm)L1曲线部分钢绞线长度:L=4189(mm)2跨中部分钢绞线长度:=3159(mm)L3B、2#钢绞线长度计算:张拉端直线部分钢绞线长度:=430+767=1197(mm)L1曲线部分钢绞线长度:=873(mm)L2跨中部分钢绞线长度:L=6191(mm)3(5)、理论伸长量(ΔL)的计算:1#钢绞线:按分段计算,各段数据分别代入,其中曲线部分取两端平均值:ΔL1=6.621(mm)ΔL2=28.29(mm)ΔL3=21.334(mm)ΔL=(ΔL1+ΔL2+ΔL3)×2=112.49(mm)2#钢绞线:按分段计算,各段数据分别代入,其中曲线部分取两端平均值:ΔL1=8.307(mm)ΔL2=6.026(mm)ΔL3=42.733(mm)ΔL=(ΔL1+ΔL2+ΔL3)×2=114.13(mm)二、张拉时油表读数的控制:根据设计文件和施工技术规范的要求,张拉顺序为:0→10%δcon→103%δcon(持荷2分钟)→100%δcon锚固各个时段的张拉力分别为:0→78.12KN→804.636KN→781.2KN为了计算钢绞线的实际伸长量,需记录10%δcon→20%δcon时的实际伸长量,用来当作0→10%δcon时的伸长量,所以也应知道20%δcon时的张拉力为156.24KN。
预应力张拉计算书一、 预应力筋张拉端张拉力计算: 1、计算公式:P=σ.k n ×b Ag .10001×2、计算算式:P N1=1320.6 MPa *139mm 2*5*1/1000*1*1000=917817.000 (N ) P N2=1320.6MPa*139mm 2*6*1/1000*1*1000=1101380.4 (N ) 二、预应力筋平均张拉力计算: 1、计算公式:P=[P(1-e-θμ))](θμ)κ+κL+(L2、计算算式: ①、P N1=[917817*(1-e-(0.0015*5.091+0.17*12/180*π)]/(0.0015*5.091+0.17*12/180*π)=898256.195 (N ) ②、P N1=[917817*(1-e-(0.0015*4.739+0.17*0/180*π)]/(0.0015*4.739+0.17*0/180*π)=914562.565 (N ) ③、P N2=[1101380.4*(1-e-(0.0015*5.091+0.17*2/180*π)]/(0.0015*5.091+0.17*2/180*π)=1093940.884 (N ) ④、 P N2=[1101380.4*(1-e-(0.0015*4.739+0.17*0/180*π)]/(0.0015*4.739+0.17*0/180*π)=1097475.078 (N )三、理论伸长值计算:1、计算公式:P×LA y E2、计算算式:ΔL N1=(898256.195*5091+914562.565*4739)/(139*5*2*105)=64.1mmΔL N2=(1093940.884*5091+1097475.078*4739)/(139*6*2*105)=64.6mm 四、实际伸长值计算:12L L L∆=∆+∆L∆———实际伸长值1L∆———从预应力至最大张拉应力间的实测伸长值(mm)2L∆———初应力以下的推算伸长值(mm)2L∆=σ0×L/E g备注:式中:P——预应力筋张拉端的张拉力(N)L——从张拉端至计算截面的孔道长度θ——从张拉端至计算截面曲线孔道部分切线的夹角之和(rad) k——孔道每米局部偏差对摩擦的影响系数kμ——预应力筋与孔道壁的摩擦系数A y——预应力筋的截面面积(mm2)E g——预应力筋的弹性模量(MPa)五、经试验,本Lp=20米空心板梁张拉控制千斤顶与油表读数对应关系为:。
预应力张拉油表读书计算方法
1、先算单根钢绞线的控制张拉力:
F1=fpk*r*As
fpk:表示钢绞线的标准抗拉强度;
As:表示钢绞线的横截面积;(查规范)
r:表示折减系数;
2、再算每束钢绞线的张拉力:
Fn=F1*n
n:表示每束钢绞线的数量;
3、根据一次线性回归方程(查阅所用液压千斤顶的检验报告)算出油表读数。
例:以拉萨市生态路桥改建工程为例计算油表读数(已知fpk=1860Mpa,As=139mm2,,r=0.75,n=7);
解:一根钢绞线的控制张拉力:
F1=1860*0.75*139=193905N=193.905KN
七根钢绞线的控制张拉力:
F7=193.905*7=1357.335KN
故:15%控制张拉力所对应张拉力1357.335*15%=203.60025KN
30%控制张拉力所对应张拉力1357.335*30%=407.2005KN
100%控制张拉力所对应张拉力
1357.335*100%=1357.335KN
液压千斤顶编号01一次线性回归方程(后附检验报告):P=0.0134*F+0.2343,相关系数:R=0.9998。
根据以上给出的数据及公式可算出不同张拉阶段的油表读数P如下:
15%对应的油表读数:
P7-15%=0.0134*203.60025+0.2343=2.96Mpa
30%对应的油表读数:
P7-30%=0.0134*407.2005+0.2343=5.69Mpa
100%对应的油表读数:
P7-100%=0.0134*1357.335+0.2343=18.42Mpa。