180吨架桥机稳定性验算
- 格式:pdf
- 大小:111.17 KB
- 文档页数:4
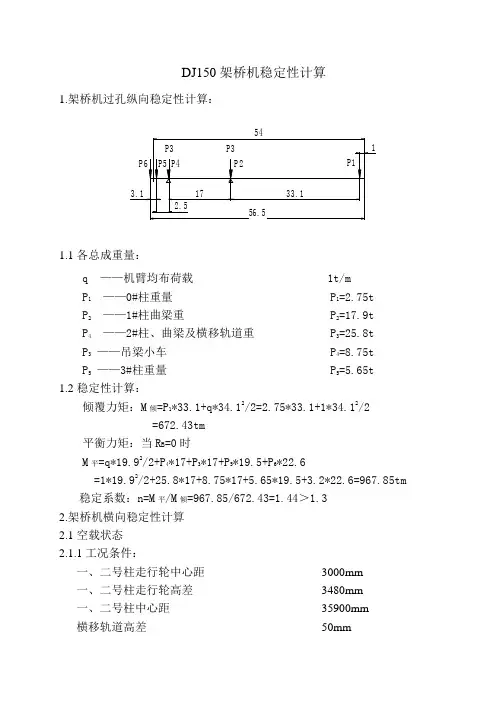
DJ150架桥机稳定性计算1.架桥机过孔纵向稳定性计算:1.1各总成重量:q ——机臂均布荷载 1t/mP1 ——0#柱重量 P1=2.75tP2 ——1#柱曲梁重 P2=17.9tP4 ——2#柱、曲梁及横移轨道重 P3=25.8tP3——吊梁小车 P4=8.75tP5——3#柱重量 P5=5.65t1.2稳定性计算:倾覆力矩:M倾=P1*33.1+q*34.12/2=2.75*33.1+1*34.12/2=672.43tm平衡力矩:当R B=0时M平=q*19.92/2+P4*17+P3*17+P5*19.5+P6*22.6=1*19.92/2+25.8*17+8.75*17+5.65*19.5+3.2*22.6=967.85tm 稳定系数:n=M平/M倾=967.85/672.43=1.44>1.32.架桥机横向稳定性计算2.1空载状态2.1.1工况条件:一、二号柱走行轮中心距3000mm一、二号柱走行轮高差3480mm一、二号柱中心距35900mm横移轨道高差50mm机臂横移750mm 2.1.2.各总成重量及重心高位置(自2号柱横移轨道轨面)2.1.2.1机臂:重量54t,重心高5826mm2.1.2.2曲梁及横移机构:重量5.8t,重心高6720mm2.1.2.3吊梁小车:重量8.75t,重心高5200mm2.1.2.4零号柱:重量2.75t,重心高980mm2.1.2.5一号柱:重量12.1t,重心高1900mm2.1.2.6二号柱:重量12t,重心高3530mm2.1.2.7三号柱:重量5.65t,重心高2900mm2.1.3架梁简支状态重心位置2.1.3.1架桥机重心高(距2号柱横移轨道轨面)HH=(54*5826+5.8*2*6720+8.75*2*5200+2.75*980+12.1*1900+12*3530+5.65*2900+3.2*5700)/(54+5.8*2+8.75*2+2.75+12.1+12+5.65+3.2)=586226/118.8=4934.6mm2.1.3.2架桥机重心纵向位置(距2号柱中心)LL=(2.75*36400+12.1*35900+5.8*35900+8.75*32500+54*10400+8.75*5900 —5.65*16130-3.2*19100/118.8=14880555/118.8=12525.72mm2.1.3.3架桥机重心横向位置(距架桥机中心)EE=(54+5.8*2+8.75*2+5.65+3.2+2.75)*750/118.8=595mm2.1.3.4架桥机重心距一、二号柱走行轮踏面连线垂直距离S=6120.1mm2.1.4架桥机横向稳定性计算:2.1.4.1架桥机侧向迎风面积:AA=80(机臂)+1.6(行车)+6(曲梁)+5.6(二号柱)+7.6(一号柱)+2.9(三号柱)5.6(尾部托架)+2(零号柱)=111.3m22.1.4.2空载稳定性计算:条件:轨道高差50mm;机臂横移750mm;风力作用点为机臂中心;工作状态计算风压qⅡ=150N/m2;非工作状态计算风压qⅢ=600N/m2;风力系数C=1.7;高度系数K h=1.0;2.1.4.2.1工作状态稳定性F风=1.7*150*1.0*111.3=28381.5NQ机=118.8tM倾= F风*6.914=2.84*6.914=19.64tmM平=118.8*0.819=97.3tm稳定系数n=97.3/19.64=4.95>1.32.1.4.2.2非工作状态稳定性(机臂横移750mm)F风=1.7*600*1.0*111.3=113526NQ机=118.8tM倾= F风*6.914=11.35*6.914=78.5tmM平=118.8*0.819=97.33tm稳定系数n=97.3/78.5=1.24<1.3需与走行轨道固定2.1.4.2.3非工作状态稳定性(机臂不横移)F风=1.7*600*1.0*111.3=113526NQ机=118.8tM倾= F风*6.914=11.35*6.914=78.5tmM平=118.8*1.4=166.32tm稳定系数n=166.32/78.5=2.1>1.32.2重载状态2.2.1工况条件:一、二号柱走行轮中心距3000mm一、二号柱走行轮高差3480mm一、二号柱中心距35900mm横移轨道高差50mm32m(2201)梁重量168t梁重心距一、二号柱走行轮踏面连线垂直距离4545mm梁侧向迎风面积:A=32.6*2.8=91.28mmM倾= F风机*6.802+ F风梁*4.55=2.84*6.802+1.7*91.28*0.015*4.55 =29.9tmM平=118.8*1.4+168*1.42=404.88tm稳定系数n=404.88/29.9=13.54>1.3。
JQJ型180t架桥机(步履式)操作、维护及使用说明书武桥重工集团股份2009年3月目录1、桥面吊机的用途及其主要特点2、桥面吊机主要技术参数3、主要结构4、液压系统5、电气系统6、安装与调试及注意事项7、安全操作规程8、架桥机的操作、维护及使用说明9、备件清单(一组两台吊机共用)10、随机工具11、附图1、JQJ型180t架桥机的用途及其主要特点:1.1用途:JQJ型180t架桥机,主要用于荆岳长江公路大桥北塔主跨及北边跨斜拉桥钢梁的吊装施工。
钢箱梁为单箱三室扁平流线型栓焊钢箱梁,中心梁高 3.8m,钢箱梁宽38.5m,标准节段长度15m。
节段最大重量305.4t.JQJ型180t架桥机采用两台(一组)抬吊的施工工法。
水上部分吊装采用船舶运输到桥位,由架桥机将钢箱梁安全准确的提升至桥面并依变幅机构的配合进行对位和拼接。
岸上部分采用船舶运输到岸边栈桥,由运梁小车运送到桥位,由架桥机将钢箱梁安全准确的提升至桥面并依变幅机构的配合进行对位拼接。
本架桥机设有步履式驱动装置,可在桥面自行前进或后退。
1.3. 桥面吊机的工作特征:1.3.1架桥机前支点站位于已安装节段斜拉索横隔板处,标准节段后锚点距离前支点18m处。
1.3.2架桥机机架设相邻节段;2、架桥机主要技术参数:2.1 起重量:180吨(不含吊具重量)2.2 架桥机自重:118吨(单件最大重量: 7t)2.3 抗风能力:空载行走状态: 8级空载锚固状态: 12级满负荷起重状态: 7级2.4起升速度:满载: 0~1.0/min空载: 0~1.5 m/min2.5 变幅速度:0~0.6 m/min (带载变幅)2.6 工作幅度:Rmin=7m Rmax=12m2.7整机走行方式:步履式(油缸顶推,步履过程中不带载)2.8整机走行速度: 移动全程15m ,包括锚固拆装、倒运轨道、定位全过程时间不大于2小时。
2.9空载整机爬坡能力: 正负3.5度2.10起升高度:桥面下65m、桥面上1m2.11前后锚固距离: 18m(16m,19.5m)2.12工作时左右支承点距离: 外侧10.5m、侧5.7m前后支承点距离: 16.85m2.13起吊偏斜角: 横桥向1.5度、纵桥向3.5度2.14吊具调平性能: 具备纵向、横向调平功能2.15色标: 秋黄色、厚度120μm2.16电制: 三相四线制交流380V 50Hz2.17整机装机容量: 110Kw2.18整机稳定系数: 满足GB3811-83要求( 各种工况∑M>0 )2.19过载保护及高度和变幅限位:按GB4064-83、GB6067-85要求配齐并设有载荷数字显示及报警,整机运行设有蜂鸣器。
附件三:架桥机计算书一、主梁过孔时强度计算:1、自重荷载:(1)单桁架主梁自重q主=5.76KN/m(2)前支承自重q前=20.5KN(3)前支自重q前支=70KN(4)天车横移、纵移q横纵=100KN过孔时梁中的最大弯矩:Mmax=q前/2×41×104+41×0.49×41/2×104=2.05/2×41×104+41×0.575×41/2×104+23×7×104=(42.025+483+161) ×104=686×104N.m上下弦所承受的最大轴力:Nmax=Mmax/h=686×104N·m/2.415m=284×104N上弦杆(上弦杆32b工字钢钢对扣,上贴12*240钢板,侧贴12*300钢板)的面积为:A=(12*300*10-6+12*240*10-6+55.1*10-4)*2=239.8*10-4上弦杆的工作应力σmax= Nmax/A=284×104N/(239.8×10-4)m=118 MPa考虑组合因素安全系数n=1.33,上下弦材料采用:Q235-B σS=210 MPa许用应力[σ]= σS/1.3=161Mpa工作应力: σmax=118 Mpa<161Mpa, 过孔时上弦满足强度条件。
下弦杆(下弦杆25b槽钢对扣,上贴10*230钢板,侧贴10*220钢板)的面积为:A=(10*230*10-6+10*220*10-6+2*39.91*10-4)*2=124.82*2*10-4=249.64*10-4下弦杆的工作应力σmax= Nmax/A=284×104N/(249.64×10-4)m=113.8 Mpa考虑组合因素安全系数n=1.33,上下弦材料采用:Q235-B σS=210 MPa许用应力[σ]= σS/1.3=161Mpa工作应力: σmax=113.8Mpa<161Mpa, 过孔时下弦满足强度条件。
附件一:180吨架桥机稳定性验算WJQ40/180t 型架桥机设计起吊重量为2×90吨,架设跨度≤40,架桥机总长66m,桥机主梁为三角桁架结构,由型钢及钢板焊接而成,前支腿和中托轮箱是架桥机架梁工作的主要支撑及动力部件,后托轮、后支腿为过孔的辅助支撑。
主梁上部设有两台提升小车,是桥机的提升结构。
架设边梁时梁片重心未超过前支腿中心。
一、架桥架横向稳定性验算1、竖向荷载1.1结构自重1.1.1主梁自重集度;q=0.65t/m----每米主梁自重(单根主梁总重0.65×66t)1.1.2提升小车:P 提=13t(作用在单根主梁上围6.5t)1.1.3前支腿P 前=12t(每支腿6t, 每根主梁一个前支腿)1.1.4后支腿P 后=7t(每支腿3.5t, 每根主梁一个前支腿)1.1.5起吊荷载P=2×65t2、冲击系数1.2.1起重动力系数D1= 1.31.2.2水平荷载提升小车在横梁上横移速度为0.022m/s,其最大加速度为0.044 m/s 2,架桥机整机横移及提升小车横移速度为0.022m/s ,其最大加速度为0.044 m/s 2,很小,可不计,提升小车吊重2×71.5t ,为安全为计,动力系数按0.05计算,惯性力PH=143t ×0.05=7.15t 。
3、风荷载1.3.1工作状态计算风荷载工作状态计算风压2115/q kg m =横桥向迎风面积21.25 1.2566 2.870.7166A L H W m =⨯⨯⨯=⨯⨯⨯=单整机横桥向迎风面积2(1)(10.2)166199A n A m =+=+⨯=单横桥向风荷载= 1.7 1.2315199 6.3P C Kh q A t ⨯⨯⨯=⨯⨯⨯=工预制梁风荷载= 1.7 1.2315140 2.5 3.2P CKh q w L H t ⋅⋅⋅⋅=⨯⨯⨯⨯⨯=预顺桥向迎风面积远小于横桥向迎风面积,风荷载忽略不计。
GCJQ50M/180T型架桥机计算书一、设计规范及参考文献(一)、重机设计规范(GB3811-83)(二)、钢结构设计规范(GBJ17-88)(三)、公路桥涵施工规范(041-89)(四)、公路桥涵设计规范(JTJ021-89)(五)、梁体按50米T梁170吨计二、架桥机设计荷载(一)、垂直荷载梁重:Q1=170t天车重:Q2=8.5t(含卷扬机)吊梁天车横梁重:Q3=8.3t(含纵向走行)主梁、桁架及桥面系均部荷载:q=1.49t/m,1.49×1.1=1.64 t/m 0号支腿总重: Q4=6.0t1号承重梁总重:Q5=16.0t2号承重梁总重:Q6=16.0t纵向走行横梁(1号车):Q7=8.5+8.3=16.8t纵向走行横梁(2号车):Q8=8.5+8.3=16.8t梁增重系数取:1.1活载冲击系数取:1.2不均匀系数取:1.1(二)、水平荷载1、风荷载a、设计取工作状态最大风力,风压为7级风的最大风压:q1=19kg/m2b、非工作计算状态风压,设计为11级的最大风压:q2=66kg/m22、运行惯性力:Ф=1.1三、架桥机倾覆稳定性计算(一)、架桥机纵向稳定性计算架桥机纵向稳定性最不利情况出现在架桥机悬臂前行阶段,该工况下架桥机的支柱已经翻起,1号天车及2号天车退至架桥机尾部作为配重,计算简图见图1(单位m)。
图1P1=6.0t(前支柱自重)P2=1.64×(23+9)=52.48t(导梁后段自重)P3=1.64×52=85.28t(导梁前段自重)P4=16.0t (2#承重横梁自重)P5= P6=16.0t(天车、起重小车自重)P’6=75.0t(梁板过跨配重按梁重一半计)P7为风荷载,按11级风的最大风压下的横向风荷载,所有迎风面均按实体计算。
P7=ΣCKnqAi=1.2×1.39×66×(0.7+0.584+0.245+2.25+0.3+0.7+0.8+1.5)×14.9=11612kg=11.61t作用在轨面以上6.5m处M抗=52.48×16+16×(23+1.7)+16×30.2+16×23+75×30.2=4370.84t.m)M倾=6.0×52+85.28×26+11.61×6.5=2604.745t.m架桥机纵向抗倾覆安全系数n=M抗/M倾=4370.84/(2604.745×1.1)=1.53>1.3 可(二)、架桥机横向倾覆稳定性计算1、正常工作状态下稳定性计算架桥机横向倾覆稳定性最不利情况发生在架边梁就位时,最不利位置在1号天车位置,检算时可偏于安全的将整个架桥机荷载全部简化到该处,计算简图见图2。
4起重机的稳定性系数计算4.1流动式起重机的稳定性与安全流动式流动式起重机最严重的事故是“翻车”事故,其根本原因是丧失稳左,所以起重机的稳N与全关系十分密切。
流动式起重机的稳泄性可分为行驶状态稳宦性和匸作状态稳定。
(1-D)1.影响稳定性的因素轮式起重机作业时的稳龙性,完全由机械的自重来维持,所以有一泄的限度,往往在起重机的结构件(如吊骨、支腿等)强度还足够的情况下,整机却由于操作失误和作业条件不好等原因,突然丧失稳左而造成整机倾翻事故。
因而轮式起重机的技术条件规左,起重机的稳定系数K 不应小于1. 15。
轮式起重机在使用中,应主要注意以下诸因素对起重机稳左性的不利影响O(2-B) (5-H)(1)吊臂长度的影响起重机的伸臂越长或幅度越大,对稳左性越不利,特别是液压伸缩骨起重机,当吊臂全伸时,在某一泄倾角(使用说明书中有规定)以下,即使不吊载荷,也有倾翻危险;当伸臂较长,并吊有相应的额肚载荷时,吊皆会产生一左的挠曲变形,使实际的工作幅度增大,倾翻力矩也随之增大。
(2)离心力的影响轮式起重机吊重回转时会产生离心力,使重物向外抛移。
重物向外抛移(相当于斜拉) 时,通过起升钢丝绳使吊臂端部承受水平力的作用,从而增大倾翻力矩。
特别是使用长吊臂时,臂端部的速度和离心力都很大,倾翻的危险性也越大。
所以,起重机司机操纵回转时要特别慎重,回转速度不能过快。
(3)起吊方向的影响汽车式起重机的稳左性,随起吊方向不同而不同,不同的起吊方向有不同的额左起重量。
在稳左性较好的方向起吊的额左载荷,当转到稳左性较差的方向上就会超载,因而有倾翻的可能性。
一般情况下,后方的稳立性大于侧方的稳圧性,而侧方的稳左性,大于前方的稳左性:即后方稳泄性>侧方稳泄性〉前方的稳左性。
所以,应尽量使吊臂在起重机的后方作业,避免在前方作业。
(4)风力的影响工作状态最大风力,一般规定为6级风,对于长大吊臂,风力的作用很大,从表28可看出风力的影响。
DJ180架桥机主机综合性能试验大纲为确保DJ180架桥机的正常使用,DJ180架桥机需作综合性能试验,特编制以下试验大纲。
1 空载试验1.1 外形及外观检查在整备状态下,对整机应做如下项目检查1.1.1 最大外形尺寸(长*宽*高)1.1.1.1 架铁路32m梁状态:1.1.1.2 架公路40m梁状态1.1.2目测检查1.1.2.1电器系统、安全装置、制动器、控制器、照明和信号系统,是否齐备。
1.1.2.2金属结构及其连接件、梯子、司机室的配备,走台、扶手是否齐全。
1.1.2.3所有防护装置是否牢靠。
1.1.2.4吊钩和其它取物装置及连接件是否可靠。
1.1.2.5钢丝绳及其固定件、滑轮组及其轴的紧固件是否完好无缺。
1.2内燃发动机试验启动内燃发动机,观察下述项目的工作情况。
1.2.1启动时间。
1.2.2机油压力(慢速、中速、额定标速)。
1.2.3水温。
1.2.4油的控制。
1.2.5运转情况。
1.2.6“四漏”情况。
1.2.7固定情况。
1.3发电机试验1.3.1绝缘电阻。
1.3.2传动装置。
1.3.3固定情况。
1.3.4各部温升。
1.3.5周波。
1.3.6电压。
1.3.7电流,各项平稳情况。
1.7.8运转情况。
1.4配电装置及电器1.4.1导线总成。
1.4.2控制柜。
1.4.3操作台。
1.4.4信号装置。
1.4.5电磁阀。
1.4.6电磁制动器。
1.4.7照明灯光。
1.4.8电葫芦。
1.4.9油泵电动机。
1.4.10行车电动机。
1.5自行状态整机走行、制动及曲线通过试验1.5.1在R=200m的曲线上,整机能缓速通过。
1.5.2任选一段线路,整机由慢到快走行,在最大速度时试验制动。
在以上2种工况下观察走行、制动情况,测试最大走行速度、走行机构转向架旁承间隙及摆动距离。
1.6行车走行及制动试验1.6.1行车空载沿机臂轨道往返走行、制动三次,观察启动、走行、制动情况,测试走行速度。
1.6.2升降吊梁扁担三次并且制动、观察平稳程度、起降速度、制动情况。
一.ik设计规范及参考文献(一)重机设计规范(GB3811-83)(二)钢结构设计规范(GBJ17-88)(三)公路桥涵施工规范(041-89)(四)公路桥涵设计规范(JTJ021-89)二.(一).梁重12纵向走行横梁(1号车):Q7=7.5+7.3=14.8t 纵向走行横梁(2号车):Q8=7.5+7.3=14.8t 梁增重系数取:1.1活载冲击系数取:1.2不均匀系数取:1.1(二).水平荷载1.风荷载a.设计取工作状态最大风力,风压为7级风的最大风压:q1=19kg/m2b.非工作计算状态风压,设计为11级的最大风压;q22(2.三.起,1P1P2P3P4P5P7为风荷载,按11级风的最大风压下的横向风荷载,所有迎风面均按实体计算,P7=ΣCKnqAi=1.2×1.39×66×(0.7+0.584+0.245+2.25+0.3+0.7+0.8+1.5)×12.9=10053kg=10.05t作用在轨面以上5.58m处M抗=43.31×15+14.8×(22+1.5)+14.8×27.5+14.6×22=1725.65t.mM倾=5.6×32+45.44×16+10.05×5.58=962.319t.m架桥机纵向抗倾覆安全系数n=M抗/M倾=1725.65/(962.319×1.1)=1.63>1.3<可)(二)架桥机横向倾覆稳定性计算1.检算P1P1P2数取1.6=1.6P3数取P3=2×1.39×1.6×19×0.8×0.46×4=124.4kg=0.1244tP4为架桥机起重小车重量P4=7.5×2+100×1.1=125tP5为架桥机起重小车及梁体所受的风荷载,作用在支点以上8.113m处,P5=1.39×1.6×19×(3×2×2+2×30)=3042.432kg=3.042t图2所示A点为倾覆支点,对A点取矩:M倾=P2×3.8+P3×5.179+P4×1.435+P5×8.113=13.53×3.8+0.1244×5.179+125×1.435+3.042×8.113=256.11t·mM抗=P1×4.8=132.55×4.8=636.24t·m架桥机工作条件横向抗倾覆安全系数n中已经四.(一)荷载取值:桁架及桥面系均部荷载1.29t/节×1.1=1.42t/节(单边),荷载(100+7.5×2)×1.2=138.0t。
附件:JD150t/40m 架桥机倾覆稳定性计算书一、设计规范及参考文献1、《起重机械设计规范》(GB3811-83);2、《起重机械安全规程》(GB6067-85);3、《钢结构设计规范》(GBJ17-88);4、《公路桥涵施工规范》(041-89 );5、《公路桥涵设计规范》(JTJ021-89 );6、石家庄铁道学院《GFJT-40/300 拆装式架桥机设计计算书》 ;7、梁体按照40 米箱梁150t 计。
二、架桥机设计荷载(一)、垂直荷载桥梁重(40m箱梁):Q=150t;提梁小车重:Q2=7.5t (含卷扬机重); 天车承重梁重:Q3=5.3t (含纵向走行机构);前支腿总重:Q4=5.6t ;左承重主梁总重:Q5=36.3t (55m);右承重主梁总重:Q6=36.3t (55m);1号天车总重:Q7=7.5+5.3=12.8t ;2号天车总重:Q8=7.5+5.3=12.8t ;左导梁总重:Q9=8t(20m);右导梁总重:Q10=8t(20m);主梁、桁架及连结均布荷载:q=0.6t/m*1.1=0.66t/m; 主梁增重系数取 1.1 ;活载冲击系数取 1.2;不均匀系数取 1.1 。
(二)、水平荷载1 、风荷载取工作状态最大风力,风压为7 级风的最大风压:q1=19kg/m2;非工作状态风压取11级风的最大风压:q2=66kg/m2;(以上数据参照石家庄铁道学院《GFJT-40/300拆装式架桥机设计计算书》)。
2、运行惯性力:①=1.1.三、架桥机纵向稳定性计算架桥机纵向稳定性最不利情况出现在架桥机悬臂前行阶段,该工况下架桥机前支腿已悬空,1号天车及2号天车退至架桥机后部做配重,计算见图见下图:图1R=5.6t (前支腿自重);P2=0.66t/m*2 榀* (16.5m+16.5m) =43.56t ;P3=0.66t/m*2 榀*22m=29.04t;P4=16t ;P5=P6=12.8t;P7为风荷载,架桥机工作环境允许风压为6级,验算时按照7级风压下横向风荷载计算,P7=19kg/m*1.2*141m2=2.7t,作用在中间支点以上2m处。
附件一:180吨架桥机稳定性验算WJQ40/180t 型架桥机设计起吊重量为2×90吨,架设跨度≤40,架桥机总长66m,桥机主梁为三角桁架结构,由型钢及钢板焊接而成,前支腿和中托轮箱是架桥机架梁工作的主要支撑及动力部件,后托轮、后支腿为过孔的辅助支撑。
主梁上部设有两台提升小车,是桥机的提升结构。
架设边梁时梁片重心未超过前支腿中心。
一、架桥架横向稳定性验算1、竖向荷载1.1结构自重1.1.1主梁自重集度;q=0.65t/m----每米主梁自重(单根主梁总重0.65×66t)1.1.2提升小车:P 提=13t(作用在单根主梁上围6.5t)1.1.3前支腿P 前=12t(每支腿6t, 每根主梁一个前支腿)1.1.4后支腿P 后=7t(每支腿3.5t, 每根主梁一个前支腿)1.1.5起吊荷载P=2×65t2、冲击系数1.2.1起重动力系数D1= 1.31.2.2水平荷载提升小车在横梁上横移速度为0.022m/s,其最大加速度为0.044 m/s 2,架桥机整机横移及提升小车横移速度为0.022m/s ,其最大加速度为0.044 m/s 2,很小,可不计,提升小车吊重2×71.5t ,为安全为计,动力系数按0.05计算,惯性力PH=143t×0.05=7.15t 。
3、风荷载1.3.1工作状态计算风荷载工作状态计算风压2115/q kg m =横桥向迎风面积21.25 1.25662.870.7166A L H W m =⨯⨯⨯=⨯⨯⨯=单整机横桥向迎风面积2(1)(10.2)166199A n A m =+=+⨯=单横桥向风荷载= 1.7 1.2315199 6.3P C Kh q A t⨯⨯⨯=⨯⨯⨯=工预制梁风荷载= 1.7 1.2315140 2.5 3.2P CKh q w L H t⋅⋅⋅⋅=⨯⨯⨯⨯⨯=预顺桥向迎风面积远小于横桥向迎风面积,风荷载忽略不计。
DJ180架桥机架梁作业指导书编制:审核:审批:日期:注意事项:1、曲梁与机臂、曲梁与行车任何时候都必须有一组销连,严禁出现两组均不连接现象。
2、过孔时专人看护1号柱,发现倾斜必须及时调整。
3、架第一孔桥时,2号柱横移轨道处路基必须垫平压实。
两端密排硬杂木。
轨道用水平尺找平,两根轨道平行度10mm。
4、起吊梁片时专人看护起升绞车钢丝绳的盘绕情况,如有问题必须重新盘绕,无误后方可起吊梁片。
5、吊梁小车起吊梁片时,吊梁扁担要随时调平。
严禁扁担体与梁体相接触。
6.二号柱横移轨道支垫时与轨排钢轨上平面及梁片挡砟墙间隙10—20mm。
7.支三号柱前移二号柱时,三号柱必须支垫牢靠,下面硬杂木最多两层。
1.架桥机作业程序1.1架桥机组装:架桥机经长途运输到达工地后,应首先注意检查以下事项:1)检查清点各构件、联接件、机电设备总成部分、电气元件及电缆数量是否符合,结构和机电元件是否完好无损。
2)清理各部件特别是运动机构附着杂物,达到整洁。
3)检查电缆是否安全、可靠,须无断路和绝缘损坏现象。
4)组装场地应平整压实,要求长60m,宽20m的组装作业场地。
架桥机组装顺序:1)主机臂联接:每节接头处由四根φ70的销轴联接(注意对号),注意安装每个接口处齿条,注意安装标记符号。
2)铺1#、2#柱走行轨道,联接柱体与走行梁立于已铺设好的轨道上。
用联杆联接1#、2#柱,保持1#柱的稳定,穿横梁于曲梁中,整体吊装与1#、2#柱体联接,安装曲梁上部油缸及接通1#、2#等液压系统。
3)吊装主机臂,将机臂上耳梁穿于1#、2#曲梁平衡轮与压臂轮间,机臂后端外露15m左右,前端用枕木垛让开0#柱位置垫平。
4)安装0#柱。
5)从机臂尾端吊装1#、2#吊梁行车于机臂下耳梁。
接临时线驱动行车前行。
安装3#柱于机臂尾部。
6)安装尾部动力托架等;7)安装前后滑线架,挂线,联接各部电器和油路等。
架桥机经组装后,应检查下列项。
1)检查各部栓联紧固情况,对任何一个螺栓均不能忽视。
架桥机受力验算(专项施工方案节选)4台 ,每台1.5t 各有两组,每组有四排,每片贝雷长3m ,高1.5m ,重0.25t 横桥方向共有96片,每组48片则有t t .96.1248270=⨯;顺桥方向共有56片,每组28片则有t t 56.72827.0=⨯。
7.1 计算架桥机所受的弯矩:A :根据已知,横桥方向所受的荷载分成集中荷载和均布荷载,集中荷载包括:考虑异形梁板最大重量48.3t 和平车及卷扬机的重量为t t t 5125.12=⨯+⨯,则作用在一组贝雷架上面的最大集中力为P=t tt 65.26253.48=+。
均布荷载包括:贝雷架产生的均布荷载为'q =m KN mtKN t /53.33/8.9427.0=⨯⨯,钢轨钢垫产生的均布荷载为m KN m tKN t q /41.0236/8.93"=⨯⨯=(钢轨两组有36m ×2=72m 长),再考虑到贝雷架上面其它力的影响再加上0.5KN/m 的均布荷载,先计算横向贝雷架受到的最大弯矩值,如下图所示;图1-2图1-11)当P 作用在1点上时,把集中荷载和均布荷载分成两部分再叠加,由图1-1和图1-2可得:集中荷载产生的弯矩m KN m t KN t .44.14365.5/8.965.26M 'A =⨯⨯= 均布荷载产生的弯矩:221"qx M A =则由m KN m KN m KN m KN m KN q q q /44.4/5.0/41.0/53.3/5.0"'=++=++=,x=5.5m ,m KN m M KN M A .16.67)5.5(/44.4212"=⨯⨯=叠加可得m KN m KN m KN M M M A A A .6.1503.16.67.44.1436"'=+=+=,根据B 点的弯矩平衡条件可得B A R R ,:(假设平车和顺桥方向贝雷架没有连接成一个整体)025)255.5(=⨯-+⨯A R m m P ,其中P=26.65t ,则t t mmR A 15.3265.26255.30=⨯=,又有P R R B A =+ 可得t R B 86.5-=。
精心整理JQJ型180t架桥机(步履式)操作、维护及使用说明书武桥重工集团股份有限公司2009年3月目录1、桥面吊机的用途及其主要特点2、桥面吊机主要技术参数3、主要结构4、液压系统5、电气系统6、安装与调试及注意事项7、安全操作规程8、9、10、随机工具11、附图1、JQJ型180t1.13.8m,钢箱梁宽38.5m。
节段最大重量305.4t.JQJ运输到桥位,由架桥机将钢箱梁安全准确的提升至桥面并依变幅机构的配合进行对位和拼接。
岸上部分采用船舶运输到岸边栈桥,由运梁小车运送到桥位,由架桥机将钢箱梁安全准确的提升至桥面并依变幅机构的配合进行对位拼接。
本架桥机设有步履式驱动装置,可在桥面自行前进或后退。
1.3.桥面吊机的工作特征:1.3.1架桥机前支点站位于已安装节段斜拉索横隔板处,标准节段后锚点距离前支点18m处。
1.3.2架桥机机架设相邻节段;2、架桥机主要技术参数:2.1起重量:180吨(不含吊具重量)2.2架桥机自重:118吨(单件最大重量:7t)2.3抗风能力:空载行走状态:8级空载锚固状态:12级满负荷起重状态:7级2.4起升速度:满载:0~1.0/min空载:0~1.5m/min2.5变幅速度:0~0.6 m/min(带载变幅2.6工作幅度:Rmin=7mRmax=12m2.7整机走行方式:步履式(2.8整机走行速度:不大于2小时。
2.92.2.(16m,19.5m)2.:外侧10.5m、内侧5.7m:16.85m2. 1.5度、纵桥向3.5度2.14吊具调平性能:具备纵向、横向调平功能2.15色标:秋黄色、厚度120μm2.16电制:三相四线制交流380V50Hz2.17整机装机容量:110Kw2.18整机稳定系数:满足GB3811-83要求(各种工况∑M>0)2.19过载保护及高度和变幅限位:按GB4064-83、GB6067-85要求配齐并设有载荷数字显示及报警,整机运行设有蜂鸣器。
DJ180公铁架桥机使用说明书(操作手册)邯郸中铁桥梁机械制造有限公司前言尊敬的用户:邯郸中铁桥梁机械制造有限公司很荣幸成为您的合作伙伴,我们将为您提供高质量、高性能的产品,并辅以优质的服务。
DJ180架桥机使用说明书是作为DJ180架桥机出厂配套技术文件而编写的。
书中简要叙述了DJ180架桥机的主要性能、结构说明、安全操作规程、维护保养等方面的内容,供操作人员、保养人员及有关技术管理人员参考。
请及时返回有关信息,以便完善和更好的创新,愿本公司的起重机械为您创造更多的财富。
编者厂址:河北省邯郸市复兴区战备路2号邮编:056003咨询电话:+ 86 310 4024642传真:+ 86 310 4022310网址:注意事项1、架桥机操作人员必须经培训并办理相应的特种工种证件持证上岗。
2、架桥机操作人员必须阅读使用说明书,尽快熟悉架梁、过孔过程,要明白每次操作的具体步骤与意义。
3、曲梁与机臂、曲梁与行车任何时候都必须有销连接,架梁状态保持曲梁与机臂销连接,过孔状态保持曲梁与行车销连接。
二者转换时要先连接后解除。
4、过孔时零、一、二、三号柱位置必须有专人操作与监护,支垫要平实可靠,并确保与指挥人员联系畅通,及时调整。
5、架梁、过孔工况保证机臂水平。
一、二柱横移轨道分别水平,三根轨道要平行。
6、操作过程中发现有异常时一定要首先按下急停开关。
急停开关位置分别设在零号柱、一号柱及操作台处7、要派专人看监起升绞车钢丝绳的盘绕情况,如有不规则排绳必须重新盘绕,无误后方可起吊梁片。
8、吊梁小车起吊梁片时,吊梁扁担要随时调平。
严禁扁担体倾斜吊梁。
9、运梁车运行时在非紧急情况严禁紧急制动,要缓慢驱动,减速后制动。
运梁车运梁接近架桥机时须减速慢行,二号柱后面须安放固定止轮器。
10、倒装龙门架支立时支腿处采用枕木密排方式垫平垫实。
11、倒装龙门架起吊梁片时起重梁要随时调平,严禁倾斜吊梁。
目录1、概述 (5)1.1、架桥机用途与概况 (5)1.2、主要性能参数 (7)2、架桥机的主要组成 (8)2.1、主梁 (8)2.2、曲梁及横移机构 (8)2.3、0#柱 (8)2.4、1#柱 (8)2.5、2#柱 (8)2.6、3#柱 (9)2.7、吊梁小车 (9)2.8、横移轨道 (9)2.9、运梁车 (9)2.10、液压系统 (9)2.11、电气系统 (10)3、架桥机的操作和使用 (11)3.1、架桥机作业顺序 (11)3.1.1、架桥机组装 (11)3.1.2、架桥机前冲过孔 (13)3.1.3、架梁作业 (14)3.2、架桥机使用过程的注意事项 (15)3.3、解体 (16)3.4、特殊条件下架梁 (16)4、架桥机的检查维护 (17)4.1、检查维护注意事项 (18)4.2、液压系统 (18)4.3、机械系统检查维护 (18)4.4、电气系统检查维护 (19)4.5、常见故障处理 (20)4.6、润滑 (20)5、架梁机械安全技术规程 (26)5.1、起重机械一般规定 (26)5.2、液压系统的使用 (29)5.3、电气设备的使用 (30)6.架桥机易损件明细 (32)7.架桥机过孔工序图 (33)8.组装步骤 (35)9.架桥机指挥信号示意图 (36)旗语信号示意图 (36)手语信号示意图 (37)DJ180型步履式单导梁架桥机使用说明书1 概述1.1 架桥机用途与概况DJ180架桥机用于架设公路桥梁40米及以下跨度、铁路梁32米及以下跨度的预应力钢筋混凝土梁片。
包头至茂名国家高速公路湖南省吉首至怀化高速公路第七合同段架桥机抗倾覆稳定计算书(HDJH40m/150t架桥机)编制:×××复核:×××审核:×××时间:2010年5月25日HDJH40m/150t型架桥机计算书一、设计规范及参考文献(一)、重机设计规范(GB3811-83)(二)、钢结构设计规范(GBJ17-88)(三)、公路桥涵施工规范(041-89)(四)、公路桥涵设计规范(JTJ021-89)(五)、梁体按40米T梁150吨计二、架桥机设计荷载(一)、垂直荷载梁重:Q1=150t天车重:Q2=7.5t(含卷扬机)吊梁天车横梁重:Q3=7.3t(含纵向走行)主梁、桁架及桥面系均部荷载:q=1.29t/节(单边),1.29×1.1=1.42 t/节(单边) 0号支腿总重: Q4=5.6t1号承重梁总重:Q5=14.6t2号承重梁总重:Q6=14.6t纵向走行横梁(1号车):Q7=7.5+7.3=14.8t纵向走行横梁(2号车):Q8=7.5+7.3=14.8t梁增重系数取:1.1活载冲击系数取:1.2不均匀系数取:1.1(二)、水平荷载1、风荷载a、设计取工作状态最大风力,风压为7级风的最大风压:q1=19kg/m2b、非工作计算状态风压,设计为11级的最大风压:q2=66kg/m22、运行惯性力:Ф=1.1三、架桥机倾覆稳定性计算(一)、架桥机纵向稳定性计算架桥机纵向稳定性最不利情况出现在架桥机悬臂前行阶段,该工况下架桥机的支柱已经翻起,1号天车及2号天车退至架桥机尾部作为配重,计算简图见图1(单位m)。
图1P1=5.6t(前支柱自重)P2=1.42×(19+9)=39.76t(导梁后段自重)P3=1.42×42=59.64t(导梁前段自重)P4=14.6t (2#承重横梁自重)P5= P6=14.8t(天车、起重小车自重), P6=75t(过跨配重)P7为风荷载,按11级风的最大风压下的横向风荷载,所有迎风面均按实体计算。
附件一:180吨架桥机稳定性验算
WJQ40/180t 型架桥机设计起吊重量为2×90吨,架设跨度≤40,架桥机总长66m,桥机主梁为三角桁架结构,由型钢及钢板焊接而成,前支腿和中托轮箱是架桥机架梁工作的主要支撑及动力部件,后托轮、后支腿为过孔的辅助支撑。
主梁上部设有两台提升小车,是桥机的提升结构。
架设边梁时梁片重心未超过前支腿中心。
一、架桥架横向稳定性验算
1、竖向荷载
1.1结构自重
1.1.1主梁自重集度;q=0.65t/m----每米主梁自重(单根主梁总重0.65×66t)
1.1.2提升小车:P 提=13t(作用在单根主梁上围6.5t)
1.1.3前支腿P 前=12t(每支腿6t, 每根主梁一个前支腿)
1.1.4后支腿P 后=7t(每支腿3.5t, 每根主梁一个前支腿)
1.1.5起吊荷载P=2×65t
2、冲击系数
1.2.1起重动力系数D1= 1.3
1.2.2水平荷载
提升小车在横梁上横移速度为0.022m/s,其最大加速度为0.044 m/s 2,架桥机整机横移及提升小车横移速度为0.022m/s ,其最大加速度为0.044 m/s 2,很小,可不计,提升小车吊重2×71.5t ,为安全为计,动力系数按0.05计算,惯性力
PH=143t×0.05=7.15t 。
3、风荷载
1.3.1工作状态计算风荷载
工作状态计算风压2
115/q kg m =横桥向迎风面积2
1.25 1.2566
2.870.7166A L H W m =⨯⨯⨯=⨯⨯⨯=单整机横桥向迎风面积2
(1)(10.2)166199A n A m =+=+⨯=单横桥向风荷载= 1.7 1.2315199 6.3P C Kh q A t
⨯⨯⨯=⨯⨯⨯=工预制梁风荷载= 1.7 1.2315140 2.5 3.2P CKh q w L H t
⋅⋅⋅⋅=⨯⨯⨯⨯⨯=预顺桥向迎风面积远小于横桥向迎风面积,风荷载忽略不计。
1.3.2非工作状态计算风荷载
非工作状态计算风压2
250/q kg m =横桥向风荷载= 1.7 1.235016623P C Kh q A t
⨯⨯⨯=⨯⨯⨯=非顺桥向迎风面积远小于横桥向迎风面积,风荷载忽略不计。
4、水平惯性荷载与风荷载对桥机横桥稳定性的影响
4.1工作状态
4.1.1水平惯性荷载与风荷载对桥机产生倾覆力矩
荷载重心距支撑点为5米,
=+7.15 6.3 3.2583.3H W P P P t m
+⨯=++⨯=⋅工预倾()5()4.1.2桥机运行机构质量与吊车梁质量对桥机产生稳定力矩
=150 2.5130 1.1518W t m
⨯+⨯=⋅稳,满足规范要求。
==518/83.3 6.2 1.3K W ==>稳倾/W 4.2非工作状态
4.2.1水平惯性荷载与风荷载对桥机产生倾覆力矩
=7.15235150.8H W P P t m
+⨯=+⨯=⋅倾非()5()4.2.2桥机运行机构质量对桥机产生稳定力矩
=150 2.5375W t m
⨯=⋅稳,满足规范要求。
=375/150.8 2.49 1.3K W ==>稳倾/W 二、架桥机过孔稳定性验算
架桥机最不利工况为空载适当前移工况
由于运梁通道为原土面,车道位置需于每道轮胎道上铺设1.5米宽的钢板,因此,每条伸腿的桥面承载力为
P=Nmax/1.5=19.075×9.8/1.5=124.6kPa;
因此,地基需回填石屑,夯实,使地基承载力不小于124.6kPa。