食品添加剂变性淀粉规格标准
- 格式:doc
- 大小:101.50 KB
- 文档页数:5
I I CS 67.180.20DB35X11前 言食用木薯变性淀粉是由木薯淀粉通过湿法工艺,经过酯化、醚化、酸化、氧化、交联、复合等反应而制得。
虽然变性反应种类多样,对应的反应剂、反应剂使用限量及其在最终产品里的残留量要求不一样,但都基本具有增稠性、抗老化性、乳化性、冻融稳定性等性能。
目前尚无该产品的国家标准和行业标准。
本标准中的水分、细度、白度、斑点四个指标参照NY/T 875-2004《食用木薯淀粉》制定,其它指标根据生产销售及实践验证制定。
本标准编写格式按GB/T 1.1-2000《标准化工作导则第1部分:标准的结构和编写规则》的规定进行编写。
本标准由三明市质量技术监督局、三明百事达淀粉有限公司提出。
本标准由福建省质量技术监督局批准。
本标准由三明百事达淀粉有限公司、三明市质量技术监督协会起草。
本标准主要起草人:崔媛、庄丽琼、张柏祥、陈由杰、上官云娣、刘晓良。
食用木薯变性淀粉1 范围本标准规定了食用木薯变性淀粉的技术要求、试验方法、检验规则、标志、包装、运输、贮存、保质期。
本标准适用于以木薯淀粉为原料,经湿法工艺,由酯化、醚化、酸化、氧化、交联、复合等反应而制得的食用木薯变性淀粉。
2 规范性引用文件下列文件中的条款通过本标准的引用而成为本标准的条款。
凡是注日期的引用文件,其随后所有的修改单(不包括勘误的内容)或修订版均不适用于本标准,然而,鼓励根据本标准达成协议的各方研究是否可使用这些文件的最新版本。
凡是不注日期的引用文件,其最新版本适用于本标准。
GB/T 191 包装储运图示标志GB/T 2713 淀粉制品卫生标准GB/T 4789.2 食品卫生微生物学检验菌落总数测定GB/T 4789.3 食品卫生微生物学检验大肠菌群测定GB/T 4789.4 食品卫生微生物学检验沙门氏菌检验GB/T 4789.5 食品卫生微生物学检验志贺氏菌检验GB/T 4789.10 食品卫生微生物学检验金黄色葡萄球菌检验GB/T 4789.11 食品卫生微生物学检验溶血性链球菌检验GB/T 4789.15 霉菌和酵母计数GB/T 5009.22 食品中黄曲霉毒素B1的测定方法GB/T 5009.36 粮食卫生标准的分析方法GB/T 5009.53 淀粉类制品卫生标准的分析方法GB 7718 预包装食品标签通则GB/T 12086 淀粉灰份测定方法GB/T 12087 淀粉水分测定方法GB/T 12095 淀粉斑点测定方法GB/T 12096 淀粉细度测定方法GB/T 12097 淀粉白度测定方法NY/T 875-2004 食用木薯淀粉JJF 1070-2005 定量包装商品净含量计量检验规则国家质量监督检验检疫总局(2005)令第75号《定量包装商品计量监督管理办法》3 原辅材料食用木薯淀粉:质量标准应符合NY/T 875-2004的有关要求。
I I CS 67.180.20DB35X11前 言食用玉米变性淀粉是由玉米淀粉通过湿法工艺,经过酯化、醚化、酸化、氧化、交联、复合等反应而制得。
虽然变性反应种类多样,对应的反应剂、反应剂使用限量及其在最终产品里的残留量要求不一样,但都基本具有增稠性、抗老化性、粘接性、乳化性、冻融稳定性等性能,目前尚无该产品的国家标准和行业标准。
本标准中的水分、细度、白度、斑点四个指标参照GB/T 8885《食用玉米淀粉》制定,其它指标根据生产销售及实践验证制定。
本标准编写格式按GB/T 1.1-2000《标准化工作导则第1部分:标准的结构和编写规则》的规定进行编写。
本标准由三明市质量技术监督局、三明百事达淀粉有限公司提出。
本标准由福建省质量技术监督局批准。
本标准由三明百事达淀粉有限公司、三明市质量技术监督协会起草。
本标准主要起草人:崔媛、庄丽琼、张柏祥、陈由杰、周继伟、零海针。
食用玉米变性淀粉1 范围本标准规定了食用玉米变性淀粉的技术要求、试验方法、检验规则、标志、包装、运输、贮存、保质期。
本标准适用于以玉米淀粉为原料,经湿法工艺,由酯化、醚化、酸化、氧化、交联、复合等反应而生产的食用玉米变性淀粉。
2 规范性引用文件下列文件中的条款通过本标准的引用而成为本标准的条款。
凡是注日期的引用文件,其随后所有的修改单(不包括勘误的内容)或修订版均不适用于本标准,然而,鼓励根据本标准达成协议的各方研究是否可使用这些文件的最新版本。
凡是不注日期的引用文件,其最新版本适用于本标准。
GB/T 191 包装储运图示标志GB/T 2713 淀粉制品卫生标准GB/T 4789.2 食品卫生微生物学检验菌落总数测定GB/T 4789.3 食品卫生微生物学检验大肠菌群测定GB/T 4789.4 食品卫生微生物学检验沙门氏菌检验GB/T 4789.5 食品卫生微生物学检验志贺氏菌检验GB/T 4789.10 食品卫生微生物学检验金黄色葡萄球菌检验GB/T 4789.11 食品卫生微生物学检验溶血性链球菌检验GB/T 4789.15 霉菌和酵母计数GB/T 5009.22 食品中黄曲霉毒素Bl的测定GB/T 5009.36 粮食卫生标准的分析方法GB/T 5009.53 淀粉类制品卫生标准的分析方法GB 7718 预包装食品标签通则GB/T 8885 食用玉米淀粉GB/T 12086 淀粉灰份测定方法GB/T 12087 淀粉水分测定方法GB/T 12095 淀粉斑点测定方法GB/T 12096 淀粉细度测定方法GB/T 12097 淀粉白度测定方法JJF 1070-2005 定量包装商品净含量计量检验规则国家质量监督检验检疫总局(2005)令第75号《定量包装商品计量监督管理办法》3 原辅材料食用玉米淀粉:质量标准应符合GB/T 8885的有关要求。
原材料检验规程原材料检验规程1 范围本标准规定了本公司所用原材料的进厂检验/验证技术要求,试验方法和检验规则。
2 规范性引用文件下列文件中的条款通过本标准的引用而成为本标准的条款。
凡注日期的引用文件,其随后所有的修改单(不包括勘误的内容)或修订版均不适用于本标准,然而,鼓励根据本标准达成协议的各方研究是否可使用这些文件的最新版本。
凡是不注日期的引用文件,其最新版本适用于本标准。
GB/T 601 化学试剂标准滴定溶液的制备GB/T 603 化学试剂试验方法中所用制剂及制品的制备GB/T 6679 固体化工产品采样通则GB/T 6682 分析试验室用水规定和试验方法GB/T 22427.10-2008 淀粉及其衍生物氮含量测定方法GB/T 22427.4-2008 淀粉斑点测定方法GB/T 22427.6-2008 淀粉白度测定方法GB/T 22427.5-2008 淀粉细度测定方法GB/T 12087 淀粉水分测定方法GB/T 8885 食用玉米淀粉NY/T875-2012 食用木薯淀粉GB/T 8883 食用小麦淀粉3 职责3.1 质检中心负责验证供方合格证明文件和技术指标检测;3.2 仓库负责对包装材料的外观和原材料的包装、数量、供应商等项目的验证。
4 材料分类4.1 采购物资的分类,本公司采购物资分为如下三类:重要物资(A):构成最终产品的主要成份。
一般物资(B):构成最终产品的非主要成份的批量物资。
辅助物资(C):非直接用于产品本身的起辅助作用的物资。
4.2 原材料重要度分类A类物资:玉米淀粉、木薯淀粉、小麦淀粉等。
B类物资: Q试剂、Do试剂、离子膜碱等。
C类物资:包装袋等。
5 检验范围检验范围覆盖4.2条所列明的所有原材料。
6 检验项目,技术要求和检验方法6.1 检验项目、技术要求、检验方法和检验频率,详见6.3的规定。
6.2 适用时,进厂原材料库管员应对下述项目进行验证:a) 外观:应具有该产品特色、无异常;b) 包装:应完好、无破损;c) 数量:应符合采购计划要求;d) 供应商:应与《合格供方名录》相符。
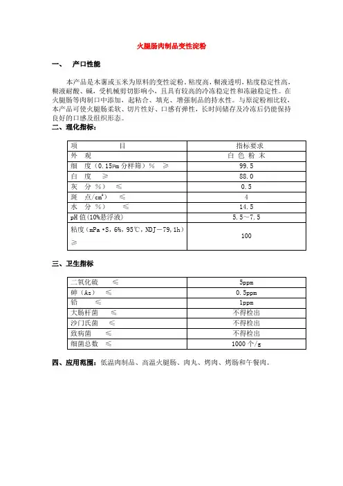
火腿肠肉制品变性淀粉
一、产口性能
本产品是木薯或玉米为原料的变性淀粉。
粘度高,糊液透明,粘度稳定性高,糊液耐酸、碱,受机械剪切影响小,且具有较高的冷冻稳定性和冻融稳定性。
在火腿肠等肉制口中添加,起粘合、填充、增强制品的持水性。
与原淀粉相比较,本产品可使火腿肠柔软、切片性好、口感有弹性,长时间储存及冷冻后仍能保持良好的口感及组织形态。
二、理化指标:
三、卫生指标
四、应用范围:低温肉制品、高温火腿肠、肉丸、烤肉、烤肠和午餐肉。
食品安全国家标准食品添加剂使用标准-指标要求1铅表1铅限量指标食品类别/名称限量MLs/mg/kg检验方法谷类及其制品麦片、淀粉类制品、面筋除外麦片、淀粉类制品、面筋蔬菜及其制品GB蔬菜球茎、叶菜蔬菜、豆类蔬菜除外球茎蔬菜、叶菜蔬菜豆类蔬菜蔬菜制品水果及其制品水果浆果、葡萄除外浆果、葡萄水果制品食用菌类食用菌食用菌制品干制食用菌除外干制食用菌豆类及其制品、豆粉豆类制品豆浆除外薯类及其制品薯类薯类制品藻类干重计坚果及籽类肉及肉制品肉类肉制品内脏及其制品水产品及其制品鱼类、甲壳类贝类、头足类及其他水产品水产品制品干制海蜇、干制贝类除外干制海蜇、干制贝类乳及乳制品液态乳生乳、巴氏杀菌乳、、发酵乳、调制乳等、奶油、非脱盐乳清粉其他乳制品蛋及蛋制品皮蛋除外皮蛋脂肪、油和乳化脂肪制品调味品食用盐除外甜味料食糖、淀粉糖蜂蜜焙烤食品饮料类包装饮用水mg/L果蔬汁浓缩果蔬汁浆除外mg/L浓缩果蔬汁浆mg/L碳酸饮料、茶饮料mg/L含乳饮料、乳酸菌饮料mg/L固体饮料其他饮料mg/L酒类可可制品、巧克力和巧克力制品以及糖果冷冻饮品特殊营养用食品婴儿配方食品以粉状产品计婴幼儿谷类辅助食品添加藻类的产品除外添加藻类的婴幼儿谷类辅助食品婴幼儿罐装辅助食品以水产及动物肝脏为原料的产品除外以水产及动物肝脏为原料的婴幼儿罐装辅助食品膨化食品果冻2镉食品中镉限量指标见表2;表2镉限量指标食品类别/名称限量MLs/mg/kg检验方法谷类及其制品稻谷、大米除外T稻谷、大米蔬菜叶菜蔬菜、豆类蔬菜、根茎类蔬菜除外叶菜蔬菜豆类蔬菜、根茎类蔬菜芹菜除外芹菜水果食用菌类食用菌干制食用菌豆类薯类T坚果及籽类肉及肉制品肝脏、肾脏除外肝脏水产品及其制品鱼类及其制品鱼罐头除外甲壳类贝类及头足类蛋及蛋制品调味品食用盐除外食用盐饮料类矿泉水mg/L瓶桶装饮用水mg/L3汞食品中汞限量指标见表3;表3汞限量指标食品类别/名称限量MLs/mg/kg检验方法总汞以Hg计甲基汞水产品食肉鱼类除外—鲜重计GB/T食肉鱼类如鲨鱼、金枪鱼及其他—鲜重计谷类—蔬菜—食用菌类食用菌—干制食用菌—薯类—GB/T肉及肉制品—乳及乳制品液态乳生乳、巴氏杀菌乳、灭菌乳、调制乳、发酵乳等—蛋及蛋制品—调味品食用盐—饮料类矿泉水mg/L—特殊营养用食品婴幼儿罐装辅助食品—4表4砷限量指标为保证我国居民不受砷污染危害健康,研究了食品中无机砷的限量卫生标准,以总无机砷计mg/kg,粮食:大米0.20、面粉0.10、杂粮0.20、蔬菜0.050、水果0.050、畜禽肉0.050、蛋类0.050、奶粉0.30、鲜奶0.05、豆类0.10、酒类0.050、淡水鱼肌肉部分,鲜重计0.10、海水鱼肌肉部分,鲜重计0.10、藻类干重计1.50、贝类及甲壳类可食部,鲜重计0.50、贝类及甲壳类可食部,干重计1.0、其他海产食品可食部分,鲜重计0.50,我国一般人群每人每日从膳食中摄入无机砷为75.45-100.66μg,不超这WHO建议的安全摄入量129μg;食品类别/名称限量MLs/mg/kg检验方法总砷无机砷谷类及其制品稻谷、大米除外—GB/T稻谷、大米—水产品鱼类—鲜重计贝类、甲壳类、头足类及其他水产品—鲜重计蔬菜—食用菌类食用菌—干制食用菌—肉及肉制品—乳及乳制品GB/T液态乳生乳、巴氏杀菌乳、灭菌乳、调制乳、发酵乳等—乳粉—脂肪、油和乳化脂肪制品—调味品—甜味料食糖—饮料类包装饮用水—可可制品、巧克力和巧克力制品—特殊营养用食品婴幼儿谷类辅助食品添加藻类的产品除外—添加藻类的婴幼儿谷类辅助食品—婴幼儿罐装辅助食品以水产及动物肝脏为原料的产品除外—以水产及动物肝脏为原料的婴幼儿罐装辅助食品—锡5锡限量指标食品类别/名称限量MLs/mg/kg检验方法罐装固体食品除罐装婴幼儿配方及辅助食品外250GB/T罐装饮料150罐装果酱250GB/T罐装婴幼儿配方及辅助食品50注:罐装产品是指采用镀锡薄板容器包装的食品或饮料;6镍食品中镍限量指标见表6;表6镍限量指标食品类别/名称限量MLs/mg/kg检验方法人造奶油/T7铬食品中铬限量指标见表7;表7铬限量指标食品类别/名称限量MLs/mg/kg检验方法谷类及其制品T蔬菜豆类薯类肉及肉制品水产品乳及乳制品液态乳生乳、巴氏杀菌乳、灭菌乳、调制乳、发酵乳等乳粉蛋类8亚硝酸盐、硝酸盐食品中亚硝酸盐、硝酸盐限量指标见表8;表8亚硝酸盐、硝酸盐限量指标食品类别/名称限量MLs/mg/kg检验方法亚硝酸盐硝酸盐蔬菜及其制品GB腌渍蔬菜20—乳及乳制品GB生乳—饮料类GB/T8538矿泉水mg/L—瓶桶纯净水mg/L—瓶桶饮用水mg/L—特殊营养用食品GB婴儿配方食品2a100较大婴儿和幼儿配方食品2a100b婴幼儿谷类辅助食品2c100b婴幼儿罐装辅助食品4c200ba仅适用于乳基产品;b不适合于添加蔬菜和水果的产品;c不适合于添加豆类的产品;9苯并芘食品中苯并芘限量指标见表9;表9苯并芘限量指标食品类别/名称限量MLs/μg/kg检验方法稻谷、小麦5GB/T熏烤肉类5熏烤水产品5脂肪、油和乳化脂肪制品1010N-亚硝胺食品中N-亚硝胺限量指标见表10;表10N-亚硝胺限量指标食品类别/名称限量MLs/μg/kg检验方法N-二甲基亚硝胺肉制品3GB/T水产品多氯联苯食品中多氯联苯限量指标见表11;11多氯联苯限量指标食品类别/名称限量MLs/mg/kg检验方法水产品及其制品T注:多氯联苯以PCB28、PCB52、PCB101、PCB118、PCB138、PCB153和PCB180总和计;氯-1,2-丙二醇食品中3-氯-1,2-丙二醇限量指标见表12;表123-氯-1,2-丙二醇限量指标食品类别/名称限量MLs/mg/kg检验方法液态调味品Ta仅限于添加酸水解植物蛋白的产品;。
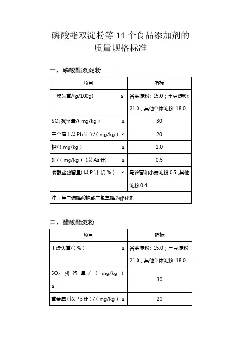
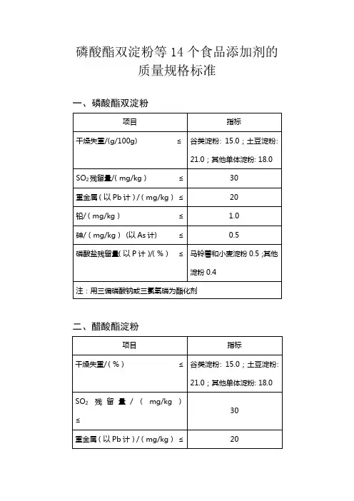
磷酸酯双淀粉等14个食品添加剂的质量规格标准一、磷酸酯双淀粉项目指标干燥失重/(g/100g) ≤谷类淀粉: 15.0;土豆淀粉:21.0;其他单体淀粉: 18.0 SO2残留量/(mg/kg)≤30重金属(以Pb计)/(mg/kg)≤20铅/(mg/kg)≤ 1.0砷/(mg/kg)(以As计) ≤0.5磷酸盐残留量(以P计)/(%)≤马铃薯和小麦淀粉0.5;其他淀粉0.4注:用三偏磷酸钠或三氯氧磷为酯化剂二、醋酸酯淀粉项目指标干燥失重/(%)≤谷类淀粉: 15.0;土豆淀粉:21.0;其他单体淀粉: 18.0 SO2残留量/(mg/kg)≤30重金属(以Pb计)/(mg/kg)≤20铅/(mg/kg)≤ 1.0砷/(mg/kg)(以As计) ≤0.5乙酰基含量/(%)≤ 2.50.1乙酸乙烯酯/ (mg/kg)≤(仅限用乙酸乙烯酯作为酯化剂)注:用乙酸酐作酯化剂时,其用量不超过8.0%(w/w,占淀粉干基),用乙酸乙烯酯作酯化剂时,其用量不超过7.5%(w/w,占淀粉干基)。
三、辛烯基琥珀酸淀粉钠和辛烯基琥珀酸铝淀粉项目指标干燥失重/(%)≤谷类淀粉: 15.0;土豆淀粉: 21.0;其他单体淀粉:18.0SO2残留量/(mg/kg)≤30重金属(以Pb计)/(mg/kg)≤20砷/(mg/kg)(以As计) ≤0.5铅/(mg/kg)≤ 1.0辛烯基琥珀酸基团/(%)≤ 3.0辛烯基琥珀酸残留量/(%)≤0.3注:生产辛烯基琥珀酸淀粉钠时,辛烯基琥珀酸酐用量不超过3.0%(占淀粉干基,w/w);生产辛烯基琥珀酸铝淀粉时,辛烯基琥珀酸酐用量不超过2.0%,硫酸铝用量不超过2.0%(均为占淀粉干基,w/w)。
四、氧化羟丙基淀粉项目指标干燥失重/(%)≤谷类淀粉: 15.0;土豆淀粉: 21.0;其他单体淀粉:18.0SO2残留量/(mg/kg)≤30重金属(以Pb计)/(mg/kg)≤20铅/(mg/kg)≤ 1.0砷/(mg/kg)(以As计) ≤0.5氯丙醇/(mg/kg) ≤ 1.0羧基含量/(%)≤ 1.1羟丙基含量/(%)≤7.0注:用次氯酸钠作氧化剂,使用量中的有效氯不超过5.5%(占淀粉干基,w/w),用过氧化氢作氧化剂,使用量中的活性氧不超过0.45%(占淀粉干基,w/w);用环氧丙烷作醚化剂,使用量不超过25%(占淀粉干基,w/w)。
h3501 森瑞特淀粉
H3501森瑞特淀粉是一种食用变性淀粉,主要用于增稠剂。
它是由潍坊森
瑞特生物科技有限公司生产的,该公司隶属于潍坊盛泰药业集团。
该公司成立于2008年,以玉米、木薯、马铃薯、蜡质玉米、小麦淀粉等为原料生产各种变性淀粉、预糊化淀粉和低水分淀粉、玉米无菌淀粉、药用糊精等产品。
森瑞特淀粉的主要成分是羟丙基二淀粉磷酸酯,产品规格为25kg/袋,执行标准为GB 。
它主要用于制药行业、食品行业、化妆品行业等领域。
请注意,食品添加剂的使用应严格遵守国家食品安全标准,以保证消费者的健康和安全。
如有任何疑问或需要更多信息,建议咨询食品添加剂领域的专业人士或厂家。
磷酸酯双淀粉等14个食品添加剂的
质量规格标准
一、磷酸酯双淀粉
二、醋酸酯淀粉
三、辛烯基琥珀酸淀粉钠和辛烯基琥珀酸铝淀粉
四、氧化羟丙基淀粉
五、羧甲基淀粉钠
六、淀粉磷酸酯钠
七、氧化淀粉
八、酸处理淀粉
九、乙酰化双淀粉己二酸酯
十、羟丙基淀粉
十一、磷酸化二淀粉磷酸酯
十二、乙酰化二淀粉磷酸酯
十三、羟丙基二淀粉磷酸酯
十四、聚丙烯酸钠
分送:各省、自治区、直辖市卫生厅局,新疆生产建设兵团卫生局,部直属各单位。
卫生部办公厅2010年7月21日印发。
食品添加剂变性淀粉规格标准一、磷酸酯双淀粉的规格标准
项目指标粗脂肪(%)≤0.15 SO2残留量(mg/kg)≤0.5重金属(以Pb计)/(%)≤0.002铅/(mg/kg)≤1磷酸盐(以P计)/(%)≤0.4
二、醋酸酯淀粉的规格标准
三、辛烯基琥珀酸淀粉钠的规格标准
四、氧化羟丙基淀粉的规格标准
五、羧甲基淀粉钠的规格标准
六、淀粉磷酸酯钠的规格标准
七、氧化淀粉的规格标准
八、酸处理淀粉的规格标准
八、乙酰化双淀粉己二酸酯的规格标准
九、乙酰化双淀粉己二酸酯的规格标准
十、羟丙基淀粉、磷酸化二淀粉磷酸酯、乙酰化二淀粉磷酸酯、羟丙基二淀粉磷酸酯的规格标准按照QB1229-91执行。
食品添加物质使用规范(表-1)序号食品添加剂名称类别使用范围配料成份允许使用量(g/kg)生产使用量(g/kg)1 松肉粉酶制剂腌制肉类盐、糖、食用淀粉(防止凝结)、木瓜蛋白酶(提取自木瓜)5g/1kg(0.5%)2 食粉膨松剂、酸度调节剂、稳定剂腌制肉类精制小苏打(碳酸氢钠),食用淀粉5g/1kg(0.5%)3 嫩肉粉酶制剂腌制肉类5g/1kg(0.5%)4 油性橙红色素复合酱汁调色日落黄、胭脂红、柠檬酸、山梨酸钾0.1%-0.5%1g/1kg(0.1%)5 油性橙黄色素复合酱汁调色日落黄、胭脂红、柠檬酸、山梨酸钾0.1%-0.5%1g/1kg(0.1%)6 姜黄粉着色剂酱汁调色姜黄按生产需要适量使用12g/1kg(1.2%)7 强筋剂漂白剂、防腐剂、抗氧化剂面粉类食用碱、盐、食用焦亚硫酸钠2%以下10g/1kg(1%)8 吉士粉复合挂浆、腌制玉米淀粉、添加剂(羟丙基变性淀粉、柠檬黄、日落黄)、香精、食盐50g/1kg(5%)*注:1、以上食品添加剂按GB2760《食品添加剂使用卫生标准》参考使用范围和使用限量制定;烹飪规范作业指导书2、以上复合食品添加剂及没有条件查找国家标准的,按食品添加剂外包装上标识的使用范围、使用量使用食品添加剂制定。
烹飪规范作业指导书食品添加物质使用规范(表-2)序号食品添加剂名称类别使用范围配料成份允许使用量(g/kg)生产使用量(g/kg)9 陈村枧水酸度调节剂腌制肉类、虾仁食用碱(碳酸钠)9g/1kg(0.9%)10 酵母膨松剂面粉类面包酵母、食品添加剂(乳化剂)6g/1kg(0.6%)11 泡打粉膨松剂面粉类明矾、小苏打、碳酸钙、面粉按生产需要适量使用6g/1kg(0.6%)1213141516*注:1、以上食品添加剂按GB2760《食品添加剂使用卫生标准》参考使用范围和使用限量制定;烹飪规范作业指导书2、以上复合食品添加剂及没有条件查找国家标准的,按食品添加剂外包装上标识的使用范围、使用量使用食品添加剂制定。
变性淀粉应该怎样选
说到“变性淀粉”这个词,可能很多人在食品配料表上都见到过;随着人们对食品质量的要求越来越高,变性淀粉在各类食品加工行业中的应用越来越广泛,实际上,它早已走进了我们的生活,进入人们的视线;
变性淀粉作为工业的重要原辅料之一,可被广泛应用于食品、医药、造纸等行业;食品工业中使用变性淀粉主要是作为增稠剂、胶凝剂、黏结剂、乳化剂和稳定剂等;可以替代昂贵的原料,降低食品制造成本,提高食品质量同时提高经济效益;
变性淀粉的来源主要有:玉米变性淀粉、马铃薯变性淀粉、木薯变性淀粉、大米变性淀粉、小麦变性淀粉;不同来源的变性淀粉它的颗粒大小跟形状也是不同的,以致于所带来的性能功效也有所区别;
马铃薯淀粉不仅有很好的透明度,清谈的口感,不含谷物的腥味,口感清爽顺滑,不糊口,粘度还比其他淀粉的要高,具有非常好的抗老化,抗冻,保水等性能;例如健科生物的进口品牌瑞典Lyckeby的马铃薯变性淀粉,它的粘度很高,可降低5-10%的用量而达到同样的粘度效果,降低10%左右的生产成本,而且性价比相对其他品牌要高,供货的稳定性也占了很大的优势;
蜡质玉米变性淀粉几乎不含有直链淀粉,膨胀率和淀粉糊液的粘度明显高于普通的玉米淀粉,所以它的糊液稳定性很好,黏度高,不易老化,并且具有透明度高和耐高温等优点;在调味品,酱料,乳制品等产品上用的也比较广泛,因此蜡质玉米变性淀粉在食品行业中具有不可替代的商业价值;例如进口品牌中性价比较高的英国泰莱的蜡质玉米变性淀粉;
木薯变性淀粉在生产中作为增稠剂、粘结剂、和稳定剂,也是最佳的增量剂、甜味剂、和膨化剂;使用木薯变性淀粉的食品包括罐头食品、冷冻食品、焙烤食品、汤料、香肠、奶制品和肉制品等;说起木薯变性淀粉,泰国TDC这个牌子相信大家都会比较熟悉,产品的稳定性高;。
变性淀粉PH值的测定1.原理通过测量两个浸液电极的电位差来测量样品溶液的PH值。
2.仪器(1). pH计,玻璃电极,甘汞电极。
(2). 标准缓冲溶液pH4和7。
3.测定步骤将电极与pH计连接好,打开电源预热一定时间,并将温度补偿开关旋至被测溶液温度相同的数值,调节仪器的零点,用标准液进行定位后,移去缓冲溶液,用蒸馏水冲洗电极并用滤纸吸干电极上的水待用。
称取 6g(士0.1g)样品,放入 400ml烧杯中加入 194ml纯水,搅拌使样品分散,并把烧杯置于沸水浴中,水浴液面应高于样品液面,搅拌淀粉乳直至淀粉糊化(大约5min),在冷水浴中立即冷却到室温(大约25℃),从水浴中取出并搅拌淀粉糊以破坏任何已形成的凝胶。
用磁力搅拌器以足够的速度搅拌淀粉糊,使其在溶液表面产生小的旋涡。
在淀粉糊中插入已标定好的电极,待读数稳定后,记录PH值至0.1个pH单位。
蛋白质的测定(一)凯氏法见GB12309—90小麦淀粉、豌豆淀粉及蚕豆淀粉的换算系数为5.70。
(二)分光光度法测定蛋白质1.原理在催化剂存在下,用硫酸裂解淀粉及其衍生物。
然后碱化反应产物,并进行蒸馏使氨释放,同时用硫酸溶液收集。
加入奈氏试剂,用分光光度计测定铵盐,并转换成氨含量。
注:奈氏试剂:红棕色浓度低时,没有沉淀产生,但溶液呈黄色或棕色。
2.试剂在测定过程中,只可使用分析纯的试剂和蒸馏水,或至少纯度相当的水。
(1)浓质量分数 9 6%,为1.84g/ml。
(2)NaOH溶液质量分数 40%,为1.43g/ml。
(3)催化剂 9 7g 硫酸钾和 3g 无水硫酸铜。
(4)硫酸铵。
(5)0.1 mol/L 标准溶液。
(6)奈氏试剂将100g碘化汞和70g碘化钾溶于100ml水中,另将244g氢氧化钾溶于内有700ml水的1000ml容量瓶中,并冷却至室温。
将上述碘化汞和碘化钾溶液慢慢注入容量瓶中,边加边摇动。
加水至刻度,摇匀,放置至少2天。
试剂应保存在棕色玻璃瓶中,置暗处。
浅谈变性淀粉产品及检测方法标准的制定黄立新华南理工大学食品与生物工程学院 (广州510640)陈家明广东省湛江市产品质量监督检验所 (湛江524044) 淀粉广泛地用于造纸、纺织、食品、发酵、制药和饲料等许多行业,是重要而价廉的原辅材料。
常用淀粉的标准,如G B/T8883-88“食用小麦淀粉”、G B/T8884-88“食用马铃薯淀粉”、G B/T8885-88“食用玉米淀粉”、G B/T12309-90“工业玉米淀粉”和QB 1840-93“工业薯类淀粉”等[1],对各类淀粉的技术要求、试验方法、检验规则及产品的标志、包装、运输和贮存做出了规定,为淀粉的生产、贸易和质量管理提供了依据。
随着产品加工技术和品质要求的提高,在一些领域常用淀粉已不能满足其应用要求,需要对淀粉进行变性,以增强其在工业上应用的功能和扩展其用途。
目前国内变性淀粉的生产量和应用面正日益增加和扩大,据不完全统计预糊化淀粉、氧化淀粉、酸变性淀粉、糊精、交联淀粉、酯化淀粉和阳离子淀粉等各类变性淀粉的年生产量已达12万~15万吨,进口量也相当大,展示了巨大的市场发展前景。
但是,变性淀粉至今没有统一的产品标准,厂家一般只根据自身的生产、检测条件和需要,制定相关的企业标准,各企业间的标准和其中的指标相差很大,检测方法不统一,缺乏可比性和参考性,给生产、贸易及质量管理带来一定的困难,也对厂家的销售、变性淀粉市场的开发和发展产生不利的影响。
因此,为了适应市场进一步发展的需要,便于技术合作和交流,利于变性淀粉产品的检验和管理,国家或行业有必要尽快制定各类变性淀粉的标准。
制定变性淀粉标准应综合考虑其生产技术状况、水平、经验、产品的特性和应用要求等诸多因素,然而就其中的内容、指标和检测方法等方面的设立还存在许多不同的意见或看法,较为复杂。
因此,本文进行有关情况的介绍和分析,为标准的制定或修订提供一些建设性参考意见达到抛砖引玉之目的。
1 科研、开发、生产和应用等多方面原因,影响着变性淀粉标准的制定和统一111 生产变性淀粉原料的多样化玉米、小麦、马铃薯、木薯、甘薯、芭蕉芋和高链玉米等多种原料都可用于生产变性淀粉。
产品规格书(红薯淀粉)1 范围本标准规定了红薯淀粉的技术要求、试验方法、检验规则及标志、包装、运输、贮存、保质期。
本标准适用于以红薯为原料,经清洗、磨碎、浸泡、分离、脱水、干燥、包装等工艺加工制成的食用甘薯淀粉。
2 规范性引用文件下列文件中的条款通过本标准的引用而成为本标准的条款。
凡是注日期的文件,其随后所有的修改单(不包括勘误的内容)或修订版均不适用于本标准,然而,鼓励根据本标准达成协议的各方研究是否可使用这些文件的最新版本,凡是不注日期的引用文件,其最新版本适用于本标准。
GB/T191 包装储运图示标志GB/T 4789.2 食品卫生微生物检验,菌落总量测定GB/T 4789.3 食品卫生微生物检验,大肠菌群计数GB/T 4789.15 食品卫生微生物检验,霉菌和酵母计数GB/T 马铃薯淀粉GB/T 5009.53 淀粉类制品卫生标准的分析方法GB5491 粮食、油料检验、仟样、分样法GB/T5492 粮食、油料检验、色泽、气味、口味鉴定GB/T5009.11 食品总砷及无机砷的测定GB/T5009.12 食品中铅的测定GB8665 粮食包装面粉袋GB/T22427.1 淀粉灰分的测定GB/T22427.2 淀粉水分的测定GB/T22427.4 淀粉斑点测定办法GB/T22427.5 淀粉细度的测定办法GB/T22427.6 淀粉白度的测定办法LS/T6101 谷物粘度测定快速测定依法GB/T22427.9 淀粉及其衍生物酸度测定方法GB/T22427.10 淀粉及其衍生物氮含量测定GB/T22427.13 淀粉及其衍生物二氧化硫含量测定方法GB 14881 食品企业通用卫生规范JJF 1070 定量包装商品净含量计量检验规则DB13/T 768 无公害甘薯生产技术规程GB/T17109 粮食销售包装GB7718 预包装食品标签通则JJF1070 定量包装商品净含量计量检验规则国家质量监督检验检疫总局令[2005]第75号《定量包装品计量监督管理办法》国家质量监督检验检疫总局令[2007]第102号《食品标识管理规定》3 技术要求3.1 原料要求鲜红薯应清洁,外皮光滑、不裂、不软、不烂,无外伤,无虫蚀,无霉变;红薯干应清洁,无虫蚀,无霉变。
食品添加剂变性淀粉规格标准
一、磷酸酯双淀粉的规格标准
项目指标粗脂肪(%)≤0.15 残留量(mg/kg)≤0.5 SO
2
重金属(以Pb计)/(%)≤0.002 铅/(mg/kg)≤ 1 磷酸盐(以P计)/(%)≤0.4
二、醋酸酯淀粉的规格标准
三、辛烯基琥珀酸淀粉钠的规格标准
四、氧化羟丙基淀粉的规格标准
五、羧甲基淀粉钠的规格标准
六、淀粉磷酸酯钠的规格标准
七、氧化淀粉的规格标准
八、酸处理淀粉的规格标准
八、乙酰化双淀粉己二酸酯的规格标准
九、乙酰化双淀粉己二酸酯的规格标准
十、羟丙基淀粉、磷酸化二淀粉磷酸酯、乙酰化二淀粉磷酸酯、羟丙基二淀粉磷酸酯的规格标准按照QB1229-91执行。