触发器功能测试及应用
- 格式:ppt
- 大小:432.52 KB
- 文档页数:11
触发器及其应用实验报告一、实验目的通过本次实验,我们的目标是:1.了解触发器的基本原理。
2.学习触发器的分类及其应用场景。
3.通过实验了解触发器的使用方法。
二、实验器材1.示波器。
2.信号发生器。
3.逻辑门芯片。
4.电源。
5.电线、面包板等。
三、实验原理触发器是由逻辑门电路组成的电子器件,具有存储和控制的功能,它能够接收一个或多个输入信号,通过逻辑门电路进行处理,并输出结果。
因为具有存储和控制的功能,所以可以被广泛应用于数字电路中。
触发器分为锁存触发器和触发器两种。
锁存触发器存在一个叫做钟脉冲的输入信号,这个输入信号决定了锁存触发器是否工作。
当输入一个高电平的钟脉冲时,锁存触发器将会把它的输入信号“锁定”,并输出相应的结果;当钟脉冲为低电平时,锁存触发器会维持自己的状态不变。
触发器一般也有两个输入信号,分别是时钟和数据。
当时钟为高电平的时候,数据会被写入到触发器中,并且继续保存下来;当时钟为低电平的时候,触发器会维持自己的状态不变。
四、实验步骤1、搭建RS锁存器电路图将R、S两个输入端接到逻辑门芯片上,并将输出端接上示波器,调整示波器参数,实时观察输出波形。
在示波器上显示R、S各种输入波形,了解电路的工作原理和特性。
4、测试D触发器电路五、实验结果通过本次实验,我们成功地实现了RS锁存器和D触发器的搭建和测试。
我们通过不同的输入信号波形测试了电路的各种工作特性,如RS锁存器的存储和控制特性以及D触发器的时序控制特性等。
六、实验分析触发器是数字电路中的关键元件之一,它可以实现数字信号的存储和控制。
本次实验通过搭建RS锁存器和D触发器电路,并通过逻辑门芯片实现,得出了两种触发器的不同工作原理和特性。
同时,我们还通过不同的输入波形测试了它们的各种工作状态,进一步了解和掌握触发器的应用技巧和调试方法。
这对于我们深入理解和掌握数字电路原理以及实际应用具有重要意义。
同时,我们还通过实际操作锻炼了自己的实验技能,深入理解了数字电路的原理和应用。
实验三集成触发器的逻辑功能测试一实验目的1.熟悉JK触发器的基本原理及逻辑功能。
2.熟悉D触发器的基本原理及逻辑功能,并掌握其寄存器移位功能。
3.触发器应用。
二、实验仪器及器件仪器:逻辑箱,数字万用表器材:74LS74、74LS76三、实验基本原理JK触发器有J输入端和K输入端,而其R D端和S D端则具有置“0”置“1”功能,逻辑功能如下:Q当J=K=1时,CP脉冲作用下,触发器状态翻转,写成Q n+1=n当J=K=0时,CP脉冲作用下,触发器保持原状态,写成O n+1=Q n。
当J=1,K=0时,在CP脉冲作用下,触发器置“1”,写成Q n+1=1。
当J=0,K=1时,在CP脉冲作用下,触发器置“0”,写成Q n+1=0。
四、触发器的逻辑功能测试:1.JK触发器(选择74LS76)(1)触发器置“0”“1”的功能测试:将S D、R D分别接开关K i+1、K i,Q、Q分别接发光二极管L i+1,L i,按表5—1要求改变S D,R D(J,K,CP处于任意状态),并在S D R D作用期间,任意改变J、K、CP的状态,观察Q和Q的状态,将结果记录于表5—1。
表5—1JK触发器菜单将J、K分别接开关,而上述实验中的S D、R D所接开关保持,并置于S D=1,R D=1的状态,时钟CP接单脉冲信号源的输出P+,按表5—2要求,将结果记录于表5—2。
2.D 触发器:(选择74LS74)(1) 触发器置“0”置“1”功能的测试:将S D 、R D 分别接开关,Q 、Q 分别接发光二极管,按表5—3要求改变S D 、R D (D 及CP 处于任意状态)并在S D 、R D 作用期间,任意改变D 与CP 的状态,测试S D 、RD 的功能,并将测试结果记录于表5—3。
表5—3D 触发器S D 、R D 菜单(2) 对D 触发器逻辑功能的测试,结果记录于表5—4。
表5—触发器逻辑菜单五、触发器应用:1. 用JK 触发器(74LS76)组成三位串行累加计数器如下图。
数电实验报告触发器及其应用(共10篇)1、实验目的:掌握触发器的原理和使用方法,学会利用触发器进行计数、存储等应用。
2、实验原理:触发器是一种多稳态数字电路,具有存储、计数、分频、时序控制等功能。
常见的触发器有RS触发器、D触发器、T触发器、JK触发器等。
RS触发器是由两个交叉互连的反相器组成的,它具有两个输入端R(复位)和S(置位),一个输出端Q。
当输入R=1,S=0时,Q=0;当输入R=0,S=1时,Q=1;当R=S=1时,无法确定Q的状态,称为禁态。
JK触发器是将RS触发器的两个输入端合并在一起而成,即J=S,K=R,当J=1,K=0时,Q=1;当J=0,K=1时,Q=0;当J=K=1时,Q反转。
JK触发器具有启动、停止、颠倒相位等功能。
D触发器是由单个输入端D、输出端Q和时钟脉冲输入端组成的,当时钟信号上升沿出现时,D触发器的状态发生改变,如果D=1,Q=1;如果D=0,Q=0。
T触发器只有一个输入端T和一个输出端Q,在每个时钟脉冲到来时,T触发器执行T→Q操作,即若T=1,则Q取反;若T=0,则Q保持不变。
触发器可以组成计数器、分频器、存储器、状态机等各种数字电路,被广泛用于计算机、控制系统等领域。
3、实验器材:数码万用表、示波器、逻辑分析仪、CD4013B触发器芯片、几个电阻、电容、开关、信号发生器等。
4、实验内容:4.1 RS触发器测试利用CD4013B芯片来测试RS触发器的功能,在实验中将RS触发器的输入端分别接入CD4013B芯片的端子,用示波器观察输出端的波形变化,并记录下输入输出关系表格,来验证RS触发器的工作原理。
具体实验步骤如下:将CD4013B芯片的端子按如下接线方式连接:RST1,2脚接入+5V电源,C1个100nF的电容与单位时间5 ns的外部时钟信号交替输入接口CLK,以模拟器件为master时,向器件提供单个时钟脉冲。
测试时选择适宜的数据输入,R1和S2另一端程+5V,S1和R2另一端连接接地GND,用万用表测量各端电压,电容缓存的电压。
触发器的应用实验报告触发器的应用实验报告引言触发器是数字电路中常用的一种元件,它能够存储和控制电路中的信号。
触发器的应用十分广泛,从计算机内存到时序电路,都离不开触发器的支持。
本实验旨在通过实际操作,深入了解触发器的原理和应用。
实验目的1. 理解触发器的基本工作原理;2. 掌握触发器的常见类型及其应用;3. 通过实验验证触发器在时序电路中的重要性。
实验器材1. 数字逻辑实验箱;2. 74LS74触发器芯片;3. 电压源;4. 示波器;5. 连接线。
实验步骤1. 搭建基本的RS触发器电路。
将74LS74芯片插入实验箱,并按照芯片引脚的连接要求,将电源和示波器连接到相应的引脚上。
通过连接线,将RS触发器的输入端与输出端相连,形成反馈电路。
2. 测试RS触发器的工作原理。
调整电压源的输出电压,观察触发器的输出变化。
通过改变输入信号的状态,观察触发器的输出是否发生翻转。
记录实验结果。
3. 搭建D触发器电路。
将74LS74芯片重新插入实验箱,并按照芯片引脚的连接要求,将电源和示波器连接到相应的引脚上。
通过连接线,将D触发器的输入端与输出端相连,形成反馈电路。
4. 测试D触发器的工作原理。
调整电压源的输出电压,观察触发器的输出变化。
通过改变输入信号的状态,观察触发器的输出是否与输入信号同步。
记录实验结果。
实验结果与分析通过实验,我们观察到了RS触发器和D触发器的工作原理。
RS触发器的输出状态受到输入信号的控制,当输入信号为高电平时,输出为低电平;当输入信号为低电平时,输出为高电平。
而D触发器则将输入信号同步到输出信号上,实现了数据的存储和传输。
触发器的应用触发器在数字电路中有着广泛的应用。
以下是一些常见的应用场景:1. 时序电路触发器可以用于构建各种时序电路,如计数器、频率分频器等。
通过触发器的状态变化,可以实现对时钟信号的精确控制,从而实现特定的计时功能。
2. 存储器触发器可以用于构建存储器单元,如寄存器、RAM等。
实验5 集成触发器功能测试及应用一. 实验目的掌握基本触发器的电路组成及其功能;掌握基本RS、JK、D触发器的逻辑功能;掌握集成触发器的逻辑功能及使用方法。
二三触发器具有两个稳定状态,用以表示逻辑状态“1”和“0”,在一定的外界信号作用下,可以从一个稳定状态翻转到另一个稳定状态,它是一个具有记忆功能的二进制信息存贮器件,是构成各种时序电路最基本的逻辑单元。
RS锁存器(又叫基本RS触发器)是各种触发器构成的基本部件,也是最简单的一种触发器。
它的输入信号直接作用在触发器,无需触发信号。
可以由两个与非门交叉耦合而成。
在输入信号为单端的情况下,D触发器用来最为方便,其状态方程为Q n+1=D,其输出状态的更新发生在CP脉冲边沿,属于边沿触发器,触发器的状态只取决于时钟到来前D端的状态,D 触发器的应用很广,可用作数信号的寄存,位移寄存,分频和波形发生等。
在输入信号为双端的情况下,JK触发器是功能完善.使用灵活和通用性较强的一种触发器。
本实验采用74LS112双JK触发器,是下降边沿触发的边沿触发器。
J-K触发器使用时要查清引线排列,其特征方程为。
四. 实验内容与步骤1.基本RS触发器建立与测试(1)在实验箱上选取一个14P插座,按定位标记插好74LS00集成块,根据右图连接实验线路。
(2)将实验箱上+5V直流电源接74LS00的14脚,地接7脚。
将、接电平开关输出口,输出Q接发光二级管。
(3)按下表在输入端输入相应电平,观察并记录输出逻辑电平显示情况(发光管亮,表示输出高电平“1”,发光管不亮,表示输出低电平“0”)。
2.验证D触发器功能1)在实验箱上选取一个14P插座,按定位标记插好74LS74集成块,将实验箱上+5V直流电源接74LS74的14脚,地接7脚。
将双D 触发器74LS74中的一个触发器的,和D 输入端分别接逻辑开关输出口,CP 端接单次脉冲,输出端和分别接发光二极管。
2)根据输出端状态,填表2。
实验四 触发器及其应用一、实验目的1、 掌握基本RS 、JK 、D 、T 触发器的逻辑功能;2、 熟悉集成触发器的逻辑功能及使用方法;3、 学会不同逻辑功能触发器之间的转换方法。
二、实验仪器及设备1、 EEL-II 型电工电子实验台2、 数字电路实验箱3、 万用表4、 直流稳压电源5、 参考元件 三、实验内容1、 基本RS 触发器逻辑功能测试,元件用74LS00QDDQQ(a)(b)图5.1基本RS 触发器结构图2、 D 触发器逻辑功能测试,元件用74LS74(双上升沿触发D 触发器) (1) 直接复位端R D 和直接置位端S D 的功能测试 (2) D 触发器的逻辑功能测试直接复位、置位端R D 、S D 接模拟电位开关,CP 接单脉冲发生器,并改变D 的状态,将测试结果填入表5.2中。
3、 JK 触发器功能测试,选用74LS112直接复位、置位端R D 、S D 接模拟电位开关,CP 接单脉冲发生器,并改变J 、K 的状态,将测试结果填入表5.3中。
4、用D触发器构成T’触发器Q 将D触发器的D端与Q端相连,构成T’触发器。
其逻辑功能为:Q n+1=n表示每来一个CP脉冲翻转一次。
有计数功能。
(1)在CP加入单脉冲观察翻转次数和CP输入正脉冲个数间的关系。
(2)CP端加连续脉冲,用示波器观察Q与Q波形,记录填表5.4,并画出波形图。
如图5.4所示。
CPQQ图5.3波形图5、用JK触发器接T和T’触发器(1)设计电路(2)测试功能并观察CP和Q的同步波形,体会触发器的分频作用。
四、实验报告1、整理实验数据,结果填入各表格,画出要求的有关电路图;2、依实验结果总结触发器的逻辑功能。
五、思考题1、何谓基本RS触发器的记忆功能?2、D触发器翻转条件及特点是什么?3、*D触发器实现可靠计数的基本思想是什么?六、器件介绍1、D触发器74LS74图5.2上升沿触发D 触发器74LS74符号2、 JK 触发器74LS11274LS112是双主从下降沿触发JK 触发器,其逻辑符号和管脚引线排列如图5.5所示。
一、实验目的1. 理解和掌握触发器的基本原理和功能。
2. 熟悉基本RS、JK、D和T触发器的逻辑功能及其应用。
3. 学习触发器之间相互转换的方法。
4. 通过实验,加深对触发器在数字电路中的应用理解。
二、实验原理触发器是一种具有记忆功能的电子器件,它可以根据输入信号和时钟脉冲的变化,在两个稳定状态之间进行切换。
触发器在数字电路中有着广泛的应用,如计数器、寄存器、时序电路等。
触发器根据时钟脉冲的触发方式分为同步触发器和异步触发器。
同步触发器在时钟脉冲的上升沿或下降沿发生状态转换,而异步触发器则不受时钟脉冲的限制,可以在任何时刻发生状态转换。
三、实验仪器与设备1. 双踪示波器2. 数字万用表3. 数字电路实验箱4. 74LS00(二输入端四与非门)5. 74LS74(双D触发器)6. 74LS76(双J-K触发器)四、实验内容与步骤1. 基本RS触发器功能测试(1)搭建基本RS触发器电路,连接实验箱中的与非门。
(2)按照实验要求,在S、R端加信号,观察并记录触发器的Q、端状态。
(3)分析实验结果,总结RS触发器的逻辑功能。
2. JK触发器功能测试(1)搭建JK触发器电路,连接实验箱中的与非门。
(2)按照实验要求,在J、K端加信号,观察并记录触发器的Q、端状态。
(3)分析实验结果,总结JK触发器的逻辑功能。
3. D触发器功能测试(1)搭建D触发器电路,连接实验箱中的与非门。
(2)按照实验要求,在D端加信号,观察并记录触发器的Q、端状态。
(3)分析实验结果,总结D触发器的逻辑功能。
4. T触发器功能测试(1)搭建T触发器电路,连接实验箱中的与非门。
(2)按照实验要求,在T端加信号,观察并记录触发器的Q、端状态。
(3)分析实验结果,总结T触发器的逻辑功能。
5. 触发器之间相互转换(1)分析基本RS触发器与JK触发器之间的转换方法。
(2)分析基本RS触发器与D触发器之间的转换方法。
(3)分析基本RS触发器与T触发器之间的转换方法。
触发器功能测试实验报告触发器功能测试实验报告一、引言触发器是数字电路中常见的重要元件之一,其具有存储和放大信号的功能。
触发器的功能测试是电子工程师在设计和制造数字电路时必不可少的一项工作。
本实验旨在通过对不同类型的触发器进行功能测试,验证其在不同工作模式下的正确性和稳定性。
二、实验目的1. 了解触发器的基本原理和工作模式;2. 掌握触发器的功能测试方法;3. 验证不同类型触发器的工作特性。
三、实验器材和材料1. 实验板;2. 电源供应器;3. 逻辑分析仪;4. 电压表;5. 连接线。
四、实验步骤1. 准备工作:将实验板连接好电源供应器和逻辑分析仪,并确保连接正确;2. 功能测试:依次测试RS触发器、D触发器、JK触发器和T触发器的工作特性。
五、实验结果与分析1. RS触发器测试:a. 将RS触发器的S端和R端分别接入逻辑分析仪的输入端,CLK端接入逻辑分析仪的时钟信号输出端;b. 通过逻辑分析仪观察输入信号和输出信号的波形,并记录下来;c. 分析波形,验证RS触发器在不同输入情况下的工作特性。
2. D触发器测试:a. 将D触发器的D端接入逻辑分析仪的输入端,CLK端接入逻辑分析仪的时钟信号输出端;b. 通过逻辑分析仪观察输入信号和输出信号的波形,并记录下来;c. 分析波形,验证D触发器在不同输入情况下的工作特性。
3. JK触发器测试:a. 将JK触发器的J端和K端分别接入逻辑分析仪的输入端,CLK端接入逻辑分析仪的时钟信号输出端;b. 通过逻辑分析仪观察输入信号和输出信号的波形,并记录下来;c. 分析波形,验证JK触发器在不同输入情况下的工作特性。
4. T触发器测试:a. 将T触发器的T端接入逻辑分析仪的输入端,CLK端接入逻辑分析仪的时钟信号输出端;b. 通过逻辑分析仪观察输入信号和输出信号的波形,并记录下来;c. 分析波形,验证T触发器在不同输入情况下的工作特性。
六、实验结论通过对RS触发器、D触发器、JK触发器和T触发器的功能测试,我们可以得出以下结论:1. RS触发器具有存储和放大信号的功能,可以用于实现简单的存储器和时序电路;2. D触发器可以将输入信号在时钟脉冲到来时存储,并在下一个时钟脉冲到来时输出;3. JK触发器是一种带有异步清零和置位功能的触发器,可以用于实现频率分割和计数器等电路;4. T触发器是一种特殊的JK触发器,其输入端和输出端相连,可以实现频率分割和频率加倍等功能。
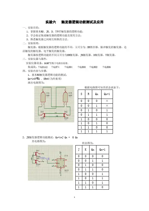
实验六触发器逻辑功能测试及应用一、实验目的:1、掌握基本RS、JK、D、T和T′触发器的逻辑功能;2、学会验证集成触发器的逻辑功能及使用方法;3、熟悉触发器之间相互转换的方法。
二、实验原理:触发器:根据触发器的逻辑功能的不同,又可分为: SR锁存器、脉冲触发的触发器、边沿触发的触发器、电平触发的触发器。
触发器按逻辑功能的不同又可分为SR触发器、JK触发器、D触发器、T触发器。
三、实验仪器与器件:实验仪器设备:D2H+型数字电路实验箱。
集成块:74LS112 74LS74 74LS04 74LS08 74LS02 74LS86四、实验内容与步骤:1、基本RS触发器逻辑功能的测试:Qn+1=S+RQ , SR=0(为约束项) 画出电路图为:2、JK触发器逻辑功能测试:Qn+1=J Qn + K Qn其电路图为:根据电路图可知其状态表如下:S R Qn Qn+10 0 0 ×0 0 1 ×0 1 0 10 1 1 11 0 0 01 0 1 01 1 0 01 1 1 1状态图为:J K Qn Qn+10 0 0 0 0 0 1 1 0 1 0 00 1 1 01 0 0 1 1 0 1 1 1 1 0 1 1 1 1 03、D触发器逻辑功能测试:(1)异步输入端功能测试:S R Qn Qn+11 1 0 01 1 1 10 1 0 00 1 1 01 0 0 11 0 1 10 0 0 不定0 0 1 不定(2)D触发器逻辑功能测试:根据电路图列出状态表为:D Qn Qn+10 0 00 1 01 0 11 1 14、不同类型时钟触发器间的转换:JK转换为D触发器:D转换为JK 触发器:Qn+1=J Qn + K Qn=D(Qn=1时,K=D,J为任意数,Qn=0时,J=D,K任意数。
) JK转换为T触发器:T转换为JK触发器:Qn+1=J Qn + K Qn Qn+1=T Qn + T Qn 得到T=JJK转换为RS触发器:RS转换为JK触发器:Qn+1=J Qn + K Qn Qn+1=S + R Q 得到S= J Qn,R=K五、实验体会与要求:1、根据实验结果,写出各个触发器的真值表。
触发器功能测试及应用触发器功能是一种在特定条件下自动触发的机制,可以用于自动执行一系列预定义的操作或触发特定的事件。
在计算机科学和信息技术领域,触发器功能被广泛应用于各种系统和应用程序中,以提高工作效率和用户体验。
下面将详细介绍触发器功能的测试方法和应用场景。
一、触发器功能的测试方法:1. 定义测试场景:根据需求和功能设计,确定具体的测试场景,包括触发条件和预期结果。
2. 设计测试用例:根据测试场景,设计一系列具体的测试用例,覆盖不同的触发条件和预期结果。
3. 执行测试用例:按照设计好的测试用例,逐一执行测试,记录实际结果。
4. 对比分析:将实际结果与预期结果进行对比,分析是否一致,找出问题所在。
5. 修复问题:对于出现的问题,及时修复并重新执行测试,直到问题解决。
6. 验证功能:对修复后的触发器功能进行验证,确保其正常工作。
在执行测试用例时,需要注意以下几个方面:- 触发条件的覆盖:尽可能覆盖所有可能的触发条件,包括正常条件和异常条件。
- 预期结果的准确性:确保预期结果明确、准确,并与实际结果进行对比。
- 多环境测试:在不同的操作系统平台和网络环境下进行测试,以确保触发器功能在各种环境下都能正常运行。
- 并发测试:通过同时触发多个触发器,测试系统对多线程、并发操作的处理能力。
二、触发器功能的应用场景:1. 数据库触发器:数据库触发器是一种在数据库内部定义的处理程序,可以在数据库表的特定操作(如插入、更新、删除)发生时自动触发执行。
它可以用于实现数据的一致性约束、数据更新的自动化处理等功能。
2. 消息推送:触发器功能可以用于实现消息推送功能,当某个事件发生时,比如新消息的到达或关键操作的完成,系统可以自动触发一个消息推送,将消息发送给相关的用户。
3. 定时任务:触发器功能可以用于定时执行一些任务,比如定时备份数据库、定时发送邮件等。
通过设置合适的触发条件,可以使任务以一定的频率自动执行。
4. 权限控制:触发器功能可以用于实现对系统的权限控制,当用户进行某些敏感操作时,可以自动触发一个权限验证,以确保只有有相应权限的用户才能执行该操作。
一、实验目的
1.掌握JK 触发器和T 触发器的逻辑功能。
2.熟悉触发器的应用。
二、 实验原理
上图为74LS112芯片,共有16根管脚,其中含有两个功能相同的JK 触发器。
芯片第16号管脚需要接+5V 直流电压源;8号管脚需要接地(GND )。
一号触发器:1号管脚为触发器的时钟信号输入端CP ;2、3号分别为触发器的信号输入端K 、J ;4号管脚为置位端SD (SET );15号管脚为复位端RD (RESET );5号管脚为输出端Q ;6号管脚为反相输出端Q 。
二号触发器:13号管脚为触发器的时钟信号输入端CP ;11、12号分别为触发器的信号输入端J 、K ;10号管脚为置位端SD (SET );14号管脚为复位端RD (RESET );9号管脚为输出端Q ;7号管脚为反相输出端Q 。
在仿真软件中,可找到相对应的芯片。
1
2
3
4
5
678
9
10
11
12
13
14VCC
GND
15
16
1CP 1K 1J 1SD
1Q 1Q 2J
2K
2Q
1RD 2CP
2Q
2SD 2RD 1
2
74LS112
3.观察T触发器输出波形
将JK触发器接成T触发器,接到逻辑开关,CP端输入方波信号,频率为1KHz,幅度为5V RMS,用示波器观察Q端波形。
示波器CH1接输出Q,CH2接方波信号。
逻辑表达式:
n+1n n Q=TQ+TQ
当逻辑开关分别为0和1时,示波器的波形分别为?为0时
为1时。
现代电子技术
实验报告
实验名称:
指导老师:
学生班级:
学生:
学生学号:
实验七触发器功能测试与仿真
一、实验目的
1、熟悉和掌握各触发器在Multsim10软件中所处的位置。
2、熟悉和掌握各触发器的作用及功能,以及它们的测试及仿真。
3、进一步熟悉Multisim软件。
二、实验设备
安装有Multsim10软件的个人电脑
三、实验容
1、基本RS触发器逻辑功能测试与仿真
2.5 V 数据如下:
数据分析:
基本RS触发器的特性方程:
2、JK触发器逻辑功能测试与仿真
JK触发器的逻辑功能表:
JK触发器的特性方程:
实验结果分析:
3、T触发器逻辑功能测试与仿真
T触发器的逻辑功能表:
T触发器的特性方程:
Q n+1 =T n Q+T Q n =T⊕Q n
实验结果分析:
当T=0时,J=K=0,触发器保持不变;当T=1时,J=K=1,每来一个CP脉冲,触发器翻转一次,实现了T触发器的逻辑功能。
4、D触发器逻辑功能测试与仿真
+
D触发器的特性方程:
Q n+1=D
实验结果分析:
D触发器是利用维持线和阻塞线,将触发器的触发器翻转控制在CP上升沿瞬间,触发器的输出只与CP上升沿瞬间D的信号有关。
5、T’触发器逻辑功能测试与仿真
T’触发器的逻辑功能表:
T’触发器的特性方程:
Q
Q n+1=n
实验结果分析:。
实验七触发器及其应用实验一、实验概述本实验是通过使用74LS00、74LS74和74LS76来实现RS触发器、D触发器、JK 触发器以及T触发器的功能。
二、实验目的1、掌握基本RS、JK、T和D触发器的逻辑功能2、掌握集成触发器的功能和使用方法3、熟悉触发器之间相互转换的方法三、实验预习要求1、复习有关触发器内容,熟悉有关器件的管脚分配2、列出各触发器功能测试表格3、参考有关资料查看74LS00、74LS74和74LS76的逻辑功能四、实验原理在实际的数字系统中往往包含大量的存储单元,而且经常要求他们在同一时刻同步动作,为达到这个目的,在每个存储单元电路上引入一个时钟脉冲(CLK)作为控制信号,只有当CLK到来时电路才被“触发”而动作,并根据输入信号改变输出状态。
把这种在时钟信号触发时才能动作的存储单元电路称为触发器,以区别没有时钟信号控制的锁存器。
触发器具有两个稳定状态,用以表示逻辑状态“1”和“0”,在一定的外界信号作用下,可以从一个稳定状态翻转到另一个稳定状态,它是一个具有记忆功能的二进制信息存贮器件,是构成多种电路的最基本逻辑单元。
1、RS触发器RS触发器是构成其它各种功能触发器的基本组成部分。
又称为基本RS触发器。
结构是把两个与非门或者或非门G1、G2的输入、输出端交叉连接,如图7.4-1所示。
图7.4-1 RS触发器2、D触发器D触发器是一个具有记忆功能的,具有两个稳定状态的信息存储器件,是构成多种时序电路的最基本逻辑单元,也是数字逻辑电路中一种重要的单元电路,如图7.4-2所示。
在数字系统和计算机中有着广泛的应用。
触发器具有两个稳定状态,即"0"和"1",在一定的外界信号作用下,可以从一个稳定状态翻转到另一个稳定状态。
JK触发器是数字电路触发器中的一种基本电路单元,如图7.4-3所示。
JK触发器具有置0、置1、保持和翻转功能,在各类集成触发器中,JK触发器的功能最为齐全。
触发器及应用实验结论触发器是一种在特定条件下自动执行某些操作的电路或设备。
它可以感知到输入信号的变化并在满足特定条件时产生输出信号。
触发器在数字电路和计算机系统中广泛应用,可以用于存储临时数据、控制数据流、实现时序逻辑等。
触发器按照功能和特性的不同可以分为多种类型,常见的有RS触发器、JK触发器、D触发器等。
下面将分别介绍这些触发器及其应用实验结论。
1. RS触发器:RS触发器由两个互补型与非门(NAND)构成,其输入端分别为R和S。
当RS触发器的R和S输入均为0时,输出保持不变;当R为1,S 为0时,输出为0;当R为0,S为1时,输出为1;当R和S同时为1时,输出取决于触发器的状态。
RS触发器可以用于存储单个位的数据。
应用实验结论:实验观察到,当R和S输入分别为0时,输出保持不变;当R 为1,S为0时,输出为0;当R为0,S为1时,输出为1;当R和S同时为1时,输出取决于触发器之前的状态。
2. JK触发器:JK触发器由两个互补型与非门(NAND)和两个与门(AND)构成,其输入端分别为J和K。
JK触发器在RS触发器的基础上进行了改进,可以避免R和S同时为1时输出的不确定性。
当JK触发器的J和K输入均为0时,输出保持不变;当J为1,K为0时,输出为1;当J为0,K为1时,输出为0;当J和K同时为1时,输出反转。
应用实验结论:实验观察到,当J和K输入分别为0时,输出保持不变;当J 为1,K为0时,输出为1;当J为0,K为1时,输出为0;当J和K同时为1时,输出反转。
3. D触发器:D触发器由一个与门(AND)和一个互补型与非门(NAND)构成,其输入端为D。
D触发器的输入信号直接传递到输出端,可以用于存储单个位的数据。
D触发器常用于时钟信号,用来控制数据的读写操作。
应用实验结论:实验观察到,D触发器的输出与D信号的输入一致,当D信号发生变化时,输出也随之变化。
除了上述应用实验结论,触发器还可以用于实现计数器、时序逻辑等复杂的功能。
实验四项目名称:触发器及其应用一、实验目的1、了解基本RS、JK和D触发器的逻辑功能2、了解时钟对触发器的触发作用3、能用触发器设计基本的时序逻辑电路二、实验设备1、数字电路实验箱2、74LS112 74LS00 74LS74三、实验内容及步骤1、测试基本RS触发器的逻辑功能本实验是选取74LS00芯片(引脚如图4-7所示)中两个与非门交叉耦合而成,如图4-8所示。
根据图4-8连线,d S、d R端分别接在实验箱上的逻辑电平选择开关上,输出Q和Q分别接在实验箱上的LED电平指示上。
按表4-5选择输入状态,测试并记录结果。
图4-7 74LS00引脚图图4-8 基本RS触发器表4-5d S d R Q Q011110112、JK触发器(1) 测试置位端S D和复位端R D 的功能按表4-6,将74LS112芯片(引脚如图4-9所示)的R D、S D、J、K端分别接逻辑电平选择开关,CP 接实验箱中的单脉冲下降沿触发输出端,Q、Q端分别接至实验箱的LED电平指示上。
根据表4-6,确定R D,S D、J、K端状态,按下单脉冲触发按钮,测试并记录实验结果(表中“×”表示无关项,即可置于任意状态)。
图4-9 74LS112引脚图表4-6(2) 测试JK触发器的逻辑功能按表4-7,测试JK触发器的逻辑功能。
将CP接单脉冲下降沿触发输出端,J、K、R D、S D端分别接逻辑电平选择开关,Q端接在实验箱的LED电平指示上。
利用置位端S D和复位端R D的功能,根据表4-6预置现态Q n ,然后R D 、S D 端同时置“1”,J 、K 状态按表4-7设定。
按下单脉冲触发按钮,测试并记录结果。
表4-73、D 触发器(1) 测试置位端S D 、复位端R D 的功能。
将74LS74芯片(引脚如图4-10所示)的D 、S D 、R D 端分别接逻辑电平选择开关,CP 接实验箱中的单脉冲上升沿触发端输出端,Q 、Q 分别接在实验箱的LED 电平指示上。
一、实验目的1. 理解触发器的概念和基本原理;2. 掌握触发器的逻辑功能和应用;3. 熟悉触发器电路的搭建和调试方法;4. 通过实验验证触发器的功能和应用。
二、实验原理触发器是一种具有记忆功能的电子电路,能够存储一个二进制信息。
它根据输入信号的变化,在一定的条件下可以改变其输出状态,从而实现数据的存储和传递。
触发器是数字电路中的基本单元,广泛应用于计数器、寄存器、存储器等数字系统中。
触发器主要分为两大类:电平触发器和边沿触发器。
电平触发器在输入信号保持一定电平期间,输出状态才会发生变化;而边沿触发器仅在输入信号的跳变沿处改变输出状态。
常见的触发器有RS触发器、D触发器、JK触发器和T触发器等。
以下分别介绍这些触发器的原理和逻辑功能。
1. RS触发器:由两个与非门交叉耦合而成,具有两个输入端(S、R)和两个输出端(Q、Q')。
当S=0,R=1时,触发器置1;当S=1,R=0时,触发器置0;当S=0,R=0时,触发器保持原状态;当S=1,R=1时,触发器处于不确定状态。
2. D触发器:由一个与非门和两个反相器组成,具有一个输入端(D)和两个输出端(Q、Q')。
当输入信号D变化时,触发器的输出状态随之变化,即D=1时,Q=1;D=0时,Q=0。
3. JK触发器:由两个与非门交叉耦合而成,具有两个输入端(J、K)和两个输出端(Q、Q')。
当J=K=0时,触发器保持原状态;当J=1,K=0时,触发器置1;当J=0,K=1时,触发器置0;当J=K=1时,触发器翻转。
4. T触发器:由一个与非门和两个反相器组成,具有一个输入端(T)和两个输出端(Q、Q')。
当T=1时,触发器翻转;当T=0时,触发器保持原状态。
三、实验内容及步骤1. 触发器电路搭建:根据实验原理,搭建RS触发器、D触发器、JK触发器和T触发器电路。
2. 触发器功能测试:通过改变输入信号,观察输出端Q的逻辑信号及其下一逻辑状态,验证触发器的逻辑功能。