螺栓拧紧力矩计算方法表格
- 格式:xls
- 大小:26.00 KB
- 文档页数:3
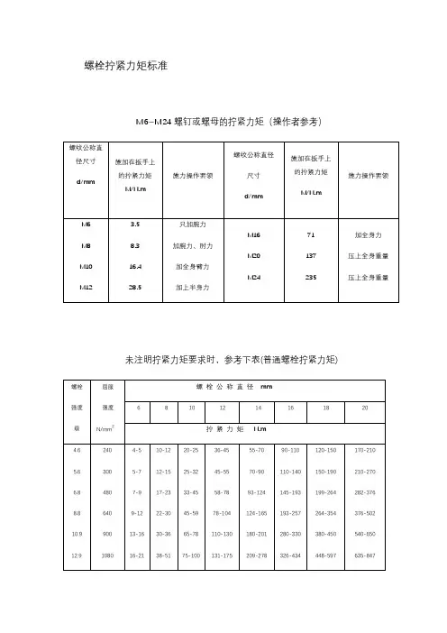
螺栓拧紧力矩标准M6~M24螺钉或螺母的拧紧力矩(操作者参考)未注明拧紧力矩要求时,参考下表(普通螺栓拧紧力矩)。
未注明拧紧力矩要求时,参考下表(普通螺栓拧紧力矩)公制螺栓扭紧力矩Q/STB 范围:本标准适用于机械性能级,规格从M6-M39的螺栓的扭紧力矩,对于使用尼龙垫圈、密封垫圈、其它非金属垫圈的螺栓,本标准不适用。
%★对于设计图纸有明确力矩要求的,应按图纸要求执行。
套管螺母紧固力矩Q/STB B07833-1998材料HPb63-3Y2直通式压注油杯Q/STB B07020-1998(螺纹M6、M8*1、M10*1)紧固力矩:。
安全阀Q/STB B07029-1998(螺纹R1/8)紧固力矩:。
通气塞Q/STB B07030-1998 (螺纹R1/4)紧固力矩:。
螺塞Q/STB B07040-1998(公称直径08-10螺距,12-36螺距)螺栓(排气)Q/STB B07060-1998(M12*)紧固力矩:。
软管(锥形密封)Q/STB B07100-1998、软管(锥形密封)Q/STB B07123-1998(接头部螺母拧紧力矩)螺母(球头式管接头用)Q/STB B07201-1998 拧紧力矩:材料:(Q235)【管接头螺母Q/STB B07202-1998拧紧力矩(Q235 / HPb 59-1)铰接螺栓Q/STB B07206-1998拧紧力矩(Q235)球头式端直通接头Q/STB B07211-1998拧紧力矩(Q235 HPb 60-1 )表中拧紧力矩适用于钢制接头管接头Q/STB B07212-1998&紧固力矩(区分代号为5、7的件材料Q235)套管螺母Q/STB B07221-1998拧紧力矩(材料Q235)管接头Q/STB B07230-1998拧入紧固力矩(Q235)弯头(带座)Q/STB B07235-1998 、B07236-1998拧紧力矩喉箍Q/STB B07281-1998拧紧力矩U 形管夹及座 Q/STB B07283-1998 螺母的紧固力矩(区分代号 2、3使用)管夹 Q/STB B07289-1998(有效紧固直径φ25-φ232) 紧固力矩:±05Nm套管接头 Q/STB B07290-1998套管螺母 Q/STB B07833-1998软管(空调器用)Q/STB B09488-1998。
螺栓拧紧力矩表 Revised by Chen Zhen in 2021螺栓拧紧力矩标准M6~M24螺钉或螺母的拧紧力矩(操作者参考)未注明拧紧力矩要求时,参考下表(普通螺栓拧紧力矩)未注明拧紧力矩要求时,参考下表(普通螺栓拧紧力矩)公制螺栓扭紧力矩 Q/STB 范围:本标准适用于机械性能级,规格从M6-M39的螺栓的扭紧力矩,对于使用尼龙垫圈、密封垫圈、其它非金属垫圈的螺栓,本标准不适用。
★对于设计图纸有明确力矩要求的,应按图纸要求执行。
套管螺母紧固力矩 Q/STB B07833-1998材料 HPb63-3Y2直通式压注油杯 Q/STB B07020-1998(螺纹M6、M8*1、M10*1)紧固力矩:。
安全阀 Q/STB B07029-1998(螺纹R1/8)紧固力矩:。
通气塞 Q/STB B07030-1998 (螺纹R1/4)紧固力矩:。
螺塞 Q/STB B07040-1998(公称直径08-10螺距,12-36螺距)螺栓(排气) Q/STB B07060-1998(M12*)紧固力矩:。
软管(锥形密封)Q/STB B07100-1998软管(锥形密封) Q/STB B07123-1998(接头部螺母拧紧力矩)螺母(球头式管接头用) Q/STB B07201-1998 拧紧力矩:材料:(Q235)管接头螺母 Q/STB B07202-1998拧紧力矩(Q235 / HPb 59-1)铰接螺栓 Q/STB B07206-1998拧紧力矩(Q235)球头式端直通接头 Q/STB B07211-1998拧紧力矩(Q235 HPb 60-1 )表中拧紧力矩适用于钢制接头管接头 Q/STB B07212-1998紧固力矩(区分代号为5、7的件材料Q235)套管螺母 Q/STB B07221-1998拧紧力矩(材料Q235)管接头 Q/STB B07230-1998拧入紧固力矩(Q235)弯头(带座) Q/STB B07235-1998 、 B07236-1998拧紧力矩喉箍 Q/STB B07281-1998拧紧力矩U形管夹及座 Q/STB B07283-1998螺母的紧固力矩(区分代号 2、3使用)管夹 Q/STB B07289-1998(有效紧固直径φ25-φ232)紧固力矩:±05Nm套管接头 Q/STB B07290-1998套管螺母 Q/STB B07833-1998软管(空调器用) Q/STB B09488-1998。
拧紧力矩的计算方法1. 螺栓和螺母组成的螺纹副在紧固时,紧固力是通过旋转螺母或螺栓(通常是螺母)而获得的,紧固力与旋转螺母所用的扭矩(拧紧扭矩)成正比,为了保证达到设计所需的紧固力,就要在工艺文件中规定拧紧扭矩,并在实际施工中贯彻实施。
2. 机械设计中拧紧扭矩计算方法 M = KPD 式中: M - 拧紧扭矩,Nm K - 扭矩系数P - 设计期望达到的紧固力,KN D — 螺栓公称螺纹直径,mm3. 紧固力P 一般在设计上选取螺栓屈服强度σs 的60~80%,安全系数约为1。
2以上.4。
扭矩系数K 是由内外螺纹之间的摩擦系数和螺栓或螺母支撑面与被紧固零件与紧固件接触的承压面的摩擦系数综合而成。
它与紧固件的表面处理、强度、形位公差、螺纹精度、被紧固零件承压面粗糙度、刚度的许多因素有关,其中表面处理是一个关键的因素.不同的表面处理,其扭矩系数相差很大,有时相差近一倍.例如:同螺纹规格,同强度的螺纹副,表面处理为磷化时,扭矩系数约为0.13~0。
18,而表面处理为发黑时,扭矩系数可达0。
26~0.3。
5. 对于M10~M68的粗牙钢螺栓,当螺纹无润滑时,拧紧力矩粗略计算公式:0.2M PD =6.VDI 2230中的拧紧力矩计算方法22(0.160.58)2: :::::KmA M G K M G Km K D M F P d F P d D μμμμ=⋅+⋅⋅+式中:装配预紧力螺距外螺纹基本中径 螺栓螺纹摩擦系数螺栓头部下面的摩擦直径 螺栓头支承面摩擦系数()()0s 2s 23310 :/4 :=+/2 /6 :=0.50.7 :s s s s s s P A A A d d d d d d d H H σπσσσ=⨯=⨯=-⨯也可以由下表查出螺纹部分危险剖面的计算直径螺纹牙的公称工作高度~螺栓材料的屈服极限F M 计算公式为:p0.20=M F R A ν⋅⋅式中:ν:拧紧过程中屈服点应力的利用因数,一般ν=0。
螺栓拧紧力矩尺度之巴公井开创作M6~M24螺钉或螺母的拧紧力矩(操纵者参考)未注明拧紧力矩要求时,参考下表(普通螺栓拧紧力矩)未注明拧紧力矩要求时,参考下表(普通螺栓拧紧力矩)范围:本尺度适用于机械性能10.9级,规格从M6-M39的螺栓的扭紧力矩,对于使用尼龙垫圈、密封垫圈、其它非金属垫圈的螺栓,本尺度不适用。
★对于设计图纸有明确力矩要求的,应按图纸要求执行。
套管螺母紧固力矩 Q/STB B07833-1998资料 HPb63-3Y2直通式压注油杯 Q/STB B07020-1998(螺纹M6、M8*1、M10*1)紧固力矩:0.3-0.5Kg.m。
平安阀 Q/STB B07029-1998(螺纹R1/8)紧固力矩:2.9-4.9Nm。
通气塞 Q/STB B07030-1998 (螺纹R1/4)紧固力矩:2.94-5.88Nm。
螺塞 Q/STB B07040-1998(公称直径08-10螺距1.25,12-36螺距1.5)螺栓(排气) Q/STB B07060-1998(M12*1.5)紧固力矩:58.8-78.4N.m。
软管(锥形密封)Q/STB B07100-1998软管(锥形密封) Q/STB B07123-1998(接头部螺母拧紧力矩)螺母(球头式管接头用) Q/STB B07201-1998 拧紧力矩:N.m 资料:(Q235)管接头螺母 Q/STB B07202-1998拧紧力矩(Q235 / HPb 59-1)铰接螺栓 Q/STB B07206-1998拧紧力矩(Q235)球头式端直通接头 Q/STB B07211-1998拧紧力矩(Q235 HPb 60-1 )表中拧紧力矩适用于钢制接头管接头 Q/STB B07212-1998紧固力矩(区分代号为5、7的件资料Q235)套管螺母 Q/STB B07221-1998拧紧力矩(资料Q235)管接头 Q/STB B07230-1998拧入紧固力矩(Q235)弯头(带座) Q/STB B07235-1998 、 B07236-1998 拧紧力矩喉箍 Q/STB B07281-1998 拧紧力矩U形管夹及座 Q/STB B07283-1998 螺母的紧固力矩(区分代号 2、3使用)管夹 Q/STB B07289-1998(有效紧固直径φ25-φ232)紧固力矩:8.8±05Nm套管接头 Q/STB B07290-1998套管螺母 Q/STB B07833-1998软管(空调器用) Q/STB B09488-1998。
螺栓紧固力矩计算表
预览说明:预览图片所展示的格式为文档的源格式展示,下载源文件没有水印,内容可编辑和复制
螺纹规格M24×2
螺纹公称直径d24
螺纹中径d222.701
螺距P2
螺纹工作高度h 1.082
螺纹牙底宽度b 1.5
有效圈数z12
QT400-15屈服强度σ N/mm2250
许用挤压应力【σ】 N/mm2250许用弯曲应力【σb】 N/mm2允许极限轴向拉力F1 N231495.939允许极限轴向拉力F2 N 预紧力F’ N188147.1
螺纹摩擦系数μs0.16
支承面摩擦系数μs0.15
拧紧力矩系数K0.19375
极限扭矩T N.m874.88
Input value
Automatic output
42CrMo材料计算
42CrMo屈服强度σ N/mm2930
许用挤压应力【σ】 N/mm2930许用弯曲应力【σb】 N/mm2允许极限轴向拉力F1 N861164.89允许极限轴向拉力F2 N 极限扭矩T N.m3254.57
QT400-15抗拉强度σs N/mm2400 300许用剪切应力【σs】N/mm2240 188147.1允许极限轴向拉力F2 N325720.3
QT400-15抗拉强度σs N/mm21080 1116许用剪切应力【σs】N/mm2648 699907.4允许极限轴向拉力F2 N879444.9。
常用高强度螺栓预紧力和拧紧扭矩(参考)预紧力Fv(kN)及扭紧力矩MA(N·m)计算方式决定施工高强度螺栓扭矩:Ma=1.1 k Pv d式中: k---扭矩系数,此数据由高强度螺栓制造商提供或在安装前实验得到。
通常k=0.11-0.15,详细数据见供货商的质量报告。
Pv---高强度螺栓预拉力, [kN];d---高强度螺栓直径,mm。
如何确定机螺丝的紧固力矩关于如何紧固螺栓和螺母的文章已经有很多,但如何恰当地紧固机螺丝(Machine Screws)的文章较少。
与如何确保螺栓和螺母的安全连接一样,在紧固机螺丝时,恰当地选择合适的拧紧力矩十分重要。
恰当的、安全的连接直接关系到装配后产品的质量好坏。
因此在紧固机螺丝时,我们应该计算一下合理的拧紧力矩。
紧固机螺丝的这些力矩与紧固螺栓、螺母的力矩相比起来要小得多。
1、机螺丝拧紧力矩的计算常用的计算螺纹紧固件拧紧力矩的公式为:T=D×K×P其中:T:力矩(牛顿?米/英寸?磅1Nm=9 in.1b)D:螺纹的外径(1mm=0.03937 in)K:螺母的摩擦系数(光杆螺栓 K=0.20 镀锌螺栓 K=0.22 上蜡或带润滑螺栓 K=0.10)P:夹紧力(一般是屈服点抗拉强度值的75%)1.1米制机螺丝米制机螺丝(Metric Machine Screws)有不同的强度等级,每个等级都有相应合适的拧紧力矩。
在ISO国际标准中来制机螺丝(Metric Machine Screws)有两个主要的强度等级:4.8级(类似SAE 60M)和8.8级(类似SAE 120M)。
强度等级4.8表示最小的抗拉强度是480MPa,这约等于每英寸70,000磅(即70,000 Psi)。
强度等级8.8表示最小的抗拉强度是880MPa,约等于每英寸127,000磅(127,000Psi)。
米制电镀锌机螺丝拧紧力矩见表1。
1.2 英制机螺丝对于英制机螺丝(Inch Machine Screws)也有不同的强度等级,每个等级都有相应合适的拧紧力矩。
螺栓拧紧力矩标准M6~M24螺钉或螺母的拧紧力矩(操作者参考)未注明拧紧力矩要求时,参考下表(普通螺栓拧紧力矩)未注明拧紧力矩要求时,参考下表(普通螺栓拧紧力矩)公制螺栓扭紧力矩Q/STB 12.521.5-2000X围:本标准适用于机械性能10.9级,规格从M6-M39的螺栓的扭紧力矩,对于使用尼龙垫圈、密封垫圈、其它非金属垫圈的螺栓,本标准不适用。
★对于设计图纸有明确力矩要求的,应按图纸要求执行。
套管螺母紧固力矩Q/STB B07833-1998材料HPb63-3Y2直通式压注油杯Q/STB B07020-1998(螺纹M6、M8*1、M10*1)紧固力矩:0.3-0.5Kg.m。
安全阀Q/STB B07029-1998(螺纹R1/8)紧固力矩:2.9-4.9Nm。
通气塞Q/STB B07030-1998 (螺纹R1/4)紧固力矩:2.94-5.88Nm。
螺塞Q/STB B07040-1998(公称直径08-10螺距1.25,12-36螺距1.5)螺栓(排气)Q/STB B07060-1998(M12*1.5)紧固力矩:58.8-78.4N.m。
软管(锥形密封)Q/STB B07100-1998软管(锥形密封)Q/STB B07123-1998(接头部螺母拧紧力矩)螺母(球头式管接头用)Q/STB B07201-1998 拧紧力矩:N.m 材料:(Q235)管接头螺母Q/STB B07202-1998拧紧力矩(Q235 / HPb 59-1)铰接螺栓Q/STB B07206-1998拧紧力矩(Q235)球头式端直通接头Q/STB B07211-1998 拧紧力矩(Q235 HPb 60-1 )表中拧紧力矩适用于钢制接头管接头Q/STB B07212-1998紧固力矩(区分代号为5、7的件材料Q235)套管螺母Q/STB B07221-1998拧紧力矩(材料Q235)管接头Q/STB B07230-1998拧入紧固力矩(Q235)弯头(带座)Q/STB B07235-1998 、B07236-1998 拧紧力矩喉箍Q/STB B07281-1998拧紧力矩U形管夹及座Q/STB B07283-1998 螺母的紧固力矩(区分代号2、3使用)管夹Q/STB B07289-1998(有效紧固直径φ25-φ232) 紧固力矩:8.8±05Nm套管接头Q/STB B07290-1998套管螺母Q/STB B07833-1998软管(空调器用)Q/STB B09488-1998。
螺栓紧固力矩表对照表拧紧螺栓紧固是机械连接中常见的操作,通过拧紧螺栓来连接不同部件。
而螺栓的拧紧力矩则是确保螺纹连接稳固的重要参数之一。
在实际操作中,根据螺纹规格和使用环境的不同,对螺栓的紧固力矩有着明确的要求。
下面将介绍螺栓紧固力矩表对照表,以帮助正确拧紧螺栓,确保机械连接的牢固性。
螺栓紧固力矩表对照表以下是常见螺纹规格对应的螺栓紧固力矩表对照表,供参考:螺纹规格直径(mm)紧固力矩(N·m)M4 4 2.5M5 5 5.0M6 6 9.0M8 8 25.0M10 10 50.0M12 12 90.0在使用这个表格时,首先需要确认所使用的螺栓的螺纹规格和直径,然后根据表格中的数值来确定所需的紧固力矩。
在拧紧螺栓时,应当使用扭矩扳手按照规定的力矩值进行操作,避免过紧或者过松,以免影响机械连接的安全性和稳固性。
拧紧螺栓的注意事项在进行螺栓紧固时,除了根据力矩表进行操作外,还需注意以下几点:1.确保螺栓和螺母的搭配正确,不要混淆不同规格的螺纹。
2.在拧紧螺栓之前,应当先清理并涂抹适量的润滑剂,以减少摩擦力,确保拧紧效果。
3.在拧紧过程中,按照交叉顺序逐步增加力矩,以确保螺栓均匀受力,避免出现偏斜或者变形。
4.在紧固完毕后,应当再次检查螺栓是否牢固,确保安全连接。
通过正确使用螺栓紧固力矩表对照表,结合正确的操作方法,可以确保螺栓的紧固效果,提高机械设备的安全性和稳定性,延长使用寿命。
在日常的机械维护保养中,务必重视螺栓的拧紧工作,做好相关记录并定期检查,以确保设备的正常运行和安全使用。
以上就是关于螺栓紧固力矩表对照表的相关内容,希望对您有所帮助。
```。
螺栓拧紧力矩标准M6~M24螺钉或螺母的拧紧力矩(操作者参考)未注明拧紧力矩要求时,参考下表(普通螺栓拧紧力矩)未注明拧紧力矩要求时,参考下表(普通螺栓拧紧力矩)公制螺栓扭紧力矩Q/STB 12.521.5-2000范围:本标准适用于机械性能10.9级,规格从M6-M39的螺栓的扭紧力矩,对于使用尼龙垫圈、密封垫圈、其它非金属垫圈的螺栓,本标准不适用。
★对于设计图纸有明确力矩要求的,应按图纸要求执行。
套管螺母紧固力矩Q/STB B07833-1998材料HPb63-3Y2直通式压注油杯Q/STB B07020-1998(螺纹M6、M8*1、M10*1)紧固力矩:0.3-0.5Kg.m。
安全阀Q/STB B07029-1998(螺纹R1/8)紧固力矩:2.9-4.9Nm。
通气塞Q/STB B07030-1998 (螺纹R1/4)紧固力矩:2.94-5.88Nm。
螺塞Q/STB B07040-1998(公称直径08-10螺距1.25,12-36螺距1.5)螺栓(排气)Q/STB B07060-1998(M12*1.5)紧固力矩:58.8-78.4N.m。
软管(锥形密封)Q/STB B07100-1998软管(锥形密封)Q/STB B07123-1998(接头部螺母拧紧力矩)螺母(球头式管接头用)Q/STB B07201-1998 拧紧力矩:N.m 材料:(Q235)管接头螺母Q/STB B07202-1998拧紧力矩(Q235 / HPb 59-1)铰接螺栓 Q/STB B07206-1998 拧紧力矩(Q235)球头式端直通接头 Q/STB B07211-1998 拧紧力矩 (Q235 HPb 60-1)表中拧紧力矩适用于钢制接头管接头 Q/STB B07212-1998紧固力矩(区分代号为5、7的件 材料Q235)套管螺母Q/STB B07221-1998 拧紧力矩(材料Q235)管接头Q/STB B07230-1998 拧入紧固力矩(Q235)弯头(带座)Q/STB B07235-1998 、B07236-1998 拧紧力矩喉箍Q/STB B07281-1998拧紧力矩U形管夹及座Q/STB B07283-1998螺母的紧固力矩(区分代号 2、3使用)管夹 Q/STB B07289-1998(有效紧固直径φ25-φ232) 紧固力矩:8.8±05Nm套管接头 Q/STB B07290-1998套管螺母 Q/STB B07833-1998软管(空调器用)Q/STB B09488-1998。
螺栓拧紧力矩标准M6~M24螺钉或螺母的拧紧力矩(操作者参考)未注明拧紧力矩要求时,参考下表(普通螺栓拧紧力矩)未注明拧紧力矩要求时,参考下表(普通螺栓拧紧力矩)公制螺栓扭紧力矩Q/STB 12.521.5-2000围:本标准适用于机械性能10.9级,规格从M6-M39的螺栓的扭紧力矩,对于使用尼龙垫圈、密封垫圈、其它非金属垫圈的螺栓,本标准不适用。
★对于设计图纸有明确力矩要求的,应按图纸要求执行。
套管螺母紧固力矩Q/STB B07833-1998材料HPb63-3Y2直通式压注油杯Q/STB B07020-1998(螺纹M6、M8*1、M10*1)紧固力矩:0.3-0.5Kg.m。
安全阀Q/STB B07029-1998(螺纹R1/8)紧固力矩:2.9-4.9Nm。
通气塞Q/STB B07030-1998 (螺纹R1/4)紧固力矩:2.94-5.88Nm。
螺塞Q/STB B07040-1998(公称直径08-10螺距1.25,12-36螺距1.5)螺栓(排气)Q/STB B07060-1998(M12*1.5)紧固力矩:58.8-78.4N.m。
软管(锥形密封)Q/STB B07100-1998软管(锥形密封)Q/STB B07123-1998 (接头部螺母拧紧力矩)螺母(球头式管接头用)Q/STB B07201-1998 拧紧力矩:N.m 材料:(Q235)管接头螺母Q/STB B07202-1998拧紧力矩(Q235 / HPb 59-1)铰接螺栓Q/STB B07206-1998拧紧力矩(Q235)球头式端直通接头Q/STB B07211-1998 拧紧力矩(Q235 HPb 60-1 )表中拧紧力矩适用于钢制接头管接头Q/STB B07212-1998紧固力矩(区分代号为5、7的件材料Q235)套管螺母Q/STB B07221-1998拧紧力矩(材料Q235)管接头Q/STB B07230-1998拧入紧固力矩(Q235)弯头(带座)Q/STB B07235-1998 、B07236-1998 拧紧力矩喉箍Q/STB B07281-1998拧紧力矩U 形管夹及座 Q/STB B07283-1998 螺母的紧固力矩(区分代号 2、3使用)管夹 Q/STBB07289-1998(有效紧固直径φ25-φ232) 紧固力矩:8.8±05Nm套管接头 Q/STB B07290-1998套管螺母Q/STB B07833-1998软管(空调器用)Q/STB B09488-1998。