螺栓拧紧力矩标准
- 格式:doc
- 大小:97.00 KB
- 文档页数:8
可编辑修改精选全文完整版螺纹紧固件紧固扭矩规范文件编号:ZYGY‐003 版本号:Rev . 2 页数 1 / 3 一、适用范围本规定适用于公司内部电机类零件螺纹直径 3~30mm 紧固件的紧固扭矩。
无特殊要求,拧紧前螺纹啮合部位需按要求涂螺纹锁固胶,按对称交叉顺序或近似于对称交叉顺序先预紧后拧紧,拧紧后在螺钉(或螺母)与工件接触面画线标识。
本规定适用于符合以下条件,以控制扭矩方式进行的紧固。
1) 外螺纹的机械性能符合GB/T3098.1规定的4.8、5.8 、8.8、10.9、12.9级;2) 内螺纹机械性能符合 GB/T3098.2 或 GB/T3098.1 且具有充分发挥螺纹联接副承载能力的精度;3) 螺纹符合GB/T 196,螺纹精度不低于GB/T 197 规定的6级;4) 内、外螺纹件的六角对边尺寸符合GB/T 3104规定的标准系列;5) 外螺纹在紧固中承受轴向拉伸载荷。
6) 特别注意:若螺钉联接件为铜制或铝制件,按5.8级拧紧力矩要求拧紧固定。
螺纹等级为8.8—12.9级,暂统一按8.8级拧紧力矩要求拧紧固定。
本规定不适用于外螺纹见在紧固中承受压缩里的紧定螺钉、由外螺纹件攻出螺纹的自攻螺钉及大螺钉、以及有效力矩型螺纹紧固件的紧固;本标准不适用于加润滑剂装配的螺栓、螺钉、螺柱和螺母的紧固件,以及紧定螺钉和类似的不规定抗拉强度的螺纹紧固件。
当表面状态不同、支撑面尺寸及形态与标准条件差异较大,以致预紧力不能满足要求以及对预紧力有特别要求时,应对紧固力矩进行调整。
二、规范性引用文件本规范主要以《QC/T 518-2007 汽车螺纹紧固件紧固扭矩》为参考,在第一版基础上结合公司实际情况而制定。
其它还参考的资料有:1) 《QC/T 518-1999 汽车螺纹紧固件紧固扭矩》2) 《机械加工工艺员设计手册》——普通螺栓拧紧力矩(陈宏钧主编)3) 《机械装配技术》(徐兵编著)4) 东风日产——螺栓拧紧力矩标准螺纹紧固件紧固扭矩规范文件编号:ZYGY‐003 版本号:Rev . 2 页数 2 / 3 三、常用未注螺钉、螺母紧固扭矩值以下表格规定公司常用的未注螺钉、螺母紧固扭矩标准值。
螺栓拧紧力矩标准M6~M24螺钉或螺母的拧紧力矩〔操作者参考〕未注明拧紧力矩要求时,参考下表(普通螺栓拧紧力矩)未注明拧紧力矩要求时,参考下表(普通螺栓拧紧力矩)公制螺栓扭紧力矩Q/STB 12.521.5-2000围:本标准适用于机械性能10.9级,规格从M6-M39的螺栓的扭紧力矩,对于使用尼龙垫圈、密封垫圈、其它非金属垫圈的螺栓,本标准不适用。
★对于设计图纸有明确力矩要求的,应按图纸要求执行。
套管螺母紧固力矩Q/STB B07833-1998材料HPb63-3Y2直通式压注油杯Q/STB B07020-1998〔螺纹M6、M8*1、M10*1〕紧固力矩:0.3-0.5Kg.m。
平安阀Q/STB B07029-1998〔螺纹R1/8〕紧固力矩:2.9-4.9Nm。
通气塞Q/STB B07030-1998 〔螺纹R1/4〕紧固力矩:2.94-5.88Nm。
螺塞Q/STB B07040-1998〔公称直径08-10螺距1.25,12-36螺距1.5〕螺栓〔排气〕Q/STB B07060-1998〔M12*1.5〕紧固力矩:58.8-78.4N.m。
软管〔锥形密封〕Q/STB B07100-1998软管〔锥形密封〕Q/STB B07123-1998〔接头部螺母拧紧力矩〕螺母〔球头式管接头用〕Q/STB B07201-1998 拧紧力矩:N.m 材料:〔Q235〕管接头螺母Q/STB B07202-1998拧紧力矩〔Q235 / HPb 59-1〕铰接螺栓Q/STB B07206-1998拧紧力矩〔Q235〕球头式端直通接头Q/STB B07211-1998 拧紧力矩〔Q235 HPb 60-1 〕表中拧紧力矩适用于钢制接头管接头Q/STB B07212-1998紧固力矩〔区分代号为5、7的件材料Q235〕套管螺母Q/STB B07221-1998拧紧力矩〔材料Q235〕管接头Q/STB B07230-1998拧入紧固力矩〔Q235〕弯头〔带座〕Q/STB B07235-1998 、B07236-1998 拧紧力矩喉箍Q/STB B07281-1998拧紧力矩U形管夹及座Q/STB B07283-1998螺母的紧固力矩〔区分代号2、3使用〕管夹Q/STB B07289-1998(有效紧固直径φ25-φ232) 紧固力矩:8.8±05Nm套管接头Q/STB B07290-1998套管螺母Q/STB B07833-1998软管〔空调器用〕Q/STB B09488-1998。
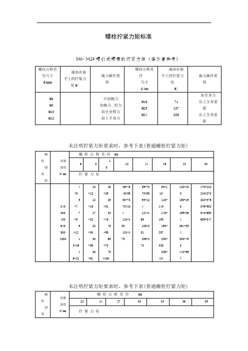
各种螺栓扭矩标准以下是M6~M24螺钉或螺母的拧紧力矩(操作者参考):螺纹公称直径为M6至M12的尺寸,施加在扳手上的寸拧紧力矩分别为3.5、8.3、16.4和28.5M/螺纹公称直径为M16至M24的尺寸,施加在扳手上的拧紧力矩分别为71、137和235M/N.m。
施力操作要领为加全身力、压上全身重量、压上全身重量。
螺栓的强度级分别为4.6、5.6、6.8、8.8、10.9和12.9.对于不同强度级的螺栓,其公称直径和屈服强度也不同。
例如,4.6级螺栓的公称直径为M6至M24,屈服强度为240N/mm2.而12.9级螺栓的公称直径为M6至M36,屈服强度为1080N/mm2.在拧紧螺栓时,需要根据螺栓的公称直径和强度级来确定拧紧力矩的大小。
例如,螺栓公称直径为8mm的4.6级螺栓,拧紧力矩为22N/m。
而公称直径为36mm的12.9级螺栓,则需要拧紧力矩为1098~1464N/m。
总之,拧紧螺钉或螺母时,需要根据螺纹公称直径、螺栓强度级和屈服强度来确定施加的拧紧力矩大小,以确保螺栓的紧固效果。
在机械制造和建筑领域中,螺栓是一种常见的紧固件。
为确保螺栓的紧固效果,需要根据螺栓公称直径和拧紧力矩来选择合适的螺栓。
下表列出了常见螺栓公称直径和对应的拧紧力矩:螺栓公称直径(mm) | 拧紧力矩(N.m) |M6.| 10.|M8.| 24.|M10.| 49.|M12.| 86.|M14.| 140.|M16.| 215.|M18.| 309.|M20.| 424.|M22.| 570.|M24.| 737.|M27.| 1070.|M30.| 1430.|M33.| 1820.|M36.| 2250.|M39.| 2720.|M42.| 3240.|M48.| 4620.|M52.| 5520.|M56.| 6560.|M56X4.| 6760.| M64.| 9360.|M64X4.| 9560.| M72.| .|M76X4.| .|M80.| .|M90.| .|M100.| .|此外,不同国家和地区对螺栓的标准也有所不同。
螺栓拧紧力矩标准M6~M24螺钉或螺母的拧紧力矩(操作者参考)未注明拧紧力矩要求时,参考下表(普通螺栓拧紧力矩)未注明拧紧力矩要求时,参考下表(普通螺栓拧紧力矩)公制螺栓扭紧力矩 Q/STB 范围:本标准适用于机械性能级,规格从M6-M39的螺栓的扭紧力矩,对于使用尼龙垫圈、密封垫圈、其它非金属垫圈的螺栓,本标准不适用。
★对于设计图纸有明确力矩要求的,应按图纸要求执行。
套管螺母紧固力矩 Q/STB B07833-1998材料 HPb63-3Y2直通式压注油杯 Q/STB B07020-1998(螺纹M6、M8*1、M10*1)紧固力矩:-0.5Kg。
安全阀 Q/STB B07029-1998(螺纹R1/8)紧固力矩:。
通气塞 Q/STB B07030-1998 (螺纹R1/4)紧固力矩:。
螺塞 Q/STB B07040-1998(公称直径08-10螺距,12-36螺距)螺栓(排气) Q/STB B07060-1998(M12*)紧固力矩:。
软管(锥形密封)Q/STB B07100-1998软管(锥形密封) Q/STB B07123-1998(接头部螺母拧紧力矩)螺母(球头式管接头用) Q/STB B07201-1998 拧紧力矩:材料:(Q235)管接头螺母 Q/STB B07202-1998拧紧力矩(Q235 / HPb 59-1)铰接螺栓 Q/STB B07206-1998拧紧力矩(Q235)球头式端直通接头 Q/STB B07211-1998拧紧力矩(Q235 HPb 60-1 )表中拧紧力矩适用于钢制接头管接头 Q/STB B07212-1998紧固力矩(区分代号为5、7的件材料Q235)套管螺母 Q/STB B07221-1998拧紧力矩(材料Q235)管接头 Q/STB B07230-1998拧入紧固力矩(Q235)弯头(带座) Q/STB B07235-1998 、 B07236-1998拧紧力矩喉箍 Q/STB B07281-1998拧紧力矩U 形管夹及座 Q/STB B07283-1998 螺母的紧固力矩(区分代号 2、3使用)管夹 Q/STB B07289-1998(有效紧固直径φ25-φ232) 紧固力矩:±05Nm套管接头 Q/STB B07290-1998套管螺母 Q/STB B07833-1998软管(空调器用) Q/STB B09488-1998。
螺栓拧紧力矩的执行标准因不同的螺栓规格和材料而异。
螺栓拧紧力矩的执行标准一般包括:
1.螺栓规格:不同规格的螺栓有不同的拧紧力矩范围。
例如,M6-M39
的螺栓的扭紧力矩范围在Q/STB 12.521.5-2000标准中进行了规定。
2.材料强度:对于不同强度等级的材料,拧紧力矩的范围也会有所
不同。
例如,4.8级、8.8级、9.8级、10.9级、12.9级螺丝的扭力标准不同,其中4.8级螺丝的扭力标准为30N·m,而8.8级、9.8级、10.9级和12.9级螺丝的扭力标准分别为40N·m、48N·m、56N·m和65N·m。
拧螺丝时需要注意以下几点:
1.在装配过程中,不得碰伤螺栓的螺纹部分,以免影响拧紧力矩的
准确性。
2.螺栓的头部及螺母端面的垫片应与被紧固的零件平面均匀接触,
不应倾斜,也不允许用锤敲击使两平面接触,螺杆应无弯曲变形。
3.被连接件应均匀受压,相互紧密贴合,连接牢固。
4.螺栓、螺母紧固时严禁使用不合适的扳手。
5.螺栓、螺母装配时应用手拧入大于2-3个螺距,然后再用扳手或
电动工具拧紧。
6.螺栓、螺母装配时注意保护被连接件的漆膜、镀层及螺栓、螺母
头部不能损坏。
7.螺母拧紧后,螺栓头部应露出螺母端面2-3个螺距,螺母和垫圈
均以反面面向被连接体。
8.螺栓紧固后应做油漆标记,标记位一般用红色油漆点在螺栓与螺
母的接触处,颜色可根据使用场所不同而更改,但颜色必须明显区分。
螺栓拧紧力矩标准及计算详解
螺栓拧紧力矩是选定螺栓类型、式样的重要依据。
对于标准的螺栓,有固定的螺栓拧紧力矩范围的,可以根据此范围来选定螺栓。
一般来说,螺钉的抗拉、抗剪强度是一定的,实际使用时应根据具体连接应力推算拧紧力,然后选择合适规格的螺钉螺栓。
螺栓拧紧力矩计算
T=KFd
T:拧紧螺母的力矩
K:扭矩系数(近似取0.2)
F:预紧力
d:螺栓大径
备注:一般联接用钢制螺栓联接推荐按下列关系确定
碳素钢:F<=(0.6~0.7) Os A1
合金钢:F<=(0.5~0.6) Os A1
Os:螺栓材料的屈服极限
A1:螺栓危险剖面面积。
螺栓拧紧力矩标准
未注明拧紧力矩要求时,参考下表(普通螺栓拧紧力矩)
公制螺栓扭紧力矩 Q/STB 12.521.5-2000
范围:本标准适用于机械性能10.9级,规格从M6-M39的螺栓的扭紧力矩,对于使用尼龙垫圈、密封垫圈、其它非金属垫圈的螺栓,本标准不适用。
直通式压注油杯 Q/STB B07020-1998(螺纹M6、M8*1、M10*1)紧固力矩:0.3-0.5Kg.m。
安全阀 Q/STB B07029-1998(螺纹R1/8)紧固力矩:2.9-4.9Nm。
通气塞 Q/STB B07030-1998 (螺纹R1/4)紧固力矩:2.94-5.88Nm。
螺塞 Q/STB B07040-1998
螺栓(排气) Q/STB B07060-1998(M12*1.5)紧固力矩:58.8-78.4N.m。
软管(锥形密封) Q/STB B07123-1998
螺母(球头式管接头用) Q/STB B07201-1998
球头式端直通接头 Q/STB B07211-1998拧紧力矩(Q235 HPb 60-1 )
U形管夹及座 Q/STB B07283-1998
螺母的紧固力矩(区分代号 2、3使用)
管夹Q/STB B07289-1998(有效紧固直径φ25-φ232)紧固力矩:8.8±05Nm
温馨提示:最好仔细阅读后才下载使用,万分感谢!。
螺栓拧紧力矩标准■全螺栓拧紧力矩标准未注明拧紧力矩要求时,参考下表(普通螺栓拧紧力矩)公制螺栓扭紧力矩Q/STB 12.521.5-2000范围:本标准适用于机械性能10.9级,规格从M6-M39的螺栓的扭紧力矩,对于使用尼龙垫圈、密封垫圈、其它非金属垫圈的螺栓,本标准不适用。
★对于设计图纸有明确力矩要求的,应按图纸要求执行套管螺母紧固力矩Q/STB B07833-1998材料HPb63-3Y2直通式压注油杯Q/STB B07020-199&螺纹M6、M8*1、M10*1)紧固力矩:0.3-0.5Kg.m安全阀Q/STB B07029-1998(螺纹R1/8)紧固力矩:2.9-4.9Nmo通气塞Q/STB B07030-1998 (螺纹R1/4)紧固力矩:2.94-5.88Nm。
螺塞Q/STB B07040-1998(公称直径08-10螺距 1.25, 12-36螺距 1.5)螺栓(排气) Q/STB B07060-1998( M12*1.5)紧固力矩:58.8-78.4N.m软管(锥形密封)Q/STB B07100-1998软管(锥形密封)Q/STB B07123-1998(接头部螺母拧紧力矩)螺母(球头式管接头用)Q/STB B07201-1998 拧紧力矩:N.m 材料:(Q235)管接头螺母Q/STB B07202-1998拧紧力矩(Q235 / HPb 59-1 )铰接螺栓Q/STB B07206-1998拧紧力矩(Q235)球头式端直通接头Q/STB B07211-1998拧紧力矩(Q235 HPb 60-1 )表中拧紧力矩适用于钢制接头管接头Q/STB B07212-1998紧固力矩(区分代号为5、7的件材料Q235)套管螺母Q/STB B07221-1998拧紧力矩(材料Q235)管接头Q/STB B07230-1998拧入紧固力矩(Q235)弯头(带座)Q/STB B07235-1998、B07236-1998 拧紧力矩喉箍Q/STB B07281-1998拧紧力矩U 形管夹及座Q/STB B07283-1998螺母的紧固力矩(区分代号2、3使用)管夹Q/STB B07289-1998有效紧固直径© 25-牡32) 紧固力矩:8.8± 05Nm套管接头Q/STB B07290-1998套管螺母Q/STB B07833-1998软管(空调器用)Q/STB B09488-1998。
螺栓拧紧力矩标准M6~M24螺钉或螺母的拧紧力矩(操作者参考)未注明拧紧力矩要求时,参考下表普通螺栓拧紧力矩未注明拧紧力矩要求时,参考下表(普通螺栓拧紧力矩)公制螺栓扭紧力矩Q/STB范围:本标准适用于机械性能级,规格从M6-M39的螺栓的扭紧力矩,对于使用尼龙垫圈、密封垫圈、其它非金属垫圈的螺栓,本标准不适用。
★对于设计图纸有明确力矩要求的,应按图纸要求执行套管螺母紧固力矩Q/STB B07833-1998材料HPb63-3Y2直通式压注油杯Q/STB B07020-1998 (螺纹M6 M8*1、M10*1)紧固力矩:-0.5Kg。
安全阀Q/STB B07029-1998 (螺纹R1/8)紧固力矩:通气塞Q/STB B07030-1998 (螺纹R1/4)紧固力矩:。
螺塞Q/STB B07040-1998 (公称直径08-10螺距,12-36螺距)螺栓(排气)Q/STB B07060-1998 (M12*)紧固力矩:。
软管(锥形密封)Q/STB B07100-1998软管(锥形密封)Q/STB B07123-1998(接头部螺母拧紧力矩)螺母(球头式管接头用)Q/STB B07201-1998拧紧力矩:材料:(Q235管接头螺母Q/STB B07202-1998拧紧力矩(Q235 / HPb 59-1 )铰接螺栓Q/STB B07206-1998拧紧力矩(Q235球头式端直通接头Q/STB B07211-1998拧紧力矩(Q235 HPb 60-1 )表中拧紧力矩适用于钢制接头管接头Q/STB B07212-1998紧固力矩(区分代号为5、7的件材料Q235套管螺母Q/STB B07221-1998管接头Q/STB B07230-1998拧入紧固力矩(Q235弯头(带座)Q/STB B07235-1998 、B07236-1998拧紧力矩喉箍Q/STB B07281-1998拧紧力矩螺母的紧固力矩(区分代号2、3使用)管夹Q/STB B07289-1998(有效紧固直径© 25- © 232)紧固力矩:土 05Nm套管接头 Q/STB B07290-1998套管螺母 Q/STB B07833-1998软管(空调器用) Q/STB B09488-1998。
螺栓拧紧力矩标准-全(总7页)-CAL-FENGHAI.-(YICAI)-Company One1-CAL-本页仅作为文档封面,使用请直接删除螺栓拧紧力矩标准未注明拧紧力矩要求时,参考下表(普通螺栓拧紧力矩)扭紧力矩,对于使用尼龙垫圈、密封垫圈、其它非金属垫圈★对于设计图纸有明确力矩要求的,应按图纸要求执行。
套管螺母紧固力矩 Q/STB B07833-1998材料 HPb63-3Y2直通式压注油杯 Q/STB B07020-1998(螺纹M6、M8*1、M10*1)紧固力矩:0.3-0.5Kg.m。
安全阀 Q/STB B07029-1998(螺纹R1/8)紧固力矩:2.9-4.9Nm。
通气塞 Q/STB B07030-1998 (螺纹R1/4)紧固力矩:2.94-5.88Nm。
螺塞 Q/STB B07040-1998(公称直径08-10螺距1.25,12-36螺距1.5)螺栓(排气) Q/STB B07060-1998(M12*1.5)软管(锥形密封)Q/STB B07100-1998软管(锥形密封) Q/STB B07123-1998(接头部螺母拧紧力矩)螺母(球头式管接头用) Q/STB B07201-1998 拧紧力矩:N.m 材料:(Q235)管接头螺母 Q/STB B07202-1998拧紧力矩(Q235 / HPb 59-1)铰接螺栓 Q/STB B07206-1998拧紧力矩(Q235)球头式端直通接头 Q/STB B07211-1998拧紧力矩(Q235 HPb 60-1 )表中拧紧力矩适用于钢制接头管接头 Q/STB B07212-1998紧固力矩(区分代号为5、7的件材料Q235)套管螺母 Q/STB B07221-1998拧紧力矩(材料Q235)管接头 Q/STB B07230-1998拧入紧固力矩(Q235)弯头(带座) Q/STB B07235-1998 、 B07236-1998拧紧力矩喉箍 Q/STB B07281-1998拧紧力矩U形管夹及座 Q/STB B07283-1998螺母的紧固力矩(区分代号 2、3使用)管夹 Q/STB B07289-1998(有效紧固直径φ25-φ232)紧固力矩:8.8±05Nm套管接头 Q/STB B07290-1998套管螺母 Q/STB B07833-1998软管(空调器用) Q/STB B09488-1998。
螺栓拧紧力矩标准M6~M24螺钉或螺母的拧紧力矩(操作者参考)未注明拧紧力矩要求时,参考下表(普通螺栓拧紧力矩)未注明拧紧力矩要求时,参考下表(普通螺栓拧紧力矩)公制螺栓扭紧力矩 Q/STB 范围:本标准适用于机械性能级,规格从M6-M39的螺栓的扭紧力矩,对于使用尼龙垫圈、密封垫圈、其它非金属垫圈的螺栓,本标准不适用。
★对于设计图纸有明确力矩要求的,应按图纸要求执行。
套管螺母紧固力矩 Q/STB B07833-1998材料 HPb63-3Y2直通式压注油杯 Q/STB B07020-1998(螺纹M6、M8*1、M10*1)紧固力矩:-0.5Kg。
安全阀 Q/STB B07029-1998(螺纹R1/8)紧固力矩:。
通气塞 Q/STB B07030-1998 (螺纹R1/4)紧固力矩:。
螺塞 Q/STB B07040-1998(公称直径08-10螺距,12-36螺距)螺栓(排气) Q/STB B07060-1998(M12*)紧固力矩:。
软管(锥形密封)Q/STB B07100-1998软管(锥形密封) Q/STB B07123-1998(接头部螺母拧紧力矩)螺母(球头式管接头用) Q/STB B07201-1998 拧紧力矩:材料:(Q235)管接头螺母 Q/STB B07202-1998拧紧力矩(Q235 / HPb 59-1)铰接螺栓 Q/STB B07206-1998拧紧力矩(Q235)球头式端直通接头 Q/STB B07211-1998拧紧力矩(Q235 HPb 60-1 )表中拧紧力矩适用于钢制接头管接头 Q/STB B07212-1998紧固力矩(区分代号为5、7的件材料Q235)套管螺母 Q/STB B07221-1998拧紧力矩(材料Q235)管接头 Q/STB B07230-1998拧入紧固力矩(Q235)弯头(带座) Q/STB B07235-1998 、 B07236-1998拧紧力矩喉箍 Q/STB B07281-1998 拧紧力矩U 形管夹及座 Q/STB B07283-1998 螺母的紧固力矩(区分代号2、3使用)管夹 Q/STB B07289-1998(有效紧固直径φ25-φ232) 紧固力矩:±05Nm套管接头 Q/STB B07290-1998套管螺母 Q/STB B07833-1998软管(空调器用) Q/STB B09488-1998。
M6~M24螺钉或螺母的拧紧力矩(操作者参考)
未注明拧紧力矩要求时,参考下表(普通螺栓拧紧力矩)
未注明拧紧力矩要求时,参考下表(普通螺栓拧紧力矩)
公制螺栓扭紧力矩Q/STB 12.521.5-2000
范围:本标准适用于机械性能10.9级,规格从M6-M39的螺栓的扭紧力矩,对于使用尼龙垫圈、密封垫圈、其它非金属垫圈的螺栓,本标准不适用。
★对于设计图纸有明确力矩要求的,应按图纸要求执行。
套管螺母紧固力矩Q/STB B07833-1998
材料HPb63-3Y2
直通式压注油杯Q/STB B07020-1998(螺纹M6、M8*1、M10*1)紧固力矩:0.3-0.5Kg.m。
安全阀Q/STB B07029-1998(螺纹R1/8)
紧固力矩:2.9-4.9Nm。
通气塞Q/STB B07030-1998 (螺纹R1/4)
紧固力矩:2.94-5.88Nm。
螺塞Q/STB B07040-1998(公称直径08-10螺距1.25,12-36螺距1.5)
螺栓(排气)Q/STB B07060-1998(M12*1.5)
紧固力矩:58.8-78.4N.m。
软管(锥形密封)Q/STB B07100-1998
软管(锥形密封)Q/STB B07123-1998
(接头部螺母拧紧力矩)
螺母(球头式管接头用)Q/STB B07201-1998 拧紧力矩:N.m 材料:(Q235)
管接头螺母Q/STB B07202-1998
拧紧力矩(Q235 / HPb 59-1)
铰接螺栓Q/STB B07206-1998
拧紧力矩(Q235)
球头式端直通接头Q/STB B07211-1998
拧紧力矩(Q235 HPb 60-1 )
表中拧紧力矩适用于钢制接头
管接头Q/STB B07212-1998
紧固力矩(区分代号为5、7的件材料Q235)
套管螺母Q/STB B07221-1998 拧紧力矩(材料Q235)
管接头Q/STB B07230-1998 拧入紧固力矩(Q235)
弯头(带座) Q/STB B07235-1998 、 B07236-1998 拧紧力矩
喉箍 Q/STB B07281-1998 拧紧力矩
U 形管夹及座
Q/STB B07283-1998 螺母的紧固力矩(区分代号 2、3使用)
管夹 Q/STB B07289-1998(有效紧固直径φ25-φ232) 紧固力矩:8.8±05Nm
套管接头Q/STB B07290-1998
套管螺母Q/STB B07833-1998
软管(空调器用)Q/STB B09488-1998。