钢轨规格表
- 格式:doc
- 大小:25.00 KB
- 文档页数:1
起重机钢轨规格表(总3页)
--本页仅作为文档封面,使用时请直接删除即可--
--内页可以根据需求调整合适字体及大小--
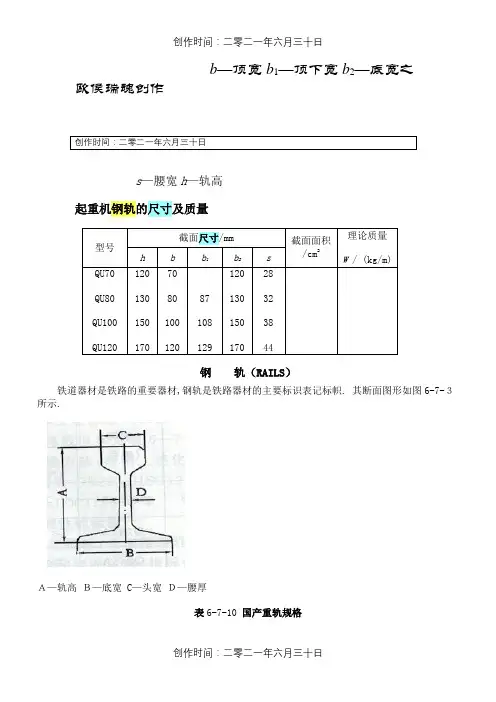
b—顶宽b1—顶下宽b2—底宽s—腰宽h—轨高
起重机钢轨的尺寸及质量
钢轨(RAILS)
铁道器材是铁路的重要器材,钢轨是铁路器材的主要标志。
其断面图形如图6-7-3所示。
A—轨高B—底宽 C—头宽D—腰厚
表6-7-10国产重轨规格
钢轨类型
断面尺寸
mm
横截
面面
积
cm2
理论重量 kg
每
m
重
量
m长的重量m长的重量每
根
钢
轨
螺
栓
孔
部
分
重
量
未扣除
螺栓孔
每端
扣除
三个
螺栓
孔
未扣
除螺
栓孔
每端扣除
三个螺栓
孔
A B C D
5015213270
4314011470
3813411468
3312011060--。
国标钢轨规格型号表国标轻轨重轨起重机轨规格尺寸表:8kg钢轨轨高:65mm 底宽:54mm 头宽:25mm 腰厚:7.0mm 理论重量:8.42kg/m 9kg钢轨轨高:63.5mm 底宽:63.5mm 头宽:32.1mm 腰厚:5.9mm 理论重量:8.94kg/m 12kg钢轨轨高:69.85mm 底宽:69.85mm 头宽:38.1mm 腰厚:7.54mm 理论重量:12.2kg/m15kg钢轨轨高:79.37mm 底宽:79.37mm 头宽:42.86mm 腰厚:8.33mm 理论重量:15.2kg/m18kg钢轨轨高:90mm 底宽:80mm 头宽:40mm 腰厚:10.0mm 理论重量:18.06kg/m 22kg钢轨轨高:93.66mm 底宽:93.66mm 头宽:50.8mm 腰厚:10.72mm 理论重量:22.3kg/m24kg钢轨轨高:107mm 底宽:90mm 头宽:51mm 腰厚:10.9mm 理论重量:24.46kg/m 30kg钢轨轨高:107.95mm 底宽:107.95mm 头宽:60.33mm 腰厚:12.3mm 理论重量:30.1kg/m以上为轻轨38kg钢轨轨高:134mm 底宽:114mm 头宽:68mm 腰厚:13mm 理论重量:38.733kg/m43kg钢轨轨高:140mm 底宽:114mm 头宽:70mm 腰厚:14.5mm 理论重量:44.653kg/m45kg钢轨轨高:145mm 底宽:126mm 头宽:67mm 腰厚:14.5mm 理论重量:45.546kg/m50kg钢轨轨高:152mm 底宽:132mm 头宽:70mm 腰厚:15.5mm 理论重量:51.514kg/m60kg钢轨轨高:176mm 底宽:150mm 头宽:73mm 腰厚:16.5mm 理论重量:60.64kg/m70kg钢轨轨高:120mm 底宽:120mm 头宽:70mm 腰厚:28mm 理论重量:52.8kg/m80kg钢轨轨高:130mm 底宽:130mm 头宽:80mm 腰厚:32mm 理论重量:63.69kg/m 100kg钢轨轨高:150mm 底宽:150mm 头宽:100mm 腰厚:38mm 理论重量:88.96kg/m120kg钢轨轨高:170mm 底宽:170mm 头宽:120mm 腰厚:44mm 理论重量:118.1kg/m。
钢轨1.概述铁道器材是铁路的重要器材,钢轨是铁路器材的主要标志。
其断面图形如图6-7-3所示。
A—轨高B—底宽 C—头宽D—腰厚图6—7—3钢轨截面图(1)分类。
钢轨以每米大致重量的公斤数,可分为重轨与轻轨两种:①重轨。
按所用钢材钢种分为:普通含锰钢轨、含铜普碳钢钢轨、高硅含铜钢钢轨、铜轨、锰轨、硅轨等,详见本节“8”中所提供的标准(1)、(2)。
主要有38、43、50kg 三种。
此外还有用于少数线路上的45kg轨,已计划在运量大和车速高的线路上用的60kg轨。
GB2585—81规定了我国38~50kg/m钢轨的技术条件,其尺寸和代号等如表6—7—10所示。
②轻轨。
品种在“8”的标准(5)中规定。
主要有9、12、15、22、30等不同轨型,其断面尺寸和轨型类别等如6-7-11所示。
技术条件详见“8”中标准(3)。
(2)制造及用途。
钢轨采用平炉、氧气转炉冶炼的碳素镇静钢轧制而成。
其用途是承受机车车辆的运行压力及冲击载荷。
(3)生产厂和进口国。
我国现用的钢轨,主要是国内一些钢厂生产,如鞍钢、武钢等。
此外,由于用量较大,尚需进口一些按我国技术标准要求的理化性能和按国外有关标准方法判定的钢轨及钢轨附件。
进口生产国有日本、德国、法国、英国、俄罗斯、澳大利亚等。
2.尺寸规格钢轨的长度和其他几何尺寸及公差等,由“8”中有关轻重轨相应标准规定。
3.外观质量(1)轧制后的钢轨应笔直,不得有显著弯曲与扭转。
对于轻重轨的局部弯曲和扭转及其矫正变形量,轨端面的倾斜等,不得超出标准规定。
(2)钢轨表面应洁净光滑,不得有裂纹、结疤、划痕等缺陷;其端面不得有缩孔痕迹和夹层等。
对于轻重轨整体表面所允许存在的缺陷及其几何量的程度,均不得超过标准的规定。
4.化学成分与物理性能(1)理化指标:国产钢轨的机械工艺性能和化学成分指标,国产重轨规格国产轻轨规格(2)检验方法:对于规定的钢轨化学成分及力学工艺性能的检验,按照一般钢铁分析实验方法有关标准规定进行。
钢轨理论重量表及尺寸轨道钢尺寸米重(kg/m)备注规格a b c d9kg/m63.563.532.1 5.98.9412kg /m69.8569.8538.17.5412.2轻轨15kg/m79.3779.3742.868.3315.222kg/m93.6693.6650.810.7222.330kg/m107.95107.9560.3312.330.138kg/m134114681338.7343kg/m1401147014.544.65重轨50kg/m1521327015.551.5160kg/m1761507316.560.64QU70120120702852.8QU80130130803263.69吊车轨QU1001501501003888.96QU12017017012044118.1轨道钢尺寸米重(kg/m)备注规格a b c d9kg/m63.563.532.1 5.98.9412kg /m69.8569.8538.17.5412.2轻轨15kg/m79.3779.3742.868.3315.222kg/m93.6693.6650.810.7222.330kg/m107.95107.9560.3312.330.138kg/m134114681338.7343kg/m1401147014.544.65重轨50kg/m1521327015.551.5160kg/m1761507316.560.64QU70120120702852.8QU80130130803263.69吊车轨QU1001501501003888.96QU12017017012044118.1钢轨理论重量钢轨类型尺寸(毫米)截面面积F(厘米2)理论重量(公斤/米) (公斤/米)高A度底B宽头C宽腰D厚5504422 4.5 6.41 5.038655425710.768.4211816632714.3111.2轻轨159********.814.7189080401023.0718.12410792511131.2424.533120110601342.533.338134114681349.538.73重轨4314011470155744.750152132701665.851.51一、钢轨的基本功能及基本要求钢轨是铁路轨道的主要组成部件。
常用钢轨规格表
铁路钢轨知识:
(1)重型钢轨知识:每米公称重量大于30kg的钢轨。
火车钢轨和起重机轨都属
重轨。
火车钢轨:用于铺设铁路,要承受火车营运时的压力、冲击载荷和摩擦,要求有足够的强度和一定的韧性。
质量要求严格,除保证其化学成分外,还要求检验力学性能、落锤试验和酸浸低倍组织等。
生产厂有武钢、鞍钢、包钢和攀钢等。
起重机轨:即吊车轨,其高度较低,头宽及腰厚尺寸较大,只要求检验化学成分和抗拉强度。
用于铺设起重机大于及小车轨道。
生产厂有鞍钢和攀钢。
(2)轻型钢轨知识:是每米公称重量小于或等于30kg的钢轨。
轻轨的质量要求比重轨低,只要求检验其化学成分、抗拉强度、硬度和落锤试验等。
主要用途:轻轨主要用于林区、矿区、工厂及施工现场等处铺设临时运输线路和轻型机车用线路。
铁路钢轨型号:。
(1)轻型钢轨型号,材质:Q235,55Q;规格:30kg/m,24kg/m,22kg/m,18kg/m,15kg/m,12kg/m,8kg/m。
(2)重型钢轨型号,材质:45MN,71MN;规格:50kg/m,43kg/m,38kg/m,33kg/m(2)起重钢轨型号,材质: U71MN;规格:QU70kg /m,Q U80k g/m,QU100 kg /m,QU120 kg /m。
以上钢轨型号为常用钢轨型号。
43kg/m钢轨技术参数项目L3kq/fTl 南轨铜机晦阂±0 8轨头宽度±0 5轨头顶部断面接头央祖安装面料度+ 1.0-0.5接头关板安装回高度+ 0.6就腰厚度*1.0-0.5凯底宽度*10-2.0轨底辿獴厚度凯底凹陷断面斜度《垂直r水平方向)^10新面不对称±1,5长度《环境温度2。
度时,项目数鬓单位摩米重量4-4 653 及。
断面面前57cm2生心正轨底避距商 6.9匚m 对水平轴的惯性矩14 89 0 4 cm 对垂直轴的惯性蛭260下部断面系数217 3cm3上郃断面系数2O8.B底侧断面条数或45.0右45.0鱼属分和轨头42.83%轨廖71.31轨35.86看£至6 . 世1145MP50kg/m钢轨技术参数项目160km/hU4T bO-75kg/rn钢轨高度±0.6机头宽度i0.S机头顶部断面接头头板安装向料度+ 1.。
接头夹板安装面高度+ 06-D.5机腰厚度fl O -0.5轨庶筑度+ 1.0-1.S机底边嫁厚度H-Q.75一弧S机底凹陷新面斜度(垂直、水平方向3<0,8新面不对褥±1.2氏度《环境温度2。
度时)螺栓孔直径±0.8螺栓孑L位胃项目数量单位降米重量51,514*口断面面枳65.8 c rn 2却打距轨底辿距离7.10匚m对水干轴的惯性矩2037.0UE,对垂盲轴的惯性姮B77.0下部断面系数287.2c rn 3上部断面系数251.3底侧断面系数左57. 1右S7.1金属分罪轨头36,68%轨腰23.77轨底37.5S50AT钢轨技术参数项目60/50AT锢轨高度士0 6轨头宽度±03轨腰厚度*工。
轨底宽度±2.0轨底逋獴厚度+ 0.75-0.5轨底凹将断面斜度《垂直,水平方同》<1.0长度(环境据度2 0度时)±10轨底两侧至轨头中心线的庞离±1.0机头中心线与轨膜通面的偏离<0.5端部弯曲《距眼端1E内)向上三05 向下^0.2£忌石0.5轨身弯曲《除两轨端容1E外: 垂直0. 5mm/ 3 m 竖直0.4 mm/1m建扭曲M他反臂1/1项目数崔单位每不重量69 13kq 斯面面就38,29 1crn 2重心距轨底效距离 5.44-7cm 重心照垂直轴捶离0,554对水平轴的惯性能1S2109匚E对垂直轴的惯性矩7^4,73下部断.师希数Z79J0cmB 上部断面系数706,95底侧断面系数左129 62右92.91金属分配轨头3333%轨腰26 33轨/fe 4a日47060kg/m 钢轨技术参数项目60kg/mm160Hm/ht(T 50-75kg/m250km/h35CJsm/h舸轨而度 ±0.6t0.6轨关宽度 ±0.5±0 5轨头顶榭断血 ±0.6Q6-0.3接头典故安装曾科度 -t-1.0-05±0.351.1.0 -0.5 接头夹板安装曾高度 T 06-OS / 6 -0.5 轨量傅度 ^-1.0 . OS-0.5 ±1.0*1,0 -l.S 轨底也想厚度 *0.75 -OS*0.75 -0.5M 凹陷^0.3断面料度 (垂苴、水平方向》 /0 6暖o a断面不对称 士工2*1.2畏度(环聃蠹度2。
铁路钢轨知识:
(1)重型钢轨知识:每米公称重量大于30kg的钢轨.火车钢轨和起重机轨都属
重轨.火车钢轨:用于铺设铁路,要承受火车营运时的压力、冲击载荷和摩擦,要求有足够的强度和一定的韧性.质量要求严格,除包管其化学成额外,还要求检验力学性能、落锤试验和酸浸低倍组织等.生产厂有武钢、鞍钢、包钢和攀钢等.起重机轨:即吊车轨,其高度较低,头宽及腰厚尺寸较大,只要求检验化学成分和抗拉强度.用于铺设起重机大于及小车轨道.生产厂有鞍钢和攀钢.
(2)轻型钢轨知识:是每米公称重量小于或等于30kg的钢轨.轻轨的质量要求比重轨低,只要求检验其化学成分、抗拉强度、硬度和落锤试验等.主要用途:轻轨主要用于林区、矿区、工场及施工现场等处铺设临时运输线路和轻型机车用线路.
铁路钢轨型号:.(1)轻型钢轨型号,材质:Q235,55Q;规格:
30kg/m,24kg/m,22kg/m,18kg/m,15kg/m,12kg/m,8kg/m.(2)重型钢轨型号,材质:45MN,71MN;规格:50kg/m,43kg/m,38kg/m,33kg/m (2)起重钢轨型号,材质: U71MN;规格:QU70 kg /m,QU80 kg /m,QU100 kg /m,QU120 kg /m.以上钢轨型号为经常使用钢轨型号。
钢轨规格型号表规格型号重量(kg/m)高度(mm)底宽(mm)轨头宽度(mm)轨底厚度(mm)轨头厚度(mm)螺栓孔直径(mm)GB2585-8118KG18.06 90 80 40 10 10 22GB2585-8124KG24.46 107 92 51 10 12 22GB2585-8130KG30.1 107 92 51 12 12 22GB2585-8138KG37.2 134 114 68 13 13 28GB2585-8143KG44.65 140 114 70 14.5 14.5 28GB2585-8150KG51.51 152 132 70 15.5 15.5 31GB2585-8160KG60.64 176 150 74.6 16.5 16.5 31GB2585-8175KG74.29 192 150 81 18 18 34TB/T2344-201238KG38.73 134 114 68 13 13 28TB/T2344-201250KG51.66 152 132 70 15 15 31TB/T2344-201260.34 176 150 74.6 16.5 16.5 3160KG74.39 192 150 81 18 18 34TB/T2344-201275KGTB/T85.73 192 150 81 18 18 36 2344-201285KGTB/T43.85 140 114 70 14.5 14.5 28 2344-201243KG规格型号解析•规格型号:钢轨的具体型号和规格标识。
•重量(kg/m):每米长的钢轨的重量。
•高度(mm):钢轨的整体高度。
•底宽(mm):钢轨底部的宽度。
•轨头宽度(mm):钢轨顶部的宽度。
•轨底厚度(mm):钢轨底部的厚度。
•轨头厚度(mm):钢轨顶部的厚度。
•螺栓孔直径(mm):钢轨上螺栓孔的直径。
钢轨规格型号说明1.GB2585-81 18KG:此钢轨规格型号符合国家标准GB2585-81,重量为18.06kg/m,高度为90mm,底宽为80mm,轨头宽度为40mm,轨底厚度为10mm,轨头厚度为10mm,螺栓孔直径为22mm。
国标钢轨规格型号表国标轻轨重轨起重机轨规格尺寸表:8kg钢轨轨高:65mm 底宽:54mm 头宽:25mm 腰厚:7.0mm 理论重量:8.42kg/m9kg钢轨轨高:63.5mm 底宽:63.5mm 头宽:32.1mm 腰厚:5.9mm 理论重量:8.94kg/m12kg钢轨轨高:69.85mm 底宽:69.85mm 头宽:38.1mm 腰厚:7.54mm 理论重量:12.2kg/m15kg钢轨轨高:79.37mm 底宽:79.37mm 头宽:42.86mm 腰厚:8.33mm 理论重量:15.2kg/m18kg钢轨轨高:90mm 底宽:80mm 头宽:40mm 腰厚:10.0mm 理论重量:18.06kg/m22kg钢轨轨高:93.66mm 底宽:93.66mm 头宽:50.8mm 腰厚:10.72mm 理论重量:22.3kg/m24kg钢轨轨高:107mm 底宽:90mm 头宽:51mm 腰厚:10.9mm 理论重量:24.46kg/m30kg钢轨轨高:107.95mm 底宽:107.95mm 头宽:60.33mm 腰厚:12.3mm 理论重量:30.1kg/m以上为轻轨38kg钢轨轨高:134mm 底宽:114mm 头宽:68mm 腰厚:13mm 理论重量:38.733kg/m43kg钢轨轨高:140mm 底宽:114mm 头宽:70mm 腰厚:14.5mm 理论重量:44.653kg/m45kg钢轨轨高:145mm 底宽:126mm 头宽:67mm 腰厚:14.5mm 理论重量:45.546kg/m50kg钢轨轨高:152mm 底宽:132mm 头宽:70mm 腰厚:15.5mm 理论重量:51.514kg/m60kg钢轨轨高:176mm 底宽:150mm 头宽:73mm 腰厚:16.5mm 理论重量:60.64kg/m70kg钢轨轨高:120mm 底宽:120mm 头宽:70mm 腰厚:28mm 理论重量:52.8kg/m80kg钢轨轨高:130mm 底宽:130mm 头宽:80mm 腰厚:32mm 理论重量:63.69kg/m100kg钢轨轨高:150mm 底宽:150mm 头宽:100mm 腰厚:38mm 理论重量:88.96kg/m120kg钢轨轨高:170mm 底宽:170mm 头宽:120mm 腰厚:44mm 理论重量:118.1kg/m。
铁路钢轨知识:
(1)重型钢轨知识:每米公称重量年夜于30kg的钢轨.火车钢轨和起重机轨都属
重轨.火车钢轨:用于铺设铁路,要接受火车营运时的压力、冲击载荷和摩擦,要求有足够的强度和一定的韧性.质量要求严格,除保证其化学成份外,还要求检验力学性能、落锤试验和酸浸低倍组织等.生产厂有武钢、鞍钢、包钢和攀钢等.起重机轨:即吊车轨,其高度较低,头宽及腰厚尺寸较年夜,只要求检验化学成份和抗拉强度.用于铺设起重机年夜于及小车轨道.生产厂有鞍钢和攀钢.
(2)轻型钢轨知识:是每米公称重量小于或即是30kg的钢轨.轻轨的质量要求比重轨低,只要求检验其化学成份、抗拉强度、硬度和落锤试验等.主要用途:轻轨主要用于林区、矿区、工厂及施工现场等处铺设临时运输线路和轻型机车用线路.
铁路钢轨型号:.(1)轻型钢轨型号,材质:Q235,55Q;规格:
30kg/m,24kg/m,22kg/m,18kg/m,15kg/m,12kg/m,8kg/m.(2)重型钢轨型号,材质:45MN,71MN;规格:50kg/m,43kg/m,38kg/m,33kg/m (2)起重钢轨型号,材质: U71MN;规格:QU70 kg /m,QU80 kg /m,QU100 kg /m,QU120 kg /m.以上钢轨型号为经常使用钢轨型号。