钢轨类型及主要尺寸表
- 格式:doc
- 大小:100.50 KB
- 文档页数:3
精选文档国标钢轨规格型号表国标轻轨重轨起重机轨规格尺寸表:8kg钢轨轨高:65mm 底宽:54mm 头宽:25mm 腰厚:7.0mm 理论重量:8.42kg/m9kg钢轨轨高:63.5mm 底宽:63.5mm 头宽:32.1mm 腰厚:5.9mm 理论重量:8.94kg/m12kg钢轨轨高:69.85mm 底宽:69.85mm 头宽:38.1mm 腰厚:7.54mm 理论重量:12.2kg/m 15kg钢轨轨高:79.37mm 底宽:79.37mm 头宽:42.86mm 腰厚:8.33mm 理论重量:15.2kg/m 18kg钢轨轨高:90mm 底宽:80mm 头宽:40mm 腰厚:10.0mm 理论重量:18.06kg/m 22kg钢轨轨高:93.66mm 底宽:93.66mm 头宽:50.8mm 腰厚:10.72mm 理论重量:22.3kg/m 24kg钢轨轨高:107mm 底宽:90mm 头宽:51mm 腰厚:10.9mm 理论重量:24.46kg/m 30kg钢轨轨高:107.95mm 底宽:107.95mm 头宽:60.33mm 腰厚:12.3mm 理论重量:30.1kg/m 以上为轻轨38kg钢轨轨高:134mm 底宽:114mm 头宽:68mm 腰厚:13mm 理论重量:38.733kg/m43kg钢轨轨高:140mm 底宽:114mm 头宽:70mm 腰厚:14.5mm 理论重量:44.653kg/m45kg钢轨轨高:145mm 底宽:126mm 头宽:67mm 腰厚:14.5mm 理论重量:45.546kg/m50kg钢轨轨高:152mm 底宽:132mm 头宽:70mm 腰厚:15.5mm 理论重量:51.514kg/m60kg钢轨轨高:176mm 底宽:150mm 头宽:73mm 腰厚:16.5mm 理论重量:60.64kg/m70kg钢轨轨高:120mm 底宽:120mm 头宽:70mm 腰厚:28mm 理论重量:52.8kg/m80kg钢轨轨高:130mm 底宽:130mm 头宽:80mm 腰厚:32mm 理论重量:63.69kg/m 100kg钢轨轨高:150mm 底宽:150mm 头宽:100mm 腰厚:38mm 理论重量:88.96kg/m120kg钢轨轨高:170mm 底宽:170mm 头宽:120mm 腰厚:44mm 理论重量:118.1kg/m.。
国标钢轨规格型号表国标轻轨重轨起重机轨规格尺寸表:8kg钢轨轨高:65mm 底宽:54mm 头宽:25mm 腰厚:7.0mm 理论重量:8.42kg/m 9kg钢轨轨高:63.5mm 底宽:63.5mm 头宽:32.1mm 腰厚:5.9mm 理论重量:8.94kg/m 12kg钢轨轨高:69.85mm 底宽:69.85mm 头宽:38.1mm 腰厚:7.54mm 理论重量:12.2kg/m15kg钢轨轨高:79.37mm 底宽:79.37mm 头宽:42.86mm 腰厚:8.33mm 理论重量:15.2kg/m18kg钢轨轨高:90mm 底宽:80mm 头宽:40mm 腰厚:10.0mm 理论重量:18.06kg/m 22kg钢轨轨高:93.66mm 底宽:93.66mm 头宽:50.8mm 腰厚:10.72mm 理论重量:22.3kg/m24kg钢轨轨高:107mm 底宽:90mm 头宽:51mm 腰厚:10.9mm 理论重量:24.46kg/m 30kg钢轨轨高:107.95mm 底宽:107.95mm 头宽:60.33mm 腰厚:12.3mm 理论重量:30.1kg/m以上为轻轨38kg钢轨轨高:134mm 底宽:114mm 头宽:68mm 腰厚:13mm 理论重量:38.733kg/m43kg钢轨轨高:140mm 底宽:114mm 头宽:70mm 腰厚:14.5mm 理论重量:44.653kg/m45kg钢轨轨高:145mm 底宽:126mm 头宽:67mm 腰厚:14.5mm 理论重量:45.546kg/m50kg钢轨轨高:152mm 底宽:132mm 头宽:70mm 腰厚:15.5mm 理论重量:51.514kg/m60kg钢轨轨高:176mm 底宽:150mm 头宽:73mm 腰厚:16.5mm 理论重量:60.64kg/m70kg钢轨轨高:120mm 底宽:120mm 头宽:70mm 腰厚:28mm 理论重量:52.8kg/m80kg钢轨轨高:130mm 底宽:130mm 头宽:80mm 腰厚:32mm 理论重量:63.69kg/m 100kg钢轨轨高:150mm 底宽:150mm 头宽:100mm 腰厚:38mm 理论重量:88.96kg/m120kg钢轨轨高:170mm 底宽:170mm 头宽:120mm 腰厚:44mm 理论重量:118.1kg/m。
钢轨型号引言钢轨是铁路运输中重要的组成部分,它承载着列车的重量并提供行驶的平稳性。
不同的铁路线路和列车类型需要不同的钢轨型号来适应不同的运输需求。
本文将介绍几种常见的钢轨型号,包括其规格、特点和适用范围。
1. U75V型钢轨1.1 规格•高度:152毫米•底宽:127毫米•螺纹直径:45毫米•基本重量:75千克/米1.2 特点•U75V型钢轨是一种冷弯型钢轨,具有较高的强度和耐久性。
•其内侧坡度较大,使得列车在转弯时具有较好的稳定性。
•螺纹接头设计,方便钢轨的连接和维修。
1.3 适用范围•U75V型钢轨适用于高速铁路和重载铁路线路。
•可用于长距离的铁路输送,具有较好的抗疲劳性能。
2. QU100型钢轨2.1 规格•高度:176毫米•底宽:150毫米•螺纹直径:60毫米•基本重量:100千克/米2.2 特点•QU100型钢轨是一种重载型钢轨,具有较高的承载能力和耐磨性。
•其底宽较大,提供了更稳定的支撑面积。
•利用热处理技术,使得钢轨具有较好的强度和韧性。
2.3 适用范围•QU100型钢轨适用于货运铁路、矿山铁路等需要承载重负荷的线路。
•在高温和恶劣环境下,QU100型钢轨也能保持良好的使用性能。
3. GB22kg型钢轨3.1 规格•高度:130毫米•底宽:70毫米•螺纹直径:26毫米•基本重量:22千克/米3.2 特点•GB22kg型钢轨是一种轻型钢轨,适用于轻载重种类的线路。
•其较小的底宽使得轨道更加灵活,并能适应更大的曲率。
•节约材料和成本,适合短距离的铁路运输。
3.3 适用范围•GB22kg型钢轨适用于城市轨道交通、工矿铁路等较小负载的线路。
•在弯道较多的线路上,GB22kg型钢轨能更好地满足曲线的需要。
结论不同的钢轨型号适用于不同的铁路运输需求。
选择合适的钢轨型号能够提高运输效率、降低成本并确保安全性。
在实际应用中,还需要考虑钢轨的正确安装和维护,以保证铁路线路的良好运行。
以上是对几种常见钢轨型号的介绍,希望能为读者提供一定的参考和了解。
国标钢轨规格型号表欧阳光明(2021.03.07)国标轻轨重轨起重机轨规格尺寸表:8kg钢轨轨高:65mm 底宽:54mm 头宽:25mm 腰厚:7.0mm 理论重量:8.42kg/m9kg钢轨轨高:63.5mm 底宽:63.5mm 头宽:32.1mm 腰厚:5.9mm 理论重量:8.94kg/m12kg钢轨轨高:69.85mm 底宽:69.85mm 头宽:38.1mm 腰厚:7.54mm 理论重量:12.2kg/m15kg钢轨轨高:79.37mm 底宽:79.37mm 头宽:42.86mm 腰厚:8.33mm 理论重量:15.2kg/m18kg钢轨轨高:90mm 底宽:80mm 头宽:40mm 腰厚:10.0mm 理论重量:18.06kg/m22kg钢轨轨高:93.66mm 底宽:93.66mm 头宽:50.8mm 腰厚:10.72mm 理论重量:22.3kg/m24kg钢轨轨高:107mm 底宽:90mm 头宽:51mm 腰厚:10.9mm 理论重量:24.46kg/m30kg钢轨轨高:107.95mm 底宽:107.95mm 头宽:60.33mm 腰厚:12.3mm 理论重量:30.1kg/m以上为轻轨38kg钢轨轨高:134mm 底宽:114mm 头宽:68mm 腰厚:13mm 理论重量:38.733kg/m43kg钢轨轨高:140mm 底宽:114mm 头宽:70mm 腰厚:14.5mm 理论重量:44.653kg/m45kg钢轨轨高:145mm 底宽:126mm 头宽:67mm 腰厚:14.5mm 理论重量:45.546kg/m50kg钢轨轨高:152mm 底宽:132mm 头宽:70mm 腰厚:15.5mm 理论重量:51.514kg/m60kg钢轨轨高:176mm 底宽:150mm 头宽:73mm 腰厚:16.5mm 理论重量:60.64kg/m70kg钢轨轨高:120mm 底宽:120mm 头宽:70mm 腰厚:28mm 理论重量:52.8kg/m80kg钢轨轨高:130mm 底宽:130mm 头宽:80mm 腰厚:32mm 理论重量:63.69kg/m100kg钢轨轨高:150mm 底宽:150mm 头宽:100mm 腰厚:38mm 理论重量:88.96kg/m120kg钢轨轨高:170mm 底宽:170mm 头宽:120mm 腰厚:44mm 理论重量:118.1kg/m。
铁路钢轨知识:
(1)重型钢轨知识:每米公称重量大于30kg的钢轨.火车钢轨和起重机轨都属
重轨.火车钢轨:用于铺设铁路,要承受火车营运时的压力、冲击载荷和摩擦,要求有足够的强度和一定的韧性.质量要求严格,除包管其化学成额外,还要求检验力学性能、落锤试验和酸浸低倍组织等.生产厂有武钢、鞍钢、包钢和攀钢等.起重机轨:即吊车轨,其高度较低,头宽及腰厚尺寸较大,只要求检验化学成分和抗拉强度.用于铺设起重机大于及小车轨道.生产厂有鞍钢和攀钢.
(2)轻型钢轨知识:是每米公称重量小于或等于30kg的钢轨.轻轨的质量要求比重轨低,只要求检验其化学成分、抗拉强度、硬度和落锤试验等.主要用途:轻轨主要用于林区、矿区、工场及施工现场等处铺设临时运输线路和轻型机车用线路.
铁路钢轨型号:.(1)轻型钢轨型号,材质:Q235,55Q;规格:
30kg/m,24kg/m,22kg/m,18kg/m,15kg/m,12kg/m,8kg/m.(2)重型钢轨型号,材质:45MN,71MN;规格:50kg/m,43kg/m,38kg/m,33kg/m (2)起重钢轨型号,材质: U71MN;规格:QU70 kg /m,QU80 kg /m,QU100 kg /m,QU120 kg /m.以上钢轨型号为经常使用钢轨型号。
铁路钢轨知识:
(1)重型钢轨知识:每米公称重量年夜于30kg的钢轨.火车钢轨和起重机轨都属
重轨.火车钢轨:用于铺设铁路,要接受火车营运时的压力、冲击载荷和摩擦,要求有足够的强度和一定的韧性.质量要求严格,除保证其化学成份外,还要求检验力学性能、落锤试验和酸浸低倍组织等.生产厂有武钢、鞍钢、包钢和攀钢等.起重机轨:即吊车轨,其高度较低,头宽及腰厚尺寸较年夜,只要求检验化学成份和抗拉强度.用于铺设起重机年夜于及小车轨道.生产厂有鞍钢和攀钢.
(2)轻型钢轨知识:是每米公称重量小于或即是30kg的钢轨.轻轨的质量要求比重轨低,只要求检验其化学成份、抗拉强度、硬度和落锤试验等.主要用途:轻轨主要用于林区、矿区、工厂及施工现场等处铺设临时运输线路和轻型机车用线路.
铁路钢轨型号:.(1)轻型钢轨型号,材质:Q235,55Q;规格:30kg/m,24kg/m,22kg/m,18kg/m,15kg/m,12kg/m,8kg/m.(2)重型钢轨型号,材质:45MN,71MN;规格:50kg/m,43kg/m,38kg/m,33kg/m(2)起重钢轨型号,材质: U71MN;规格:QU70 kg /m,QU80 kg /m,QU100 kg /m,QU120 kg /m.以上钢轨型号为经常使用钢轨型号。
七、轨道材料重量表钢轨的类型,以每1米大致质量kg数表示。
目前,我国铁路的钢轨类型主要有75kg/m、60kg/m、50kg/m及43kg/m。
世界上最重型的钢轨已达到77.5kg/m,我国也在重载线路上逐步铺设75kg/m钢轨。
钢轨标准长度为12.5m和25m两种。
铁路钢轨知识:(1)重型钢轨知识:每米公称重量大于30kg的钢轨。
火车钢轨和起重机轨都属重轨。
火车钢轨:用于铺设铁路,要承受火车营运时的压力、冲击载荷和摩擦,要求有足够的强度和一定的韧性。
质量要求严格,除保证其化学成分外,还要求检验力学性能、落锤试验和酸浸低倍组织等。
生产厂有武钢、鞍钢、包钢和攀钢等。
起重机轨:即吊车轨,其高度较低,头宽及腰厚尺寸较大,只要求检验化学成分和抗拉强度。
用于铺设起重机大于及小车轨道。
生产厂有鞍钢和攀钢。
(2)轻型钢轨知识:是每米公称重量小于或等于30kg的钢轨。
轻轨的质量要求比重轨低,只要求检验其化学成分、抗拉强度、硬度和落锤试验等。
主要用途:轻轨主要用于林区、矿区、工厂及施工现场等处铺设临时运输线路和轻型机车用线路。
铁路钢轨型号:(1)轻型钢轨型号,钢轨材质: Q235,55Q ;钢轨规格:30kg/m,24kg/m,22kg/m,18kg/m,15kg/m,12 kg/m,8kg/m。
(2)重型钢轨型号, 钢轨材质: 45MN,71MN;钢轨规格:50kg/m,43kg/m,38kg/m,33kg/m。
(3)起重钢轨型号,钢轨材质: U71MN;钢轨规格:QU70kg/m ,QU80kg/m,QU100kg/m,QU120kg/m。
以上钢轨型号为常用钢轨型号。
在中国全都是标准的是1435CM的,还有1000CM的俗称米轨,现在仅存于云南昆明。
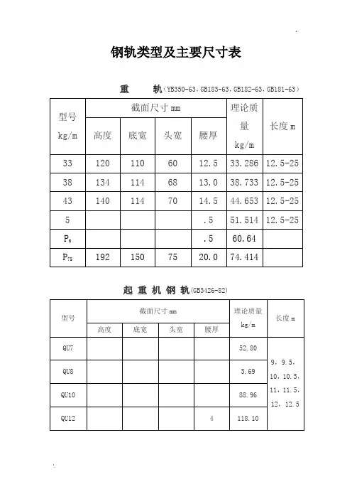
轻轨的理论重量型号截面尺寸(mm)截面面积(cm 2 )理论重量(kg/m)轨高A 底宽B 头宽C 头高D 腰高E 底高F 腰厚t 9 63.5 63.5 32.1 17.48 35.72 10.3 5.9 11.3 8.94 12 69.85 69.85 38.1 19.85 37.7 12.3 7.54 15.54 12.2 15 79.37 79.37 42.86 22.22 43.65 13.5 8.33 19.33 15.2 22 93.66 93.66 50.8 26.99 50 16.67 10.72 28.39 22.3 24 - - - - - - - - 24.95 30 107.95 107.95 60.33 30.95 57.55 19.45 12.3 38.32 30.1 重轨的理论重量型号截面尺寸(mm)截面面积(cm 2 )钢轨长度(m)理论重量(kg/m)轨高底宽头宽腰厚 60 176 150 73 16.5 9--12.5、25 50 152 132 70 15.5 65.8 12.5--25 51.514 45 145 126 67 14.5 12.5--25 45.546 43 140 114 70 14.5 57 12.5--25 44.653 38 134 114 68 13 49.5 12.5--25 38.733 重轨的理论重量及金属分配:钢轨类型理论重量,kg 钢轨的金属分配每米重量 12.5米长的重量 25.0米长的重量每根钢轨(各部分占总面积的百分数)螺栓孔未扣除每端扣除三未扣除每端扣除三部分重量轨头轨腰轨底螺栓孔个螺栓孔螺栓孔个螺栓孔50kg/m 51.514 643.925 643.429 1287.85 1287.354 0.493 38.68 23.77 37.55 43kg/m 44.653 558.162 557.69 1116.325 1115.853 0.472 42.83 21.31 35.86 38kg/m 38.733 484.162 483.739 968.325 967.902 0.423 43.68 21.63 34.69 轻轨用垫板理论重量轻轨用接头夹板理论重量钢号 80(785MPa)型号理论重量,kg/块 9kg/m轻轨用接头夹板 0.81 型号理论重量,kg/块 12kg/m轻轨用接头夹板 1.39 15kg/m轻轨用垫板1.5 15kg/m轻轨用接头夹板2.2 22kg/m轻轨用垫板2.2 22kg/m轻轨用接头夹板 3.8 30kg/m轻轨用垫板 2.7 30kg/m轻轨用接头夹板 5.54 起重机钢轨规格重量型号截面尺寸(mm)钢号80(785MPa)截面积(cm 2 )理论重量(kg/m)轨高顶宽顶下宽底宽腰厚 QU70 120 70 76.5 120 28 67.3 52.8 QU80 130 80 87 130 32 81.13 63.69 QU100 150 100 108 150 38 113.32 88.96 QU120 170 120 129 170 44 150.44 118.1。
名称=重轨标准=GB/ 183-1963,GB/T 182-1963,GB/T 181-1963 -----------------------------------------------------------序号=2钢轨型号\kg/m=43A\mm=140B\mm=114C\mm=70D\mm=14.5截面面积\F\cm^2=57重心距离\至轨底Z1\cm=6.85重心距离\至轨顶Z2\cm=7.15惯性矩\Jx\cm^4=1480惯性矩\Jy\cm^4=260截面系数\W1=Jx\Z1\cm^3=217.3截面系数\W2=Jx\Z2\cm^3=208.3截面系数\W3=Jy\(B/2)/cm^3=45斜度\K=0.04375理论重量\kg/m=44.653通常长度\m=12.5,25标准号=GB182-63h1\mm=27h2\mm=42h3\mm=77.5a\mm=30.4g\mm=78f1\mm=11f2\mm=14f3\mm=r1\mm=13r2\mm=2r3\mm=4S1\mm=56S2\mm=110S3\mm=160φ=29R\mm=300R1\mm=5,10R2\mm=15名称=起重机钢轨标准=YB/T 5055-1993----------------------------------------------------------- 序号=2型号=QU80理论重量\kg/m=63.69b\mm=80b1\mm=87s\mm=32h\mm=130h1\mm=35h2\mm=26R\mm=400R1\mm=26R2\mm=44r\mm=8r1\mm=6r2\mm=2截面面积\cm^2=81.13重心距离y1\cm=6.43重心距离y2\cm=6.57惯性矩Ix\cm^4=1547.4惯性矩Iy\cm^4=482.3截面系数\W1=Ix/y1\cm^3=240.65截面系数\W2=Ix/y2\cm^3=235.52截面系数\W3=Iy/(b2/2)\cm^3=74.21参考资料:《机械设计手册》起重机钢轨(YB/T5055-1993)1、尺寸、外形、重量(1)尺寸1)钢轨的截面形状、部位名称如图1所示,其截面尺寸应符合表1的规定。
国标钢轨规格型号表国标轻轨重轨起重机轨规格尺寸表:8kg钢轨轨高:65mm 底宽:54mm 头宽:25mm 腰厚:7.0mm 理论重量:8.42kg/m9kg钢轨轨高:63.5mm 底宽:63.5mm 头宽:32.1mm 腰厚:5.9mm 理论重量:8.94kg/m12kg钢轨轨高:69.85mm 底宽:69.85mm 头宽:38.1mm 腰厚:7.54mm 理论重量:12.2kg/m15kg钢轨轨高:79.37mm 底宽:79.37mm 头宽:42.86mm 腰厚:8.33mm 理论重量:15.2kg/m18kg钢轨轨高:90mm 底宽:80mm 头宽:40mm 腰厚:10.0mm 理论重量:18.06kg/m22kg钢轨轨高:93.66mm 底宽:93.66mm 头宽:50.8mm 腰厚:10.72mm 理论重量:22.3kg/m24kg钢轨轨高:107mm 底宽:90mm 头宽:51mm 腰厚:10.9mm 理论重量:24.46kg/m30kg钢轨轨高:107.95mm 底宽:107.95mm 头宽:60.33mm 腰厚:12.3mm 理论重量:30.1kg/m以上为轻轨38kg钢轨轨高:134mm 底宽:114mm 头宽:68mm 腰厚:13mm 理论重量:38.733kg/m43kg钢轨轨高:140mm 底宽:114mm 头宽:70mm 腰厚:14.5mm 理论重量:44.653kg/m45kg钢轨轨高:145mm 底宽:126mm 头宽:67mm 腰厚:14.5mm 理论重量:45.546kg/m50kg钢轨轨高:152mm 底宽:132mm 头宽:70mm 腰厚:15.5mm 理论重量:51.514kg/m60kg钢轨轨高:176mm 底宽:150mm 头宽:73mm 腰厚:16.5mm 理论重量:60.64kg/m70kg钢轨轨高:120mm 底宽:120mm 头宽:70mm 腰厚:28mm 理论重量:52.8kg/m80kg钢轨轨高:130mm 底宽:130mm 头宽:80mm 腰厚:32mm 理论重量:63.69kg/m100kg钢轨轨高:150mm 底宽:150mm 头宽:100mm 腰厚:38mm 理论重量:88.96kg/m120kg钢轨轨高:170mm 底宽:170mm 头宽:120mm 腰厚:44mm 理论重量:118.1kg/m。
铁路钢轨知识:
(1)重型钢轨知识:每米公称重量年夜于30kg的钢轨.火车钢轨和起重机轨都属
重轨.火车钢轨:用于铺设铁路,要接受火车营运时的压力、冲击载荷和摩擦,要求有足够的强度和一定的韧性.质量要求严格,除保证其化学成份外,还要求检验力学性能、落锤试验和酸浸低倍组织等.生产厂有武钢、鞍钢、包钢和攀钢等.起重机轨:即吊车轨,其高度较低,头宽及腰厚尺寸较年夜,只要求检验化学成份和抗拉强度.用于铺设起重机年夜于及小车轨道.生产厂有鞍钢和攀钢.
(2)轻型钢轨知识:是每米公称重量小于或即是30kg的钢轨.轻轨的质量要求比重轨低,只要求检验其化学成份、抗拉强度、硬度和落锤试验等.主要用途:轻轨主要用于林区、矿区、工厂及施工现场等处铺设临时运输线路和轻型机车用线路.
铁路钢轨型号:.(1)轻型钢轨型号,材质:Q235,55Q;规格:
30kg/m,24kg/m,22kg/m,18kg/m,15kg/m,12kg/m,8kg/m.(2)重型钢轨型号,材质:45MN,71MN;规格:50kg/m,43kg/m,38kg/m,33kg/m (2)起重钢轨型号,材质: U71MN;规格:QU70 kg /m,QU80 kg /m,QU100 kg /m,QU120 kg /m.以上钢轨型号为经常使用钢轨型号。
铁路钢轨知识:
(1)重型钢轨知识:每米公称重量年夜于30kg的钢轨.火车钢轨和起重机轨都属
重轨.火车钢轨:用于铺设铁路,要接受火车营运时的压力、冲击载荷和摩擦,要求有足够的强度和一定的韧性.质量要求严格,除保证其化学成份外,还要求检验力学性能、落锤试验和酸浸低倍组织等.生产厂有武钢、鞍钢、包钢和攀钢等.起重机轨:即吊车轨,其高度较低,头宽及腰厚尺寸较年夜,只要求检验化学成份和抗拉强度.用于铺设起重机年夜于及小车轨道.生产厂有鞍钢和攀钢.
(2)轻型钢轨知识:是每米公称重量小于或即是30kg的钢轨.轻轨的质量要求比重轨低,只要求检验其化学成份、抗拉强度、硬度和落锤试验等.主要用途:轻轨主要用于林区、矿区、工厂及施工现场等处铺设临时运输线路和轻型机车用线路.
铁路钢轨型号:.(1)轻型钢轨型号,材质:Q235,55Q;规格:
30kg/m,24kg/m,22kg/m,18kg/m,15kg/m,12kg/m,8kg/m.(2)重型钢轨型号,材质:45MN,71MN;规格:50kg/m,43kg/m,38kg/m,33kg/m (2)起重钢轨型号,材质: U71MN;规格:QU70 kg /m,QU80 kg /m,QU100 kg /m,QU120 kg /m.以上钢轨型号为经常使用钢轨型号。
名称=重轨标准=GB/ 183-1963,GB/T 182-1963,GB/T 181-1963 -----------------------------------------------------------序号=2钢轨型号\kg/m=43A\mm=140B\mm=114C\mm=70D\mm=14.5截面面积\F\cm^2=57重心距离\至轨底Z1\cm=6.85重心距离\至轨顶Z2\cm=7.15惯性矩\Jx\cm^4=1480惯性矩\Jy\cm^4=260截面系数\W1=Jx\Z1\cm^3=217.3截面系数\W2=Jx\Z2\cm^3=208.3截面系数\W3=Jy\(B/2)/cm^3=45斜度\K=0.04375理论重量\kg/m=44.653通常长度\m=12.5,25标准号=GB182-63h1\mm=27h2\mm=42h3\mm=77.5a\mm=30.4g\mm=78f1\mm=11f2\mm=14f3\mm=r1\mm=13r2\mm=2r3\mm=4S1\mm=56S2\mm=110S3\mm=160φ=29R\mm=300R1\mm=5,10R2\mm=15名称=起重机钢轨标准=YB/T 5055-1993----------------------------------------------------------- 序号=2型号=QU80理论重量\kg/m=63.69b\mm=80b1\mm=87s\mm=32h\mm=130h1\mm=35h2\mm=26R\mm=400R1\mm=26R2\mm=44r\mm=8r1\mm=6r2\mm=2截面面积\cm^2=81.13重心距离y1\cm=6.43重心距离y2\cm=6.57惯性矩Ix\cm^4=1547.4惯性矩Iy\cm^4=482.3截面系数\W1=Ix/y1\cm^3=240.65截面系数\W2=Ix/y2\cm^3=235.52截面系数\W3=Iy/(b2/2)\cm^3=74.21参考资料:《机械设计手册》起重机钢轨(YB/T5055-1993)1、尺寸、外形、重量(1)尺寸1)钢轨的截面形状、部位名称如图1所示,其截面尺寸应符合表1的规定。