起重机钢轨规格表
- 格式:doc
- 大小:89.50 KB
- 文档页数:3
国标钢轨规格型号表国标轻轨重轨起重机轨规格尺寸表:8kg钢轨轨高:65mm 底宽:54mm 头宽:25mm 腰厚:7.0mm 理论重量:8.42kg/m 9kg钢轨轨高:63.5mm 底宽:63.5mm 头宽:32.1mm 腰厚:5.9mm 理论重量:8.94kg/m 12kg钢轨轨高:69.85mm 底宽:69.85mm 头宽:38.1mm 腰厚:7.54mm 理论重量:12.2kg/m15kg钢轨轨高:79.37mm 底宽:79.37mm 头宽:42.86mm 腰厚:8.33mm 理论重量:15.2kg/m18kg钢轨轨高:90mm 底宽:80mm 头宽:40mm 腰厚:10.0mm 理论重量:18.06kg/m 22kg钢轨轨高:93.66mm 底宽:93.66mm 头宽:50.8mm 腰厚:10.72mm 理论重量:22.3kg/m24kg钢轨轨高:107mm 底宽:90mm 头宽:51mm 腰厚:10.9mm 理论重量:24.46kg/m 30kg钢轨轨高:107.95mm 底宽:107.95mm 头宽:60.33mm 腰厚:12.3mm 理论重量:30.1kg/m以上为轻轨38kg钢轨轨高:134mm 底宽:114mm 头宽:68mm 腰厚:13mm 理论重量:38.733kg/m43kg钢轨轨高:140mm 底宽:114mm 头宽:70mm 腰厚:14.5mm 理论重量:44.653kg/m45kg钢轨轨高:145mm 底宽:126mm 头宽:67mm 腰厚:14.5mm 理论重量:45.546kg/m50kg钢轨轨高:152mm 底宽:132mm 头宽:70mm 腰厚:15.5mm 理论重量:51.514kg/m60kg钢轨轨高:176mm 底宽:150mm 头宽:73mm 腰厚:16.5mm 理论重量:60.64kg/m70kg钢轨轨高:120mm 底宽:120mm 头宽:70mm 腰厚:28mm 理论重量:52.8kg/m80kg钢轨轨高:130mm 底宽:130mm 头宽:80mm 腰厚:32mm 理论重量:63.69kg/m 100kg钢轨轨高:150mm 底宽:150mm 头宽:100mm 腰厚:38mm 理论重量:88.96kg/m120kg钢轨轨高:170mm 底宽:170mm 头宽:120mm 腰厚:44mm 理论重量:118.1kg/m。
铁路钢轨知识:
(1)重型钢轨知识:每米公称重量年夜于30kg的钢轨.火车钢轨和起重机轨都属
重轨.火车钢轨:用于铺设铁路,要接受火车营运时的压力、冲击载荷和摩擦,要求有足够的强度和一定的韧性.质量要求严格,除保证其化学成份外,还要求检验力学性能、落锤试验和酸浸低倍组织等.生产厂有武钢、鞍钢、包钢和攀钢等.起重机轨:即吊车轨,其高度较低,头宽及腰厚尺寸较年夜,只要求检验化学成份和抗拉强度.用于铺设起重机年夜于及小车轨道.生产厂有鞍钢和攀钢.
(2)轻型钢轨知识:是每米公称重量小于或即是30kg的钢轨.轻轨的质量要求比重轨低,只要求检验其化学成份、抗拉强度、硬度和落锤试验等.主要用途:轻轨主要用于林区、矿区、工厂及施工现场等处铺设临时运输线路和轻型机车用线路.
铁路钢轨型号:.(1)轻型钢轨型号,材质:Q235,55Q;规格:30kg/m,24kg/m,22kg/m,18kg/m,15kg/m,12kg/m,8kg/m.(2)重型钢轨型号,材质:45MN,71MN;规格:50kg/m,43kg/m,38kg/m,33kg/m(2)起重钢轨型号,材质: U71MN;规格:QU70 kg /m,QU80 kg /m,QU100 kg /m,QU120 kg /m.以上钢轨型号为经常使用钢轨型号。
铁路钢轨知识:
(1)重型钢轨知识:每米公称重量大于30kg的钢轨。
火车钢轨和起重机轨都属
重轨。
火车钢轨:用于铺设铁路,要承受火车营运时的压力、冲击载荷和摩擦,要求有足够的强度和一定的韧性。
质量要求严格,除包管其化学成分外,还要求检验力学性能、落锤试验和酸浸低倍组织等。
生产厂有武钢、鞍钢、包钢和攀钢等。
起重机轨:即吊车轨,其高度较低,头宽及腰厚尺寸较大,只要求检验化学成分和抗拉强度。
用于铺设起重机大于及小车轨道。
生产厂有鞍钢和攀钢。
(2)轻型钢轨知识:是每米公称重量小于或等于30kg的钢轨。
轻轨的质量要求比重轨低,只要求检验其化学成分、抗拉强度、硬度和落锤试验等。
主要用途:轻轨主要用于林区、矿区、工厂及施工现场等处铺设临时运输线路和轻型机车用线路。
铁路钢轨型号:。
(1)轻型钢轨型号,材质:Q235,55Q;规格:30kg/m,24kg/m,22kg/m,18kg/m,15kg/m,12kg/m,8kg/m。
(2)重型钢
轨型号,材质:45MN,71MN;规格:50kg/m,43kg/m,38kg/m,33kg/m (2)起重钢轨型号,材质: U71MN;规格:QU70 kg /m,QU80 kg /m,QU100 kg /m,QU120 kg /m。
以上钢轨型号为经常使用钢轨型号。
轨道钢规格、重量以及相关知识铁路钢轨知识:(1)重型钢轨知识:每米公称重量大于30kg的钢轨。
火车钢轨和起重机轨都属重轨。
火车钢轨:用于铺设铁路,要承受火车营运时的压力、冲击载荷和摩擦,要求有足够的强度和一定的韧性。
质量要求严格,除保证其化学成分外,还要求检验力学性能、落锤试验和酸浸低倍组织等。
生产厂有武钢、鞍钢、包钢和攀钢等。
起重机轨:即吊车轨,其高度较低,头宽及腰厚尺寸较大,只要求检验化学成分和抗拉强度。
用于铺设起重机大于及小车轨道。
生产厂有鞍钢和攀钢。
(2)轻型钢轨知识:是每米公称重量小于或等于30kg的钢轨。
轻轨的质量要求比重轨低,只要求检验其化学成分、抗拉强度、硬度和落锤试验等。
主要用途:轻轨主要用于林区、矿区、工厂及施工现场等处铺设临时运输线路和轻型机车用线路。
铁路钢轨型号:(1)轻型钢轨型号,材质: Q235,55Q;规格:30kg/m,24kg/m,22kg/m,18kg/m,15kg/m,12 kg/m,8 kg/m。
(2)重型钢轨型号, 材质: 45MN, 71MN;规格:50kg/m, 43kg/m,38kg/m,33kg/m(2)起重钢轨型号, 材质: U71MN;规格:QU70 kg /m ,QU80 kg /m,QU100 kg /m,QU120 kg /m。
以上钢轨型号为常用钢轨型号。
轨道钢理算计算公式:钢轨类型(公斤/米) 尺寸(毫米)截面面积F(厘米2) 理论重量(公斤/米) 高A度底B宽头C宽腰D厚轻轨550 44 22 4.5 6.41 5.03 8 65 54 25 7.0 10.76 8.42 11 80.5 ...钢轨1.概述&Nb sp; 铁道器材是铁路的重要器材,钢轨是铁路器材的主要标志。
A—轨高B—底宽C—头宽D—腰厚(1)分类。
钢轨以每米大致重量的公斤数,可分为重轨与轻轨两种:①重轨。
按所用钢材钢种分为:普通含锰钢轨、含铜普碳钢钢轨、高硅含铜钢钢轨、铜轨、锰轨、硅轨等,详见本节“8”中所提供的标准(1)、(2)。
国标钢轨规格型号表国标轻轨重轨起重机轨规格尺寸表:8kg钢轨轨高:65mm 底宽:54mm 头宽:25mm 腰厚:7.0mm 理论重量:8.42kg/m9kg钢轨轨高:63.5mm 底宽:63.5mm 头宽:32.1mm 腰厚:5.9mm 理论重量:8.94kg/m12kg钢轨轨高:69.85mm 底宽:69.85mm 头宽:38.1mm 腰厚:7.54mm 理论重量:12.2kg/m15kg钢轨轨高:79.37mm 底宽:79.37mm 头宽:42.86mm 腰厚:8.33mm 理论重量:15.2kg/m18kg钢轨轨高:90mm 底宽:80mm 头宽:40mm 腰厚:10.0mm 理论重量:18.06kg/m22kg钢轨轨高:93.66mm 底宽:93.66mm 头宽:50.8mm 腰厚:10.72mm 理论重量:22.3kg/m24kg钢轨轨高:107mm 底宽:90mm 头宽:51mm 腰厚:10.9mm 理论重量:24.46kg/m30kg钢轨轨高:107.95mm 底宽:107.95mm 头宽:60.33mm 腰厚:12.3mm 理论重量:30.1kg/m以上为轻轨38kg钢轨轨高:134mm 底宽:114mm 头宽:68mm 腰厚:13mm 理论重量:38.733kg/m43kg钢轨轨高:140mm 底宽:114mm 头宽:70mm 腰厚:14.5mm 理论重量:44.653kg/m45kg钢轨轨高:145mm 底宽:126mm 头宽:67mm 腰厚:14.5mm 理论重量:45.546kg/m50kg钢轨轨高:152mm 底宽:132mm 头宽:70mm 腰厚:15.5mm 理论重量:51.514kg/m60kg钢轨轨高:176mm 底宽:150mm 头宽:73mm 腰厚:16.5mm 理论重量:60.64kg/m70kg钢轨轨高:120mm 底宽:120mm 头宽:70mm 腰厚:28mm 理论重量:52.8kg/m80kg钢轨轨高:130mm 底宽:130mm 头宽:80mm 腰厚:32mm 理论重量:63.69kg/m100kg钢轨轨高:150mm 底宽:150mm 头宽:100mm 腰厚:38mm 理论重量:88.96kg/m120kg钢轨轨高:170mm 底宽:170mm 头宽:120mm 腰厚:44mm 理论重量:118.1kg/m。
铁路钢轨知识:
(1)重型钢轨知识:每米公称重量年夜于30kg的钢轨.火车钢轨和起重机轨都属
重轨.火车钢轨:用于铺设铁路,要接受火车营运时的压力、冲击载荷和摩擦,要求有足够的强度和一定的韧性.质量要求严格,除保证其化学成份外,还要求检验力学性能、落锤试验和酸浸低倍组织等.生产厂有武钢、鞍钢、包钢和攀钢等.起重机轨:即吊车轨,其高度较低,头宽及腰厚尺寸较年夜,只要求检验化学成份和抗拉强度.用于铺设起重机年夜于及小车轨道.生产厂有鞍钢和攀钢.
(2)轻型钢轨知识:是每米公称重量小于或即是30kg的钢轨.轻轨的质量要求比重轨低,只要求检验其化学成份、抗拉强度、硬度和落锤试验等.主要用途:轻轨主要用于林区、矿区、工厂及施工现场等处铺设临时运输线路和轻型机车用线路.
铁路钢轨型号:.(1)轻型钢轨型号,材质:Q235,55Q;规格:
30kg/m,24kg/m,22kg/m,18kg/m,15kg/m,12kg/m,8kg/m.(2)重型钢轨型号,材质:45MN,71MN;规格:50kg/m,43kg/m,38kg/m,33kg/m (2)起重钢轨型号,材质: U71MN;规格:QU70 kg /m,QU80 kg /m,QU100 kg /m,QU120 kg /m.以上钢轨型号为经常使用钢轨型号。
铁路钢轨知识:
(1)重型钢轨知识:每米公称重量年夜于30kg的钢轨.火车钢轨和起重机轨都属
重轨.火车钢轨:用于铺设铁路,要接受火车营运时的压力、冲击载荷和摩擦,要求有足够的强度和一定的韧性.质量要求严格,除保证其化学成份外,还要求检验力学性能、落锤试验和酸浸低倍组织等.生产厂有武钢、鞍钢、包钢和攀钢等.起重机轨:即吊车轨,其高度较低,头宽及腰厚尺寸较年夜,只要求检验化学成份和抗拉强度.用于铺设起重机年夜于及小车轨道.生产厂有鞍钢和攀钢.
(2)轻型钢轨知识:是每米公称重量小于或即是30kg的钢轨.轻轨的质量要求比重轨低,只要求检验其化学成份、抗拉强度、硬度和落锤试验等.主要用途:轻轨主要用于林区、矿区、工厂及施工现场等处铺设临时运输线路和轻型机车用线路.
铁路钢轨型号:.(1)轻型钢轨型号,材质:Q235,55Q;规格:
30kg/m,24kg/m,22kg/m,18kg/m,15kg/m,12kg/m,8kg/m.(2)重型钢轨型号,材质:45MN,71MN;规格:50kg/m,43kg/m,38kg/m,33kg/m (2)起重钢轨型号,材质: U71MN;规格:QU70 kg /m,QU80 kg /m,QU100 kg /m,QU120 kg /m.以上钢轨型号为经常使用钢轨型号。
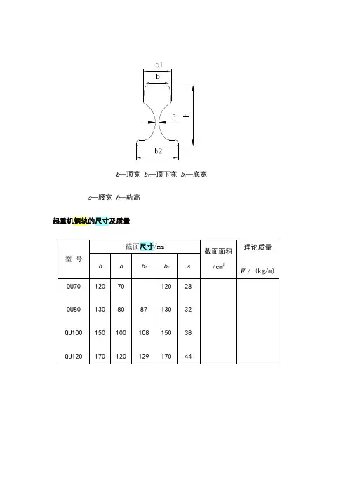
起重机钢轨(YB/T 5055-1993)起重机钢轨(YB/T 5055-1993)1、尺寸、外形、重量(1)尺寸1)钢轨的截面形状、部位名称如图1所示,其截面尺寸应符合表1的规定。
图1表12)钢轨截面尺寸允许偏差应符合表2的规定。
表23)钢轨截面面积、理论重量及截面参数值应符合表3的规定。
表3注:计算理论重量时,钢的比重采用7.85dg/dm3。
(2)长度1)钢轨的标准长度为9、9.5、10、10.5、11、11.5、12、12.5m。
2)经供需双方协}义并在合同中注明,可供应一定比例的长度为4~8.9m的不定尺钢轨。
但计算重量时按100mm进级。
3)钢轨长度允许偏差为+50mm。
(3)外形1)钢轨的侧向弯曲度每米不得大于1.5mm,总弯曲度不得大于8mm。
2)钢轨的上、下方向总弯曲度不得大干6mm。
3)钢轨端部弯曲0.5m内不得大于1mm。
4)QU120起重机钢轨因受矫直设备能力限制。
其弯曲度由供需双方协议。
5)钢轨扭转不得大于钢轨全长的1/10000。
6)钢轨横截面与垂直轴线的不对称:轨底不得大丁2mm,轨头不得大于0.6mm。
7)轨底部不应凹下。
轨底中央较两边凸出不得大于0.5mm。
(4)重量钢轨按理论重量交货。
2、牌号和化学成分起重机钢轨的牌号和化学成分(熔炼分析)应符合表4的规定。
表43、力学性能钢轨的抗拉强度不小于880MPa。
4、表面质量(1)钢轨表面不得有裂纹、折叠、结疤、气泡和夹杂。
允许有深度不大于钢轨尺寸允许负偏差数值的压痕、麻点和划伤及深度不大于1mm的发纹。
(2)钢轨端面不得有裂纹、分层与缩孔残余。
(3)钢轨端面应切得正直,端面歪斜在任何方向不得大于5mm。
长度不小于4mm的毛刺应清除掉。
(4)钢轨表面缺陷允许用风铲进行纵向清理,清理深度(单面计算)不得大于尺寸允许负偏差。
(5)钢轨表面缺陷不允许焊补或填补。