阀门型号
- 格式:docx
- 大小:27.68 KB
- 文档页数:7
阀门型号大全阀门是工业生产中常见的一种管道设备,用于控制介质的流动、压力和温度。
不同的工作环境和介质要求使用不同类型的阀门,而阀门的型号也是多种多样的。
下面将介绍一些常见的阀门型号,希望能对大家有所帮助。
1.截止阀。
截止阀是一种常用的阀门,用于切断管道中的流体。
它的结构简单,操作方便,广泛应用于各种工业领域。
截止阀的型号有铸铁截止阀、不锈钢截止阀、铜截止阀等,可以根据具体的工作环境和介质选择合适的型号。
2.球阀。
球阀是一种通过旋转球体来控制流体开关的阀门。
它具有结构简单、密封性能好、使用寿命长等优点,被广泛应用于石油、化工、水处理等行业。
根据球阀的结构和材质不同,型号也有不同的分类,如全焊接球阀、不锈钢球阀、铸铁球阀等。
3.蝶阀。
蝶阀是一种通过旋转圆盘来控制流体的阀门,具有体积小、重量轻、操作方便等特点。
蝶阀的型号有集成式蝶阀、三偏心蝶阀、双偏心蝶阀等,可以根据需要选择合适的型号。
4.闸阀。
闸阀是一种通过升降闸板来控制流体的阀门,具有结构简单、密封性能好、流阻小等优点。
闸阀的型号有铸铁闸阀、不锈钢闸阀、铜闸阀等,可以根据工作条件选择合适的型号。
5.止回阀。
止回阀是一种防止介质倒流的阀门,具有结构简单、操作可靠等特点。
止回阀的型号有单板式止回阀、双板式止回阀、升降式止回阀等,可以根据需要选择合适的型号。
6.安全阀。
安全阀是一种用于保护设备和管道安全的阀门,具有启闭灵活、密封性能好等特点。
安全阀的型号有弹簧式安全阀、先导式安全阀、全开式安全阀等,可以根据具体的工作压力和介质选择合适的型号。
7.调节阀。
调节阀是一种用于调节介质流量、压力和温度的阀门,具有调节精度高、响应速度快等特点。
调节阀的型号有节流调节阀、角式调节阀、直通式调节阀等,可以根据需要选择合适的型号。
总结,以上介绍的是一些常见的阀门型号,不同的工作环境和介质需要选择不同类型的阀门,希望大家可以根据自己的需求选择合适的型号,确保设备和管道的安全运行。
国标阀门型号编制方法一、阀门型号的结构组成阀门型号由一系列数字、字母和符号组成,通常包括以下几个部分:产品类型标志、产品形式标志、产品结构标志、产品尺寸标志、产品材质标志、产品压力等级标志以及特殊要求标志等。
各个标志的排列和组合方式有标准规定,下面将详细介绍各部分的编码规则。
1.产品类型标志:用于标识阀门的类型,通常使用大写字母表示,如G表示截止阀、H表示止回阀等。
2.产品形式标志:用于标识阀门的形式,通常使用大写字母表示,如N表示蝶阀、Y表示旋塞阀等。
3.产品结构标志:用于标识阀门的结构形式,通常使用数字和字母组合表示,如1表示直通式、2表示角式、3表示弯道式等。
4.产品尺寸标志:用于标识阀门的口径尺寸,通常使用数字表示,如DN50表示50mm的口径。
5.产品材质标志:用于标识阀门的材质,通常使用大写字母和数字组合表示,如WCB表示碳钢、CF8表示不锈钢等。
6.产品压力等级标志:用于标识阀门的工作压力,通常使用数字表示,如PN16表示16MPa的工作压力。
7.特殊要求标志:用于标识阀门的特殊要求,通常使用大写字母和数字组合表示,如E表示耐高温、F表示耐腐蚀等。
二、编码规则1.编码顺序:阀门型号的编码顺序一般按照产品类型标志、产品形式标志、产品结构标志、产品尺寸标志、产品材质标志、产品压力等级标志和特殊要求标志的顺序进行排列。
2.编码分隔符:各部分之间的编码可以使用特定的分隔符进行分隔,常用的分隔符有"-"、"/"和空格等。
3.编码长度:阀门型号的编码长度没有规定限制,但通常为了方便标识和辨认,长度不会太长。
三、编码方法阀门型号的编码方法是将各个标志的编码按照规定的顺序组合起来。
例如,一个DN50剪刀式截止阀,材质为WCB,工作压力为PN16的阀门的型号可以编写为G-1-1-DN50-WCB-PN16、这个编码表示了该阀门的类型、形式、结构、尺寸、材质和压力等级等信息。
阀门型号的编制及字母代号的含义1.型号的组成阀门型号由阀门类型,驱动方式、连接形式、结构形式、密封面或衬里材料、压力、阀体材料七部门组成。
如图所示1.2.1.1阀门类型代号类型代号类型代号安全阀弹簧载荷式、先导式 A球阀整体球Q 重锤杠杆式GA 半球PQ 蝶阀 D 蒸汽疏水阀S 倒流防止器GH 堵阀(电站用)SD 隔膜阀G 控制阀(调节阀)T 止回阀、底阀H 柱塞阀U 截止阀J 旋塞阀X 节流阀L 减压阀(自力式)Y进排气阀单-进排气阀P 减温减压阀(非自力式)WY 复合型FFP 闸阀Z 排污阀PW 排渣阀PZ2.1.2当阀门又同时具有其他功能作用或带有其他结构时,在阀门类型代号前再加注一个汉语拼音字母、典型功能代号按下表规定。
2.2驱动方式代号驱动方式代号用阿拉伯数字表示,按下表规定。
4.3连接形式代号以阀门进口端的连接形式确定代号,代号用阿拉伯数字表示,按下表规定。
4.4阀门结构形式代号阀门结构形式用阿拉伯数字表示,按下列表规定。
4.4.2截止阀和节流阀结构形式代号4.4.3止回阀结构形式代号4.4.5蝶阀结构形式代号4.4.6旋塞阀结构形式代号4.4.7隔膜阀结构形式代号4.4.8减压阀(自力式)结构形式代号4.4.9控制阀(调节阀)结构形式代号4.4.9减温减压阀(非自力式)结构形式代号4.4.10堵阀结构形式代号4.4.11蒸汽疏水阀结构形式代号4.4.12排污阀结构形式代号4.4.13安全阀结构形式代号4.5密封副或衬里材料代号密封副或衬里材料代号,以两个密封面中起密封作用的密封面材料或衬里材料硬度值较低的材料或腐蚀性较低的材料表示;金属密封面中镶嵌非金属材料的,则表示为非金属/金属。
材料代号按下表规定的字母表示。
4.6压力代号压力级代号采用 PN 后的数字表示。
4.7阀体材料代号。
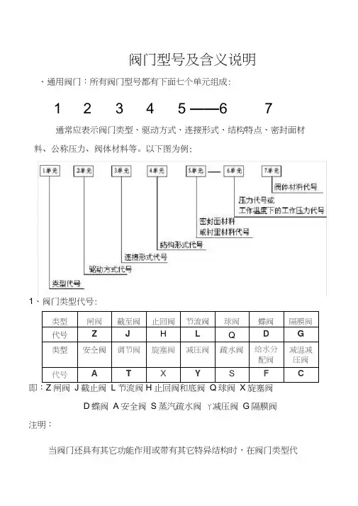
阀门型号及含义说明一、通用阀门:所有阀门型号都有下面七个单元组成:1 2 3 4 5 ——6 7通常应表示阀门类型、驱动方式、连接形式、结构特点、密封面材料、公称压力、阀体材料等。
以下图为例:1、阀门类型代号:即:Z 闸阀J截止阀L节流阀H止回阀和底阀Q球阀X旋塞阀D蝶阀A安全阀S蒸汽疏水阀Y减压阀G隔膜阀注明:当阀门还具有其它功能作用或带有其它特异结构时,在阀门类型代号前再加注一个汉语拼音字母(1)阀门类型代号前加“D”为低温阀门(低于-40℃);代号前加“B”为保温的阀门(带加热套);防火型F;缓闭型H。
(2)截止阀类型代号前加“W”,表示波纹管密封阀门。
(3)闸阀类型代号前加“P”表示用于排渣系统阀门,加“X”或“K”为排渣用泥浆阀。
(4)在地下水用闸阀类型代号前加“S”表示竖式安装,加“W”表示卧式安装。
(5)在地下水用闸阀类型代号前加“D1”、“D2”表示短系列,加“Q”表示球蝶阀,加“S”表示用于地下管网蝶阀。
2、传动方式代号:即:0电磁动1电磁-液动2电-液动3蜗轮(蜗杆)4正齿轮5锥齿轮6气动7液动8气-液动9电动若为手动则省略注明:对于齿轮、手柄、扳手等直接传动或自动阀门(安全阀、减压阀、疏水阀、手轮直接连接阀杆操作结构形式的阀门)本代号省略,不表示;对于气动或液动机构操作的阀门,常开式用6K、7K表示,常闭式用6B、7B表示,气动带手动用6S表示。
防爆电动装置的阀门用9B表示,户外耐热式用9R表示。
3、连接方式代号:即:1内螺纹2外螺纹4法兰式6焊接式7对夹式8卡箍9卡套4、结构形式代号阀门结构形式用1位阿拉伯数字表示,如下:(一)闸阀结构形式代号:即:0楔式弹性闸板1楔式单闸板2楔式双闸板3平行式单闸板4平行式双闸板(二)截止阀、截流阀结构形式代号:即:1直通式4角式5直流式(三)止回阀结构形式代号:代号 1 2 3 4 5 6 7 8 9结构型式升降式阀瓣旋启式阀瓣升降式阀瓣蝶式直通流道立式结构角式结构单瓣结构多瓣结构双瓣结构直流式节流再循环式即:1直通式2升降立式3升降角式6旋启单瓣式(四)安全阀结构形式代号:(五)调节阀结构形式代号:(六)球阀结构形式代号:即:1浮球直通式7固定直通式(七)给水分配阀、减压阀、旋塞阀、蝶阀、输水阀、隔膜阀结构形式代号:注明:结构形式如为杠杆式安全阀,在结构形式代号前加“G”,1代表单杆微启,2代表单杆全启,3代表双杆微启,4代表双杆全启.5、密封面材质代号:(用汉语拼音字母表示)注:当阀座与阀瓣材质不同时,用底硬度材料代号表示(隔膜阀除外)即:H合金钢Y硬质合金F氟塑料T铜合金P渗硼钢X橡胶N尼龙塑料B锡基轴承合金(巴氏合金)Q衬铅J衬胶C、P 陶瓷、渗硼钢W本体材质( 碳化钨硬质合金)6、公称压力代号:公称压力数值用阿拉伯数字直接表示,并用短线与前五个单元分开。
阀门型号大全
阀门是一种用来控制流体通道的装置,其种类繁多,不同的场合需要选择不同
型号的阀门。
本文将对几种常见的阀门型号进行分类和介绍。
闸阀
闸阀是一种起关断作用的阀门,适用于需要完全关闭或完全打开流体通道的场合,如常见的自来水管道。
根据结构形式可分为平板闸阀、斜板闸阀、引导式闸阀等不同型号。
球阀
球阀是一种旋转开关的阀门,通过旋转球体实现通道的开关。
球阀结构简单、
密封性好,广泛用于管道系统的控制。
蝶阀
蝶阀是一种以阀芯为圆盘形状的阀门,适用于大口径管道系统,具有结构简单、开闭迅速等特点。
压力阀
压力阀是一种用来调节系统压力的阀门,根据不同的使用场合可分为减压阀、
增压阀、安全阀等不同型号。
止回阀
止回阀是一种用来防止流体倒流的阀门,常常安装在管道的出口处,有效防止
系统遭受逆流的影响。
蒸汽阀
蒸汽阀是一种用来控制蒸汽流量的阀门,主要应用于蒸汽系统中,确保系统正
常运行及安全性。
不同型号的阀门在工业及民用领域都有着重要的作用,正确选择适合的阀门型
号对系统的运行效率和安全性至关重要。
希望本文对阀门型号有一定的了解和认识,有助于读者在实际应用中做出正确选择。
阀门型号大全阀门的初学者总是误认为水龙头是阀门。
实则非也,水龙头严格意义上属于卫浴系列的。
阀门则分为闸阀,截止阀,蝶阀,高压阀,低压阀,衬氟阀,安全阀,泄压阀,防腐阀,过滤器,止回阀,减压阀,过流阀,陶瓷阀,中压阀,高温阀,低温阀等等。
一、分类▍按动力分1自动阀门依靠介质自身的力量进行动作的阀门。
如止回阀、减压阀、疏水阀、安全阀等。
2驱动阀门依靠人力、电力、液力、气力等外力进行操纵的阀门。
如截止阀、节流阀、闸阀、碟阀、球阀、旋塞阀等。
▍按结构特性分1截门形:关闭件沿着阀座中心线移动。
2闸门形:关闭件沿着垂直于阀座的中心线移动。
3旋塞形:关闭件是柱塞或球,围绕本身的中心线旋转。
4旋启形:关闭件围绕阀座外的一个轴旋转。
5碟形:关闭件是圆盘,围绕阀座内的轴旋转。
6滑阀形:关闭件在垂直于通道的方向上滑动。
▍按用途分1开断用:用来切断或接通管路介质。
如截至阀、闸阀、球阀、旋塞阀等。
2调节用:用来调节介质的压力或流量。
如减压阀、调节阀。
3分配用:用来改变介质的流向,起分配作用。
如三通旋塞、三通截止阀等。
4止回用:用来防止介质倒流。
如止回阀。
5安全用:在介质压力超过规定数值时,排放多余介质,以保证设备安全。
如安全阀、事故阀。
6阻气排水用:留存气体,排除凝结水。
如疏水阀。
▍按操纵方法分1手动阀门:借助手轮、手柄、杠杆、链轮、齿轮、蜗轮等,由人力来操纵的阀门。
2电动阀门:借助电力来操纵的阀门。
3气动阀门:借助压缩空气来操纵的阀门。
4液动阀门:借助水、油等液体,传递外力来操纵的阀门。
▍按压力分1真空阀:绝对压力小于1公斤/厘米2的阀门。
2低压阀:公称压力小于16公斤/厘米2的阀门。
3中压阀:公称压力25-64公斤/厘米2的阀门。
4高压阀:公称压力100-800公斤/厘米2的阀门。
5超高压:公称压力达到或大于1000公斤/厘米2的阀门。
▍按介质温度分1普通阀门:适用于介质工作温度-40至450℃的阀门。
2高温阀门:适用于介质工作温度450至600℃的阀门。
阀门的分类及型号
阀门按照其功能和结构可以分为多种类型,下面是一些常见的阀门分类及型号:
1.截止阀:用于切断流体流动的阀门,常见型号有A型截止阀、B型截止阀等。
2.球阀:通过旋转球体来控制流体的流动,常见型号有A型球阀、B型球阀等。
3.蝶阀:通过旋转圆盘来控制流体的流动,常见型号有A型蝶阀、B型蝶阀等。
4.安全阀:用于保护管道系统或设备的安全阀门,常见型号有A型安全阀、B型安全阀等。
5.调节阀:用于调节流体流量、压力和温度的阀门,常见型号有A型调节阀、B型调节阀等。
6.止回阀:用于防止流体倒流的阀门,常见型号有A型止回阀、B型止回阀等。
7.旋塞阀:通过旋转塞体来控制流体的流动,常见型号有A型旋塞阀、B型旋塞阀等。
8.电动阀:通过电动装置控制阀门的开闭,常见型号有A型电动阀、B型电动阀等。
9.气动阀:通过气动装置控制阀门的开闭,常见型号有A型气动阀、B型气动阀等。
10.液压阀:通过液压装置控制阀门的开闭,常见型号有A型液压阀、B型液压阀等。
请注意以上型号仅为示例,实际中需要根据具体的使用情况和需求选择符合要求的阀门型号。
阀门型号及含义说明、通用阀门:所有阀门型号都有下面七个单元组成:1 2 3 4 5 ——6 7通常应表示阀门类型、驱动方式、连接形式、结构特点、密封面材1、阀门类型代号:即:Z闸阀J截止阀L节流阀H止回阀和底阀Q球阀X旋塞阀D蝶阀A安全阀S蒸汽疏水阀丫减压阀G隔膜阀注明:当阀门还具有其它功能作用或带有其它特异结构时,在阀门类型代号前再加注一个汉语拼音字母(1)阀门类型代号前加“ D”为低温阀门(低于一40C);代号前加“B” 为保温的阀门(带加热套);防火型F;缓闭型H。
(2)截止阀类型代号前加“ W”,表示波纹管密封阀门。
(3)闸阀类型代号前加“ P”表示用于排渣系统阀门,加“ X”或“ K” 为排渣用泥浆阀。
(4)在地下水用闸阀类型代号前加“ S”表示竖式安装,加“ W ”表示卧式安装。
(5)在地下水用闸阀类型代号前加“ D1 ”、“D2”表示短系列,加“ Q” 表示球蝶阀,加“ S”表示用于地下管网蝶阀。
2、传动方式代号:即:0电磁动1电磁-液动2电-液动3蜗轮(蜗杆)4正齿轮5锥齿轮6气动7液动8气-液动9电动若为手动则省略注明:对于齿轮、手柄、扳手等直接传动或自动阀门(安全阀、减压阀、疏水阀、手轮直接连接阀杆操作结构形式的阀门)本代号省略,不表示;对于气动或液动机构操作的阀门,常开式用6K、7K表示,常闭式用6B、7B表示,气动带手动用6S表示。
防爆电动装置的阀门用9B表示,户外耐热式用9R表示。
3、连接方式代号:即:1内螺纹2外螺纹4法兰式6焊接式7对夹式8卡箍9卡套4、结构形式代号阀门结构形式用1位阿拉伯数字表示,如下:(一)闸阀结构形式代号:即:0楔式弹性闸板1楔式单闸板2楔式双闸板3平行式单闸板4平行式双闸板(二)截止阀、截流阀结构形式代号:即:1直通式4角式5直流式(三)止回阀结构形式代号:即:1直通式2升降立式3升降角式6旋启单瓣式(四)安全阀结构形式代号:(五)调节阀结构形式代号:(六)球阀结构形式代号:即:1浮球直通式7固定直通式(七)给水分配阀、减压阀、旋塞阀、蝶阀、输水阀、隔膜阀结构形式代号:注明:结构形式如为杠杆式安全阀,在结构形式代号前加“G”,1代表单杆微启,2代表单杆全启,3代表双杆微启,4代表双杆全启.5、密封面材质代号:(用汉语拼音字母表示)注:当阀座与阀瓣材质不同时,用底硬度材料代号表示(隔膜阀除外)即:H合金钢丫硬质合金F氟塑料T铜合金P渗硼钢X橡胶N尼龙塑料B锡基轴承合金(巴氏合金)Q衬铅J衬胶C、P陶瓷、渗硼钢W本体材质(碳化钨硬质合金)6、公称压力代号:公称压力数值用阿拉伯数字直接表示,并用短线与前五个单元分开。
管道阀门的种类及型号表管道阀门是一种用于控制管路介质流动的设备,广泛应用于石油、化工、冶金、电力等领域。
它具有结构简单、使用方便、耐腐蚀、密封性良好等优点,在管道工程中有很重要的作用。
为了方便阀门的管理和选择,制定了管道阀门的种类及型号表。
一、阀门种类1.截止阀:用于关闭管路,阻止介质流动。
2.闸阀:用于快速切断管路,介质流动时的阻力小。
3.球阀:结构紧凑,通道内部畅通,使用范围广。
4.蝶阀:结构简单,体积小,适用于大量流量的管道。
5.止回阀:防止介质倒流,保证管道的单向流动。
二、阀门型号表1.截止阀:(1)Z41W-10C:口径为10mm,工作压力为1.6MPa,适用于石油、化工等行业。
(2)Z45X-10C:口径为50mm,工作压力为1.0MPa,适用于给水、热水等行业。
2.闸阀:(1)Z41H-16P:口径为80mm,工作压力为1.6MPa,适用于污水、海水等介质。
(2)Z45T-16P:口径为100mm,工作压力为1.6MPa,适用于工业给水、循环水等介质。
3.球阀:(1)Q41F-16P:口径为50mm,工作压力为1.6MPa,适用于油品、天然气等。
(2)Q45F-16P:口径为100mm,工作压力为1.6MPa,适用于化工、制药等。
4.蝶阀:(1)D41X-16P:口径为150mm,工作压力为1.6MPa,适用于建筑、水处理等。
(2)D45T-16P:口径为300mm,工作压力为1.6MPa,适用于污水、化工等。
5.止回阀:(1)H41X-10C:口径为50mm,工作压力为1.0MPa,适用于给水、污水等。
(2)H45T-10C:口径为100mm,工作压力为1.0MPa,适用于化工、制药等。
综上所述,管道阀门种类繁多,不同型号针对不同介质和工作条件,要根据实际需求进行选择。
同时,为确保使用效果,还需严格按照使用说明和规范进行操作和维护。
国标闸阀标准尺寸表闸阀是一种用于控制介质流动的阀门,具有开启速度快、流阻小、密封性好等特点。
国标闸阀是按照国家标准制定的尺寸标准,下面将介绍一些常见的国标闸阀标准尺寸表。
1. DN尺寸标准:DN是指闸阀的公称通径,也就是阀门的内径。
国标闸阀的DN尺寸通常从DN15到DN2000不等。
以下是一些常见的DN尺寸和对应的内径:- DN15:15mm- DN25:25mm- DN50:50mm- DN100:100mm- DN200:200mm- DN500:500mm- DN1000:1000mm- DN2000:2000mm2. PN尺寸标准:PN是指闸阀的公称压力,也就是阀门能够承受的最大压力。
国标闸阀的PN尺寸通常有PN1.0、PN1.6、PN2.5、PN4.0、PN6.4、PN10和PN16等级。
不同等级的PN对应着不同的工作压力范围。
3. 阀体尺寸标准:阀体是闸阀的主体部分,它的尺寸标准包括阀体长度、连接方式和法兰尺寸等。
国标闸阀的阀体长度一般符合GB/T12234标准,长度分为短型、正常型和加长型。
连接方式可以是法兰连接、对焊连接或螺纹连接等。
法兰尺寸一般符合GB/T17241.6标准,有不同的类别和型号供选择。
4. 闸板尺寸标准:闸板是控制介质流动的关键部件,其尺寸标准包括闸板宽度、闸板厚度和闸板直径等。
根据国标,闸板的宽度一般为阀门公称通径的1/4到1/6,闸板的厚度一般为阀门公称通径的1/20到1/15,而闸板的直径一般为阀门公称通径的1/2到2/3。
5. 密封面尺寸标准:闸阀的密封面包括阀座和闸板两部分,其尺寸标准是确保阀门具有良好的密封性能的重要因素。
国标闸阀的阀座与闸板的尺寸应匹配,并按照相应标准进行设计和制造,以保证密封面的质量和适配性。
综上所述,国标闸阀标准尺寸表涵盖了闸阀的DN尺寸、PN尺寸、阀体尺寸、闸板尺寸和密封面尺寸等方面。
不同的尺寸标准可以根据实际需求进行选择,以满足不同工程项目的要求。
阀门型号编制方法阀门型号的编制方法是根据阀门的功能、结构、材质、工作条件等因素进行综合考虑,通过一定的编码方式来标识阀门的性能、规格和特点,便于用户选择和订购。
下面将详细介绍阀门型号编制的方法:一、阀门功能阀门的功能包括截止、调节、安全保护等,根据阀门的不同功能,可以采用相应的字母进行标识。
如:•G表示截止阀门,如G1表示截止阀。
•R表示调节阀门,如R1表示调节阀。
•S表示安全阀门,如S1表示安全阀。
二、阀门结构阀门结构包括阀体形式、连接方式、密封形式等,根据阀门的不同结构,可以采用特定的字母和数字进行标识。
如:•Y表示截止阀门,阀体为蝶板形,如Y1表示蝶板截止阀。
•F表示截止阀门,阀体为球形,如F1表示球形截止阀。
•S表示截止阀门,阀体为直通通形,如S1表示直通截止阀。
•连接方式用数字表示,如1表示法兰连接,2表示螺纹连接,3表示对焊连接。
•密封形式用字母表示,如A表示软密封,B表示金属密封,C表示填料密封。
三、阀门材质阀门材质包括阀体、阀盖、阀芯、阀座等部件的材质,根据阀门的材质,可以采用特定的字母和数字进行标识。
如:•C表示碳钢材质,如C1表示碳钢阀门。
•S表示不锈钢材质,如S1表示不锈钢阀门。
•H表示铸铜材质,如H1表示铸铜阀门。
四、阀门口径和压力等级阀门的口径和压力等级决定了其流量和承受的压力范围,可以采用特定的数字进行标识。
如:•阀门口径一般采用英寸或毫米进行表示,如1/2英寸表示口径为1/2,DN80表示口径为80mm。
•阀门压力等级采用标准的PN、Class或MPa进行表示,如PN10表示压力等级为10bar,Class150表示压力等级为150psi,2.5MPa表示压力等级为2.5兆帕。
五、其他特殊要求阀门还可能具有一些其他特殊要求,如特殊温度、特殊介质等,可以采用特定的字母和数字进行标识。
如:•T表示阀门适用于高温工况,如T1表示适用于高温的阀门。
•M表示阀门适用于带有颗粒杂质的介质,如M1表示适用于颗粒介质的阀门。
阀门型号的各项含义嘿,朋友们!今天咱来聊聊阀门型号那些事儿。
你说这阀门型号啊,就像是人的名字一样,每个字都有它特殊的含义呢!咱就拿常见的一个阀门型号来说吧,比如说“Z41H-16C”。
这里面的“Z”呢,就像是给阀门定了个性,告诉咱它大概是属于哪一类的。
这就好比不同性格的人,有的活泼,有的沉稳,这“Z”就是那个给阀门性格定位的标志。
然后呢,“41”这两个数字呀,就好像是阀门的独特标签。
就跟咱每个人都有自己独特的喜好和特点一样,这“41”能让我们一下子就知道这个阀门有啥特别之处。
再说说这个“H”,你看,它就像给阀门戴了顶特别的帽子,让它更加与众不同。
不同的字母代表着不同的密封材料啥的,这可重要啦,关系到阀门能不能把工作干好呢!还有后面的“16”,这就像是给阀门定了个能力指标。
就好像咱说一个人能扛起多重的东西一样,这个“16”就告诉我们这个阀门能承受多大的压力。
最后那个“C”呢,就像是给阀门穿上了一件特定颜色的衣服,表示它是用啥材料做的。
你想想看,要是没有这些型号的区分,那不乱套啦?咱要找个合适的阀门,不就跟大海捞针似的?所以说呀,这阀门型号可太重要啦!咱平常生活里也经常能看到阀门呢,比如家里的水管上可能就有。
要是咱知道了这些型号的含义,那以后遇到啥问题,咱不就能更清楚该咋处理啦?就好比咱知道了一个人的性格和特长,那跟他打交道不就更得心应手啦?而且啊,这阀门型号就像是一个隐藏的密码,只有懂的人才能解开它的秘密。
你一旦掌握了这个密码,那在阀门的世界里就能游刃有余啦!总之呢,可别小瞧了这阀门型号,它里面的学问大着呢!咱得好好琢磨琢磨,这样以后用到阀门的时候才能选到最合适的那个呀!这就是我对阀门型号的理解,你们觉得是不是这么个理儿呢?原创不易,请尊重原创,谢谢!。
1. 闸阀闸阀也叫闸板阀,是一种广泛使用的阀门。
它的闭合原理是闸板密封面与阀座密封面高度光洁、平整一致,相互贴合,可阻止介质流过, 并依靠顶模、弹簧或闸板的模形,来增强密封效果。
它在管路中主要起切断作用。
它的优点是 : 流体阻力小,启闭省劲,可以在介质双向流动的情况下使用, 没有方向性,全开时密封面不易冲蚀, 结构长度短,不仅适合做小阀门, 而且适合做大阀门。
闸阀按阀杆螺纹分两类,一是明杆式 , 二是暗杆式.按闸板构造分 , 也分两类 , 一是平行 , 二是模式.2. 截止阀截止阀, 也叫截门,是使用最广泛的一种阀门, 它之所以广受欢迎, 是由于开闭过程中密封面之间摩擦力小, 比较耐用,开启高度不大,制造容易, 维修方便, 不仅适用于中低压,而且适用于高压。
它的闭合原理是, 依靠阀杠压力,使阀瓣密封面与阀座密封面紧密贴合, 阻止介质流通。
截止阀只许介质单向流动, 安装时有方向性。
它的结构长度大于闸阀,同时流体阻力大, 长期运行时,密封可靠性不强。
截止阀分为三类:直通式、直角式及直流式斜截止阀。
3。
蝶阀蝶阀也叫蝴蝶阀,顾名思义, 它的关键性部件好似蝴蝶迎风, 自由回旋。
蝶阀的阀瓣是圆盘,围绕阀座内的一个轴旋转, 旋角的大小,便是阀门的开闭度.蝶阀具有轻巧的特点,比其他阀门要节省材料,结构简单, 开闭迅速, 切断和节流都能用,流体阻力小,操作省力。
蝶阀, 可以做成很大口径。
能够使用蝶阀的地方, 最好不要使闸阀, 因为蝶阀比闸阀经济, 而且调节性好。
目前, 蝶阀在热水管路得到广泛的使用。
4。
球阀球阀的工作原理是靠旋转阀恋来使阀门畅通或闭塞。
球阀开关轻便, 体积小, 可以做成很大口径, 密封可靠,结构简单,维修方便,密封面与球面常在闭合状态,不易被介质冲蚀,在各行业得到广泛的应用。
球阀分两类,一是浮动球式, 二是固定球式.5。
旋塞阀旋塞阀是依靠旋塞体绕阀体中心线旋转,以达到开启与关闭的目的。
它的作用是切断、分田和改变介质流向。
阀门型号及含义说明一、通用阀门:所有阀门型号都有下面七个单元组成:1 2 3 4 5 ——6 7通常应表示阀门类型、驱动方式、连接形式、结构特点、密封面材料、公称压力、阀体材料等。
以下图为例:1、阀门类型代号:即:Z 闸阀J截止阀L节流阀H止回阀和底阀Q球阀X旋塞阀D蝶阀A安全阀S蒸汽疏水阀Y减压阀G隔膜阀注明:当阀门还具有其它功能作用或带有其它特异结构时,在阀门类型代号前再加注一个汉语拼音字母(1)阀门类型代号前加“D”为低温阀门(低于-40℃);代号前加“B”为保温的阀门(带加热套);防火型F;缓闭型H。
(2)截止阀类型代号前加“W”,表示波纹管密封阀门。
(3)闸阀类型代号前加“P”表示用于排渣系统阀门,加“X”或“K”为排渣用泥浆阀。
(4)在地下水用闸阀类型代号前加“S”表示竖式安装,加“W”表示卧式安装。
(5)在地下水用闸阀类型代号前加“D1”、“D2”表示短系列,加“Q”表示球蝶阀,加“S”表示用于地下管网蝶阀。
2、传动方式代号:即:0电磁动1电磁-液动2电-液动3蜗轮(蜗杆)4正齿轮5锥齿轮6气动7液动8气-液动9电动若为手动则省略注明:对于齿轮、手柄、扳手等直接传动或自动阀门(安全阀、减压阀、疏水阀、手轮直接连接阀杆操作结构形式的阀门)本代号省略,不表示;对于气动或液动机构操作的阀门,常开式用6K、7K表示,常闭式用6B、7B表示,气动带手动用6S表示。
防爆电动装置的阀门用9B表示,户外耐热式用9R表示。
3、连接方式代号:即:1内螺纹2外螺纹4法兰式6焊接式7对夹式8卡箍9卡套4、结构形式代号阀门结构形式用1位阿拉伯数字表示,如下:(一)闸阀结构形式代号:即:0楔式弹性闸板1楔式单闸板2楔式双闸板3平行式单闸板4平行式双闸板(二)截止阀、截流阀结构形式代号:即:1直通式4角式5直流式(三)止回阀结构形式代号:代号 1 2 3 4 5 6 7 8 9结构型式升降式阀瓣旋启式阀瓣升降式阀瓣蝶式直通流道立式结构角式结构单瓣结构多瓣结构双瓣结构直流式节流再循环式即:1直通式2升降立式3升降角式6旋启单瓣式(四)安全阀结构形式代号:(五)调节阀结构形式代号:(六)球阀结构形式代号:即:1浮球直通式7固定直通式(七)给水分配阀、减压阀、旋塞阀、蝶阀、输水阀、隔膜阀结构形式代号:注明:结构形式如为杠杆式安全阀,在结构形式代号前加“G”,1代表单杆微启,2代表单杆全启,3代表双杆微启,4代表双杆全启.5、密封面材质代号:(用汉语拼音字母表示)注:当阀座与阀瓣材质不同时,用底硬度材料代号表示(隔膜阀除外)即:H合金钢Y硬质合金F氟塑料T铜合金P渗硼钢X橡胶N尼龙塑料B锡基轴承合金(巴氏合金)Q衬铅J衬胶C、P 陶瓷、渗硼钢W本体材质( 碳化钨硬质合金)6、公称压力代号:公称压力数值用阿拉伯数字直接表示,并用短线与前五个单元分开。
阀门选用指南1.阀门类型根据管路系统设计的需要或阀门的作用、功能和安装位置等选定阀类,并应核对阀门的设计制造标准. 2。
传动方式根据阀门参数、功能要求和工作环境等实际使用条件的需要选择。
阀门可按客户在订货合同中写明所选定的驱动装置型号及生产厂家配装手动、电动、液动、气动和电动执行机构等各类传动装置。
3.阀门材料阀体、阀座密封面或衬里等材料根据使用介质的组成及特性和最高工作温度、压力来选定.(参见JB/T5300—91 《通用阀门材料》标准)。
附:各种材料阀门的适用范围4.公称压力(压力等级)公称压力系指阀门在指定温度下允许的工作压力,用 PN 表示。
按 GB1048 或有关标准的规定根据管路设计的工作压力和工作温度及材质并对照压力温度等级标准来选定。
国标阀门采用的讲师单位为 Mpa (兆帕),与常用的计量单位换算如下:Mpa = 1bar (巴)= 1.02kgf/cm 2与磅级阀门常用的计量单位bf/in ②(磅力 / 口寸②)换算如下:1 bf/in ②= 0.0069 Mpa = 0.07 kgf/cm2 附:磅级、“ K ”级和公称压力对照表(供参考)注:Ⅰ . 由于公称压力和磅级的温度基准不同,因此两者没有严格的对应关系,上表只是大致可参照的对应关系。
Ⅱ 。
表中“ K ”级是日本标准中的一种压力等级。
5 .连接形式一般采用法兰、焊接(对焊、承、承插焊)和螺纹连接等方式。
连接端的尺寸和形式一般根据公称压力、通径和材质等要求按有关标准选定。
对国标阀门说明如下:1. 法兰连接尺寸和密封面型式可按 GB9113 、 GB9115 、 GB4261 和原机标 JB79 、 JB78 等有关标准选定。
如与本样本所选标准或尺寸一符时,则须在订货合同中注明。
2. 对焊端连接按GB12224 的规定.3.承插焊端连接按 JB/T1751 的规定。
4. 内螺纹连接按 GB7306 圆锥管螺纹的规定。
5. 外螺纹连接按 FB7307 管螺纹或 GB196 、 GB197 普通螺纹的规定。
阀门型号编制方法
阀门型号通常应表示出阀门类型、驱动方式、连接形式、结构
特点、密封面材料、阀体材料和公称压力等要素。
阀门型号:“Z961Y-100I DN150” 这是个完整的闸阀型号,讲编
制里头不包括最后的“DN150”这个是阀门口径为150mm的意思,好
理解的。
前面部分:“Z961Y-100I”根据上面的顺序图对入座,如下:
“Z”是1单元;“9”是2单元;“6”是3单元;“1”是
4单元;“Y”是5单元;“100”是6单元;“I”是7单元
这个阀门型号意义为:闸阀、电动驱动、焊接连接、楔式单闸板、硬质合金密封、10Mpa压力、铬钼钢阀体材质。
一单元:阀门类型代号
具有其他作用功能或带有其他特异机构的阀门,在阀门类型代号前再加注一个汉语
拼音字母,按下表的规定
七单元:阀体材料
2.阀门的公称压力
GB/T 1048-2005标准规定,阀门的公称压力也是一个标识,由符号“PN”和数字的组合表示,公称压力不能应用于计算目的,不代表阀门的实际测量值,公称压力的建立目的是简化阀门压力的规格数量,在选用时,设计单位、制造单位和使用单位均遵循向此规定最临近的数据靠的原则,公称尺寸的建立也是相同目的。
公称压力分欧洲体系和美洲体系。
中国的公称压力就是用欧洲体系标准。
规格如下:
PN 2.5 PN6 PN10 PN16 PN25 PN40 PN63/64 PN100/110 PN150/160 PN260 PN320 PN420。