基础轴线、基槽、定位记录表
- 格式:doc
- 大小:261.00 KB
- 文档页数:10
地基验槽记录表通用版
地基验槽记录表
工程名称:××县xxxxxxxxxx工程
工程编号:2020-001
工程部位:基坑
验槽日期:2020年01月26日
项次 | 项目 | 地基形式(人工或天然) | 持力层土质和地耐力 | 地基土的均匀、密致程度 | 基底标高 | 基槽轴线位移 | 基槽尺寸 | 地下水位标高及处理 | 开挖时间 | 完成时间 | 验收情况|
1 | 轴~9轴 | 天然地基 | 砂砾土、210KPa/m
2 | 符合要求 | -3.500m | 符合施工规范规定 | 满堂开挖(总长45.2m、总宽18.6m) | -3.300m,采用集水坑抽排附图 | 2020年01月20日 | 2020年01月25日 | 符合设计要求。
|
基坑剖面图:
0.300m龙门板
3.300水位
3.500m
45.2m×18.6m
施工单位意见:符合设计要求。
项目经理:XXX
项目技术负责人:xxx
施工单位(公章):2020年01月26日
监理单位意见:符合设计要求。
XXX:XXX
监理单位(公章):2020年01月26日
设计单位意见:该地基土质符合要求,同意封底。
结构专业负责人:
设计单位(公章):2020年01月26日
建设单位意见:同意进入下道工序的施工。
项目负责人:
建设单位(公章):2020年01月26日。
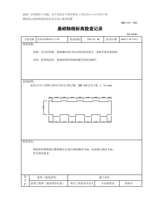
谢谢!再请教你个问题:是不是按这个顺序报验:工程定位—土方开挖—基槽验线—基础轴线标高检查记录—地基验槽DB15/427—2005基础轴线标高检查记录C01-5-03-001内质检软件登记号:64190163DB15/427—2005 基槽验线记录C01—5-02-001内质检软件登记号:64190163DB15/427—2005工程定位测量记录C01-5-01—001监理工程师:技术负责人:抄测人:(建设单位项目负责人)施工员: 质检员: 复测人:内质检软件登记号:64190163DB15/427-2005工程定位测量记录C01-5—01—001监理工程师:技术负责人:抄测人:(建设单位项目负责人)施工员:质检员:复测人:内质检软件登记号:64190163DB15/427—2005基础轴线标高检查记录C01-5—03—001内质检软件登记号:64190163DB15/427—2005 基槽验线记录C01—5—02-001内质检软件登记号:64190163DB15/427—2005工程定位测量记录C01-5-01-001监理工程师:技术负责人:抄测人:(建设单位项目负责人)施工员:质检员:复测人:内质检软件登记号:64190163DB15/427—2005工程定位测量记录C01—5—01-001监理工程师:技术负责人:抄测人:(建设单位项目负责人)施工员:质检员: 复测人:内质检软件登记号:64190163现场土包分布图项目名称开工时间工程规模投资金额工程项目内容。
基础轴线标高检查记录
C01-5-03-001
内质检软件登记号:64190163
基槽验线记录
C01-5-02-001
内质检软件登记号:64190163
C01-5-01-001
监理工程师:技术负责人:抄测人:
(建设单位项目负责人)
施工员:质检员:复测人:
内质检软件登记号:64190163
C01-5-01-001
监理工程师:技术负责人:抄测人:
(建设单位项目负责人)
施工员:质检员:复测人:
内质检软件登记号:64190163
基础轴线标高检查记录
C01-5-03-001
内质检软件登记号:64190163
基槽验线记录
C01-5-02-001
内质检软件登记号:64190163
C01-5-01-001
监理工程师:技术负责人:抄测人:
(建设单位项目负责人)
施工员:质检员:复测人:
内质检软件登记号:64190163
C01-5-01-001
监理工程师:技术负责人:抄测人:
(建设单位项目负责人)
施工员:质检员:复测人:
内质检软件登记号:64190163
现场土包分布图。
基槽验线记录编号×××
工程名称××小区工程日期××××年××月××日
验线依据及内容如下。
依据:①施工图(图号××),设计变更、洽商(编号×××);②该工程施工测量方案;③定位轴线控制网。
内容:根据主控轴线和基底平面图,检验建筑物基底外轮廓线、集水坑(电梯井坑)、垫层标高、基槽断面尺寸及边坡坡度(1∶0.5)等。
基槽平面、剖面简图:
检查意见:
经检查,①~○11/○A~○B轴为基底控制轴线、垫层标高(误差:-1mm),基槽开挖的断面尺寸(误差:+2mm),坡底边线、坡度等各项指标符合设计要求及该工程施工测量方案规定,可进行下道工序施工。
签字栏
建设(监理)单位
施工测量单位××建筑工程公司
专业技术负责人专业质检员施测人
××××××××××××。
基槽及各层测量放线记录
施测单位:山西四建四分公司日期:2007 年11月24日编号:
基槽及各层测量放线记录
施测单位:山西四建四分公司日期:2007 年11月22日编号:
基槽及各层测量放线记录
施测单位:山西四建四分公司日期:2007 年12月2日编号:
基槽及各层测量放线记录
施测单位:山西四建四分公司日期:2007 年11月30日编号:
基槽及各层测量放线记录
施测单位:山西四建四分公司日期:2007 年12月2日编号:
基槽及各层测量放线记录
施测单位:山西四建四分公司日期:2007 年11月15日编号:
基槽及各层测量放线记录
施测单位:山西四建四分公司日期:2007 年9 月23日编号:
基槽及各层测量放线记录
施测单位:山西四建四分公司日期:2007 年12月26日编号:
基槽及各层测量放线记录
施测单位:山西四建四分公司日期:2007 年12月29日编号:
基槽及各层测量放线记录
施测单位:山西四建四分公司日期:2007 年12月19日编号:
基槽及各层测量放线记录
施测单位:山西四建四分公司日期:2007 年12月22日编号:
基槽及各层测量放线记录
施测单位:山西四建四分公司日期:2007 年12月11日编号:
基槽及各层测量放线记录
施测单位:山西四建四分公司日期:2007 年12月15日编号:
基槽及各层测量放线记录
施测单位:山西四建四分公司日期:2007 年12月7日编号:。
日期
本表由建设单位、施工单位、城建档案馆各保存一份。
工程名称××综合楼签
字
栏建设(监理)单位 经检查:1-11/A-B 轴为基底控制轴线,垫层标高(误差:-1mm ),基槽开挖的断面尺寸(误差:+2mm ),坡度边线、坡度等各项指标符合设计要求、《建筑工程测量规程》(DBJ01-21-95)及本工程《施工测量方案》规定,可进行下道工序施工。
×××××建筑工程公司基槽平面、剖面简图:
专业技术负责人
×××检查意见:
专业质检员施测人××××××
验线依据及内容:
施工测量单位
编号基槽验线记录
表C3-2
依据:1、施工图纸(图号××)设计变更/洽商(编号××);
2、《建筑工程施工测量规程》(DBJ01-21-95);
3、本工程《施工测量方案》;
4、定位轴线控制网。
内容:根据主控轴线和基底平面图,检验建筑物基底外轮廓线、集水坑(电梯井坑)、垫层标高、基槽断面尺寸及边坡坡度(1:0.5)等。
塔吊基础制作工艺(与大家共勉)
地基验槽记录
注:基槽完成后,建设或监理单位应组织有关单位进行质量验收,并按规定的内容填写和签署意见,工程建设参与各方按规定承担相应质量责任。
塔吊基础制作工艺(与大家共勉)
广西工程质量安全监督总站统一印制地基验槽记录
塔吊基础制作工艺(与大家共勉)
注:基槽完成后,建设或监理单位应组织有关单位进行质量验收,并按规定的内容填写和签署意见,工程建设参与各方按规定承担相应质量责任。
广西工程质量安全监督总站统一印制。
谢谢!再请教你个问题:是不是按这个顺序报验:工程定位—土方开挖—
基槽验线—基础轴线标高检查记录—地基验槽
DB15/427—2005
基础轴线标高检查记录
C01-5-03-001
内质检软件登记号:64190163
DB15/427—2005基槽验线记录
C01-5-02-001
内质检软件登记号:64190163
DB15/427—2005工程定位测量记录
C01-5-01-001
(建设单位项目负责人)
施工员:质检员:复测人:
内质检软件登记号:64190163
DB15/427—2005
工程定位测量记录
C01-5-01-001
(建设单位项目负责人)
施工员:质检员:复测人:
内质检软件登记号:64190163
DB15/427—2005
基础轴线标高检查记录
C01-5-03-001
内质检软件登记号:64190163
DB15/427—2005基槽验线记录
C01-5-02-001
内质检软件登记号:64190163
DB15/427—2005工程定位测量记录
C01-5-01-001
(建设单位项目负责人)
施工员:质检员:复测人:
内质检软件登记号:64190163
DB15/427—2005
工程定位测量记录
C01-5-01-001
(建设单位项目负责人)
施工员:质检员:复测人:
内质检软件登记号:64190163
现场土包分布图
开工时间
工程规模
投资金额
工程项目内容。