桔梗质量标准及检验操作规程
- 格式:doc
- 大小:49.50 KB
- 文档页数:4
GMP管理文件一、目的:为规定桔梗饮片的内控质量标准控制范围,特制定本标准。
二、标准依据:《中华人民共和国兽药典》2010年版二部。
三、适用范围:适用于桔梗饮片的检查验收。
四、责任者:QC检验员。
五、正文1 品名:桔梗饮片2 代号:Z0043 内控质量标准:3.1性状:本品呈椭圆形或不规则厚片。
外皮多已除去或偶有残留。
切面皮部类白色,较窄;形成层环纹明显,棕色;木部宽,有较多裂隙。
气微,味微甜后苦。
3.2鉴别:3.2.1取本品,切片,用稀甘油装片,置显微镜下观察,可见扇形或类圆形的菊糖结晶。
3.2.2 取本品粉末1g,加7%硫酸乙醇-水(1:3)混合溶液20ml,加热回流3小时,放冷,用三氯甲烷振摇提取2次,每次20ml,合并三氯甲烷液,加水洗涤2次,每次30ml,弃去洗液,三氯甲烷液用无水硫酸钠脱水,滤过,滤液蒸干,残渣加甲醇1ml使溶解,作为供试品溶液。
另取桔梗对照药材1g,同法制成对照药材溶液。
照薄层色谱法试验,吸取上述两种溶液各10μl,分别点于同一硅胶G薄层板上,以三氯甲烷-乙醚(2:1)为展开剂,展开,取出,晾干,喷以10%硫酸乙醇溶液,在105℃加热至斑点显色清晰。
供试品色谱中,在与对照药材色谱相应的位置上,显相同颜色的斑点。
3.3 检查:3.3.1水分:照《水分测定法标准操作规程》项下的第一法测定,不得过12.0%。
3.3.2总灰分:照《灰分测定法标准操作规程》测定,不得过5.0%。
3.3.3 浸出物:照《浸出物测定法标准操作规程》中的醇溶性浸出物测定法项下的热浸法测定,用乙醇作溶剂,不得少于17.0%。
3.4 含量测定:照《高效液相色谱法标准操作规程》测定。
3.4.1色谱条件与系统适用性试验以十八烷基硅烷键合硅胶为填充剂;以乙腈-水(25:75)为流动相;蒸发光散射检测器检测。
理论板数按桔梗皂苷峰计算应不低于3000。
3.4.2对照品溶液的制备取桔梗皂苷D对照品适量,精密称定,加甲醇制成每1ml含0.5mg的溶液,即得。
XXXXXXXXX有限公司
一、目的:建立桔梗药材、饮片的质量标准,确保投用药材、饮片的质量。
二、范围:本规定适用于桔梗药材、饮片的质量控制。
三、责任:
四、内容:
1.标准来源
2015年版《中国药典》一部、药品检验补充检验方法和检验项目批准件2.技术要求
2.1桔梗药材:
2.2桔梗饮片:
3.贮存条件:置通风干燥处,防蛀。
4.相关标准操作规程:桔梗检验操作规程(SOP-ZL-JG(YL)-032)、物料取样标准操作规程(SOP-ZL-QA-001)。
5.企业统一指定的物料名称:与2015年版《中国药典》一部一致。
6.内部使用的物料代码:1101076。
7.经批准的供应商:见合格供应商目录。
8.印刷包装材料的实样或样稿:无此项内容。
9.注意事项:无此项内容。
10.复验期:执行“物料有效期及复验期管理规程(SMP-WL-008)”相关规定。
11. 文件附件:共0份。
12.修订及变更历史:。
桔梗生产工艺规程目的:制定一个规范的桔梗生产工艺规程,保证产品在生产、储存、销售过程中符合质量标准要求。
范围:本工艺规程适用于桔梗饮片炮制的全过程。
责任:各级生产管理人员及操作人员、质量部QA 人员负责本规程的实施。
内容:制定依据:《中华人民共和国药典》2015年版。
生产操作:依照公司《生产管理文件(SMP )》与《生产岗位标准操作规程(SOP )》及本工艺规程内容进行。
来源:本品为桔梗科植物桔梗Platycodon 、grandiflorum (Jacq.)A.DC.干燥根。
春、秋二季采挖,洗净,除去须根,趁鲜剥去外皮或不去外皮,干燥。
功能主治:宣肺,利咽,祛痰,排脓。
用于咳嗽痰多,胸闷不畅,咽痛音哑,肺痈吐脓。
贮藏:置通风干燥处,防蛀。
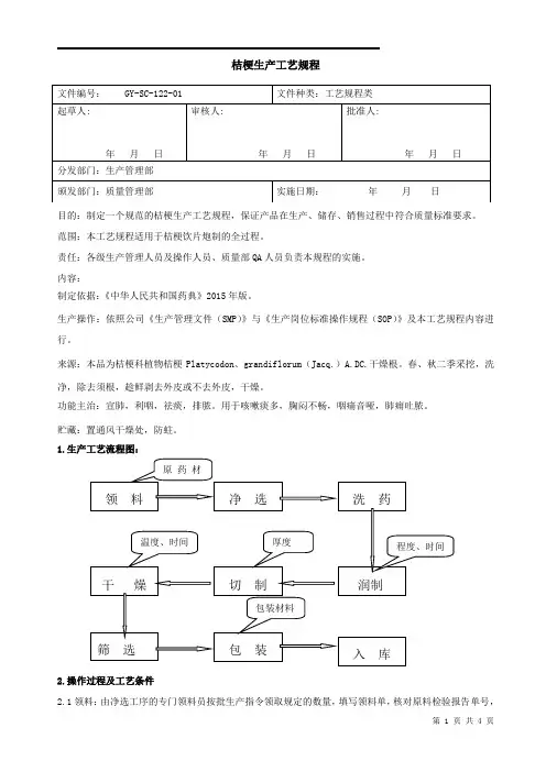
1.生产工艺流程图:2.操作过程及工艺条件2.1领料:由净选工序的专门领料员按批生产指令领取规定的数量,填写领料单,核对原料检验报告单号,确保相同来源相同质量标准的桔梗为一批。
2.2净选:将桔梗原药材置操作间内拣选台上,去净杂质、霉变等不符合要求的部分。
置周转箱内,转入下一道工序。
本工序收率应为90-100%。
2.3洗药:将净选后的桔梗放入循环水清洗机,使用饮用水喷淋洗涤,直至冲洗干净。
以见本色、无尘土杂质为标准。
置周转箱内,转入下道工序。
2.4润制:将喷洗后的桔梗放入洗润药池,喷淋清水,润至软化无硬心,润制时间约100分钟,润后的桔梗应松软适中。
置周转箱内,转入下一道工序。
2.5切制:取浸润后的桔梗,用转盘式切药机切制,本品的片厚为2-4mm,调整刀与刀口的距离3mm。
试切,合格后开始操作,片形应匀称,片厚应均匀。
(切制开始时检查一次片厚,每次检查3-5片,切制过程中每10分钟检查一次片厚)置周转箱内,转入下一道工序。
2.6干燥:将切制后的桔梗用敞开式烘箱或热风循环烘箱烘干,温度为70-80℃,烘干时间约200分钟,饮片干燥后应色泽一致,取出放凉。
置周转箱内,转入下一道工序。
1.目的:建立桔梗检验操作规程,保证检验人员操作规范化、标准化,确保公司产品质量。
2 范围:本规程适用于生产用原料药桔梗的检验。
3.责任:质量部、QC检验员、QC主管、QA主管。
4.执行标准:《中国药典》2010年版一部第259页、TL-YL-084-1。
5.内容:
5.1性状本品呈圆柱形或略呈纺锤形,下部渐细,有的有分枝,略扭曲,长7~20cm,直径O.7~2cm。
表面白色或淡黄白色,不去外皮者表面黄棕色至灰棕色,具纵扭皱沟,并有横长的皮孔样斑痕及支根痕,上部有横纹。
有的顶端有较短的根茎或不明显,其上有数个半月形茎痕。
质脆,断面不平坦,形成层环棕色,皮部类白色,有裂隙,木部淡黄白色。
气微,味微甜后苦。
5.2鉴别
5.2.1本品横切面:木栓细胞有时残存,不去外皮者有木栓层,细胞中含草酸钙小棱晶。
栓内层窄。
韧皮部乳管群散在,乳管壁略厚,内含微细颗粒状黄棕色物。
形成层成环。
木质部导管单个散在或数个相聚,呈放射状排列。
薄壁细胞含菊糖。
秸秆质量检验标准
秸秆质量检验标准(以下简称标准)是指对秸秆质量进行检验和评价所遵循的技术规范和要求。
秸秆质量检验的目的是保证秸秆的质量符合相关的技术指标,以满足秸秆的利用需求和产品质量要求。
标准一般包括以下方面的内容:
1.外观质量:包括秸秆的颜色、形状、长度、直径等方面的要求。
2.物理性质:包括秸秆的密度、含水率、灰分、含碳量等方面的指标。
3.化学成分:包括秸秆的纤维素、半纤维素、木质素、灰分等成分的含量。
4.营养价值:包括秸秆的粗蛋白质、粗纤维、粗脂肪、矿物质含量等。
5.微生物指标:包括秸秆中微生物菌群数量、有害微生物的检测等。
6.重金属含量:包括秸秆中重金属元素如汞、铅、镉、铬等的含量。
7.农药残留:包括秸秆中农药残留量的检测和控制。
8.其他指标:根据不同的利用需求和产品要求,可以设置其他相关的检测指标。
标准的具体内容和要求可以根据国家、地区的法规要求、行业标准、企业内部规定等进行制定和执行。
标准的制定有利于统一秸秆质量检验的标准和方法,提高秸秆利用的效率和质量,保证秸秆产品的安全性和可行性。
中药材桔梗生产质量管理规范(GAP)标准系列之一桔梗规范化生产标准操作规程(讨论稿)Standard operating procedureFor Radix Platycodonis Standardization Production山东中医药大学山东鼎立有限责任公司2004年6月20日前言为保证中药材的优质安全无公害并具可控性,提高质量,稳定可控的中药原料,国家科技部正在积极探索药材生产管理规范化(Good Agriculture Practice,GAP)的实施,并推行中药材生产基地建设。
桔梗是我国传统常用的大宗中药材,有悠久的应用历史。
为规范桔梗药材生产全过程,保证桔梗药材质量符合标准,以满足制药企业和医疗保健事业的需要,以国家药品监督管理局发布的“中药材生产质量管理规范”(简称中药材GAP)为基本原则,在国家科技部的支持下,更加对桔梗栽培特点以及生产中存在的主要问题的调查研究,如“白芍种植情况的调查”,包括自然条件、栽培历史、成功经验、存在问题、种子种苗调研、病虫害种类及危害情况与防治措施进行了调研。
在查阅大量技术资料,深入产区总结经验和播种方式、种植密度、病虫害防治、肥料施用等实地论证的基础上制定了本规程。
本规程是桔梗药材生产和质量管理的基本标准,适用于桔梗药材生产基地(集约经营的基地、商品药材基地、制药原料药材基地等)桔梗药材生产的全过程。
本规程的实施对中药标准化起促进作用。
本规程起草单位:安徽亳州世纪国药有限公司中国医学科学院药用植物研究所本规程主要起草人:张丽萍杨世林杨春清薛键李建业闫宝林汪宗喜闫惠华本规程委托中国科学院植物研究所所负责解释本规程于2002年6月20日首次发布目次1内容与适用范围 (1)2引用标准 (2)3定义 (3)4具体要求 (4)4.1生态环境 (4)4.2物种或品质类型 (5)4.3选地与种植 (6)4.4繁殖 (8)4.5田间管理 (11)4.6桔梗的病虫害及其防治 (15)4.7桔梗的采收与初加工 (23)4.8桔梗留种及采收 (24)4.9质量标准及监测 (26)4.10包装、储藏及运输 (28)附桔梗药材质量标准的技术要求中药材生产质量管理规范(简称中药材GAP)桔梗规范化生产标准操作规程Standard operating procedurefor Jiegeng (Radix Platycodonis)1、内容与适用范围本规程按我国中药材GAP规范化生产的综合技术要求。
复方桔梗止咳片质量标准
复方桔梗止咳片是一种非处方药,主要用于镇咳、祛痰。
以下是该药品的质量标准:
1. 外观:片剂应完整,无缺损,表面无斑点、裂片或气泡等缺陷。
2. 重量差异:每片药的重量应在规定范围内,误差不超过±5%。
3. 崩解时限:在标准条件下,片剂应能在规定时间内崩解并通过筛网。
4. 微生物限度:应符合国家药品微生物限度标准。
5. 含量测定:应采用适当的方法对复方桔梗止咳片中的有效成分进行含量测定,以确保药品质量稳定。
6. 杂质:应限制药品中的杂质含量,以保证药品的安全性和有效性。
7. 溶出度:应采用溶出度试验来评估复方桔梗止咳片在模拟胃液中的溶出情况。
8. 稳定性:复方桔梗止咳片应具有一定的稳定性,以保证药品在使用期间的疗效和安全性。
9. 禁忌:对本品过敏者禁用,过敏体质者慎用。
10. 药物相互作用:如与其他药物同时使用可能会发生药物相互作用,详情请咨询医师或药师。
这些标准是保证复方桔梗止咳片质量的基本要求,以确保药品的安全、有效和稳定。
秸秆质量检验标准(一)秸秆质量检验标准引言随着农业技术的发展和环保意识的提高,对秸秆质量的要求越来越高。
秸秆是一种重要的农副产品,它可以作为饲料、能源和土壤改良剂等多种用途。
因此,制定一套科学合理的秸秆质量检验标准对于确保农业生产的稳定和环境保护至关重要。
秸秆外观质量检验标准1.长度:秸秆长度应符合相应作物的要求,一般不得低于10cm。
2.直径:秸秆直径应符合相应作物的要求,同时要求秸秆表面平整,无明显破损和裂纹。
3.颜色:秸秆颜色应均匀一致,无霉斑和腐烂现象。
秸秆内在质量检验标准1.含水率:秸秆含水率是影响其质量的重要指标,一般要求在15%以下。
2.纤维含量:秸秆的纤维含量直接关系到其饲料价值和能源利用率,一般要求在30%以上。
3.纯度:秸秆的纯度要求较高,不能掺杂有害物质和重金属,以保证农田和饲料的安全。
秸秆检验方法1.外观检验:通过观察秸秆的外观特征,如长度、直径、颜色等,初步判断其质量。
2.含水率测定:采用常规称重法或专用仪器检测秸秆的含水率。
3.纤维含量测定:采用经典的浸提法或化学分析法测定秸秆中的纤维含量。
4.纯度检验:采用化学分析法和微生物检测法综合判断秸秆的纯度。
结论秸秆质量检验标准的制定是农业生产的重要环节,科学合理的检验标准可以保证秸秆产品的质量稳定和安全性。
通过制定规范的检验方法,可以提高检验效率和准确性,为农业生产的可持续发展做出贡献。
以上是对秸秆质量检验标准的一些基本要求和方法介绍,希望能为相关工作提供一些参考和指导。
秸秆的有效利用对于农业可持续发展和资源循环利用具有重要意义,我们应该进一步加强研究和制定相应的政策措施,促进秸秆资源的合理利用。
XXXXXXXXX有限公司成品质量标准及检验操作规程1 品名:1.1中文名:桔梗1.2 汉语拼音:Jiegeng2 代码:3 取样文件编号:4 检验方法文件编号:5 依据:《中国药典》(2020年版第一部)。
6 质量标准:7.净药材质量标准:8 检验操作规程:8.1 试药与试剂:甘油、硫酸、乙醇、水、三氯甲烷、无水硫酸钠、甲醇、桔梗对照药材、乙醚、乙腈、桔梗皂苷D对照品、正丁醇、氨水、硅胶。
8.2 仪器与用具:显微镜、水浴锅、烘箱、硅胶G薄层板、高效液相色谱仪、二氧化硫测定仪。
8.3 性状:取本品适量,自然光下目测色泽,嗅闻气味。
8.4 鉴别:8.4.1取本品,切片,用稀甘油装片,置显微镜下观察。
8.4.2取本品粉末1g,加7%硫酸乙醇-水(1:3)混合液20ml,加热回流3小时,放冷,用三氯甲烷振摇提取2次,每次20ml,合并三氯甲烷液,加水洗涤2次,每次30ml,弃去洗液,三氯甲烷液用无水硫酸钠脱水,滤过,滤液回收溶剂至干,残渣加甲醇1ml使溶解,作为供试品溶液。
另取桔梗对照药材1g,同法制成对照药材溶液。
照薄层色谱法(附录7)试验,吸取上述两种溶液各10μl,分别点于同一硅胶G薄层板上,以三氯甲烷-乙醚(2:1)为展开剂,展开,取出,晾干,喷以10%硫酸乙醇溶液,在105℃加热至斑点显色清晰。
供试品色谱中,在与对照药材色谱相应的位置上,显相同颜色的斑点。
8.5 检查:8.5.1 水分:不得过11.0%(附录15第二法)。
8.5.2 总灰分:不得过5.0%(附录17)。
8.5.3二氧化硫残留量照二氧化硫残留量测定法(附录58)测定,不得过150mg/kg。
8.6 浸出物:照醇溶性浸出物测定法(附录19)项下的热浸法测定,用乙醇作溶剂,不得少于17.0%8.6 含量测定:照高效液相色谱法(附录8)测定。
色谱条件与系统适用性试验以十八烷基硅烷键合硅胶为填充剂,YMC-Pack ODS-A色谱柱(柱长为25cm,内径为4.6mm,粒径为5μm);以乙腈-水(25:75)为流动相;蒸发光散射检测器检测;理论板数按桔梗皂苷D峰计算应不低于3000。
原药材检验标准操作规程目的:建立一个中药饮片原药材检验标准操作程序,确保检验结果准确可靠。
适用范围:中药原药材。
责任人:质量保证部主任、质量控制部主任、化验员。
标准来源:《中华人民共和国药典》2010年版一部、《安徽省中药饮片炮制规范》。
内容:1、性状取本品适量,放入白瓷盘中,用眼观察,可见以下性状特征:本品呈圆柱形或略呈纺锤形,下部渐细,有的有分枝,略扭曲,长7~20cm,直径0.7~2cm。
表面白色或淡黄白色,不去外皮者表面黄棕色至灰棕色,具纵扭皱沟,并有横长的皮孔样斑痕及支根痕,上部有横纹。
有的顶端有较短的根茎或不明显,其上有数个半月形茎痕。
质脆,断面不平坦,形成层环棕色,皮部类白色,有裂隙,本部淡黄白色。
气微,味微甜后苦。
2、鉴别主要使用仪器:电子分析天平、电子显微镜等。
2.1显微鉴别:2.1.1 试液配制2.1.1.1 水合氯醛试液:取水合氯醛50克,加水15毫升与甘油10毫升使溶解,即得。
2.1.1.2 甘油醋酸试液:取甘油、醋酸及水各等份混匀,即得。
2.1.1.3 稀甘油:取甘油33毫升,加水稀释至100毫升,再加樟脑一小块或液化苯酚1滴,即得。
2.1.2 供试品制备横切面制备:取供试品欲观察部位,经软化处理后,用徒手切片法切成10~20μm的薄片,选取平整的薄片置载玻片上,滴加水合氯醛试液后,在酒精灯上加热透化,并滴加稀甘油,盖上盖玻片。
2.1.3 置显微镜下观察可见本品横切面:木栓细胞有时残存,不去外皮者有栓皮层,细胞中含草酸钙小棱晶。
栓内层窄,常见裂隙。
韧皮部乳管群散在,壁略厚,内含微细颗粒状黄棕色物。
形成层成环。
木质部导管单个散在或数个相聚,呈放射状排列。
薄壁细胞含菊糖。
2.2理化鉴别取本品,切片,用稀甘油装片,置显微镜下观察,可见扇形或类圆形的菊糖结晶。
2.3薄层鉴别取本品粉末1g,加7%硫酸乙醇-水(1:3)混合液20ml,加热回流3小时,放冷,用三氯甲烷振摇提取2次,每次20ml,合并三氯甲烷液,加水30ml洗涤,弃去洗液,三氯甲烷液用无水硫酸钠脱水,滤过,滤液蒸干,残渣加甲醇1ml 使溶解,作为供试品溶液。
制药GMP管理文件一、目的:制定桔梗的内控标准,规范公司桔梗的采购与使用。
二、适用范围:适用于桔梗的采购与验收。
三、责任者:生产部、检验员、仓库保管员四、正文:桔梗本品为桔梗科植物桔梗Platycodon grandiflorum(Jacq.)A.DC.的干燥根。
春、秋二季采挖,洗净,除去须根,趁鲜剥去外皮或不去外皮,干燥。
【性状】本品呈圆柱形或略呈纺锤形,下部渐细,有的有分枝,略扭曲,长7~20cm,直径0.7~2cm。
表面白色或淡黄白色,不去外皮者表面黄棕色至灰棕色,具纵扭皱沟。
并有横长的皮孔样斑痕及支根痕,上部有横纹。
有的顶端有较短的根茎或不明显,其上有数个半月形茎痕。
质脆,断而不平坦,形成层环棕色,皮部类白色,有裂隙,木部淡黄白色。
无臭,味微甜后苦。
【鉴别】(1)本品横切面:木栓细胞有时残存,不去外皮者有栓皮层,细胞中含草酸钙小棱晶。
皮层窄,常见裂隙。
韧皮部乳管群散在,壁略厚,内含微细颗粒状黄棕色物。
形成层成环,木质部导管单个散在或数个相聚,呈放射状排列。
薄壁细胞含菊糖。
(2)取本品,切片,用稀甘油装片,置显微镜下观察,可见扇形或类圆形的菊糖结晶。
(3)取本品粉末1g,加7%硫酸乙醇-水(1:3)混合液20ml,加热回流3小时,放冷,用氯仿振摇提取2次,每次20ml,合并氯仿液,加水30ml 洗涤,弃去洗液,氯仿液用无水硫酸钠脱水,滤过,滤液蒸干,残渣加甲醇1ml使溶解,作为供试品溶液。
另取桔梗对照药材1g,同法制成对照药材溶液。
照薄层色谱法试验,吸取上述两种溶液各10μl,分别点于同一硅胶G薄层扳上,以氧仿-乙醚(1:1)为展开剂,展开,取出,晾干,喷以10%硫酸乙醇溶液,在105℃加热至斑点显色清晰。
供试品色谱中,在与对照药材色谱相应的位置上,显相同颜色的斑点。
【含量测定】取本品粗粉约4g,精密称定,置素氏提取器中,加甲醇25ml,浸泡15小时后,再加甲醇25ml,加热回流6小时,放置过夜,滤过,滤液置水浴上浓缩至l5~20ml,放冷,加乙醚50ml,振摇,放置至澄明,弃去上清液,沉淀分次加甲醇(20ml、lOml、5m1)加热使溶解,放冷,滤过,合并甲醇液,置水浴上浓缩至l5~20ml,放冷,加乙醚50ml,振摇,同上法处理,合并甲醇液,置已恒重的蒸发皿中,于水浴上蒸发至干,在105℃干燥至恒重,计算,即得。
标准技术程序依据:中国药典2010版一部及江苏省中药饮片炮制规范02版。
1.目的:建立桔梗质量标准。
2.范围:适用于桔梗采购、质量检验及在库养护。
3.职责:QA、QC、质量部经理、生产部经理。
4.内容:4.1 来源:本品为桔梗科植物桔梗Platycodon grandiflorum(Jacq.)A.DC.的干燥根。
4.2 性状:本品呈圆柱形或略呈纺锤形,下部渐细,有的有分枝,略扭曲,长 7~20cm,直径0.7~2cm。
表面白色或淡黄白色,不去外皮者表面黄棕色至灰棕色;具纵扭皱沟,并有横长的皮孔样斑痕及支根痕。
上部有横纹。
有的顶端有较短的根茎或不明显,其上有数个半月形茎痕。
质脆,断面不平坦,形成层环棕色,皮部类白色,有裂隙,木部淡黄白色。
无臭,味微甜后苦。
4.3 鉴别:4.3.1 鉴别1:a.木栓细胞有时残存,不去外皮者有栓皮层,细胞中含草酸钙小棱晶。
b.栓内层窄。
c.韧皮部乳管群散在,乳管壁略厚,内含微细颗粒状黄棕色物。
d.形成层成环。
e.木质部导管单个散在或数个相聚,呈放射状排列。
f.薄壁细胞含菊糖4.3.2 鉴别2:可见扇形或类圆形的菊糖结晶。
4.3.3 鉴别3:桔梗的薄层鉴别,供试品色谱中,在与对照品色谱相应的位置上,显示相同颜色的斑点(按薄层色谱法标准操作程序SOP-QC-009-01测定)4.4 水分:不得过15.0%(按水分测定法标准操作程序SOP-QC-001-01 第一法测定)4.5 总灰分:不得过6.0%(按灰分测定法标准操作程序SOP-QC-002-01测定)4.6 醇溶性浸出物:不少于17.0%(按浸出物测定法标准操作程序SOP-QC-003-01热浸法测定)4.7 含量测定:按干燥品计算,含桔梗皂苷D(C57H92O28)不得少于0.10%。
(按高效液相测定法标准操作程序SOP-QC-004-01测定)5.桔梗饮片【炮制】除去杂质,洗净,润透,切厚片,干燥。
本品为椭圆形或不规则厚片,外皮多已除去或偶有残留。
XXXX药业有限公司原料质量标准及检验操作规程1 品名:1.1 中文名:桔梗1.2 汉语拼音:Jiegeng2 代码:3 取样文件编号:4 检验方法文件编号:5 依据:《中国药典》(2015年版第一增补本)。
6 质量标准:7 检验操作规程:7.1 试药与试剂:甘油、硫酸、乙醇、水、三氯甲烷、无水硫酸钠、甲醇、桔梗对照药材、乙醚、乙腈、桔梗皂苷D对照品、正丁醇、氨水、硅胶。
7.2 仪器与用具:显微镜、水浴锅、恒温鼓风干燥箱、硅胶G薄层板。
7.3 性状:取本品适量,自然光下目测色泽,嗅闻气味。
7.4 鉴别:7.4.1取本品制片置10×10显微镜下做显微观察。
7.4.2取本品,切片,用稀甘油装片,置显微镜下观察。
7.4.3取本品粉末1g,加7%硫酸乙醇-水(1 :3)混合液20ml,加热回流3小时,放冷,用三氯甲烷振摇提取2次,每次20ml,合并三氯甲烷液,加水洗涤2次,每次30ml,弃去洗液,三氯甲烷液用无水硫酸钠脱水,滤过,滤液回收溶剂至干,残渣加甲醇1ml使溶解,作为供试品溶液。
另取桔梗对照药材1g,同法制成对照药材溶液。
照薄层色谱法(附录7)试验,吸取上述两种溶液各10μl,分别点于同一硅胶G薄层板上,以三氯甲烷-乙醚(2 :1)为展开剂,展开,取出,晾干,喷以10%硫酸乙醇溶液,在105℃加热至斑点显色清晰。
供试品色谱中,在与对照药材色谱相应的位置上,显相同颜色的斑点。
7.5 检查:7.5.1 水分:不得过15.0%(附录15第二法)。
7.5.2 总灰分:不得过6.0%(附录17)。
7.5.3二氧化硫残留量照二氧化硫残留量测定法(附录58)测定,不得过150mg/kg。
7.6 含量测定:照高效液相色谱法(附录8)测定。
色谱条件与系统适用性试验以十八烷基硅烷键合硅胶为填充剂,YMC-Pack ODS-A色谱柱(柱长为25cm,内径为4.6mm,粒径为5μm);以乙腈-水(25:75)为流动相;蒸发光散射检测器检测;理论板数按桔梗皂苷D峰计算应不低于3000。
XXXXXXXX有限公司原料质量标准及检验操作规程
1 品名:
1.1 中文名:桔梗
1.2 汉语拼音:Jiegeng
2 代码:
3 取样文件编号:
4 检验方法文件编号:
5 依据:《中国药典》(2020年版第一部)。
6 质量标准:
7 检验操作规程:
7.1 试药与试剂:甘油、硫酸、乙醇、水、三氯甲烷、无水硫酸钠、甲醇、桔梗对照药材、乙醚、乙腈、桔梗皂苷D对照品、正丁醇、氨水、硅胶。
7.2 仪器与用具:显微镜、水浴锅、恒温鼓风干燥箱、硅胶G薄层板。
7.3 性状:取本品适量,自然光下目测色泽,嗅闻气味。
7.4 鉴别:
7.4.1取本品制片置10×10显微镜下做显微观察。
7.4.2取本品,切片,用稀甘油装片,置显微镜下观察。
7.4.3取本品粉末1g,加7%硫酸乙醇-水(1 :3)混合液20ml,加热回流3小时,放冷,用三氯甲烷振摇提取2次,每次20ml,合并三氯甲烷液,加水洗涤2次,每次30ml,弃去洗液,三氯甲烷液用无水硫酸钠脱水,滤过,滤液回收溶剂至干,残渣加甲醇1ml使溶解,作为供试品溶液。
另取桔梗对照药材1g,同法制成对照药材溶液。
照薄层色谱法(附录7)试验,吸取上述两种溶液各10μl,分别点于同一硅胶G薄层板上,以三氯甲烷-乙醚(2 :1)为展开剂,展开,取出,晾干,喷以10%硫酸乙醇溶液,在105℃加热至斑点显色清晰。
供试品色谱中,在与对照药材色谱相应的位置上,显相同颜色的斑点。
7.5 检查:
7.5.1 水分:不得过15.0%(附录15第二法)。
7.5.2 总灰分:不得过6.0%(附录17)。
7.5.3二氧化硫残留量照二氧化硫残留量测定法(附录58)测定,不得过150mg/kg。
7.6 含量测定:照高效液相色谱法(附录8)测定。
色谱条件与系统适用性试验以十八烷基硅烷键合硅胶为填充剂,YMC-Pack ODS-A色谱柱(柱长为25cm,内径为4.6mm,粒径为5μm);以乙腈-水(25:75)为流动相;蒸发光散射检测器检测;理论板数按桔梗皂苷D峰计算应不低于3000。
对照品溶液的制备取桔梗皂苷D对照品适量,精密称定,加甲醇制成每1ml含0.5mg的溶液,即得。
供试品溶液的制备取本品粉末(过二号筛)约2g,精密称定,置具塞锥形瓶中,精密加入50%甲醇50ml,称定重量,超声处理(功率250W,频率40kHz)30分钟,放冷,再称定重量,用50%甲醇补足减失的重量,摇匀,滤过;精密量取续滤液25ml,蒸干,残渣加水20ml,微热使溶解,用水饱和的正丁醇振摇提取3次,每次20ml,合并正丁醇液,用氨试液50ml洗涤,弃去氨液,再用正丁醇饱和的水50ml洗涤,弃去水液,正丁醇液回收溶剂至干,残渣加甲醇适量使溶解,转移至5ml量瓶中,加甲醇至刻度,摇匀,滤过,取续滤液,即得。
测定法分别精密吸取对照品溶液10μl、20μl,供试品溶液10~15μl,注入液相色谱仪,测定,以外标两点法对数方程计算,即得。
本品按干燥品计算,含桔梗皂苷D(C57H92O28)不得少于0.10%。